格力中央空调F1故障是什么意思-格力中央空调F1故障报警怎样解决排除-格力中央空调F1故障维修办法
- 格式:doc
- 大小:2.08 MB
- 文档页数:23
格力中央空调F1是室内入管感温包故障。
联系格力售后服务报修。
最新格力中央空调故障代码大全及解释
用户在使用格力中央空调过程中格力空调显示的一些故障代码含义不懂,这些故障代码有的是假故障,用户正确操作就可以排除,有的是真故障需要联系格力空调售后服务网点上门处理。
这里列出格力中央空调故障代码大全及解读排除
2018格力中央空调故障代码大全
聚信口碑网汇总了国内所有知名大品牌家电售后服务系统和售后服务维修工,实时动态化定位管理,可以在线快速处理您的所
有保内保外报修问题。
聚信口碑网对保外维修费用采用平台托管用户试用7天确认满意平台会把维修费费用支付给维修工,中间任何问题都可以联系沟通平台先行赔付。
聚信口碑网每年投巨资对所有老用户送保外家电维修免费一次,您在聚信口碑网提交一次了保内免费维修的或保外收费维修的单子都成为老用户可以享受保外免费维修一次,聚信口碑网只赚口碑不赚钱。
欢迎大家转发关注,您的关注就是我们发展的动力,您的关注也是我们的股东投资的动力,股东投资的希望。
最新格力空调故障代码汇总格力柜式空调故障代码大全KF-60L WAK 柜机E1 1﹑冷凝器前有障碍物2﹑掌握回路巽常3﹑室外情形温度高于43度时开端制冷4﹑高压管压力过大使高压开关动作E2 1﹑室内风机不转或风口堵住 2﹑室内情形温度低于18度3﹑管温感温头折断 4﹑管温感温头插头没插好5﹑掌握回路巽常 6﹑电容C7漏电LF-120WAK柜机E1 1﹑冷凝器前有障碍物2﹑掌握回路巽常3﹑三相电源缺相4﹑室外情形温度高于43度时开端制冷5﹑工作电流过大使过护器动作或高压管压力过大使高压开关动作E2 1﹑室内风机不转或风口堵住 2﹑室内情形温度低于18度3﹑管温感温头折断 4﹑管温感温头插头没插好5﹑掌握回路巽常6﹑电容C7漏电KFR-70LW/EDE1 高压 E2 防冻结 E3 低压 E4 排温 E5 过流格力带低电压呵护新款柜机代码:E1 紧缩机高压呵护 E2 蒸发器防冻结呵护E3 紧缩机低压呵护E4 紧缩机排气温渡过高呵护E5 过电流(低电压呵护格力空调故障代码KF-60L WAK分体立柜式房间空调器故障代码﹕E1 1﹑冷凝器前有障碍物2﹑掌握回路巽常3﹑室外情形温度高于43度时开端制冷4﹑高压管压力过大使高压开关动作E2 1﹑室内风机不转或风口堵住 2﹑室内情形温度低于18度3﹑管温感温头折断 4﹑管温感温头插头没插好5﹑掌握回路巽常 6﹑电容C7漏电LF-12WAK分体立柜式房间空调器故障代码﹕E1 1﹑冷凝器前有障碍物2﹑掌握回路巽常3﹑三相电源缺相3﹑室外情形温度高于43度时开端制冷4﹑工作电流过大使过护器动作或高压管压力过大使高压开关动作E2 1﹑室内风机不转或风口堵住2﹑室内情形温度低于18度3﹑管温感温头折断4﹑管温感温头插头没插好5﹑掌握回路巽常6﹑电容C7漏电格力空调维修一:格力定频机械挂机的传感器的阻值比较小,也就是说比较准确,不过也是最轻易坏的,罕有故障就不说了,说2个不好查的:1制冷时20分钟阁下压机停;2制热外风机不工作;很大可能都是室内管温问题.[实用所有定频机]二:通俗分体机,1:就是带灯箱的E1表示为一开机连忙停,除灯箱可以开以外此外功效都没有效.[简略解决办法:将掌握板的OVC线与零线短接,仍是E1为掌握板坏,不显示E1那就是高压呵护开关等断开]2:E3故障有的机械基本就没有低压呵护开关,可是换了所有掌握元件照样解决不了问题,本来是如今的许多掌握板都是通用的,只要把掌握板上的LPP线与零线短接就可以了!三:变频沉着王维修材料1 排气温度呵护:当T排气高于115度时,压机停,小于90度压机停已达三分钟后恢复运行;2 防冻结呵护:当T内管小于-1度,压机停,大于6度压机停已达三分钟恢复运行;3 过电流呵护:当I总大于D时,压机停,外风机延时30秒停制冷时32机D=10A,25机D=8A;制热时32机D=13A,25机D=10A4 过负荷呵护:当T管大于62度时,内风机按设定风速运行,压机停.T管:制冷时是室外热交换器温度,制热时是室内热交换器温度.5 室内,外故障显示:D1,D2,D3为内机灯,LED1[绿灯]LED2[红灯]LED3[黄灯]为外机灯.A压机停且有故障时LED1亮;B室外情形温度有故障时LED3亮;C室外管温有故障时LED2亮;D模块呵护时LED1闪耀;E压机过载时LED2与LED3同时闪耀;F排气温度有故障时LED1,LED2,LED3全亮;G室内D1压机运行时亮;H室内D2时通信指导,正常时闪耀;I室内D3是感温包指导灯,有故障时闪耀.6 功率模快:各线功效1号线:W相的负端掌握旌旗灯号;2号线:W的正端掌握旌旗灯号;3号线:V的负端掌握旌旗灯号;4号线:V正端掌握旌旗灯号;5号线:U的负端掌握旌旗灯号;6号线:U正端掌握旌旗灯号;7号线:地线;8号线;+5V线;9号线:+12V线;10号线:模块呵护旌旗灯号线[模块呵护有:过热,过流,欠压呵护,呵护时模块有微秒极的旌旗灯号输出]四:变频柜机E1-E5E1:压机过流,过热,排气过高,模块呵护;E2:室内防冻结呵护;E3:室内温度感温包开,短路;E4:室内管温开,短路;E5:室表里通信故障.五:定频机故障代码:E1:紧缩机高压呵护E2:蒸发器防冻结呵护E3:紧缩机低压呵护E4:紧缩机排气温渡过高呵护E5:过电流(低电压呵护)柜机的故障代码E1:紧缩机高压呵护,当持续3秒检测到高压呵护(大于27KG/CM2)时,封闭除灯箱外其它负载,屏障所有按键及遥控旌旗灯号,指导灯闪耀并显示E1.E2:室内防冻结呵护,在制冷.抽湿模式下,紧缩机启动6分钟,持续3分钟检测到T蒸≦-5℃时,指导灯闪耀并显示E2,停紧缩机.外风机:当T蒸≧6℃时,紧缩机已停足三分钟,指导灯灭,液晶恢复显示,按原状况运行.不屏障按键.E3:紧缩机低压呵护,紧缩机启动三分钟后开端检测低压开关旌旗灯号,若持续3分钟检测到低压开关断开,则整机停,指导灯闪耀,显示E3,以提示用户体系漏气.E4:排气管高温呵护,紧缩机启动后,持续30秒检测到排气温度高于120℃或排气管温头短路(开路)时,指导灯闪耀,并显示E4.E5:低电压呵护(过电流呵护),紧缩机运转后,若持续3秒钟检测到电流超出25A,指导灯闪耀并显示E5.E6:静电除尘呵护.变频器的特点与应用特色变频空调器是一种变频率可随负荷变动而随时变更的空调器.开机后,若房间温度与设定温度相差大则以高频.高功率运转,使室温敏捷达到设定温度,比通俗空调制冷制热速度快一倍.随后将按照人体对情形温度和湿度请求,主动采取低频.低功率运转,保持所设定的温度,防止通俗空调空调频仍启动,温度摇动大的现象,使人处于舒适的情形中.格力变频空调采取全新概念设计风机风道体系,大幅降低了整机的噪音.其所采取的高科技变频和隐约掌握技巧,可依据情形温度的变更主动调节运行状况,以最佳输出功率进行高效节能运行●数字温度传感器.内置微电脑感温装配,能准确感知0.5摄氏度的温度差别.温度超出预定值,数字掌握体系即时作出反响,恒定最佳室温.●低温制热强劲格力变频空调室外机采取两档电机和电帮助热装配,单位制热时开启高风档,有效进步单位制热才能,防止了冬季热量缺少的弊病,平均制热量比制冷量凌驾600-900W.● 数字直流变频紧缩机格力数字直流便频紧缩机,依据室温变更调剂频率,使紧缩机时刻处于最佳的功率输出状况;采取数字化掌握,大幅进步制冷(制热)效力,达到设定温度比通俗空调快一倍以上,省电30﹪以上.● 便变频空调的长处起首是节能,因为采取了变频掌握技巧,防止了无谓的电力糟蹋.因为传统空调器是以开/关方法掌握电机运转,在每次启动紧缩机电机工作进程当中均需消费较大的电能.而变频式的紧缩机,是依附室平和设定温度等参数来掌握转速,当室温达到请求的舒适的温度时,保持了低频运转,不会连忙停机.从而,包管了空调器在运行当中不会因紧缩机频仍启动而造成额外的电能损掉.● 于通俗空调器单位差别变频式空调于传统空调器的差别,主如果经由过程变频器对电源频率的处理,使供应紧缩机的电源频率可以依据须要产生变更,令紧缩机电念头的转速也随之变更,达到掌握紧缩机排气量,掌握制冷量,使空调器真正达到节能的后果.变频式空调器,除制冷.制热功效的感化和工作道理与传统空调器雷同外,掌握体系和紧缩机与一般空调器不合,增长了变频器.而所采取的变频式紧缩机,在运转的进程中始终受到掌握体系的变频器掌握,空调器的制冷或制热量也会跟着紧缩机转速变更而变更.变频式紧缩机与一般的紧缩机不合,它可以随意率性进行高下速运转,使紧缩机的排量得到有效的转变和掌握.这种紧缩机多是涡旋式.双转子.扭转式等高效紧缩机.变频空调装配留意事项和维修技巧一.装配留意事项1.空调室外机必定要选择在通风优越的地位来装配,不然会造成空调一向低频工作,紧缩机和便频模块轻易频仍呵护,轻微时会导致停机(电流过大).2.衔接线必定加装固线夹,防止拉脱.拉断连线,接头必定要稳固靠得住,不然,轻易引起打火造成火警等变乱;旌旗灯号线接触不良会导致开不起机或紧缩机频仍不断.3.所有变频空调机必须靠得住接地,用户家没有地线的,要提出办法解决.当空调没有接地线时罕有故障现象是频仍开停机,工作不稳固.4.所有变频空调机装配时表里机连线,必须采取变频机专用配线.二.维修留意事项(部分掌握元件故障剖析)1.室内部分①情形感温包开路:整机制冷时不启动或启动一下就停机;制热时工作正常,且一向是高频运转.②管温包开路是:分体机和灯箱柜机,轻易消失工作6分钟至10分钟就停外机,液晶显示的会显示E2并停滞室外机.③管温包短路时:制冷是无防冻结呵护,外机不启动;制热是无防高温呵护,整机停滞工作.④所有温控元件阻值有误差时,频率会一向消失高频不降频或是一向低频不上升.(有些温控元件在不通电的情形下阻值正常,最好是通电检讨.)三.室外部分①紧缩机过热呵护器,当其消失呵护时:停室外机,外机主板指导灯闪耀且长时光开不了机.②室外化霜管温头开路时:制冷正常:制热时会45分钟就化霜一次,10分钟解除化霜,重复轮回.③室外化霜管温短路时:制冷制热均不会工作.④室外机情形感温包开路时:对空调机运转不受影响.⑤室外机情形感温包短路时:制冷时不受影响,制热时空调一向低频运转,频率不上升.⑥紧缩机排气口感温包开路时,空调机运转一向处于高频(不会降频).⑦紧缩机排气口感温包短路时:制冷制热均开不起机.⑧变频器(模块)的故障断定及改换a.开机后测量p+.N-之间是否有300V阁下的直流电压b.检讨+5V与+12V输出是否正常,可以在室外机找点测量c.如(a)和(b)正常之后,检测U.V.W三相是否有均衡交换电输出.(在检测U.V.W之间电压时,最好是将紧缩机连线拆下检讨)d.如(a).(b).(c)都正常之后,检讨紧缩机线圈阻值是否正常.(紧缩机三个端子阻值是否相等,阻值应为1~3欧姆.)e.模块改换及装配时,必须要涂散热膏,螺丝要均衡拧紧,紧贴散热膏,不然温渡过高,消失模块频仍呵护,紧缩机频仍开停.f.室外主控板与模块之间的10根通信线必定要当心插紧,掌握器上的+5V与+12V均都由模块输出.10根通信线个中三根分离为:地.+5V.+12V,别的7根是数据线,需用示波器方能检测.⑨室外机两个整流桥,一个为220V输入,输出300V直流至模块p+与N-两头:另一个是半波整流滤波感化.⑩电抗器为一导通线圈,一般只需检测两头导通就行.四.变频器罕有故障1.室外机不工作①开机后检讨室外机有无220V电压,如没有,请检讨室内.外机衔接是否接对,室内机主板接线是否准确,不然改换室内机主板.②如上电蜂鸣器不响,请检讨变压器.③如外机有220V电压,检讨外机主板上红色指导灯是否亮,不然检讨外机衔接线是否松动,电源模块p+.N-间是否有300V的直流电压,如没有,则检讨电抗器,整流桥和接线.假若有,但外机主板指导灯不亮,先检讨电源模块到主板旌旗灯号衔接线(共10根)是否松脱或接触不良,再不成,请改换电源模块,改换模块时,在散热器与模块之间必定要涂上散热膏.④如室外机有电源,红色指导灯亮,外机不启动,可检讨是内.外通信,(检讨办法:开机后按“TEST”键一次,不雅察室内机指导灯),任何一种指导灯闪耀为正常,不然通信有问题;检讨表里机衔接线是否为专用的扁平线,不然改换之.如通信正常,请检讨室表里机感温包是否开路或短路或阻值不正常,过载呵护器端子是否接好.以上两种办法均不克不及解决,则改换室外掌握器.⑤如开机11分钟阁下停机,且不克不及启动,请检讨室内管温感温包是否开路;如开机后再启动,外风机不启动,检讨室内.外感温头是否短路.2.空调开机后一向低频运转请检讨室内管温.室外情形.紧缩机及化霜感温包是否有开路或短路.阻值不正常现象.3. p板变频柜机故障代码及解决办法E1:紧缩机电流过大.紧缩机过热.排气温渡过高.模块呵护.过载呵护器有无短路.紧缩机感温包是否短路.E2:室内机蒸发器防冻结呵护,检讨室内感温包是否开路,消除即可.E3:室内温度感温包短路或开路.E4:室内管温感温包开路或短路.E5:室表里通信故障,检讨室表里衔接线有无接错(零.前线不克不及接反):旌旗灯号线与掌握办的衔接处,接插口有无松动;掌握器是否破坏等.4.制热时,室内机不工作请检讨电源衔接线(内.外机)是否准确,电源线是否接地,如以上均正常,则改换室内机主控板.变频空调系列故障维修指南一.格力2000变频机及变频柜机系列室外机不启动原因有:电源模块坏;室表里通信不正常;室表里感温包故障;紧缩机过载呵护器开路;pCB板坏等,具体断定及处理办法:1.电源模块坏:上电后起首检讨电源模块p+.N-之间是否有310VDC电压,假如无,请检讨室外机主回路中整流桥.电抗器.电容器是否有故障,接线是否松脱,同时检讨pTC电阻是否坏,pTC电阻正常时,其两头电阻为30欧姆到60欧姆之间,开路或短路都不正常.假若有310VDC电压,而室外机pCB板上红色指导灯不亮,请检讨pCB板与电源模块之间的十芯旌旗灯号衔接线是否接触优越,电源模块上针座中插针是否折弯,如以上均正常,而pCB办上红色指导灯依旧不亮,解释电源模块坏.假如红色指导灯亮,紧缩机不启动,将紧缩机U.V.W三根线拔掉落,开机,外风机能正常运行(三分钟以上),也解释电源模块坏.留意:换电源模块时,必定要在电源模块及散热器上平均涂上散热膏.2.室内.外感温包故障(故障现象,不启动或开一段时光后停):变频机掌握与室内.外感温包都有关系.(1)制冷.抽湿模式:如消失开几分钟的停机现象a.请检讨室内管温包是否有故障或温渡过低,导致防冷呵护.b.请检讨室外化霜感温包是否有故障或温渡过高,当T化﹥65℃时,紧缩机遇停,T化﹤58℃时恢复运行.c.排气感温包是否过高或有故障.T排﹥115℃停紧缩机,T排﹤92℃恢复运行.d.过载呵护器是否开路即紧缩机过载跳或接触不良.(2)制热模式:a.如紧缩机不启动,内风机一向不转,则为通信故障,请检讨室表里衔接线是否准确,是否完整靠得住接地.b.室内管温呵护,当T管﹥65℃停紧缩机;T﹤52℃恢复运行,处理办法可先将管温包拔调或换新感温包.c.排气温度呵护及过载呵护同制冷.3.室内.外其它故障显示a. LED1绿灯亮,紧缩机停且有故障;b. LED3黄灯亮,室外情形感温包有故障;c. LED2红灯亮,室外管温感温包有故障d. LED1绿灯闪耀,模块有呵护旌旗灯号;e. LED2.LED3红灯.黄灯闪耀,紧缩机过载呵护旌旗灯号;f.绿灯.红灯.黄灯同时全亮,排气感温包有故障;g.室内D1灯亮,紧缩机运行;h.室内D2灯亮,通信正常工作,不然不正常;i.室内D3灯亮,室内感温包有故障.格力空调:变频柜机E1-E5 BB.s)_A @E1:压机过流,过热,排气过高,模块呵护; C}t]__0&B_E2:室内防冻结呵护; 84{C>7v>D$ E3:室内温度感温包开,短路;zvdaf_VJ,rE4:室内管温开,短路; 3+ uC?_AWNE5:室表里通信故障. __sv$A >Yh 定频机故障代码: d>4O2p_OTRE1:紧缩机高压呵护 _L%_/qF_D_E2:蒸发器防冻结呵护 V(?tVg <|E3:紧缩机低压呵护E4:紧缩机排气温渡过高呵护 W^_%E!:___E5:过电流(低电压呵护) ^y7E+9r!_w-K6HdZ\~0LF-12WAK分体立柜式房间空调器故障代码﹕ _Xy|___ <E1 1﹑冷凝器前有障碍物 u0>"_ ~A_2﹑掌握回路巽常 _J4:dktP `3﹑三相电源缺相 2=g_?L9_33﹑室外情形温度高于43度时开端制冷 I'*(-_{_{% 4﹑工作电流过大使过护器动作或高压管压力过大使高压开关动作 ~jy*_ue__NE2 1﹑室内风机不转或风口堵住 Z<_kFw_9C2﹑室内情形温度低于18度 _'[wV __vP3﹑管温感温头折断 ir" | a_A4﹑管温感温头插头没插好 bO_=-" _f5﹑掌握回路巽常 +D_on-Y__6﹑电容C7漏电 v9b$)leR_+Gu2D_1_Iy)_@;E3, 低压呵护 N[_&a)t_1XE4.压机排气温渡过高呵护 _ _MC(4_l?E5,低电压呵护(堵转过流呵护)E6,静电除尘呵护 _p_,#V}.:_i|OwFz?@_ ya31E_W"_#格力空调代码! W"_=_ 2u8_ p,__Q_XC[MKF-60L WAK分体立柜式房间空调器故障代码﹕ m+N_ xcLE1 1﹑冷凝器前有障碍物 Z_G+g~V Ii2﹑掌握回路巽常 -_}$h_%_Og3﹑室外情形温度高于43度时开端制冷 _$z&v7*r_ 4﹑高压管压力过大使高压开关动作 O=C_;|Qv_PE2 1﹑室内风机不转或风口堵住 t__@TOX__2﹑室内情形温度低于18度 f:qp}M -`13﹑管温感温头折断 ,C-___7__34﹑管温感温头插头没插好 \t_J_/-s%p5﹑掌握回路巽常G;qAm*_IM6﹑电容C7漏电 g__j32-%Q_LF-12WAK分体立柜式房间空调器故障代码﹕ a_'_ga; R_E1 WK_nT_1/`}1﹑冷凝器前有障碍物 >]S UFpD>x2﹑掌握回路巽常 _q2/FFR&Oe3﹑三相电源缺相 phD___-Z-K4﹑室外情形温度高于43度时开端制冷 8 _#_+oI_` 5﹑工作电流过大使过护器动作或高压管压力过大使高压开关动作 sA-_)P_ %'E2 1﹑室内风机不转或风口堵住 qPnlUm|Tb\2﹑室内情形温度低于18度 7!V@I_4Ae3﹑管温感温头折断 9_bq} !-_Y4﹑管温感温头插头没插好 $v_j_[@g_h5﹑掌握回路巽常 MsS_g`(_K6﹑电容C7漏电 l__/__i$S9zF?i=my+_ 格力空调 _Y*aufD%a1E1压机高压E2体系1防冻E3压机低压E4压机排气压机过载b1D压机2 >| O(~yI高压b2体系防冻b3压机低压b4压机排气b5压机过载b6冷凝器传感器b7蒸发器传感器EC通信故障EE存储器芯片故障C2体系防冻C3压机低压C4压机排气C5压机过载C6冷凝器传感器C7蒸发器传感器F0室内情形传感器F1蒸发器传感器F2冷凝器传感器F3室外情形传感器F5排气传感器故障F6排气传感器F7排气传感F9风机过流___E?Zm!k^ @{t_rM___ w2T_i"GxCF格力空调故障代码! {_aKe*/< X v[_L-4K_EX MzBTd__m} KF-60L WAK分体立柜式房间空调器故障代码﹕_L+I_uN(7l E1 1﹑冷凝器前有障碍物#egb+_?@lT 2﹑掌握回路巽常9___'+&<0_ 3﹑室外情形温度高于43度时开端制冷dR>\j__xX4﹑高压管压力过大使高压开关动作f&__|_}ucE2 1﹑室内风机不转或风口堵住 xu_WA8*evJ 2﹑室内情形温度低于18度4﹑管温感温头插头没插好 3_p_*Q=N5﹑掌握回路巽常 dy_ _sgT_B6﹑电容C7漏电 sR)yY}-_@wLF-12WAK分体立柜式房间空调器故障代码﹕`S$8)_]eb&E1 1﹑冷凝器前有障碍物 ; Pq3HUPn22﹑掌握回路巽常 ~Z*_HC1p__3﹑三相电源缺相 _ d^eK:_Y3﹑室外情形温度高于43度时开端制冷 %@u_,3 t$4﹑工作电流过大使过护器动作或高压管压力过大使高压开关动作_t_{" [\|E2 1﹑室内风机不转或风口堵住 oi_wWSM_`~ 2﹑室内情形温度低于18度 }x[_*11`__ 3﹑管温感温头折断 a3W_Yv9 LI4﹑管温感温头插头没插好 7d!mI/&rn7 5﹑掌握回路巽常 ak_5N_z{Y|6﹑电容C7漏电 _f )_&F0<# _S!r_zb 格力庭院机 _a:A[Fek__i_|_"_tQq室外机电路板(发光管闪耀)故障原因 _d___E_&|p2.6指导灯闪耀水位天关(水泵或排水管破坏) _~dl_Y_YR_3.6指导灯闪耀扫风电机破坏_w__!bB___2.3.6指导灯闪耀选择问题vhF%.co*-_2.5指导灯闪耀室内温度传感器破坏I( __h_/_2.4.5指导灯闪耀遥控器问题 _|__$-FKP3.5指导灯闪耀室内温度传感器破坏{-d@4vbZ74指导灯闪耀中间肠址堵塞 _ _}-_|VB#2指导灯闪耀遥控器发射电路开路 }3_p__6j=_3.7指导灯闪耀室表里通信开路 * A;_9y_ m2.7指导灯闪耀室风外通信问题\O,q_lC_?3.4.6.7指导灯闪耀电源接触不良,检测主电路板 O___@r%-2.3.4.6.7指导灯闪耀电源接触不良,检测电路板 Y:Je7N__4.6.7 指导灯闪耀紧缩机吸气压力过低呵护 Sy___cc~S3.6.7指导灯闪耀紧缩机排气压力过高呵护 8VB_0_hFRY2.6.7指导灯闪耀紧缩机过流呵护bf_k~_]_a^2.3.6.7指导灯闪耀紧缩机排气温度呵护 ^O_lXK_O s2.5.7指导灯闪耀紧缩机排气温度问题 >eOK!5_LNk3.5.7指导灯闪耀热交换器温度问题X__.9-GqA-2.4.5.7指导灯闪耀高压开关开路_f>.2iy[V73.4.5.7指导灯闪耀热压开关开路Hk_Q"Jb*=_2.3.4.5.7指导灯闪耀低压开关问题F5mwB$w1t&2.3.5.7指导灯闪耀电流检测器开路或紧缩机过流呵护 Pb<_k(g$cm6}2<格力LF-7.5WPK显示代码故障原因 k_E.d_:kK_无电源显示变压器坏.电源故障.掌握电路或主控电路版故障 ~s=`1z_v58开机显示0度室内环温传感器故障或C5漏电 K&2Dl"_u_E1 却相.室外环温传感器平常或破坏.过流.过压 T[____T."QE2 室内管温传感器平常.过冷呵护.电容C7漏电. lEL__lM\a@R_z3^2_'4_ 一:格力定频机械挂机的传感器的阻值比较小,也就是说比较准确,不过也是最轻易坏的!罕有故障就不说了!说2个不好查的:1制冷时20分钟阁下压机停;2制热外风机不工作;很大可能都是室内管温问题![实用所有定频机] PcLS_T=fV 二:通俗分体机,1:就是带灯箱的E1表示为一开机连忙停,除灯箱可以开以外此外功效都没有效.[简略解决办法:将掌握板的OVC线与零线短接,仍是E1为掌握板坏,不显示E1那就是高压呵护开关等断开]2:E3故障有的机械基本就没有低压呵护开关,可是换了所有掌握元件照样解决不了问题,本来是如今的许多掌握板都是通用的,只要把掌握板上的LPP线与零线短接就可以了!{-_i_J_C三:变频沉着王维修材料 %_CNO8`HdE1 排气温度呵护:当T排气高于115度时,压机停,小于90度压机停已达三分钟后恢复运行; 5.K7G 5#_t2 防冻结呵护:当T内管小于-1度,压机停,大于6度压机停已达三分钟恢复运行; __w_!.rYKr3 过电流呵护:当I总大于D时,压机停,外风机延时30秒停+d9Rz_Yw %制冷时32机D=10A,25机D=8A;制热时32机D=13A,25机D=10A __ >v`f}4 过负荷呵护:当T管大于62度时,内风机按设定风速运行,压机停. NK]=Sh0_?`T管:制冷时是室外热交换器温度,制热时是室内热交换器温度. '!_~~0ExA5 室内,外故障显示:D1,D2,D3为内机灯,LED1[绿灯]LED2[红灯]LED3[黄灯]为外机灯. qIpU_a7-_fA压机停且有故障时LED1亮;B室外情形温度有故障时LED3亮;C室外管温有故障时LED2亮;D模块呵护时LED1闪耀;E压机过载时LED2与LED3同时闪耀;F排气温度有故障时LED1,LED2,LED3全亮;G室内D1压机运行时亮; fA_JK#8K>+ H室内D2时通信指导,正常时闪耀;I室内D3是感温包指导灯,有故障时闪耀. _a __!A*_T6 功率模快:各线功效 v3o*_U_f8_1号线:W相的负端掌握旌旗灯号;2号线:W的正端掌握旌旗灯号; mO?4ju&_]43号线:V的负端掌握旌旗灯号;4号线:V正端掌握旌旗灯号; 4Oc_zw* _U5号线:U的负端掌握旌旗灯号;6号线:U正端掌握旌旗灯号; W_8S_7号线:地线;8号线;+5V线;9号线:+12V线; F cHj+_T_>10号线:模块呵护旌旗灯号线[模块呵护有:过热,过流,欠压呵护,呵护时模块有微秒极的旌旗灯号输出] <_hbwPO)d|四:变频柜机E1-E56l__#X+8hE1:压机过流,过热,排气过高,模块呵护; _P/s_>EgJE2:室内防冻结呵护; q&QP/T(^H E3:室内温度感温包开,短路;~DSh__BDggE4:室内管温开,短路; _cH N__? E5:室表里通信故障. *U五:定频机故障代码: A_mg_!Zn 25#9u2n_Sc^ E1:紧缩机高压呵护 :_d*X-|W_FE2:蒸发器防冻结呵护 i:_Pd5o0\SE3:紧缩机低压呵护 ?88 ?CII!_E4:紧缩机排气温渡过高呵护 -U^#_: BQE5:过电流(低电压呵护) _lz"W\MBl$ uV40-:K,_R_7a_p r_/j一.部分柜机已增长呵护措施,现重申柜机的故障代码如下: Bj& E1:紧缩机高压呵护,当持续3秒检测到高压呵护(大于27kg/cm2)时,封闭除灯箱外其它负载,屏障所有按键及遥控旌旗灯号,指导灯闪耀并显示E1. c%( b___dE2:室内防冻结呵护,在制冷.抽湿模式下,紧缩机启动6分钟,持续3分钟检测到T蒸≤-5℃时,指导灯闪耀并显示E2,停压机.外风机;当T蒸≥6℃时,压机已停足3分钟,指导灯灭,液晶恢复显示,按原状况运行.不屏障按键. :B<# : e -E3:紧缩机低压呵护:紧缩机启动3分钟后开端检测低压开关旌旗灯号,若持续3分钟检测到低压开关断开,则整机停,指导灯闪耀,显示E3,以提示用户体系漏气. C_{B[mv7| E4:排气管高温呵护,紧缩机启动后,持续30秒检测到排气温度高于120℃或排气感温头短路(开路)时,指导灯闪耀,显示E4. %_Kr$_'BTE5:低电压呵护(过电流呵护).紧缩机运转后,若持续3秒钟检测到电流超出25A,指导灯闪耀并显示E5. 0(_。
格力空调f1解决方法
如果格力空调显示F1错误代码,可能意味着室外机管路过低,需要立即采取措施解决问题。
以下是一些可能的解决方法:
1. 检查室外机管道是否有漏水或者堵塞。
如果有漏水,修复管道漏水;如果有堵塞,清除堵塞物。
2. 检查室外机的散热器是否被杂物覆盖。
如果有杂物覆盖,清除或移开杂物,以确保散热器正常工作。
3. 检查室外机周围的空间是否足够,以确保良好的散热。
如果空间不足,需要提供更好的通风条件。
4. 检查室内机的风扇是否正常工作。
如果风扇故障,需要修理或更换室内风扇。
5. 检查室外机的控制线路是否正常连接。
如果控制线路有问题,修复或更换控制线路。
如果尝试以上方法后仍然出现F1错误代码,建议联系格力空调的售后服务中心进行更详细的故障诊断和解决方案。
格力空调故障代码大全格力空调作为国内著名的空调品牌,拥有着广泛的用户群体。
然而,使用过程中难免会遇到一些故障问题。
为了帮助用户更好地了解和维修格力空调,我们收集整理了一份格力空调故障代码大全,旨在为用户提供一份参考,以便更好地解决空调故障问题。
1. E0 故障码•故障描述:通讯故障•处理方法:检查通讯线是否连接正常,排除通讯线松动或线路断开的问题。
2. E1 故障码•故障描述:室温传感器故障•处理方法:检查室温传感器是否损坏,更换或修复室温传感器。
3. E2 故障码•故障描述:回风温度传感器故障•处理方法:检查回风温度传感器是否损坏,更换或修复回风温度传感器。
4. E3 故障码•故障描述:冷凝器高压保护•处理方法:检查空调系统的冷却效果,确保冷凝器清洁无阻。
5. E4 故障码•故障描述:机组温度过高保护•处理方法:检查空调机组是否堵塞,清理堵塞物,确保空气流通。
6. E5 故障码•故障描述:定速风机电流过大•处理方法:检查空调机组定速风机是否正常运转,如果异常,则需要维修或更换定速风机。
7. E6 故障码•故障描述:环境温度传感器故障•处理方法:检查环境温度传感器是否损坏,更换或修复环境温度传感器。
8. E7 故障码•故障描述:机组通讯故障•处理方法:检查机组通讯线是否连接正常,排除通讯线松动或线路断开的问题。
9. E9 故障码•故障描述:内外机通讯故障•处理方法:检查内外机通讯线是否连接正常,排除通讯线松动或线路断开的问题。
10. F0 故障码•故障描述:电热带开关故障•处理方法:检查电热带开关是否正常工作,如果损坏,则需要更换或修复。
11. F1 故障码•故障描述:室内机温度传感器故障•处理方法:检查室内机温度传感器是否损坏,更换或修复室内机温度传感器。
12. F2 故障码•故障描述:室外机温度传感器故障•处理方法:检查室外机温度传感器是否损坏,更换或修复室外机温度传感器。
13. F3 故障码•故障描述:压缩机过载保护•处理方法:检查空调系统的工作负荷是否过大,确保正常运行。
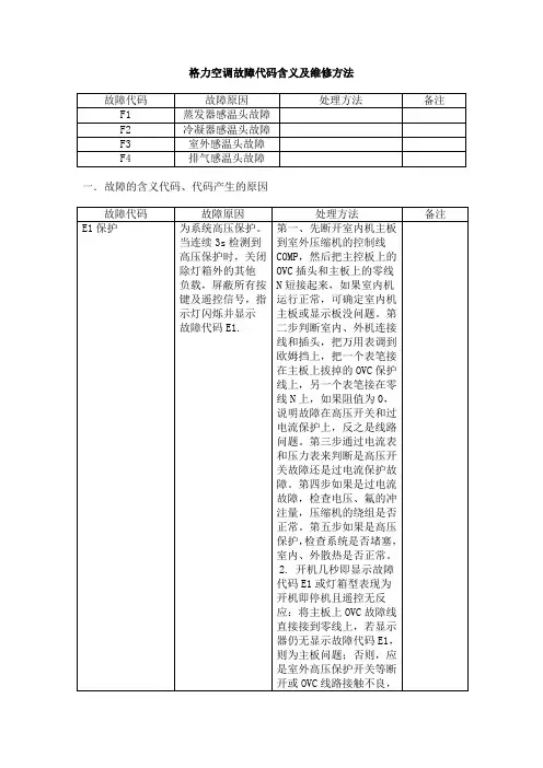
格力空调故障代码含义及维修方法一.故障的含义代码、代码产生的原因格力变频柜机故障显示E1 压机电流大,压机感温包(过热保护)开路E2 防冻结保护(内管温)E3 内传感器短开路E4 蒸发器管温开、短路E5 通讯失败(N、L)不能接反)二普通柜机E1 压机高压保护E2 内冻结保护E3 压机低压保护E4 排气温度保护(相序保护)E5 过欠压保护,低电压保护(同时按“扫风键,风速键”,进入自检)关于格力空调的故代码E1和E2KF-60LWAK分体立柜式房间空调器故障代码:E11、冷凝器前有障碍物2、控制回路巽常3、室外环境温度高于43度时开始制冷4、高压管压力过大使高压开关动作E21、室内风机不转或风口堵住2、室内环境温度低于187 格力空调故障代码3、管温感温头折断4、管温感温头插头没插好5、控制回路巽常6、电容C7漏电LF-12WAK分体立柜式房间空调器故障代码:E11、冷凝器前有障碍物2、控制回路巽常3、三相电源缺相3、室外环境温度高于43度时开始制冷4、工作电流过大使过护器动作或高压管压力过大使高压开关动作E21、室内风机不转或风口堵住2、室内环境温度低于18度3、管温感温头折断4、管温感温头插头没插好5、控制回路巽常6、电容C7漏电E1一般是外机问题过欠流过欠压散热不良!格力KFR-70LW/ED故障代码KFR-70LW/EDE1高压E2防冻结E3低压8 格力空调故障代码E4排温E5过流格力带低电压保护新款柜机代码:E1:压缩机高压保护E2:蒸发器防冻结保护E3:压缩机低压保护E4:压缩机排气温度过高保护E5:过电流(低电压保护关于格力空调的故代码E1和E2KF-60L WAK分体立柜式房间空调器故障代码:E1 1、冷凝器前有障碍物2、控制回路巽常3、室外环境温度高于43度时开始制冷4、高压管压力过大使高压开关动作E2 1、室内风机不转或风口堵住2、室内环境温度低于18度3、管温感温头折断4、管温感温头插头没插好5、控制回路巽常6、电容C7漏电9 格力空调故障代码LF-12WAK分体立柜式房间空调器故障代码:E1 1、冷凝器前有障碍物2、控制回路巽常3、三相电源缺相3、室外环境温度高于43度时开始制冷4、工作电流过大使过护器动作或高压管压力过大使高压开关动作E2 1、室内风机不转或风口堵住2、室内环境温度低于18度3、管温感温头折断4、管温感温头插头没插好5、控制回路巽常格力KFR--50L/H610故障代码 E1:压缩机电流过大,压缩机过热、排气温度高、模块保护,应检查过载保护器有无断开及压缩机感温包是否短路。
生活中的常识,希望对您有帮助!
生活经验知识分享空调显示f1是什么意思?
导读:本文是关于生活中常识的,仅供参考,如果觉得很不错,欢迎点评和分享。
室内管温传感器故障
室内机管温传感器作用是,采集室内机蒸发器温度,计算蒸发器制冷防冻结保护,制热预热启动室内风机,控制室内机风机风速等等。
内管温是MCU的耳朵或眼睛,它告诉MCU内热交太热了,外风机需要停一会,等内热交凉一点再吸热。
空调即空气调节器(Air Conditioner)。
是指用人工手段,对建筑/构筑物内环境空气的温度、湿度、洁净度、速度等参数进行调节和控制的过程。
一般包括冷源/热源设备,冷热介质输配系统,末端装置等几大部分和其他辅助设备。
主要包括水泵、风机和管路系统。
末端装置则负责利用输配来的冷热量,具体处理空气、温度,使目标环境的空气参数达到要求。
感谢阅读,希望能帮助您!。
格力空调故障代码大全(本文转自合肥空调维修网:// hfwxg /) KF-60L WAK 柜机E1 1.冷凝器前有障碍物2.控制回路巽常3.室外环境温度高于43度时开始制冷4.高压管压力过大使高压开关动作E2 1.室内风机不转或风口堵住2.室内环境温度低于18度3.管温感温头折断4.管温感温头插头没插好5.控制回路巽常6.电容C7漏电LF-120WAK柜机E1 1.冷凝器前有障碍物2.控制回路巽常3.三相电源缺相4.室外环境温度高于43度时开始制冷5.工作电流过大使过护器动作或高压管压力过大使高压开关动作E2 1.室内风机不转或风口堵住2.室内环境温度低于18度3.管温感温头折断4.管温感温头插头没插好5.控制回路巽常6.电容C7漏电KFR-70LW/EDE1 高压E2 防冻结E3 低压E4 排温E5 过流格力带低电压保护新款柜机代码:E1 压缩机高压保护E2 蒸发器防冻结保护E3 压缩机低压保护E4 压缩机排气温度过高保护E5 过电流〔低电压保护格力空调故障代码!KF-60L WAK分体立柜式房间空调器故障代码. E1 1.冷凝器前有障碍物2.控制回路巽常3.室外环境温度高于43度时开始制冷4.高压管压力过大使高压开关动作E2 1.室内风机不转或风口堵住2.室内环境温度低于18度3.管温感温头折断4.管温感温头插头没插好5.控制回路巽常6.电容C7漏电LF-12WAK分体立柜式房间空调器故障代码.E1 1.冷凝器前有障碍物2.控制回路巽常3.三相电源缺相3.室外环境温度高于43度时开始制冷4.工作电流过大使过护器动作或高压管压力过大使高压开关动作E2 1.室内风机不转或风口堵住2.室内环境温度低于18度3.管温感温头折断4.管温感温头插头没插好5.控制回路巽常6.电容C7漏电格力空调维修一:格力定频机器挂机的传感器的阻值比较小,也就是说比较精确,不过也是最容易坏的!常见故障就不说了!说2个不好查的:1制冷时20分钟左右压机停;2制热外风机不工作;很大可能都是室内管温问题![适用所有定频机]二:普通分体机,1:就是带灯箱的E1表现为一开机立刻停,除灯箱可以开以外别的功能都没有用。
格力空调故障代码大全及解释排除格力空调故障代码大全及解释排除格力空调故障代码不用着急,看完本文你就成为格力空调故障代码百事通。
这里列出格力空调故障代码大全供格力空调用户参考117E7模式冲突/逆缺相保护运行指示灯灭3秒闪烁7次18E8防高温保护/系统防高温保护运行指示灯灭3秒闪烁8次19E9防冷风保护运行指示灯灭3秒闪烁9次20EC 水流开关保护/空调水流开关保护/热水水流保护21Eb油温过高限/降频22En模块电流保护限/降频23Ed系统防高温保护/防过热保护24EF外风机过载保护25EP壳定高温保护26EE存储芯片故障/室内PCB板故障制热指示灯灭3秒闪烁15次27F0收氟模式(系统缺氟或堵塞保护)制冷指示灯灭3秒闪烁10次进入:上电5分钟内,3秒内连续按灯光键3次;退出:任意键或超过25分钟28F1室内环境感温包开、短路制冷指示灯灭3秒闪烁1次29F2室内蒸发器感温包开、短路制冷指示灯灭3秒闪烁2次30F3室外环境感温包开、短路制冷指示灯灭3秒闪烁3次31F4室外冷凝器感温包开、短路制冷指示灯灭3秒闪烁4次32F5室外排气感温包开、短路制冷指示灯灭3秒闪烁5次33F6制冷过负荷降频制冷指示灯灭3秒闪烁6次34F7制冷回油制冷指示灯灭3秒闪烁7次35F8电流过大降频制冷指示灯灭3秒闪烁8次36F9排气过高降频制冷指示灯灭3秒闪烁9次37FA管温过高降频38FC滑动门故障23456119L6机组能力不足120L7水压开关保护121L8蓄热水箱水位开关故障122L0风阀故障123LA外风机故障124LF超速保护(超频保护/压机超速保护)125LH室内环境温度过高报警126LL室内环境温度过低报警127LU压机功率限/降频128P7散热片或IPM.PFC模块温度传感器异常129P8散热片或IPM.PFC模块温度过高130P9交流接触器保护131Pb电量计算传感器故障132Pc电流检测电路故障或电流传感器故障133Pd 传感器连接保护(电流传感器未接到对应的U 相和V相)134PE温漂保护(电器盒温度偏移保护)135Pn低压限/降频(冷媒压力低压传感器)136U6油温温度过高保护137UC清洗过滤网故障138UF用远程监控把空调的遥控器和按键都屏蔽139UH内机直流母线电压异常保护140b5入管感温包故障制冷指示灯灭3s闪烁19次78141b7出管感温包故障制冷指示灯灭3s 闪烁22次142d0风机调速板通讯故障143dJ 交流输入相序144n7电磁二通阀故障1450E外机出现任意需要停机的故障压缩机过电流保护/压机、风机驱动故障E5数码多联室外机通讯故障E6数码多联室外机模式冲突E7数码多联室外机油电磁阀保护EA数码多联室外机室外环境温度传感器故障F4数码多联室外机室外主机入管温度传感器故障F5数码多联室外机室外主机中部温度传感器故障F6数码多联室外机室外主机出管温度传感器故障F7数码多联室外机主机定频压机1排气温度传感器故障F8数码多联室外机主机数码压机排气温度传感器故障F9数码多联室外机主机定频压机1油温温度传感器故障FA数码多联室外机主机数码压机油温温度传感器故障Fb数码多联室外机9高压传感器故障Fc数码多联室外机低压传感器故障Fd数码多联室外机缺冷媒保护FE数码多联室外机室外子机入管温度传感器故障b5数码多联室外机室外子机中部温度传感器故障b6数码多联室外机室外子机出管温度传感器故障b7数码多联室外机定频压机2排气温度传感器故障b8数码多联室外机定频压机3排气温度传感器故障b9数码多联室外机定频压机2油温温度传感器故障bA数码多联室外机定频压机3油温温度传感器故障bb数码多联室外机直流母线电压过高保护PH变频多联室外机IPM或PFC模块过热保护P8变频多联室外机10电流检测电路故障Pc变频多联室外机IPM或PFC模块温度传感器故障P7变频多联室外机压缩机电流保护P5变频多联室外机直流母线电压过低保护PL变频多联室外机压缩机启动失败Lc变频多联室外机PFC模块保护Hc变频多联室外机堵转LE变频多联室外机驱动模块复位P0变频多联室外机压缩机电机失步H7变频多联室外机缺相Ld变频多联室外机变频驱动部分到主控通讯故障P6变频多联室外机IPM模块保护H5变频多联室外机11超速LF变频多联室外机传感器连接保护Pd变频多联室外机温漂保护PE变频多联室外机交流接触器保护P9变频多联室外机高压保护E1变频多联室外机低压保护E3变频多联室外机排气保护E4变频多联室外机压缩机自带过载保护H3变频多联室外机通讯故障(内外机、手操器之间)E6变频多联室外机室外环境感温头故障F4变频多联室外机室外盘管进管感温头故障F5变频多联室外机室外盘管中间感温头故障F6变频多联室外机12室外盘管出管感温头故障F7变频多联室外机变频排气感温包故障F9变频多联室外机交流电流保护(输入侧)PA变频多联室外机驱动板环境感温包故障PF变频多联室外机交流输入电压异常PP变频多联室外机跳线帽故障C5变频多联室外机充电回路故障PU变频多联室外机直流电机无转速反馈故障H6变频多联室外机多联室内机(除智能多联远程锁定CC外)多联室内机(除智能多联与有效主手操器冲突标志CH外)清除线控器标志CL多联室内机(除智能多联13外)多联室内机(除智能多联压缩机高压保护E1外)多联室内机(除智能多联室内防冻结保护E2外)多联室内机(除智能多联压缩机低压保护E3外)多联室内机(除智能多联压缩机排气高温保护/油温高温保护E4外)多联室内机(除智能多联压缩机过电流保护/压机、风机驱动故障E5外)多联室内机(除智能多联通讯故障E6外)14多联室内机(除智能多联模式冲突E7外)多联室内机(除智能多联室内机风机过载保护E8外)多联室内机(除智能多联水满保护E9/Eb外)多联室内机(除智能多联按键锁定EE外)多联室内机(除智能多联辅助电加热故障EH外)多联室内机(除智能多联室内环境温度传感器故障F0外)室内机入管温度传感器故障F1多联室内机(除智能多联15外)多联室内机(除智能多联室内机中部温度传感器故障F2外)多联室内机(除智能多联室内机出管温度传感器故障F3外)多联室内机(除智能多联室外环境温度传感器故障F4外)多联室内机(除智能多联室外机入管温度传感器故障F5外)多联室内机(除智能多联室外机中部温度传感器故障F6外)多联室内机(除智能多联室外机出管温度传感器故障F7外)16多联室内机(除智能多联定频压机排气温度传感器故障F8外)压缩机高压保护E1智能多联室内机室内防冻结保护E2智能多联室内机压缩机低压保护E3智能多联室内机压缩机排气高温保护E4智能多联室内机压缩机过电流保护E5智能多联室内机通讯故障E6智能多联室内机模式冲突E7智能多联室内机室内机风机过电流保护E8智能多联室内机水满保护E9/Eb智能多联室内机按键锁定EE智能多联室内机17辅助电加热故障EH智能多联室内机室内环境温度传感器故障F0智能多联室内机室内机蒸发器温度传感器故障F1智能多联室内机冷凝器温度传感器故障F2智能多联室内机室外环境温度传感器故障F3智能多联室内机排气温度传感器故障F4智能多联室内机水泵故障(新款风管)E0风管机压缩机高压保护E1风管机室内防冻结保护E2风管机压缩机低压保护E3风管机压缩机排气高温保护E4风管机压缩机过电流保护E5风管机18通讯故障E6风管机室内风机故障E8风管机水满保护E9风管机辅助电加热故障EH风管机室内环境温度传感器故障F0风管机室内机蒸发器温度传感器故障F1风管机冷凝器温度传感器故障F2风管机室外环境温度传感器故障F3风管机排气温度传感器故障F4风管机显示器环境温度传感器故障F5风管机见备注FF风管机跳线帽故障C5风管机19压缩机高压保护E1户式(别墅)机单系统系统防冻保护E2户式(别墅)机单系统压缩机低压保护E3户式(别墅)机单系统压缩机排气温度保护E4户式(别墅)机单系统压缩机过载保护E5户式(别墅)机单系统水泵过载保护E6户式(别墅)机单系统水流开关保护E7户式(别墅)机单系统风机过载保护E8户式(别墅)机单系统系统防高温保护E9户式(别墅)机单系统防冻温度传感器故障F1户式(别墅)机单系统除霜温度传感器故障F3户式(别墅)机单系统排气温度传感器故障F5户式(别墅)机单系统20室外环境温度传感器F7户式(别墅)机单系统进水温度传感器故障F8户式(别墅)机单系统出水温度传感器故障F9户式(别墅)机单系统通信故障EC户式(别墅)机单系统压缩机1高压保护E1户式(别墅)机双系统系统1防冻结保护E2户式(别墅)机双系统压缩机1低压保护E3户式(别墅)机双系统压缩机1排气温度保护E4户式(别墅)机双系统压缩机1过载保护E5户式(别墅)机双系统水泵过载保护E6户式(别墅)机双系统水流开关保护E7户式(别墅)机双系统风机1过载保护E8户式(别墅)机双系统21系统1防高温保护E9户式(别墅)机双系统压缩机2高压保护b1户式(别墅)机双系统系统2防冻结保护b2户式(别墅)机双系统压缩机2低压保护b3户式(别墅)机双系统压缩机2排气温度保护b4户式(别墅)机双系统压缩机2过载保护b5户式(别墅)机双系统风机2过载保护b8户式(别墅)机双系统系统2防高温b9户式(别墅)机双系统防冻温度传感器1故障F1户式(别墅)机双系统防冻温度传感器2故障F2户式(别墅)机双系统除霜温度传感器1故障F3户式(别墅)机双系统除霜温度传感器2故障F4户式(别墅)机双系统22排气温度传感器1故障F5户式(别墅)机双系统排气温度传感器2故障F6户式(别墅)机双系统室外环境温度传感器故障F7户式(别墅)机双系统进水温度传感器F8户式(别墅)机双系统出水温度传感器F9户式(别墅)机双系统通信故障EC户式(别墅)机双系统压缩机1高压保护E1户式地暖机组系统一防冻结保护E2户式地暖机组压缩机1低压保护E3户式地暖机组压缩机1排气温度保护E4户式地暖机组压缩机1过载保护E5户式地暖机组水泵过载保护E6户式地暖机组23水流开关故障E7户式地暖机组风机1过载保护E8户式地暖机组系统一防高温E9户式地暖机组压缩机2高压保护b1户式地暖机组系统二防冻结保护b2户式地暖机组压缩机2低压保护b3户式地暖机组压缩机2排气温度保护b4户式地暖机组压缩机2过载保护b5户式地暖机组风机2过载保护b8户式地暖机组系统二防高温b9户式地暖机组防冻温度传感器1故障F1户式地暖机组防冻温度传感器2故障F2户式地暖机组24除霜温度传感器1故障F3户式地暖机组除霜温度传感器2故障F4户式地暖机组排气温度传感器1故障F5户式地暖机组排气温度传感器2故障F6户式地暖机组室外环境温度传感器故障F7户式地暖机组进水温度传感器故障F8户式地暖机组出水温度传感器故障F9户式地暖机组通信故障EC户式地暖机组压缩机1高压保护E1单元机(风冷冷风型)系统1防冻结保护E2单元机(风冷冷风型)压缩机1低压保护E3单元机(风冷冷风型)压缩机1排气高温保护E4单元机(风冷冷风型)25压缩机1过电流保护E5单元机(风冷冷风型)压缩机2高压保护b1单元机(风冷冷风型)系统2防冻结保护b2单元机(风冷冷风型)压缩机2低压保护b3单元机(风冷冷风型)压缩机2排气高温保护b4单元机(风冷冷风型)压缩机2过电流保护b5单元机(风冷冷风型)冷凝器2传感器故障b6单元机(风冷冷风型)蒸发器2传感器故障b7单元机(风冷冷风型)通信故障EC单元机(风冷冷风型)存储芯片故障EE单元机(风冷冷风型)压缩机3高压保护C1单元机(风冷冷风型)系统3防冻结保护C2单元机(风冷冷风型)26压缩机3低压保护C3单元机(风冷冷风型)压缩机3排气高温保护C4单元机(风冷冷风型)压缩机3过电流保护C5单元机(风冷冷风型)冷凝器3传感器故障C6单元机(风冷冷风型)蒸发器3传感器故障C7单元机(风冷冷风型)室内环境传感器故障F0单元机(风冷冷风型)蒸发器1传感器故障F1单元机(风冷冷风型)冷凝器1传感器故障F2单元机(风冷冷风型)室外环境传感器故障F3单元机(风冷冷风型)排气温度传感器1故障F5单元机(风冷冷风型)排气温度传感器2故障F6单元机(风冷冷风型)排气温度传感器2故障F7单元机(风冷冷风型)27送风机热过电流F9单元机(风冷冷风型)压缩机1高压保护E1单元机(水冷冷风型)系统1防冻结保护E2单元机(水冷冷风型)压缩机1低压保护E3单元机(水冷冷风型)压缩机1排气高温保护E4单元机(水冷冷风型)压缩机1过电流保护E5单元机(水冷冷风型)送风机热过电流F9单元机(水冷冷风型)压缩机2高压保护b1单元机(水冷冷风型)系统2防冻结保护b2单元机(水冷冷风型)压缩机2低压保护b3单元机(水冷冷风型)压缩机2排气高温保护b4单元机(水冷冷风型)压缩机2过电流保护b5单元机(水冷冷风型)28水流开关故障E0单元机(水冷冷风型)送风机热过电流E8单元机(水冷冷风型)回风温度传感器故障F0单元机(水冷冷风型)防冻传感器1故障F2单元机(水冷冷风型)防冻传感器2故障F3单元机(水冷冷风型)防冻传感器3故障F4单元机(水冷冷风型)排气温度传感器1故障F5单元机(水冷冷风型)排气温度传感器2故障F6单元机(水冷冷风型)排气温度传感器3故障F7单元机(水冷冷风型)压缩机2高压保护b1单元机(水冷冷风型)系统2防冻结保护b2单元机(水冷冷风型)压缩机2低压保护b3单元机(水冷冷风型)29压缩机2排气高温保护b4单元机(水冷冷风型)压缩机2过电流保护b5单元机(水冷冷风型)压缩机3高压保护c1单元机(水冷冷风型)系统3防冻结保护c2单元机(水冷冷风型)压缩机3低压保护c3单元机(水冷冷风型)压缩机3排气高温保护c4单元机(水冷冷风型)压缩机3过电流保护c5单元机(水冷冷风型)压缩机1高压保护E1恒温恒湿机压缩机1防冻结保护E2恒温恒湿机压缩机1低压保护E3恒温恒湿机压缩机1过电流保护E5恒温恒湿机压缩机2高压保护b1恒温恒湿机30压缩机2防冻结保护b2恒温恒湿机压缩机2低压保护b3恒温恒湿机压缩机2排气高温保护b4恒温恒湿机压缩机2过电流保护b5恒温恒湿机回风温度传感器故障F0恒温恒湿机防冻传感器1保护F1恒温恒湿机防冻传感器2保护F2恒温恒湿机排气传感器1保护F4恒温恒湿机排气传感器2保护F5恒温恒湿机加湿器故障保护F8恒温恒湿机离心风机过电流保护F9恒温恒湿机压缩机高压保护E1水环热泵机组31系统防冻结保护E2水环热泵机组压缩机低压保护E3水环热泵机组压缩机排气高温保护E4水环热泵机组压缩机过电流保护E5水环热泵机组通讯故障E6水环热泵机组水流开关保护E7水环热泵机组室内风机过电流保护E8水环热泵机组水满保护E9水环热泵机组水温越界故障EC水环热泵机组紫外线故障d1水环热泵机组静电除尘故障d2水环热泵机组室内温度传感器故障F0水环热泵机组32蒸发器温度传感器故障F1水环热泵机组水系统防冻传感器故障(B系列机组显示水温F3水环热泵机组越界护)排气温度传感器故障F4水环热泵机组室内温度传感器故障F0基站空调机组蒸发器温度传感器故障F1基站空调机组冷凝器温温度传感器故障F2基站空调机组室外温度传感器故障F3基站空调机组排气温度传感器故障F4基站空调机组出水温度传感器/湿度传感器F5基站空调机组压缩机高压保护E1基站空调机组室内防冻结保护E2基站空调机组33压缩机低压保护E3基站空调机组压缩机排气高温保护E4基站空调机组压缩机过电流保护E5基站空调机组通讯故障E6基站空调机组断电保护L1基站空调机组蓄电池低压保护L2基站空调机组直流风机故障L3基站空调机组辅助电加热保护EH基站空调机组室内环境温度过高报警LH基站空调机组室内环境温度过低报警LL基站空调机组火灾报警EL基站空调机组过滤器堵塞报警L4基站空调机组34室外环境温度传感器故障F3热水空调机组排气温度传感器故障F4热水空调机组室外入管温度传感器故障F5热水空调机组室外中部温度传感器故障F6热水空调机组室外换热器管温感温包故障F6热水空调机组室外出管温度传感器故障F7热水空调机组进水温度传感器故障F8热水空调机组出水温度传感器故障F9热水空调机组回气温度传感器故障Fd热水空调机组用户侧水温温度传感器故障FE热水空调机组水箱中部温度传感器故障FL热水空调机组压缩机高压保护E1热水空调机组35压缩机低压保护E3热水空调机组压缩机排气高温保护E4热水空调机组通讯故障E6热水空调机组水泵过电流保护E0热水空调机组外风机过电流保护EF热水空调机组辅助电加热保护EH热水空调机组系统防高温保护Ed热水空调机组水流开关保护Ec热水空调机组水箱水位开关故障L2热水空调机组冬天自动防冻保护d2热水空调机组循环水温度传感器故障(RSZ系列直热式热水L5热水空调机组机)36机组能力不足L6热水空调机组水压开关保护L7热水空调机组水箱底部感温包故障C8热水空调机组版本号1热水空调机组出水温度2热水空调机组进水温度3热水空调机组室外环境温度4热水空调机组用户侧温度5热水空调机组室外入管温度16热水空调机组室外入管温度2*7热水空调机组排气温度18热水空调机组排气温度2*9热水空调机组37室外出管温度110热水空调机组室外出管温度2*11热水空调机组水箱水温(商用机)12热水空调机组预留(家用机)热水空调机组预留13热水空调机组预留14热水空调机组预留15热水空调机组预留(商用机)16热水空调机组水箱水温(家用机)热水空调机组预留17热水空调机组水箱中部水温18热水空调机组水箱上部水温19热水空调机组38压缩机高压保护E1新风处理机组防低温(防冻结)E2新风处理机组压缩机低压保护E3新风处理机组压缩机排气高温保护E4新风处理机组压缩机过电流保护E5新风处理机组通讯故障E6新风处理机组模式冲突E7新风处理机组内风机过载保护E8新风处理机组水满保护E9新风处理机组高压阀故障Fc新风处理机组低压阀故障Fd新风处理机组辅助电加热故障EH新风处理机组39PG电机堵转保护H6新风处理机组室内环境感温包故障F0新风处理机组室内入管感温包故障F1新风处理机组室内中部感温包故障F2新风处理机组室内出管感温包故障F3新风处理机组室外环境感温包故障F4新风处理机组室外入管感温包故障F5新风处理机组室外中部感温包故障F6新风处理机组室外出管感温包故障F7新风处理机组排气感温包1(定频)故障F8新风处理机组排气感温包2(变频)故障F9新风处理机组油温感温包1(定频)故障FA新风处理机组40油温感温包2(变频)故障Fb新风处理机组清除主线控器标志CL新风处理机组无主室内机代码No新风处理机组通信故障E6全热新风换气机组室内环境感温包故障F0全热新风换气机组室外出管感温包故障F3全热新风换气机组湿度传感器故障L1全热新风换气机组风阀和相关部件故障或风阀集中控制接线错L0全热新风换气机组误格力空调故障代码E1:压缩机高压保护。
新版格力多联机故障代码,格力多联机故障代码解释排除,格力多联机故障代码大全聚信口碑网汇总新版格力多联机故障代码,格力多联机故障代码解释排除,格力多联机故障代码大全与解释用户在使用格力多联机过程中格力空调显示的一些故障代码含义不懂,可以对比具体型号和故障代价解释调试操作。
有的故障代码有的是假故障,用户正确操作就可以排除,有的是真故障需要联系格力空调售后服务网点上门处理。
这里列出格力多联机故障代码大全与解读排除2018格力多联机故障代码大全故障代码含义显示代码机;型压缩机高压保护格力多联机显示E1数码多联室外机室内防冻结保护格力多联机显示E2数码多联室外机压缩机低压保护格力多联机显示E3数码多联室外机压缩机排气高温保护/油温高温保护格力多联机显示E4数码多联室外机压缩机过电流保护/压机、风机驱动故障格力多联机显示E5数码多联室外机通讯故障格力多联机显示E6数码多联室外机模式冲突格力多联机显示E7数码多联室外机油电磁阀保护格力多联机显示EA数码多联室外机室外环境温度传感器故障格力多联机显示F4数码多联室外机室外主机入管温度传感器故障格力多联机显示F5数码多联室外机室外主机中部温度传感器故障格力多联机显示F6数码多联室外机室外主机出管温度传感器故障格力多联机显示F7数码多联室外机主机定频压机1排气温度传感器故障格力多联机显示F8数码多联室外机主机数码压机排气温度传感器故障格力多联机显示F9数码多联室外机主机定频压机1油温温度传感器故障格力多联机显示FA数码多联室外机主机数码压机油温温度传感器故障格力多联机显示F格力多联机显示B数码多联室外机高压传感器故障格力多联机显示Fc数码多联室外机低压传感器故障格力多联机显示Fd数码多联室外机缺冷媒保护格力多联机显示F格力多联机显示E数码多联室外机室外子机入管温度传感器故障格力多联机显示B5数码多联室外机室外子机中部温度传感器故障格力多联机显示B6数码多联室外机室外子机出管温度传感器故障格力多联机显示B7数码多联室外机定频压机2排气温度传感器故障格力多联机显示B8数码多联室外机定频压机3排气温度传感器故障格力多联机显示B9数码多联室外机定频压机2油温温度传感器故障格力多联机显示BA数码多联室外机定频压机3油温温度传感器故障格力多联机显示B格力多联机显示B数码多联室外机直流母线电压过高保护格力多联机显示P格力多联机显示H 变频多联室外机I格力多联机显示PM或格力多联机显示P格力多联机显示FC模块过热保护格力多联机显示P8变频多联室外机电流检测电路故障格力多联机显示Pc变频多联室外机I格力多联机显示PM或格力多联机显示P格力多联机显示FC模块温度传感器故障格力多联机显示P7变频多联室外机压缩机电流保护格力多联机显示P5变频多联室外机直流母线电压过低保护格力多联机显示PL变频多联室外机压缩机启动失败Lc变频多联室外机格力多联机显示P格力多联机显示FC模块保护格力多联机显示Hc变频多联室外机堵转L格力多联机显示E变频多联室外机驱动模块复位格力多联机显示P0变频多联室外机压缩机电机失步格力多联机显示H7变频多联室外机缺相Ld变频多联室外机变频驱动部分到主控通讯故障格力多联机显示P6变频多联室外机I格力多联机显示PM模块保护格力多联机显示H5变频多联室外机超速L格力多联机显示F变频多联室外机传感器连接保护格力多联机显示Pd变频多联室外机温漂保护格力多联机显示P格力多联机显示E变频多联室外机交流接触器保护格力多联机显示P9变频多联室外机高压保护格力多联机显示E1变频多联室外机低压保护格力多联机显示E3变频多联室外机排气保护格力多联机显示E4变频多联室外机压缩机自带过载保护格力多联机显示H3变频多联室外机通讯故障〔内外机、手操器之间〕格力多联机显示E6变频多联室外机室外环境感温头故障格力多联机显示F4变频多联室外机室外盘管进管感温头故障格力多联机显示F5变频多联室外机室外盘管中间感温头故障格力多联机显示F6变频多联室外机室外盘管出管感温头故障格力多联机显示F7变频多联室外机变频排气感温包故障格力多联机显示F9变频多联室外机交流电流保护〔输入侧〕格力多联机显示PA变频多联室外机驱动板环境感温包故障格力多联机显示P格力多联机显示F 变频多联室外机交流输入电压异常格力多联机显示P格力多联机显示P变频多联室外机跳线帽故障C5变频多联室外机充电回路故障格力多联机显示PU变频多联室外机直流电机无转速反馈故障格力多联机显示H6变频多联室外机远程锁定CC多联室内机〔除智能多联外〕与有效主手操器冲突标志C格力多联机显示H多联室内机〔除智能多联外〕清除线控器标志CL多联室内机〔除智能多联外〕压缩机高压保护格力多联机显示E1多联室内机〔除智能多联外〕室内防冻结保护格力多联机显示E2多联室内机〔除智能多联外〕压缩机低压保护格力多联机显示E3多联室内机〔除智能多联外〕压缩机排气高温保护/油温高温保护格力多联机显示E4多联室内机〔除智能多联外〕压缩机过电流保护/压机、风机驱动故障格力多联机显示E5多联室内机〔除智能多联外〕通讯故障格力多联机显示E6多联室内机〔除智能多联外〕模式冲突格力多联机显示E7多联室内机〔除智能多联外〕室内机风机过载保护格力多联机显示E8多联室内机〔除智能多联外〕水满保护格力多联机显示E9/格力多联机显示E格力多联机显示B多联室内机〔除智能多联外〕按键锁定格力多联机显示E格力多联机显示E多联室内机〔除智能多联外〕辅助电加热故障格力多联机显示E格力多联机显示H多联室内机〔除智能多联外〕室内环境温度传感器故障格力多联机显示F0多联室内机〔除智能多联外〕室内机入管温度传感器故障格力多联机显示F1多联室内机〔除智能多联外〕室内机中部温度传感器故障格力多联机显示F2多联室内机〔除智能多联外〕室内机出管温度传感器故障格力多联机显示F3多联室内机〔除智能多联外〕室外环境温度传感器故障格力多联机显示F4多联室内机〔除智能多联外〕室外机入管温度传感器故障格力多联机显示F5多联室内机〔除智能多联外〕室外机中部温度传感器故障格力多联机显示F6多联室内机〔除智能多联外〕室外机出管温度传感器故障格力多联机显示F7多联室内机〔除智能多联外〕定频压机排气温度传感器故障格力多联机显示F8多联室内机〔除智能多联外〕压缩机高压保护格力多联机显示E1智能多联室内机室内防冻结保护格力多联机显示E2智能多联室内机压缩机低压保护格力多联机显示E3智能多联室内机压缩机排气高温保护格力多联机显示E4智能多联室内机压缩机过电流保护格力多联机显示E5智能多联室内机通讯故障格力多联机显示E6智能多联室内机模式冲突格力多联机显示E7智能多联室内机室内机风机过电流保护格力多联机显示E8智能多联室内机水满保护格力多联机显示E9/格力多联机显示E格力多联机显示B智能多联室内机按键锁定格力多联机显示E格力多联机显示E智能多联室内机辅助电加热故障格力多联机显示E格力多联机显示H智能多联室内机室内环境温度传感器故障格力多联机显示F0智能多联室内机室内机蒸发器温度传感器故障格力多联机显示F1智能多联室内机冷凝器温度传感器故障格力多联机显示F2智能多联室内机室外环境温度传感器故障格力多联机显示F3智能多联室内机排气温度传感器故障格力多联机显示F4智能多联室内机水泵故障〔新款风管〕格力多联机显示E0风管机压缩机高压保护格力多联机显示E1风管机室内防冻结保护格力多联机显示E2风管机压缩机低压保护格力多联机显示E3风管机压缩机排气高温保护格力多联机显示E4风管机压缩机过电流保护格力多联机显示E5风管机通讯故障格力多联机显示E6风管机室内风机故障格力多联机显示E8风管机水满保护格力多联机显示E9风管机辅助电加热故障格力多联机显示E格力多联机显示H风管机室内环境温度传感器故障格力多联机显示F0风管机室内机蒸发器温度传感器故障格力多联机显示F1风管机冷凝器温度传感器故障格力多联机显示F2风管机室外环境温度传感器故障格力多联机显示F3风管机排气温度传感器故障格力多联机显示F4风管机显示器环境温度传感器故障格力多联机显示F5风管机见备注格力多联机显示F格力多联机显示F风管机跳线帽故障C5风管机压缩机高压保护格力多联机显示E1户式(别墅)机单系统系统防冻保护格力多联机显示E2户式(别墅)机单系统压缩机低压保护格力多联机显示E3户式(别墅)机单系统压缩机排气温度保护格力多联机显示E4户式(别墅)机单系统压缩机过载保护格力多联机显示E5户式(别墅)机单系统水泵过载保护格力多联机显示E6户式(别墅)机单系统水流开关保护格力多联机显示E7户式(别墅)机单系统风机过载保护格力多联机显示E8户式(别墅)机单系统系统防高温保护格力多联机显示E9户式(别墅)机单系统防冻温度传感器故障格力多联机显示F1户式(别墅)机单系统除霜温度传感器故障格力多联机显示F3户式(别墅)机单系统排气温度传感器故障格力多联机显示F5户式(别墅)机单系统室外环境温度传感器格力多联机显示F7户式(别墅)机单系统进水温度传感器故障格力多联机显示F8户式(别墅)机单系统出水温度传感器故障格力多联机显示F9户式(别墅)机单系统通信故障格力多联机显示EC户式(别墅)机单系统压缩机1高压保护格力多联机显示E1户式(别墅)机双系统系统1防冻结保护格力多联机显示E2户式(别墅)机双系统压缩机1低压保护格力多联机显示E3户式(别墅)机双系统压缩机1排气温度保护格力多联机显示E4户式(别墅)机双系统压缩机1过载保护格力多联机显示E5户式(别墅)机双系统水泵过载保护格力多联机显示E6户式(别墅)机双系统水流开关保护格力多联机显示E7户式(别墅)机双系统风机1过载保护格力多联机显示E8户式(别墅)机双系统系统1防高温保护格力多联机显示E9户式(别墅)机双系统压缩机2高压保护格力多联机显示B1户式(别墅)机双系统系统2防冻结保护格力多联机显示B2户式(别墅)机双系统压缩机2低压保护格力多联机显示B3户式(别墅)机双系统压缩机2排气温度保护格力多联机显示B4户式(别墅)机双系统压缩机2过载保护格力多联机显示B5户式(别墅)机双系统风机2过载保护格力多联机显示B8户式(别墅)机双系统系统2防高温格力多联机显示B9户式(别墅)机双系统防冻温度传感器1故障格力多联机显示F1户式(别墅)机双系统防冻温度传感器2故障格力多联机显示F2户式(别墅)机双系统除霜温度传感器1故障格力多联机显示F3户式(别墅)机双系统除霜温度传感器2故障格力多联机显示F4户式(别墅)机双系统排气温度传感器1故障格力多联机显示F5户式(别墅)机双系统排气温度传感器2故障格力多联机显示F6户式(别墅)机双系统室外环境温度传感器故障格力多联机显示F7户式(别墅)机双系统进水温度传感器格力多联机显示F8户式(别墅)机双系统出水温度传感器格力多联机显示F9户式(别墅)机双系统通信故障格力多联机显示EC户式(别墅)机双系统压缩机1高压保护格力多联机显示E1户式地暖机组系统一防冻结保护格力多联机显示E2户式地暖机组压缩机1低压保护格力多联机显示E3户式地暖机组压缩机1排气温度保护格力多联机显示E4户式地暖机组压缩机1过载保护格力多联机显示E5户式地暖机组水泵过载保护格力多联机显示E6户式地暖机组水流开关故障格力多联机显示E7户式地暖机组风机1过载保护格力多联机显示E8户式地暖机组系统一防高温格力多联机显示E9户式地暖机组压缩机2高压保护格力多联机显示B1户式地暖机组系统二防冻结保护格力多联机显示B2户式地暖机组压缩机2低压保护格力多联机显示B3户式地暖机组压缩机2排气温度保护格力多联机显示B4户式地暖机组压缩机2过载保护格力多联机显示B5户式地暖机组风机2过载保护格力多联机显示B8户式地暖机组系统二防高温格力多联机显示B9户式地暖机组防冻温度传感器1故障格力多联机显示F1户式地暖机组防冻温度传感器2故障格力多联机显示F2户式地暖机组除霜温度传感器1故障格力多联机显示F3户式地暖机组除霜温度传感器2故障格力多联机显示F4户式地暖机组排气温度传感器1故障格力多联机显示F5户式地暖机组排气温度传感器2故障格力多联机显示F6户式地暖机组室外环境温度传感器故障格力多联机显示F7户式地暖机组进水温度传感器故障格力多联机显示F8户式地暖机组出水温度传感器故障格力多联机显示F9户式地暖机组通信故障格力多联机显示EC户式地暖机组压缩机1高压保护格力多联机显示E1单元机〔风冷冷风型〕系统1防冻结保护格力多联机显示E2单元机〔风冷冷风型〕压缩机1低压保护格力多联机显示E3单元机〔风冷冷风型〕压缩机1排气高温保护格力多联机显示E4单元机〔风冷冷风型〕压缩机1过电流保护格力多联机显示E5单元机〔风冷冷风型〕压缩机2高压保护格力多联机显示B1单元机〔风冷冷风型〕系统2防冻结保护格力多联机显示B2单元机〔风冷冷风型〕压缩机2低压保护格力多联机显示B3单元机〔风冷冷风型〕压缩机2排气高温保护格力多联机显示B4单元机〔风冷冷风型〕压缩机2过电流保护格力多联机显示B5单元机〔风冷冷风型〕冷凝器2传感器故障格力多联机显示B6单元机〔风冷冷风型〕蒸发器2传感器故障格力多联机显示B7单元机〔风冷冷风型〕通信故障格力多联机显示EC单元机〔风冷冷风型〕存储芯片故障格力多联机显示E格力多联机显示E单元机〔风冷冷风型〕压缩机3高压保护C1单元机〔风冷冷风型〕系统3防冻结保护C2单元机〔风冷冷风型〕压缩机3低压保护C3单元机〔风冷冷风型〕压缩机3排气高温保护C4单元机〔风冷冷风型〕压缩机3过电流保护C5单元机〔风冷冷风型〕冷凝器3传感器故障C6单元机〔风冷冷风型〕蒸发器3传感器故障C7单元机〔风冷冷风型〕室内环境传感器故障格力多联机显示F0单元机〔风冷冷风型〕蒸发器1传感器故障格力多联机显示F1单元机〔风冷冷风型〕冷凝器1传感器故障格力多联机显示F2单元机〔风冷冷风型〕室外环境传感器故障格力多联机显示F3单元机〔风冷冷风型〕排气温度传感器1故障格力多联机显示F5单元机〔风冷冷风型〕排气温度传感器2故障格力多联机显示F6单元机〔风冷冷风型〕排气温度传感器2故障格力多联机显示F7单元机〔风冷冷风型〕送风机热过电流格力多联机显示F9单元机〔风冷冷风型〕压缩机1高压保护格力多联机显示E1单元机〔水冷冷风型〕系统1防冻结保护格力多联机显示E2单元机〔水冷冷风型〕压缩机1低压保护格力多联机显示E3单元机〔水冷冷风型〕压缩机1排气高温保护格力多联机显示E4单元机〔水冷冷风型〕压缩机1过电流保护格力多联机显示E5单元机〔水冷冷风型〕送风机热过电流格力多联机显示F9单元机〔水冷冷风型〕压缩机2高压保护格力多联机显示B1单元机〔水冷冷风型〕系统2防冻结保护格力多联机显示B2单元机〔水冷冷风型〕压缩机2低压保护格力多联机显示B3单元机〔水冷冷风型〕压缩机2排气高温保护格力多联机显示B4单元机〔水冷冷风型〕压缩机2过电流保护格力多联机显示B5单元机〔水冷冷风型〕水流开关故障格力多联机显示E0单元机〔水冷冷风型〕送风机热过电流格力多联机显示E8单元机〔水冷冷风型〕回风温度传感器故障格力多联机显示F0单元机〔水冷冷风型〕防冻传感器1故障格力多联机显示F2单元机〔水冷冷风型〕防冻传感器2故障格力多联机显示F3单元机〔水冷冷风型〕防冻传感器3故障格力多联机显示F4单元机〔水冷冷风型〕排气温度传感器1故障格力多联机显示F5单元机〔水冷冷风型〕排气温度传感器2故障格力多联机显示F6单元机〔水冷冷风型〕排气温度传感器3故障格力多联机显示F7单元机〔水冷冷风型〕压缩机2高压保护格力多联机显示B1单元机〔水冷冷风型〕系统2防冻结保护格力多联机显示B2单元机〔水冷冷风型〕压缩机2低压保护格力多联机显示B3单元机〔水冷冷风型〕压缩机2排气高温保护格力多联机显示B4单元机〔水冷冷风型〕压缩机2过电流保护格力多联机显示B5单元机〔水冷冷风型〕压缩机3高压保护c1单元机〔水冷冷风型〕系统3防冻结保护c2单元机〔水冷冷风型〕压缩机3低压保护c3单元机〔水冷冷风型〕压缩机3排气高温保护c4单元机〔水冷冷风型〕压缩机3过电流保护c5单元机〔水冷冷风型〕压缩机1高压保护格力多联机显示E1恒温恒湿机压缩机1防冻结保护格力多联机显示E2恒温恒湿机压缩机1低压保护格力多联机显示E3恒温恒湿机压缩机1过电流保护格力多联机显示E5恒温恒湿机压缩机2高压保护格力多联机显示B1恒温恒湿机压缩机2防冻结保护格力多联机显示B2恒温恒湿机压缩机2低压保护格力多联机显示B3恒温恒湿机压缩机2排气高温保护格力多联机显示B4恒温恒湿机压缩机2过电流保护格力多联机显示B5恒温恒湿机回风温度传感器故障格力多联机显示F0恒温恒湿机防冻传感器1保护格力多联机显示F1恒温恒湿机防冻传感器2保护格力多联机显示F2恒温恒湿机排气传感器1保护格力多联机显示F4恒温恒湿机排气传感器2保护格力多联机显示F5恒温恒湿机加湿器故障保护格力多联机显示F8恒温恒湿机离心风机过电流保护格力多联机显示F9恒温恒湿机压缩机高压保护格力多联机显示E1水环热泵机组系统防冻结保护格力多联机显示E2水环热泵机组压缩机低压保护格力多联机显示E3水环热泵机组压缩机排气高温保护格力多联机显示E4水环热泵机组压缩机过电流保护格力多联机显示E5水环热泵机组通讯故障格力多联机显示E6水环热泵机组水流开关保护格力多联机显示E7水环热泵机组室内风机过电流保护格力多联机显示E8水环热泵机组水满保护格力多联机显示E9水环热泵机组水温越界故障格力多联机显示EC水环热泵机组紫外线故障d1水环热泵机组静电除尘故障d2水环热泵机组室内温度传感器故障格力多联机显示F0水环热泵机组蒸发器温度传感器故障格力多联机显示F1水环热泵机组水系统防冻传感器故障〔格力多联机显示B系列机组显示水温越界护〕格力多联机显示F3水环热泵机组排气温度传感器故障格力多联机显示F4水环热泵机组室内温度传感器故障格力多联机显示F0基站空调机组蒸发器温度传感器故障格力多联机显示F1基站空调机组冷凝器温温度传感器故障格力多联机显示F2基站空调机组室外温度传感器故障格力多联机显示F3基站空调机组排气温度传感器故障格力多联机显示F4基站空调机组出水温度传感器/湿度传感器格力多联机显示F5基站空调机组压缩机高压保护格力多联机显示E1基站空调机组室内防冻结保护格力多联机显示E2基站空调机组压缩机低压保护格力多联机显示E3基站空调机组压缩机排气高温保护格力多联机显示E4基站空调机组压缩机过电流保护格力多联机显示E5基站空调机组通讯故障格力多联机显示E6基站空调机组断电保护L1基站空调机组蓄电池低压保护L2基站空调机组直流风机故障L3基站空调机组辅助电加热保护格力多联机显示E格力多联机显示H基站空调机组室内环境温度过高报警L格力多联机显示H基站空调机组室内环境温度过低报警LL基站空调机组火灾报警格力多联机显示EL基站空调机组过滤器堵塞报警L4基站空调机组室外环境温度传感器故障格力多联机显示F3热水空调机组排气温度传感器故障格力多联机显示F4热水空调机组室外入管温度传感器故障格力多联机显示F5热水空调机组室外中部温度传感器故障格力多联机显示F6热水空调机组室外换热器管温感温包故障格力多联机显示F6热水空调机组室外出管温度传感器故障格力多联机显示F7热水空调机组进水温度传感器故障格力多联机显示F8热水空调机组出水温度传感器故障格力多联机显示F9热水空调机组回气温度传感器故障格力多联机显示Fd热水空调机组用户侧水温温度传感器故障格力多联机显示F格力多联机显示E热水空调机组水箱中部温度传感器故障格力多联机显示FL热水空调机组压缩机高压保护格力多联机显示E1热水空调机组压缩机低压保护格力多联机显示E3热水空调机组压缩机排气高温保护格力多联机显示E4热水空调机组通讯故障格力多联机显示E6热水空调机组水泵过电流保护格力多联机显示E0热水空调机组外风机过电流保护格力多联机显示E格力多联机显示F热水空调机组辅助电加热保护格力多联机显示E格力多联机显示H热水空调机组系统防高温保护格力多联机显示Ed热水空调机组水流开关保护格力多联机显示Ec热水空调机组水箱水位开关故障L2热水空调机组冬天自动防冻保护d2热水空调机组循环水温度传感器故障〔RSZ系列直热式热水机〕L5热水空调机组机组能力不足L6热水空调机组水压开关保护L7热水空调机组水箱底部感温包故障C8热水空调机组。
格力空调故障代码含义及维修方法一.故障的含义代码、代码产生的原因格力变频柜机故障显示E1 压机电流大,压机感温包(过热保护)开路E2 防冻结保护(内管温)E3 内传感器短开路E4 蒸发器管温开、短路E5 通讯失败(N、L)不能接反)二普通柜机E1 压机高压保护E2 内冻结保护E3 压机低压保护E4 排气温度保护(相序保护)E5 过欠压保护,低电压保护(同时按“扫风键,风速键”,进入自检)关于格力空调的故代码E1和E2KF-60LWAK分体立柜式房间空调器故障代码:E11、冷凝器前有障碍物2、控制回路巽常3、室外环境温度高于43度时开始制冷4、高压管压力过大使高压开关动作E21、室内风机不转或风口堵住2、室内环境温度低于187 格力空调故障代码3、管温感温头折断4、管温感温头插头没插好5、控制回路巽常6、电容C7漏电LF-12WAK分体立柜式房间空调器故障代码:E11、冷凝器前有障碍物2、控制回路巽常3、三相电源缺相3、室外环境温度高于43度时开始制冷4、工作电流过大使过护器动作或高压管压力过大使高压开关动作E21、室内风机不转或风口堵住2、室内环境温度低于18度3、管温感温头折断4、管温感温头插头没插好5、控制回路巽常6、电容C7漏电E1一般是外机问题过欠流过欠压散热不良!格力KFR-70LW/ED故障代码KFR-70LW/EDE1高压E2防冻结E3低压8 格力空调故障代码E4排温E5过流格力带低电压保护新款柜机代码:E1:压缩机高压保护E2:蒸发器防冻结保护E3:压缩机低压保护E4:压缩机排气温度过高保护E5:过电流(低电压保护关于格力空调的故代码E1和E2KF-60L WAK分体立柜式房间空调器故障代码:E1 1、冷凝器前有障碍物2、控制回路巽常3、室外环境温度高于43度时开始制冷4、高压管压力过大使高压开关动作E2 1、室内风机不转或风口堵住2、室内环境温度低于18度3、管温感温头折断4、管温感温头插头没插好5、控制回路巽常6、电容C7漏电9 格力空调故障代码LF-12WAK分体立柜式房间空调器故障代码:E1 1、冷凝器前有障碍物2、控制回路巽常3、三相电源缺相3、室外环境温度高于43度时开始制冷4、工作电流过大使过护器动作或高压管压力过大使高压开关动作E2 1、室内风机不转或风口堵住2、室内环境温度低于18度3、管温感温头折断4、管温感温头插头没插好5、控制回路巽常格力KFR--50L/H610故障代码E1:压缩机电流过大,压缩机过热、排气温度高、模块保护,应检查过载保护器有无断开及压缩机感温包是否短路。
格力空调故障代码与格力空调售后维修服务中心大家在使用格力空调过程中会常遇到一些故障,而判断故障直接的方法就是看空调显示屏上显示的代码,判断空调的故障原因在哪里,再进行维修。
详细情况可以咨询格力空调售后维修服务中心,我们的电话热线全天在线,我们的维修网点遍布各地区,只要及时联系我们,会有专业的维修师傅上门,竭诚为您服务。
下面格力空调售后维修服务中心给大家介绍一下格力中央空调故障代码大全L0室内机故障2 L1内风机保护3 L2辅热保护4 L3水满保护5L4供电电源过流保护6L5防冻结保护无主室内机7 L7电源供电不足9 L9 一控多机内机台数不一致LA 一控多机内机系列不一致LH 空气质量严重浑浊报警LC 内外机机开型不匹配D1室内机电路板不良D3环境温度传感器故障D4入客温度传感器故障D6出管温度传感器故障D7温度传感故障D8水温传感器故障D9跳线帽故障DA 内机网络地址异常DH 容量拨码设置异常DC 出风感温包故障10 11 12 13 14 15 16 17 18 19 20 21 22 23DL空内CO2传感器故障24 DB工程调试代码25CO通讯故障26AJ过滤网清洁提醒二、GMV4系列格力空调故障代码--室外机序号适用机型显示故障代码故障代码含义1第四代变频中央空调室外机P8 IPM或PFC模块过热保护2Pc电流检测电路故障3P7 IPM 或PFC模块温度传感器故障4P5压缩机电流保护5PL直流母线电压过低保护6Lc压缩机启动失败7He PFC模块保护8 LE堵转9 P0驱动模块复位H7压缩机电机失步Ld 缺相P6变频驱动部分到主控通讯故障 H5 IPM 模块保护 LF 超速 Pd 传感器连接保护 PE 温漂保护 P9交流接触器保护 E1高压保护 E3低压保护 E4排气保护 H3压缩机自带过载保护 E6通讯故障(内外机、手操器之间)10 11 121314151617181920212223F4室外环境感温头故障24F5室外盘管进管感温头故障25F6室外盘管中间感温头故障26F7室外盘管出管感温头故障27F9变频排气感温包故障28PA交流电流保护(输入侧)29PF驱动板环境感温包故障30PP交流输入电压异常31C5跳线帽故障32PU充电回路故障33H6直流电机无转速反馈故障三、GMV4系列格力空调故障代码--室内机序号适用机型显示故障代码故障代码含义1第四代变频中央空调室内机CC远程锁2CH与有效主手操器冲突标志3CL清除线控器标志4E1压缩机高压保护5E2室内防冻结保护6E3压缩机低压保护7E4压缩机排气高温保护/油温高温保护8E5压缩机过电流保护/压机、风机驱动故障9E6通讯故障10E7模式冲突11E8室内机风机过载保护12E9/Eb 水满保护13EE按键锁定14EH辅助电加热故障16 F1室内机入管温度传感器故障仃F2室内机中部温度传感器故障18F3室内机出管温度传感器故障19F4室外环境温度传感器故障20F5室外机入管温度传感器故障21F6室外机中部温度传感器故障22F7室外机出管温度传感器故障83 F8定频压机排气温度传感器故障四、格力空调故障代码--风管机系列序号适用机型显示故障代码故障代码含义1格力风管机空调E0水泵故障(新款风管)2 E1压缩机高压保护4 E3压缩机低压保护5E4压缩机排气高温保护6E5压缩机过电流保护7E6通讯故障8E8室内风机故障9E9水满保护10EH辅助电加热故障11F0室内环境温度传感器故障12F1室内机蒸发器温度传感器故障13F2冷凝器温度传感器故障14F3室外环境温度传感器故障15F4排气温度传感器故障16F5显示器环境温度传感器故障17FF见备注五、格力空调故障代码--户式水机1、单系统户式水机故障代码序号适用机型显示故障代码故障代码含义1户式水机单系统E1压缩机高压保护2E2系统防冻保护3E3压缩机低压保护4E4压缩机排气温度保护5E5压缩机过载保护6E6水泵过载保护7E7水流开关保护8E8风机过载保护9E9系统防高温保护10F1防冻温度传感器故障12F5排气温度传感器故障13F7室外环境温度传感器14F8进水温度传感器故障15F9出水温度传感器故障16EC通信故障2、双系统户式水机故障代码序号适用机型显示故障代码故障代码含义1户式水机双系统E1压缩机1高压保护2E2系统1防冻结保护3E3压缩机1低压保护4E4压缩机1排气温度保护5E5压缩机1过载保护6E6水泵过载保护8 E8风机1过载保护9E9系统1防高温保护10bl压缩机2高压保护11b2系统2防冻结保护12b3压缩机2低压保护13b4压缩机2排气温度保护14b5压缩机2过载保护15b8风机2过载保护16b9系统2防高温17F1防冻温度传感器1故障18F2防冻温度传感器2故障19F3除霜温度传感器1故障20F4除霜温度传感器2故障21F5排气温度传感器1故障23F7室外环境温度传感器故障24F8进水温度传感器25F9出水温度传感器26EC通信故障六、格力空调故障代码--模块机系列序号适用机型故障代码含义显示故障代码1模块式风冷冷(热)水机组系统1高压保护高压12系统2高压保护高压23系统1低压保护低压14系统2低压保护低压25系统1过电流保护压缩机16系统2过电流保护压缩机28风机2过载保护风机2过流保护9水流开关保护水流开关10进水温度传感器保护进水温度11出水温度传感器保护出水温度12系统1蒸发器防冻保护防冻温度113系统2蒸发器防冻保护防冻温度214除霜温度传感器1保护除霜温度115除霜温度传感器2保护除霜温度216压缩机1排气高温保护排气温度117压缩机2排气高温保护排气温度218压缩机1过载保护压缩机一过载19压缩机2过载保护压缩机二过载20防冻温度传感器1保护防冻温感器或防冻/防过热温感器21防冻温度传感器2保护/环境温度传感器保护参考点温感器22系统一制冷低压保护系统一制冷低压保护23系统一制热低压保护系统一制热低压保护24排气高温一保护排气高温一保护25系统一防冻结保护系统一防冻结保护26翅片入管一感温故障翅片入管一感温故障27翅片出管一感温故障翅片出管一感温故障28壳管进管一感温故障壳管进管一感温故障29壳管出管一感温故障壳管出管一感温30排气温感器一故障排气温感器一故障31化霜温感器一故障化霜温感器一故障32系统二制冷低压保护系统二制冷低压保护33系统二制热低压保护系统二制热低压保护34压缩机二过载保护压缩机二过载保护35风机C过载保护风机C过载保护36风机D过载保护风机D过载保护37排气高温二保护排气高温二保护38系统二防冻结保护系统二防冻结保护39翅片入管二感温故障翅片入管二感温故障40翅片出管二感温故障翅片出管二感温41壳管进管二感温故障壳管进管二感温故障42壳管出管二感温故障壳管出管二感温故障43排气温感器二故障排气温感器二故障44化霜温感器二故障化霜温感器二故障45空调进水感温包故障空调进水感温包故障46空调出水感温包故障空调出水感温包故障47热水进水感温包故障热水进水感温包故障48热水出水感温包故障热水出水感温包故障49空调防冻感温包故障空调防冻感温包50热水防冻感温包故障热水防冻感温包故障51环境感温包故障 环境感温包故障52回水感温包故障 回水感温包故障53加热水箱感温包故障故障 54蓄热水箱温感器故障故障 55空调辅电温感器故障故障56热水辅电温感器故障故障57空调水流开关故障 空调水流开关故障故障加热水箱感温包蓄热水箱温感器空调辅电温感器59壳管电辅热故障壳管电辅热故障60容量拨码错误容量拨码错误61加热水箱水位开关加热水箱水位开关62蓄热水箱水位开关蓄热水箱水位开关63风机三过流保护风机三过流保护64跳线帽没装或不匹配跳线帽错误65系统一压缩机运行后其排气温度在特定时间内,未达到正常温度排气温感器一失灵66系统二压缩机运行后其排气温度在特定时间内,未达到正常温度排气温感器二失灵67空调进水温感器故障空调进水温感器故障68空调出水温感器故障空调出水温感器故障70系统二排气温感器故障排气温感器二故障71系统一制冷节流点温感器故障节流阀一温感器故障72系统二制冷节流点温感器故障节流阀二温感器故障73系统一吸气温感器故障吸气温感器一故障74系统二吸气温感器故障吸气温感器二故障75冷冻水水流开关保护冷冻水水流开关保护76系统一压缩机二运行后其排气温度在特定时间内,未达到正常温度系统一排气二失灵保护78系统二压缩机二运行后其排气温度在特定时间内,未达到正常温度系统二排气二失灵79系统一压缩机一运行后其排气温度在特定时间内,未达到正常温度系统一排气一失灵80系统二压缩机一运行后其排气温度在特定时间内,未达到正常温度系统二排气一失灵81 冷冻水出水故障冷冻水出水故障82 冷却水进水故障冷却水进水故障83 冷冻水进水故障冷冻水进水故障84 防冻温感器故障防冻温感器故障85 冷却水出水故障冷却水出水故障86 系统一制冷节流点温感器故障节流阀一温感器故障87系统二制冷节流点温感器故障节流阀二温感器故障88系统一吸气温感器故障吸气温感器一故障89系统二吸气温感器故障吸气温感器二故障90系统一压缩机运行后其排气温度在特定时间内,未达到正常温度排气温感器一失灵91系统二压缩机运行后其排气温度在特定时间内,未达到正常温度排气温感器二失灵92用户侧水流开关保护用户侧水流开关保护93热源侧水流开关保护热源侧水流开关保护94跳线帽没装或不匹配跳线帽错误95用户侧进水温感器故障用户侧进水温感器96系统一用户侧出水温感器故障用户侧出水温感器一97系统二用户侧出水温感器故障用户侧出水温感器二98热源侧进水温感器故障热源侧进水温感器99系统一热源侧出水温感器故障热源侧出水温感器一100系统二热源侧出水温感器故障热源侧出水温感器二101系统一制冷节流点温感器故障制冷节流阀一温感器102系统二制冷节流点温感器故障制冷节流阀二温感器103系统一制热节流点温感器故障制热节流阀一温感器104系统二制热节流点温感器故障制热节流阀二温感器105主板30s内接受不到显示板的信息通讯故障106水泵开启30秒后,连续10秒内检测到水流开关断开水流开关故障107连续30秒内检测到热水侧进水温度大于80度热水侧防过热保护108热水显示温感器故障热水显示温感器故障七、格力空调故障代码--恒温恒湿机序号适用机型显示故障代码故障代码含义1格力恒温恒湿机E1压缩机1高压保护2E2压缩机1防冻结保护3E3压缩机1低压保护4E5压缩机1过电流保护5b1压缩机2高压保护6b2压缩机2防冻结保护7b3压缩机2低压保护8b4压缩机2排气高温保护9b5压缩机2过电流保护10F0回风温度传感器故障11F1防冻传感器1保护12F2防冻传感器2保护13F4排气传感器1保护14 F5排气传感器2保护15F8加湿器故障保护16F9离心风机过电流保护八、格力空调故障代码--机房专用空调序号适用机型显示故障代码故障代码含义1格力机房专用空调F0室内温度传感器故障2F1蒸发器温度传感器故障3F2冷凝器温温度传感器故障4F3室外温度传感器故障5F4排气温度传感器故障6F5出水温度传感器/湿度传感器7E1压缩机高压保护8E2室内防冻结保护E4压缩机排气高温保护 E5压缩机过电流保护 E6通讯故障 L1断电保护 L2蓄电池低压保护 L3直流风机故障 EH 辅助电加热保护 LH 室内环境温度过高报警 LL 室内环境温度过低报警 EL 火灾报警 L4过滤器堵塞报警 1011121314151617181920。
格力空调故障代码含义及维修方法一.故障的含义代码、代码产生的原因格力变频柜机故障显示E1 压机电流大,压机感温包(过热保护)开路E2 防冻结保护(内管温)E3 内传感器短开路E4 蒸发器管温开、短路E5 通讯失败(N、L)不能接反)二普通柜机E1 压机高压保护E2 内冻结保护E3 压机低压保护E4 排气温度保护(相序保护)E5 过欠压保护,低电压保护(同时按“扫风键,风速键”,进入自检)关于格力空调的故代码E1和E2KF-60LWAK分体立柜式房间空调器故障代码:E11、冷凝器前有障碍物2、控制回路巽常3、室外环境温度高于43度时开始制冷4、高压管压力过大使高压开关动作E21、室内风机不转或风口堵住2、室内环境温度低于187 格力空调故障代码3、管温感温头折断4、管温感温头插头没插好5、控制回路巽常6、电容C7漏电LF-12WAK分体立柜式房间空调器故障代码:E11、冷凝器前有障碍物2、控制回路巽常3、三相电源缺相3、室外环境温度高于43度时开始制冷4、工作电流过大使过护器动作或高压管压力过大使高压开关动作E21、室内风机不转或风口堵住2、室内环境温度低于18度3、管温感温头折断4、管温感温头插头没插好5、控制回路巽常6、电容C7漏电E1一般是外机问题过欠流过欠压散热不良!格力KFR-70LW/ED故障代码KFR-70LW/EDE1高压E2防冻结E3低压8 格力空调故障代码E4排温E5过流格力带低电压保护新款柜机代码:E1:压缩机高压保护E2:蒸发器防冻结保护E3:压缩机低压保护E4:压缩机排气温度过高保护E5:过电流(低电压保护关于格力空调的故代码E1和E2KF-60L WAK分体立柜式房间空调器故障代码:E1 1、冷凝器前有障碍物2、控制回路巽常3、室外环境温度高于43度时开始制冷4、高压管压力过大使高压开关动作E2 1、室内风机不转或风口堵住2、室内环境温度低于18度3、管温感温头折断4、管温感温头插头没插好5、控制回路巽常6、电容C7漏电9 格力空调故障代码LF-12WAK分体立柜式房间空调器故障代码:E1 1、冷凝器前有障碍物2、控制回路巽常3、三相电源缺相3、室外环境温度高于43度时开始制冷4、工作电流过大使过护器动作或高压管压力过大使高压开关动作E2 1、室内风机不转或风口堵住2、室内环境温度低于18度3、管温感温头折断4、管温感温头插头没插好5、控制回路巽常格力KFR--50L/H610故障代码 E1:压缩机电流过大,压缩机过热、排气温度高、模块保护,应检查过载保护器有无断开及压缩机感温包是否短路。
格力空调故障代码大全K F-60L W A K柜机E11.冷凝器前有障碍物2.控制回路巽常3.室外环境温度高于43度时开始制冷4.高压管压力过大使高压开关动作E21.室内风机不转或风口堵住2.室内环境温度低于18度3.管温感温头折断4.管温感温头插头没插好5.控制回路巽常6.电容C7漏电L F-120W A K柜机E11.冷凝器前有障碍物2.控制回路巽常3.三相电源缺相4.室外环境温度高于43度时开始制冷5.工作电流过大使过护器动作或高压管压力过大使高压开关动作E21.室内风机不转或风口堵住2.室内环境温度低于18度3.管温感温头折断4.管温感温头插头没插好5.控制回路巽常6.电容C7漏电K F R-70L W/E D E1高压E2防冻结E3低压E4排温E5过流格力带低电压保护新款柜机代码:E1压缩机高压保护E2蒸发器防冻结保护E3压缩机低压保护E4压缩机排气温度过高保护E5过电流(低电压保护格力空调故障代码! K F-60L W A K分体立柜式房间空调器故障代码.E11.冷凝器前有障碍物2.控制回路巽常3.室外环境温度高于43度时开始制冷4.高压管压力过大使高压开关动作E21.室内风机不转或风口堵住2.室内环境温度低于18度3.管温感温头折断4.管温感温头插头没插好5.控制回路巽常6.电容C7漏电L F-12W A K分体立柜式房间空调器故障代码.E11.冷凝器前有障碍物2.控制回路巽常3.三相电源缺相3.室外环境温度高于43度时开始制冷4.工作电流过大使过护器动作或高压管压力过大使高压开关动作E21.室内风机不转或风口堵住2.室内环境温度低于18度3.管温感温头折断4.管温感温头插头没插好5.控制回路巽常6.电容C7漏电格力空调维修一:格力定频机器挂机的传感器的阻值比较小,也就是说比较精确,不过也是最容易坏的!常见故障就不说了!说2个不好查的:1制冷时20分钟左右压机停;2制热外风机不工作;很大可能都是室内管温问题![适用所有定频机]二:普通分体机,1:就是带灯箱的E1表现为一开机立刻停,除灯箱可以开以外别的功能都没有用。
格力空调维修 格力中央空调维修格力中央空调产品故障显示代码表格力中央空调产品故障显示代码表格力中央空调产品故障显示代码表为你提供了格力中央空调所有机型的故障代码信息:一、显示板显示故障一、显示板显示故障序号序号 故障代码含义故障代码含义 显示代码显示代码 机 型 1 压缩机高压保护压缩机高压保护 E1 数码多联室外机数码多联室外机 2 室内防冻结保护室内防冻结保护 E2 数码多联室外机数码多联室外机 3 压缩机低压保护压缩机低压保护E3 数码多联室外机数码多联室外机 4 压缩机排气高温保护/油温高温保护油温高温保护 E4 数码多联室外机数码多联室外机 5 压缩机过电流保护/压机、风机驱动故障压机、风机驱动故障 E5 数码多联室外机数码多联室外机 6 通讯故障通讯故障 E6 数码多联室外机数码多联室外机 7 模式冲突模式冲突E7 数码多联室外机数码多联室外机 8 油电磁阀保护油电磁阀保护EA 数码多联室外机数码多联室外机 9 室外环境温度传感器故障室外环境温度传感器故障 F4 数码多联室外机数码多联室外机 10 室外主机入管温度传感器故障室外主机入管温度传感器故障 F5 数码多联室外机数码多联室外机 11 室外主机中部温度传感器故障室外主机中部温度传感器故障 F6 数码多联室外机数码多联室外机 12 室外主机出管温度传感器故障室外主机出管温度传感器故障F7 数码多联室外机数码多联室外机 13 主机定频压机1排气温度传感器故障排气温度传感器故障 F8 数码多联室外机数码多联室外机 14 主机数码压机排气温度传感器故障主机数码压机排气温度传感器故障 F9 数码多联室外机数码多联室外机 15 主机定频压机1油温温度传感器故障油温温度传感器故障 FA 数码多联室外机数码多联室外机 16 主机数码压机油温温度传感器故障主机数码压机油温温度传感器故障 Fb 数码多联室外机数码多联室外机 17 高压传感器故障高压传感器故障 Fc 数码多联室外机数码多联室外机 18 低压传感器故障低压传感器故障 Fd 数码多联室外机数码多联室外机 19 缺冷媒保护缺冷媒保护FE 数码多联室外机数码多联室外机 20 室外子机入管温度传感器故障室外子机入管温度传感器故障 b5 数码多联室外机数码多联室外机 21 室外子机中部温度传感器故障室外子机中部温度传感器故障 b6 数码多联室外机数码多联室外机 22 室外子机出管温度传感器故障室外子机出管温度传感器故障 b7 数码多联室外机数码多联室外机 23 定频压机2排气温度传感器故障排气温度传感器故障 b8 数码多联室外机数码多联室外机 24 定频压机3排气温度传感器故障排气温度传感器故障 b9 数码多联室外机数码多联室外机 25 定频压机2油温温度传感器故障油温温度传感器故障 bA 数码多联室外机数码多联室外机 26 定频压机3油温温度传感器故障油温温度传感器故障 bb 数码多联室外机数码多联室外机 27 直流母线电压过高保护直流母线电压过高保护PH 变频多联室外机变频多联室外机 28 IPM 或PFC 模块过热保护模块过热保护 P8 变频多联室外机变频多联室外机 29 电流检测电路故障电流检测电路故障Pc 变频多联室外机变频多联室外机 30 IPM 或PFC 模块温度传感器故障模块温度传感器故障 P7 变频多联室外机变频多联室外机 31 压缩机电流保护压缩机电流保护 P5 变频多联室外机变频多联室外机 32 直流母线电压过低保护直流母线电压过低保护 PL 变频多联室外机变频多联室外机 33 压缩机启动失败压缩机启动失败 Lc 变频多联室外机变频多联室外机 34 PFC 模块保护模块保护 Hc 变频多联室外机变频多联室外机 35 堵转堵转LE 变频多联室外机变频多联室外机 36 驱动模块复位驱动模块复位 P0 变频多联室外机变频多联室外机 37压缩机电机失步压缩机电机失步H7变频多联室外机变频多联室外机38 缺相变频多联室外机 缺相 Ld 变频多联室外机39 变频驱动部分到主控通讯故障变频驱动部分到主控通讯故障 P6 变频多联室外机变频多联室外机40 IPM模块保护变频多联室外机 模块保护 H5 变频多联室外机41 超速变频多联室外机 超速 LF 变频多联室外机42 传感器连接保护变频多联室外机 传感器连接保护 Pd 变频多联室外机43 温漂保护变频多联室外机 温漂保护 PE 变频多联室外机44 交流接触器保护交流接触器保护 P9 变频多联室外机变频多联室外机45 高压保护变频多联室外机 高压保护 E1 变频多联室外机46 低压保护变频多联室外机 低压保护 E3 变频多联室外机47 排气保护变频多联室外机 排气保护 E4 变频多联室外机48 压缩机自带过载保护变频多联室外机 压缩机自带过载保护 H3 变频多联室外机49 通讯故障(内外机、手操器之间)变频多联室外机 通讯故障(内外机、手操器之间) E6 变频多联室外机50 室外环境感温头故障变频多联室外机 室外环境感温头故障 F4 变频多联室外机51 室外盘管进管感温头故障室外盘管进管感温头故障 F5 变频多联室外机变频多联室外机52 室外盘管中间感温头故障变频多联室外机 室外盘管中间感温头故障 F6 变频多联室外机53 室外盘管出管感温头故障变频多联室外机 室外盘管出管感温头故障 F7 变频多联室外机54 变频排气感温包故障变频多联室外机 变频排气感温包故障 F9 变频多联室外机55 交流电流保护(输入侧)交流电流保护(输入侧) P A 变频多联室外机变频多联室外机56 驱动板环境感温包故障变频多联室外机 驱动板环境感温包故障 PF 变频多联室外机57 交流输入电压异常变频多联室外机 交流输入电压异常 PP 变频多联室外机58 跳线帽故障跳线帽故障 C5 变频多联室外机变频多联室外机59 充电回路故障变频多联室外机 充电回路故障 PU 变频多联室外机60 直流电机无转速反馈故障变频多联室外机 直流电机无转速反馈故障 H6 变频多联室外机61 远程锁定远程锁定 CC 多联室内机(除智能多联外)多联室内机(除智能多联外) 62 与有效主手操器冲突标志多联室内机(除智能多联外) 与有效主手操器冲突标志 CH 多联室内机(除智能多联外)63 清除线控器标志多联室内机(除智能多联外) 清除线控器标志 CL 多联室内机(除智能多联外)64 压缩机高压保护多联室内机(除智能多联外) 压缩机高压保护 E1 多联室内机(除智能多联外)65 室内防冻结保护多联室内机(除智能多联外) 室内防冻结保护 E2 多联室内机(除智能多联外)66 压缩机低压保护压缩机低压保护 E3 多联室内机(除智能多联外)多联室内机(除智能多联外) 67 压缩机排气高温保护/油温高温保护多联室内机(除智能多联外) 油温高温保护 E4 多联室内机(除智能多联外)68 压缩机过电流保护/压机、风机驱动故障多联室内机(除智能多联外) 压机、风机驱动故障 E5 多联室内机(除智能多联外)69 通讯故障通讯故障 E6 多联室内机(除智能多联外)多联室内机(除智能多联外) 70 模式冲突多联室内机(除智能多联外) 模式冲突 E7 多联室内机(除智能多联外)71 室内机风机过载保护多联室内机(除智能多联外) 室内机风机过载保护 E8 多联室内机(除智能多联外)72 水满保护多联室内机(除智能多联外) 水满保护 E9/Eb 多联室内机(除智能多联外)73 按键锁定多联室内机(除智能多联外) 按键锁定 EE 多联室内机(除智能多联外)74 辅助电加热故障辅助电加热故障 EH 多联室内机(除智能多联外)多联室内机(除智能多联外) 75 室内环境温度传感器故障多联室内机(除智能多联外) 室内环境温度传感器故障 F0 多联室内机(除智能多联外)76 室内机入管温度传感器故障多联室内机(除智能多联外) 室内机入管温度传感器故障 F1 多联室内机(除智能多联外)77 室内机中部温度传感器故障多联室内机(除智能多联外) 室内机中部温度传感器故障 F2 多联室内机(除智能多联外)78 室内机出管温度传感器故障室内机出管温度传感器故障 F3 多联室内机(除智能多联外)多联室内机(除智能多联外) 79 室外环境温度传感器故障多联室内机(除智能多联外) 室外环境温度传感器故障 F4 多联室内机(除智能多联外)80 室外机入管温度传感器故障多联室内机(除智能多联外) 室外机入管温度传感器故障 F5 多联室内机(除智能多联外)81 室外机中部温度传感器故障多联室内机(除智能多联外) 室外机中部温度传感器故障 F6 多联室内机(除智能多联外)82 室外机出管温度传感器故障室外机出管温度传感器故障 F7 多联室内机(除智能多联外)多联室内机(除智能多联外) 83 定频压机排气温度传感器故障多联室内机(除智能多联外) 定频压机排气温度传感器故障 F8 多联室内机(除智能多联外)84 压缩机高压保护智能多联室内机 压缩机高压保护 E1 智能多联室内机85 室内防冻结保护智能多联室内机 室内防冻结保护 E2 智能多联室内机86 压缩机低压保护智能多联室内机 压缩机低压保护 E3 智能多联室内机87 压缩机排气高温保护压缩机排气高温保护 E4 智能多联室内机智能多联室内机88 压缩机过电流保护智能多联室内机 压缩机过电流保护 E5 智能多联室内机89 通讯故障智能多联室内机 通讯故障 E6 智能多联室内机90 模式冲突智能多联室内机 模式冲突 E7 智能多联室内机91 室内机风机过电流保护智能多联室内机 室内机风机过电流保护 E8 智能多联室内机92 水满保护智能多联室内机 水满保护 E9/Eb 智能多联室内机93 按键锁定智能多联室内机 按键锁定 EE 智能多联室内机94 辅助电加热故障辅助电加热故障 EH 智能多联室内机智能多联室内机95 室内环境温度传感器故障智能多联室内机 室内环境温度传感器故障 F0 智能多联室内机96 室内机蒸发器温度传感器故障智能多联室内机 室内机蒸发器温度传感器故障 F1 智能多联室内机97 冷凝器温度传感器故障智能多联室内机 冷凝器温度传感器故障 F2 智能多联室内机98 室外环境温度传感器故障室外环境温度传感器故障 F3 智能多联室内机智能多联室内机99 排气温度传感器故障智能多联室内机 排气温度传感器故障 F4 智能多联室内机100 水泵故障(新款风管)风管机水泵故障(新款风管) E0 风管机101 压缩机高压保护压缩机高压保护 E1 风管机风管机102 室内防冻结保护风管机室内防冻结保护 E2 风管机103 压缩机低压保护风管机压缩机低压保护 E3 风管机104 压缩机排气高温保护压缩机排气高温保护 E4 风管机风管机105 压缩机过电流保护风管机压缩机过电流保护 E5 风管机106 通讯故障风管机通讯故障 E6 风管机107 室内风机故障风管机室内风机故障 E8 风管机108 水满保护风管机水满保护 E9 风管机109 辅助电加热故障辅助电加热故障 EH 风管机风管机110 室内环境温度传感器故障风管机室内环境温度传感器故障 F0 风管机111 室内机蒸发器温度传感器故障风管机室内机蒸发器温度传感器故障 F1 风管机112 冷凝器温度传感器故障冷凝器温度传感器故障 F2 风管机风管机113 室外环境温度传感器故障风管机室外环境温度传感器故障 F3 风管机114 排气温度传感器故障风管机排气温度传感器故障 F4 风管机115 显示器环境温度传感器故障风管机显示器环境温度传感器故障 F5 风管机116 见备注风管机见备注 FF 风管机117 跳线帽故障跳线帽故障 C5 风管机风管机118 压缩机高压保护机单系统 压缩机高压保护 E1 户式(别墅)机单系统119 系统防冻保护机单系统 系统防冻保护 E2 户式(别墅)机单系统120 压缩机低压保护机单系统 压缩机低压保护 E3 户式(别墅)机单系统121 压缩机排气温度保护压缩机排气温度保护 E4 户式(别墅)机单系统机单系统122 压缩机过载保护机单系统 压缩机过载保护 E5 户式(别墅)机单系统123 水泵过载保护机单系统 水泵过载保护 E6 户式(别墅)机单系统124 水流开关保护机单系统 水流开关保护 E7 户式(别墅)机单系统125 风机过载保护风机过载保护 E8 户式(别墅)机单系统机单系统 126 系统防高温保护机单系统 系统防高温保护 E9 户式(别墅)机单系统127 防冻温度传感器故障机单系统 防冻温度传感器故障 F1 户式(别墅)机单系统128 除霜温度传感器故障机单系统 除霜温度传感器故障 F3 户式(别墅)机单系统129 排气温度传感器故障机单系统 排气温度传感器故障 F5 户式(别墅)机单系统130 室外环境温度传感器室外环境温度传感器 F7 户式(别墅)机单系统机单系统 131 进水温度传感器故障机单系统 进水温度传感器故障 F8 户式(别墅)机单系统132 出水温度传感器故障机单系统 出水温度传感器故障 F9 户式(别墅)机单系统133 通信故障机单系统 通信故障 EC 户式(别墅)机单系统134 压缩机1高压保护机双系统 高压保护 E1 户式(别墅)机双系统135 系统1防冻结保护机双系统 防冻结保护 E2 户式(别墅)机双系统136 压缩机1低压保护机双系统 低压保护 E3 户式(别墅)机双系统137 压缩机1排气温度保护排气温度保护 E4 户式(别墅)机双系统机双系统 138 压缩机1过载保护机双系统 过载保护 E5 户式(别墅)机双系统139 水泵过载保护机双系统 水泵过载保护 E6 户式(别墅)机双系统140 水流开关保护机双系统 水流开关保护 E7 户式(别墅)机双系统141 风机1过载保护过载保护 E8 户式(别墅)机双系统机双系统 142 系统1防高温保护机双系统 防高温保护 E9 户式(别墅)机双系统143 压缩机2高压保护机双系统 高压保护 b1 户式(别墅)机双系统144 系统2防冻结保护防冻结保护 b2 户式(别墅)机双系统机双系统 145 压缩机2低压保护机双系统 低压保护 b3 户式(别墅)机双系统146 压缩机2排气温度保护机双系统 排气温度保护 b4 户式(别墅)机双系统147 压缩机2过载保护过载保护 b5 户式(别墅)机双系统机双系统 148 风机2过载保护机双系统 过载保护 b8 户式(别墅)机双系统149 系统2防高温机双系统 防高温 b9 户式(别墅)机双系统150 防冻温度传感器1故障机双系统 故障 F1 户式(别墅)机双系统151 防冻温度传感器2故障机双系统 故障 F2 户式(别墅)机双系统152 除霜温度传感器1故障故障 F3 户式(别墅)机双系统机双系统 153 除霜温度传感器2故障机双系统 故障 F4 户式(别墅)机双系统154 排气温度传感器1故障机双系统 故障 F5 户式(别墅)机双系统155 排气温度传感器2故障故障 F6 户式(别墅)机双系统机双系统 156 室外环境温度传感器故障机双系统 室外环境温度传感器故障 F7 户式(别墅)机双系统157 进水温度传感器机双系统 进水温度传感器 F8 户式(别墅)机双系统158 出水温度传感器机双系统 出水温度传感器 F9 户式(别墅)机双系统159 通信故障机双系统 通信故障 EC 户式(别墅)机双系统160 压缩机1高压保护高压保护 E1 户式地暖机组户式地暖机组161 系统一防冻结保护户式地暖机组 系统一防冻结保护 E2 户式地暖机组162 压缩机1低压保护户式地暖机组 低压保护 E3 户式地暖机组163 压缩机1排气温度保护户式地暖机组 排气温度保护 E4 户式地暖机组164 压缩机1过载保护过载保护 E5 户式地暖机组户式地暖机组165 水泵过载保护户式地暖机组 水泵过载保护 E6 户式地暖机组166 水流开关故障户式地暖机组 水流开关故障 E7 户式地暖机组167 风机1过载保护户式地暖机组 过载保护 E8 户式地暖机组168 系统一防高温系统一防高温 E9 户式地暖机组户式地暖机组169 压缩机2高压保护户式地暖机组 高压保护 b1 户式地暖机组170 系统二防冻结保护户式地暖机组 系统二防冻结保护 b2 户式地暖机组171 压缩机2低压保护户式地暖机组 低压保护 b3 户式地暖机组172 压缩机2排气温度保护户式地暖机组 排气温度保护 b4 户式地暖机组173 压缩机2过载保护过载保护 b5 户式地暖机组户式地暖机组174 风机2过载保护户式地暖机组 过载保护 b8 户式地暖机组175 系统二防高温户式地暖机组 系统二防高温 b9 户式地暖机组176 防冻温度传感器1故障户式地暖机组故障 F1 户式地暖机组177 防冻温度传感器2故障户式地暖机组故障 F2 户式地暖机组178 除霜温度传感器1故障户式地暖机组故障 F3 户式地暖机组179 除霜温度传感器2故障户式地暖机组故障 F4 户式地暖机组180 排气温度传感器1故障故障 F5 户式地暖机组户式地暖机组181 排气温度传感器2故障户式地暖机组故障 F6 户式地暖机组182 室外环境温度传感器故障户式地暖机组 室外环境温度传感器故障 F7 户式地暖机组183 进水温度传感器故障户式地暖机组 进水温度传感器故障 F8 户式地暖机组184 出水温度传感器故障出水温度传感器故障 F9 户式地暖机组户式地暖机组185 通信故障户式地暖机组 通信故障 EC 户式地暖机组186 压缩机1高压保护单元机(风冷冷风型) 高压保护 E1 单元机(风冷冷风型)187 系统1防冻结保护防冻结保护 E2 单元机(风冷冷风型)单元机(风冷冷风型) 188 压缩机1低压保护单元机(风冷冷风型) 低压保护 E3 单元机(风冷冷风型)189 压缩机1排气高温保护单元机(风冷冷风型) 排气高温保护 E4 单元机(风冷冷风型)190 压缩机1过电流保护过电流保护 E5 单元机(风冷冷风型)单元机(风冷冷风型) 191 压缩机2高压保护单元机(风冷冷风型) 高压保护 b1 单元机(风冷冷风型)192 系统2防冻结保护单元机(风冷冷风型) 防冻结保护 b2 单元机(风冷冷风型)193 压缩机2低压保护单元机(风冷冷风型) 低压保护 b3 单元机(风冷冷风型)194 压缩机2排气高温保护单元机(风冷冷风型) 排气高温保护 b4 单元机(风冷冷风型)195 压缩机2过电流保护过电流保护 b5 单元机(风冷冷风型)单元机(风冷冷风型) 196 冷凝器2传感器故障单元机(风冷冷风型) 传感器故障 b6 单元机(风冷冷风型)197 蒸发器2传感器故障单元机(风冷冷风型) 传感器故障 b7 单元机(风冷冷风型)198 通信故障通信故障 EC 单元机(风冷冷风型)单元机(风冷冷风型) 199 存储芯片故障单元机(风冷冷风型) 存储芯片故障 EE 单元机(风冷冷风型)200 压缩机3高压保护单元机(风冷冷风型) 高压保护 C1 单元机(风冷冷风型)201 系统3防冻结保护单元机(风冷冷风型) 防冻结保护 C2 单元机(风冷冷风型)202 压缩机3低压保护单元机(风冷冷风型) 低压保护 C3 单元机(风冷冷风型)203 压缩机3排气高温保护排气高温保护 C4 单元机(风冷冷风型)单元机(风冷冷风型) 204 压缩机3过电流保护单元机(风冷冷风型) 过电流保护 C5 单元机(风冷冷风型)205 冷凝器3传感器故障单元机(风冷冷风型) 传感器故障 C6 单元机(风冷冷风型)206 蒸发器3传感器故障单元机(风冷冷风型) 传感器故障 C7 单元机(风冷冷风型)207 室内环境传感器故障室内环境传感器故障 F0 单元机(风冷冷风型)单元机(风冷冷风型) 208 蒸发器1传感器故障单元机(风冷冷风型) 传感器故障 F1 单元机(风冷冷风型)209 冷凝器1传感器故障单元机(风冷冷风型) 传感器故障 F2 单元机(风冷冷风型)210 室外环境传感器故障单元机(风冷冷风型) 室外环境传感器故障 F3 单元机(风冷冷风型)211 排气温度传感器1故障故障 F5 单元机(风冷冷风型)单元机(风冷冷风型) 212 排气温度传感器2故障单元机(风冷冷风型) 故障 F6 单元机(风冷冷风型)213 排气温度传感器2故障单元机(风冷冷风型) 故障 F7 单元机(风冷冷风型)214 送风机热过电流单元机(风冷冷风型) 送风机热过电流 F9 单元机(风冷冷风型)215 压缩机1高压保护单元机(水冷冷风型) 高压保护 E1 单元机(水冷冷风型)216 系统1防冻结保护防冻结保护 E2 单元机(水冷冷风型)单元机(水冷冷风型) 217 压缩机1低压保护单元机(水冷冷风型) 低压保护 E3 单元机(水冷冷风型)218 压缩机1排气高温保护单元机(水冷冷风型) 排气高温保护 E4 单元机(水冷冷风型)219 压缩机1过电流保护单元机(水冷冷风型) 过电流保护 E5 单元机(水冷冷风型)220 送风机热过电流单元机(水冷冷风型) 送风机热过电流 F9 单元机(水冷冷风型)221 压缩机2高压保护单元机(水冷冷风型) 高压保护 b1 单元机(水冷冷风型)222 系统2防冻结保护单元机(水冷冷风型) 防冻结保护 b2 单元机(水冷冷风型)223 压缩机2低压保护低压保护 b3 单元机(水冷冷风型)单元机(水冷冷风型) 224 压缩机2排气高温保护单元机(水冷冷风型) 排气高温保护 b4 单元机(水冷冷风型)225 压缩机2过电流保护单元机(水冷冷风型) 过电流保护 b5 单元机(水冷冷风型)226 水流开关故障单元机(水冷冷风型) 水流开关故障 E0 单元机(水冷冷风型)227 送风机热过电流送风机热过电流 E8 单元机(水冷冷风型)单元机(水冷冷风型) 228 回风温度传感器故障单元机(水冷冷风型) 回风温度传感器故障 F0 单元机(水冷冷风型)229 防冻传感器1故障单元机(水冷冷风型) 故障 F2 单元机(水冷冷风型)230 防冻传感器2故障故障 F3 单元机(水冷冷风型)单元机(水冷冷风型) 231 防冻传感器3故障单元机(水冷冷风型) 故障 F4 单元机(水冷冷风型)232 排气温度传感器1故障单元机(水冷冷风型) 故障 F5 单元机(水冷冷风型)233 排气温度传感器2故障故障 F6 单元机(水冷冷风型)单元机(水冷冷风型) 234 排气温度传感器3故障单元机(水冷冷风型) 故障 F7 单元机(水冷冷风型)235 压缩机2高压保护单元机(水冷冷风型) 高压保护 b1 单元机(水冷冷风型)236 系统2防冻结保护单元机(水冷冷风型) 防冻结保护 b2 单元机(水冷冷风型)237 压缩机2低压保护单元机(水冷冷风型) 低压保护 b3 单元机(水冷冷风型)238 压缩机2排气高温保护排气高温保护 b4 单元机(水冷冷风型)单元机(水冷冷风型) 239 压缩机2过电流保护单元机(水冷冷风型) 过电流保护 b5 单元机(水冷冷风型)240 压缩机3高压保护单元机(水冷冷风型) 高压保护 c1 单元机(水冷冷风型)241 系统3防冻结保护防冻结保护 c2 单元机(水冷冷风型)单元机(水冷冷风型) 242 压缩机3低压保护单元机(水冷冷风型) 低压保护 c3 单元机(水冷冷风型)243 压缩机3排气高温保护单元机(水冷冷风型) 排气高温保护 c4 单元机(水冷冷风型)244 压缩机3过电流保护单元机(水冷冷风型) 过电流保护 c5 单元机(水冷冷风型)245 压缩机1高压保护恒温恒湿机 高压保护 E1 恒温恒湿机246 压缩机1防冻结保护防冻结保护 E2 恒温恒湿机恒温恒湿机247 压缩机1低压保护恒温恒湿机 低压保护 E3 恒温恒湿机248 压缩机1过电流保护恒温恒湿机 过电流保护 E5 恒温恒湿机249 压缩机2高压保护恒温恒湿机 高压保护 b1 恒温恒湿机250 压缩机2防冻结保护防冻结保护 b2 恒温恒湿机恒温恒湿机251 压缩机2低压保护恒温恒湿机 低压保护 b3 恒温恒湿机252 压缩机2排气高温保护恒温恒湿机 排气高温保护 b4 恒温恒湿机。
格力空调故障代码含义及维修方法一.故障的含义代码、代码产生的原因格力变频柜机故障显示E1 压机电流大,压机感温包(过热保护)开路E2 防冻结保护(内管温)E3 内传感器短开路E4 蒸发器管温开、短路E5 通讯失败(N、L)不能接反)二普通柜机E1 压机高压保护E2 内冻结保护E3 压机低压保护E4 排气温度保护(相序保护)E5 过欠压保护,低电压保护(同时按“扫风键,风速键”,进入自检)关于格力空调的故代码E1和E2KF-60LWAK分体立柜式房间空调器故障代码:E11、冷凝器前有障碍物2、控制回路巽常3、室外环境温度高于43度时开始制冷4、高压管压力过大使高压开关动作E21、室内风机不转或风口堵住2、室内环境温度低于187 格力空调故障代码3、管温感温头折断4、管温感温头插头没插好5、控制回路巽常6、电容C7漏电LF-12WAK分体立柜式房间空调器故障代码:E11、冷凝器前有障碍物2、控制回路巽常3、三相电源缺相3、室外环境温度高于43度时开始制冷4、工作电流过大使过护器动作或高压管压力过大使高压开关动作E21、室内风机不转或风口堵住2、室内环境温度低于18度3、管温感温头折断4、管温感温头插头没插好5、控制回路巽常6、电容C7漏电E1一般是外机问题过欠流过欠压散热不良!格力KFR-70LW/ED故障代码KFR-70LW/EDE1高压E2防冻结E3低压8 格力空调故障代码E4排温E5过流格力带低电压保护新款柜机代码:E1:压缩机高压保护E2:蒸发器防冻结保护E3:压缩机低压保护E4:压缩机排气温度过高保护E5:过电流(低电压保护关于格力空调的故代码E1和E2KF-60L WAK分体立柜式房间空调器故障代码:E1 1、冷凝器前有障碍物2、控制回路巽常3、室外环境温度高于43度时开始制冷4、高压管压力过大使高压开关动作E2 1、室内风机不转或风口堵住2、室内环境温度低于18度3、管温感温头折断4、管温感温头插头没插好5、控制回路巽常6、电容C7漏电9 格力空调故障代码LF-12WAK分体立柜式房间空调器故障代码:E1 1、冷凝器前有障碍物2、控制回路巽常3、三相电源缺相3、室外环境温度高于43度时开始制冷4、工作电流过大使过护器动作或高压管压力过大使高压开关动作E2 1、室内风机不转或风口堵住2、室内环境温度低于18度3、管温感温头折断4、管温感温头插头没插好5、控制回路巽常格力KFR--50L/H610故障代码 E1:压缩机电流过大,压缩机过热、排气温度高、模块保护,应检查过载保护器有无断开及压缩机感温包是否短路。
格力中央空调F1故障是什么意思-格力中央空调F1故障报警怎样解决排除-格力中央空调F1故障维修办法
格力中央空调F1故障是什么意思,格力中央空调F1故障报警怎样解决排除,格力中央空调F1故障维修办法
聚信口碑网汇总格力中央空调F1故障是什么意思,格力中央空调E1故障报警怎样解决排除,格力中央空调E1故障维修办法。
在格力售后服务内部资料里格力中央空调F1是室内入管感温包故障。
需要联系格力售后服务报修。
假故障的可能也有,可以试试断电重启的办法试试排除,排除不了联系报修。
最新格力中央空调故障代码大全及解释
用户在使用格力中央空调过程中格力空调显示的一些故障代码含义不懂,这些故障代码有的是假故障,用户正确操作就可以排除,有的是真故障需要联系格力空调售后服务网点上门处理。
这里列出格力中央空调故障代码大全及解读排除
聚信口碑网汇总了国内所有知名大品牌家电售后服务系统和售后服务维修工,实时动态化定位管理,可以在线快速处理您的所有保内保外报修问题。
聚信口碑网对保外维修费用采用平台托管用户试用7天确认满意平台会把维修费费用支付给维修工,中间任何问题都可以联系沟通平台先行赔付。
聚信口碑网每年投巨资对所有老用户送保外家电维修免费一次,您在聚信口碑网提交一次了保内免费维修的或保外收费维修的单子都成为老用户可以享受保外免费维修一次,聚信口碑网只赚口碑不赚钱。
欢迎大家
转发关注,您的关注就是我们发展的动力,您的关注也是我们的股东投资的动力,股东投资的希望。