常用一维条形码编码规则.
- 格式:doc
- 大小:561.00 KB
- 文档页数:25
常用一维条形码编码规则一维条形码是一种广泛使用的编码规则,用于在商品、邮件、文件等物品上标识和跟踪信息。
下面是一些常用的一维条形码编码规则。
1. UPC(Universal Product Code):UPC是一种广泛应用于北美市场的编码规则。
它使用12个数字字符表示产品的标识号码,通常用于商品的销售和库存管理。
2. EAN(European Article Number):EAN是一种在欧洲和全球范围内广泛使用的编码规则。
与UPC类似,EAN也使用13个数字字符表示产品的标识号码。
3. Code 39:Code 39是一种常用的字母和数字字符编码规则。
它可编码字母、数字和一些特殊字符,如空格、减号等。
Code 39条形码由一个起始字符、数据字符和一个终止字符组成。
4. Code 128:Code 128是一种高密度编码规则,它能编码所有ASCII字符(128个字符)。
Code 128条形码具有可变长度和高容错性,并且可以同时编码数字、字母和符号。
5. Codabar:Codabar是一种常用的编码规则,适用于一些特定的应用场景,如图书馆、银行、物流等。
Codabar条形码可编码数字、字母和一些特殊字符。
6. ITF(Interleaved 2 of 5):ITF是一种高密度编码规则,常用于包装和运输行业的标识。
它可以编码数字,但不支持字母和特殊字符。
ITF条形码由两个数字字符和一个空格字符组成,可以同时表示两个数字。
7. MSI Plessey:MSI Plessey是一种数字编码规则,常用于库存管理和数据跟踪。
它可以编码数字字符,并具有高容错性能。
8. Pharmacode:Pharmacode是一种特殊的编码规则,主要用于药品标识。
Pharmacode条形码由数字字符组成,用于唯一标识药品包装。
以上是一些常用的一维条形码编码规则。
不同的规则适用于不同的应用场景,具有不同的特点和优势。
选择合适的编码规则有助于提高条形码的可读性和可靠性。
常用一维条形码编码规则汇总一维条形码是由一系列竖条和空白组成的编码符号,用于标识和识别商品和其他物品。
常见的一维条形码编码规则主要包括EAN-13、UPC、Code 39、Code 128等。
1. EAN-13(European Article Number 13):EAN-13是一种全球通用的13位条形码标准,用于商品的条形码编码。
它由3个编码组成,分别是国家代码、制造商代码和产品代码。
第一位是国家代码,接下来的5位是制造商代码,最后的5位是产品代码。
EAN-13条形码的数字由黑条和白条组成,黑条表示二进制的1,白条表示二进制的0。
EAN-13条形码可以容纳12个数字字符以及一个校验位,用于检测条形码是否输入正确。
2. UPC(Universal Product Code):UPC是美国商品通用条形码标准,它由12位数字组成。
UPC条形码使用的编码规则和EAN-13类似,不同的是UPC没有国家代码。
UPC-A是最常见的UPC条形码类型,它包含6个制造商代码和5个产品代码,最后一位是校验位。
3. Code 39:Code 39是一种常用的字母和数字条形码编码规则,可以编码0到9的数字、大写字母以及一些特殊字符。
Code 39条形码采用宽条和窄条组成编码符号,每个字符由5个条组成(3个宽条和2个窄条)。
条码包含一个开始字符(*),一个结束字符(*),以及一个校验位。
4. Code 128:Code 128是一种可以编码所有ASCII字符的一维条形码规则。
Code 128条形码由若干个字符符号组成,每个字符符号包含3个条和3个空白。
Code 128可以编码数字、字母以及各种特殊字符。
条形码的首位是一个起始字符,尾部是一个结束符。
Code 128还包含一种应为校验字符。
5. ITF-14(Interleaved 2 of 5):ITF-14是一种用于包装上的条形码编码规则,它由14位数字组成。
ITF-14采用条和空间交叉的方式编码符号,每小时和空格都由两个条和三个空组成。
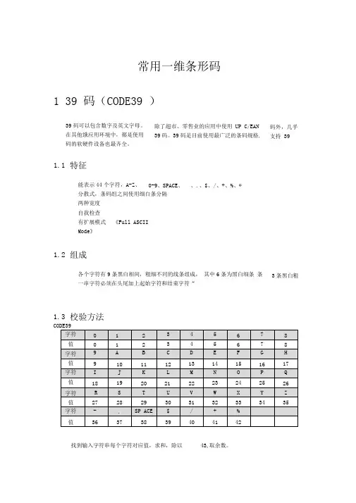
常用一维条形码139码(CODE39)39码可以包含数字及英文字母。
除了超市、零售业的应用中使用UPC/EAN码外,几乎在其他饿应用环境中,都是使用39码。
39码是目前使用最广泛的条码规格,支持39码的软硬件设备也最齐全。
1.1 特征能表示44个字符,A-Z、0-9、SPACE、-、.、$、/、+、%、*分散式,条码组之间使用细白条分隔两种宽度自我检查有扩展模式《Full ASCII Mode》检查码字符可有可无,视需求而定1.2 组成各个字符有9条黑白相间,粗细不同的线条组成,其中6条为黑白细条3条黑白粗条一串字符必须在头尾加上起始字符和结束字符“*”1.3 校验方法CODE39字符0 1 2 3 4 5 6 7 8值0 1 2 3 4 5 6 7 8字符9 A B C D E F G H值9 10 11 12 13 14 15 16 17 字符I J K L M N O P Q值18 19 20 21 22 23 24 25 26 字符R S T U V W X Y Z值27 28 29 30 31 32 33 34 35 字符- . SPACE $ / + %值36 37 38 39 40 41 42找到输入字符串每个字符对应值,求和,除以43,取余数。
1.4 条码说明1.5 编码表P.S.在程序中可以使用“11”表示宽黑条,‘1’表示细黑条,“00”表示宽白条,“0”表示细白条。
那么字符1就可以表示为110100101011。
使用此方法建立一个编码表,每个字符可以长度为12的“01”字符串来表示。
1.6 典型CODE39条码1.7 CODE39的扩展码扩展码表同CODE93。
但是扩展方式不同,39码使用$,/,+.%与其26个大写字母组合,表示ASCII码表中的其他字符。
条空表示方式和校验方式与标准39码相同。
93码中使用的控制码与26个大写字母的组合。
293码(CODE93)2.1 组成字母:A-Z,数字:0-9,符号:SPACE, - , . , $ , / , +, %, 控制码:$ , / , +, %,起始结束码:□每个字由9个模组成,包括3条粗细黑条及3条粗细白条。
常用一维条形码139码(CODE39)39码可以包含数字及英文字母。
除了超市、零售业的应用中使用UPC/EAN码外,几乎在其他饿应用环境中,都是使用39码。
39码是目前使用最广泛的条码规格,支持39码的软硬件设备也最齐全。
1.1 特征◆能表示44个字符,A-Z、0-9、SPACE、-、.、$、/、+、%、*◆分散式,条码组之间使用细白条分隔◆两种宽度◆自我检查◆有扩展模式《Full ASCII Mode》◆检查码字符可有可无,视需求而定1.2 组成◆各个字符有9条黑白相间,粗细不同的线条组成,其中6条为黑白细条3条黑白粗条◆一串字符必须在头尾加上起始字符和结束字符“*”1.3 校验方法找到输入字符串每个字符对应值,求和,除以43,取余数。
1.4 条码说明1.5 编码表P.S.在程序中可以使用“11”表示宽黑条,‘1’表示细黑条,“00”表示宽白条,“0”表示细白条。
那么字符1就可以表示为110100101011。
使用此方法建立一个编码表,每个字符可以长度为12的“01”字符串来表示。
1.6 典型CODE39条码1.7 CODE39的扩展码扩展码表同CODE93。
但是扩展方式不同,39码使用$,/,+.%与其26个大写字母组合,表示ASCII码表中的其他字符。
条空表示方式和校验方式与标准39码相同。
93码中使用的控制码与26个大写字母的组合。
293码(CODE93)2.1 组成◆字母:A-Z,数字:0-9,符号:SPACE, - , . , $ , / , +, %, 控制码:$ , / , +, %,起始结束码:□◆每个字由9个模组成,包括3条粗细黑条及3条粗细白条。
每一黑条或白条有可能为1.2.3.4模组成2.2 特征◆用4个控制码$, %, /, + 组合其他字母或符号,可编程FULL ASCII字母,读码器读到上面4个控制码的组合时候,送出的字尾所对应的ASCII。
◆有2个检验码C和K。
2.3 校验方法◆先查出资料所对应值,对应值的表如下顺序号作为权值,分别乘以对应值,求和,除以47,取余数◆检查码K由C位用1-15顺序排列,若资料差偶偶15位,再从1-15起算,顺序号作为权值,分别乘以对应值,求和,除以47,取余数◆举例:资料C O D E SP 9 3 “C”“K”资料对应值12 24 13 14 38 9 3C 排列顺序7 6 5 4 3 2 1K 排列顺序8 7 6 5 4 3 2 1(1x3) + (2x9) + (3x38) + (4x14) + (5x13) + (6x24) + (7x12) = 484C = 484 ÷47 = 10……14 (余数)则 C = 14 = E (对应值)(1x14) + (2x3) + (3x9) + (4x38) + (5x14) + (6x13) + (7x24) + (8x12)= 611K = 611 ÷47 = 13……0 (余数)則K = 0 = 0 (对应值)2.4 条码说明2.5 编码表P.S.程序编码中,结束符号模块比起始符号多一个“1”;使用控制符组合字母所表示的字符,编码时需要分解成控制符和大写字母两个模块。
常用一维条形码139码(CODE39)39码可以包含数字及英文字母。
除了超市、零售业的应用中使用UPC/EAN码外,几乎在其他饿应用环境中,都是使用39码。
39码是目前使用最广泛的条码规格,支持39码的软硬件设备也最齐全。
1.1特征能表示44个字符,A-Z、0-9、SPACE、-、.、$、/、+、%、*分散式,条码组之间使用细白条分隔两种宽度自我检查有扩展模式《Full ASCII Mode》检查码字符可有可无,视需求而定1.2组成各个字符有9条黑白相间,粗细不同的线条组成,其中6条为黑白细条3条黑白粗条一串字符必须在头尾加上起始字符和结束字符“*”1.3校验方法CODE39字符012345678值012345678找到输入字符串每个字符对应值,求和,除以43,取余数。
1.4条码说明1.5编码表.在程序中可以使用“11”表示宽黑条,‘1’表示细黑条,“00”表示宽白条,“0”表示细白条。
那么字符1就可以表示为。
使用此方法建立一个编码表,每个字符可以长度为12的“01”字符串来表示。
1.6典型CODE39条码1.7CODE39的扩展码扩展码表同CODE93。
但是扩展方式不同,39码使用$,/,+.%与其26个大写字母组合,表示ASCII码表中的其他字符。
条空表示方式和校验方式与标准39码相同。
93码中使用的控制码与26个大写字母的组合。
293码(CODE93)2.1组成字母:A-Z,数字:0-9,符号:SPACE, - , . , $ , / , +, %, 控制码:$ , / , +, %,起始结束码:□每个字由9个模组成,包括3条粗细黑条及3条粗细白条。
每一黑条或白条有可能为1.2.3.4模组成2.2特征用4个控制码 $, %, /, + 组合其他字母或符号,可编程FULL ASCII字母,读码器读到上面4个控制码的组合时候,送出的字尾所对应的ASCII。
有2个检验码C和K。
2.3校验方法先查出资料所对应值,对应值的表如下字符012345678值012345678字符9A B C D E F G H值91011121314151617字符I J K L M N O P Q值181920212223242526字符R S T U V W X Y Z值272829303132333435字符-.SPACE$/+%值36373839404142检查码C由资料的最右边一位用1-20顺序排列,若资料超过20位,在从1-20起算,顺序号作为权值,分别乘以对应值,求和,除以47,取余数检查码K由C位用1-15顺序排列,若资料差偶偶15位,再从1-15起算,顺序号作为权值,分别乘以对应值,求和,除以47,取余数举例:资料C O D E SP 9 3 “C”“K”资料对应值12 24 13 14 38 9 3C 排列顺序7 6 5 4 3 2 1K 排列顺序8 7 6 5 4 3 2 1(1x3) + (2x9) + (3x38) + (4x14) + (5x13) + (6x24) + (7x12) = 484C = 484 ÷ 47 = 10…… 14 (余数)则 C = 14 = E (对应值)(1x14) + (2x3) + (3x9) + (4x38) + (5x14) + (6x13) + (7x24) + (8x12)= 611K = 611 ÷ 47 = 13…… 0 (余数)則 K = 0 = 0 (对应值)2.4条码说明2.5编码表.程序编码中,结束符号模块比起始符号多一个“1”;使用控制符组合字母所表示的字符,编码时需要分解成控制符和大写字母两个模块。
常用一维条形码139码(CODE39)39码可以包含数字及英文字母。
除了超市、零售业的应用中使用UPC/EAN码外,几乎在其他饿应用环境中,都是使用39码。
39码是目前使用最广泛的条码规格,支持39码的软硬件设备也最齐全。
1.1特征◆能表示44个字符,A-Z、0-9、SPACE、-、.、$、/、+、%、*◆分散式,条码组之间使用细白条分隔◆两种宽度◆自我检查◆有扩展模式《Full ASCII Mode》◆检查码字符可有可无,视需求而定1.2组成◆各个字符有9条黑白相间,粗细不同的线条组成,其中6条为黑白细条3条黑白粗条◆一串字符必须在头尾加上起始字符和结束字符“*”1.3校验方法找到输入字符串每个字符对应值,求和,除以43,取余数。
1.4条码说明1.5编码表P.S.在程序中可以使用“11”表示宽黑条,‘1’表示细黑条,“00”表示宽白条,“0”表示细白条。
那么字符1就可以表示为110100101011。
使用此方法建立一个编码表,每个字符可以长度为12的“01”字符串来表示。
1.6典型CODE39条码1.7CODE39的扩展码扩展码表同CODE93。
但是扩展方式不同,39码使用$,/,+.%与其26个大写字母组合,表示ASCII码表中的其他字符。
条空表示方式和校验方式与标准39码相同。
93码中使用的控制码与26个大写字母的组合。
293码(CODE93)2.1组成◆字母:A-Z,数字:0-9,符号:SPACE, - , . , $ , / , +, %, 控制码:$ , / , +, %,起始结束码:□◆每个字由9个模组成,包括3条粗细黑条及3条粗细白条。
每一黑条或白条有可能为1.2.3.4模组成2.2特征◆用4个控制码$, %, /, + 组合其他字母或符号,可编程FULL ASCII字母,读码器读到上面4个控制码的组合时候,送出的字尾所对应的ASCII。
◆有2个检验码C和K。
2.3校验方法◆先查出资料所对应值,对应值的表如下顺序号作为权值,分别乘以对应值,求和,除以47,取余数◆检查码K由C位用1-15顺序排列,若资料差偶偶15位,再从1-15起算,顺序号作为权值,分别乘以对应值,求和,除以47,取余数◆举例:资料C O D E SP 9 3 “C”“K”资料对应值12 24 13 14 38 9 3C 排列顺序7 6 5 4 3 2 1K 排列顺序8 7 6 5 4 3 2 1(1x3) + (2x9) + (3x38) + (4x14) + (5x13) + (6x24) + (7x12) = 484C = 484 ÷47 = 10……14 (余数)则C = 14 = E (对应值)(1x14) + (2x3) + (3x9) + (4x38) + (5x14) + (6x13) + (7x24) + (8x12)= 611K = 611 ÷47 = 13……0 (余数)則K = 0 = 0 (对应值)2.4条码说明2.5编码表P.S.程序编码中,结束符号模块比起始符号多一个“1”;使用控制符组合字母所表示的字符,编码时需要分解成控制符和大写字母两个模块。
常用一维条形码1 39 码(C0DE3)39码可以包含数字及英文字母。
除了超市、零售业的应用中使用UPC/EAN码外,几乎在其他饿应用环境中,都是使用39码。
39码是目前使用最广泛的条码规格,支持39 码的软硬件设备也最齐全。
1.1特征能表示 44 个字符,A-Z、0-9、SPACE -、.、$、/、+、% *分散式,条码组之间使用细白条分隔两种宽度自我检查有扩展模式《Full ASCII Mode》检查码字符可有可无,视需求而定1.2组成各个字符有9条黑白相间,粗细不同的线条组成,其中6条为黑白细条3条黑白粗条串字符必须在头尾加上起始字符和结束字符1.3校验方法CODE391.4条码说明1.5编码表1 =寬黑條/白條0二細黑條/白條P.S.在程序中可以使用"11”表示宽黑条,’1'表示细黑条,"00”表示宽白条,“0”表示细白条。
那么字符 1就可以表示为110100101011。
使用此方法建立一个编码表,每个字符可以长度为12的“01”字符串来表示。
1.6典型CODE39条码*8 1000034*1.7 CODE3啲扩展码扩展码表同CODE93但是扩展方式不同,39码使用$,/,+.%与其26个大写字母组合, 表示ASCII 码表中的其他字符。
条空表示方式和校验方式与标准39码相同。
93码中使用的控制码与 26个大写字母的组合。
2 93 码(CODE93)2.1组成字母:A-Z,数字:0-9,符号:SPACE, - , . , $ , / , +, %, 控制码:$ , / , +, %, 起始结束码:口每个字由9个模组成,包括3条粗细黑条及3条粗细白条。
每一黑条或白条有可能为1.2.3.4 模组成2.2特征用4个控制码$, %, /, + 组合其他字母或符号,可编程 FULL ASCII字母,读码器读至吐面4个控制码的组合时候,送出的字尾所对应的ASCII。
有2个检验码C和K。
常用一维条形码139码(CODE39)39码可以包含数字及英文字母。
除了超市、零售业的应用中使用UPC/EAN码外,几乎在其他饿应用环境中,都是使用39码。
39码是目前使用最广泛的条码规格,支持39码的软硬件设备也最齐全。
1.1特征◆能表示44个字符,A-Z、0-9、SPACE、-、.、$、/、+、%、*◆分散式,条码组之间使用细白条分隔◆两种宽度◆自我检查◆有扩展模式《Full ASCII Mode》◆检查码字符可有可无,视需求而定1.2组成◆各个字符有9条黑白相间,粗细不同的线条组成,其中6条为黑白细条3条黑白粗条◆一串字符必须在头尾加上起始字符和结束字符“*”1.3校验方法找到输入字符串每个字符对应值,求和,除以43,取余数。
1.4条码说明1.5编码表P.S.在程序中可以使用“11”表示宽黑条,‘1’表示细黑条,“00”表示宽白条,“0”表示细白条。
那么字符1就可以表示为1。
使用此方法建立一个编码表,每个字符可以长度为12的“01”字符串来表示。
1.6典型CODE39条码1.7CODE39的扩展码扩展码表同CODE93。
但是扩展方式不同,39码使用$,/,+.%与其26个大写字母组合,表示ASCII码表中的其他字符。
条空表示方式和校验方式与标准39码相同。
93码中使用的控制码与26个大写字母的组合。
293码(CODE93)2.1组成◆字母:A-Z,数字:0-9,符号:SPACE, - , . , $ , / , +, %, 控制码:$ , / , +, %,起始结束码:□◆每个字由9个模组成,包括3条粗细黑条及3条粗细白条。
每一黑条或白条有可能为1.2.3.4模组成2.2特征◆用4个控制码 $, %, /, + 组合其他字母或符号,可编程FULL ASCII字母,读码器读到上面4个控制码的组合时候,送出的字尾所对应的ASCII。
◆有2个检验码C和K。
2.3校验方法◆先查出资料所对应值,对应值的表如下顺序号作为权值,分别乘以对应值,求和,除以47,取余数◆检查码K由C位用1-15顺序排列,若资料差偶偶15位,再从1-15起算,顺序号作为权值,分别乘以对应值,求和,除以47,取余数◆举例:资料C O D E SP 9 3 “C”“K”资料对应值12 24 13 14 38 9 3C 排列顺序7 6 5 4 3 2 1K 排列顺序8 7 6 5 4 3 2 1(1x3) + (2x9) + (3x38) + (4x14) + (5x13) + (6x24) + (7x12) = 484C = 484 ÷ 47 = 10…… 14 (余数)则 C = 14 = E (对应值)(1x14) + (2x3) + (3x9) + (4x38) + (5x14) + (6x13) + (7x24) + (8x12)= 611K = 611 ÷ 47 = 13…… 0 (余数)則 K = 0 = 0 (对应值)2.4条码说明2.5编码表P.S.程序编码中,结束符号模块比起始符号多一个“1”;使用控制符组合字母所表示的字符,编码时需要分解成控制符和大写字母两个模块。
找到输入字符串每个字符对应值,求和,除以 43,取余数。
常用一维条形码1 39 码(CODE39 )39码可以包含数字及英文字母。
在其他饿应用环境中,都是使用 码的软硬件设备也最齐全。
除了超市、零售业的应用中使用 UP C/EAN39码。
39码是目前使用最广泛的条码规格, 码外,几乎支持 391.1 特征能表示44个字符,A-Z 、 分散式,条码组之间使用细白条分隔 两种宽度 自我检查有扩展模式 《Full ASCIIMode 》0-9、SPACE 、 、.、$、/、+、%、* 1.2 组成各个字符有9条黑白相间,粗细不同的线条组成, 其中6条为黑白细条 条 一串字符必须在头尾加上起始字符和结束字符“3条黑白粗1.3 校验方法1.4条码说明Siop Quit Quit StartZone Clm~ir\f1.5编码表0二維黒條/白條1 -寬黑條/白條P .S.在程序中可以使用"11”表示宽黑条,’1'表示细黑条,"00”表示宽白条,“0”表示细白条。
那么字符1就可以表示为110100101011。
使用此方法建立一个编码表,每个字符可以长度为12的“01”字符串来表示。
1.6典型CODE39条码1.7 CODE39的扩展码扩展码表同CODE93。
但是扩展方式不同,39码使用$,/,+.%与其26个大写字母组合, 表示ASCII 码表中的其他字符。
条空表示方式和校验方式与标准39码相同。
93码中使用的控制码与 26个大写字母的组合。
2 93 码(CODE93)2.1组成字母:A-Z ,数字:0-9,符号:SPACE, - , . , $ , / , +, %,控制码:$ , / , +, %,起始结束码:□每个字由9个模组成,包括3条粗细黑条及 3条粗细白条。
每一黑条或白条有可能为 1.2.3.4模组成2.2特征用4个控制码$, %, /, +组合其他字母或符号,可编程 FULL ASCII 字母,读码器读到 上面4个控制码的组合时候,送出的字尾所对应的 有2个检验码C 和K 。
常用一维条形码139码(CODE39)39码可以包含数字及英文字母。
除了超市、零售业的应用中使用UPC/EAN码外,几乎在其他饿应用环境中,都是使用39码。
39码是目前使用最广泛的条码规格,支持39码的软硬件设备也最齐全。
1.1 特征◆能表示44个字符,A-Z、0-9、SPACE、-、.、$、/、+、%、*◆分散式,条码组之间使用细白条分隔◆两种宽度◆自我检查◆有扩展模式《Full ASCII Mode》◆检查码字符可有可无,视需求而定1.2 组成◆各个字符有9条黑白相间,粗细不同的线条组成,其中6条为黑白细条3条黑白粗条◆一串字符必须在头尾加上起始字符和结束字符“*”1.3 校验方法找到输入字符串每个字符对应值,求和,除以43,取余数。
1.4 条码说明1.5 编码表P.S.在程序中可以使用“11”表示宽黑条,‘1’表示细黑条,“00”表示宽白条,“0”表示细白条。
那么字符1就可以表示为110100101011。
使用此方法建立一个编码表,每个字符可以长度为12的“01”字符串来表示。
1.6 典型CODE39条码1.7 CODE39的扩展码扩展码表同CODE93。
但是扩展方式不同,39码使用$,/,+.%与其26个大写字母组合,表示ASCII码表中的其他字符。
条空表示方式和校验方式与标准39码相同。
93码中使用的控制码与26个大写字母的组合。
293码(CODE93)2.1 组成◆字母:A-Z,数字:0-9,符号:SPACE, - , . , $ , / , +, %, 控制码:$ , / , +, %,起始结束码:□◆每个字由9个模组成,包括3条粗细黑条及3条粗细白条。
每一黑条或白条有可能为1.2.3.4模组成2.2 特征◆用4个控制码$, %, /, + 组合其他字母或符号,可编程FULL ASCII字母,读码器读到上面4个控制码的组合时候,送出的字尾所对应的ASCII。
◆有2个检验码C和K。
2.3 校验方法◆先查出资料所对应值,对应值的表如下顺序号作为权值,分别乘以对应值,求和,除以47,取余数◆检查码K由C位用1-15顺序排列,若资料差偶偶15位,再从1-15起算,顺序号作为权值,分别乘以对应值,求和,除以47,取余数◆举例:资料C O D E SP 9 3 “C”“K”资料对应值12 24 13 14 38 9 3C 排列顺序7 6 5 4 3 2 1K 排列顺序8 7 6 5 4 3 2 1(1x3) + (2x9) + (3x38) + (4x14) + (5x13) + (6x24) + (7x12) = 484C = 484 ÷47 = 10……14 (余数)则 C = 14 = E (对应值)(1x14) + (2x3) + (3x9) + (4x38) + (5x14) + (6x13) + (7x24) + (8x12)= 611K = 611 ÷47 = 13……0 (余数)則K = 0 = 0 (对应值)2.4 条码说明2.5 编码表P.S.程序编码中,结束符号模块比起始符号多一个“1”;使用控制符组合字母所表示的字符,编码时需要分解成控制符和大写字母两个模块。
常用一维条形码编码规则汇总常用一维条形码139 码(CODE39 )39 码可以包含数字及英文字母。
除了超市、零售业的应用中使用UPC/EAN 码外,几乎在其他饿应用环境中,都是使用39 码。
39 码是目前使用最广泛的条码规格,支持39 码的软硬件设备也最齐全。
1.1 特征能表示44 个字符,A-Z、0-9、SPACE、-、.、$、/、+、% 、*分散式,条码组之间使用细白条分隔两种宽度自我检查有扩展模式《Full ASCII Mode 》检查码字符可有可无,视需求而定1.2 组成各个字符有9 条黑白相间,粗细不同的线条组成,其中6 条为黑白细条3 条黑白粗条一串字符必须在头尾加上起始字符和结束字符“ * ”1.3校验方法CODE39找到输入字符串每个字符对应值,求和,除以43,取余数。
1.4条码说明1.5编码表1 =寬黑條/白條0二細黑條/白條P.S.在程序中可以使用“11”表示宽黑条,‘ 1'表示细黑条,“00”表示宽白条,“0”表示细白条。
那么字符1就可以表示为110100101011使用此方法建立一个编码表,每个字符可以长度为12的“01”字符串来表示。
1.6典型CODE39条码IIIIIIIIIIIIIIII+ S 1000034 +1.7 CODE39的扩展码扩展码表同CODE93。
但是扩展方式不同,39 码使用$,/,+.%与其26个大写字母组合,表示ASCII码表中的其他字符。
条空表示方式和校验方式与标准39码相同。
93码中使用的控制码与26个大写字母的组293 码(CODE93)2.1组成字母:A-Z,数字:0-9,符号:SPACE, - , . ,$ , / , +, %,控制码:$ , / , +, %,起始结束码:口每个字由9个模组成,包括3条粗细黑条及3 条粗细白条。
每一黑条或白条有可能为1.2.3.4 模组成2.2特征用4个控制码$, %, /, +组合其他字母或符号,可编程FULL ASCII字母,读码器读到上面4个控制码的组合时候,送出的字尾所对应的ASCII。
常用一维条形码编码规则一维条形码是一种广泛应用于商业领域的编码系统,用于对产品、物品和文件等进行唯一标识。
常用的一维条形码编码规则有Code 39、Code 128、EAN-13和UPC-A等。
下面将详细介绍这些常用一维条形码编码规则。
1. Code 39Code 39是一种最常用的一维条形码编码规则,由数字0-9、大写字母A-Z和特殊字符组成。
每个字符由一定数量的线条和空白组成,其中一个特殊字符"*"用于起始和结束标记。
Code 39广泛应用于库存管理、快递追踪、图书馆管理等领域。
2. Code 128Code 128是一种高密度编码规则,可以编码所有ASCII字符集中的字符,包括字母、数字、标点符号和控制字符等。
Code 128使用三种不同类型的字符集,其中一种是特殊字符集,用于编码特殊字符。
Code 128广泛用于零售行业、物流管理和制造业等领域。
3.EAN-134.UPC-A5.ITF-14ITF-14是用于外包装的一维条形码编码规则,由14位数字组成,用于唯一标识外包装。
ITF-14常用于物流管理,用于跟踪和管理产品的流转。
6. CodabarCodabar是一种低密度编码规则,由数字0-9、大写字母A-D和特殊字符组成。
Codabar通常用于图书馆管理、快递追踪和移动设备应用。
除了以上常用的一维条形码编码规则,还有许多其他规则在特定领域有应用,例如Code 93、MSI和PostNet等。
这些编码规则的选择取决于具体应用的需求,包括编码长度、字符集和应用领域等。
常用一维条形码139码(CODE39)39码可以包含数字及英文字母。
除了超市、零售业的应用中使用UPC/EAN码外,几乎在其他饿应用环境中,都是使用39码。
39码是目前使用最广泛的条码规格,支持39码的软硬件设备也最齐全。
1.1 特征◆能表示44个字符,A-Z、0-9、SPACE、-、.、$、/、+、%、*◆分散式,条码组之间使用细白条分隔◆两种宽度◆自我检查◆有扩展模式《Full ASCII Mode》◆检查码字符可有可无,视需求而定1.2 组成◆各个字符有9条黑白相间,粗细不同的线条组成,其中6条为黑白细条3条黑白粗条◆一串字符必须在头尾加上起始字符和结束字符“*”1.3 校验方法找到输入字符串每个字符对应值,求和,除以43,取余数。
1.4 条码说明1.5 编码表P.S.在程序中可以使用“11”表示宽黑条,‘1’表示细黑条,“00”表示宽白条,“0”表示细白条。
那么字符1就可以表示为110100101011。
使用此方法建立一个编码表,每个字符可以长度为12的“01”字符串来表示。
1.6 典型CODE39条码1.7 CODE39的扩展码扩展码表同CODE93。
但是扩展方式不同,39码使用$,/,+.%与其26个大写字母组合,表示ASCII码表中的其他字符。
条空表示方式和校验方式与标准39码相同。
93码中使用的控制码与26个大写字母的组合。
293码(CODE93)2.1 组成◆字母:A-Z,数字:0-9,符号:SPACE, - , . , $ , / , +, %, 控制码:$ , / , +, %,起始结束码:□◆每个字由9个模组成,包括3条粗细黑条及3条粗细白条。
每一黑条或白条有可能为1.2.3.4模组成2.2 特征◆用4个控制码$, %, /, + 组合其他字母或符号,可编程FULL ASCII字母,读码器读到上面4个控制码的组合时候,送出的字尾所对应的ASCII。
◆有2个检验码C和K。
2.3 校验方法◆先查出资料所对应值,对应值的表如下顺序号作为权值,分别乘以对应值,求和,除以47,取余数◆检查码K由C位用1-15顺序排列,若资料差偶偶15位,再从1-15起算,顺序号作为权值,分别乘以对应值,求和,除以47,取余数◆举例:资料C O D E SP 9 3 “C”“K”资料对应值12 24 13 14 38 9 3C 排列顺序7 6 5 4 3 2 1K 排列顺序8 7 6 5 4 3 2 1(1x3) + (2x9) + (3x38) + (4x14) + (5x13) + (6x24) + (7x12) = 484C = 484 ÷47 = 10……14 (余数)则 C = 14 = E (对应值)(1x14) + (2x3) + (3x9) + (4x38) + (5x14) + (6x13) + (7x24) + (8x12)= 611K = 611 ÷47 = 13……0 (余数)則K = 0 = 0 (对应值)2.4 条码说明2.5 编码表P.S.程序编码中,结束符号模块比起始符号多一个“1”;使用控制符组合字母所表示的字符,编码时需要分解成控制符和大写字母两个模块。
比如字符NUL可分解成控制符%和U,条空为“111011010 和1100101102.6 典型CODE93条码3128码(CODE128)3.1 特征◆能表示106种字元◆3个字符集◆连续式◆四种宽度◆三种字符集可串联使用◆使用检查码3.2 组成◆提供128个ASCII的所有字符◆有A、B、C三种不同模组◆C组数字专用模组,可从00-99编码,缩短编码长度◆A、B、C三种模组依资料结构,可混合编码◆每个字由3条粗细黑条及3条粗细白条组成,但每个模组都是12各个单元宽度◆三组模组起始码不同,但结束码相同。
3.3 校验方法◆首先为字符串标志条码(码字)◆从起始符开始,自左向右为每个条码字符编号◆为每一个字符分配权数,起始符和第一个字符的权数位1,以后依次增加◆每个字符的权数与码值相乘◆所有乘积求和◆第5步的结果除以103求余数◆码值等于余数的字符即为校验符;3.4 编码表P.S.程序中可用“1“表示一个单元宽度的黑条,“0”表示一个单元宽度的白条。
则上图中的Value=0的条空可表示为110110011000。
终止符有13个模块宽度。
条空表示为1100011101011,末尾多两个“11”;3.5 典型CODE128码3.6 条码说明◆例如,某128码的值为ROC12345,则其逻辑和条码如下◆某一个128码的值为5418781,则其逻辑及条码如下4EAN-128EAN-128码,现称GS1-128码,是专用于GS1系统中的条码,可以标注商品的附加信息,在山品信息的标志、茶品的跟踪与追溯中有广泛的用途。
EAN-128码来自于CODE-128码,在字符集、条空规则上与CODE-128完全一致。
4.1 组成◆EAN-128码组成同CODE-128◆应用标识符使用分隔符码字FNC1表示4.2 特征同CODE-128;4.3 条码说明◆如果字符串起始的字符是超过4个的数字字符时,应该采用START C。
数据中间如果有4个或4个以上连续的数字也要变换为字符集C。
◆如果数据中的应用标识符使用的是预定义程度的AI,则可以省去数据后的分隔符。
◆例子例1(01)16903128100250(13)091020(15)100420 用条码可以表示为|START C|FNC1|01|16|90|31|28|10|02|50|13|09|10|20|15|10|04|20|校验码|STOP|例2(02)16903128100250(37)100(10)091000S|START C|FNC1|02|16|90|31|28|10|02|50|37|10|CODE B| 0 |CODE C|FNC1|10|09|10|00|CODE B|S|校验符|STOP|5标准 2 of 5 (INDUSTRY 2 OF 5 STANDARD)5.1 组成:◆由5条黑条组成,其中有3条细黑条,2条宽黑条◆黑条与黑条之间及字与字之间偶用一白条分隔,所以白细条不表示资料◆起始及结束码不同◆数字0~95.2 特征◆一串资料可以改变程度,但只有数字可编◆粗细比例1: 3,允许误差±25%◆分散式◆无验证码5.3 编码表P.S. 程序中:“1”表示1个黑条宽度单元,因为粗细比是1:3,显然粗黑条表示为“111”,又因为每两个黑条使用细白条分隔,所以上表中数字1可以表示为:“1110101010111”6交错式25码(INTERLEA VED25)6.1 组成◆由5条粗细黑条组成,其中3条细黑条,2条宽黑条◆由5条粗细白条组成,其中3条西白条,2条宽白条◆黑条置于奇数位,白条置于偶数位,故又称交错式2OF5◆起始码和结束码不同◆只能表示0~9◆必须偶数位配对6.2 特性◆资料程度一定是偶数◆只能表示数字0~9◆连续式◆不一定使用检验码◆粗细比1:2或1:3,误差10%◆粗细印刷比例若误差太大,可能解错码6.3 校验方法交叉25码的校验位计算方法依然是Mod 10 :1.字符个数为偶数时为:10的倍数-[(奇数位的数字之和<从左至右)+(偶数位数字之和)*3个位数]2.字符个数为奇数时为:10的倍数-[(偶数位的数字之和<从左至右)+(奇数位数字之和)*3个位数]如:514362的校验位为10*X-[(5+4+6)+3*(1+3+2)]=7(因加校验位后个数为奇数,故前面加0后为05143627。
76534的校验位为10*X-[(6+3)+3*(7+5+4)]=36.4 条码说明6.5 编码表P.S.程序中,可以’N’表示窄条,’W’表示宽条,因为黑条白条的相对位置固定,所以上表其实是一个pattern表。
比如字母1表示为W N N N W。
虽然粗细比允许1:3,考虑到解错码的可能性,建议粗条使用2个单位宽度。
因为交错式25码必须是成对的数字,所以可以把相邻两个数字作为一个模块。
比如条码1234,可以分组为12 | 34; 取“12”为例,1在奇数位置,为黑条,对应pattern为WNNNW,2在偶数位置,为白条,对应pattern为NWNNW,那么12合起来作为一个模块,混合pattern 为WNNWNNNNWW,这个pattern里,奇数位的W表示粗黑条,奇数位的N表示细黑条,偶数位的W表示粗白条,偶数位的N表示细白条,因此12的条空表示为:110100101011006.6 典型交错式25码7CODABAR码7.1 组成◆由7条黑白相间、粗细不同的黑白条组成,其中包括4条黑条,3条白条◆字与字之间为一细白条◆4个起始和结束码,可互相配对,但一般都用相同。
◆数字:0~9,特别符号:-、$、=、/、.、+,起始/结束码:A、B、C、D7.2 特征◆四种不同的起始/结束码◆分散式◆18种宽度◆不使用检查码◆起始/结束码可以用来传递信息7.3 校验方法对应值之和,MOD16步骤一.假设条形码数据码为A37859B步骤二.将各别字元相对值加总16+3+7+8+5+9+17=65步骤三.用为基数来除以相对值加总65/16=4 (1)步骤四.再以减掉余数,以求出相对值16-1=157.4 编码表S1-S4:黑条L1-L3:白条0:窄,1:宽7.5 典型CODABAR码8UPC-A(和EAN-8)UPC-A与EAN-8的编码方式相同,资料长度不同8.1 特性◆资料长度固定-12位◆只能用来表示数字0~9◆固定使用一位检查码◆连续式◆使用四种宽度8.2 组成◆每一个字由7个ELEMENTS组成◆有4中粗细黑白条混合编码◆左护线101,中心弧线吗01010,右护线码1018.3 校验方法X.3+Y=Z ,10-Z=检查号码X 为奇数位之和,Y 为偶数位之总和Z 为奇数+ 偶数之总和的个位数8.4 条码说明8.5 编码表8.6 典型UPC-A和EAN-8码9EAN-139.1 特性◆资料长度固定,13为◆只能用来表示数字资源◆固定使用一位检查码◆连续式◆使用四种宽度◆左护线码101,中心护线码01010,右护线码1019.2 校验方法X+Y•3=Z 10-Z=檢查號碼X 为奇数位之和,Y 为偶数位之总和Z 为奇数+ 偶数之总和的个位数9.3 编码表◆EAN-13的右半部编码如下表DECIMAL RIGHT(C)0 11100101 11001102 11011003 10000104 10111005 10011106 10100007 10001008 10010009 1110100◆EAN-13的左半部编码步骤如下:1.先查出EAN13最前面的国码数字2.根据国码数字查下表,O代表ODD PARITY, E 代表EVEN PARITYPARITY PA TTERN1 00E0EE2 00EE0E3 00EEE04 0E00EE5 0EE00E6 0EEE007 0E0E0E8 0E0EE09 0EE0E03.上表的PARITY PA TTERN也代表EAN左半部6为数中每位PARITY PA TTERN4.依照PARITY PA TTERN对照下表壳得出左边的编码10UPC-E10.1 特性◆资料长度固定,6位◆只能用来表示数字◆使用一位检查码◆连续式◆使用四种宽度◆每个UPC-E码都有一个相对应的UPC-A吗存在◆左护线码为101,有护线码为01010110.2 编码步骤◆1依下表把断码先变成原来的长码(UPC-A)2由UPC-A算出检查码之值3依检查码之值对照下表取得PA TTERN4依据上表的数字再对照下表即可得UPC-E的编码。