特种设备制造许可证号码汇总
- 格式:xls
- 大小:26.50 KB
- 文档页数:4
关于公布《特种设备目录》的通知国家质量监督检验检疫总局文件关于公布《特种设备目录》的通知国质检锅[2004]31号关于公布《特种设备目录》的通知各省、自治区、直辖市质量技术监督局,各有关部门:根据《特种设备安全监察条例》的规定,经国务院批准,国家质检总局制定了《特种设备目录》,现予以公布。
在执行中发现问题,请及时报告国家质检总局。
附件:特种设备目录二OO四年一月十九日附件:特种设备目录代码种类类别品种1000 锅炉1100 承压蒸汽锅炉1110 电站锅炉1120 工业锅炉1130 生活锅炉1200 承压热水锅炉1300 有机热载体锅炉1310 有机热载体气相炉1320 有机热载体液相炉B100 锅炉部件B210 封头B110 锅筒B120 集箱B130 锅炉过热器B140 锅炉再热器B150 锅炉省煤器B160 锅炉膜式水冷壁C100 锅炉材料C110 锅炉用钢板C120 锅炉用钢管C130 特种设备用焊接材料2000 压力容器2100 固定式压力容器2110 超高压容器2120 高压容器2130 第三类中压容器2140 第三类低压容器2150 第二类中压容器2160 第二类低压容器2170 第一类压力容器2200 移动式压力容器2210 铁路罐车2220 汽车罐车2230 长管拖车2240 罐式集装箱2300 气瓶2310 无缝气瓶2320 焊接气瓶2330 液化石油气钢瓶2340 溶解乙炔气瓶2350 车用气瓶2360 低温绝热气瓶2370 缠绕气瓶2380 非重复充装气瓶23T0 特种气瓶2400 氧舱2410 医用氧舱2420 高气压舱2430 再压舱2440 高海拔试验舱2450 潜水钟B200 压力容器部件B210 封头C200 压力容器材料C210 压力容器用钢板C230 气瓶用钢板C240 气瓶用钢管8000 压力管道8100 长输(油气)管道8110 输油管道8120 输气管道8200 公用管道8210 燃气管道8220 热力管道8300 工业管道8310 工艺管道8320 动力管道8330 制冷管道7000 压力管道元件7100 压力管道管子7110 无缝钢管7120 焊接钢管7130 有色金属管7140 铸铁管71F0 非金属材料管7200 压力管道管件7210 无缝管件7220 有缝管件7230 锻制管件7240 铸造管件7250 汇管7260 过滤器72F0 非金属材料管件7300 阀门7310 安全阀7320 调压阀7330 调节阀7340 闸阀7350 球阀7360 蝶阀7370 截止阀7380 止回阀7390 疏水阀73A0 隔膜阀73F0 非金属材料阀门73T0 特种阀门7400 法兰7410 钢制法兰74F0 非金属材料法兰7500 补偿器7510 金属波纹膨胀节75T0 特种型式金属膨胀节75F0 非金属材料膨胀节7520 金属波纹管7600 压力管道支承件7610 支架7620 吊架7700 压力管道密封元件7710 金属密封元件77F0 非金属密封元件7720 紧固件7T00 压力管道特种元件7T10 防腐管道元件7T20 阻火器7TZ0 元件组合装置C800 压力管道材料C810 压力管道用钢板3000 电梯3100 乘客电梯3110 曳引式客梯3120 强制式客梯3130 无机房客梯3140 消防电梯3150 观光电梯3160 防爆客梯3170 病床电梯3200 载货电梯3210 曳引式货梯3220 强制式货梯3230 无机房货梯3240 汽车电梯3250 防爆货梯3300 液压电梯3310 液压客梯3320 防爆液压客梯3330 液压货梯3340 防爆液压货梯3400 杂物电梯3500 自动扶梯3600 自动人行道B300 电梯部件B310 绳头组合B320 电梯导轨B330 电梯耐火层门B340 电梯玻璃门B350 电梯玻璃轿壁B360 电梯液压泵站B370 杂物电梯驱动主机B380 自动扶梯梯级B390 自动人行道踏板B3A0 梯级踏板链B3B0 自动扶梯自动人行道驱动主机B3CO 自动扶梯自动人行道滚轮B3DO 自动扶梯自动人行道扶手带B3EO 自动扶梯自动人行道控制屏4000 起重机械4100 桥式起重机4110 通用桥式起重机4120 电站桥式起重机4130 防爆桥式起重机4140 绝缘桥式起重机4150 冶金桥式起重机4160 架桥机4170 电动单梁起重机4180 电动单梁悬挂起重机4190 电动葫芦桥式起重机41A0 防爆梁式起重机4200 门式起重机4210 通用门式起重机4220 水电站门式起重机4230 轨道式集装箱门式起重机4240 万能杠件拼装式龙门起重机4250 岸边集装箱起重机4260 造船门式起重机4270 电动葫芦门式起重机4280 装卸桥4300 塔式起重机4310 普通塔式起重机4320 电站塔式起重机4330 塔式皮带布料机4400 流动式起重机4410 轮胎起重机4420 履带起重机4430 全路面起重机4440 集装箱正面吊运起重机4450 集装箱侧面吊运起重机4460 集装箱跨运车4470 轮胎式集装箱门式起重机4480 汽车起重机4490 随车起重机4600 铁路起重机4610 蒸汽铁路起重机4620 内燃铁路起重机4630 电力铁路起重机4700 门座起重机4710 港口门座起重机4720 船厂门座起重机4730 带斗门座式起重机4740 电站门座起重机4750 港口台架起重机4760 固定式起重机4770 液压折臂起重机4800 升降机4810 曲线施工升降机4820 锅炉炉膛检修平台4830 钢索式液压提升装置4840 电站提滑模装置4850 升船机4860 施工升降机4870 简易升降机4880 升降作业平台4890 高空作业车4900 缆索起重机4910 固定式缆索起重机4920 摇摆式缆索起重机4930 平移式缆索起重机4940 辐射式缆索起重机4A00 桅杆起重机4A10 固定式桅杆起重机4A20 移动式桅杆起重机4B00 旋臂式起重机4B10 柱式旋臂式起重机4B20 壁式旋臂式起重机4B30 平衡悬臂式起重机4C00 轻小型起重设备4C10 输变电施工用抱杆4C20 电站牵张设备4C30 内燃平衡重式叉车4C40 蓄电池平衡重式叉车4C50 内燃侧面叉车4C60 插腿式叉车4C70 前移式叉车4C80 三向堆垛叉车4C90 托盘堆垛车4CA0 防爆叉车4CB0 钢丝绳电动葫芦4CC0 防爆钢丝绳电动葫芦4CD0 环链电动葫芦4CE0 气动葫芦4CF0 防爆气动葫芦4CG0 带式电动葫芦4D00 机械式停车设备4D10 升降横移类机械式停车设备4D20 垂直循环类机械式停车设备4D30 多层循环类机械式停车设备4D40 平面移动类机械式停车设备4D50 巷道堆垛类机械式停车设备4D60 水平循环类机械式停车设备4D70 垂直升降类机械式停车设备4D80 简易升降类机械式停车设备4D90 汽车专用升降机类停车设备9000 客运索道9100 客运架空索道9110 往复式客运架空索道9120 循环式客运架空索道9200 客运缆车9210 往复式客运缆车9220 循环式客运缆车9300 客运拖牵索道9310 低位客运拖牵索道9320 高位客运拖牵索道B900 客运索道部件B100 客运索道驱动迂回装置B200 客运索道抱索器B210 客运索道运载工具B220 客运索道托压索轮组6000 大型游乐设施6100 观览车类6110 观览车系列6120 飞毯系列6130 太空船系列6140 摩天环车6150 海盗船系列6160 组合式观览车系列6200 滑行车类6210 单车滑行车系列6220 多车滑行车系列6230 滑道系列6240 激流勇进6250 弯月飞车系列6260 组合式滑行车系列6300 架空游览车类6310 电力单轨列车系列6320 电力双轨列车系列6330 组合式架空游览车系统6340 脚踏车系列6400 陀螺类6410 陀螺系列6420 组合式陀螺系列6500 飞行塔类6510 旋转飞椅系列6520 青蛙跳系列6530 探空飞梭系列6540 观览塔系列6550 组合式飞行塔系列6600 转马类6610 转马系列6620 荷花杯系列6630 滚摆舱系列6640 爱情快车系列6650 组合式转马系列6700 自控飞机类6710 自控飞机系列6720 章鱼系列6730 组合式自控飞机系列6800 赛车类6810 场地赛车系列6820 越野赛车系列6830 组合式赛车系列6900 小火车类6910 内燃机驱动小火车6920 电力驱动小火车6A00 碰碰车类6A10 碰碰车系列6B00 电池车类6B10 电池车系列6C00 观光车类6C10 内燃观光车系列6C20 蓄电池观光车系列6D00 水上游乐设施6D10 峡谷漂流系列6D20 水滑梯系列6D30 造浪机系列6D40 碰碰船系列6D50 水上自行车系列6D60 组合式水上游乐设施6E00 无动力游乐设施6E10 高空蹦极系列6E20 弹射蹦极系列6E30 小蹦极系列6E40 滑索系列6E50 空中飞人系列6E60 系留式观光气球系列6E70 组合式无动力游乐设施B600 游乐设施部件B610 蹦极绳F000 安全附件及安全保护装置7310 安全阀F110 水位表F120 水位控制报警装置F130 压力控制报警装置F140 温度控制报警装置F150 燃烧连锁保护装置F210 液位计F220 爆破片F230 紧急切断阀F240 过流保护装置F250 快开门连锁保护装置F260 气瓶瓶阀F270 气瓶减压阀F280 液位限制阀F2A0 氧舱测氧仪F710 超压限制装置F720 测压调压装置F730 检漏装置F740 阴极保护装置F310 限速器F320 安全钳F330 缓冲器F340 电梯门锁装置F350 电梯轿厢上行超速保护装置F360 含有电子元件的电梯安全电路F370 电梯限速切断阀F380 电梯控制柜F390 曳引机F410 起重机械起重量限制器F420 起重机械起重力矩限制器F430 起重机械起升高度限制器F440 起重机械防坠安全器F450 起重机械制动器F610 游乐设施安全压杆注:本目录所列的特种设备的参数范围按照《特种设备安全监察条例》第八十八条的规定。
特种设备代码-全说明:人员技术职称的级别代码。
表示:C1编码方法:采用顺序码,用1位数字表示。
表1 技术职称级别代码表代码名称说明1高级指高级工程师,正、副教授,正、副研究员,高级统计师,高级会计师,高级经济师,以及相当于这一级的具有其他技术职称的人员。
2中级指工程师,讲师,助理研究员,技师,统计师,会计师,经济师,以及相当于这一级的具有其他技术职称的人员。
3初级指助理工程师,助理统计师,助理会计师,助理经济师,以及相当于这一级的具有其他技术职称的人员。
9未评定新分配工作和其他原因未评定技术职称的人员。
1.1 C601 特种设备种类代码特种设备种类代码说明:国家安全监察机构对特种设备分类的大类代码。
表示:C1编码方法:采用顺序码,用1位数字或大写字母表示。
表2 特种设备种类代码代码名称说明1锅炉2压力容器3电梯4起重机械5厂(场)内机动车辆6大型游乐设施7压力管道元件8压力管道9客运索道B部件C材料F安全附件及安全保护装置1.2 C602 特种设备分类代码特种设备分类代码说明:国家安全监察机构对特种设备的分类代码。
表示:C4编码方法:采用层次码。
代码共分4层,每层均用1位数字或大写字母表示。
第1层:特种设备种类代码,第2层:特种设备类别代码,第3层:特种设备品种代码,第4层:特种设备级别代码。
注: 根据需要,可以只使用前1位、前2位或前3位代码。
表3 特种设备分类代码表代码名称说明1000锅炉1100 承压蒸汽锅炉1110 电站锅炉1120 工业锅炉1130 生活锅炉1200 承压热水锅炉1300 有机热载体锅炉1310 有机热载体气相炉1320 有机热载体液相炉2000压力容器2100 固定式压力容器2110 超高压容器2120 高压容器2130 第三类中压容器2140 第三类低压容器2150 第二类中压容器2160 第二类低压容器2170 第一类压力容器2200 移动式压力容器2210 铁路罐车2220 汽车罐车2230 长管拖车2240 罐式集装箱2300 气瓶2310 无缝气瓶2320 焊接气瓶2330 液化石油气钢瓶2340 溶解乙炔气瓶2350 车用气瓶2360 低温绝热气瓶2370 缠绕气瓶2380 非重复充装气瓶23T0 特种气瓶2400 氧舱2410 医用氧舱2420 高气压舱2430 再压舱2440 高海拔试验舱2450 潜水钟3000电梯3100 乘客电梯3110 曳引式客梯3120 强制式客梯3130 无机房客梯3140 消防电梯3150 观光电装箱门式起重机4240 万能杠件拼装式龙门起重机4250 岸边集装箱起重机4260 造船门式起重机4270 电动葫芦门式起重机4280 装卸桥4300 塔式起重机4310 普通塔式起重机4320 电站塔式起重机4330 塔式皮带布料机4400 流动式起重机4410 轮胎起重机4420 履带起重机4430 全路面起重机4440 集装箱正面吊运起重机4450 集装箱侧面吊运起重机4460 集装箱跨运车4470 轮胎式集装箱门式起重机4480 汽车起重机4490 随车起重机4600 铁路起重机4610 蒸汽铁路起重机4620 内燃铁路起重机4630 电力铁路起重机4700 门座起重机4710 港口门座起重机4720 船厂门座起重机4730 带斗门座式起重机4740 电站门座起重机4750 港口台架起重机4760 固定式起重机4770 液压折臂起重机4800 升降机4810 曲线施工升降机4820 锅炉炉膛检修平台4830 钢索式液压提升装置4840 电站提滑模装置4850 升船机4860 施工升降机4870 简易升降机4880 升降作业平台4890 高空作业车4900 缆索起重机4910 固定式缆索起重机4920 摇摆式缆索起重机4930 平移式缆索起重机4940 辐射式缆索起重机4A00 桅杆起重机4A10 固定式桅杆起重机4A20 移动式桅杆起重机4B00 旋臂式起重机4B10 柱式旋臂式起重机4B20 壁式旋臂式起重机4B30 平衡悬臂式起重机4C00 轻小型起重设备4C10 输变电施工用抱杆4C20 电站牵张设备4C30 内燃平衡重式叉车4C40 蓄电池平衡重式叉车4C50 内燃侧面叉车4C60 插腿式叉车4C70 前移式叉车4C80 三向堆垛叉车4C90 托盘堆垛车4CA0 防爆叉车4CB0 钢丝绳电动葫芦4CC0 防爆丝绳电动葫芦4CD0 环链电动葫芦4CE0 气动葫芦4CF0 防爆气动葫架空游览车类6310 电力单轨列车系列6320 电力双轨列车系列6330 组合式架空游览车系统6340 脚踏车系列6400 陀螺类6410 陀螺系列6420 组合式陀螺系列6500 飞行塔类6510 旋转飞椅系列6520 青蛙跳系列6530 探空飞梭系列6540 观览塔系列6550 组合式飞行塔系列6600 转马类6610 转马系列6620 荷花杯系列6630 滚摆舱系列6640 爱情快车系列6650 组合式转马系列6700 自控飞机类6710 自控飞机系列6720 章鱼系列6730 组合式自控飞机系列6800 赛车类6810 场地赛车系列6820 越野赛车系列6830 组合式赛车系列6900 小火车类6910 内燃机驱动小火车6920 电力驱动小火车6A00 碰碰车类6A10 碰碰车系列6B00 电池车类6B10 电池车系列6C00 观光车类6C10 内燃观光车系列6C20 蓄池观光车系列6D00 水上游乐设施6D10 峡谷漂流系列6D20 水滑梯系列6D30 造浪机系列6D40 碰碰船系列6D50 水上自行车系列6D60 组合式水上游乐设施6E00 无动力游乐设施6E10 高空蹦极系列6E20 弹射蹦极系列6E30 小蹦极系列6E40 滑索系列6E50 空中飞人系列6E60 系留式观光气球系列6E70 组合式无动力游乐设施7000压力管道元件7100 压力管道管子7110 无缝钢管7120 焊接钢管7130 有色金属管7140 铸铁管71F0 非金属材料管7200 压力管道管件7210 无缝管件7220 有缝管件7230 锻制管件7240 铸造管件7250 汇管7260 过滤器72F0 非金属材料管件7300 阀门7310 安全阀7320 调压阀7330 调节阀7340 闸阀7350 球阀7360 蝶阀7370 截止阀7380 止回阀7390 疏水阀73A0 隔膜阀73F0 非环式客运缆车9300 客运拖牵索道9310 低位客运拖牵索道9320 高位客运拖牵索道B000部件B100 锅炉部件B110锅筒B120 集箱B130 锅炉过热器B140 锅炉再热器B150 锅炉省煤器B160 锅炉膜式水冷壁B200 压力容器部件B210 封头B300 电梯部件B310 绳头组合B320 电梯导轨B330 电梯耐火层门B340 电梯玻璃门B350 电梯玻璃轿壁B360 电梯液压泵站B370 杂物电梯驱动主机B380 自动扶梯梯级B390 自动人行道踏板B3A0 梯级踏板链B3B0 自动扶梯自动人行道驱动主机B3C0 自动扶梯自动人行道滚轮B3D0 自动扶梯自动人行道扶手带B3E0 自动扶梯自动人行道控制屏B600 游乐设施部件B610 蹦极绳B900 客运索道部件B910 客运索道驱动迂回装置B920 客运索道抱索器B930 客运索道运载工具B940 客运索道托压索轮组C000材料C100 锅炉材料C110 锅炉用钢板C120 锅炉用钢管C130 特种设备用焊接材料C200 压力容器材料C210 压力容器用钢板C230 气瓶用钢板C240 气瓶用钢管C800 压力管道材料C810 压力管道用钢板F000安全附件及安全保护装置F100 锅炉安全附件及安全保护装置F110 水位表F120水位控制报警装置F130 压力控制报警装置F140 温度控制报警装置F150 燃烧连锁保护装置F200 压力容器安全附件及安全保护装置F210 液位计F220 爆破片F230 紧急切断阀F240 过流保护装置F250 快开门连锁保护装置F260 气瓶瓶阀F270 气瓶减压阀F280 液位限制阀F2A0 氧舱测氧仪F300 电梯安全附件及安全保护装置F310 限速器F320 安全钳F330 缓冲器F340 电梯门速保护装置F360 含有电子元件的电梯安全电路F370 电梯限速切断阀F380 电梯控制柜F390 曳引机F400 起重机械安全附件及安全保护装置F410 起重机械起重量限制器F420 起重机械起重力矩限制器F430 起重机械起升高度限制器F440 起重机械防坠安全器F450 起重机械制动器F600 游乐设施安全附件及安全保护装置F610 游乐设施安全压杆F700 压力管道元件安全附件及安全保护装置F710 超压限制装置F720 测压调压装置F730 检漏装置F740 阴极保护装置1.3 C603 特种设备登记代码特种设备登记代码说明:国家对进行安全监察的特种设备的登记代码。
附件2:特种设备作业人员证编号方法一、基本格式××××××××××××顺序号地区代码作业种类代号证书项目代号共12位。
二、代号含义(一) 证书项目代号由两个字母和一个数字表示为TS6。
(二)作业种类代号由一个字母表示。
(三) 地区代码由三位字母表示,含义是指首次发证部门所在地区的地区代码。
地区代码基本采用GB/T2260-1999《中华人民共和国行政区划代码》中规定的行政区划字母代码(见附录)。
县级质量技术监督部门发证的编号采用所在地市的地区代码,顺序号由市级质量技术监督部门统一分配。
如地区行政区划发生变化,附录中未涵盖,可向我局申请地区代码。
(四) 顺序号由五位数字表示。
按首次发证部门地区所发证的该作业种类人员的顺序编号。
如果超过99999,则用字母与数字混合表示。
如顺序号为100020,则表示为A0020;顺序号为110020,则表示为B0020;依次类推。
三、举例如:由北京市质量技术监督局首次发证的特种设备管理人员,总排列顺序为100。
则表示为:TS6ABJS00100如:由辽宁省质量技术监督局首次发证的特种设备焊接作业人员,总排列顺序为100010。
则表示为:TS6JLNSA0010如:由北京市东城区质量技术监督局首次发证的电梯作业人员,总排列顺序为120101。
则表示为:TS6EDCQC0101如:由河北省石家庄市质量技术监督局首次发证的锅炉作业人员,总排列顺序为10001。
则表示为:TS6BSJW10001附录:地区代码。
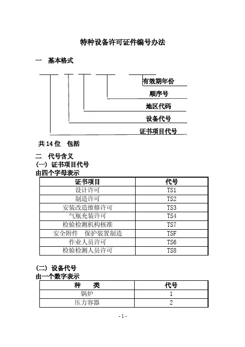
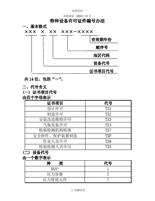
质检锅函〔2003〕51号特种设备许可证件编号办法一、基本格式×××××××××-××××有效期年份顺序号地区代码设备代号证书项目代号共14位,包括“-”。
二、代号含义(一) 证书项目代号(三) 地区代码由两位数字表示,含义是审批机构所在省级地区的行政区划代码。
省级地区行政区划代码采用GB/T2260-1999《中华人民共和国行政区划代码》中规定的代码的前两位 (见附录1)。
国家总局颁发的许可证编号中的地区代码,境内用10表示、境外用00表示。
(四) 顺序号由三位数字表示。
按审批机构地区所审批的该设备种类的顺序编号。
如果超过999,则用字母与数字混合表示。
如顺序号为1020,则表示为A20。
三、举例如:经辽宁省质量技术监督局审批的锅炉制造许可,辽宁省地区锅炉制造许可审批的总排列顺序为980,许可证有效期至2007年。
则表示为:TS2121980-2007如:经北京市质量技术监督局审批的压力管道元件制造许可,北京市地区压力管道元件制造许可审批的总排列顺序为200,许可证有效期至2007年。
则表示为:TS2711200-2007如:经国家质检总局审批的压力容器境内设计许可,总局压力容器设计许可审批的总排列顺序为700,许可证有效期至2006年。
则表示为:TS1210700-2006如:经国家质检总局审批的境外压力容器制造许可,总局境外压力容器制造许可审批的总排列顺序为699,许可证有效期至2006年。
则表示为:TS2200699-2006如:经江苏省审批的锅炉封头部件制造许可,江苏省锅炉安全附件、保护装置审批的总顺序号为1000,许可证有效期至2007年。
则表示为:TSF132A00-2007四、气瓶和型式试验的许可证编号(一)气瓶制造许可证的编号表示方法目前,有些气瓶制造单位在生产线上自动将其许可证编号打在瓶体上,如果因机器的限制,只能采用六位数的,则可按下述方法简化表示:前面证书项目代号和设备代号简化为T,中间两位数字表示地区代码,后面用三位数表示压力容器制造单位的顺序号。
国家质量监督检验检疫总局办公厅文件质检办特[2005]86号关于公布特种设备作业人员证样式和编号方法的通知各省自治区直辖市质量技术监督局为进一步规范特种设备作业人员证书的管理根据特种设备安全监察条例和特种设备作业人员监督管理办法的规定现将特种设备作业人员证以下简称证书样式和编号方法予以公布并就有关问题通知如下一现公布的新式证书自2005年7月1日起正式启用自2005年7月1日起各地不得再向行政相对人颁发旧式证书二已经颁发的旧式证书仍然有效在有效期满复审时进行更换三为落实对特种设备作业人员的动态监管各地应当严格按照公布的编号方法进行证书编号二〇〇五年三月三十日附件 1.证书样式 (PDF格式)2.证书编号方法PDF格式附件1:特种设备作业人员证中华人民共和国特种设备作业人员证国家质量监督检验检疫总局制根据中华人民共和国《特种设备安全监察条例》和《国务院对确需保留的行政审批项目设定行政许可的决定》的规定,锅炉、压力容器、压力管道、电梯、起重机械、客运索道、大型游乐设施、场(厂)内机动车辆等特种设备的作业人员,需经特种设备安全监督管理部门考核合格,持证上岗。
作业人员必须坚守工作岗位,遵守操作规程,保证特种设备安全运行。
— 3 —注意事项1、本证的持有者,需经聘用单位法定代表人签证后,方可从事批准和聘用项目范围内的工作。
2、作业时应携带本证,并接受有关部门检查。
3、妥善保管,不得转借他人。
4、记录各项,不得私自涂改。
5、如有遗失、损坏,须向发证部门申请办理证件补发或换发。
中华人民共和国特种设备作业人员证国家质量监督检验检疫总局制注:第一页“作业人员证”处套印总局特种设备安全监察证件专用章。
— 4 —(发证部门印)姓名__________________身份证号__________________作业种类__________________证书编号__________________发证部门__________________批准项目批准日期发证部门签章项目有效日期— 5 —聘用情况聘用单位聘用项目聘用起止日期法定代表人复审合格项目批准日期项目发证部门签章有效日期— 6 —附件2:特种设备作业人员证编号方法一、基本格式××× × ××× ×××××顺序号地区代码作业种类代号证书项目代号 共12位。
国家质量监督检验检疫总局办公厅文件质检办特[2005]86号关于公布《特种设备作业人员证》样式和编号方法的通知各省、自治区、直辖市质量技术监督局:为进一步规范特种设备作业人员证书的管理,根据《特种设备安全监察条例》和《特种设备作业人员监督管理办法》的规定,现将《特种设备作业人员证》(以下简称证书)样式和编号方法予以公布,并就有关问题通知如下:一、现公布的新式证书,自2005年7月1日起正式启用。
自2005年7月1日起,各地不得再向行政相对人颁发旧式证书。
二、已经颁发的旧式证书仍然有效。
在有效期满复审时进行更换。
三、为落实对特种设备作业人员的动态监管,各地应当严格按照公布的编号方法进行证书编号。
附件:1.证书样式2.证书编号方法二〇〇五年三月三十日附件1:特种设备作业人员证注:第一页“作业人员证”处套印总局特种设备安全监察证件专用章。
附件2:特种设备作业人员证编号方法一、基本格式××××××××××××顺序号地区代码作业种类代号证书项目代号共12位。
二、代号含义(一) 证书项目代号由两个字母和一个数字表示为TS6。
(二)作业种类代号由一个字母表示。
(三) 地区代码由三位字母表示,含义是指首次发证部门所在地区的地区代码。
地区代码基本采用GB/T2260-1999《中华人民共和国行政区划代码》中规定的行政区划字母代码(见附录)。
县级质量技术监督部门发证的编号采用所在地市的地区代码,顺序号由市级质量技术监督部门统一分配。
如地区行政区划发生变化,附录中未涵盖,可向我局申请地区代码。
(四) 顺序号由五位数字表示。
按首次发证部门地区所发证的该作业种类人员的顺序编号。
如果超过99999,则用字母与数字混合表示。
如顺序号为100020,则表示为A0020;顺序号为110020,则表示为B0020;依次类推。
特种设备作业人员证编号地区代码名称字母码北京市 BJS东城区 DCQ西城区 XCQ崇文区 CWQ宣武区 XWQ朝阳区 CYQ丰台区 FTQ石景山区 SJS海淀区 HDN门头沟区 MTG房山区 FSQ通州区 TZQ顺义区 SYQ昌平区 CPQ大兴区 DXQ平谷县 PGX怀柔县 HRX密云县 MYN延庆县 YQX天津市 TJS和平区 HPG 河东区 HDQ 河西区 HXQ 南开区 NKQ 河北区 HBQ 红桥区 HQO 塘沽区 TGA 汉沽区 HGQ 大港区 DGJ 东丽区 DLI 西青区 XQG 津南区 JNQ 北辰区 BCQ 宁河区 NHE 武清区 WQX 静海区 JHT 宝坻区 BDI 开发区 KFQ 蓟县 JIT河北省 HES 石家庄市 SJW 唐山市 TGS 秦皇岛市 SHP邯郸市 HDS邢台市 XTS保定市 BDS张家口市 ZJK承德市 CDS沧州市 CGZ廊坊市 LFS衡水市 HGS山西省 SXS太原市 TYN大同市 DTG阳泉市 YQS长治市 CZS晋城市 JCG朔州市 SZJ忻州市 XZS吕梁市 LLS晋中市 JZS临汾市 LFD运城市 YCJ内蒙古自治区 NMQ 呼和浩特市 HET 包头市 BTS乌海市 WHM赤峰市 CFS呼伦贝尔市 HBM 兴安盟 HIN哲里木盟 JIR 锡林郭勒盟 XGO 乌兰察布市 ULS 鄂尔多斯市 EES 巴彦淖尔盟 BAM 阿拉善盟 ALM 辽宁省 LNS沈阳市 SHE大连市 DLC鞍山市 ASN抚顺市 FSN本溪市 BXS丹东市 DDG锦州市 JNZ营口市 YIK阜新市 FXS辽阳市 LYL铁岭市 TLS朝阳市 CYS盘锦市 PJS葫芦岛市 HLD吉林省 JIL长春市 CGQ吉林市 JLS四平市 SPS辽源市 LYH通化市 THS白山市 BSN松原市 SYU白城市 BCS延边朝鲜族自治州 YBZ 黑龙江省 HLS哈尔滨市 HRB齐齐哈尔市 NDG鸡西市 JXI鹤岗市 HEG双鸭山市 SYS大庆市 DQG伊春市 YCH佳木斯市 JMU七台河市 QTH牡丹江市 MDG黑河市 HEK绥化市 SHD大兴安岭行署 DHL 上海市 SHS黄浦区 HGP卢湾区 LWN徐汇区 XHI长宁区 CNQ静安区 JAQ普陀区 PTQ闸北区 ZBE虹口区 HKQ杨浦区 YPU闵行区 MHQ宝山区 BAO嘉定区 JDG浦东新区 PDX金山区 JSH松江区 SOJ南汇区 NHQ奉贤区 FXQ青浦区 QPQ崇明县 CMI江苏省 JSS 南京市 NKG 无锡市 WUX 徐州市 XUZ 常州市 CZX 苏州市 SZH 南通市 NTG 连云港市 LYG 淮安市 HYS 盐城市 YCK 扬州市 YZH 镇江市 ZHE 泰州市 TZS 宿迁市 SUQ 浙江省 ZJS 杭州市 HGH 宁波市 NGB 温州市 WNZ 嘉兴市 JIX 湖州市 HZH 绍兴市 SXG 金华市 JHA 衢州市 QUZ舟山市 ZOS 台州市 TZZ 丽水市 LSS 安徽省 AHS 合肥市 HFE 芜湖市 WHI 蚌埠市 BBU 淮南市 HNS 马鞍山市 MAA 淮北市 HBE 铜陵市 TOL 安庆市 AQG 黄山市 HSN 滁州市 CUZ 阜阳市 FYS 宿州市 SUZ 六安市 LAS 宣城市 XCD 巢湖市 CHS 池州市 CZD 亳州市 BZS 福建省 FJS 福州市 FOC厦门市 XMN 莆田市 PUT 三明市 SMS 泉州市 QZJ 漳州市 ZZU 南平市 NPS 龙岩市 LYF 宁德市 NDS 江西省 JXS 南昌市 KHN 景德镇市 JDZ 萍乡市 PXS 九江市 JIU 新余市 XYU 鹰潭市 YTS 赣州市 GZH 宜春市 YCS 上饶市 SRS 吉安市 JAS 抚州市 FZS 山东省 SDS 济南市 TNA 青岛市 TAO淄博市 ZBO 枣庄市 ZZG 东营市 DYG 烟台市 YNT 潍坊市 WEF 济宁市 JNG 泰安市 TAI 威海市 WEH 日照市 RZH 莱芜市 LWS 临沂市 LYI 德州市 DZS 聊城市 LCH 滨州市 BNZ 菏泽市 HZS 河南省 HAS 郑州市 CGO 开封市 KFS 洛阳市 LYA 平顶山市 PDS 安阳市 AYS 鹤壁市 HBS 新乡市 XXS焦作市 JZY 濮阳市 PYS 许昌市 XCS 漯河市 LHS 三门峡市 SMX 南阳市 NYS 商丘市 SQS 信阳市 XYG 周口市 ZKS 驻马店市 ZMD 济源市 JYS 湖北省 HUB 武汉市 WUH 黄石市 HSI 十堰市 SYE 宜昌市 YCO 襄樊市 XFN 鄂州市 EZS 荆门市 JMS 孝感市 XGE 荆州市 JGZ 黄冈市 HGE 咸宁市 XNS恩施土家族苗族自治州 ESH 湖南省 HUN长沙市 CSX株州市 ZZS湘潭市 XGT衡阳市 HNY邵阳市 SYR岳阳市 YYG常德市 CDE张家界市 ZJJ益阳市 YYS郴州市 CNZ永州市 YZS怀化市 HHS湘西土家族苗族自治州 XXZ 娄底市 LDS广东省 GDS广州市 CAN韶关市 HSC深圳市 SZX珠海市 ZUH汕头市 SWA佛山市 FOS江门市 JMN湛江市 ZHA茂名市 MMI肇庆市 ZQG惠州市 HUI梅州市 MXZ汕尾市 SWE河源市 HEY阳江市 YJI清远市 QYN东莞市 DGG中山市 ZSN潮州市 CZY揭阳市 JIY云浮市 YFS广西壮族自治区 GXQ 南宁市 NNG柳州市 LZH桂林市 KWL梧州市 WUZ北海市 BHY防城港市 FAN钦州市 QZH贵港市 GUG 玉林市 YUL 来宾市 LBS 崇左市 CHZ 贺州市 HEZ 百色市 BSE 河池市 HCS 海南省 HIS 海口市 HAK 三亚市 SYX 重庆市 CQS 万州区 WZO 涪陵区 FLG 渝中区 YZQ 大渡口区 DDK 江北区 JBE 沙坪坝区 SPB 九龙坡区 JLP 南岸区 NAQ 北碚区 BBE 万盛区 WSQ 双桥区 SQQ 渝北区 YBE巴南区 BNN长寿区 CSQ綦江县 QJG潼南县 TNN铜梁县 TGL大足县 DZX荣昌县 RGC璧山县 BSY梁平县 LGP城口县 CKO丰都县 FDU垫江县 DJG武隆县 WLG忠县 ZHX开县 KAI云阳县 YNY奉节县 FJE巫山县 WSN巫溪县 WXX黔江土家族苗族自治县 QJX 石柱土家族自治县 SZY秀山土家族苗族自治县 XUS 酉阳土家族苗族自治县 YUY彭水苗族土家族自治县 PSU 江津市 JJY合川市 HEC永川市 YCP南川市 NCU四川省 SCS成都市 CTU自贡市 ZGS攀枝花市 PZH泸州市 LUZ德阳市 DEY绵阳市 MYG广元市 GYC遂宁市 SNS内江市 NJS乐山市 LES南充市 NCO宜宾市 YBS广安市 GAC达州市 DCS雅安市 YAS阿坝藏族羌族自治州 ABA 甘孜藏族自治州 GAZ凉山彝族自治州 LSY巴中市 BAZ眉山市 MSS资阳市 ZYS贵州省 GZS贵阳市 KWE六盘水市 LPS遵义市 ZNY铜仁地区 TRD黔西南布依族苗族自治州 QXZ 毕节地区 BJD黔东南苗族侗族自治州 QND 黔南布依族苗族自治州 QNZ 安顺市 ASS云南省 YNS昆明市 KMG曲靖市 QJS玉溪市 YXS昭通市 ZTS楚雄彝族自治州 CXD红河哈尼族彝族自治州 HHZ 文山壮族苗族自治州 WSZ思茅地区 SMD西双版纳傣族自治州 XSB 大理白族自治州 DLZ保山市 BSS德宏傣族景颇族自治州 DHG 丽江地区 LJD怒江傈僳族自治州 NUJ迪庆藏族自治州 DEZ临沧地区 LCD西藏自治区 XZQ拉萨市 LXA昌都地区 QAD山南地区 SND日喀则地区 XID那曲地区 NAD阿里地区 NGD林芝地区 NYD陕西省 SNH西安市 SIA铜川市 TCN宝鸡市 BJI咸阳市 XYS渭南市 WNA延安市 YNA汉中市 HZJ安康市 AKS商洛市 SLS榆林市 YLS杨临农业高新技术产业示范区 YLQ 甘肃省 GSS兰州市 LHW嘉峪关市 JYG金昌市 JCS白银市 BYS天水市 TSU酒泉市 JQS张掖市 ZYD武威市 WWS定西市 DXS平凉市 PLS庆阳市 QYS陇南地区 LND临夏回族自治州 LXH甘南藏族自治州 GNZ青海省 QHS西宁市 XNN海东地区 HDD海北藏族自治州 HBZ黄南藏族自治州 HNZ海南藏族自治州 HNN果洛藏族自治州 GOL玉树藏族自治州 YSZ海西蒙古族藏族自治州 HXZ 宁夏回族自治区 NXQ银川市 INC石嘴山市 SZS吴忠市 WZS固原地区 GYD新疆维吾尔自治区 XJS乌鲁木齐市 URC克拉玛依市 KAR吐鲁番地区 TUD哈密地区 HMD昌吉回族自治州 CJZ博尔塔拉蒙古自治州 BOR巴音郭愣蒙古自治州 BAG阿克苏地区 AKD克孜勒苏柯尔克孜自治州 KIZ 喀什地区 KSI和田地区 HOD伊犁哈萨克自治州 ILD 塔城地区 TCD阿勒泰地区 ALD石河子市 SHZ。
质检锅函〔2003〕51号特种设备许可证件编号办法一、基本格式×××××××××-××××有效期年份顺序号地区代码设备代号证书项目代号共14位,包括“-”。
二、代号含义(一) 证书项目代号(三) 地区代码由两位数字表示,含义是审批机构所在省级地区的行政区划代码。
省级地区行政区划代码采用GB/T2260-1999《中华人民共和国行政区划代码》中规定的代码的前两位 (见附录1)。
国家总局颁发的许可证编号中的地区代码,境内用10表示、境外用00表示。
(四) 顺序号由三位数字表示。
按审批机构地区所审批的该设备种类的顺序编号。
如果超过999,则用字母与数字混合表示。
如顺序号为1020,则表示为A20。
三、举例如:经辽宁省质量技术监督局审批的锅炉制造许可,辽宁省地区锅炉制造许可审批的总排列顺序为980,许可证有效期至2007年。
则表示为:TS2121980-2007如:经北京市质量技术监督局审批的压力管道元件制造许可,北京市地区压力管道元件制造许可审批的总排列顺序为200,许可证有效期至2007年。
则表示为:TS2711200-2007如:经国家质检总局审批的压力容器境内设计许可,总局压力容器设计许可审批的总排列顺序为700,许可证有效期至2006年。
则表示为:TS1210700-2006如:经国家质检总局审批的境外压力容器制造许可,总局境外压力容器制造许可审批的总排列顺序为699,许可证有效期至2006年。
则表示为:TS2200699-2006如:经江苏省审批的锅炉封头部件制造许可,江苏省锅炉安全附件、保护装置审批的总顺序号为1000,许可证有效期至2007年。
则表示为:TSF132A00-2007四、气瓶和型式试验的许可证编号(一)气瓶制造许可证的编号表示方法目前,有些气瓶制造单位在生产线上自动将其许可证编号打在瓶体上,如果因机器的限制,只能采用六位数的,则可按下述方法简化表示:前面证书项目代号和设备代号简化为T,中间两位数字表示地区代码,后面用三位数表示压力容器制造单位的顺序号。