焊接吊耳
- 格式:pdf
- 大小:110.49 KB
- 文档页数:2
起重吊耳选用标准一.对吊耳制作与安装得工艺要求:1)吊耳所用得钢材应具有良好得可焊性、焊接应采用碱性焊条(如J507焊条),焊脚尺寸应符合规定要求。
2)吊耳得孔眼宜采用钻孔。
气割孔眼应磨光,以免损坏索具。
3)吊耳得安装位置应与分段得重心对称,以保持吊耳负荷得均衡与分段吊运得平稳。
4)吊耳得安装方向应与其受力方向一致,以免产生扭矩。
5)吊耳通常应布置在分段中纵、横构件交叉处,或至少布置在分段得一根刚性构件上、6)吊耳安装处得船体内部构件应进行双面连续焊,连续焊范围约1m。
吊耳及其安装处船体内部构件得焊接质量,均应作认真检查。
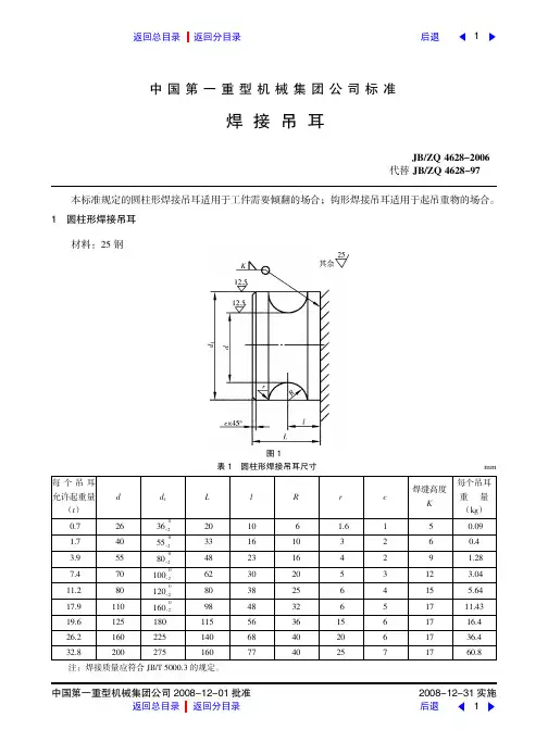
二、常用吊耳得形式与规格:1)A型吊耳得形式与规格,见图1。
此规格适用于屈服点为235N/mm2(24kgf/mm2)得钢材。
图1吊耳厚度曲线注:对于使用负荷超过10吨得A型吊耳要求开坡口深熔焊,使用负荷超过15吨得A型吊耳要求开坡口全焊透。
注:(1)此表适用于屈服点为:235N/mm2(24kgf/mm2)得钢材。
(2)对于使用负荷超过15吨得D型吊耳要求开坡口深熔焊,使用负荷超过20吨得D 型吊耳要求开坡口全焊透。
三。
起重吊耳得强度计算:四.各种形式吊耳得选用(参见表3):表3各种形式吊耳得选用在特殊情况下,无法按本标准选用吊耳时,可自行设计特种吊耳,但相关得计算及说明须经技术部审核通过。
1.焊接块得材料需为S355J2+N(1。
0577+N,ST52-3N,BS4360、50D.AISI1019等。
、)ﻫ2.焊接前,接触表面需保持清洁无铁屑、油污、油漆、炉渣或任何其她污染物。
表面如已腐蚀,焊接表面必须完全将铁屑去除。
若有油漆也需完全去除。
3、焊接母材含碳量必须低于0。
40%。
ﻫ4、室温低于10℃时,焊接之前表面需做预热动作。
ﻫﻫYOKE焊接型吊耳(YOKE焊接吊环)焊接1、焊接点须具备足以载重之荷重需求。
2。
进行最后一道焊接之前,必须清理焊道以避免夹渣。
3。
焊接作业一旦开始请勿中断,避免元件冷却。
安装工程常用吊耳标准二O—二年十二月目录1、说明2、吊耳的分类及技术要求3、圆钢吊耳1.说明起重作业是电建施工中最常见的作业,也是最容易引发安全事故的特种作业。
其中,吊耳的安全性直接影响到设备、人身安全。
为了规施工中临时吊耳的制作,保证使用安全,编制本标准。
1.1适用围本标准适用于公司所有施工项目相关工作。
1.2参考文件化工行业标准,HG/T21574-2008 《设备吊耳》《现场起重常用计算》。
2.吊耳的分类和技术要求2.1吊耳的分类施工现场常用的吊耳有三种,一种是圆钢焊制的吊耳,用于较轻工件。
一种是钢板焊制的吊耳,用于较重工件。
一种是钢管焊制的吊耳,用于大型超重工件,通常由设备厂完成。
由于吊耳的使用场合不同,受力情况不同,可细分为7种型式。
各种吊耳的型式及公称吊重见表1-1各种吊耳的型式及公称吊重表1-1B I 5000 kg以下锅炉护板、连接板等圆_J钢钢板吊耳1000 kg以下小型工件简图公称吊重围适用场合10000 kk 以下工件顶部垂直起吊吊耳的分类及公称吊重围续表1-1简图公称吊重围适用场合10000 kg 以下大型、较大型工件,如预热器、省煤器、顶板等钢板吊耳10000 kg 以下大型、较大型工件,如预热器、省煤器、顶板等10000 kg 以下大型、较大型工件,如预热器、省煤器、顶板等轴式吊耳A 丨25000 kg以下大型工件,如汽轮机、发电机等。
2.2吊耳的材料和制造技术要求221吊耳的材料圆钢吊耳用3#钢,禁止用螺纹钢。
板式吊耳的吊耳板、筋板和轴式吊耳的档板、材料均为Q235-A,所用钢板或钢带应符合GB3274《碳素结构钢和低合金结构热轧厚钢板和钢带》的规^定。
管式吊耳可选用GB8162《结构用无缝钢管》中的钢管,材料为20钢。
垫板材料应于垫板联接的工作母材相同。
2.2.2吊耳的加工和装配板式吊耳的吊耳板应平直,垫板与工件紧密贴合,间隙不大于1伽。
吊耳板、垫板、筋板等的切割表面不允有裂纹,毛刺等缺陷。
常用吊耳标准Document serial number【NL89WT-NY98YT-NC8CB-NNUUT-NUT108】常用吊耳标准甘肃火电工程公司工程管理部二○○五年十一月批准:靳旭东审核:马宝成编写:师自知1.说明起重作业是电建施工中最常见的作业,也是最容易引发安全事故的特种作业。
其中,吊耳的安全性直接影响到设备、人身安全。
为了规范施工中临时吊耳的制作,保证使用安全,编制本标准。
适用范围本标准适用于公司所有施工项目相关工作。
参考文件化工行业标准,HG/T21574-94《设备吊耳》《现场起重常用计算》。
2.吊耳的分类和技术要求吊耳的分类施工现场常用的吊耳有三种,一种是圆钢焊制的吊耳,用于较轻工件。
一种是钢板焊制的吊耳,用于较重工件。
一种是钢管焊制的吊耳,用于大型超重工件,通常由设备厂完成。
由于吊耳的使用场合不同,受力情况不同,可细分为7种型式。
各种吊耳的型式及公称吊重见表1-1各种吊耳的型式及公称吊重吊耳的分类及公称吊重范围吊耳的材料和制造技术要求吊耳的材料圆钢吊耳用3#钢,禁止用螺纹钢。
板式吊耳的吊耳板、筋板和轴式吊耳的档板、材料均为Q235-A,所用钢板或钢带应符合GB3274《碳素结构钢和低合金结构热轧厚钢板和钢带》的规定。
管式吊耳可选用GB8162《结构用无缝钢管》中的钢管,材料为20钢。
垫板材料应于垫板联接的工作母材相同。
吊耳的加工和装配板式吊耳的吊耳板应平直,垫板与工件紧密贴合,间隙不大于1㎜。
吊耳板、垫板、筋板等的切割表面不允许有裂纹,毛刺等缺陷。
吊耳内孔需打磨光滑,不能有凹凸棱角。
吊耳的检验吊耳必须经二级验收后使用:焊工对所有焊缝进行外观检查,不允许存在裂纹与未熔合缺陷,必要时进行磁粉或渗透检查,使用部门应在使用前对吊耳的设置、焊接作全面检查确认。
3 圆钢吊耳适用范围及说明圆钢吊耳适用于轻型工件的吊装,A型吊耳主要是焊缝受力,用于1000㎏以下工件,B型吊耳用于5T以下工件,绝对禁止螺纹钢加工吊耳。
常用吊耳标准甘肃火电工程公司工程管理部二OO五年十一月批准:靳旭东审核:马宝成编写:师自知1.说明起重作业是电建施工中最常见的作业,也是最容易引发安全事故的特种作业。
其中,吊耳的安全性直接影响到设备、人身安全。
为了规范施工中临时吊耳的制作,保证使用安全,编制本标准。
1.1 适用范围本标准适用于公司所有施工项目相关工作。
1.2 参考文件化工行业标准,HG/T21574-94《设备吊耳》《现场起重常用计算》。
2.吊耳的分类和技术要求2.1 吊耳的分类施工现场常用的吊耳有三种,一种是圆钢焊制的吊耳,用于较轻工件。
一种是钢板焊制的吊耳,用于较重工件。
一种是钢管焊制的吊耳,用于大型超重工件,通常由设备厂完成。
由于吊耳的使用场合不同,受力情况不同,可细分为7种型式。
各种吊耳的型式及公称吊重见表1-1各种吊耳的型式及公称吊重吊耳的分类及公称吊重范围续表1-1简图公称吊重范围适用场合10000 kg 以下大型、较大型工件,如预热器、省煤器、顶板等钢板吊耳10000 kg 以下大型、较大型工件,如预热器、省煤器、顶板等10000 kg 以下大型、较大型工件,如预热器、省煤器、顶板等轴式吊耳25000 kg 以下大型工件,如汽轮机、发电机等。
2.2 吊耳的材料和制造技术要求2.2.1 吊耳的材料圆钢吊耳用3#钢,禁止用螺纹钢。
板式吊耳的吊耳板、筋板和轴式吊耳的档板、材料均为Q235-A,所用钢板或钢带应符合GB3274《碳素结构钢和低合金结构热轧厚钢板和钢带》的规定。
管式吊耳可选用GB8162《结构用无缝钢管》中的钢管,材料为20钢。
垫板材料应于垫板联接的工作母材相同。
2.2.2吊耳的加工和装配板式吊耳的吊耳板应平直,垫板与工件紧密贴合,间隙不大于1伽。
吊耳板、垫板、筋板等的切割表面不允许有裂纹,毛刺等缺陷。
吊耳内孔需打磨光滑, 不能有凹凸棱角。
2.2.3吊耳的检验吊耳必须经二级验收后使用:焊工对所有焊缝进行外观检查,不允许存在裂纹与未熔合缺陷,必要时进行磁粉或渗透检查,使用部门应在使用前对吊耳的设置、焊接作全面检查确认。
常用吊耳标准甘肃火电工程公司工程管理部二○○五年十一月批准:靳旭东编写:师自知1.说明起重作业是电建施工中最常见的作业,也是最容易引发安全事故的特种作业。
其中,吊耳的安全性直接影响到设备、人身安全。
为了规范施工中临时吊耳的制作,保证使用安全,编制本标准。
1.1适用范围本标准适用于公司所有施工项目相关工作。
1.2 参考文件化工行业标准,HG/T21574-94《设备吊耳》《现场起重常用计算》。
2.吊耳的分类和技术要求2.1 吊耳的分类施工现场常用的吊耳有三种,一种是圆钢焊制的吊耳,用于较轻工件。
一种是钢板焊制的吊耳,用于较重工件。
一种是钢管焊制的吊耳,用于大型超重工件,通常由设备厂完成。
由于吊耳的使用场合不同,受力情况不同,可细分为7种型式。
各种吊耳的型式及公称吊重见表1-1各种吊耳的型式及公称吊重表1-1吊耳的分类及公称吊重范围续表1-12.2 吊耳的材料和制造技术要求2.2.1 吊耳的材料圆钢吊耳用3#钢,禁止用螺纹钢。
板式吊耳的吊耳板、筋板和轴式吊耳的档板、材料均为Q235-A,所用钢或钢带应符合GB3274《碳素结构钢和低合金结构热轧厚钢板和钢带》的规定。
管式吊耳可选用GB8162《结构用无缝钢管》中的钢管,材料为20钢。
垫板材料应于垫板联接的工作母材相同。
2.2.2 吊耳的加工和装配板式吊耳的吊耳板应平直,垫板与工件紧密贴合,间隙不大于1㎜。
吊耳板、垫板、筋板等的切割表面不允许有裂纹,毛刺等缺陷。
吊耳内孔需打磨光滑,不能有凹凸棱角。
2.2.3 吊耳的检验吊耳必须经二级验收后使用:焊工对所有焊缝进行外观检查,对存在裂纹与未熔合缺陷,要时进行磁粉或渗透检查,使用部门应在使用前对吊耳的设置、焊接作全面检查确认。
3 圆钢吊耳3.1 适用范围及说明圆钢吊耳适用于轻型工件的吊装,A型吊耳主要是焊缝受力,用于1000㎏以下工件,B型吊耳用于5T以下工件,绝对禁止螺纹钢加工吊耳。
3.2 结构形式和加工尺寸A、B型圆钢吊耳的形式及尺寸如图3-1、3-2所示。
吊耳制作标准1、适用范围以下基准只适用于一般板式吊耳的计算及制作。
2、吊耳外形参数及焊接形式下图为吊耳的外形尺寸及焊接形式,吊耳所受载荷P的方向可以在一定范围内浮动。
焊接坡口形状3、各应力计算吊耳在承重时所受的应力主要有剪切应力、拉升应力和弯曲应力,各应力计算公式如下:剪切应力: 剪切许用应力 ≦ 6.4Kg/m㎡拉升应力:拉伸许用应力 ≦ 8.0Kg/m㎡弯曲应力:弯曲许用应力 ≦ 8.0Kg/m㎡焊接强度 ≦ 8.0Kg/m㎡焊接强度: 1、当P=1~10t时2、当P ≥15t时MAX1CP1~10B15B以上τ=2(R-φ/2)T Pσt=P BTσb=B 2T6PLσ=B 2T4.24PLσ=B 2T6PL4、附表下表为吊耳承受载荷P=0.5t~50t时外形尺寸及应力计算,吊耳制作材料为Q235名称荷重尺 寸mm重量剪切应力拉伸应力弯曲应力焊接强度P(t)φR L B Tt1(Kg)(Kg/mm2)(Kg/mm2)(Kg/mm2)(Kg/mm2)0.5-B0.5222235501070.16 2.3 1.0 4.2 4.2 1-B1303040601070.24 3.3 1.7 6.7 6.7 1.5-B 1.5303050701290.4 4.2 1.8 7.7 7.2 2-B23638658016120.8 3.1 1.6 7.6 7.2 3-B3364080982014 1.4 3.4 1.5 7.5 7.6 5-B54043801322014 1.6 5.4 1.9 6.9 7.0 8-B84551901722414 2.8 5.8 1.9 6.1 7.4 10-B1065751102102414 4.8 4.9 2.0 6.2 7.6 15-B157585********* 6.8 5.6 2.4 7.6 7.6 20-B20758512024834108.6 6.2 2.4 6.9 6.9 26-B268098150290361213.2 6.2 2.5 7.7 7.7 30-B3088105170312401517.5 6.1 2.4 7.9 7.9 40-B40106124180352461525.1 6.1 2.5 7.6 7.6 50-B50120135200354601537.6 5.6 2.4 8.0 8.0。
吊耳焊接技术指导
一、环境温度控制
根据《火力发电厂焊接技术规程》DL/T 869-2004中要求,碳钢的施焊环境温度下限为-10℃。
所以要采取必要的措施保证施焊环境温度。
二、坡口清理
清理坡口内外壁两侧10~15mm范围内的铁锈、油污等污物,直至露出金属光泽。
三、焊前预热
预热温度150~200℃,火焰加热应以焊缝为中心,加热宽度为焊缝两侧各外延不少于100mm。
火焰焰心至工件的距离应在10mm以上;喷嘴的移动速度要稳定,不得在一个位置长期停留。
火焰加热时,应注意控制火焰的燃烧状况,防止金属的氧化或增碳。
四、焊接工艺
选用焊材及推荐电流:
J507 φ3.2 I=90—130A
J507 φ4.0 I=110—180A
焊条使用前必须按要求烘干,即经350℃烘焙,恒温1小时,现场使用焊条保温筒,随用随取,用剩的焊条及时送回焊条室恒温保存。
焊接过程中层间温度要求≤400℃。
焊接时焊缝两侧各200mm 用保温棉保温,以减慢冷却速度。
五、焊后热处理
焊后热处理采用履带式加热器远红外加热,焊后热处理恒温温度为635±10℃,恒温1.5h,升降V T =178℃/h,热处理完结冷却至300℃可不控温。
六、热处理完结后,进行着色试验检测。
七、
八、(此文档部分内容来源于网络,如有侵权请告知删除,文档可自行编辑修改
内容,供参考,感谢您的配合和支持)
九、。
焊接吊耳的设计计算及正确使用方法1. 目的规范工程施工中吊耳的设计和使用,确保吊耳使用安全可靠,保证安全施工。
2. 编制依据〈〈钢结构设计规范》(GB-1986)3. 使用范围我公司各施工现场因工作需要,需白行设计吊耳的作业。
4. 一般规定使用焊接吊耳时,必须经过设计计算。
吊耳板与构件的焊接,必须选择与母材相适应的焊条。
吊耳板与构件的焊接,必须由合格的持证焊工施焊。
吊耳板的厚度应不小于6mm,吊耳孔中心至与构件连接焊缝的距离为1.5-2D (D为吊耳孔的直径)。
吊耳板与构件的连接的焊缝长度和焊缝高度应经过计算,并满足要求:焊缝高度不得小于6mm。
吊耳板可根据计算或构造要求设置加强板,加强板的厚度应小于或等于吊耳板的厚度。
5. 吊耳计算根据设计图纸和现场制作情况,可以确定4#机组安装的烟道每节重量不超过25T。
在吊装时设置4个吊耳,因此每个吊耳承受的质量为25T/4=6.25T.5.1吊耳板的选用本次吊装选用的吊耳材质均为Q345,厚度16mm~20mm不等,在计算时选用16mm钢板。
吊耳焊接面长度均大于100mm,计算时按100mm计算。
5.1拉应力计算如图所示,拉应力的最不利位置在A-A断面,其强度计算公式为:£ 值:Q345 钢板时=550 N/mm2 平均值(470-630 N/mm2) £ =N/S1 £< [£]£ =6250KgX 10m/s2+ (16 x 2l )550V 6250Kg x 10m/S + (16 x 2l )L > 3.55mmN——荷载51——A-A断面处的截面积【£】--- 钢材允许拉应力5.2剪应力计算如图所示,剪应力的最不利位置在B-B断面,其强度计算公式: ¥值:Q345 钢板时=345N/mm2¥ =N/S2 ¥<【¥】¥ =6250Kg x 10m/s2 + (16 x h)345V 6250KgX 10m/s2 + (16x h)h> 11.3mm使用的吊耳均符合该条件式中:¥——剪应力N——荷载52—— B - B断面处的截面积【¥】——钢材允许剪应力5.3角焊缝计算P=N /L*he*K P < [ £ 1】P=6250Kg+ (L*he*2)345V 6250KgX 10m/s2+ (L x 11 x 0.5)L > 32.9mm使用的吊耳均符合该条件式中:P——焊缝应力N——荷载L——焊缝长度he ——焊缝高度K——折减系数【£ 1】-- 焊缝允许应力=¥。
关于吊耳的无损检测要求
吊耳的无损检测要求包括以下几个方面:
1. 外观质量检查:检查吊耳的外观质量,包括表面是否有裂纹、毛刺、夹层等缺陷。
2. 无损检测:对于焊接的吊耳,需要进行无损检测,如X射线检测、超声
波检测等,以确保焊接质量符合要求。
3. 焊接部位检测:对于现场焊接的吊耳,需要对其与设备连接的焊接部位进行表面渗透检测,以确保焊接质量符合要求。
4. 卸扣表面检查:卸扣表面应光滑,不得有毛刺、裂纹、尖角、夹层等缺陷。
5. 卸扣焊接缺陷修补:禁止利用焊接的方法修补卸扣的缺陷。
总的来说,无损检测的主要目的是确保吊耳的质量和安全性,避免在使用过程中出现意外事故。
具体的检测方法和要求可能会根据不同的标准和规范有所差异,需要根据实际情况进行选择和应用。
吊耳焊接工艺指导书1.引言1.1 概述吊耳焊接是一种常见的金属焊接工艺,主要用于连接金属结构中的吊耳部件。
吊耳作为一个重要的连接元件,经常出现在桥梁、建筑、机械设备等各个领域。
吊耳焊接工艺通过将吊耳与其他结构部件进行焊接,实现连接的稳固和可靠。
在吊耳焊接工艺中,首先需要对焊接边缘进行准备处理,确保焊接表面光洁并清除表面污染物。
然后,在焊接前需要根据材料种类、焊接位置和焊接性能要求选择合适的焊接材料和焊接方法。
焊接过程中,需要确保焊接电流、电压、焊接速度等参数合理控制,以保证焊缝的质量。
吊耳焊接工艺不仅具有焊缝结构简单、加工工艺相对简便的优点,而且焊接接头的强度可以满足许多工程要求。
此外,吊耳焊接工艺还可以提高连接的可靠性和耐久性,减少了结构部件间的松动和脱落的风险。
吊耳焊接工艺在工程领域中有着广泛的应用前景。
例如,在桥梁建设中,吊耳焊接工艺可以用于连接桥墩和桥梁横梁,提升桥梁整体的承重能力。
在建筑领域,吊耳焊接工艺可以用于加固和连接不同构件,增强建筑物的稳定性。
在机械设备制造中,吊耳焊接工艺可以用于连接机械零部件,提高设备的可靠性和使用寿命。
综上所述,吊耳焊接工艺作为一种重要的金属焊接方法,在各个领域都有着广泛的应用。
通过深入研究和掌握吊耳焊接工艺的基本原理和具体步骤,可以为相关领域的工程实践提供技术支持和指导。
1.2文章结构文章结构部分主要是对整篇文章的组织和安排进行说明,让读者能够清晰地了解文章的结构和内容。
本文的结构如下所示:1. 引言1.1 概述1.2 文章结构(本节)1.3 目的2. 正文2.1 吊耳焊接工艺的基本原理2.2 吊耳焊接工艺的具体步骤3. 结论3.1 吊耳焊接工艺的优点3.2 吊耳焊接工艺的应用前景在本文的结构中,首先介绍了引言部分,其中包括概述、文章结构和目的三个方面。
概述部分将简要介绍吊耳焊接工艺的背景和重要性。
接着,文章结构部分将详细说明本文的整体结构和各个章节的内容安排。
瑞电吊耳及操作平台焊接措施
一、吊耳焊接:
1、吊耳焊接采用手工电弧焊,焊材选择以吊耳侧选择。
2、在施焊过程中尽可能焊接在承压管子的鳍片上,由于特殊原因不能避免吊耳与管子表面焊接时,必须经过有关部门批准方可施焊,施焊人员上岗前必须经DL/T679-1999《焊工技术考核规程》的规定考核合格,持有Ⅰ合格证方能上岗。
3、严禁在被焊工件表面引燃电弧,试验电流或随意焊接临时支撑物。
4、吊耳焊接表面质量要求:焊缝必须满焊,焊缝过度圆滑,接头良好,咬边h≤0.5mm,不允许出现裂纹、夹渣。
按照验评标准规定的验收等级,坚持分级检查制度(包括班组自检、工地质检、公司质检部复检)
5、当吊耳切除时不能损伤管壁,并将其残留氧化铁清除干净、打磨修整。
二、操作平台焊接:
1、操作平台焊接采用手工电弧焊,焊材选择以操作平台支撑侧选择。
2、施焊人员上岗前必须经规定考核合格,持有合格证方能上岗。
3、严禁在管子表面引燃电弧,试验电流或随意焊接临时支撑物。
4、支撑用槽钢卡在管子与管子之间,焊接时将槽钢焊接在鳍片上不能损伤管子。
4、焊缝质量要求:焊缝必须满焊,焊缝过度圆滑,接头良好,咬边h≤0.5mm;严格执行“三检”制。
5、当槽钢切除时不能损伤管壁,并将其残留氧化铁清除干净、打磨修整。