工厂供电大作业答案
- 格式:doc
- 大小:126.79 KB
- 文档页数:8
工厂供电习题与答案一、填空题:1.工厂供电的基本要求:安全、可靠、优质、经济。
2、发电厂按其所利用的能源不同,主要分为水力发电、火力发电、和核能发电。
3、电力系统的中性点运行方式有:电源中性点不接地、中性点经阻抗接地、中性点直接接地。
4.全厂用电负荷分为一次负荷、二次负荷和三次负荷。
5、工厂用电设备的工作制分为连续工作制,短时工作制,断续周期工作制。
6、尖峰电流ipk是指持续时间1-2s的短时最大负荷电流(电动机起动时出现)7、负荷曲线:一组用电设备功率随时间变化关系的图形8.短路造成的有害影响包括电气效应和热效应。
9、计算负荷p30:全年负荷最大的工作班内,消耗电能最大的半小时的平均功率。
10、短路:不同电流的导电部分之间的低阻性短接,金属性短路。
11.短路形式:三相短路、两相短路、单相短路。
12、二次回路(即二次电路):是指用来控制、指示、监测和保护一次电路运行的电路,亦称二次系统。
13.主电路图中的主要电气设备应使用国家规定的图形符号表示。
14、单母线分段方式适用于一、二级负荷比重较大,供电可靠性要求较高的车间变电所。
15.为了便于识别各相母线,统一规定按以下颜色对母线进行标识:交流母线a相――黄色,b相――绿c相――红色16.低压一次设备:用于连接或断开1000V以下电流电路的电气设备。
17、低压断路器:能带负荷通断,又能在短路、过负荷和失压等时自动跳闸18、电流互感器在使用时应注意工作时二次侧不得开路、二次侧一端必须接地和接线时注意端子极性。
19.根据接地目的的不同,接地可分为工作接地、保护接地和重复接地。
供电系统中性点接地属于工作接地,电气设备正常非带电金属外壳接地属于保护接地,防雷设备接地属于工作接地。
20.直击雷防护设备主要包括避雷针、避雷线、避雷带和避雷网;避雷器是雷电侵入波的设备。
21、变电所的任务是从电力系统受电、变压和配电。
22、工厂低压配电系统接线方式有放射式、树干式、环形式混合式等方式。
第一章1-1 试确定图1-23所示供电系统中变压器T1和线路WL1、WL2的额定电压。
图1-23 习题1-1的供电系统解:如果变压器的二次侧接高压线路,则其二次侧电压高于线路电压10%,一次侧与发电机(或电力线路)相联,则一次侧额定电压等于发电机(或电力线路)的额定电压,于是:因为2220/38.5T N U =kV所以121220WL T N U U ==kV; ()22238.535110% 1.1T N WL U U ===+ kV同理:1110.5T N GN U U ==kV;()121110% 1.1220242T N WL U U =+=⨯= kV ,110.5/242T N U = kV 。
1-2 试确定图1-24所示供电系统中发电机和各变压器的额定电压?GT1T2T310KV6KV 电网220V/380V 电网35KV图1-24 习题1-2的供电系统解:如果变压器的二次侧接低压线路,则其二次侧电压高于线路电压5%,二次侧接高压线路,则其二次侧电压高于线路电压10%;一次侧与发电机(或电力线路)相联,则一次侧额定电压等于发电机(或电力线路)的额定电压,发电机的额定电压高于线路额定电压的5%。
则有:发电机额定电压:()15%1010.5GN U =+⨯= kV ;变压器T 1的额定电压:1110.5T N GN U U ==kV ;()12110%3538.5T N U =+⨯=kV ;110.5/38.5T N U =kV ;变压器T 2的额定电压:2135T N U =kV ;()2215%6 6.3T N U =+⨯=kV ;235/6.3T N U =kV ;变压器T 3的额定电压:3110T N U =kV ;()3215%3800.4T N U V =+⨯=kV ;310/0.4T N U =kV ;第二章2-1某大批生产的机械加工车间,拥有金属切削机床电动机容量共800kW ,通风机容量共56kW ,线路电压为380V 。
某机械厂为三班工作制。
本厂通过一条长8km的LJ-95型叫架空线从地区变电所获得电源,电压为10kv。
本厂东南方向6km处还有一条10kv电缆线路可供使用。
低压侧有一220/380V 低压联络线可供使用。
本地区冬天北风,夏天南风,年平均气温:室内28℃,室外30℃,安装时环境温度按30℃考虑,本厂有部分二级负荷,占总负荷的36.5%。
其余均为三级负荷,本地区土地为黄土,地压5.5m处可见地下水,本地区属于少雷区,年雷暴日不超过25天。
本厂变电所防雷措施采用:利用周围建筑物上的避雷针防直击雷,在高压进户线侧装设阀式避雷器防感应雷,接地装置采用等电位方式,本厂各用电单位及用电状况,如附表所示,要求计算全厂总计算负荷,选择变压器容量及台数,进行主线路设计,设计要求适当考虑今后负荷发展。
附表1:某机械厂各用电单位及其用电状况一览表。
第一章1、工厂供电对工业生产有何重要作用?对工厂供电工作有哪些基本要求?重要作用:现代社会是建立在电能应用的基础之上的,电能在产品成本中所占的比重一般很小(除电化等工业外),其重要性是在于工业生产实现电气化以后可以增加产量、提高产品质量和劳动生产率,降低生产成本,减轻工人的劳动强度。
如果工厂供电突然中断,则对工业生产可能造成严重的后果。
例如某些对供电可靠性要求很高的工厂,即使是极短时间的停电,也会引起重大设备损坏,或引起大量产品报废,甚至可能发生重大的人身事故,给国家和人民带来经济上甚至政治上的重大损失。
基本要求:1、安全:在电能的供应、分配和使用中,不应发生人身事故和设备事故。
2、可靠:应满足电能用户对供电可靠性即连续供电的要求。
3、优质:应满足电能用户对电压和频率等质量的要求。
4、经济:供电系统的投资少,运行费用低,并尽可能地减少有色金属消耗量。
2、工厂供电系统包括哪些范围?变电所和配电所的任务有什么不同?什么情况下可采用高压深入负荷中心的直配方式?工厂供电系统是指从电源线路进厂起到高低压用电设备进线端止的电路系统,包括工厂内的变配电所和所有的高低压供电线路。
配电所的任务是接受电能和分配电能,不改变电压;而变电所的任务是接受电能、变换电压和分配电能。
高压深入负荷中心的直配方式,可以省去一级中间变压,简化了供电系统接线,节约投资和有色金属,降低了电能损耗和电压损耗,提高了供电质量。
然而这要根据厂区的环境条件是否满足35kV架空线路深入负荷中心的“安全走廊”要求而定,否则不宜采用。
3、什么叫电力系统、电力网和动力系统?建立大型电力系统有哪些好处?电力系统:由各级电压的电力线路将一些发电厂、变电所和电力用户联系起来的一个发电、输电、变电、配电和用电的整体,称为电力系统。
电网:电力系统中各级电压的电力线路及其联系的变电所,称为电力网或电网。
动力系统:电力系统加上发电厂的动力部分及其热能系统和热能用户,就称为动力系统。
一、填空题:1、工厂供电的基本要求:安全、可靠、优质、经济。
2、发电厂按其所利用的能源不同,主要分为 水力发电 、 火力发电 、和核能发电。
3、电力系统的中性点运行方式有: 电源中性点不接地、 中性点经阻抗接地、 中性点直接接地。
4、工厂电力负荷的分一级负荷、二级负荷、三级负荷。
5、工厂用电设备的工作制分为连续工作制,短时工作制,断续周期工作制。
6、尖峰电流 是指持续时间1-2S 的短时最大负荷电流(电动机起动时出现)7、负荷曲线:一组用电设备功率随 时间 变化关系的图形8、发生短路后产生危害效应有: 电动效应 、 热效应 。
9、计算负荷P 30:全年负荷 最大 的工作班内,消耗电能最大的半小时的 平均功率 。
10、短路:不同电流的导电部分之间的 低阻性短接 , 金属性短路 。
11、短路的形式:三相短路、两相短路、单相短路。
12、二次回路(即二次电路):是指用来控制、指示、监测和保护一次电路运行的电路,亦称二次系统。
13、主电路图中的主要电气设备应采用 国家规定的图文符号 来表示。
14、单母线分段方式适用于 一、二级负荷 比重较大,供电可靠性要求较高的车间变电所。
15、为了便于识别各相母线,统一规定按下列颜色分别标志母线:交流母线 A 相——黄色,B 相——绿 C 相——红色16、低压一次设备:用来接通或断开1000V 以下的流电路的电气设备。
17、低压断路器: 能带负荷通断,又能在短路、过负荷和失压等时 自动跳闸18、电流互感器在使用时应注意 工作时二次侧不得开路、二次侧一端必须接地和接线时注意端子极性。
19、按接地的目的不同,接地可分为 工作接地 、 保护接地 和 重复接地 。
供电系统中性点接地属于 工作 接地,电气设备正常不带电金属外壳接地属 保护 接地,防雷设备接地属 工作 接地。
20、防直击雷的设备主要有 避雷针 、 避雷线 、避雷带和避雷网 ;雷电侵入波的设备是 避雷器 。
21、变电所的任务是从 电力系统受电 、 变压 和 配电 。
第一章1、工厂供电对工业生产有何重要作用?对工厂供电工作有哪些基本要求?重要作用:现代社会是建立在电能应用的基础之上的,电能在产品成本中所占的比重一般很小(除电化等工业外),其重要性是在于工业生产实现电气化以后可以增加产量、提高产品质量和劳动生产率,降低生产成本,减轻工人的劳动强度。
如果工厂供电突然中断,则对工业生产可能造成严重的后果。
例如某些对供电可靠性要求很高的工厂,即使是极短时间的停电,也会引起重大设备损坏,或引起大量产品报废,甚至可能发生重大的人身事故,给国家和人民带来经济上甚至政治上的重大损失。
基本要求:1、安全:在电能的供应、分配和使用中,不应发生人身事故和设备事故。
2、可靠:应满足电能用户对供电可靠性即连续供电的要求。
3、优质:应满足电能用户对电压和频率等质量的要求。
4、经济:供电系统的投资少,运行费用低,并尽可能地减少有色金属消耗量。
2、工厂供电系统包括哪些范围?变电所和配电所的任务有什么不同?什么情况下可采用高压深入负荷中心的直配方式?工厂供电系统是指从电源线路进厂起到高低压用电设备进线端止的电路系统,包括工厂内的变配电所和所有的高低压供电线路。
配电所的任务是接受电能和分配电能,不改变电压;而变电所的任务是接受电能、变换电压和分配电能。
高压深入负荷中心的直配方式,可以省去一级中间变压,简化了供电系统接线,节约投资和有色金属,降低了电能损耗和电压损耗,提高了供电质量。
然而这要根据厂区的环境条件是否满足35kV架空线路深入负荷中心的“安全走廊”要求而定,否则不宜采用。
3、什么叫电力系统、电力网和动力系统?建立大型电力系统有哪些好处?电力系统:由各级电压的电力线路将一些发电厂、变电所和电力用户联系起来的一个发电、输电、变电、配电和用电的整体,称为电力系统。
电网:电力系统中各级电压的电力线路及其联系的变电所,称为电力网或电网。
动力系统:电力系统加上发电厂的动力部分及其热能系统和热能用户,就称为动力系统。
习题一1-1试述工业企业供电系统的构成。
答:(1)总降压变电所:工厂供电的枢纽,用于将35KV~110KV电源电压降为6~10KV,再由配电装置分别将电能送至配电所、车间变电所或高压用电设备。
由降压变压器,母线、开关设备、保护电器、测量电器等高低压配电装置组成。
(2)配电所:对大中型工厂,由于厂区大,负荷分散,常设置一个或多个配电所,用以中转电能,它只分配电能,但不改变电压。
(3)车间变电所:一个生产厂房或车间,根据情况可设置一个或多个车间变电所,将6~10KV电压降至380/220V电压,再送至各个低压用电设备。
(4)高压用电设备(5)低压用电设备1-2工业企业供电系统的常用额定电压等级及选取额定电压等级时应考虑的因素。
答:(1)330KV及以上(包括500KV、750KV):用于大电力系统输电;(2)220KV及以下:用于城乡高压、中压及低压配电;(3)110KV、35KV:也用于大型工厂内部配电网;(4)6~10KV:一般用于工厂内部,但从经济技术综合比较,最好采用10KV,除非拥有相当数量的6KV设备;(5)380V/220V:工厂低压配电电压。
1-3统一规定各种电气设备的额定电压有什么意义?发电机、变压器、用电设备以及电网额定电压有无差别?差别的原因是什么?答:规定设备的额定电压有利于设备按系列制造,是设备正常工作时具有最好技术经济指标的电压。
(1)发电机的额定电压:考虑线路在输送负荷电流时产生的电压损失,应比电网电压高5%。
(2)变压器的额定电压:一次绕组——如果变压器直接与发电机相连,则同发电机额定电压相同,即高于电网电压5%;如果不与发电机直接相连,而是接于线路时,应与电网电压相同。
二次绕组——供电线路较长时,为弥补变压器满载时本身压降及线路压降,应比电网电压高10%;如果线路不长,只需补偿变压器满载压降,即高于电网电压5%。
(3)设备的额定电压:同电网电压相同。
1-4简述工厂供电系统电能质量的主要指标及其对用户的影响。
根据上图负荷分布状况,完成以下几部分工作:1、确定主降变压器的台数、容量、型式2、给出主接线的方案选择,并给出具体的接线图3、确定电力线路接线及敷设方式,并给出具体的图形解:一、确定主降变压器的台数、容量、型式1、 选择总降压变电所的数量和容量时,应考虑以下的条件: (1) 用电负荷的分类及不能供电中断的程度。
(2) 电源可供进线的条件。
(3) 工厂供电的均衡性,为减少电能损耗,有时需要选择两台变压器。
(4) 工厂中有无大型冲击负荷,如大型高压电动机、大型电炉等。
(5) 运输及建筑物高度等。
2、 主变压器台数的选择:(1) 参考电源进线方向,综合考虑设置总降压变电所的有关因素,结合全 厂计算负荷以及扩建和备用的需要,确定变压器的台数和容量。
由于该厂的负荷 属于二级负荷,对电源的供电可靠性要求较高,宜采用两台变压器,以便当一台 变压器发生故障后检修时,另一台变压器能对一、二级负荷继续供电,故选两台 变压器。
(2) 主变压器容量的选择:两台变压器的备用方式有明备用和暗备用:1) 按照明备用 两台变压器均按100%的符合选择(即一台工作,一台备用)2) 按照暗备用 选择变压器,每台按照70%最大负荷选择,最大负荷S max 约等于5000kVA,即S L > 70%S max =3500妇么,以高压侧35kV,低压侧10kV, 选择变压器型号SL7-4000/35,其容量SN=4000kVA,每台变压器承担50% 负荷,即2500kVA,其占额定容量的百分比为葵皿xl00% = 62.5% ,基 4000本满足经济性要求。
单台故障时。
填充系数为« == —= 0.66<0.75,符合要求,事故情况下,急救过负荷为Smax 5000 因此选4000 KVA 的变压器二台。
5000—4000-4000-=25% < 40% ,符合要求。
C3)主降变压器的型式1、油浸式:一般正常环境的变电所;2、干式:用于防火要求较高或环境潮湿,多尘的场所;3、密闭式:用于具有化学腐蚀性气体、蒸汽或具有导电、可燃粉尘、纤维会严重影响变压器安全运行场所;4、防雷式:用于多雷区及土壤电阻率较高的山区;5、有载调压式:用于电力系统供电电压偏低或电压波动严重且用电设备对电压质量又要求较高的场所。
卷1:《工厂供电》试题与答案(1)一、填空题(共20空,每空1分,共20分)1.电能的生产、、分配和的全过程,是在同一瞬间实现的。
2. 工厂电力线路中,放射式接线方式又分为放射线、放射线和具有备用线的放射式接线。
3. 用电设备组计算负荷的方法常用和。
4. 我国目前采用的中性点接地方式主要有、和直接接地三种。
5. 工厂用电设备工作制可以分为、、。
6. 短路计算的常用方法有:、。
7. 兆欧表测量端的符号是,地端符号是,屏蔽端符号是。
8. 雷电过电压的基本形式有、和。
二、单项选择题(每小题只有一个正确答案,请将符合题目要求的选项选出,并将选项代码填入对应题号的方格内;共10小题,每小题1分,共10分)题号 1 2 3 4 5 6 7 8 9 10答案1. 10kV高压系统,其短路计算电压为:( )。
A. 10.5kVB. 10 kVC. 9.5kVD. 11kV2. 变压器铜损是随( )而变化。
A. 电压B. 阻抗C. 电流D. 电流平方3. 我国目前所规定的10kv及以下三相供电电压允许偏差是( )。
A. ±5%B. ±7%C. +5%~+10%D. ±10%。
4. 出现概率最多的短路是( )。
A. 单相短路接地B. 两相短路C. 两相短路接地D. 三相短路。
5. 电业部门每月向用户收取电费,是依据( )的高低来调整。
A. 瞬时功率因数B. 月平均功率因数C. 最大负荷时的功率因数D. 最小负荷时的功率因数6. 电力变压器运行电压的变化范围在额定电压的( )内时,其额定容量不变。
A. ±5%B. ±10%C. ±7%D. +5%~+10%7. 在不接地电网中,当一相接地发生故障时,其它两相的对地电压将( )。
A. 为0伏B. 比原来的电压低C. 升高到线电压D. 电压保持不变。
8. 10KV及以上供电系统其变压器中性点应( )。
A. 直接接地B. 对地绝缘C. 经消弧线圈接地D. 经高电阻接地9. 工厂供电系统对第一类负荷供电的要求是( )。
工厂供电复习题一、单项选择题1.电能的质量标准是AA.电压、频率、波形B.电压、电流、频率C.电压、电流、波形D.电压、电流、功率因数2.中性点不接地的电力系统当发生单相接地时,正常相对地电压 DA. 升高为原来的3倍B. 降低为原来的3倍C. 倍D. 倍3、下列四个概念中,其中 D 所包含的范围最大.A. 区域网B. 地方网C. 工厂供电系统D.电力系统4、如果中断供电在政治、经济上造成重大损失的称为 AA. 一级负荷B. 二级负荷C. 三级负荷D. 电力负荷5、负荷持续率表征 C 设备的工作特性A. 连续工作制B. 短时工作制C.断续周期工作制D. 长期工作制6、尖峰电流是指持续时间为 A 的短时最大负荷电流.A. 1~2sB. 2~5sC. 5~210sD. 10~15s7、下列为对称短路的是 AA. 三相短路B. 两相短路C. 单相短路D. 两相接地短路8、无限大容量电力系统的特点是 DA. 系统容量为无限大B. 母线电压恒定不变C. 系统阻抗为零D. 以上都对9、不是产生最大短路电流的条件是 BA. 短路回路为纯感性B. 短路前线路满载C.短路瞬间电压正好过零D. 短路瞬间电流为零10、下列属于二次设备的是 BA. 电压互感器B. 继电器C. 熔断器D. 变压器11、断倒闸操作时,正确的顺序是 BA. 先合QS,再合QF;先断QS,再断QFB. 先合QS,再合QF;先断QF,再断QSC. 先合QF,再合QS;先断QF,再断QSD. 先合QF,再合QS先断QS,再断QF12、电力变压器的通常使用的年限一般供电为 B 年A. 10B. 20C. 30D. 5013、某10/变电所,总计算负荷为140KVA,其中一、二级负荷730KVA,到主变压器的台数和容量宜怎样选择 CA. 一台2000KVAB. 两台800KVAC. 两台1000KVAD.两台700KVA14、电流互感器工作时,其 CA. 一次侧不得开路B. 一次侧不得短路C. 二次侧不得开路D. 二次侧不得短路15、电压互感器工作时,其 BA. 二次侧不得开路B. 二次侧不得短路C. 一、二次侧都不能装设熔断器D. 一次侧有一端必须接地16、如果装设两台主变的工厂总降变电所的电源线路较长,发生故障和停电机会较多,变压器不需要经常切换,则它的电路图为 AA. 一次侧内桥式,二次侧单母分段B. 一次侧外桥式,二次侧单母分段C. 一、二次侧均采用单母分段D. 一、二次侧均采用双母分段17、属于变压器外部故障的是 CA. 绕组间短路B. 线圈碰铁心C. 引出线绝缘套管间是相间短路D. 绕组层间短路18、自动重合装置一次ARD允许重合闸 A 次A. 1B. 2C. 3D. 无限制19、电气上的“地”是指在单根接地体或故障点 B 处.A.10m左右左右左右左右20、设备的绝缘损坏时,在身体可同时触及的两部分之间出现的电位差,称为AA. 接触电压B. 跨步电压C.对地电压D. 触电电压21、在配电设计中,通常采用___B___的最大平均负荷作为按发热条件选择电器或导体的依据.22.尖峰电流指单台或多台用电设备持续时间为___A__左右的最大负荷电流.23.电焊机的设备功率是指将额定功率换算到负载持续率为 D 时的有功功率.%%%%24.定时限过流保护动作值是按躲过线路____A____电流整定的.A.最大负荷B.三相短路C.两相短路电流 D.未端三相短路最小短路电流. 25、用电设备台数较多.各台设备容量相差不悬殊时,宜采用__C__,一般用于干线.配变电所的负荷计算A.二项式法B.单位面积功率法C.需要系数法D.变值需要系数26以三类负荷为主的某机械厂,经技术经济比较总降变电所选用二台主变,其总降变电所主接线应选用 A___.A 一次侧单母线不分段接线,二次侧单母线分段接线B 一次侧单母线分段接线,二次侧单母线分段接线C 一次侧线路-变压器组接线,二次侧单母线不分段接线D 一次侧桥式接线,二次侧单母线分段接线27、 380V线路用熔断器作短路保护,已知线路最大工作电流44A,线路导线允许电流48A,导线短时过载系数,上级熔断器熔体额定电流100A,现选择熔断器额定电流80A,熔体额定电流应选熔体额定电流规格100,80,60,50,40.,30A____C___.A 30AB 40AC 50AD 60A28、某车间起重机的额定容量为,暂载率ε=60%,该起重机的设备容量为__C__.A B C D29、某元件电抗在基准容量Sd和基准电压Ud下的标幺值电抗为X,若基准电压不变,基准容量扩大n倍,其标幺值电抗为__B__.A XB X/nC nXD n2X30备用电源自动投入装置允许动作次数是__D_.A 没有限制B 3次C 2次D 1次二.判断题1、防雷装置的接地属于保护接地.×2.负荷聚变引起的过电压属于外部过电压.×3、中性点不接地和经消弧线圈接地的系统,称为小电流接地系统.√4、短路电流产生的效应有电动力效应和热效应两种.√5、对继电保护的基本要求包括速动性、灵敏性、选择性、可靠性.√6、二次接线是原来测量、控制、信号、保护和自动调节一次设备运行的电路,又称二次回路.√7.为了便于识别各相母线.统一规定按下列颜色分别标志母线:交流母线A 相—绿色,B相—黄色,C相—红色.×8、为有效担负起引雷和泄雷任务.避雷针通常有接闪器、接地引下线和接地体三部分组成.√9、电弧产生的四个过程:强电场发射、热电发射、碰撞游离和热游离.√10、电力系统短路可分为三相短路、两相短路、两相接地短路和单相接地短路.√三、填空题1、电力系统的中性点运行方式有中性点不接地、中性点经阻抗接地和中性点直接接地.2、瓦斯保护是保护油浸式电力变压器内部故障的一种基本保护装置.3、电流互感器工作时,其二次回路不准开路.4、为了保证前后两级保护装置动作的选择性, 过电流保护的动作时间应按阶梯整定.7、在实际工作中,进行短路分析时,如果电力系统容量大于所研究的用户用电设备容量的50倍时,即将此系统视为无限大容量电源.8、按规定,高压配电线路的电压损耗,一般不应超过线路额定电压的5%.9、电弧的熄灭的条件是去游离率大于游离率.10、变电所的任务是受电、变电和输电.11、防直击雷的设备主要有避雷针、避雷线、避雷网;雷电侵入波的设备是避雷器.12、供电系统变电所常用的主接线形式有线路变压器接线、单母线接线、桥式接线.供电系统高低压配电系统的常用接线方式有_____、______和______.13、电流互感器一次线圈串联于一次电路内,二次线圈与测量仪表或继电器的电流线圈串联.其工作时,二次回路接近于短路状态.在使用时应注意工作时二次侧不得开路、二次侧一端必须接地和接线时注意端子极性.14、按接地的目的不同,接地可分为工作接地、保护接地和重复接地.系统中性点接地属工作接地,电气设备正常不带电金属外壳接地属保护接地,防雷设备接地属工作接地.15、过电流保护装置由工作时限满足选择性要求,它的保护范围是本级和下级.瞬时电流速断保护装置由动作电流满足选择性要求,它的保护范围只是被保护线路首端的一部分,称为保护区,被保护线路末端的一部分保护装置不能保护,称为死区.16、在灯光监视的断路器控制线路中,红灯发平光表示手动合闸又表示跳闸回路完好;红灯发闪光表示自动合闸又表示跳闸回路完好.17、无限大容量系统发生三相短路, 其短路电流的周期分量幅值不变,短路电流的非周期分量按指数规律衰减,最终为零.18、电力系统是由发电厂、变电所和电力用户组成的统一整体;电力网是电力系统的一部分,它包括区域电网、地方电网及各种电压的电力线路.19、实用的计算负荷的实用计算方法有需要系数法和二项式法等.20、路可分为三相短路、两相短路、单相短路和两相接地短路.21、为了便于识别各相母线,统一规定按下列颜色分别标志母线:交流母线 A相——黄色,B相——绿色,C相——红色中性线接地的中性线——紫黑横条不接地地中性线——白色紫色直流母线正极——赭色,负极——蓝色22、有效地担负起引雷和泄雷任务,避雷针通常由镀锌圆钢、引下线和接地装置三部分组成.23、线路和变压器均具有电阻和电抗,因而功率损耗分为有功和无功两部分,变压器有功功率损耗又分为铁损和铜损两部分.24、二次接线是用来控制、指示、监测和保护一次设备运行的电路,又称二次回路.25、电弧产生的四个阶段为热电发射、高电场发射、碰撞游离和高温游离.26、对继电保护的基本要求包括选择性、速动性、可靠性和灵敏性.27、中性点不接地和经消弧线圈接地的系统,称为小接地电流系统,中性点直接接地系统称为大接地电流系统.28、大气过电压的基本形式有直接雷击、间接雷击和高电位浸入.29、变电所与配电所的区别是变电所有变压的功能.30、在距单根接地体或接地故障点20地方,称为电气上的“地”.31、隔离开关只能通断一定的小电流,负荷开关能通断负荷电流,断路器能通断短路电流.32、某工厂一台10KV,500KW备用发电机组,该发电机的额定电压是 KV.33、无限大容量系统的三个特征系统容量无限大、母线电压恒定不变、系统阻抗为零.四、分析计算题1、根据图示变压器1T、线路2WL和4WL的额定电压,确定发电机G、变压器2T 和3T、线路1WL和3WL的额定电压.10分2、一机修车间的380V线路上,接有金属切削机床电动机20台共50kW,其中较大容量电动机有台,4kW2台,台;另接通风机台;电阻炉1台2kW.试求计算负荷设同时系数K ∑p 、K ∑q 均为.10分3、已知车间用电设备,有电压为380V 的三相电动机 3台,4KW 8台, 10台,1kW 51台.求其计算负荷.4、某车间有一冷加工机床组,共有电压为380V 的电动机39台,其中10KW 的3台、4KW 的8台、3KW 的18台、的10台,试用需用系数法求该设备组的计算负荷.说明:该设备组为连续工作制,73.1tan ,5.0cos ,2.0===ϕϕX K5、已知条件:Uav1=37kV,Uav2=.线路L=5 km, km X /4.00Ω=.变压器额定容量,3200kVA S n =7%=d U .母线I 处的短路容量MVA S d 200=.供电系统如图所示.试求1d 、2d 及3d 点之三相短路电流.6、某工厂供电系统如下图所示.已知电力系统出口断路器为SNl0—10 II 型,其断流容量oc S =500MV·A.试用欧姆法求工厂变电所高压10kV 母线上k-1点短路的三相短路电流和短路容量.架空线X0=Ωkm7、请分析电力系统中发电机、升压变压器、输电线路、降压变压器和用电设备的额定电压如何确定.8、某机修车间V 380线路上接有下表所示的生产设备,其中所有设备均为连续工作制.请利用需要系数法确定此V 380线路上的计算负荷;已知:95.0=∑K 设备组名称设备台数 总功率kW x K ϕcos 备注 金属切削机床电动机20 50 较大容量电动机分布: 2台;4kW 2台;3kW 5台 通风机组2 3 电阻炉 1 2 19、已知某机修车间的金属切削机床组,有电压为380V 的电动机30台,其总的设备容量为120kw.试求其计算负荷.用电设备组名称需要系数Kdcosφtangy冷加工机床通风机、水泵、空压机及电动发电机组电动机0. 75电弧熔炉10、试求图示无限大容量供电系统K点发生三相短路时的短路电流和短路容量.工厂供电试题库一、单项选择题每题2分,共10分:1、在配电设计中,通常采用 _______ 的最大平均负荷作为按发热条件选择电器或导体的依据.2.尖峰电流指单台或多台用电设备持续时间为_______左右的最大负荷电流.3.电焊机的有功功率是指将额定功率换算到暂载率为_______时的有功功率.%%%%4.用电设备台数较少且各台设备容量相差很大时,宜采用_______计算负荷.A.二项式系数法B.标幺制法C.需要系数法D.欧姆法5、工厂常用灯具结构特点中,光源被透明罩封闭,内外空气不能相通属于______.A.开启型 B. 闭合型 C.密闭型 D.防爆型二、填空题每空1分,共20分:1、工厂供电的基本要求是_______,_______,_______,_______.2、一级负荷中特别重要的负荷,除由_______个独立电源供电外,还须备有_______ ,并严禁其他负荷接入.3、电能质量的基本指标是_______和_______,我国采用的工业频率是_______ HZ.4、各种高低压开关属_______次设备.5、跌落式熔断器属于_______熔断器.6、防雷装置所有接闪器都必须经过_______与________相连.7、继电保护装置的基本要求是:______、 _______ 、________ 、可靠性.8、_______断路器适用于频繁操作、安全要求较高的场所.9、在三相短路电流常用的计算方法中,______适用于多个电压等级的供电系统.10、在工厂电路中,一次电路和二次电路之间的联系,通常是通过_______和_______完成的.三、名词解释每题6分,共30分:1、什么叫电力系统2、什么是尖峰电流3、什么叫无限大容量的电力系统4、什么叫过电压5、什么是光通量、发光强度、照度和亮度四、判断题正确打√,错误打×每题1分,共10分:1、变电所与配电所的区别是变电所有变换电压的功能.2、有一台设备,在其以9分钟一个周期的工作中,电动机只工作短短的30秒,它是短时工作制.3、工厂供电系统运行是的实际负荷并不等于所有用电设备额定功率之和.4、对于只接单台电动机或电焊机的支线,其尖峰电流不等于其起动电流.5、在三相系统中,三相短路在中性点直接接地系统中发生的概率最高.6、熔断器的文字符号是FU,低压断路器的文字符号是QK.7、在选择中性线截面时,一般三相四线制线路的中性线截面应不小于相线截面的50%.8、工厂6~10kV供电系统属于大电流接地系统.9、变配电所的送电操作,要按照母线侧隔离开关或到开关、负荷侧隔离开关或刀开关、断路器的合闸顺序依次操作. 10、中性点不接地系统单相接地电容电流为正常运行是每相对地电容电流的3倍.五、简答题每题6分,共30分:1、低压配电系统中的中性线N线、保护线PE线和保护中性线PEN线各有哪些功能2、电气设备中常用的灭弧方法有哪些至少6个3、互感器有哪些功能电流互感器和电压互感器使用时注意事项4、电气主接线的基本要求有哪些5、什么叫短路短路故障产生的原因有哪些在三项系统中,可能发生的短路类型有哪些1、负荷中心一般有变电所或配电所,电压的升高或降低是通过变压器来完成.2、将发电厂的电能送到负荷中心的线路叫输电线路.3、将负荷中心的电能送到各用户的电力线路叫配电线路.4、在电力系统的内部,应尽可能的简化电压等级,减少变电层次,以节约投资与降低运行费用.5、在近似计算中有时要用到线路平均额定电压,它是线路两端变压器两端电压的代数平均值.6、决定供电质量的主要指标有电压、频率、波形、供电连续性.7、负荷曲线是一种反应电力负荷随时间变化情况的曲线.8、计算负荷是按发热条件选择电气设备的假定负荷.9、工厂供电系统对第一类负荷要求必需有两个以上的独立电源供电.10、环形供电系统在结构上一般采用双电源手拉手的环形结构.11、供电部门征收电费将用户的功率因数做为一项重要的经济指标.12、提高自然功率因数的方法就是采用降低备用电设备所需的无功功率以改善其功率因数的措施.13、一个地区的供电电压主要决定于地区原有电源电压等级,通常工厂总降变电所的供电压等级为35-110千伏.14、工厂的低压配电电压主要依据工厂用电设备的性质来决定.15、决定总降压变电所和车间变电所通用的原则,其中靠近负荷中心是最基本原则.16、确定负荷中心可以用直观的负荷指示图来粗略的制定,也可以用类似于力学的重心的方法.17、主电路图中的主要电气设备应采用国家规定的图文符号来表示.18、单母线分段方式适用于一、二级负荷比重较大,供电可靠性要求较高的车间变电所.19、连接计费用电度表的互感器准确度应为级,且规定不与保护、测量等回路共用.20、在变压系统中不同准确度的电流互感器其二次侧一般不将测量和保护混用.30、在电源进线的专用计量柜上,必需装设计算电费用的三相有功和无功电度表.31、高压配电网和低压配电网的接线方式有三种放射式、树干式和环形.32、工厂低压配电系统接线方式有放射式、树干式、混和式和环形等方式.33、工业企业的户外配电网结构最常见的便是架空线和电缆.34、电缆沟敷线深度不得小于m.35、车间线路的室内配线线路多采用绝缘导线,但配电干线多采用祼导线.36、为提高供电可靠性和利用性环网供电被证明特别适合城市住宅小区或生产区的供电.37、对于环网供电单元来说利用负荷开关+限流熔断器保护效果更好.38、变压器的铁芯有两种基本结构芯式和壳式,铁芯本身由铁芯柱和铁轭两部分组成.39、变压器温度升高是以环境温度为+40度做为参考,我国规定绕组的温升限值为65度.工厂供电答案一、单项选择题:1、B2、A3、D4、A5、C二、填空题:1、安全、可靠、优质、经济2、两、应急电源3、电压、频率、504、一5、非限流式6、引下线、接地装置7、选择性、速动性、灵敏性8、真空9、标幺制法 10、电流互感器、电压互感器三、名词解释:1、答:电力系统:由发电厂、电力网和电能用户组成的一个发电、输电、变配电和用电的整体,称为电力系统.2、答:在电气设备运行中,由于电动机的启动、电压波动等诸方面的因素会引起短时间的比计算电流大几倍的电流成为尖峰电流.3、答:无限大容量的电力系统是指,当电源距短路点的电气距离较远时,由短路而引起的电源输出功率的变化,远小于电源的容量的电力系统.4、供电系统正常运行是,因为某种原因导致电压升高危及到电气设备绝缘,这种超过正常状态的高电压被称为过电压.5、光通量:光源在单位时间内向周围空间辐射出的使人眼产生光感觉的能量;发光强度:光源在给定方向上单位立体角内辐射的光通量;照度:受照物体表面上单位面积接受到的光通量;亮度:被照物体在给定方向单位投影面上的发光强度.四、判断题:1、√2、×3、√4、×5、×6、×7、√8、×9、√ 10、×五、简答题:1、答:中性线N线的功能:一是用来接驳相电压220V的单相用电设备;二电是用来传导三相系统中的不平衡电流和单相电流;三是减小负载中性点的电位偏移.保护线PE线的功能:它是用来保障人身安全、防止发生触电事故用的接地线.保护中性线PEN线的功能:它兼有中性线N线和保护线PE线的功能.这种保护中性线在我国通称为“零线”,俗称“地线”.2、答:常用灭弧法有:速拉灭弧法、冷却灭弧法、吹弧灭弧法、长弧吹短灭弧法、粗弧分细灭弧法、狭沟灭弧法、真空灭弧法、SF6灭弧法.3、答:互感器的功能有:1隔离高压电路;2扩大仪表、继电器等二次设备的应用范围;3是测量仪表和继电器小型化、标准化,并可简化结构,降低成本,有利于批量生产.电流互感器使用注意事项:1 在工作时其二次侧不得开路,2 二次侧有一端必须接地,3 电流互感器在连接时,要注意其端子的极性.电压互感器的使用注意事项:1 在工作时其二次侧不得短路,2 二次侧有一端必须接地,3 互感器在连接时注意其端子的极性.4、答:对电气主接线的要求有:1安全:符合有关技术规范的要求,能充分保证人身和设备的安全;2可靠:保证在各种运行方式下,能够满足负荷对供电可靠性的要求;3灵活:能适应供电系统所需要的各种运行方式,操作简便,并能适应负荷的要;4经济:子满足安全、可靠、灵活的前提下,用力求投资省、运行维护费用最低,并为今后发展留有余地.5、答:短路是指不同电位的导体之间通过电弧或其他较小阻抗非正常连接在一起.短路的主要原因:1电气设备载流部分的绝缘损坏.如绝缘老化,本身设计、安装和运行维护不良,绝缘材料陈旧,强度不够被击穿,外力损伤等;2工作人员由于误操作或将低电压设备接入高电压线路造成短路;3电力线路发生断线和倒杆事故可能导致短路;4鸟兽跨越在裸露的相线之间或相线与接地物体之间,或者咬坏设备导线的绝缘.短路的形式有:三相短路,两相短路,两相接地短路和单相短路.。
《工厂供电》试题与答案(2)试题说明:1.本试卷满分共计100分,考试时间90分钟。
2.本试卷共3页,六个大题。
一、填空题(共20空,每空1分,共20分)1. 目前负荷计算的方法常用和。
2. 工厂电力负荷的分级为、、。
3.工厂供电设计的内容包括设计、设计和设计。
4. 电力系统是发电、变电、和的统一体。
5. 短路计算的常用方有:和。
6. 工厂供电的基本要求是、、、经济。
7. 工作触头用导电性好的触头,灭弧触头用耐高温的合金触头。
8. 我国目前采用的中性点接地方式主要有、和三种。
二、单项选择题(每小题只有一个正确答案,请将符合题目要求的选项选出,并将选项代码填入对应题号的方格内;共10小题,每小题1分,共10分)1. 校验电气设备的动稳定度采用( )A. 三相短路稳态电流B. 三相短路平均电流C. 三相短路冲击电流D. 三相短路电流2. 在高压电路中,担负切断短路电流任务的是:( )。
A. 隔离开关B. 负荷开关C. 断路器D. 高压熔断器3. 出现概率最多的短路是( )。
A. 单相短路接地B. 两相短路C. 两相短路接地D. 三相短路4. ( )没有专门的灭弧装置,因此不允许带负荷操作。
A. 高压熔断器B. 高压隔离开关C. 断路器D. 负荷开关5. 在不接地电网中,当一相接地发生故障时,其它两相的对地电压将( )。
A. 为0伏B. 比原来的电压低;C. 升高到线电压D. 电压保持不变。
6. 一二次电压不同的变压器并联运行的后果是( )。
A. 产生环流B. 产生相位差C. 负荷分配不均D. 浪费电能7. 变压器铁芯中的有功功率损耗是指( )。
A. 铁损B. 铜损C. 空载损耗D. 短路损耗8. 10kV高压系统,其短路计算电压为( )。
A. 10.5kVB. 10kVC. 9.5kVD. 9kV9. 供电线路电压为( )以下称低压线路。
A. 36VB. 380VC. lKVD. lOKV10.中性点不接地系统,当发生单相接地故障时,规定可以继续运行( )。
工厂供电课后答案工厂供电课后答案1-1 什么是电力系统?建立联合电力系统有哪些好处?答:电力系统是由发电厂、变电所、输配电线路和电力用户组成的整体。
建立联合电力系统的优点是:可以减少系统的总装机容量;可以减少系统的备用容量;可以提高供电的可靠性;可以安装大容量的机组;可以合理利用动力资源,提高系统运行的经济性。
1-2 电能生产的主要特点是什么?对电力系统有哪些要求?答:电能生产的主要特点是:电能不能大量存储;过渡过程十分短暂;与国民经济各部门和人民日常生活的关系极为密切。
对电力系统的基本要求是:保证供电的可靠性;保证良好的电能质量;为用户提供充足的电能;提高电力系统运行的经济性。
1-3 我国规定的三相交流电网额定压等级有哪些?用电设备、发电机、变压器的额定电压与同级电网的额定电压之间有什么关系?为什么?答:我国规定的三相交流电网额定压等级,低压有0.22/0.127 kV、0.38/0.22 kV和0.66/0.38kV;高压有3 kV、6 kV、10 kV、35 kV、60 kV、110 kV、220 kV、330 kV、500 kV和750 kV。
用电设备的额定电压规定与同级电网的额定电压相同;发电机的额定电压应比同级电网额定电压高5%;变压器一次绕组的额定电压,对于降压变压器,应等于电网的额定电压,对于升压变压器,应等于发电机的额定电压;变压器二次绕的额定电压,当二次侧供电线路较长时,应比电网额定电压高10%,当变压器二次侧供电线路较短时,应比同级电网额定电压高5%。
1-5 什么叫小电流接地系统?什么叫大电流接地系统?小电流接地系统发生一相接地时,各相对地电压如何变化?这时为何可以暂时继续运行,但又不允许长期运行?答:中性点不接地和中性点经消弧线圈接地的系统称为小电流接地系统;性点直接接地(或经低电阻接地)的系统称为大电流接地系统。
在小电流接地系统中发生单相接地时,故障相对地电压为零,非故障相对地电压升高3倍。
工厂供电作业答案1、工厂供电的基本要求是_安全_,_可靠_,_优质_,_经济_。
2、电能质量的基本指标是___电压____和___频率____,我国采用的工业频率是_50_ HZ。
3、继电保护装置的基本要求是:_选择性__、 ___速动性____ 、___灵敏性_____ 、可靠性。
4、短路计算的常用方法有:有名值、标幺值。
5. 10kV高压系统,其短路计算电压为:( A )。
A. 10.5kVB. 10 kVC. 9.5kVD. 11kV6.我国目前所规定的10kv及以下三相供电电压允许偏差是( B )。
A. ±5%B. ±7%C. +5%~+10%D. ±10%。
7、接地体就是埋入地中并直接与大地接触的金属导体。
接地线就是连接接地体与设备、装置接地部分的金属导体。
接地装置就是接地线与接地体8、低压线路的结线方式主要有放射式,树干式,环形。
9.电气装置的接地分为工作接地、保护接地和重复接地三种。
10、工厂电力线路的导线和电缆截面的选择必须满足下列条件:按允许载流量、电压损失、经济电流密度、机械强度。
11、当不接地系统发生单相接地短路时,其相电压会升高 D 倍。
A)2 B)2C)3 D)3 12、衡量电能质量的两个基本参数是 B 和 C 。
A)电流B)电压C)频率D)波形E)经济性F)安全13、发电机的额定电压比线路的额定电压高出()A.1%B.3%C.5%D.10%【答案:C】14、工厂电力负荷分为()A一级负荷B二级负荷C三级负荷D四级负荷【答案:ABC】15、电流互感器的接线方式主要有(27)单相式接线、(28)两相不完全星形接丝(29)两相差法接线和(30)三相星形接线。
16、电力负荷根据其对供电可靠性的要求及中断供电造成的损失或影响分为三级,分别是:(11)一级负荷、(12)二级负荷和(13)三级负荷。
17、我国普遍采用的确定用电设备组计算负荷的方法,主要是(14)需要系数法和(15)二项式法。
工厂供电习题答案(全)一、填空题1、三相交流电力系统中,作为供电电源的发电机和变压器的中性点有三种运行方式:一种是电源中性点不接地,一种是中性点经阻抗接地,再有一种是中性点直接接地。
我国220/380V低压配电系统广泛采用中性点直接接地运行方式。
2、接地体就是埋入地中并直接与大地接触的金属导体。
接地线就是连接接地体与设备、装置接地部分的金属导体。
接地装置就是接地线与接地体。
3、接地体的屏蔽效应就是影响入地电流流散的作用。
电气上的“地”或“大地”是指散流电阻趋近零,电位为零的地方。
4、经济截面是指:从全面的经济效益考虑,使线路的年运行费用接近最小而又考虑有色金属节约的导线截面。
5. 发电机额定电压规定高于同级电网额定电压5%。
当变压器直接与发电机相连时,其一次绕组额定电压应与发电机额定电压相等,当变压器连接在线路上时,其一次绕组额定电压应与电网额定电压相等。
6.雷电过电压的基本形式有直接雷击,间接雷击,雷电波侵入。
7.保护接地的型式有:设备的外露可导电部分经各自的PE线直接接地,保护接零。
8.等电位联结是使电气装置各外露可导电部分和装置外可导电部分电位基本相等的一种电气联结。
9.低压线路的结线方式主要有放射式,树干式,环形。
10.电力系统故障断路器跳闸后,为了迅速恢复供电,系统往往采用:自动重合闸装置。
11.低压配电系统按保护接地形式分为TN系统,TT系统,IT系统。
6.高压线路的接线方式放射式,树干式,环形。
,,。
3.供配电系统常用继电器有,、等。
.电流继电器时间继电器中间继电器信号继电器4.常用的气体放电电光源有荧光灯,高压钠灯和金属卤化物灯等。
5.继电保护装置的任务是控制断路器分离负荷电流,当发生电路过负荷时发出报警信号,当报警信号发生短路故障时自动切除故障部分。
6高压隔离开关的主要作用是分离小电流设备、造成一个有明显断开点的安全检修的环境,以保护检修人员的人生安全。
7.低压自动开关即能在带负荷通断电路、又能在短路、过负荷和低电压时自动掉闸。
工厂供电试题库一、单项选择题(每题2分,共10分):1、在配电设计中,通常采用_______的最大平均负荷作为按发热条件选择电器或导体的依据。
A.20minB.30minC.60minD.90min2.尖峰电流指单台或多台用电设备持续时间为_______左右的最大负荷电流。
A.1sB.5sC.15sD.30s3.电焊机的有功功率是指将额定功率换算到暂载率为_______时的有功功率。
A.15%B.25%C.50%D.100%4.用电设备台数较少且各台设备容量相差很大时,宜采用_______计算负荷。
A.二项式系数法B.标幺制法C.需要系数法D.欧姆法5、工厂常用灯具结构特点中,光源被透明罩封闭,内外空气不能相通属于______。
A.开启型 B.闭合型 C.密闭型 D.防爆型二、填空题(每空1分,共20分):1、工厂供电的基本要求是_______,_______,_______,_______。
2、一级负荷中特别重要的负荷,除由_______个独立电源供电外,还须备有_______,并严禁其他负荷接入。
3、电能质量的基本指标是_______和_______,我国采用的工业频率是_______HZ。
4、各种高低压开关属_______次设备。
5、跌落式熔断器属于_______熔断器。
6、防雷装置所有接闪器都必须经过_______与________相连。
7、继电保护装置的基本要求是:______、_______、________、可靠性。
8、_______断路器适用于频繁操作、安全要求较高的场所。
9、在三相短路电流常用的计算方法中,______适用于多个电压等级的供电系统。
10、在工厂电路中,一次电路和二次电路之间的联系,通常是通过_______和_______完成的。
三、名词解释(每题6分,共30分):1、什么叫电力系统?2、什么是尖峰电流3、什么叫无限大容量的电力系统4、什么叫过电压?5、什么是光通量、发光强度、照度和亮度?四、判断题(正确打√,错误打×)(每题1分,共10分):1、变电所与配电所的区别是变电所有变换电压的功能。
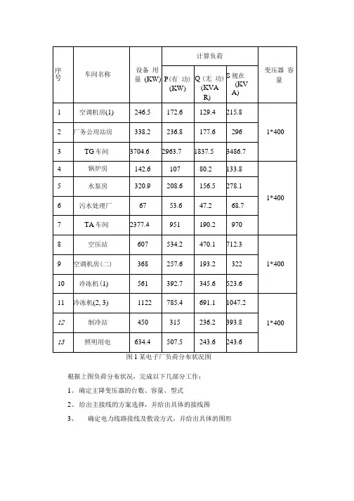
图1 某电子厂负荷分布状况图根据上图负荷分布状况,完成以下几部分工作: 1、确定主降变压器的台数、容量、型式 2、给出主接线的方案选择,并给出具体的接线图 3、确定电力线路接线及敷设方式,并给出具体的图形序号车间名称设备用量(KW) 计算负荷变压器容量P(有功) (KW) Q (无功) (KV A R) S 视在 (KV A ) 1 空调机房(1) 246.5 172.6 129.4 215.8 1*400 2 厂务公用站房 338.2 236.8 177.6 296 3 TG 车间 3704.6 2963.7 1837.5 3486.7 4 锅炉房 142.6 107 80.2 133.8 1*4005 水泵房 320.9 208.6 156.5 278.16 污水处理厂 67 53.6 47.2 68.7 7 TA 车间 2377.4 951 190.2 9708 空压站 607 534.2 470.1 712.3 1*4009 空调机房(二) 368 257.6 193.2 322 10 冷冻机(1) 561 392.7 345.6 523.6 11 冷冻机(2,3)1122 785.4 691.1 1047.2 1*400 12 制冷站 450 315 236.2 393.8 13 照明用电634.4507.5243.6243.6解:一、确定主降变压器的台数、容量、型式1、选择总降压变电所的数量和容量时,应考虑以下的条件: (1)用电负荷的分类及不能供电中断的程度。
(2)电源可供进线的条件。
(3)工厂供电的均衡性,为减少电能损耗,有时需要选择两台变压器。
(4)工厂中有无大型冲击负荷,如大型高压电动机、大型电炉等。
(5)运输及建筑物高度等。
2、主变压器台数的选择:(1)参考电源进线方向,综合考虑设置总降压变电所的有关因素,结合全厂计算负荷以及扩建和备用的需要,确定变压器的台数和容量。
由于该厂的负荷属于二级负荷,对电源的供电可靠性要求较高,宜采用两台变压器,以便当一台变压器发生故障后检修时,另一台变压器能对一、二级负荷继续供电,故选两台变压器。
(2)主变压器容量的选择:两台变压器的备用方式有明备用和暗备用:1)按照明备用 两台变压器均按100%的符合选择(即一台工作,一台备用) 2)按照暗备用 选择变压器,每台按照70%最大负荷选择,最大负荷max S 约等于5000kV A ,即m a x 70%3500L S S k V A >=,以高压侧35kV ,低压侧10kV ,选择变压器型号SL7-4000/35,其容量SN=4000kV A ,每台变压器承担50%负荷,即2500kV A ,其占额定容量的百分比为2500100%62.5%4000⨯= ,基本满足经济性要求。
单台故障时。
填充系数为max 33000.660.755000av S S α===< ,符合要求,事故情况下,急救过负荷为5000400025%40%4000-=< ,符合要求。
因此选4000 KV •A 的变压器二台。
(3)主降变压器的型式1、油浸式:一般正常环境的变电所;2、干式:用于防火要求较高或环境潮湿,多尘的场所;3、密闭式:用于具有化学腐蚀性气体、蒸汽或具有导电、可燃粉尘、纤维会严重影响变压器安全运行场所;4、防雷式:用于多雷区及土壤电阻率较高的山区;5、有载调压式:用于电力系统供电电压偏低或电压波动严重且用电设备对电压质量又要求较高的场所。
由于本设计的变电所为独立式、封闭建筑,故采用油浸式变压器即可。
二、给出主接线的方案选择,并给出具体的接线图1、变配电所主接线的选择原则:主接线图只表示电气装置的一相连接,因为三相交流连接方法是相同的,所接的电器设备也一样,这种图称之为接线图。
为使图容易识别,图中只画出了主要元件,如:发电机、变压器、交流器、断路器、隔离开关等,以及其相互间的连接。
单线图清洗易看,广泛用于设计与运行。
当满足运行要求时,应尽量少用或不用断路器,以节省投资;当变电所有两台变压器同时运行时,二次侧应采用断路器分段的单母线接线;当供电电源只有一回线路,变电所装设单台变压器时,宜采用线路变压器组接线;为了限制配出线短路电流,具有多台主变压器同时运行的变电所,应采用变压器分列运行;接在线路上的避雷器,不宜装设隔离开关;但接在母线上的避雷器,可与电压互感器合用一组隔离开关;6~10KV固定式配电装置的出线侧,在架空线路或有反馈可能的电缆出线回路中,应装设线路隔离开关;采用6~10 KV熔断器负荷开关固定式配电装置时,应在电源侧装设隔离开关;由地区电网供电的变配电所电源出线处,宜装设供计费用的专用电压、电流互感器(一般都安装计量柜);变压器低压侧为0.4KV的总开关宜采用低压断路器或隔离开关。
当有继电保护或自动切换电源要求时,低压侧总开关和母线分段开关均应采用低压断路器;当低压母线为双电源,变压器低压侧总开关和母线分段开关采用低压断路器时,在总开关的出线侧及母线分段开关的两侧,宜装设刀开关或隔离触头。
2、主接线的方案选择对于电源进线电压为35KV及以上的大中型工厂,通常是先经工厂总降压变电所降为6—10KV的高压配电电压,然后经车间变电所,降为一般低压设备所需的电压。
总降压变电所主接线图表示工厂接受和分配电能的路径,由各种电力设备(变压器、断路器、隔离开关等)及其连接线组成,通常用单线表示。
主接线对变电所设备选择和布置,运行的可靠性和经济性,继电保护和控制方式都有密切关系,是供电设计中的重要环节。
(1)、一次侧采用内桥式接线,二次侧采用单母线分段的总降压变电所,这种内桥式接线多用于电源线路较长因而发生故障和停电检修的机会较多、并且变电所的变压器不需要经常切换的总降压变电所。
(2)、一次侧采用外桥式接线、二次侧采用单母线分段的总降压变电所,这种主接线的运行灵活性也较好,供电可靠性同样较高,适用于一、二级负荷的工厂。
但与内桥式接线适用的场合有所不同。
这种外桥式适用于电源线路较短而变电所负荷变动较大、适用经济运行需经常切换的总降压变电所。
当一次电源电网采用环行接线时,也宜于采用这种接线。
(3)、一、二次侧均采用单母线分段的总降压变电所,这种主接线方式兼有上述两种桥式接线的运行灵活性的优点,但所用高压开关设备较多,可供一、二级负荷,适用于一、二次侧进出线较多的总降压变电所。
(4)、一、二次侧均采用双母线的总降压变电所,采用双母线接线较之采用单母线接线,供电可靠性和运行灵活性大大提高,但开关设备也大大增加,从而大大增加了初投资,所以双母线接线在工厂电力系统在工厂变电所中很少运用主要用于电力系统的枢纽变电所。
3、主接线的具体的接线图选择本次设计的电子制造厂是连续运行,负荷变动较小,电源进线较长(2.5km),主变压器不需要经常切换,另外再考虑到今后的长远发展。
故采用主接线一次侧采用内桥式接线,二次侧采用单母线分段的总降压主接线,如下图所示:单母线分段接线图内桥式接线图三、确定电力线路接线及敷设方式,并给出具体的图1、电力线路接线方式的选择工厂的高低压电路的线路基本接线方式有放射式、树干式和环形等基本接线方式。
以高压为例。
(1)、放射式:高压放射式接线是指工厂变配电所高压母线上引出的一回路,直接向一个车间变电所或高压用电设备供电,这种接线方式简捷,操作维护方便,保护简单,便于实现自动化。
但是高压开关设备用的多,投资高,线路故障自检修时,又该线路供电的负荷要停电,为提高可靠性,根据情况可增加备用线路,如下图为放射式线路供电。
放射式线路(2)、树干式高压树干式接线是指由工厂变配电所高压母线上引出的每路高压配电干线上,沿线分接了几个车间变电所或负荷点的接线方式,这种接线从变配电所引出的线路少,高压开关设备相应用的少。
配电干线少可以节约有色金属,但供电可靠性差,干线故障或检修将引起干线上的全部用户停电,为提高供电可靠性同样可以采用增加备用的方法,如下图为树干式接线图。
树干式接线图(3)、环式从工厂供电系统而言,高压环式其实就是树干式界限的改进,两路树干式线路连接起来就构成了环式接线。
这种接线运行灵活,供电可靠性高。
当干线上任何地方发生故障时,只要找出故障段,拉开其两端的隔离开关,把故障段切除后,全部线路可以恢复供电。
由于闭环运行时继电保护整定比较复杂,所以运行时均采用开环运行方式。
2、电力线路的敷设方式的选择工厂供配电线路是工厂电力系统的重要组成部分,担负着输送电能和分配电能的重要任务。
工厂高低压配电线路最普遍的两种户外结构是架空线和电缆。
电缆线路与架空线路相比,具有成本高,投资大,维修不便等缺点,但是它具有运行可靠、不易受外界影响、不需架设电杆、不占地面、不碍观瞻等优点,特别是在有腐蚀性气体和易燃、易爆场所,不宜架设架空线路时,只有敷设电缆线路。
由于架空线与电缆线路相比有较多的优点,如成本低、投资少,安装容易,维护和检修方便,易于发现和排除故障等,所以架空线路在一般工厂中应用相当广泛。
由于本厂的地形不复杂,按经济性及可操作性来选择,故高压供电线路选择为架空线。
3、选择架空线后的安全措施:工厂架空线路长期漏天运行,受环境和气候影响会发生断线、污染等故障。
为确保线路长期安全运行,必须按相关规定敷设并经常性的巡视和检查,以便及时消除设备隐患。
架空线路的敷设以及电杆尺寸应满足下面四个要求:1)不同电压等级线路的档柜(也成跨柜,即同一线路上相邻两电杆中心线之间的距离)不同。
一般380V线路档柜为50~60m,6~10KV线路档距为80~120m。
2)同杆导线的线距与线路电压等级及档距等因数有关。
380V线路线距约0.3~0.5m,10V线路线距约0.6~1m。
3)弧垂(架空导线最低点与悬挂点间的垂直距离)要根据档距、导线型号与截面积、导线所受拉力及气温条件等决定。
垂弧过大易碰线;过小易造成断线或倒杆。
4)线距(导线最低点到地面或导线任意点到其他目标物的最小垂直距离)需遵循有关手册规定。
4、架空线路敷设方式具体的图a)、f)水平排列b)、c)三角形排列d)双回路三角形排列e)双回路垂直排列1—电杆;2—横担;3—导线;4—避雷线。