天然气用户安全检查表
- 格式:xls
- 大小:37.00 KB
- 文档页数:15
天然气加气站安全检查表、基本条件说明:(1)本表适用于压缩天然气加气站的经营危险化学品安全评价。
(2)表中“检查记录”栏填写现场实际情况,检查结论为“不符合”的项目必须填写。
(3)表中“结论”栏根据实际检查情况分别填写“符合”、“不符合”或“无关”,不得空项。
(4)评价机构根据工作需要可自行增加检查项目,但不得删减检查项目。
(5)评价结论符合安全要求的条件是,所有检查项目的检查结论均为“符合”或“无关”。
说明:(1)表中“站外建、构筑物方位”栏填写站外建、构筑物所处位置相对与加气站的方位,如东、东南、西南。
(2)表中“站外建、构筑物类别”栏填写站外建、构筑物按,照^50156表4.0.7 “项目”一栏划分的类别,如重要公共建筑物、一级保护物。
(3)加气站周围所有属于GB50156表4.0.7 “项目”一栏规定范围内的站外建、构筑物均应填入本表。
附表2特种设备:特种设备是指涉及生命安全、危险性较大的锅炉、压力容器(含气瓶)、压力管道、电梯、起重机械、客运索道、大型游乐设施和场(厂)内专用机动车辆这八大类设备。
其中锅炉、压力容器(含气瓶)、压力管道为承压类特种设备;电梯、起重机械、客运索道、大型游乐设施为机电类特种设备。
特种作业:根据国家安全生产监督管理局与国家煤矿安全监察局2002年12月28日安监管人字【2002】124号《关于特种作业人员安全技术培训考核工作的意见》,文件第二条规定:特种作业是指容易发生人员伤亡事故,对操作者本人、他人的生命健康及周围设施的安全可能造成重大危害的作业。
直接从事特种作业的人员称为特种作业人员。
因为特种作业有着不同的危险因素,容易损害操作人员的安全和健康,因此对特种作业需要有必要的安全保护措施,包括技术措施、保健措施和组织措施。
《中华人民共和国劳动法》和有关安全卫生规程规定:从事特种作业的职工,所在单位必须按照有关规定,对其进行专门的安全技术培训,经过有关机关考试合格并取得操作合格证或者驾驶执照后,才准予独立操作。
天然气安全检查表
天然气是一种安全但也需要谨慎处理的能源。
在使用天然气时,我们
需要严格遵守一些安全规定和注意事项,以确保我们的生命和财产安全。
为此,以下是一份天然气安全检查表,可供参考。
1.检查燃气管道和阀门
检查燃气管道和阀门是否有泄漏迹象,并且所有的燃气阀门是否处于
关闭状态。
如果你怀疑有气体泄漏,切勿靠近可能泄露的管道或阀门,立即开启窗户通风,并报警。
2.检查燃气热水器
燃气热水器是使用天然气所需的设备,需要定期检查。
检查它是否正
常工作并没有问题,如水接口、火焰是否正常等等。
3.检查使用天然气的炉灶
除了热水器之外,炉灶也是我们生活中使用天然气的重要设备。
在使
用之前,需要检查火焰是否正常并且是否有异常的气味,若有不正常
的情况,需要关闭供气和电源,排除故障后再重新使用。
4.保持通风良好
使用天然气之后应及时开窗或开启通风设备。
如果通风不良,燃气中的有害物质将无法排出,积聚在室内,不仅会影响人体健康,还会增加燃气泄漏的危险。
5.保持设备清洁
定期清洗燃气设备,确保加热器和炉灶的零部件没有任何问题,可以避免机械故障,并确保设备的长期可靠使用。
总结
天然气虽然便利安全,但也有一些注意事项和规则要遵守。
遵循这些规则和注意事项,能够确保你和你的家人生命和财产安全,并在将来减少燃气事故的风险。
我们需要时刻关注安全,避免因小失大,保障我们的生活品质。
天燃气日常安全检查表天然气作为一种常见的能源供应方式,在我们日常生活中使用广泛。
然而,由于其具有易燃、爆炸等特性,我们必须要注意天然气的安全使用。
以下是天然气日常安全检查表,希望能帮助您更加安全地使用天然气。
1. 检查天然气管道是否有泄漏迹象。
在家中、商业场所或者工业厂房中,使用者应当经常检查天然气管道是否有泄漏迹象。
常见的泄漏迹象包括气味异常、气体的声音、气体连续排放等。
如发现异常情况,应立即关闭天然气阀门并通知相关部门进行维修。
2. 检查天然气煤气表是否正常运行。
用户定期检查天然气煤气表是否正常运行,以确保安全。
煤气表应该显示正常的气体使用量,如发现异常情况(例如气体使用量剧增或剧减),应及时联系专业人员进行检修。
3. 检查天然气煤气表周围是否有堵塞物。
用户应定期检查天然气煤气表周围是否有堵塞物。
堵塞物(如水、垃圾等)可能导致天然气不能正常流入,进而引发安全事故。
4. 检查天然气阀门是否正常。
用户应定期检查天然气阀门是否正常,确保其可以顺利打开和关闭。
如发现阀门无法正常开关,应及时联系专业人员进行检修或更换。
5. 检查天然气灶具是否正常。
用户应定期检查天然气灶具是否正常运行。
其中包括检查灶具是否有明显的损坏、磨损或松动,以及灶具的点火装置是否正常工作等。
如发现异常情况,应及时联系专业人员进行修理。
6. 检查天然气管道是否遭受外力破坏。
用户应经常检查天然气管道是否遭受外力破坏。
如发现管道被损坏、划伤、挤压等情况,应立即采取措施阻止气体泄漏,并联系相关部门进行维修。
7. 检查天然气防爆装置是否正常。
用户应定期检查天然气防爆装置是否正常工作。
防爆装置可以在异常情况下及时切断天然气供应,避免发生爆炸事故。
如发现异常情况,应及时联系专业人员进行维修。
8. 检查天然气烟雾报警器是否工作正常。
用户应定期检查天然气烟雾报警器是否正常工作。
烟雾报警器可以在燃气泄漏或者着火时及时发出警报,提醒用户采取相应措施。
天然气企业安全检查表前言天然气企业是国家重点监管的行业之一,由于其直接关系到人们的生命财产等重大利益,因此天然气企业的安全生产极为重要。
为保障天然气企业的安全生产,需要对其进行全面的安全检查。
本文档将提供一份天然气企业安全检查表,以供企业使用。
安全检查表一、基础设施设备安全检查1.天然气进出口阀门是否完好无损,是否能够正常开关?2.管道的周边环境是否存在堆放杂物等垃圾?3.操作设备是否定期进行检修和维护,是否存在故障或者安全隐患?4.操作设备是否存在电气问题,例如电线老化、过载、短路等?5.是否存在明显的漏气情况?二、人员安全检查1.操作人员是否具有相应的资质和工作经验?2.操作人员是否存在不规范的操作习惯或者行为?3.操作人员是否每年进行身体检查,并且保持健康状况良好?4.是否进行过消防安全教育培训,是否知悉逃生方案?5.操作人员是否进行过安全意识培训,是否能够及时发现和处理安全隐患?三、安全管理检查1.是否有完整、有效的安全生产管理体系?2.是否落实了责任制,是否明确了岗位职责?3.是否进行了安全检查和隐患排查工作,并且制定了相应的整改计划?4.是否定期组织进行应急演练和应急预案评估?5.是否制定了安全生产制度,是否明确了违规行为的处罚措施?结语本文档提供了一份针对天然气企业的安全检查表,适用于企业进行安全检查和自查。
通过定期进行安全检查,可以及时发现和处理安全隐患,确保企业的安全生产。
同时,企业应该注重安全生产意识的提升,加强员工的安全教育和培训,全面保障企业的安全生产。
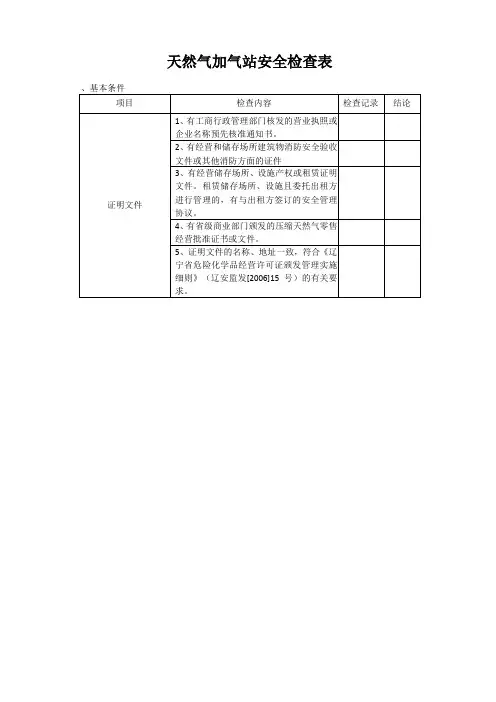
天然气加气站安全检查表
天然气加气站是为用户提供天然气加注和储存服务的场所,旨在为用户提供更加环保、经济、安全的用气体验。
然而,在加气过程中,由于天然气的高压、易燃等特性,加气站的每个环节都存在着潜在的安全隐患。
因此,对加气站进行定期的安全检查是非常重要的,这不仅可以保障用户的安全性,也能有效避免可能出现的事故。
检查表
单位名称:
检查日期:
检查人:
一、场地环境
•☐加气站内部干净整洁;
•☐加气站没有杂物;
•☐加气站没有可燃物;
•☐加气站的地面平整、不沾油,油脂等;
•☐加气站设施无残损。
二、安全设施
•☐安全退出门或其他紧急出口是否符合标准要求;
•☐安全疏散通道是否畅通无阻;
•☐安全警告牌是否完整无损;
•☐灭火器是否完好,故障灯是否点亮;
•☐消防通道是否被堵塞。
三、设备安全性
•☐加气设备是否没有异常声响;
•☐加气设备是否有漏气现象;
•☐加气设备是否符合国家规定的安全强制标准;
•☐加气设备是否有损坏或腐蚀现象;
•☐加气设备是否安装在规定的区域。
四、其他安全检查
•☐是否存在打火装置;
•☐设备使用过程中是否存在其他状况。
五、加气过程安全控制
•☐加气时是否停车手刹已拉;
•☐车辆是否关闭点燃开关;
•☐车辆电器是否断电;
•☐操作员是否按照规定操作;
•☐是否设置过程监控设施。
结论
本次安全检查表的检查结果显示,该加气站存在以下问题:•☐ [列出问题及原因]
因此,建议加气站尽快采取措施,进行必要的改善和完善,确保加气过程的安全性和顺畅性,为用户提供更加优质的服务体验。
天然气安全检查表检查项目检查内容标准依据实际情况管理要求职业健康和劳动保护1011 风险管理企业应依法达到安全生产条件,取得安全生产许可证;建立、健全、落实安全生产责任制,建立、健全安全生产管理机构,设置专、兼职安全生产管理人员。
按相应的规定要求进行安全生产检查,对发现的问题和隐患采取纠正措施,并限期整改。
进行全员安全生产教育和培训,普及安全生产法规和安~ 全生产知识。
进行专业技术、技能培训和应急培训;特种作业人员、高危险岗位、重要设备和设施的作业人员,应经过安全生产教育和技能培训,应符合《生产经营单位安全培训规定》。
工程建设项目工程设计、施工和工程监理应由具有相应资质的单位承担;承担石油天然气工程建设项目安全评价、认证、检测、检验的机构应当具备国家规定的资质条件,并对其做出的安全评价、认证、检测、检验的结果负责;建设单位应对其安全生产进行监督管理。
使用电气设备应符合防火防爆安全技术要求;配备消防设施、器材;制定防火防爆应急预案。
企业应制定保护员工健康的制度和措施,对员工进行职业健康与劳动保护的培训教育。
应按要求对有害作业场所进行划分和监测;对接触职业~ 病危害因素的员工应进行定期体检,建立职业健康监护档案。
不应安排年龄和健康条件不适合特定岗位能力要求的人员从事特定岗位工作。
应建立员工个人防护用品、防护用具的管理和使用制度。
根据作业现场职业危害情况为员工配发个人防护用品以及提供防护用具,员工应按规定正确穿戴及使用个人防护用品和防护用具。
应对作业活动和设施运行实施风险管理,并对承包商的活动、产品和服务所带来的风险和影响进行管理。
风险管理应满足以下要求:――全员参与风险管理;――对生产作业活动全过程进行危险因素辨识,对识别出来的危险因素依据法律法规和标准进行评估,划分风险等级;――按照风险等级采取相应的风险控制措施,风险控制的原则应符合“合理实际并尽可能低”;――危险因素及风险控制措施应告知参与作业相关方及作业所有人员;《石油天然气安全规程》AQ2012-2007《石油天然气安全规程》AQ2012-2007《石油天然气安全规程》AQ2012-20072122――风险管理活动的过程应形成文件。
天然气输配设施安全检查表
总则
1.为加强全省燃气安全管理,提高城镇燃气企业安全管理水平,防止和减少燃气生产安全事故,制定本标准。
2.本标准适用于全省城镇燃气企业的安全检查及燃气管理部门的监督检查。
3.城镇燃气的安全检查,除应符合本标准外,尚应符合国家现行有关法律法规和规范标准的规定。
基本规定
1.城镇燃气企业应根据现有燃气设施情况,使用相应的安全检查表进行检查。
2.当检查中发现燃气设施因规范发生变化而出现不符合本标准的要求时,具备条件整改的应限期整改,不具备条件整改的可采取其他有效的防范措施。
3.检查条款符合时,可在检查情况一栏中填写符合或打“√”;检查条款不符合时,可在检查情况一栏中填写不符合或打“×”,并写明情况。
4.参加安全检查的人员应在安全检查表上签名,并注明检查时间,检查表应归档妥善保管。
天然气输配设施
1.本章安全检查表适用于门站、储配站(不含压缩天然气储配站和液化石油气储配站)、调压装置、燃气管道及其附属设施。
2.当门站、储配站、调压站与其他场站合建时,还应使用相应场站安全检查表进行检查。
3.调压装置安全检查表适用于次高压和中压调压设施。
天然气输配设施安全检查表(1)门站、储配站和高压调压站安全检查表
检查人(签名):检查时间:。