照度计算
- 格式:docx
- 大小:21.01 KB
- 文档页数:9
如何计算照明的照度照度是用来衡量其中一点或一些区域的照明强度的物理量,表示单位面积上接收到的光能量。
照度的计算涉及到光源的亮度、光源和物体之间的距离以及物体的反射特性等因素。
下面将介绍一些常用的照度计算方法。
1.点光源照度计算假设光源为点光源,光的传播遵循反距离的平方定律。
此时,照度可以通过以下公式计算:E=I/d^2其中,E表示照度(单位为勒克斯/lux),I表示光源的强度(单位为坎德拉/candela),d表示光源到被照射点的距离(单位为米)。
2.面光源照度计算对于面光源,可以将其看作由多个点光源组成。
面光源的照度计算可以通过将其视为多个点光源的照度之和来实现。
即:E = ∑(Ii / di^2)其中,E表示照度,Ii表示第i个点光源的强度,di表示第i个点光源到被照射点的距离,∑表示对所有点光源求和。
3.反射光照度计算当光源照射到非理想的反射物体上时,一部分光能会被物体吸收,一部分会被物体散射,只有被物体反射的光才会造成可见的照明。
反射光照度的计算需要考虑光源的亮度、物体的反射系数以及光源和物体之间的距离。
计算公式如下:E=I*ρ/d^2其中,E表示照度,I表示光源的强度,ρ表示物体的反射系数,d 表示光源到被照射点的距离。
4.叠加原理当存在多个光源时,可以将各个光源的照度按照叠加原理进行相加。
即:E=∑Ei其中,E表示总的照度,Ei表示第i个光源的照度,∑表示对所有光源的照度求和。
5.照度计的使用照度计是专门用来测量照度的仪器,通常是在实际应用中用来直接测量照明场所的照度。
根据测得的照度值,可以进一步分析和评估照明系统的亮度分布是否满足要求。
总结:照度的计算涉及到光源的亮度、距离以及物体的反射特性等因素。
通过不同的计算方法,可以得到不同条件下的照度数值。
此外,借助照度计等仪器,可以直接测量实际照明场所的照度,对照明系统的亮度分布进行评估。
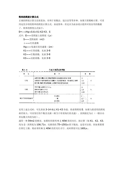
简单的照度计算公式正规的照度计算方法很复杂,有利于系数法、逐点法等等多种。
如果只需粗略计算,可采用这里介绍的简单的照度计算公式。
虽说简单,但足以为业余设计提供可较实用的数据了。
简单的照度公式如下:E=n×Hφ×0.6×K1·K2·K3、S式中,E——受照面上的照度(Lx)S——受照面积(m2)n——灯的盏数Hφ——每盏灯的光通量(1m)K1——灯型系数,见表3-8K2——灯数系数,见表3-8K3——反射系数,见表3-8实用上述公式时,可先查表3-14确定K1-K3各值,将求得照度E。
如果与拟采用的照度相差很大,可改变灯的个数及光源(相当于待变每灯的光通),直到接近为止(一般以功率瓦数大些的为好)。
通常一和54m2的教室,如果矩形排列4支40W的荧光灯,按计算(取K1、K2、K3,均为1)其照度为106.71x。
比推荐的75~1501x的下限高。
这是可以的。
但如果想要打到它上限,则必须用6支40W的荧光灯才行。
此时照度可达160Lx.。
尽管电梯里面没有标准,但我们可以按照几个应用的需求来自己制定一个标准:1、需要在电梯门开启时,外面的人迅速判断出里面是否安全--水平照度 > 50 Lux2、需要为摄像头提供一个清晰的照明--垂直照度 > 50 Lux3、视建筑档次的不同,需要营造出一定的气氛--视情况而定,高档场所照度应>100 Lux4、电梯内墙一般都有广告、楼层指引等--垂直照度 > 50 Lux按照这样的设计,想必会得到业主和用户肯定的吧。
照度计算方法照度是指光线照射到物体表面上的光亮程度,通常用勒克斯(Lux)来表示。
在进行建筑、室内设计、照明设计等工程中,照度的计算是非常重要的。
以下是一些常见的照度计算方法。
1.可视高度法可视高度法是最常用的照度计算方法之一,通常用于室内照明设计。
该方法的计算公式如下:照度(lux)= 光源光度(cd)/ (可视高度^2)其中,光源光度是指光源发出的总光功率,可视高度是指从照明点到被照明表面的垂直距离。
2.平均光度法平均光度法是用于估算室外照度的一种方法。
该方法适用于有规则排列光源的场所,例如室外公共区域、停车场等。
计算公式如下:照度(lux)= ∑(光源光度 * 视角cosθ)/ (水平面积 * K)其中,光源光度是指单个光源的发光功率,θ是光源的入射角,水平面积是指地面的面积,K是由调整因素、反射率等决定的常数。
3.点源照度法点源照度法适用于单个光源的照明设计,例如台灯、悬挂灯等。
计算公式如下:照度(lux)= 光源光度 * 光源数量 / (4π * 距离^2)其中,光源光度是指单个光源的总发光功率,光源数量是指照明点的数量,距离是指从光源到被照明表面的距离。
4.亮度法亮度法是通过测量被照明表面的亮度,并结合反射率来计算照度的方法。
计算公式如下:照度(lux)= 亮度(cd/m^2)* 反射率其中,亮度是指被照明表面的亮度,反射率是指被照明表面的反射率。
5.反射法反射法是通过测量照明表面上的光通量和光源光度,并结合反射率来计算照度的方法。
计算公式如下:照度(lux)= (光源光度 * 光源数量)/(4π * 距离^2)* 反射率其中,光源光度是指单个光源的总发光功率,光源数量是指照明点的数量,距离是指从光源到被照明表面的距离,反射率是指被照明表面的反射率。
以上是一些常见的照度计算方法,不同方法适用于不同的场合和需求。
在实际应用中,还需要考虑环境光、工艺要求等因素来进行精确的照度估算。
照度计算公式
照度计算公式:照度,顾名思义就是“发光”的意思,指光源发出的光量,它是指单位面积上单位时间内可以到达物体表面的光之总量。
以照射在单位面积上的总漫反射光强度来表示,称为“照度”,
单位是勒克斯(Lux)。
照度计算公式是根据放射理论计算照度的一个重要方法,它是一种利用放射力计算照度的数学公式。
它可以帮助人们快速计算出照度,便于照明工程的评估。
照度计算公式的原理十分简单:
首先,计算光源反射过来的光量:
单位面积内发出光量 =源强度积半径 2π 4π
其中,光源强度为面积内每平方厘米发出的光,单位是勒克斯。
然后,计算照度:
照度 =位面积内发出光量射率
其中,反射率为发射光量在反射后,到达表面的比例,即反射光量与发射光量的比值。
例如:一种照明灯具的光源强度为1000勒克斯,其半径为1米,其反射率为 0.8,那么该灯具所发射的照度可以由下面的公式计算:照度=1000×1×2π÷4π×0.8=6283.2勒克斯。
照度的计算公式不仅可以用来计算照明工程中的照度,同时也可以用来研究光学性能,例如人眼对光的敏感度、物体表面反射率以及其它光学性能。
为了计算准确,还需要根据各种照明工程的特点,把
不同的光强度、反射率以及其它物理量都纳入计算公式中。
照度的计算公式的应用非常广泛,如照明工程的设计、室内照明的计算,以及工厂照明、道路照明等,它可以使这些计算更加简单、准确。
此外,它还可以用于视觉训练、显影研究、电子测量仪器设计等。
综上所述,照度计算公式是用来计算照度的常用方法,它可以帮助人们快速准确地计算出照度,从而为照明工程和其他应用提供更有效的参考。
照度值计算公式照度值,这可是个在光学和照明领域里挺重要的概念。
要计算照度值,咱们得先搞清楚几个关键的要素。
照度值简单来说,就是指被照面上单位面积所接受的光通量。
那光通量又是什么呢?你可以把它想象成是光的“流量”。
照度值的计算公式是:照度(E)= 光通量(Φ)÷被照面积(S)。
比如说,有一盏灯,它发出的光通量是 1000 流明,照在一个 5 平方米的桌面上,那这桌面的照度值就是 1000÷5 = 200 勒克斯(Lux)。
我想起之前装修房子的时候,就特别在意灯光的照度。
当时我在客厅选灯,商家一个劲儿地给我推荐各种造型好看但参数不明的灯。
我心里就想,这可不行,我得弄清楚照度值,不然这客厅要么太亮要么太暗,多难受啊。
我拿着纸和笔,按照商家提供的灯具光通量数据,还有客厅的面积,自己在那儿算照度值。
旁边的售货员都看懵了,估计没见过我这么较真的顾客。
回到照度值的计算,这里面还有一些细节得注意。
光通量的测量和被照面积的确定都要准确,不然算出来的照度值可就不靠谱啦。
在实际应用中,不同的场景对照度值的要求也不一样。
像教室,就需要足够明亮,照度值一般得在 300Lux 以上,这样孩子们才能看清黑板和书本,保护好眼睛。
而卧室呢,照度值就可以相对低一些,营造出一种温馨舒适的氛围。
再比如说图书馆的阅读区,照度值也不能低,得保证读者能够清晰地看到书上的字。
还有工厂的车间,得根据不同的工作需求来确定合适的照度值,以保证工人的工作效率和安全。
总之,照度值的计算虽然看起来简单,但是要真正用对用好,还得结合实际情况,仔细琢磨琢磨。
就像我装修房子选灯,算好了照度值,最后客厅的灯光效果特别满意,既明亮又舒适。
所以啊,了解照度值计算公式,真的能在很多时候派上用场呢!。
照度计算公式灯光照度计算公式照度=光通量/面积,即平均1勒克斯的照度, 是1流明的光通量照射在1平方米面积上的亮度。
用这种方法求房间地板面的平均照度时, 在整体照明灯具的情况下, 可以用下列公式进行计算:平均照度= 单个灯具光通量Φ×灯具数量×空间利用系数×维护系数÷地板面积。
公式说明:单个灯具光通量Φ,指的是这个灯具内所含光源的裸光源总光通量值。
空间利用系数,是指从照明灯具放射出来的光束有百分之多少到达地板和作业台面, 所以与照明灯具的设计、安装高度、房间的大小和反射率的不同相关, 照明率也随之变化。
如常用灯盘在3米左右高的空间使用,其利用系数CU 可取之间;而悬挂灯铝罩,空间高度6--10米时,其利用系数CU 取值范围在;筒灯类灯具在3米左右空间使用,其利用系数CU 可取;而像光带支架类的灯具在4米左右的空间使用时,其利用系数CU 可取。
以上数据为经验数值,只能做粗略估算用,如要精确计算具体数值需由公司书面提供,相关参数,在此仅做参考。
是指伴随着照明灯具的老化,灯具光的输出能力降低和光源的使用时间的增加,光源发生光衰; 或由于房间灰尘的积累,致使空间反射效率降低,致使照度降低而乘上的系数、一般较清洁的场所, 如客厅、卧室、办公室、教室、阅读室、医院、高级品牌专卖店、艺术馆、博物馆等维护系数K 取;而一般性的商店、超市、营业厅、影剧院、机械加工车间、车站等场所维护系数K 取;而污染指数较大的场所维护系数K 则可取到左右。
为了让大家能更清晰的理解以上计算公式,下面举一实际工程案例:东莞某机械加工生产车间长为58m 、宽为18m 、高为8m ,矩形,员工作业台面为。
顶棚混合水泥土结构,墙壁刷成白色。
经各方面综合考虑现采用250W 金卤光源作为照明使用,经查《建筑照明标准手册》,400Lx 照度即可达到该车间照明需求。
试计算需多少套灯具?解:根据室内计算公式:EAV=/ 查资料得各参数:、250W 单端涂粉形金卤光源的总光通量为:Φ=18500;、CU 取=;K= 将以上各参数代入公式得:N=49 。
照度计算方法利用系数法计算平均照度平均照度(Eav)=光源总光通量(N*Ф)*利用系数(CU)*维护系数(MF)/区域面积(m2)(适用于室内或体育场的照明计算)利用系数:一般室内取0.4,体育取0.3维护系数:一般取0.7~0.8举例1:室内照明:4×5米房间,使用3×36W隔栅灯9套平均照度=光源总光通量×CU×MF/面积=(2500×3×9)×0.4×0.8÷4÷5=1080Lux结论:平均照度1000Lux以上举例2:体育馆照明:20×40米场地,使用POWRSPOT1000W金卤灯60套平均照度=光源总光通量×CU×MF/面积=(105000×60)×0.3×0.8÷20÷40=1890Lux结论:平均水平照度1500Lux以上某办公室平均照度设计案例:设计条件:办公室长18.2米,宽10.8米,顶棚高2.8米,桌面高0.85米,利用系数0.7,维护系数0.8,灯具数量33套,求办公室内平均照度是多少?灯具解决方案:灯具采用DiNiT2X55W防眩日光灯具,光通量3000Lm,色温3000K,显色性Ra90以上。
根据公式可求得:Eav=(33套X6000Lm X0.7X0.8)÷(18.2米X10.8米)=110880.00÷196.56m2=564.10Lux备注:照明设计必须必须要求准确的利用系数,否则会有很大的偏差,影响利用系数的大小,主要有以下几个因素:*灯具的配光曲线*灯具的光输出比例*室内的反射率,如天花板、墙壁、工作桌面等*室内指数大小。
照度的计算公式范文照度(Illuminance)是指光线照射到物体表面上的光强,通常以瓦特每平方米(W/m²)来表示。
它是物体表面每单位面积上所接收到的光功率密度。
一、自然光照度的计算在自然光照条件下,照度的计算公式如下:照度(lx)= 入射光通量(lm)/ 接收面积(m²)其中,入射光通量(lm)是指光源每秒钟向四面八方发射的总光功率,单位为流明(lm)。
而接收面积(m²)则是接收光线的物体表面的面积。
在实际应用中,可以采用光度计测量光源的入射光通量,然后根据具体接收面积计算照度。
例如,如果入射光通量为1000流明,并且接收面积为10平方米,那么计算得到的照度为100 lx。
需要注意的是,自然光的强度受到诸多因素的影响,包括光源的距离、环境的透光率等等。
因此,在实际计算中,需要对这些因素进行修正,以得到更准确的照度值。
二、人工光照度的计算在人工光照条件下,照度的计算公式也是类似的:照度(lx)= 灯具光通量(lm)* 光源功率因数(Pf)/ 接收面积(m²)其中,灯具光通量(lm)是指灯具向四面八方发出的总光功率,单位为流明(lm)。
光源功率因数(Pf)则是指灯具的功率因数,用来衡量灯具的效率。
接收面积(m²)指的是接收光线的物体表面的面积。
与自然光照度一样,人工光的强度也会受到一系列因素的影响,包括灯具的高度、光源的角度、灯具的数量等等。
因此,在实际计算中,需要对这些因素进行修正,以得到更准确的照度值。
总结:其中,入射光通量(lm)指的是光源每秒向四面八方发射的总光功率,光源功率因数(Pf)是指灯具的效率,接收面积(m²)是接收光线的物体表面的面积。
需要注意的是,在实际计算中,需要考虑到一系列因素的影响,并进行相应的修正,以获得更准确的照度值。
简单的照度计算公式
照度计算是电气技术和照明技术的重要组成部分,它用于衡量光照强度的大小。
在计算照度值时,可以使用简单的照度计算公式,其主要原理是采用照度计算后数值比较来确定照度值。
照度计算公式计算如下:
照度(lux)=照射功率(W)/面积(m2)
实际应用中,照度的计算基于国家和地区的规定,就要求的照度而言,如果小
于规定值,就要加大发光源的照度,即增加光源的照射功率,然后除以面积值,得出照度值,如果大于规定值,就要减小发光源照度,即减小光源的照射功率,再除以面积值,得出照度值。
照度计算公式有效地帮助电气工程师、照明设计师以及其他人们进行照度计算,有助于加快照明工程的进度,并提高照明设施的安全性和便捷性,因此,这个简单的公式不仅在照度计算方面非常实用,而且还在安全和人性化设计方面发挥了重要作用。
平均照度(Eav)= 单个灯具光通量Φ×灯具数量(N)×空间利用系数(CU)×维护系数(K)÷地板面积(长×宽) 公式说明:1、单个灯具光通量Φ,指的是这个灯具内所含光源的裸光源总光通量值。
2、空间利用系数(CU),是指从照明灯具放射出来的光束有百分之多少到达地板和作业台面,所以与照明灯具的设计、安装高度、房间的大小和反射率的不同相关,照明率也随之变化。
如常用灯盘在3米左右高的空间使用,其利用系数CU可取0.6--0.75之间;而悬挂灯铝罩,空间高度6--10米时,其利用系数CU取值范围在0.7--0.45;筒灯类灯具在3米左右空间使用,其利用系数CU可取0.4--0.55;而像光带支架类的灯具在4米左右的空间使用时,其利用系数CU可取0.3--0.5。
以上数据为经验数值,只能做粗略估算用,如要精确计算具体数值需由公司书面提供,相关参数,在此仅做参考。
3、是指伴随着照明灯具的老化,灯具光的输出能力降低和光源的使用时间的增加,光源发生光衰;或由于房间灰尘的积累,致使空间反射效率降低,致使照度降低而乘上的系数.一般较清洁的场所,如客厅、卧室、办公室、教室、阅读室、医院、高级品牌专卖店、艺术馆、博物馆等维护系数K取0.8;而一般性的商店、超市、营业厅、影剧院、机械加工车间、车站等场所维护系数K取0.7;而污染指数较大的场所维护系数K则可取到0.6左右。
室内照明利用系数法计算方法在平时做照度计算时,如果我们已知利用系数“CU”,则可以方便的利用一个经验公式进行快速计算,求出我们想要的室内工作面的平均照度值。
我们通常把这种计算方法称为“利用系数法求平均照度”,也叫流明系数法。
照度计算有粗略地计算和精确地计算2种。
例如,假设像住宅那样整体照度应该在100勒克斯(lx)的情况,而即使是90勒克斯(lx)也不会对生活带来很大的影响。
但是,如果是道路照明的话,情况就不同了。
照度计算公式照度是光照强度的量度单位,它是用来表示光源照射后在某个面上产生的明亮程度的一种物理量。
照度的计算是在量度光线亮度的基础上进行计算。
因此,计算照度及其方程式成为照明系统设计的第一步。
照度计算公式的基础是根据电磁学中光源照射强度换算出照度时,所遵循的古典定律“照度和光源照射强度成正比”,即:照度=光源照射强度/受照射面积由于光源亮度受方向性影响,因此,照度计算方程式也要考虑方向性影响,即:照度=光源照射强度/受照射面积*照射角度系数其中,照射角度系数就是光源照射时所经过的受照射面的角度,其取值范围为0-1,0表示光源照射时,受照射面与光源正方向垂直,1表示光源照射时,受照射面与光源正方向重合。
照度公式及其解析式也有所不同,但他们的基本原理都一样,即根据光源照射强度与受照射面积之比来计算照度。
另外,照度计算公式还有一些补充,比如,当光照面反射率较大时,需要考虑反射率影响,这时的照度公式可以表示为:照度=光源照射强度*照射角度系数*(1-反射率)/受照射面积另外,照度公式可以根据照明设施及其施加在受照射面上的光强等具体情况进行修正,以更好地描述光照强度。
计算照度是照明系统设计过程中的第一步,而照度计算公式本身也是照明设计中实用性最强的工具之一。
它可以帮助我们准确计算出各种照明设施下的光照强度,从而可以更好地设计照明系统,满足不同的应用要求。
此外,照度计算公式还可以应用于室内灯光设计,以及检测室内光照强度是否适宜,是否满足建筑服务安全、劳动生产效率等要求。
综上所述,照度计算公式和方程式是照明系统设计的重要工具,它可以帮助我们计算准确的照度,从而可以更好地满足不同的应用要求和服务安全、提升劳动生产效率等,为照明设计工作提供坚实的基础。
照度Ε[lx]=光通量[lm]/面积[㎡]照度等于入射于被照物体单位面积内的光通量。
它是客观存在的物理量,与被照物和人的感受无关,但它影响亮度的大小,从而间接的被人所感知。
单位:勒克斯[lx]光通量是单位时间内光源发出可见光的总能量,它表示光源的辐射能量引发人眼的视觉强度。
单位:流明[lm]3lx是比较暗了,打个比方,一般街道照明一般在5lx到30lx之间,就好比一条比较偏僻的街道,或者小区、公园比较幽暗的地方,能把对方来的路人大致分辨出来。
在暗环境下,3lx 已经足够照亮幽暗的林径小道了。
平均照度Eav=φnUK/An为灯具数量φ灯具光通量U利用系数K为维护系数A为照明面积维护系数0.65-0.8之间,视具体情况而定,越干净的地方系数越大。
利用系数要由室空间比RCR和墙面的反射系数共同决定。
照度计算方法利用系数法计算平均照度平均照度(Eav) = 光源总光通量(N*Ф)*利用系数(CU)*维护系数(MF) / 区域面积(m2) (适用于室内或体育场的照明计算)利用系数:一般室内取0.4,体育取0.3维护系数:一般取0.7~0.8举例1:室内照明:4×5米房间,使用3×36W隔栅灯9套平均照度=光源总光通量×CU×MF/面积=(2500×3×9)×0.4×0.8÷4÷5=1080 Lux结论:平均照度1000Lux以上举例2:体育馆照明: 20×40米场地,使用POWRSPOT 1000W金卤灯 60套平均照度=光源总光通量×CU×MF/面积=(105000×60)×0.3×0.8÷20÷40=1890 Lux结论:平均水平照度1500Lux以上某办公室平均照度设计案例:设计条件:办公室长18.2米,宽10.8米,顶棚高2.8米,桌面高0.85米,利用系数0.7,维护系数0.8,灯具数量33套,求办公室内平均照度是多少?灯具解决方案:灯具采用 DiNiT 2X55W 防眩日光灯具,光通量3000Lm,色温3000K,显色性Ra90以上。
怎样计算照度照度(Luminosity)指物体被照亮的程度,采用单位面积所接受的光通量来表示,表示单位为勒[克斯](Lux,lx) ,即1m /m2 。
1 勒[克斯]等于 1 流[明](lumen,lm)的光通量均匀分布于1m2 面积上的光照度。
照度是以垂直面所接受的光通量为标准,若倾斜照射则照度下降。
照度的计算照度的计算方法,有利用系数法、概算曲线法、比功率法和逐点计算法等。
(一)利用系数法1.利用系数的概念照明光源的利用系数(utilization coefficient) 是用投射到工作面上的光通量( 包括直射光通和多方反射到工作面上的光通)与全部光源发出的光通量之比来表示,即u=φe/nφ利用系数u与下列因数有关:1).与灯具的型式、光效和配光曲线有关。
2).与灯具悬挂高度有关。
悬挂越高,反射光通越多,利用系数也越高。
3).与房间的面积及形状有关。
房间的面积越大,越接近于正方形,则由于直射光通越多,因此利用系数也越高。
4).与墙壁、顶棚及地板的颜色和洁污情况有关。
颜色越浅,表面越洁净,反射的光通越多,因而利用系数也越高。
2.利用系数的确定利用系数值应按墙壁和顶棚的反射系数及房间的受照空间特征来确定。
房间的受照空间特征用一个“室空间比”(room cabin rate,缩写为RCR)的参数来表征。
如图8-12所示,一个房间按受照的情况下不同,可分为三个空间:最上面为顶棚空间,工作面以下为地板空间,中间部分则称为室空间。
对于装设吸顶灯或嵌入式灯具的房间,没有顶棚空间;而工作面为地面的房间,则无地板空间。
室空间比RCR=5hRC(l+b)/lb:式中hRC --室空间高度;l---房间的长度;b--房间的宽度。
根据墙壁、顶棚的反射系数(参看表8-1)及室空间比RCR,就可以从相应的灯具利用系数表中查出其利用系数。
3.按利用系数法计算工作面上的平均照度由于灯具在使用期间,光源本身的光效要逐渐降低,灯具也要陈旧脏污,被照场所的墙壁和顶棚也有污损的可能,从而使工作面上的光通量有所减少,所以在计算工作面上的实际平均照度时,应计入一个小于1的“减光系数”。
照度计算公式照度计算公式是照度测量中常用的算法。
它用于估算人眼在某个物体表面上的可见光,也是建筑照明设计的基础。
照度的大小关系到人的视觉效果,所以在照明设计过程中,需要考虑到照度的变化。
本文将为大家介绍照度计算公式背后的原理,以及实际应用中如何使用这一公式。
一、照度计算公式照度计算公式是从受光物体表面上的光源强度计算出来的。
它表示每平方米收到的光辐射量。
照度计算公式由四个参数组成:E(λ):发射光源光强度,表示每米发射光源的光能量。
α(λ):表面反射系数,表示表面反射多少的光能量。
Ω:能量角度,表示表面单位放射的光能量在全角度上的分布情况。
d:距离,表示光源到受光物体表面的距离。
照度计算公式如下:illuminance(E) = E(λ)*α(λ)*Ω / d二、背景原理计算照度的原理是光辐射能量从发射源到受光物体表面的能量分布,以及物体表面的反射情况。
根据物理学的基本定律,光的能量从源头开始按照锥形分布,到达物体表面以后会按照等比例反射。
反射的能量会随距离的变化而变化,这就是照度计算公式的背景原理。
三、实际应用照度计算公式在建筑照明设计中被广泛使用。
照度是衡量照明效果的重要指标,也是照明设计过程中必不可少的参数。
通过照度计算公式,可以计算出任何照明设计方案的照度值,为照明设计过程提供重要的参考和指导意见。
四、总结照度计算公式是照度测量中常用的算法,它根据物理学的基本定律,通过四个参数计算出每平方米收到的光辐射量。
它是照明设计过程中必不可少的参数,它能更好地评估照明设计方案效果,为建筑照明设计提供重要的参考和指导。
照度计算公式:平均照度(Eav) = 光源总光通量(N*Ф)*利用系数(CU)*维护系数(MF) / 区域面积(㎡)(适用于室内或体育场的照明计算)利用系数:一般室内取0.4,体育取0.3维护系数:一般取0.7~0.8举例:室内照明:4×5米房间,使用3×36W隔栅灯9套,平均照度=光源总光通量×CU×MF/面积=(2500×3×9)×0.4×0.8÷4÷5 =1080 Lux结论:平均照度1000Lux以上。
光照强度是指单位面积上所接受可见光的能量,简称照度,单位勒克斯(Lux或Lx)。
为物理术语,用于指示光照的强弱和物体表面积被照明程度的量。
看这个例子吧。
照度计算方法利用系数法计算平均照度平均照度(Eav) = 光源总光通量(N*Ф)*利用系数(CU)*维护系数(MF) / 区域面积(m2) (适用于室内或体育场的照明计算) 利用系数:一般室内取0.4,体育取0.3 维护系数:一般取0.7~0.8 举例1:室内照明:4×5米房间,使用3×36W隔栅灯9套平均照度=光源总光通量×CU×MF/面积=(25 00×3×9)×0.4×0.8÷4÷5 =1080 Lux 结论:平均照度1000Lux以上举例2:体育馆照明:20×40米场地,使用POWRSPOT 1000W金卤灯60套平均照度=光源总光通量×CU×MF/面积=(105000×60)×0.3×0.8÷20÷40 =1890 Lux 结论:平均水平照度1500Lux以上某办公室平均照度设计案例:设计条件:办公室长18.2米,宽10.8米,顶棚高2.8米,桌面高0.85米,利用系数0.7,维护系数0.8,灯具数量33套,求办公室内平均照度是多少?灯具解决方案:灯具采用DiNiT 2X55W 防眩日光灯具,光通量3000Lm,色温3000K,显色性Ra90以上。
根据公式可求得:Eav = (33套X 600 0Lm X 0.7 X 0.8) ÷(18.2米X 10.8米) = 110880.00 ÷196.56 m2 = 564.10Lux 备注:照明设计必须必须要求准确的利用系数,否...展开本回答被提问者采纳sunnyandi |推荐于2016-12-01 19:02:10评论(8)11616照度计算方法:利用系数法计算平均照度:平均照度(Eav)= 光源总光通量(N*Ф)*利用系数(CU)*维护系数(MF) / 区域面积(m2)(适用于室内或体育场的照明计算)利用系数:一般室内取0.4,体育取0.3维护系数:一般取0.7~0.8举例 1:室内照明: 4×5米房间,使用3×36W隔栅灯9套平均照度=光源总光通量×CU×MF/面积=(2500×3×9)×0.4×0.8÷4÷5=1080 Lux结论:平均照度1000Lux以上。
举例 2:体育馆照明: 20×40米场地,使用POWRSPOT 1000W金卤灯 60套。
平均照度=光源总光通量×CU×MF/面积=(105000×60)×0.3×0.8÷20÷40=1890 Lux结论:平均水平照度1500Lux以上某办公室平均照度设计案例:设计条件:办公室长18.2米,宽10.8米,顶棚高2.8米,桌面高0.85米,利用系数0.7,维护系数0.8,灯具数量33套,求办公室内平均照度是多少?灯具解决方案:灯具采用 DiNiT 2X55W 防眩日光灯具,光通量3000Lm,色温3000K,显色性Ra9 0以上。
根据公式可求得:Eav= (33 X 6000Lm X 0.7 X 0.8) ÷ (18.2 X 10.8)= 110880.00 ÷ 196.56 m2= 564.10Lux备注:照明设计必须必须要求准确的利用系数,否则会有很大的偏差,影响利用系数的大小,主要有以下几个因素:1.灯具的配光曲线 ;2.灯具的光输出比例 ;3.室内的反射率,如天花板、墙壁、工作桌面等 ;4.室内指数大小。
光照度,即通常所说得勒克司度(lux),表示被摄主体表面单位面积上受到的光通量。
1勒克司相当于1流明/平方米,即被摄主体每平方米的面积上,受距离一米、发光强度为1烛光的光源,垂直照射的光通量。
光照度是衡量拍摄环境的一个重要指标。
定义室内照明利用系数法计算平均照度:在平时做照度计算时,如果我们已知利用系数“CU”,则可以方便的利用一个经验公式进行快速计算,求出我们想要的室内工作面的平均照度值。
我们通常把这种计算方法称为“利用系数法求平均照度”,也叫流明系数法。
照度计算有粗略地计算和精确地计算2种。
用例例如,假设像住宅那样整体照度应该在100勒克斯(lx)的情况,而即使是90勒克斯(lx)也不会对生活带来很大的影响。
但是,如果是道路照明的话,情况就不同了。
假设路面照度必须在20勒克斯(lx)的情况下,如果是18勒克斯(lx)的话,就有可能造成交通事故频发。
商店也是一样,例如,商店的整体最佳照度是500勒克斯(lx),由于用600勒克斯(lx)的照度,所以,照明灯具数量和电量就会增加,并在经济上造成影响。
公式无论是哪一种照度计算都是重要的。
虽然只是粗略地估算,也会有20%-30%的误差。
所以建议在一般情况下最好采用专业的照明设计软件进行精确模拟计算,将误差控制在最小范围内。
但有时我们由于情况特殊或场地条件所限,而不能采用照明软件模拟计算时,在计算地板、桌面、作业台面平均照度可以用下列基本公式进行,略估算出灯具照度(勒克斯lx)=光通量(流明lm)/面积(平方米m^2) 即平均1勒克斯(lx)的照度,是1流明(lm)的光通量照射在1平方米(m^2)面积上的亮度。
用这种方法求房间地板面的平均照度时,在整体照明灯具的情况下,可以用下列公式进行计算。
平均照度(Eav)= 单个灯具光通量Φ×灯具数量(N)×空间利用系数(CU)×维护系数(K)÷地板面积(长×宽) 公式说明1、单个灯具光通量Φ,指的是这个灯具内所含光源的裸光源总光通量值。
2、空间利用系数(CU),是指从照明灯具放射出来的光束有百分之多少到达地板和作业台面,所以与照明灯具的设计、安装高度、房间的大小和反射率的不同相关,照明率也随之变化。
如常用灯盘在3米左右高的空间使用,其利用系数CU可取0.6--0.75之间;而悬挂灯铝罩,空间高度6--10米时,其利用系数CU取值范围在0.7--0.45;筒灯类灯具在3米左右空间使用,其利用系数CU可取0.4--0.55;而像光带支架类的灯具在4米左右的空间使用时,其利用系数CU可取0.3--0.5。
以上数据为经验数值,只能做粗略估算用,如要精确计算具体数值需由公司书面提供,相关参数,在此仅做参考。
3、是指伴随着照明灯具的老化,灯具光的输出能力降低和光源的使用时间的增加,光源发生光衰;或由于房间灰尘的积累,致使空间反射效率降低,致使照度降低而乘上的系数.一般较清洁的场所,如客厅、卧室、办公室、教室、阅读室、医院、高级品牌专卖店、艺术馆、博物馆等维护系数K取0.8;而一般性的商店、超市、营业厅、影剧院、机械加工车间、车站等场所维护系数K取0.7;而污染指数较大的场所维护系数K则可取到0.6左右。
利用系数法此方法用于计算平均照度(光源光通量)(CU)(MF) /照射区域面积适用于室内,体育照明利用系数(CU):一般室内取0.4,体育取0.3 1. 灯具的照度分布 2. 灯具效率 3. 灯具在照射区域的相对位置 4. 被包围区域中的反射光维护系数MF=(LLD)X(LDD)一般取0.7~0.8 举例1:室内照明,4×5米房间,使用3×36W隔栅灯9套计算公式:平均照度=光源总光通×CU×MF/面积=(2500×3×9)×0.4×0.8÷4÷5 =1080 Lux 结论:平均照度1000Lux以上举例2:体育馆照明,20×40米场地,使用POWRSPOT 1000W金卤灯60套平均照度=光源总光通×CU×MF/面积=(105000×60)×0.3×0.8÷20÷40 =1890 Lux 结论:平均水平照度1500Lux以上垂直照度1000Lux以上(视安装位置)照度计算方法利用系数法此方法用于计算平均照度= (光源光通量)×(CU)×(MF)÷照射区域面积利用系数:一般室内取0.4,体育取0.31. 灯具的照度分布2. 灯具效率3. 灯具在照射区域的相对位置4. 被包围区域中的反射光维护系数MF=(LLD)X(LDD)一般取0.7~0.8其实没有什么区别,一样是计算平均照度(Eav)= 单个灯具光通量Φ×灯具数量(N)×空间利用系数(CU)×维护系数(K)÷地板面积(长×宽)唯一需要知道的是,LED的一些参数,比如其光束角一般是120度。
光效来说,好的灯理量就相当于一盏100瓦的白炽灯,这也就是节能的由来。
当然实际上只是理论,具体的还要考虑到LED的电源部分损耗,光热发散损耗,还有光衰等等,就不好说了,这里就不多写了。
一样是计算平均照度(Eav)= 单个灯具光通量Φ×灯具数量(N)×空间利用系数(CU)×维护系数(K)÷地板面积(长×宽)。
LED的一些参数,比如其光束角一般是120度。
光效来说,好的灯理论为100lm/W,100瓦的白炽灯,这也就是节能的由来。
当然实际上只是理论,具体的还要考虑到LED的电源部分损耗,光热发散损耗,还有光衰等等。