件3:紧固件供方-成品检验报告单(模板)
- 格式:xlsx
- 大小:67.65 KB
- 文档页数:3
机械零件质量检验报告表模板【中英文实用版】英文文档内容:Mechanical Part Quality Inspection Report TemplateIntroduction:This report template is designed to provide a comprehensive overview of the quality inspection process for mechanical parts.It includes essential details such as the part number, inspection date, and inspector"s name.The template also lists the specific criteria and standards that the parts are evaluated against, including dimensional accuracy, material specifications, and surface finish.sections:1.Part Identification:- Part Number: [Insert Part Number]- Description: [Insert Part Description]- Manufacturer: [Insert Manufacturer Name]- Lot/Serial Number: [Insert Lot/Serial Number]2.Inspection Date:- [Insert Inspection Date]3.Inspector"s Name:- [Insert Inspector"s Name]4.Inspection Criteria:- Dimensional Accuracy: [Insert applicable standards and tolerances]- Material Specifications: [Insert applicable material standards and requirements]- Surface Finish: [Insert applicable surface finish standards and requirements]- Other: [Insert any other relevant inspection criteria]5.Inspection Results:- [Insert detailed description of inspection results, including any deviations from the specified criteria]6.Conclusion:- [Insert conclusion statement regarding the overall quality of the parts]- [Insert any necessary recommendations or corrective actions]7.Signatures:- [Insert Inspector"s Signature]- [Insert Supervisor"s Signature]- [Insert Date]ote: This template can be customized to meet specific company or project requirements.中文文档内容:机械零件质量检验报告模板引言:本报告模板旨在提供关于机械零件质量检验过程的全面概述。
普通螺栓检验报告模板检验项目- 外观检验- 尺寸检验- 材质检验- 强度检验- 螺纹检验检验标准- GB/T 34657-2017《螺纹连接技术普通螺纹螺栓和螺钉检验规程》- GB/T 3098.1-2010《紧固件机械性能的分类第1部分:螺栓、螺钉和螺栓螺母组合件》检验设备- 螺纹卡规- 量具(卡尺、外径千分尺等)- 强度测试仪- 显微镜- 化学成分分析仪外观检验项目:表面质量- 检验要求:无明显划痕、锈蚀、裂纹等缺陷- 检验结果:合格/不合格项目:螺纹质量- 检验要求:螺纹清晰,无损伤、划痕等缺陷- 检验结果:合格/不合格尺寸检验项目:直径- 检验要求:符合标准要求,误差范围±0.1mm - 检验结果:合格/不合格项目:长度- 检验要求:符合标准要求,误差范围±0.2mm - 检验结果:合格/不合格材质检验项目:材料- 检验要求:根据订单或图纸指定的材料- 检验结果:合格/不合格项目:化学成分- 检验要求:符合标准要求- 检验结果:合格/不合格强度检验项目:抗拉强度- 检验要求:符合标准要求- 检验结果:合格/不合格项目:屈服强度- 检验要求:符合标准要求- 检验结果:合格/不合格项目:延伸率- 检验要求:符合标准要求- 检验结果:合格/不合格螺纹检验项目:螺纹规格- 检验要求:符合标准要求- 检验结果:合格/不合格项目:螺距- 检验要求:符合标准要求- 检验结果:合格/不合格检验结论此次检验的普通螺栓通过了外观检验、尺寸检验、材质检验、强度检验和螺纹检验,各项指标符合标准要求,因此被判定为合格品。
检验员签名:________________检验日期:__________________。
产品质量检验报告表
一、产品检验报告表
1. 产品名称:
2. 厂家名称:
3. 认证编号:
4. 质量标准:
5. 检验项目:
A. 材质:
B. 性能:
C. 外观:
D. 性能指标:
6. 检验结果:
A. 材质:
B. 性能:
C. 外观:
D. 性能指标:
7. 检验结论:
二、产品质量检验
本报告是对xxxxxx产品进行质量检验报告表,本次检验以《xxxxxxx》为技术标准,根据《xxxxxx》和《xxxxxx》等有关认证标准,进行检验。
1. 产品名称:xxxx产品
2. 厂家名称:xxxx公司
3. 认证编号:xxxx
4. 质量标准:xxxx
5. 检验项目:
A. 材质:耐压性能、吸水率
B. 性能:抗拉强度、耐老化性能
C. 外观:外观形态
D. 性能指标:延伸性能
6. 检验结果:
A. 材质:耐压性能良好,吸水率合格
B. 性能:抗拉强度良好,耐老化性能良好
C. 外观:无表面起皱、气泡等缺陷
D. 性能指标:形变量满足质量标准
7. 检验结论:xxxx产品质量符合xxx标准的要求,经检验合格。
本报告最终解释权归xxxx公司所有。
JS-ZL/BD---04产品检验报告单产品型号产品品名编号生产批号执行标准生产日期取样日期报告日期审核人/日期:检验员/日期:注:一式两联。
一联质量管理部存根,一联交生产班组作入库凭证,并交由成品库留存。
JS-ZL/BD---09原材料检验报告单编号品名规格/型号生产厂家生产批号进料日期取样日期报告日期审核人/日期:检验员/日期:注:一式两联。
一联质量管理部存根,一联交采购部作入库凭证,并交由原料库留存。
改制产品记录编号:注:一式两联。
一联生产部存根,一联报质量管理部。
微生物检验通知单类别::产品类□原料类□编号:取样人:报验人:检验员:复核人:注:一式两联。
一联微生物检验室存根,一联交报验部门。
评X检验通知单类别:产品类□原料类□编号:取样人:报验人:检验员:复核人:注:一式三联。
一联检验室存根,一联交微生物检验室,一联交报验部门。
现场检验结果通知单编号:年月日注:一式两联。
一联检验部门存根,一联交采购员作入库凭证。
质量检验日报表年月日主管:检验员:注:本表一式两份,一份检验室留存,一份报质量管理部。
报验单报验部门:编号:注:要求检验项目,用打“√”表示。
此单一式两联,一联报验部门存根,一联报检验室。
JS-ZL/BD---05退(换)货质量检验通知单编号:退(换)货单位退(换)货日期年月日检验报告日期年月日质量检验结果库管员/日期:调制员/日期:检验员/日期:注:一式四联。
一联质量管理部存根,一联报技术部,一联报营业部,一联报成品库。
JS-BZ/BD---01质量标准修订单注:一式四联。
一联标准化计量管理室存根,其余分报技术总监、技术部、质量管理部。
希望以上资料对你有所帮助,附励志名言3条:1、生气,就是拿别人的过错来惩罚自己。
原谅别人,就是善待自己。
2、未必钱多乐便多,财多累己招烦恼。
清贫乐道真自在,无牵无挂乐逍遥。
3、处事不必求功,无过便是功。
为人不必感德,无怨便是德。
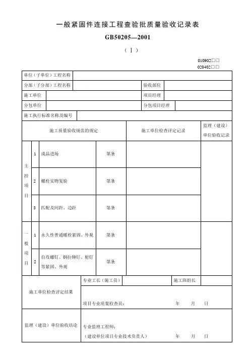
一般紧固件连接工程查验批质量验收记录表
GB50205—2001
(Ⅰ)
010902□□
说明
(Ⅰ)
010902
020402
主控项目:
1、一般螺栓、铆钉、自攻钉、拉铆钉、射钉、锚栓(机械型和化学试剂型)、地脚锚栓等紧固标准件及螺母、垫圈等标准配件,其品种、规格、性能等应符合现行国家产品标准和设计要求。
检查产品质量合格证明文件、中文标志及查验报告。
2、一般螺栓作为永久性连接螺栓时,当设计有要求或对其质量有疑义时,应进行螺栓实物最小拉力载荷复验,实验方式见本标准附录B,其结果应符合《紧固件机械性能螺栓、螺钉和螺柱》GB3098的规定。
检查螺栓实物复验报告。
3、连接薄钢板采纳的自攻钉、拉铆钉、射钉等其规格尺寸应与被连接钢板相匹配,其间距、边距等应符合设计要求。
观看和尺量检查。
一样项目:
1、永久性一般螺栓紧固应牢固、靠得住,外露丝扣很多于2扣。
观看和用小锤敲击检查。
2、自攻螺钉、钢拉铆钉、射钉等与连接钢板紧固密贴,外观排列整齐。
观看或用小锤敲击检查。
一般紧固件衔接查验批质量查验记载表
表 5.11.3 工程编号:
单位(子单位) 分部(子分部)
工程称号 工程称号
分项工程称号 查验部位
施工单位 项目经理
施工履行规范 专业工长
名称及编号 (施工员 )
分包单位 分包项目经理 施工班组长
施工质量查验规范的规则 施工单位自检记录 监理 ( 建设 ) 单位验收结果 类 序 检验项目 质量标准
别 号
钢结构衔接用 应契合现行国家产品 1 资料的种类、 规
标准和设计要求 格、性能等
一般螺栓作为永久性 衔接螺栓时, 当规划有 主 一般螺栓最小 要求或对其质量有疑 控 2 拉力荷载复验 义时,螺栓实物最小拉 项 力载荷复验应契合现 目 行国家规范的规则 衔接薄钢板采 衔接薄钢板选用的自 攻螺、拉铆钉、 射钉等 用的自攻螺、 拉 3 其标准尺度应与衔接 铆钉、射钉等其 钢板相匹配,其距离、 标准尺度、间 距、边距 边距等应契合规划要 求
螺栓紧固应结实、可
1 螺栓紧固
靠、显露丝扣不该少于
2 扣 一
般
项
目自攻螺栓、钢拉
外观摆
2应紧固密贴,
铆钉、射钉等与放
连接钢板整齐
施工单位
查看成果
项目专业质量查看员:项目专业技术负责人:年月日监理( 建设) 单位
查验定论
专业监理工程师:
( 建设单位项目专业技术负责人) 年月日。
LevelI
S-1
判定结果
泰普森判定结果
退货
挑选
让步
A B C D E
外观及表面缺陷包装及标识
其它(原材料商等)头部厚度(k)
头/杆部间倒角(r)螺丝直径(d)螺丝长度(l)螺纹长度(b)
其它尺寸 .表面硬度(HV0.3)芯部硬度(HV5)杭州恒翔工贸有限公司产品检验报告单
物料类别五金类材料.紧固产品检验日期
泰普森来料检验日
代号
采购合同
包装/出厂时间
物料名称/规格型号/状态/颜色等
来料数量
验货结论
泰普森不合格处置方式
抽检数量
类型
代号检验项目检验检测记录(①记录及记录对应的检验检测样品随成品出厂送至客户处;②一般情况下,检验项目每项计量值最多只记录3个数据)
A#产品记录B#产品记录C#产品记录D#产品记录E#产品记录
材质/热处理/性能等级特
殊
检查(
)
尺寸记录
硬度常规
检
查
头/杆部脆性测试牙纹检测三点抗弯(kg)
破坏扭矩(N.M)极限拉力载荷(Fm)盐雾试验(保护/外观)其它 .不合格具体描述
备注:
①请如实填写产品检验记录,检验记录栏中黑框内记录由客户(泰普森)填写。
②计量值的请填实测值,多位数据请用/隔开; 非计量值用“√”表示合格,“×”表示不合格。
检验员复核员泰普森检验人员泰普森复核人员
S -1
Level 1。