62052RS-1X1全尺寸检验报告
- 格式:xls
- 大小:62.00 KB
- 文档页数:1
焊接及机械连接出厂合格证及进场检验报告Ⅰ基本要求和内容(1)凡采用焊接或机械连接的受力钢筋均应有力学性能检验告,其被连接母材质量检验结果均须符合设计及有关标准、规范及规程的规定。
(2)在工程开工正式焊接之前,参与该项施焊的焊工应进行现场条件下的焊接工艺试验,并经试验合格后,方可正式生产。
(3)不同的钢筋接头其力学性能检验应从外观检查合格的成品接头或制品中按批随机抽取试件分别作拉伸、弯曲或抗剪等检验,见质控(建)表4.1.4.7-1~3,其批量应符合下列要求:1)凡钢筋牌号、直径及尺寸相同的焊接网和焊接骨架为同一验收批,且每300件为一批,一周内不足300件亦按一批。
2)闪光对焊以同一台班,同一焊工完成的300个同牌号、同直径的钢筋焊接接头作为一批,当同一台班内焊接的接头数量较少时,可在一周内累计,若累计仍不足300个接头,则亦按一批。
3)钢筋电弧焊在现浇混凝土结构中,以同牌号钢筋、同接头类型不大于300个接头为一批。
在房屋结构中,按不超过二楼层中300个同牌号钢筋、同型式接头为一批,不足300个仍按一批。
4)钢筋电渣压力焊和钢筋气压焊在现浇混凝土结构中,以同牌号钢筋不大于300个接头为一批;在房屋结构中,按不超过二楼层中300个同牌号钢筋接头为一批,不足300个仍按一批。
5)预埋件钢筋埋弧压力焊T型接头以300件同类型预埋件为一批。
一周内连续焊接时,可以累计,不足300件时亦按一批。
6)钢筋机械连接以同一施工条件下采取同一批材料的同等级、同型式、同规格不超过500个接头一批,当现场检验连续10个验收批抽样合格率为100%,验收批的数量可为1000个接头(现场安装同一楼层不足500个或1000个接头时仍按一批)。
7)预埋件钢筋电弧焊T型接头以300件同类型预埋件为一批,一周内连续焊接时,可以累计,不足300件时仍按一批。
(4)钢筋焊接和机械连接检验报告应按质控(建)表4.1.4.7-1~3规定内容填写每个试件检验结果数据及结论,应说明破坏部位(断在接头、热影响区或接头外)及破坏状态(呈现脆性或延性断裂等);焊接接头弯曲检验应注明弯心直径、弯曲角度及每根试件弯曲后在焊缝处是否发生断裂,并判断该组试件的拉伸及弯曲检验结果是否合格。
设备出厂检验报告
1设备名称
2 检验项目
气温:湿度:检验日期:检验人员:检验结论:
气温:湿度:检验日期:检验人员:检验结论:
气温:湿度:检验日期:检验人员:检验结论:
气温:湿度:检验日期:检验人员:检验结论:
4.5电流电压测量
气温:湿度:检验日期:检验人员:检验结论:
4.6保护定值及模拟试验
气温:湿度:检验日期:检验人员:检验结论:
气温:湿度:检验日期:检验人员:检验结论:
气温:湿度:检验日期:检验人员:检验结论:
气温:湿度:检验日期:检验人员:检验结论:
气温:湿度:检验日期:检验人员:检验结论:
5检定结论签字。
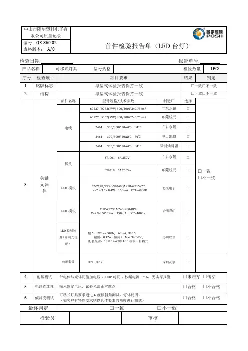
首件检验报告单(LED 台灯)编号:QR-860-02 表格版本: A/0检验日期: 报告单号:产品名称 可移式灯具 型号规格检验数量 1PCS 序号 检查项目 项目要求结果判定1 铭牌标志 与型式试验报告保持一致 □一致□不一致 2结构与型式试验报告保持一致□一致□不一致3关键 元器 件部件名称型号规格/技术参数制造厂 选择□一致 □不一致电线60227 IEC 52(RVV) 300/300V 2×0.75㎜2 广东永锐 □ 60227 IEC 52(RVV) 300/300V 2×0.75㎜2东莞统元 □ 2464 300/300V 20AWG 80℃ 广东永锐 □ 2464 300/300V 20AWG 80℃ 中山凯博 □ 2464 300/300V 20AWG 80℃深圳灿科盟 □ 插头YR-001 6A 250V~广东永锐 □TY -010 6A 250V~东莞统元□LED 模块62-217B/KK2C-S4040QAR2B42Z15/2T V=2.9-3.5V 0.4W 150mA CCT=4000K亿光电子 □LED 模块CHTW5730A-Z40-R80-OP4V=2.9-3.5V 0.4W 150mA CCT=4000K合肥彩虹 □LED 控制装置(带调光功能)输入:220V~,50Hz, 60mA, PF:0.5输出:0.12A (恒流) Max.340VDC, 配套光源:18×0.4W/颗LED 模块,自耦式苏州欧普 □热缩套管 Ф3-Ф12 深圳沃尔 □4 耐压测试 带电体与壳体间施加电压2000V 时间2秒漏电流5mA ,无击穿报警; □未击穿 □击穿5 电路连续性 输入额定电压,试验光源正常燃点□合格 □不合格 6倾斜度测试可移式灯具要求通过6度倾斜角测试,灯体稳固。
(如客户有特殊要求则以具体要求的角度进行测试)□合格 □不合格最终判定□一致 □不一致检验员审核首件检验报告单(LED 台灯)编号:QR-860-02 表格版本: A/0检验日期: 报告单号:产品名称 可移式灯具 型号规格检验数量 1PCS 序号 检查项目 项目要求结果判定1 铭牌标志 与型式试验报告保持一致 □一致□不一致 2结构与型式试验报告保持一致□一致□不一致3关键 元器 件部件名称 型号规格/技术参数制造厂 选择□一致 □不一致电线1332 22AWG-26AWG 300V/300V 广州唐耀 □ 1332 22AWG-26AWG 300V/300V深圳灿科盟□ LED 光源PH351PCB-18LED VF=2.8V-3.4V 0.4W 120mA亿光□PH3297PCB-18LED VF=2.8V-3.4V 0.4W 60mA □ PH360PCB-30LED VF=2.8V-3.4V 0.4W 60mA□与灯具联用的杂类电子线路TG351 输入:24V, 0.3A ,Max.12W ;输出:24V, 0.3A ; Max.12W 欧司朗 (中山隆华) □ TG29 输入:20V, 0.3A ,Max.6W ;输出:20V, 0.3A ; Max.6W ;欧司朗 (中山隆华)□LED 模块用交流电子控制装置 POSH0-012-2400500CH100-240V~,50/60Hz,0.35A, λ:0.46 输出:Max.0.5A,24V (恒压)中山隆 (深圳铁甲) □LED 模块用交流电子控制装置 NLB050240W1CL100-240V~,50/60Hz,0.4A, 输出:Max.0.5A,24V (恒压)深圳纳林□LED 模块用交流电子控制装置 TEKA006-2000300CH100-240V~,50/60Hz,输出:Max.0.3A,20V (恒流)深圳铁甲 □LED 模块用交流电子控制装置 TEKA006-1250360CH100-240V~,50/60Hz,输出:Max.0.3 6A,12.5V (恒流)深圳铁甲□热缩套管Ф3-Ф12深圳沃尔□4 耐压测试 带电体与壳体间施加电压2000V 时间2秒漏电流5mA ,无击穿报警; □未击穿 □击穿5 电路连续性 输入额定电压,试验光源正常燃点□合格 □不合格 6倾斜度测试可移式灯具要求通过6度倾斜角测试,灯体稳固。
产品全尺寸检验报告(一)引言概述:
本文档是针对产品全尺寸检验的报告,通过对产品进行详细的检测和评估,旨在确保产品的质量和性能达到预期标准。
全尺寸检验是一项重要的质量控制活动,对于保证产品的可靠性和安全性具有重要意义。
正文:
1. 产品外观检验
- 检查产品的外观是否符合设计要求
- 检查产品的颜色、光泽度、表面平整度等方面是否达标
- 检查产品是否存在任何外观缺陷或损伤
2. 产品尺寸测量
- 使用精确的测量工具对产品尺寸进行测量
- 比较测量结果与设计图纸中规定的尺寸标准进行对比
- 确保产品的尺寸精度符合要求,并排除尺寸超差的情况
3. 产品功能性测试
- 对产品的各项功能进行全面测试
- 检验产品是否能够正常运作并满足设计要求
- 测试产品在不同条件下的可靠性和稳定性
4. 产品耐久性评估
- 对产品的材料及制造工艺进行评估
- 使用适合的试验方法模拟产品在长期使用中的情况
- 评估产品的耐久性和寿命,并采取相应的措施进行改进
5. 产品安全性检查
- 检查产品是否符合相关的安全标准和法规
- 检验产品是否存在任何安全隐患
- 确保产品在正常使用过程中不会给用户带来任何安全风险
总结:
综上所述,通过全尺寸检验,我们对产品的外观、尺寸、功能性、耐久性和安全性进行了全面评估。
在检验过程中,我们发现并解决了一些尺寸超差、功能缺陷以及材料问题。
经过改进和调整后,产品达到了预期的质量和性能标准。
我们将继续进行产品的全尺寸检验,并持续改进,以确保产品始终满足客户的需求和期望。
安普检测报告
检测单位:安普检测中心
检测报告编号:AP20210816
检测日期:2021年8月16日
被检测单位:XXX公司
被检测产品:XXX产品
检测标准:GB/T 12345-XXXX
检测结果:
经过对被检测产品的多项指标进行测试和分析,根据上述标准,本次检测结果如下:
1.外观和尺寸:合格
2.电气性能:合格
3.电磁兼容性:合格
4.安全性能:合格
结论:
被检测产品符合GB/T 12345-XXXX标准要求,经检测合格。
备注:
本报告仅针对被检测产品本身进行检测,不对其他因素如运输、贮存等进行考虑。
若被检测单位在使用过程中出现问题,请参照
规定进行处理。
检测单位对本报告负责。
检测人员:
XX(签名) 2021年8月16日XX(签名) 2021年8月16日。
xxxxxxxxxxxxxxxxxxxxxxxxx检验报告NO:D09-SG0015产品名称储水式电热水器生产日期2009年 11 月型号规格xxxxxxxxxxxxx编号或批号商标------等级-------样品单号3053929受检单位xxxxxxxxxxxxxxxxxx检验种类市专项执法检查委托单位xxxxxxxxxxxxxxxxxxxx样品数量 3 台生产单位xxxxxxxxxxxxxxxxxxx抽样基数13 台抽样地址xxxxxxxxxxxxxxxx到样日期2009年 12 月 2 日来样方式xxxxxxxxxxxxxxxxxxxxxx验讫日期2009年 12 月 22 日样品特色和状态圆满GB4706.12-2006 《家用和近似用途电器的安全储水式热水器的特别要求》GB4706.1-2005 《家用和近似用途电器的安全第一部分:通用要求》检验依据GB/T20289-2006 《储水式电热水器》《 2009 年第四时度广东省专项督查检验电热水器产品检验细则》本次专项执法检查检验项目共20 项,其中标志和说明项合格, A 类不合格0 项, B 类不合格0 项。
A 类不合格项目:-------B 类不合格项目:------检验结论检验报告专用章2009 年 12 月 25 日备注xxxxxxxxxx赞同:审察:编制:序检测结果单项检验项目标准要求2#号1#判断按防触电保护分类I 类I 类----1分类按防水保护程度分类IPX4IPX4----额定电压或额定电压范围(V )220220合格电源种类与符号吻合吻合合格器额定频率或额定频率范围(Hz)5050合格具额定功率( W&KW )2000W2000W 上合格应制造厂名或代理商名、商标或鉴别标志吻合吻合合格有器具型号DSZF-40合格标II 类结构的符号------------志按其防水等级的 IP 代码, IPX0 不标出IPX4IPX4合格额定压力 (Pa)0.6MPa0.6MPa合格额定容量( L)40L40L合格拥有一个额定值范围,应采用由一个连字符分开的范围的上限值和下限值------------来标示不相同额定电压设定应清楚可辨------------应标出每个额定电压所对应的额定输入功率------------使用正确的符号吻合吻合合格电源性质的符号,应紧挨所标示的额定电压吻合吻合合格II类器具符号所放置的地址,应不能能与任何其他标示发生混淆------------连接到三根或三根以上的供电导线的器具和多电源器具,装备正确的接线------------图,并固定在器具上专为中性线使用的接线疯子用字母N 表示吻合吻合合格2除 Z标志接地端子必定用接地符号表示吻合吻合合格型连接上述符号不应标在螺钉、可拆卸的垫圈或其他在连接导线时可能被吻合吻合合格拆卸的部件上可能引起危险的开关,其标志和放置的地址应清楚的表示它所控制的是器吻合吻合合格具的那个部分开关和调治装置的不相同地址应用数字、字母或其他标志加以表示,较大数吻合吻合合格字对付较大输入功率数字“ 0”只能表示“断开”档位,除非不致与“断开”档位相混淆------------在安装或正常使用期间,打算调治的控制器应标出调治方向的标示吻合吻合合格使用说明书应随器具一起供应,以保证器具能安全使用吻合吻合合格吻合附录 AA 要求的热水器,在使用说中应注明“一旦发生器具以外的接地系统异常情况时,应马上停止使用热水器,并拔下其电源插头或断开与------------供电电路的所有连接,并与制造厂的维修人员联系办理”使用说明书应包括:1.有特地制备软线的 X 型连接的器具,应写有“若是电源软线损坏,必须由制造厂或其维修部或近似的专职人员来更换”;2. Y 型连接的器具,应写有“若是电源软线损坏,为防范危险,必定由吻合吻合合格制造厂或其维修部或近似的专职人员来更换”;3.Z 型连接的器具,应写有“电源软线不能够更换,若是软线损坏,此器具应荒弃”;密闭式电热水器的说明书应有下述内容:1.水能够从压力释放装置的排水管中流出,而且排水管要保持与大气相通;2.压力释放装置要如期动作,以去掉碳酸钙聚积而且证明装置没有拥堵进3.除非压力释放装置在器具内部,否则应说明装置的型号和特色以及如何连接;4.热水器如何排空;5.与压力释放装置连接的排放管要以一种连续向下的方式安装在无霜的环境中;6.对于额定压力小于 0.6MPa 的器具,应有减压阀的型号和特色以及安装细则;应能鉴别进出水管。
出厂检验报告产品名称:变压器中性点直流电流抑制装置产品型号: PAC-50K 安装地点:产品编号:制造单位:南京南瑞集团公司检验日期:检验依据1.南京南瑞集团公司北京监控技术中心《PAC-50K变压器中性点直流电流抑制装置技术条件》;2.与产品有关的技术文件。
主要检验设备检验项目检验结论一结构和外观检查检验日期:年月日二绝缘性能检查2.1 绝缘电阻使用仪器:兆欧表注意事项:装置不带电运行检验日期:年月日2.2 介质强度使用仪器:耐压仪注意事项:装置不带电运行检验日期:年月日三程序版本检查检验日期:年月日版本发布日期:四电源检查使用仪器:万用表注意事项:装置通电运行检验日期:年月日五测量精度检查5.1测量通道精度测量5.1.1 电流测量精度检查使用仪器:继电保护测试仪试验方法:采用电力保护测试仪,,依据下表的输入值分别模拟现场变压器的中性点电流和可控硅电流,读后台监控终端的中性点电流、中性点电流辅助通道、可控硅电流、可控硅电流辅助量测的数值。
电流测量精度检查记录表5.1.2 电压测量精度检查使用仪器:试验充电电源,万用表;试验方法:利用高电压充电电源对电容器充电,测电容两端电压时充至最大测量值+100V/-100V以上,测可控硅两端电压时充至最大测量值500V以上,关闭充电电源停止充电,等待电容自然放电,读万用表电压读数,读后台监控终端读数。
直流电压测量精度检查5.2 通讯功能检查5.3 远程监控终端操作测试5.3.1 定值修改5.3.2 日志获取5.4 NCS接口测试5.4.1 告警开关量输出信号试验隔直装置提供6个告警输出信号,告警输出信号以空接点的形式输出,当装置某个事件出现时,对应的告警信号输出节点闭合:测试设备:告警信号测试指示灯板5.4.2 模拟量信号输出检验隔直装置为NCS提供中性点电流和电容器两端电压两个模拟量信号。
1)中性点电流模拟量输出测试:测试工具:继电保护测试仪、4~20mA过程测试表。
文件编号:自动扶梯人行道施工检验报告安装队使用单位施工日期检验日期注意事项1.本报告书适用于自动扶梯和自动人行道验收检验。
2.本报告书应由计算机打印输出或用钢笔填写,字迹应工整,涂改无效。
3.本报告书一式二份,由检验部门、安装部门(或修理)分别保存。
4.本报告书无检验、审核、批准的人员签字和检验部门的检验专用章或公章无效。
5.受检部门对检验结论如有异议,应在收到本报告之日起15日内,以书面形式向检验部门或公司提出。
自动扶梯和自动人行道施工检验报告No:第1页共4页使用单位设备地点施工单位设备编号出厂编号制造单位类别设备型号电机功率 kw 额定速度m/s 输送能力p/h 倾斜角°梯级宽度mm 提升高度m 使用区段长度 m安装□改造□维修□验收□定检□检验依据:1、《自动扶梯和自动人行道监督检验规程》2、《自动扶梯和自动人行道的制造和安装安全规范》(GB16899-1997)主要检验仪器设备:万用表、钳形电流表、接地电阻测量仪、绝缘电阻仪、游标卡尺、钢直尺、钢卷尺、塞尺、弹簧秤、常用电工工具检验结论:(施工单位章)签发日期:年月日序号检验内容检验结果结论扶梯安装就位与检验1.1 上下预埋钢板应符合土建图要求,桁架橡胶垫板与预埋钢板间垫片需焊接固定且电焊高度≥5mm。
1.2※自动扶梯上下两头支承角钢与预埋钢板受力点接触面积应不小于8.1cm2。
1.3 多台并列自动扶梯上段与下段,间隔距离应相等并且相互之间无上前或滞后间隙≤1.0mm(楼层板边框)。
1.4 扶梯上、下段水平段,水平度应≤0.5‰。
2.相邻区域2.1 在自动扶梯的出入口应有充分畅通区域以容纳乘客。
该畅通区的宽度至少等于扶手带中心线之间的距离,其纵深尺寸至少为2.5m。
如果该区宽度增至扶手带中心距的两倍以上,则其纵深尺寸允许减少至2m。
m m2.2 自动扶梯的梯级踏板上空,垂直净高度不应小于2.3m。
m m2.3※自动扶梯扶手带中心与建筑障碍物间距小于0.5m时,应采取相应的预防措施。
天烨轴承有限公司
全尺寸检验报告
手工样件 工装样件 PPAP
零件编号: 6205X-2RSIX供方名称 : 哈尔滨天烨轴承有限公司 零件名称: 汽车发动机张紧轮轴承供方代码:
图纸更改日期:抽检数量3套
检验机构名称:哈尔滨天烨轴承有限公司质检部
尺寸序号尺寸要求是否KPC检测方法序列号序列号序列号
Number Characteristic KPC inspection Serial No Serial No Serial No
Dimension Yes/No method S- S- S- 01装配槽长度 24±0.1Y游标卡尺24.0524.0424.05
02底板总长 139N游标卡尺139139139
03装配槽宽度 8.2±0.1N游标卡尺8.258.258.24
04轴承宽度 22.5±0.05Y游标卡尺22.522.522.5
05单元总高度 31.5±0.5Y游标卡尺31.5531.531.55
06轴承外径φ52 ~φ51.98N游标卡尺51.9951.9951.99
07内外圈硬度 HRC58-64N硬度计626362
08径向游隙 0.005~0.02N百分表0.0180.0160.016
09额定负苛 10.8~6.95KN N测力计8.18.18
10注脂量 1.5±0.5g N天平 1.5 1.6 1.5
11旋转灵活性N转动合格合格合格
12外 观N目测合格合格合格
乙方检验结论:合格
(盖检验章)
注 : 。
检验: 栾凤云审核: 陈庆峰
检验日期:2017.12.28。