2019增值税申报表模板
- 格式:xls
- 大小:88.50 KB
- 文档页数:2
附件 2《增值税纳税申报表(一般纳税人适用)》及其附列资料填写说明本纳税申报表及其附列资料填写说明(以下简称本表及填写说明)适用于增值税一般纳税人(以下简称纳税人)。
一、名词解释(一)本表及填写说明所称“货物”,是指增值税的应税货物。
(二)本表及填写说明所称“劳务”,是指增值税的应税加工、修理、修配劳务。
(三)本表及填写说明所称“服务、不动产和无形资产”,是指销售服务、不动产和无形资产。
(四)本表及填写说明所称“按适用税率计税”“按适用税率计算”和“一般计税方法”,均指按“应纳税额=当期销项税额-当期进项税额”公式计算增值税应纳税额的计税方法。
(五)本表及填写说明所称“按简易办法计税”“按简易征收办法计算”和“简易计税方法”,均指按“应纳税额=销售额×征收率”公式计算增值税应纳税额的计税方法。
(六)本表及填写说明所称“扣除项目”,是指纳税人销售服务、不动产和无形资产,在确定销售额时,按照有关规定允许其从取得的全部价款和价外费用中扣除价款的项目。
二、《增值税纳税申报表(一般纳税人适用)》填写说明(一)“税款所属时间”:指纳税人申报的增值税应纳税额的所属时间,应填写具体的起止年、月、日。
(二)“填表日期”:指纳税人填写本表的具体日期。
(三)“纳税人识别号”:填写纳税人的税务登记证件号码(统一社会信用代码)。
(四)“所属行业”:按照国民经济行业分类与代码中的小类行业填写。
(五)“纳税人名称”:填写纳税人单位名称全称。
(六)“法定代表人姓名”:填写纳税人法定代表人的姓名。
(七)“注册地址”:填写纳税人税务登记证件所注明的详细地址。
(八)“生产经营地址”:填写纳税人实际生产经营地的详细地址。
(九)“开户银行及账号”:填写纳税人开户银行的名称和纳税人在该银行的结算账户号码。
(十)“登记注册类型”:按纳税人税务登记证件的栏目内容填写。
(十一)“电话号码”:填写可联系到纳税人的常用电话号码。
(十二)“即征即退项目”列:填写纳税人按规定享受增值税即征即退政策的货物、劳务和服务、不动产、无形资产的征(退)税数据。
增值税纳税申报表(适用小规模纳税人)金额单位:元(列至角分)受理人:受理日期:年月日受理税务机关(签章):增值税纳税申报表(适用于小规模纳税人)附列资料税款所属期:年月日至年月日填表日期:年月日填表说明一、填报范围:本附列资料适用于应税服务有扣除项目的增值税小规模纳税人填报。
本附列资料各栏次申报项目均不包含免税服务数据。
应税服务扣除项目指根据国家有关营业税改征增值税的税收政策规定,对纳税人按照国家有关营业税政策规定差额征收营业税的,在计算应税服务销售额时,允许从其取得的全部价款和价外费用中扣除的项目。
二、填写项目:(一)本附列资料“税款所属期”是指纳税人申报的增值税应纳税额的所属时间,应填写具体的起止年、月、日。
(二)本附列资料“纳税人名称”栏,填写纳税人单位名称全称,不得填写简称。
(三)本附列资料第1项“期初余额”栏数据,为从本附列资料上期第4项“期末余额”栏转入本期的数额。
(四)本附列资料第2项“本期发生额”栏数据,填写本期发生的根据国家有关营业税改征增值税的税收政策规定,对纳税人按照国家有关营业税政策规定差额征收营业税的,在计算应税服务销售额时,允许从其取得的全部价款和价外费用中扣除的价款数额。
(五)本附列资料第3项“本期扣除额”栏数据,填写应税服务扣除项目本期实际扣除的价款数额。
(六)本附列资料第4项“期末余额”栏数据,填写应税服务扣除额的期末余额。
第4栏“期末余额”=第1栏“期初余额”+第2栏“本期发生额”-第3栏“本期扣除额”(七)本附列资料第5项“全部含税收入”栏数据,填写纳税人提供应税服务,取得的全部价款和价外费用数额。
(八)本附列资料第6项“本期扣除额”栏数据,为本附列资料第3项“本期扣除额”栏数据。
第6栏“本期扣除额”=第3栏“本期扣除额”(九)本附列资料第7项“含税销售额”栏数据,填写应税服务的含税销售额。
第7栏“含税销售额”=第5栏“全部含税收入”-第6栏“本期扣除额”(十)本附列资料第8项“不含税销售额”栏数据,填写应税服务的不含税销售额。
文档收集于互联网,已重新整理排版.word版本可编辑.欢迎下载支持.
增值税纳税申报表
(一般纳税人适用)
根据国家税收法律法规及增值税相关规定制定本表。
纳税人无论有无销售额,均应按税务机关核定的纳税期限填写本有,并向当地税务机关申报。
税款所属时间:自年月日至年月日填表日期:年月日金额单位:元至角分
主管税务机关:接收人接收日期:
文档收集于互联网,已重新整理排版.word版本可编辑.欢迎下载支持.
增值税纳税申报表附列资料(表一)
(本期销售情况明细)
税款所属时间:年月日
纳税人名称:(公章)填表日期:年月日金额单位:元至角分
1文档来源为:从网络收集整理.word版本可编辑.
文档收集于互联网,已重新整理排版.word版本可编辑.欢迎下载支持.
增值税纳税申报表附列资料(表二)
(本期进项税额明细)
税款所属时间:年月日
纳税人名称:(公章)填表日期:年月日金额单位:元至角分
注:第1栏=第2栏+第3栏=第23栏+第35栏-第25栏;第2栏=第35栏-第24栏;第3栏=第23栏+第24栏-第25栏;第4栏等于第5栏至第10栏之和;。
欢迎阅读增值税纳税申报表(适用于增值税一般纳税人)根据《中华人民共和国增值税暂行条例》第二十二条和第二十三条的规定制定本表。
纳税人不论有无销售额,均应按主管税务机关的纳税期限按期填报本表,并于次月一日起十日内,向当地税务机关申报。
税款所属时间:自年月日至年月日填表日期:年月日金额单位:元至角分纳税人识别号所属行业纳税人名称(公章)法定代表人姓注册地址营业地开户银行及帐企业登记注册类型电话号项目栏次一般货物及劳务即征即退货物及劳务本月数本年累计本月数本年累计销售额(一)按适用税率征税货物及劳务销售 1其中:应税货物销售额 2应税劳务销售额 3纳税检查调整的销售额 4(二)按简易征收办法征税货物销售额 5其中:纳税检查调整的销售额 6(三)免、抵、退办法出口货物销售额7 ————(四)免税货物及劳务销售额8 ————其中:免税货物销售额9 ————免税劳务销售额10 ————税额计算销项税额11进项税额12上期留抵税额13 ————进项税额转出14免抵退货物应退税额15 ————按适用税率计算的纳税检查应补缴税16 ————应抵扣税额合计17=————实际抵扣税额18(如17<11,则为17,否则为11)应纳税额19=11-18期末留抵税额20=17-18 ————简易征收办法计算的应纳税额21按简易征收办法计算的纳税检查应补22 ————应纳税额减征额23应纳税额合计24=19+21-23税款缴纳期初未缴税额(多缴为负数)25实收出口开具专用缴款书退税额26 ————本期已缴税项27=28+29+30+31①分次预缴税额28 ————②出口开具专用缴款书缴税额29 ——————③本期缴纳上期应纳税额30④本期缴纳欠缴税额31期末未缴税额(多缴未负数)32=24+25+26-27其中:欠税税额(≥0)33=25+26-27 ————本期应补(退)税额34=24-28-29 ————即征即退实际退税额35 ————期初未缴查补税额36 ————本期入库查补税额37 ————期末未缴查补税额38=16+22+36-37 ————授权声明如果你已授权委托代理人申报,请填写下列资料:为代理一切税务事宜,现授权(地址)为本纳税人的代理人,任何与本申报表有关的往来文件,都可寄予此人。
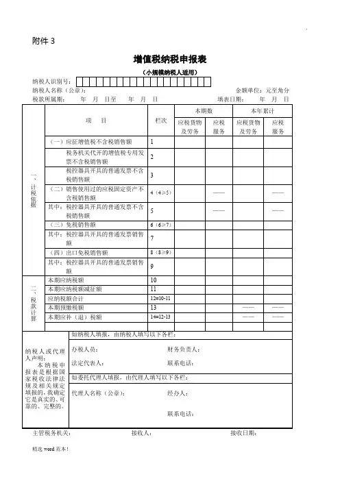
附件3增值税纳税申报表(小规模纳税人适用)纳税人识别号: 纳税人名称(公章):金额单位:元至角分税款所属期: 年 月 日至 年 月 日填表日期: 年 月 日一、计税依据项 目栏次本期数本年累计 应税货物及劳务应税 服务 应税货物及劳务应税 服务 (一)应征增值税不含税销售额 1税务机关代开的增值税专用发票不含税销售额2税控器具开具的普通发票不含税销售额3(二)销售使用过的应税固定资产不含税销售额4(4≥5)———— 其中:税控器具开具的普通发票不含税销售额 5—— —— (三)免税销售额6(6≥7)其中:税控器具开具的普通发票销售额7(四)出口免税销售额8(8≥9)其中:税控器具开具的普通发票销售 额 9二、税款计算本期应纳税额10 本期应纳税额减征额 11应纳税额合计 12=10-11本期预缴税额 13—— —— 本期应补(退)税额 14=12-13————纳税人或代理人声明:本纳税申报表是根据国家税收法律法规及相关规定填报的,我确定它是真实的、可靠的、完整的。
如纳税人填报,由纳税人填写以下各栏:办税人员: 财务负责人:法定代表人: 联系电话:如委托代理人填报,由代理人填写以下各栏: 代理人名称(公章): 经办人:联系电话:主管税务机关:接收人:接收日期:增值税纳税申报表(小规模纳税人适用)附列资料税款所属期:年月日至年月日填表日期:年月日纳税人名称(公章):金额单位:元至角分应税服务扣除额计算期初余额本期发生额本期扣除额期末余额1 2 3(3≤1+2之和,且3≤5)4=1+2-3应税服务计税销售额计算全部含税收入本期扣除额含税销售额不含税销售额5 6=3 7=5-6 8=7÷1.03。
增值税纳税申报表〔一般纳税人适用〕根据国家税收法律法规及增值税相关规定制定本表。
纳税人不管有无销售额,均应按税务机关核定的纳税期限填写本表,并向当地税务机关申报。
税款所属期间:2021-00-00 至2021-00-00 填表日期:2021-00-00 金额单位:元至角分主管税务机关: 接收人: 接收日期:增值税纳税申报表附列资料〔一〕〔本期销售情况明细〕纳税人名称〔公章〕:XXXXXXXXXXXXX有限责任公司填表税款所属期间:2021-00-00 至2021-00-00 纳税人识别号:日期:2021-00-00 金额单位:元至角分全部计税方法计税简易计税方法三、免抵退税四、免税工程其中:即征即退工程全部征税工程工程及栏次13%税率的货物及加工修理修配劳务13%税率的效劳、不动产和无形资产9%税率的货物及加工修理修配劳务9%税率的效劳、不动产和无形资产6%税率即征即退货物及加工修理修配劳务即征即退效劳、不动产和无形资产6%征收率5%征收率的货物及加工修理修配劳务5%征收率的效劳、不动产和无形资产4%征收率3%征收率的货物及加工修理修配劳务3%征收率的效劳、不动产和无形资产预征率预征率预征率其中:即征即退工程即征即退货物及加工修理修配劳务即征即退效劳、不动产和无形资产货物及加工修理修配劳务效劳、不动产和无形资产货物及加工修理修配劳务效劳、不动产和无形资产开具增值税专用发票开具其他发票未开具发票纳税检查调整合计销售额9a9b10111213a13b13c141516171819销项〔应纳〕税额销售额销项〔应纳〕税额销项〔应纳销项〔应纳销售额销售额销售额销项〔应纳〕税额价税合计效劳、不动产和无形资产扣除工程本期实际扣除金额含税〔免税〕销售额扣除后销项〔应纳〕税额9=1+3+5+7 10=2+4+6+811=9+10 12 13=11-1214=13-〔100%+税率或征收率〕税率或征收增值税纳税申报表附列资料〔表二〕〔本期进项税额明细〕税款所属期间:2021-00-00 至2021-00-00纳税人识别号:纳税人名称〔公章〕:金额单位:元至角分增值税减免税申报明细表税款所属期间:2021-00-00 至2021-00-00纳税人名称〔公章〕:xxxxxxxx有限责任公司金额单位:元至角分。
增值税申报表(一般纳税人)------2.3.4
附
件
2
: 增值税纳税申报表附列资料(表一)
(本期销售情况明细)
税款所属时间: 年 月
纳税人名称:(公
填表日期: 年 月 日
金额单位:元至角分
增值税纳税申报表附列资料(表二)
(本期进项税额明细)
税款所属时间:年月
纳税人名称:(公章)填表日
期:年月日金额单位:元
-第25栏;第2栏=第35栏-第24栏;第3栏=第23栏+第24栏-第25栏;第4栏等于第5栏至第10栏之和;
第12栏=第1栏+第4栏+第11栏;第13栏等于第14栏至第21栏之和;第27栏
等于第28栏至第34栏之和。
固定资产进项税额抵扣情况表
纳税人识别号:
纳税人名称:(公章)
填表日期:
年月日
金额单位:元至。