煤矿井下小改小革项目精编WORD版
- 格式:docx
- 大小:63.57 KB
- 文档页数:15
关于掘进机机载临时支护装置在XX煤矿的应用
巷道掘进临时支护是长期困扰煤矿安全生产的一项技术难题。
目前,煤矿普遍使用的临时支护形式是窜管前探梁和支柱加横梁两种方式,这两种方式均严重制约掘进效率及空顶区锚固作业安全隐患。
为了保障工人生命安全、提高工作效率,我矿新引进了ZLJ-2.5型掘进机机载临时支护装置,配置在掘进机切割部,在不影响掘进机正常截割作业的前提下,利用掘进机液压系统为动力源,实现临时支护,同时,可以托起特殊支护条件下的锚网和钢带或槽钢,机械化程度高、安全系数高、劳动强度低,不仅提高了掘进效率,而且使工人的安全得到有效保障。
掘进机机载临时支护装置利用原掘进机的液压泵站供油,操作换向阀使液压油进入分流集流阀、平衡阀和支撑油缸、折叠油缸,使顶架打开升起;推动升降油缸使主架升高。
通过调节三组油缸使顶架调整到所需要的高度、角度并达到顶架及锚网同顶板吻合后停止,进行锚固作业。
完成以上作业后,将临时支护装置按逆向操作收回油缸并使临时支护落在掘进机机头部位。
等待掘进机工作完成后,进行下一次支护、锚固作业。
该装置已在我矿掘进工作面使用,使用效果良好,支护装置结构合理、操作简单,伸出时支护距离长,缩回时占用空间小,可以方便地进行支护作业,为井下作业人员提供了安全的作业环境,同时也提高了我矿的掘进效率、支护效率。
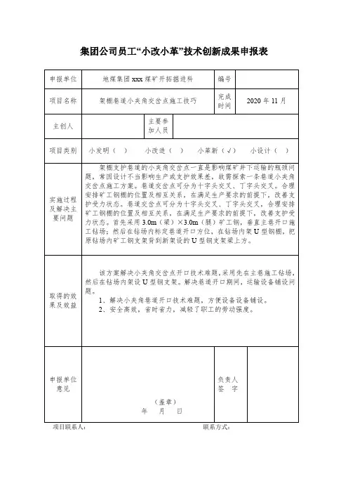
集团公司员工“小改小革”技术创新成果申报表项目联系人:联系方式:架棚巷道小夹角交岔点施工技巧应用地点:21运输顺槽主要完成人:【摘要】架棚支护巷道的小夹角交岔点一直是影响煤矿井下运输的瓶颈问题,常因设计不当影响生产或支护效果差。
故需探索一条巷道小夹角交岔点施工方案。
【关键字】架棚小夹角交岔点支护创新背景xxx煤矿位于地州市西南27公里处明石镇境内,于1966年开工兴建,1968年简易投产。
矿井井田面积6.8778km2,主采二1煤层,厚度0~33.25m,平均煤厚6.18m,煤层倾角一般为10°~15°,局部达到38°,属于较稳定煤层。
矿井属于煤与瓦斯突出矿井,水文地质条件复杂,核定生产能力60万吨/年。
截止2020年9月底,矿井剩余可采储量932.9万吨,可布面储量778.9万吨,主要分布在-150水平的21采区和-300水平的31、32采区。
架棚支护巷道的小夹角交岔点一直是影响煤矿井下运输的瓶颈问题,常因设计不当影响生产或支护效果差,故需探索一条巷道小夹角交岔点施工方案。
设计原理巷道交岔点可分为十字头交叉、丁字头交叉,合理安排矿工钢棚的位置及相互关系,在满足生产要求的前提下,改善支护受力状态。
首先采用3.0m(梁)×3.0m(腿)矿工钢,垂直主巷开口施工钻场;然后在钻场内标定巷道开口方位,在钻场内架U型钢棚,把原钻场内矿工钢支架背到新架设的U型钢支架梁上方。
结构形式具体如下:创新点该方案解决小夹角交岔点开口技术难题,先在主巷施工钻场,然后在钻场内架设U型钢支架。
解决巷道开口期间,运输设备铺设问题。
效果评价1、解决小夹角巷道开口技术难题,方便设备设备铺设。
2、安全高效,省时省力,减轻了职工的劳动强度。
小改小革成果奖推荐表小改小革成果奖推荐表前探梁双吊环研究与使用一、概况:霄云煤矿东翼胶带大巷原采用吊挂前探梁作为临时支护,前探梁为单点吊挂方式,后端采用方木背实,在使用过程中方木易松动,致使前探梁松动,在矿领导的指导下,我单位对前探梁吊挂方式进行改进,设计采用双点吊挂方式,采用销子备紧探梁。
此吊环经过使用,具有使用简便、安全可靠的特点,缩短了临时支护的时间。
二、使用方法:1、前探梁规格:前探梁采用长4.5m的空心方钢制作,方钢后端打眼,方钢宽度为100mm,厚度为50mm,施工时使用3根,探梁间距不大于900mm,前探梁最大控顶距离1.9m.2、吊环样式:吊环分为前端吊环与后端吊环两种(后端吊环长于前端吊环),每个吊环配一个销子,每根前探梁用2个吊环悬吊,吊环采用8mm、20mm钢板焊接而成,上端钻孔并焊接Ø20mm锚杆螺帽,中间两侧对称钻Ø24mm圆孔;销子采用Ø20mm圆钢加工,销子与吊环采用小链连接在一起。
3、爆破后,把吊环分别拧在距离迎头最近的两排支护锚杆上,联网并绑扎固定钢筋梯,然后从后向前经过两个吊环穿前探梁,托起金属网和钢筋梯,前端吊环内的探梁要托至吊环顶端,并在探梁下最近的吊环钻孔内插入销子,最后下压探梁后端,使探梁前端挑起且紧贴顶板,把销子插进探梁上部最近的吊环钻孔内,把前探梁采用铁丝或链子与顶板金属网或钢筋梯有效连接在一起,完成一根探梁临时支护;用同样的方法,使用其它前探梁。
三、附图图1:前探梁吊环示意图件2:吊环锚杆螺母与钻孔焊牢锚杆螺母与钻孔焊牢锚杆螺母与钻孔焊牢件1:吊环件3:销子平、侧视图前探梁吊环示意图钻孔对称、均匀分部钻孔对称、均匀分部图2:前探梁吊环使用平、剖面示意图前探梁吊环使用平、剖面图小改小革成果奖推荐表主视图12mm圆钢左视图。
盛年不重来,一日难再晨。
及时宜自勉,岁月不待人。
盛年不重来,一日难再晨。
及时宜自勉,岁月不待人。
安全质量管理创新、小改小革成果评审表
项目名称皮带可拆式扫煤毛刷制动器
主创人参与人员
主创人单位单位负责人
已用地点8333工作面适用地点采煤工作面
能够起到的
效果
方便现场扫煤毛刷更换轴承,减少轴承损坏,提高功效
项目内容简介
8333工作面使用的皮带在机头处安装一扫煤毛刷,与其他扫煤器不同点是扫煤毛刷两端配有轴承、轴承座等,其制动装置为淘汰锚杆拉力计用葫芦。
在正常使用过程中,轴承、轴承座易损坏,但轴承两端属于焊接方式,在井下不能进行更换且拉力计用葫芦较为单一,没有备用葫芦。
更改后的可拆式扫煤毛刷制动器,为普通手持式煤电钻机,利用专门加工的连接器与毛刷进行连接,改造后使用方便灵活,在井下现场就可以进行更换,提高了工作功效。
由于原扫煤器为焊接,在转动运行过程中易造成轴承损坏一般使用周期为40天左右,改造后的扫煤毛刷轴承从改造后一直在使用,未出现损坏,大大减少了材料投入。
评审人员
得奖标准小改小革类:一等奖
毛刷
毛刷轴承固定座
风动葫芦皮带可拆式扫煤制定器
安全质量管理创新、小改小革成果评审表
安全质量管理创新、小改小革成果评审表
安全质量管理创新、小改小革成果评审表
共享知识分享快乐
安全质量管理创新、小改小革成果评审表
安全质量管理创新、小改小革成果评审表。
小改小革小改小革表2小改小革项目验收申请表单位名称:技术中心项目名称:煤层短壁注水验收人员验收意见、效果:验收日期:202*年月日签名专业验收意见:领导意见:表3良庄煤矿小改小革项目报告表单位名称:技术中心日期:202*年11月8日项目名称:煤层短壁注水完成人员项目主要内容:在掘进迎头煤层中,施工四个大于或等于一个循环进尺的四刘光木周鲁华个煤层注水眼,用注水器进行煤层注水。
12分水器31注水器210#水管325#水管项目产生的经济效益或社会效益:1、有效降低煤尘,提高工人作业环境。
扩展阅读:小改小革(含合理化建议)项目管理办法【试行定稿】小改小革(含合理化建议)项目管理办法(试行)一、目的:为充分调动职工积极性、能动性、发挥职工的聪明才智、挖掘职工的智力潜能,经研究决定在公司开展小改小革等合理化建议活动。
活动围绕:改善工作环境、提高生产效率、降低劳动强度、改善物流环境、节能降耗,藉以提高公司运营绩效,特制定本办法。
二、项目提案人资格:1.公司全体在职员工(一人或多人联合均可);2.各分厂、处室亦可以团队名义提案。
三、提案原则:提案必须有相关的改进措施、意见具有可操作性。
项目提案改善的内容,应具备以下项目之一:1)有关制造技术、操作方法、工序流程的改进,足以提高设备产能,降低劳动强度,确保安全生产,减少人力成本及降低综合成本的提案。
2)有关提升产品质量的提案。
如优化工艺,提升部件合格率或能创造产品附加价值的提案。
3)原料、物料、能源的单位耗用量节省,损耗率的降低,呆滞料、废料的再利用及其它有关降低用料成本的提案。
4)有关工作环境改善及其它安全措施的改善,减少安全事故发生的提案。
5)有关提升管理控制机能,足以杜绝漏洞与浪费,降低损失及减少费用支出的提案。
6)其它有利公司营运改善的提案,能够获得直接经济效益或潜在经济效益的提案。
四、提案内容不应具有以下情形之一:1.仅提出缺点和问题,而欠缺具体改善措施及方法;2.工作上被指令改善者,或上级指示他人进行改善内容;3.重复的提案;4.个人诉苦或要求改善待遇的提案;5.有关人事调动及任免、调薪等问题;6.其他对企业没有利益或无实现可能的提案。
煤矿小改小革项目管理办法一、小改小革项目的立项原则1、项目必须是针对生产系统局部小环节、工艺环节、设备局部构造、工具、仪器、装置等薄弱环节问题,且单项课题费用概算总额在2万元以下的技术改造项目。
单项课题费用概算超过2万元的项目按技术革新项目立项原则申报,或申报超额小改小革项目说明材料。
2、项目要紧密结合本职工作实际、目的任务明确、具有一定的技术含量和创新内容。
3、项目立项应确保技术可行性、先进性、实用性和经济合理性。
要将项目实施后的科技投资回报率大小作为立项的主要依据。
4、项目立项必须经专业组长(负责人)、专业副总签字后,报创新工作办公室(总工办)。
二、小改小革项目的立项审批程序1、通过现场发现、科技信息动态采集、自选课题等信息渠道收集课题。
2、小改小革项目只要条件成熟,符合管理程序,随报随批。
3、符合申请条件的项目由课题提出人或指定人,按“小改小革项目责任书”的要求,对项目必要性、技术方案、材料及设备清单、资金预算、技术经济效益、研究时间等提出可行性报告。
4、立项首先经创新专业组初审通过后提交创新工作办公室,报专业副总签字批准立项。
5、立项后课题组与创新工作办公室、及依托单位、专业组长、专业副总签订项目责任书,并将责任书报创新工作办公室(总工办)备案。
三、小改小革项目的资金管理1、小改小革项目每次付款要有“小改小革项目责任书、资金使用审批单、合格票据”并载明该次款项对该课题的用途方可入账。
与批准课题无关的其它费用不得进入小改小革费用报销。
2、允许在科技计划资金中进行内部材料、用工费划转。
3、创新工作办公室建立项目资金使用档案,要加强管理,有效使用资金。
每次付款必须经过矿创新工作办公室审核检查和登记管理。
四、小改小革项目的实施管理1、采用专业组长负责制,管理部门跟踪指导、服务、检查、管理,专业副总把关制。
并必须依托革新项目应用单位对材料、设备等进行管理。
2、课题批准立项后,所需材料按“矿经营管理程序”运行。
综掘五队一季度
小
改
小
革
2013年4月4日
一、小创新
创新项目:14520轨道巷帮部锚索戴上“安全帽”
创新人:李洪涛
创新时间:2013.3.2
创新效用:
①帮部锚索“安全帽”,是使用废旧塑料软管制成,废旧材料再次得到有效利用;
②“安全帽”的作用:由于14520轨道巷是新工艺施工—沿空掘巷,根据巷道支护要求,帮部安装Ф17.8×3000mm的锚索来进行小煤墙的二次加固支护,但是锚索150~250mm的外漏丝头,却是一个小小的安全隐患,可能会划伤职工、划破工服,自从帮部锚索戴上“安全帽”后,隐患自然就消除了,“安全帽”给职工给职工带来了安全感。
二、小改革
项目名称:煤电钻电缆盘放及煤电钻悬挂架
发明人:张亚军南渭平
实际效用:
煤电钻电缆盘放及煤电钻悬挂架:是一个“一架两用”的简单材料架,它不但能盘放百米的煤电钻电缆,帮部小挂钩也能同时悬挂煤电钻;并且规格尺寸设计合理,稳定性能好,将它摆放在巷道帮部,又给巷道增添了一个亮点,就像一个“保安”,守护着煤电钻及电缆。
(后附图:煤电钻电缆盘放及煤电钻悬挂架)
掘五队
2013.04.04。
“小改小革”项目精选项目专业类别:采掘通地类“小改小革”项目表项目名称 1172水平2#联络巷设计方案的综合优化主要完成单位(参与人员)丁小敏李宏张满国贾秀蔡建东项目起止时间 20__年11月项目简介(主要介绍使用地点、过程及效果可附图)针对1172水平2#联络巷原设计我队提出了两点改进意见且均被矿生产技术科采纳。
第一点2#联络巷的位置在原设计基础上向后推移330米;第二点原设计方位减小75°。
优点如下: 1、机电动力科原计划在皮带大巷内安设3条SSJ-650/2_55胶带输送机现变为两条少安设一条皮带; 2、机电动力科原计划在轨道大巷2#联络巷以里安设2条SSJ-650/2_55胶带输送机联络巷位置的后移轨道大巷以里段的掘进用一条皮带即可将掘进煤运出变两条皮带为一条皮带少安设一条皮带; 3、按照原设计2#联络巷一旦形成联络巷内将安设一台SGB620/40T刮板输送机机头位置便位于皮带大巷内导致皮带大巷运输线路中断后期材料无法进入需要用人力翻越溜子机头费工费时。
联络巷掘进方位的改变可在联络巷内铺设轨道皮带大巷掘进到2#联络巷以里所用支护材料均可通过轨道大巷→2#联络巷→皮带大巷直接运送到皮带大巷掘进工作面加快了后勤物料供应速度减小影响加快掘进速度; 4、2#联络巷的推迟形成增加了自然通风距离减少了风机通风距离降低风阻提高工作面“一通三防”安全系数; 5、减小了两条巷道互通距离减少了检修人员在两个工作面来回巡检行走路程提高工作效率。
1、发现、发明及创新点 2#联络巷掘进位置和掘进方位的改进充分考虑了设备精简工效提高、费用降低、省时省力、快速掘进的目的意义重大节约的经济效益非常明显。
2、产生的经济效益参照上条“项目简介”。
本页不够可另加附页说明。
项目专业类别:采掘通地类“小改小革”项目表项目名称特长巷道过大角度拐点段施工方案的技术改进主要完成单位(参与人员)张满国贾秀马小勇蔡建东焦镇项目起止时间 20__年11月项目简介(主要介绍使用地点、过程及效果可附图)1172水平两条大巷属于特长掘进巷道设计拐点多角度大施工困难大煤流运输难度大我队在施工过程中依巷道掘进方位加宽拐点处断面宽度主要是加宽拐点内侧巷道尺寸1.2米外侧加宽了0.8米加强大断面拐点处巷道支护质量有效地保证了1172水平两条大巷的快速掘进。
煤矿井下小改小革项目(总15页)
--本页仅作为文档封面,使用时请直接删除即可--
--内页可以根据需求调整合适字体及大小--
安全质量管理创新、小改小革成果评审表
毛刷
毛刷轴承固定座
风动葫芦皮带可拆式扫煤制定器
安全质量管理创新、小改小革成果评审表
安全质量管理创新、小改小革成果评审
表
安全质量管理创新、小改小革成果评审表
表
表
安全质量管理创新、小改小革成果评审表
11
12
安全质量管理创新、小改小革成果评审表
13
安全质量管理创新、小改小革成果评审表
14
15
16。
掘进队小改小革项目
1)掘进机电源线移动电缆钩
掘进机桥式皮带机头后70mm2电源大线在卧式皮带跑道段,前进后退移动时有10m大线电缆,随机来回移动,原先这段电缆就在地上拖动,时间一长就对电缆造成很大的磨损,有时可能造成严重点的划痕,甚至漏电造成很大的安全隐患,现在制作了移动电缆钩,把这段电缆随时吊挂起来,掘进机前进后退时,桥式皮带操作员随机移动电缆钩。
电缆钩一头能挂在锚网上,另一头能挂在铁棚梁上,这样在锚网支护和架棚支护巷道中都能移动使用,达到保护电缆,排除隐患的可能。
设计人:xxx
2)煤溜机头喷雾支架
工作面刮板机原先固定喷雾,没有固定的支架,喷雾喷头位置时常不定,这样使机头喷雾达不到良好的降尘效果,现在用扁铁制作机头喷雾支架,并直接固定在机头上,从而规范了喷雾位置,这样就使喷雾降尘的效果大大提高,很好的治理了机头降尘的不良问题。
3)工作面信号电缆支架
原先工作面电缆总是随意盘在迎头侧帮,这样线路整理不规范。
现在制作了盘线支架把随工作面移动的信号线,电话线、监控线盘在线路支架上并挂在帮壁上,这样线路盘起来,即整齐又便于管理。
设计人:xxx。
乌东煤矿小改小革促效益提升1乌东煤矿小改小革促效益提升今年以来,乌东煤矿员工从企业生产、经营、管理等各方面入手,以降成本增效益为出发点,积极参加小改小革、技术创新、难题攻关、发明专利活动,一批由职工独立完成的小改小革成果不断被应用到安全生产工作中,不仅产生了实实在在的效果,也为企业节约了技改资金。
通过进一步完善小改小革创新机制,该矿营造出了“学技术、求创新”的浓厚氛围,每月设立“小改小革”奖励资金1万元,鼓励和提倡小发明的创新活动。
今年前9个月共有100多项发明,累计奖励10余万元,制作完成的串车自移装置,做到了不带电移动串车;研制的液压单体搬运车,做到了搬运单体时只需1人完成,每年节省人力资源8万元;制作的安全门、副井人车改造,以及加工改造的钻机水便轴和防喷钻杆等多项创新成果,解决了生产过程中遇到的实际困难,为矿节约资金和创造经济效益约12万元;设备科研制的瓦斯稀释器,每台为矿节约资金约2万元;自主创新的双通道自动洗靴机,不仅确保了职工的胶鞋得到及时清洗,还进一步保持了矿井的文明卫生;通过在综采工作面改造采煤机行走齿轨,将原有采煤机行走齿轨加长,解决了综采工作面端头三角煤采煤机割不到,必须采取放炮松动后人工清煤的问题,此工艺已在南北采区广泛推广。
目前,乌东煤矿员工创新意识不断增强,通过自己动手进行“小改小革”解决了诸多生产急需问题,为企业安全生产创造了经济效益,实现了矿井的安全发展、科学发展,为公司提出的打造建设“技术乌东”奠定了基础。
(陈大成)扩展阅读矿压队小改小革神新能源公司乌东煤矿小改小革项目随着乌东煤矿矿压防治队矿压解危措施中工作面南巷高位切顶爆破孔的不断加深、加密。
原ZDY-1000型全坑道液压钻机已满足不了需要,后更换ZDY-1900S型全坑道液压钻机,新钻机使用过程中发现厂家自配的水便轴所采用的前、中、后三部分连接的复杂设计极其容易断裂损坏。
一个月普遍损坏4到5个,即增加成本,又耽误工作进度,后阿里木〃希拉普同志经过实际操作和研究,去掉原水便中部及后部笨重的部分,采用前部卡钻丝扣直接连接联动轴承连水龙头的新方法对水辫轴加以改进。