6-测试技术---练习题[武汉理工大学继续教育]
- 格式:docx
- 大小:43.34 KB
- 文档页数:11
一. 判断题【】1. 磁电式速度传感器是利用电磁感应原理。
对【】2. 测量正确度描述了测量结果中粗大误差大小的程度。
错【】3. 确定信号中那些不具有周期重复性的信号称为非周期信号。
对【】4. 当一个空气微粒偏离其平衡位置时,就有一个压力的临时增加,据此可描述声强为功率面积。
错【】5. 应变片式位移传感器是将位移量转换为应变量。
对二. 单向选择1.通过与国家基准对比或校准来确定量值单位的为 B 。
A.国家基准(B) 副基准 C.计量基准 D.企业基准2.下列不属于量值的是 D 。
A. 2mB.30kgC.4sD. A3.同一量多次测量时,误差的正负号和绝对值以不可预知的方式变换称为 B 。
A.系统误差B.随机误差C.相对误差D.绝对误差4. D 中那些不具有周期重复性的信号称为非周期信号。
A.离散信号B.阶跃信号C.不确定信号D.确定信号5.周期信号的强度可用峰值、 C 、有效值、和平均功率来描述。
A.真值B.均值C.绝对均值D.均方根值6.信号的时域描述是就 B 而言。
A.频率B.时间C.周期D.振幅7.测量装置的静态特性包括线性度、灵敏度、回程误差、 C 等。
A.传递函数B.频率响应函数C.分辨力D.脉冲响应函数8. D 晶体,当受到外力作用时,不会产生压电效应。
A. 石英B. 钛酸钡C. 锆钛酸铅D.硫酸钙9.在抗干扰设计时,将各单元电路的地点顺序连接在一条公共的地线上称为D 。
A.多点接地B.单点接地C.并连接地D.串联接地10.传递函数H(S)与 A 及系统的初始状态无关。
A.输入x(t)B.装置的传输特性C.装置的结构11.电容传感器变换原理不包括 B 。
A. 变面积B. 变温度C. 变极距D.变介质12.低通滤波器允许其截至频率 A 的频率成分通过。
A. 以下B. 以上C. 两个区间范围以内D. 两个区间范围以外13.在光照作用下,物体内的电子从物体表面逸出的现象称为 C 。
A. 光生伏打效应B. 内光电效应C. 外光电效应D.光电池效应14.自相关函数为 B 。
一、判断(共计50分,每题2.5分)1、可编程定时/计数器8253中含三个独立的16位计数器。
A. 正确B. 错误2、8086CPU和8088CPU都是16位微处理器芯片A. 正确B. 错误3、通常并行I/O接口的速度比串行I/O接口的快。
A. 正确B. 错误4、8086CPU内标志寄存器中的IF=0时,意味着禁止CPU响应所有类型的中断。
A. 正确B. 错误5、ADC0809可对8路模拟信号同时进行A/D转换。
A. 正确B. 错误6、ADC0809是8位逐次逼近型A/D转换芯片A. 正确B. 错误7、若[X]原=[X]反=[X]补,则该数X为正数。
A. 正确B. 错误8、在8086存储器中存放数据字时有“对准字”和“非对准字”之分。
A. 正确B. 错误9、静态RAM需要刷新电路。
A. 正确B. 错误10、8086CPU的EU单元直接经外部总线读取数据。
A. 正确B. 错误11、存储器芯片的主要技术指标是容量、存取时间和可靠性。
A. 正确B. 错误12、8086的数据可以存放在几个不连续的段中。
A. 正确B. 错误13、8295的特殊屏蔽方式,对低于正在服务中断程序的中断请求给予响应处理A. 正确B. 错误14、MOV BX,[BX]A. 正确B. 错误15、MOV BP,ALA. 正确B. 错误16、8086CPU中,数据线D0~D15和地址线A0~A15为复用引脚。
A. 正确B. 错误17、主程序中若多次调用某段程序,采用子程序来实现具有执行速度快的特点。
A. 正确B. 错误18、对一个正整数,它的原码、反码和补码是一样的,和无符号数编码一样。
A. 正确B. 错误19、每一个中断服务程序的入口地址占用中断向量表的2个地址。
A. 正确B. 错误20、执行INT 10H时,中服程序的入口地址在00040H开始存放。
A. 正确B. 错误二、单选(共计50分,每题2.5分)21、8088 CPU中断优先级顺序为()。
现代检测技术_武汉理工大学中国大学mooc课后章节答案期末考试题库2023年1.当环境温度一定时,霍尔传感器可做成()。
答案:乘法器2.变面积型电容传感器的电容相对变化量与位移成。
答案:正比3.误差按表示方法分为绝对误差和相对误差,其中示值误差属于()。
答案:示值相对误差4.差动式电容传感器可以减小误差。
答案:非线性5.下列何种光电器件的光照特性近似线性()。
答案:光敏二极管6.应变片受恒力作用时,应变电阻值随时间而变化,这种现象称为()。
答案:蠕变7.人工陶瓷沿Z轴给力时,将产生向压电效应。
答案:纵8.石英晶体的沿X轴产生向压电效应。
答案:纵9.石英晶体中,X轴又称为()。
答案:电轴10.利用霍尔传感器测位移,是利用了磁感应强度是的函数。
答案:位置11.金属应变片的结构主要有金属丝、金属箔、三种。
答案:金属薄膜12.光电管和光电倍增管都是基于()效应的。
答案:外光电效应13.半导体应变片的应变效应主要由的变化所引起。
答案:电阻率14.在传感器静态特性指标中,描述传感器在输入量按同一方向行程中连续多次测量所得特性曲线不一致程度的指标是。
答案:重复15.下面那种不是霍尔传感器不等位电势的产生原因()。
答案:空载电势的存在16.在机器系统和人体系统的对应关系中,下面哪个描述是错误的。
()答案:由计算机获取外界信息17.霍尔电流传感器是通过霍尔电势表达式中的变化来测量的。
答案:磁场##%_YZPRLFH_%##B##%_YZPRLFH_%##磁场大小18.在下列应变式传感器的测量电路中,哪种电路存在非线性误差()。
答案:单臂桥19.传感器的国标符号中,三角形表示元件。
答案:敏感D图像传感器按结构可分为帧转移式和转移式。
答案:行间##%_YZPRLFH_%##行21.线阵CCD中,单通道结构比双通道()。
答案:成本低22.光纤陀螺属于()。
答案:功能性光纤传感器23.光电效应分为内光电效应和外光电效应两种,其中光敏电阻的光电效应为。
一、判断(共计50分,每题2.5分)1、背吃刀量是指工件上已加工面和待加工面之间的垂直距离。
A. 正确B. 错误2、一般进行热处理的钢都是镇静钢。
A. 正确B. 错误3、皮带传动不能保证准确的传动比。
A. 正确B. 错误4、钢的质量好坏是按其中的硫、磷含量来区分的。
A. 正确B. 错误5、钎焊是焊接时,钎料和焊件都熔化进行焊接的。
A. 正确B. 错误6、闪光对焊对接头清理工作要求不高。
A. 正确B. 错误7、气焊焊接黄铜时应该采用中性焰。
A. 正确B. 错误8、CO2气体保护焊所用的焊丝中所含的较多的Si、Mn,是为了使焊缝成分变成低合金钢。
A. 正确B. 错误9、下列是表面热处理面较大,故可对孔进行精加工。
A. 正确B. 错误10、板料弯曲时,弯曲模的角度应等于弯曲件的角度。
A. 正确B. 错误11、箱体上有相互位置要求的孔系加工可以用钻床钻孔来完成。
A. 正确B. 错误12、模锻时只能冲出盲孔,不能冲出透孔,中间留有一层金属,称为冲孔连皮。
A. 正确B. 错误13、钻孔时钻头的旋转运动是主运动。
A. 正确B. 错误14、模型锻造可以锻造形状十分复杂的锻件。
A. 正确B. 错误15、生产类型就是指年产量。
A. 正确B. 错误16、把钢加热成为奥氏体后速冷到Ms线以上等温一段时间再冷却下来的热处理叫等温淬火。
A. 正确B. 错误17、齿轮传动不能保证准确的传动比。
A. 正确B. 错误18、加工铸铁等脆性材料和采用硬质合金高速切削时,不采用切削液。
A. 正确B. 错误19、电焊条焊芯的作用是用于导电的。
A. 正确B. 错误20、车外圆时可以用丝杠走刀。
A. 正确B. 错误二、单选(共计50分,每题2.5分)21、粗加工时车刀角度选择正确的是()A. 前角大值B. 后角大值C. 前后角都大D. 前后角都小22、焊接时,为防止铁水下流,焊条直径一般不超( )A. 1mmB. 2mmC. 10mmD. 4mm23、试样拉断前所承受的最大标称拉应力为A. 抗压强度B. 屈服强度C. 疲劳强度D. 抗拉强度24、()是指企业在销售商品、提供劳务的过程中发生的各种费用,包括企业销售商品过程中发生的运输费、装卸费、包装费、保险费、展览费和广告费,以及为销售本企业商品专设的销售机构(含销售网点、售后服务网点等)的职工薪酬、业务费、折旧费等经营费用。
一、填空题1.时间常数τ是一阶传感器动态特性参数,时间常数τ越小,响应越快,响应曲线越接近于输入阶跃曲线。
2.满足测试装置不失真测试的频域条件是幅频特性为一常数和相频特性与频率成线性关系。
3.电荷放大器常用做压电传感器的后续放大电路,该放大器的输出电压与传感器产生的电荷量成正比,与电缆引线所形成的分布电容无关。
4.信号当时间尺度在压缩时,则其频带变宽其幅值变小。
5.当测量较小应变值时,应选用电阻应变效应工作的应变片,而测量大应变值时,应选用压阻效应工作的应变片,后者应变片阻值的相对变化主要由材料电阻率的相对变化来决定。
6.电感式和电容式传感器常采用差动方式,不仅可提高灵敏度,且能改善或消除非线性。
7. 电涡流传感器是利用金属材料的电涡流效应工作,可分为低频透射式和高频反射式两种,其中前者常用于材料厚度的测量。
8.在调制解调技术中,将控制高频振荡的低频信号称为调制波,载送低频信号的高频振荡信号称为载波,将经过调制过程所得的高频振荡波称为已调制波。
9.已知()tt xωsin12=,()tδ为单位脉冲函数,则积分()⎰∞+∞-⎪⎭⎫⎝⎛-⋅dttt xωδ2π= 12 。
10.已知霍尔式转速传感器的测速齿轮的齿数为20,若测得感应电动势的频率为300Hz,则被测轴的转速为900r/min 。
11. RC低通滤波器中的RC值越大,则其上限截止频率越小。
12. 频率混叠是由于采样频率过低引起的,泄漏则是由于信号截断所引起的。
13作为传感器的核心部件,直接感受被测物理量并对其进行转换的元件称为敏感元件。
14.在τ为0 情况下,自相关函数值达到最大值。
15.已知某周期信号的周期为0.2s,则该信号的3次谐波分量的频率为15Hz。
16.周期信号的频谱具有离散性,谐波性和衰减性。
17.若采样频率过低,不满足采样定理,则被采样信号的频谱会产生频混现象。
18.在外力作用下,金属应变式传感器主要产生几何尺寸变化,而压阻式传感器主要是电阻率发生变化,两者都引起电阻值发生变化。
《现代测试技术》习题基本题型:填空题、判断题、问答题、名词解释、大题(计算题、作图题)一、填空题1.1 传感器主要由、与三大部分构成。
1.2 信号x(t)的正弦形式的傅里叶级数的系数a0= ,a n= ,b n= ,A n= ,φn= 。
1.3 傅里叶变换对1↔,当x(t)↔X(f)时,频移特性为。
1.4 傅里叶变换对δ(t)↔,当x(t)↔X(f)时,时移特性为。
1.5 傅里叶变换对ε(t)↔,当x(t)↔X(f)时,时移特性为。
1.6 组合压电元件在力学结构上是形式,在电学结构上是形式。
1.7 光电效应可分为效应、效应与效应。
1.8 压电元件的常用结构形式在力学结构上是形式,在电学结构上是形式。
1.9 热电偶总电动势是由与两种电动势组成,其中起主要作的是电动势。
1.10 按照滤波器工作目的可分为、、与4种基本类型。
1.11 理想滤波器的条件是其通带的幅频特性为,而阻带的幅频特性为。
1.12 金属应变片的常用组桥形式主要有电桥、电桥与电桥。
1.13 信号的自相关系数ρx= ,自相关函数R x(τ)= 。
二、名词解释题2.1 应变效应、压阻效应、电涡流效应、金属应变效应、电涡流效应、压电效应、霍尔效应、热电阻效应、热敏电阻效应、磁敏效应、磁阻效应、外光电效应、内光电效应、光生伏特效应2.2 测试系统的灵敏度、测试系统的线性度、零点漂移、回程误差、重复性误差2.3 信号的调制与解调、滤波、无失真传输三、简答题3.1 何谓能量信号与功率信号?一个信号是否可既是能量信号又是功率信号?一个信号是否可既不是能量信号又不是功率信号?为什么?3.2 二阶系统的阻尼比ζ和固有频率ωn对二阶系统主要有什么影响?3.3 有限个周期信号之和是否一定为周期信号?为什么?3.4 传感器差动式比简单式有什么优点?3.5 何谓霍尔效应?其物理本质是什么?用霍尔元件可测哪些物理量?请举出三个例子说明。
3.6 压电式传感器主要适用于什么情况下工作?为什么?3.7 试给出光电耦合隔离放大器电路,它主要起何作用?3.8 试给出变压器耦合隔离放大器电路,它主要起何作用?3.9 直流电桥的双臂形式比单臂形式有什么优点?为什么?3.10 应变片应当如何组桥?试给出其相应电路图及输入输出关系式,并进行比较分析。
第一讲:1、传感器是一种将特定的被测信号按照一定的规律转换为可用输出信号的装置,它主要由敏感元件和转换元件组成。
2、根本型现代检测系统一般包括传感器、信号处理、数据采集、计算机、输出显示等五局部。
3、传感器技术开展趋势及重点研究开发主要表达在高准确度、小型化、集成化、多功能化、智能化等方面。
4、检测技术的开展主要表达在①不断拓展测量围,努力提高检测精度和可靠性②传感器逐渐向集成化、组合式、数字化方向开展③重视非接触式检测技术研究④检测系统智能化等方面。
5、一个完整的检测过程包括信息数据采集、信号处理、信号传输、信号记录、信号显示等方面。
6、现代检测系统的根本构造大致可分为智能仪器、个人仪器和自动测试系统等三类。
7、传感器按能量关系可分为能量变换型和能量控制型两类。
8、传感器按输出量可分为模拟式和数字式两类。
9、智能传感器一般具有①自校零、自标定、自矫正②自动补偿③自动采集数据。
并对数据进展预处理④自动进展检测、自选量程、自寻故障⑤数据存储、记忆与信息处理功能⑥双向通讯、标准化数字输出或符号输出等功能。
第二讲:1.仪表的精度等级是指仪表的〔〕A.绝对误差 B.最大误差 C.相对误差 D.最大引用误差2.属于传感器动态特性指标的是( )A.重复性B.线性度C.灵敏度D.固有频率3.按照分类,阈值指标属于( )A.灵敏度B.静态指标C.过载能力D.量程4.与价格成反比的指标是( )A.可靠性B.经济性C.精度D.灵敏度5.属于传感器静态指标的是( )A.固有频率B.临界频率C.阻尼比D.重复性6. 属于传感器动态特性指标的是( )A.量程B.过冲量C.稳定性D.线性度7.传感器能感知的输入变化量越小,表示传感器的( )A.线性度越好B.迟滞越小C.重复性越好D.灵敏度越高8.传感器的灵敏度越高,表示传感器( )A.线性度越好B.能感知的输入变化量越小C.重复性越好D.迟滞越小9.传感器的标定是在明确传感器的输入与输出关系的前提下,利用*种( )对传感器进展标定。
1.传感器被定义为能感受规定的被测量并按一定规律转换成可用的输出信号的器件或装置。
,它主要由敏感元件和转换元件组成。
2.系统误差影响测量结果的准确度,随机误差影响测量结果的精密度。
3.金属丝电阻应变片灵敏系数主要有导体几何变形决定,半导体店主应变灵敏系数主要由导体电阻率的变化决定。
4.采用差动型结构传感器,可以提高其灵敏度和线性度。
5.霍尔传感器的灵敏度与霍尔元件厚度成反比。
6.根据测量数据中的误差所呈现的规律,将误差分为系统误差、随机误差和粗大误差三种。
7.电容传感器极板间距离越小,其灵敏度越高。
8.压电传感器不能测量静态物理量,其测量电路中的前置放大器的作用是放大微弱信号和阻抗变换(将高阻抗输出转化为低阻抗输出)。
9.硫化镉光敏电阻的最敏感光波长为可见光。
10.差动变压器是利用两线圈的互感变化。
11.压电式传感器使用电荷放大器时,输出电压几乎不受联接电缆长度变化的影响。
12.在压电传感器中,若各压电元件采取并联接法时,传感器输出信号是电流。
13.为了抑制干扰,常采用的电路有光电耦合器。
14.光敏电阻受到光照射时,其阻值随光通量的增大而减小。
15.光敏电阻的基本工作原理是基于光电导效应。
16.以往的计算机控制系统相比,现场总线控制系统实现了“管理集中控制”。
17.压电式传感器常用的压电材料有石英晶体。
18.压电元件并联连接时,输出电荷量大,适用于缓慢变化信号测量。
19.为减小变极距型电容传感器灵敏度的非线性误差,应选用差动式类型的传感器最好。
20.热电偶回路电动势与组成热电偶的两导体热电特性有关。
21.涡流传感器的线圈与被测物体的距离减小时,互感系数M将增大。
22.在实际应用中,一般采用修正值方法消除系统误差,采用多次重复测量方法减少随机误差。
23.传感器通常由敏感元件、转换元件、测量电路三部分组成。
24.硅光电池的结构是在N型硅片上渗入P型杂质形成一个大面积PN结而成。
25.热电偶回路电动势不为零的充分且必要条件是两个热电极材料不同(n a≠n b)和热端与冷端温度不同(T≠T0)。
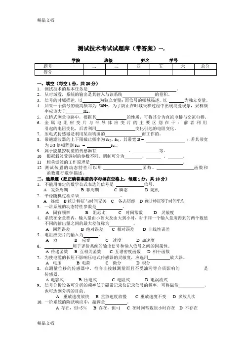
测试技术考试试题库(带答案)一,一、填空(每空1份,共20分)1.测试技术的基本任务是。
2.从时域看,系统的输出是其输入与该系统的卷积。
3.信号的时域描述,以为独立变量;而信号的频域描述,以为独立变量。
4.如果一个信号的最高频率为50Hz,为了防止在时域采样过程中出现混叠现象,采样频率应该大于Hz。
5.在桥式测量电路中,根据其的性质,可将其分为直流电桥与交流电桥。
6.金属电阻应变片与半导体应变片的主要区别在于:前者利用引起的电阻变化,后者利用变化引起的电阻变化。
7.压电式传感器是利用某些物质的而工作的。
8.带通滤波器的上下限截止频率为fc2、fc1,其带宽B = ;若其带宽为1/3倍频程则fc2 = fc1。
9.属于能量控制型的传感器有、等。
10根据载波受调制的参数不同,调制可分为、、。
11相关滤波的工作原理是。
12 测试装置的动态特性可以用函数、函数和函数进行数学描述。
二、选择题(把正确答案前的字母填在空格上,每题1分,共10分)1.不能用确定的数学公式表达的信号是信号。
A 复杂周期B 非周期C 瞬态D 随机2.平稳随机过程必须。
A 连续B统计特征与时间无关 C 各态历经 D 统计特征等于时间平均3.一阶系统的动态特性参数是。
A 固有频率B 阻尼比C 时间常数D 灵敏度4.系统在全量程内,输入量由小到大及由大到小时,对于同一个输入量所得到的两个数值不同的输出量之间的最大差值称为。
A 回程误差B 绝对误差C 相对误差D 非线性误差5.电阻应变片的输入为。
A 力B 应变C 速度D 加速度6.用于评价系统的输出信号和输入信号之间的因果性。
A 传递函数B 互相关函数C 互谱密度函数D 相干函数7.为使电缆的长短不影响压电式传感器的灵敏度,应选用放大器。
A 电压B 电荷C 微分D 积分8.在测量位移的传感器中,符合非接触测量而且不受油污等介质影响的是传感器。
A 电容式B 压电式C 电阻式D 电涡流式9.信号分析设备可分析的频率低于磁带记录仪记录信号的频率,可将磁带,也可达到分析的目的。
《检测技术》综合练习题及答案检测检测技术技术技术综合题必看⼀判断题1. 真值是指⼀定的时间及空间条某物理体现的真数值真值是客观在的⽽是可以测的错2. 涡流传感器⼀般采⽤⾼频透射式或频射式两种⽅式⾏测错3. 能够测移和速度的检测原理都可⽤于速度和振动的测对4. 红外图传感器通常由红外敏感元和电⼦扫电路成对5. ⿊体是指对辐射到它⾯的辐射能全部吸收的物体对6. 幅射式液计由辐射源接收器和测仪表成对7. 在线作⽤物体的导电性能发⽣化引起电阻率或电导改的现象内电效应对8. 测温法液计要由温度传感器信号处理电路和液显⽰电路构成对9. 纤的⼼是由射率较⼤的纤芯和射率较⼩的包层构成的层同⼼圆柱结构对10. 节流式流计由节流装置引压管路阀和差压计成对11. 际测中精密度⾼准确度⼀定⾼因仪表本⾝可以在较⼤的系统误差之如果准确度⾼精密度⼀定⾼对12. 传感器性敏感元的固有频率越⾼则传感器的灵敏度越线性度越差错13.精确度是映测仪表优良程度的综合指标错14.选⽤仪表时⼀般使最好能⼯作在⼩于满刻度值1/3的域错15.在相同条多次重复测同⼀被测参时测误差的⼤⼩符号均⽆规律化类误差系统误差错16.传感器的传感元通常情况直接感被测对17.应⽚的基长越长则应⽚的动态特性越好错18. 磁阻式电感传感器属于互感型的电感传感器错19.压电式传感器有体⼩结构简单等优点适合于频率较的被测的测甚是静态的测错20.作温度补偿的应⽚应和⼯作应⽚作相邻桥臂分别贴在被测试相同的置于同⼀温度场的材料对选择题⼆单项单项选择题1.⾮接触式温度传感器测温度的⽅法是 DA 热辐射B热传导 C 电效应D热辐射和电检测2.涡流式传感器可测 CA 移B厚度C温度D 振动3.最常⽤的测⾓移的电容是 AA 板型B圆筒型C 介质D 长容栅4.电感式传感器改善性能考虑的因素是 DA 损耗题B温度误差C 点剩余电压D 线性度5.磁栅式移传感器可以⽤于测 DA 线移B⾓移C速度D 噪声6. D ⾓速度传感器是利⽤压电晶体的压电效应⼯作A 转⼦陀螺式B压电陀螺式C激陀螺式D 纤陀螺式7. 列哪种⾮接触式温度传感器适⽤于距离能直接接触的⾼温物体AA. 全辐射温度传感器B. 亮度式温度传感器C. 热电偶式温度传感器D. ⽐⾊温度传感器8.差动压器式移传感器中线圈之间的互感M BA 始终保持 B随被测移的化⽽化C 随被测移的化⽽化D 随线圈电流的化⽽化9.莫尔条纹栅传感器的输出是( A )A.数脉式B.调幅式C.调频式D. 弦波10.全辐射温度传感器测得的温度总是 C 物体的真温度A. ⾼于B. 等于C. 于D. 确定11.属于传感器的静态特性指标的是 DA 固有频率B临界频率C 阻尼⽐D 灵敏度12.属于传感器的动态特性指标的是 BA 程B固有频率C 稳定性D 线性度13.半导体电阻率随应所引起的化半导体的 DA 电效应B 阻碍效应C 随机效应D压阻效应14.传感器的成部分中直接感到被测物理的是 BA 转换元 B敏感元 C转换电路D 放⼤元15.电感式传感器改善性能考虑的因素是 DA 损耗题B温度误差C 点剩余电压D 线性度16.在常⽤测振传感器中适合于测振动移的传感器是 AA 电感式传感器B压电式传感器C磁电式传感器D电动式传感器17. 列关于传感器灵敏度的说法错误的是 CA 灵敏度越⾼越好B 灵敏度越⾼传感器所能感知的化越⼩C 灵敏度越⾼测⽆的外界噪声越易混⼊D 对被测物理化的18.压⼒传感器包括 BA 应式B激式C压电式D 电式19. 列是电感式传感器的是 DA 磁阻式⾃感传感器B 电涡流式传感器C 压器式互感传感器D 霍尔式传感器属于磁电式20.以关于热电阻热敏电阻的说话错误的是 DA热电阻⼀般采⽤纯⾦属材料⽽热敏电阻采⽤半导体材料B热敏电阻的温度电阻系数⼀般是线性的⽽热敏电阻的温度电阻系数⼀般是⾮线性的C热电阻的结构简单体⼩因可以测点温⽽在测温范围内热电阻的电阻温度系数相对较稳定D⼀般说来热电阻的温度系数⽐热敏电阻的温度系数⼤填空1 检测技术有时测试技术它包测和验两个内容测就是把被测对象中的某种信息检测出来并以度验就是通过门的装置把被测系统所在的某种信息激发出来并以测2 1960 红⽯激器的世开创了激技术的河3 和物质的相互作⽤有种同的基本过程⾃发辐射激吸收激辐射4 产⽣激的必要条是粒⼦的转分布5 激有⾼⽅向性⾼亮度⾼单⾊性和⾼相性的特点6 据激器的⼯作物质可以把激器分以类固体激器⽓体激器半导体激器液体激器化学激器等要求少写出四种以7 半导体的能带分导带禁带带8 当源和接收器之间在相对运动时发射波和接收波之间会产⽣频率偏移⼤⼩源和接收器之间相对速度有关种现象就是学多普勒效应9 PSD的英⽂全 Position Sensitive Detector 中⽂全置敏感探测器是⼀种有特殊结构的⼤敏⾯的电⼆极管⼜ P-N结电传感器10 据纤能传输的模式数⽬可将分单模纤和多模纤模式是指传输线横截⾯和纵截⾯的电磁场结构图形即电磁波的分布情况11 据纤纤芯向射率分布同纤可分阶跃射率纤和渐射率纤12 数值孔是表⽰纤集能⼒⼤⼩的⼀个参数定了源纤之间的耦合效率13 据纤的传感原理纤传感器分能型和⾮能型两类14 在流体中放置⼀个有对形状的⾮流线体时在某些条在⾮流线体的游两侧就会交替出现漩涡两侧漩涡的旋转⽅向相并轮流从⾮流线体分离出来在游侧形成所谓涡街15 纤微弯传感器分亮场微弯传感器和暗场微弯传感器16 利⽤法拉第旋效应由电流所形成的磁场会引起纤中线偏振的偏转检测偏转⾓的⼤⼩可以得到相应的电流数值17 ⼀般⼈⽿能到的声⾳的频率范围在20Hz~20kHz 之间超声波检测中常⽤的⼯作频率在0.25~20MHz范围内18 超声波的类型要有纵波横波表⾯波板波棒波等要求少写出四种以19 在超声检测中超声波换能器最常⽤的是压电换能器和磁伸缩换能器20 常⽤的超声探伤⽅法有透射法射法对于连续波有共振法等最⼴泛使⽤的是脉射法21 超声波测液中声速校⽅法要有校校声速法和固定标记校声速法两种22 微波有⾮⾦属⾮电⾮接触⾮破坏的四⾮特点23 红外测温要有亮度测温全辐射测温⽐⾊测温种⽅法24 红外⽆损检测的特点要有⾮接触安全快速分辨率⾼操作简单25 α粒⼦本质是氦原⼦β粒⼦本质是电⼦ X射线和γ射线本质是电磁波四简答题1 简述微波测湿的原理答⽔分⼦是极性分⼦在外电场作⽤将产⽣的向极化同时将产⽣移极化极化的结果是将外电场的能转换成⽔分⼦的势能⼀势能意味着将从外电场获得的能储起来可以⽤复介电常数的部表⽰由于分⼦运动有惰性转向极化运动相对于外电场的化有⼀时间的滞后种滞后即前⾯所说的弛豫弛豫的宏观效果是使⽔分⼦产⽣损耗⼀损耗可⽤夏介电常数的虑部表⽰由于⽔分于是极性很的偶极⼦在外电场作⽤⽔的极化程度⼤于他物质在微波频段向波长对应⽔的介电常数同⽔的介电常数⽐他电介质的介电常数要⼤得多因通过测⽔物质在微波场中的介电常数便能间接测得该物质中⽔的多少由于⽔的吸收损耗较他电介质⼤所以当微波率通过物料时衰的⼤⼩将要于物料中⽔分的多少就是衰法微波测湿的原理2 简述红外⽓体分析的原理答据红外理论许多化合物分⼦在红外波段都有⼀定的吸收带吸收带的弱及所在的波长范围由分⼦本⾝的结构定有当物质分⼦本⾝固有的特定的振动和转动频率红外谱中某⼀波段的频率相双时分⼦才能吸收⼀波段的红外辐射能将吸收到的红外辐射能转分⼦振动动能和转动动能伎分⼦从较的能级跃迁到较⾼的能级际⼀种化合物的分⼦并是对红外谱内所有波长的辐射或任意⼀种波长的辐射都有吸收能⼒⽽是有选择性地吸收某⼀个或某⼀特定波段内的辐射个所谓的波段就是分⼦的特征吸收带⽓体分⼦的特征吸收带要分布在l双25 波长范围内的红外特征吸收带对某⼀种分⼦是确定的标准的如同物质指纹通过对特征吸收带及吸收谱的分析可以鉴定识别分⼦的类型是红外诺分析的基本依据据述原理制成的红外谱分析仪器红外分度计是对混合物⾏定性分析鉴定中有哪⼀种物质分的理想仪器⽽可以⾏定分析确定各种分在混合物中的分在⼯业学⽅⾯有时需要测定混合⽓体中某种已知成分的分例如电⼒⼯业中了提⾼锅炉的燃烧效率常常需要测定烟⽓中co c02或ob的作控制燃烧过程的⼀个重要依据在种情况需选择真代表混合⽓体中测分的⼀个持征吸收带测个吸收带所在的⼀个窄波段的红外辐射的吸收情况就可以得到测分的3 简述激多普勒测速原理答利⽤激多普勒效应测流体速度的基本原理可以简述如当激照射到跟随流体⼀起运动的微粒时激被运动着的微粒所散射和⼊射的频率相⽐较散射的频率⼜⽐于流体速度的频率偏移测个频率偏移就可以测得流体速度4 简述纤传感器的特点答要有以个⽅⾯1 电绝缘性好2 电磁扰能⼒3 防爆性能好耐腐蚀4 ⾼灵敏度5 体⼩重轻5 简述逆压电效应答逆压电效应将有逆压电效应的介质置于电场内由于电场作⽤介质内部负电荷中⼼发⽣置化种置化在宏观表现产⽣了形形电场度成⽐如电场向则形相⼀现象逆压电效应 6 热电偶测温系统包括哪些成部分?简述热电偶测温原理答热电偶测温系统包括热电偶显⽰仪表和导线部分如图所⽰热电偶温度计利⽤同导体或半导体的热电效应来测温的两种同的导体材料或半导体 A B 成的合回路相接触时在电⼦的迁移达到衡时在接触的两端形成电势热电偶回路的热电势热电极材料及测端和冷端的温度有关记作EAB( t ,t0)EAB(t t0)= EAB (t) EAB (t0)若冷端温度t 两种热电极材料⼀定时 EAB (t0)=C C 常数则EAB(t t0)= EAB (t) C=f(t)即要成热电偶的材料和参⽐端的温度⼀定热电偶产⽣的热电势仅热电偶测端的温度有关⽽热电偶的长短和直⽆关所以要测出热电势的⼤⼩就能得出被测介质的温度就是热电偶温度计的测原理题计算题五计算1234六论述题请列举出少于5种教材未涉及到的现代检测技术并简述⽤途答本题要考察学⽣对现代检测技术的最新展的了解情况可以是课时补充的材料中的检测技术可以是通过他途了解到的检测技术的最新展以列出部分参考答案1 ⽣物传感器电⼦⿐等可⽤于⽓味的检测和分析2 磁共振技术学诊断3 速度传感器电梯的控制4 达检测技术飞⾏器的检测5 微粒检测技术空⽓质检测等。
测试技术试题库(一)填空题1、测试的基本任务是获取有用的信息,而信息总是蕴涵在某些物理量之中,并依靠它们来2、传输的。
这些物理量就是,其中目前应用最广泛的是电信号。
3、信号的时域描述,以为独立变量;而信号的频域描述,以为独立变量。
4、周期信号的频谱具有三个特点:,,。
5、非周期信号包括信号和信号。
6、描述随机信号的时域特征参数有、、。
7、对信号的双边谱而言,实频谱(幅频谱)总是对称,虚频谱(相频谱)总是对称。
8、某一阶系统的频率响应函数为H ( j )1 ,输入信号 x(t ) sint,则输出信号2 j 1 2y(t ) 的频率为,幅值 y ,相位。
1.5 41 2和n 的两个环节串联后组成的系统的9、试求传递函数分别为3.5s 0.5 s2 1.4 n s 2 n总灵敏度。
为了获得测试信号的频谱,常用的信号分析方法有、和。
10、当测试系统的输出y( t)与输入x( t)之间的关系为y(t) A0 x(t t 0 ) 时,该系统能实现测试。
此时,系统的频率特性为H ( j ) 。
11、传感器的灵敏度越高,就意味着传感器所感知的越小。
12、一个理想的测试装置,其输入和输出之间应该具有关系为最佳。
13、属于能量控制型的传感器有等,属于能量转换型的传感器有等(每个至少举例两个)。
14、金属电阻应变片与半导体应变片的物理基础的区别在于:前者利用引起的电阻变化,后者利用变化引起的电阻变化。
15、为了提高变极距电容式传感器的灵敏度、线性度及减小外部条件变化对测量精度的影响,实际应用时常常采用工作方式。
16、压电式传感器的测量电路(即前置放大器)有两种形式:放大器和放大器,后接放大器时,可不受连接电缆长度的限制。
17、涡流式传感器的变换原理是利用了金属导体在交流磁场中的效应。
18、磁电式速度计的灵敏度单位是。
19、压电式传感器是利用某些物质的而工作的。
20、电桥的作用是把电感、电阻、电容的变化转化为输出的装置。
检测技术复习题(课程代码392220)一、单项选择题1.按误差出现的规律分,下列误差不属于系统误差的是()A电子电路的噪声干扰产生的误差;B仪表本身材料,零件工艺上的缺陷;C测量者不良读数习惯引起的误差;D测试工作中使用仪表的方法不正确;2.下列传感器可以测量温度的是()A 应变片B AD590C 氯化锂D CCD传感器3. 下列传感器不可以测量振动的是()A 应变片 B电容传感器C SHT11D 压电传感器4.下列测量最准确的是()A 65.98±0.02mmB 0.488±0.004mmC 0.0098±0.0012mmD 1.98±0.04mm5.下列哪些指标不属于传感器的静态指标()A 精度 B灵敏度C阻尼比 D 线性度6.莫尔条纹的移动对被测位移量所起的作用是()A 调制B 放大C 细分D 降噪7.电涡流式传感器利用涡流效应将检测量的变化转换成线圈的()A 电阻变化B 电容变化C 涡流变化D 电感变化8.变压器隔离电路中赖以传递信号的途径是()A.光电耦合B.磁通耦合C.漏电耦合D.电容耦合9.光照射在某些半导体材料表面上时,半导体材料中有些电子和空穴可以从原来不导电的束缚状态变为能导电的自由状态,使半导体的导电率增加,这种现象叫()A 内光电效应B 外光电现象C 热电效应D 光生伏特效应10.下列不具有压电特性的材料是()A 石英B 钛酸钡C PVC薄膜D 霍尔片11.一般意义上的传感器包含了敏感元件和()两个组成部分。
A放大电路 B 数据采集电路C 转换电路D滤波电路12.DS18B20默认的温度分辨率是()A 0.5℃B 0.25℃C 0.125℃D 0.0625℃13.两片压电元件串联与单片相比,下列说法正确的是()A串联时输出电压不变,电荷量与单片时相同;B串联时输出电压增加一倍,电荷量与单片时相同;C 串联时电荷量时增加一倍,电容量不变;D串联时电荷量增加一倍,电容量为单片的一半;14.下列哪些指标不属于传感器的静态指标()A 精度 B灵敏度C频率响应 D 线性度15.热电阻的引线电阻对测量结果有较大影响,采用()引线方式测量精度最高。
一、单选(共计100分,每题分)1、I suppose documentary films are the least .A. I like horror films best.B. Yet they have great educational value.C. Are you sure?D. I will not see this one, then.2、---Mary, can I use your computer now? ----doesn’twork.A. That’s all rightB. I’m afraid notC. You’re welcomeD. It doesn’t matter3、—Could you ask him to call me, please?______! What's your name,please?A. SureB. OhC. YesD. Well4、–It’s getting late. I must go .A. Send Bob my best.B. You’d better stay overnight.C. Best regards.D. The pleasure is mine.5、---What a surprise! You changed your hair style. ---Yes,and another surprise. I’m going to get married next Saturday.A. Oh, sorry, I nearly forgot that.B. Really? Congratulations!C. How about time? I’ll be busy then.D. That’s OK. Saturday is the most suitable day for any marriage.6、- Can you come down a bit?-are on sale today.A. It’s a real buy at that price.B. Oh, come on!C. No, it is impossible.D. Please, help me.7、—Excuse me, do you mind if I smoke?—_______________________.A. Yes, of course.B. Yes, pleaseC. Not at all.D. No, please don’t.8、- __________. It’s very cheap. Don’t missthis opportunity to Cheap! I should say it is.A. It is on clearance sale.B. It is low.C. It is cool.D. It is costly.9、- What would the whole set cost?- Youcan have it for only 60 dollars I can give you no more than 50 you sell it for that?-___________ , You won’t get a better buy than thisone.A. Sorry, please leave my standB. Can you buy three of them?C. If you were me, what will do?D. The price is moderate enough.10、–I’m crazy about chocolate. Do you want one?-_________A. It sounds great.B. once in a while.C. Well, it’s hard to say.D. No. I don’t like it at all.11、--Can I speak to Mr. Wang, please?---- ____________A. Who are you?B. I’m WangC. SpeakingD. Are you John?12、---I’m engaged! ---__________ on your engagement!A. CongratulationsB. PleasureC. WelcomeD. Cheers13、David, nice to meet you. I have heard a lot about ______________________________________.A. What have you heard about me?B. What do you know me about?C. Tell me about yourself.D. Nice to meet you.14、- Any development about your job-hunting?-__________________________________.A. I haven't found one yet.B. I am satisfied with my job.C. My old job suits me better.D. I like to find a highly-paid job.15、________________________?—My brother is an engineer.A. What is your brother?B. What does your brother?C. What job is your brother?D. What your brother job?16、Hello, may I speak to Mr. Brown?—_______________________.A. No, you can’tB. Sorry, he isn’t in.C. Who are you?D. Why do you want to speak to him?17、-Excuse me, I did not mean to bother .A. There is no problemB. It is a pleasureC. I did not realize thatD. That is quite all right18、--- Sam, would you mind if I copy the document?-----_____.A. Of course not, go aheadB. Yes, pleaseC. Of course, do as you likeD. No, you’d better not19、---Marry Christmas!---___________.A. Oh, thanks to you!B. Happy New Year!C. The same to you!D. I never celebrate it!20、–Can you give me a discount if you I buy two of them?-___________.A. No way.B. Sorry, our prices are fixedC. It is easy for you to say so.D. What? Are you crazy?21、Darling, why are you so excited today?-___________________________________.A. I happened to meet a frienD.B. I am so happy.C. Do you know who I met today?D. The book is really interesting.22、–That’s a beautiful song they are playing, isn’t it?-________.A. I know what you mean.B. Yeah, it’s great!C. What about you?D. Me too.23、—It's very kind of you to come and see me .A. It's my pleasureB. much betterC. Don't say itD. No problem24、----I must be leaving now. It'll be 3hours’drive to getA. Good-bye.B. Take care.C. Take it easy.D. What can I do for you?25、---Oh dear! I’ve just broken a can’t behelped.A. Never mindB. All rightC. That’s fineD. Not at all26、–Is there anywhere you’d like to go this summer vocation?-________A. Nowhere in particular.B. I can’t wait to see you.C. It’s my honor to go with you.D. Is it expensive?27、- I think digital dictionaries are very useful..-______________________________________.A. Yes, so do I.B. It's a good idea.C. Neither do I.D. I got one, too.28、Michael, shall we have a get together with Tom and Catherine thisweekend?-______.A. It doesn’t matter.B. You’re welcome.C. Don’t you think so?D. It’s such a good idea.29、—Hello, Kate! Fancy meeting you here! Working again, are you?—Yes,______,if I want to pass the exams.A. I've got toB. no other wayC. I must doD. I have on way30、—_______________________.—I have toweigh your letter first. That’s one dollar fifteen cents.A. What’s the postage?B. How much is the letter?C. What do you do?D. How are you?31、---Thank you so much for the lovely evening. Jim, Frank and I hadsuch a good 're welcome,John.A. We spend a lot of money on it.B. I'm afraid you didn't have a good time.C. Just stay a little longer.D. Thank you for coming.32、—__________________________?—It’s sunny and windy.A. What is the weather?B. What is it today?C. What’s the weather like today?D. What is the sky like?33、—I'm going camping thisA. Can you fish?B. Have a good timeC. No, I'm too busyD. Don't give up now34、--Would you mind if I open the window for awhile?-----__________________________A. Of course not.B. That is fine, thanks.C. Yes, please go aheaD.D. Yes, it is ok.35、-Would you like to order now?-----_________________________A. I am full now.B. But the price is so high.C. Yes. I’d like fish and rice.D. Thanks. It is very kind of you.36、---Thank you for theA. It’s not that goodB. Are you serious?C. ’m glad you enjoyed it.D. I’m not a good cook.37、—I wonder what the weather is going to be like tomorrow?_______That'sa good idea.A. Let's look through the paperB. Let's listen to the weather report on the radioC. Better be care of the radioD. Pay attention to the radio38、----Do you know where I can repair myrecorder?----_______________________A. I have bought a new one.B. It is not expensive to repair it.C. You use it too much.D. Just around the street corner.39、----Let’s go to a movie after work, OK?-----________________________A. Not at all.B. Why not?C. Never mind.D. What is it?40、- The dishwasher looks nice. How much do you charge for it?- $’s rather ?- If you really want it, we can give youa ten percent discount off.A. I don’t take it.B. Can you sell it?C. Can’t you make it cheaper?D. Can you pack it?一、单选(共计100分,每题分)1、—It's very kind of you to come and see me .A. It's my pleasureB. much betterC. Don't say itD. No problem2、David, nice to meet you. I have heard a lot about ______________________________________.A. What have you heard about me?B. What do you know me about?C. Tell me about yourself.D. Nice to meet you.3、—Excuse me, do you mind if I smoke?—_______________________.A. Yes, of course.B. Yes, pleaseC. Not at all.D. No, please don’t.4、----Do you know where I can repair myrecorder?----_______________________A. I have bought a new one.B. It is not expensive to repair it.C. You use it too much.D. Just around the street corner.5、Michael, shall we have a get together with Tom and Catherine thisweekend?-______.A. It doesn’t matter.B. You’re welcome.C. Don’t you think so?D. It’s such a good idea.6、- __________. It’s very cheap. Don’t missthis opportunity to Cheap! I should say it is.A. It is on clearance sale.B. It is low.C. It is cool.D. It is costly.7、---Oh dear! I’ve just broken a can’t behelped.A. Never mindB. All rightC. That’s fineD. Not at all8、—I wonder what the weather is going to be like tomorrow?_______That'sa good idea.A. Let's look through the paperB. Let's listen to the weather report on the radioC. Better be care of the radioD. Pay attention to the radio9、Hello, may I speak to Mr. Brown?—_______________________.A. No, you can’tB. Sorry, he isn’t in.C. Who are you?D. Why do you want to speak to him?10、—Hello, Kate! Fancy meeting you here! Working again, are you?—Yes,______,if I want to pass the exams.A. I've got toB. no other wayC. I must doD. I have on way11、—_______________________.—I have toweigh your letter first. That’s one dollar fifteen cents.A. What’s the postage?B. How much is the letter?C. What do you do?D. How are you?12、---Mary, can I use your computer now? ----doesn’twork.A. That’s all rightB. I’m afraid notC. You’re welcomeD. It doesn’t matter13、–Can you give me a discount if you I buy two of them?-___________.A. No way.B. Sorry, our prices are fixedC. It is easy for you to say so.D. What? Are you crazy?14、—__________________________?—It’s sunny and windy.A. What is the weather?B. What is it today?C. What’s the weather like today?D. What is the sky like?15、- Any development about your job-hunting?-__________________________________.A. I haven't found one yet.B. I am satisfied with my job.C. My old job suits me better.D. I like to find a highly-paid job.16、---Thank you so much for the lovely evening. Jim, Frank and I hadsuch a good 're welcome,John.A. We spend a lot of money on it.B. I'm afraid you didn't have a good time.C. Just stay a little longer.D. Thank you for coming.17、----Let’s go to a movie after work, OK?-----________________________A. Not at all.B. Why not?C. Never mind.D. What is it?18、- What would the whole set cost?- Youcan have it for only 60 dollars I can give you no more than 50 you sell it for that?-___________ , You won’t get a better buy than thisone.A. Sorry, please leave my standB. Can you buy three of them?C. If you were me, what will do?D. The price is moderate enough.19、---Thank you for theA. It’s not that goodB. Are you serious?C. ’m glad you enjoyed it.D. I’m not a good cook.20、—I'm going camping thisA. Can you fish?B. Have a good timeC. No, I'm too busyD. Don't give up now21、- Can you come down a bit?-are on sale today.A. It’s a real buy at that price.B. Oh, come on!C. No, it is impossible.D. Please, help me.22、---Marry Christmas!---___________.A. Oh, thanks to you!B. Happy New Year!C. The same to you!D. I never celebrate it!23、-Excuse me, I did not mean to bother .A. There is no problemB. It is a pleasureC. I did not realize thatD. That is quite all right24、- I think digital dictionaries are very useful..-______________________________________.A. Yes, so do I.B. It's a good idea.C. Neither do I.D. I got one, too.25、-Would you like to order now?-----_________________________A. I am full now.B. But the price is so high.C. Yes. I’d like fish and rice.D. Thanks. It is very kind of you.26、Darling, why are you so excited today?-___________________________________.A. I happened to meet a frienD.B. I am so happy.C. Do you know who I met today?D. The book is really interesting.27、–It’s getting late. I must go .A. Send Bob my best.B. You’d better stay overnight.C. Best regards.D. The pleasure is mine.错误:【A】28、---What a surprise! You changed your hair style. ---Yes,and another surprise. I’m going to getmarried next Saturday.A. Oh, sorry, I nearly forgot that.B. Really? Congratulations!C. How about time? I’ll be busy then.D. That’s OK. Saturday is the most suitable day for any marriage.29、--Can I speak to Mr. Wang, please?---- ____________A. Who are you?B. I’m WangC. SpeakingD. Are you John?30、–That’s a beautiful song they are playing, isn’t it?-________.A. I know what you mean.B. Yeah, it’s great!C. What about you?D. Me too.31、--Would you mind if I open the window for awhile?-----__________________________A. Of course not.B. That is fine, thanks.C. Yes, please go aheaD.D. Yes, it is ok.32、----I must be leaving now. It'll be 3hours’drive to getA. Good-bye.B. Take care.C. Take it easy.D. What can I do for you?33、–I’m crazy about chocolate. Do you want one?-_________A. It sounds great.B. once in a while.C. Well, it’s hard to say.D. No. I don’t like it at all.34、I suppose documentary films are the least .A. I like horror films best.B. Yet they have great educational value.C. Are you sure?D. I will not see this one, then.35、–Is there anywhere you’d like to go this summer vocation?-________A. Nowhere in particular.B. I can’t wait to see you.C. It’s my honor to go with you.D. Is it expensive?36、________________________?—My brother is an engineer.A. What is your brother?B. What does your brother?C. What job is your brother?D. What your brother job?37、---I’m engaged! ---__________ on your engagement!A. CongratulationsB. PleasureC. WelcomeD. Cheers38、- The dishwasher looks nice. How much do you charge for it?- $’s rather ?- If you really want it, we can give youa ten percent discount off.A. I don’t take it.B. Can you sell it?C. Can’t you make it cheaper?D. Can you pack it?39、—Could you ask him to call me, please?______! What's your name,please?A. SureB. OhC. YesD. Well40、--- Sam, would you mind if I copy the document?-----_____.A. Of course not, go aheadB. Yes, pleaseC. Of course, do as you likeD. No, you’d better not。
一、单选(共计100分,每题2.5分)1、若已定义int a=11; 执行以下语句后的输出结果是()。
printf("a=%d,a=%o,a=%x\n",a,a,a) ;A. a=11, a=11, a=bB. a=11, a=13, a=bC. a=11, a=13, a=cD. a=11, a=12, a=132、A.B.C.D.3、以下程序运行后,文件test.txt的内容是()。
#include <stdio.h> main() { FILE *fp; char str[][10]={"first","second"}; fp = fopen("test.txt", "w"); if(fp!=NULL) fprintf(fp,"%s",str[0]); fclose(fp); fp = fopen("test.txt", "w"); if(fp!=NULL) fprintf(fp,"%s",str[1]); fclose(fp); }A. firstB. secondC. first secondD. second first4、若有以下定义:struct node { int data; struct node *next; } struct node *head,*p; 已建立如下图所示的链表: p ↓┌──┬──┐┌──┬──┐┌──┬──┐head →│data│next┼→│data│next┼→... →│data│NULL│└──┴──┘└──┴──┘└──┴──┘能删除指针p所指向结点的程序段是()。
A. p = p->next; head->next=p->next; free(p);B. free(p); p = p->next; head->next=p->next;C. head->next = p->next; free(p);D. free(p); head->next = p->next;5、若有定义:int a[10]={0,1,2,3,4,5,6,7,8,9}, *p=a; ,则()表达式是错误的。
武汉理工大学继续教育学院试卷企业战略管理B卷标准答案一、名词解释(每题4分,共计20分)1、企业战略:是指使企业资源得到最佳配置,使企业经营活动有机协调地进行。
2、核心竞争力:居于核地位并能使企业超越竞争对手并获得较大利润的要素作用力。
3、多样化:企业在新产品和新的市场领域形成的战略。
4、联盟:两个或两个以上的企业之间为了达到某种战略目的而建立的一种长期合作关系。
5、SWOT分析:关于企业内部外部环境的分析方法,包括优势、劣势、机会、威协。
二、单选题(每题2分,共计10分)1、C;2、A;3、A;4、D;5、B三、问答题(每题6分,共计30分)1、经营单位战略:包括成本领先战略、差异化战略、集中化战略。
成本领先战略:通过有效途径实现成本的降低以建立一种不败的竞争优势的战略。
差异化战略:企业的产品和竞争对手的产品有明显的区别、形成与众不同的特点而采取的战略。
集中化战略:把经营战略的重点放在一个特定的目标市场上,为特定的区域或特定的购买者提供特殊产品或服务。
三者的区别:经营单位战略成本领先战略差异化战略集中化战略战略优势成本领先被顾客察觉的独特性重点集中战略目标面向全行业面向全行业面向特定细分市场2、五种力量模型:包括潜在的竞争对手、现有企业之间的竞争、替代品的威协、供应方的讨价还价能力和买方的讨价还价能力。
图见P 38 页。
3、价值链是一个企业的产品设计、生产、销售、交货以及对产品起辅助作用的各种活动的集合。
包括基本活动和辅助活动。
基本活动包括:内部后勤保障、生产经营、外部后勤保障、销售和市场营销、售后服务等。
辅助活动包括采购、技术开发、人力资源管理、企业的基础活动等。
4、兼并和收购的区别:(1) 兼并发生在两个或两个以上的企业之间,是企业之间协商交易的结果。
而收购是一个企业和个人与另一个企业股东之间的外在交易。
(2) 兼并是特定的当分事人各方通过合同的方式进行交易,而收购是通过特定的一方不特定的股票持有人发出要约并接受承诺的方式。
一、判断(共计50分,每题2.5分)1、金属电阻应变片电阻的变化主要是由于电阻丝的几何变形引起的。
()A. 正确B. 错误2、在信号的调幅过程中,载波就是被测试的缓变信号。
()A. 正确B. 错误3、为避免信号的混叠,采样频率fs必须不小于信号最高频率的fc的2倍。
()A. 正确B. 错误4、对于一阶系统,时间常数τ越小越好。
()A. 正确B. 错误5、若金属电阻应变片的测试信号为直流电桥一个桥臂的输入,则电桥的输出为调幅波。
()A. 正确B. 错误6、传递函数相同的各种装置其动态特性不一定相同。
()A. 正确B. 错误7、满足狄氏条件的周期信号可以用傅氏级数展成余弦函数之和的形式。
()A. 正确B. 错误8、用矩形窗函数对信号进行截断,增加矩形窗函数的宽度能够减少能量泄漏。
()A. 正确B. 错误9、同步解调时使用的载波信号频率不一定和调幅时使用的载波信号频率相同。
()A. 正确B. 错误10、周期信号是由频率成基频整数倍的离散的谐波叠加而成。
()A. 正确B. 错误11、磁电式传感器可以用于测量线速度和角速度。
()A. 正确B. 错误12、测试装置能进行不失真的测试的条件是其幅频特性为常数,相频特性为零。
()A. 正确B. 错误13、单个方波是周期信号。
()A. 正确B. 错误14、灵敏度和权函数均描述了测试系统的动态特性。
()A. 正确B. 错误15、频率不变性原理是指线性测试系统的输出信号频率总等于输入信号的频率。
()A. 正确B. 错误16、若要测试最高频率为100Hz的信号,可以用FC6-400的振动子光线示波器。
()A. 正确B. 错误17、瞬态信号的频谱是离散的。
()A. 正确B. 错误18、信息不具有能量,信号也不具有能量。
()A. 正确B. 错误19、对恒带宽比滤波器,中心频率越高,带宽越大。
()A. 正确B. 错误20、对纯电阻电桥,电桥平衡的条件是两相对桥臂上电阻的乘积相等。
()A. 正确B. 错误二、单选(共计50分,每题2.5分)21、描述周期信号时域与频域关系的数学工具是()。
A. 三角函数B. 拉氏变换C. 傅氏变换D. 傅氏级数22、测试装置的频响函数H(jω)是装置动态特性在()中的描述。
A. 幅值域B. 时域C. 频率域D. 复数域23、确定信号可分为_________两类,前者频谱具有的特点是_________,后者的频谱具有特点是_________。
()A. 简单周期和复杂周期信号,连续,离散B. 周期和瞬态信号,连续,离散C. 周期和非周期信号,离散,连续D. 周期和非周期信号,连续,离散24、信号,的频谱为,的频谱为,则的频谱为和的()。
A. 乘积B. 卷积C. 之和D. 之差25、脉冲函数的频谱是()。
A. 均匀谱B. 非均匀谱C. 逐渐增高D. 逐渐降低26、描述测试系统的静态特性的指标是()。
A. 频响函数B. 时间常数C. 回程误差D. 超调量27、压电传感器利用了材料的()。
A. 应变效应B. 压电效应C. 逆压电效应D. 压阻效应28、设时域信号x(t)的频谱为X(f),则时域信号x(t-t0) 的频谱为()。
答案:【A】A.B.C. X(f+f0)D. X( f - f0)29、压电式传感器后面的放大器具有的主要功能是()。
A. 阻抗转换和信号放大B. 阻抗转换C. 信号放大D. 消除电缆线长度影响30、若电阻应变片的输入信号为正弦波,则以该应变片为工作臂的交流测量电桥的输出是()A. 直流信号B. 正弦波C. 调幅波D. 脉动波31、周期信号被矩形窗函数截断后的信号的频谱是()的。
A. 连续B. 离散C. 连续或离散D. 不确定32、压电式传感器是个高内阻传感器,因此要求前置放大器的输入阻抗()。
A. 很低B. 很高C. 较低D. 无要求33、在非电量的电测法中,总是将被测信号转换称为()信号。
A. 光B. 电C. 磁34、δ(t)函数的频谱是()。
A. 水平直线B. 离散谱C. 零35、设时域信号x(t)的频谱为X(f),则时域信号的频谱为()。
答案:【A】A.B.C. X(f+f0)D. X(f-f0)36、基于非电量电测法的测试系统由()组成。
A. 信号调理器、标定装置和激励装置B. 标定装置,传感器和激励装置C. 测量装置、标定装置和激励装置D. 测量装置,标定装置和记录仪37、对一阶系统,时间常数τ()越好。
A. 越大B. 越小C. 不变D. 无法确定38、周期信号的傅里叶级数三角函数展开式为式中,表示_________,表示_________,表示_________。
()A. 平均值,正弦分量的幅值,余弦分量的幅值B. 平均值,余弦分量的幅值,正弦分量的幅值C. 均方值,余弦分量的幅值,正弦分量的幅值D. 均方根值,正弦分量的幅值,余弦分量的幅值39、描述非周期信号时域与频域关系的数学工具是()。
A. 三角函数B. 拉氏变换C. 傅氏变换D. 傅氏级数40、表示传感器的静态输入与输出之间关系的实验曲线称为()。
A. 幅频特性曲线B. 相频特性曲线C. 标定曲线D. 拟合直线一、判断(共计50分,每题2.5分)1、对恒带宽比滤波器,中心频率越高,带宽越大。
()A. 正确B. 错误2、对于一阶系统,时间常数τ越小越好。
()A. 正确B. 错误3、频率不变性原理是指线性测试系统的输出信号频率总等于输入信号的频率。
()A. 正确B. 错误4、同步解调时使用的载波信号频率不一定和调幅时使用的载波信号频率相同。
()A. 正确B. 错误5、用极距变化型电容传感器对振动位移的测量存在非线性误差。
()A. 正确B. 错误6、灵敏度和权函数均描述了测试系统的动态特性。
()A. 正确B. 错误7、满足狄氏条件的周期信号可以用傅氏级数展成余弦函数之和的形式。
()A. 正确B. 错误8、瞬态信号不是确定性信号。
()A. 正确B. 错误9、若要测试最高频率为100Hz的信号,可以用FC6-400的振动子光线示波器。
()A. 正确B. 错误10、压电传感器后面使用电荷放大器时,系统的灵敏度基本不受电缆长度的影响。
()A. 正确B. 错误11、周期信号是由频率成基频整数倍的离散的谐波叠加而成。
()A. 正确B. 错误12、单个方波是周期信号。
()A. 正确B. 错误13、灵敏度是指输出量变化和输入量变化的比值,有时又称为放大倍数。
()A. 正确B. 错误14、频率响应函数同时反映了系统响应的稳态过程和过渡过程。
()A. 正确B. 错误15、若金属电阻应变片的测试信号为直流电桥一个桥臂的输入,则电桥的输出为调幅波。
()A. 正确B. 错误16、信息不具有能量,信号也不具有能量。
()A. 正确B. 错误17、幅频特性是指输入与输出信号的幅值比与频率的关系。
()A. 正确B. 错误18、传递函数相同的各种装置其动态特性不一定相同。
()A. 正确B. 错误19、信号截断必然存在信号能量泄漏。
()A. 正确B. 错误20、对纯电阻电桥,电桥平衡的条件是两相对桥臂上电阻的乘积相等。
()A. 正确B. 错误二、单选(共计50分,每题2.5分)21、工程中常见的周期信号,其谐波幅度总的趋势是随着_________而_________的,因此,在频谱分析中,没有必要取那些_________的谐波分量。
()A. 频率增大,增大,高频B. 频率增大,减小,低频C. 频率增大,减小,高频D. 频率增大,不变,高频22、压电式传感器是个高内阻传感器,因此要求前置放大器的输入阻抗()。
A. 很低B. 很高C. 较低D. 无要求23、用常系数微分方程描述的系统称为()系统。
A. 相似B. 不同C. 化学D. 线性24、δ(t)函数的频谱是()。
A. 水平直线B. 离散谱C. 零25、表示传感器的静态输入与输出之间关系的实验曲线称为()。
A. 幅频特性曲线B. 相频特性曲线C. 标定曲线D. 拟合直线26、变间隙式电容传感器测量位移量时,传感器的灵敏度随()而增大。
A. 间隙的减小B. 间隙的增大C. 电流的增大D. 电压的增大27、描述周期信号时域与频域关系的数学工具是()。
A. 三角函数B. 拉氏变换C. 傅氏变换D. 傅氏级数28、压电传感器利用了材料的()。
A. 应变效应B. 压电效应C. 逆压电效应D. 压阻效应29、设时域信号x(t)的频谱为X(f),则时域信号x(t-t0) 的频谱为()。
答案:【A】A.B.C. X(f+f0)D. X( f - f0)30、对一阶系统,时间常数τ()越好。
A. 越大B. 越小C. 不变D. 无法确定31、在非电量的电测法中,总是将被测信号转换称为()信号。
A. 光B. 电C. 磁32、确定信号可分为_________两类,前者频谱具有的特点是_________,后者的频谱具有特点是_________。
()A. 简单周期和复杂周期信号,连续,离散B. 周期和瞬态信号,连续,离散C. 周期和非周期信号,离散,连续D. 周期和非周期信号,连续,离散33、根据理想测试系统的()性质可以推得:输出信号含有什么频率成分,输入信号中也一定含有这种频率成分。
A. 叠加性B. 比例特性C. 频率不变性D. 积分特性34、脉冲函数的频谱是()。
A. 均匀谱B. 非均匀谱C. 逐渐增高D. 逐渐降低35、测试装置的频响函数H(jω)是装置动态特性在()中的描述。
A. 幅值域B. 时域C. 频率域D. 复数域36、交流电桥的桥臂依次是,其平衡条件是()。
答案:【C】A.B.C.D.37、压电式传感器后面的放大器具有的主要功能是()。
A. 阻抗转换和信号放大B. 阻抗转换C. 信号放大D. 消除电缆线长度影响38、模拟信号转换为数字信号的过程是()。
A. 量化→采样→编码B. 采样→量化→编码C. 编码→采样→量化39、描述测试系统的静态特性的指标是()。
A. 频响函数B. 时间常数C. 回程误差D. 超调量40、周期信号的傅里叶级数三角函数展开式为式中,表示_________,表示_________,表示_________。
()A. 平均值,正弦分量的幅值,余弦分量的幅值B. 平均值,余弦分量的幅值,正弦分量的幅值C. 均方值,余弦分量的幅值,正弦分量的幅值D. 均方根值,正弦分量的幅值,余弦分量的幅值一、判断20、若一选频滤波器的幅频特性是:在0~fc之间接近常数,在fc~∞之间急剧衰减。
该滤波器为高通滤波器。
()A. 正确B. 错误二、单选26、灵敏度为常数的传感器是()。
A. 磁电式传感器B. 可变磁阻式电感传感器C. 极距型电容传感器D. 涡流式传感器27、已知,则()。
答案:【C】A.B.C.D.28、描述周期信号时域与频域关系的数学工具是()。