实验室制取氧气和二氧化碳的对比表格
- 格式:doc
- 大小:90.00 KB
- 文档页数:1
实验室用KMnO4制取氧气原理:2KMnO4====K2MnO4+MnO2+O2↑装置图:实验步骤:1、查:检查装置气密性方法:将导管的一端插入水中,用手握住试管,若导管口有气泡冒出,证明装置气密性良好。
2、装:将药品装入试管试管口放一团棉花的作用:防止高锰酸钾粉末随着氧气流通过试管进入水中,使水变紫色。
试管口为什么要向下倾斜?原因:防止冷凝水回流到热的试管底部,使试管炸裂。
3、定:将试管固定在铁架台上4、点:点燃酒精灯为什么要在试管下方来回移动酒精灯?原因:使试管均匀受热,防止局部过热使试管炸裂。
5、收:收集气体排水法:氧气难溶于水,不跟水发生反应方法向上排空气法:氧气密度比空气大验满方法:将带火星的木条放在集气瓶口,若木条复燃,则已满。
检验气体是否为氧气的方法:将带火星的木条伸入集气瓶里,若木条复燃,则该气体为氧气。
6、移:将导管从水槽中移出7、熄:熄灭酒精灯为什么先将导管从水槽中移出,再熄灭酒精灯?原因:防止水槽中的水倒吸入热的试管中,使试管炸裂。
实验室用过氧化氢制取氧气原理:2H2O2 === 2H2O + O2↑装置图:活塞的作用:可以控制反应速率。
实验室制取二氧化碳原理:CaCO3 + 2HCl==CaCl2 + H2O + CO2↑装置图:实验步骤:1、查:检查装置气密性方法:将导管的一端插入水中,用手握住试管,若导管口有气泡冒出,证明装置气密性良好。
2、装:将药品装入试管3、收:收集气体方法:向上排空气法(二氧化碳密度比空气大)4、满:进行验满将燃着的木条放在集气瓶口,若木条熄灭,则已满。
5、验:检验气体检验气体是否为二氧化碳的方法:将收集到的气体通入澄清石灰水中,若澄清石灰水变浑浊,则该气体为二氧化碳。
实验室也可以用以下装置图制取二氧化碳。
氧气和二氧化碳的性质、制法、用途相互比较一览表
①排水法(不易溶于水)
②向上排空气法(氧气的密度是1.429克/升,比空
气的密度(1.293克/升)略大)
向上排空气法(二氧化碳的密度是
升,比空气的密度(1.293克/升)略大)
将带火星的木条伸入集气瓶中,若带火星的木条复燃,证明该瓶气体是氧气。
将澄清的石灰水倒入集气瓶中,振荡,若澄清的石灰水变浑浊,证明该瓶气体是二氧化碳。
将带火星的木条伸入集气瓶口,若带火星的木条复燃,证明该瓶气体已收集满了。
将燃着的木条伸入集气瓶口,若燃着的木条熄灭,证明该瓶气体已收集满了。
制取氧气和二氧化碳的发生装置比较
用加热高锰酸钾、加热氯酸钾和二氧化锰的混合物的方法制取氧气,用左边的装置;用过氧化氢和二氧化锰制取氧气右边的装置。
实验室制取二氧化碳的装置可采用如图1装置。
实验室里制取二氧化碳的反应药品是大理石和稀盐酸,根据反应物的状态(固体与液体)以及反应的条件(不需要加热),较为简单的发生装置如图2、图3中装置。
在图2装置的基础上,可以增加长颈漏斗,如图4
增加了长颈漏斗,可以随时向锥形瓶中添加反应物稀盐酸。
必须注意的是,长颈漏斗的下端插到液面以下,以防产生的气体从长颈漏斗逸出。
如果将长颈漏斗换成分液漏斗,分液漏斗的下端不必一定要插到液面以下了,如图5
二氧化碳气体可溶于水,二氧化碳的密度比空气大。
所以收集二氧化碳气体一般只能用向上排空气法,如图9 ,如果采用图10中装置来收集,因为二氧化碳的密度比空气大,气体应该从长导管进入。
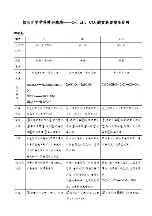
初三化学学科精讲精练——O2、H2、CO2的实验室制备比较知识点:例题:(2017•建邺区一模)请结合如图回答问题:(1)标号a 的仪器名称 。
(2)实验室用氯酸钾和二氧化锰制取氧气的化学方程式为 ,选用A 、D 装置制取O 2,A 装置中试管口略向下倾斜的原因是 ,可用D 装置收集O 2的原因是 。
(3)写出实验室用大理石与稀盐酸反应制取二氧化碳的化学方程式 ,用排空气法收集二氧化碳,可选用的收集装置为 (填字母)。
(4)工业上可用煅烧石灰石制得二氧化碳,若要制取7.7t 二氧化碳,需要含碳酸钙87.5%的石灰石质量是多少?(假设杂质不反应)(在答题纸写出计算过程)【解答】解:(1)集气瓶是常用的反应容器,故答案为:集气瓶;(2)如果用氯酸钾制氧气就需要加热,氯酸钾在二氧化锰做催化剂和加热的条件下生成氯化钾和氧气,配平即可;选用A 、D 装置制取O 2,A 装置中试管口略向下倾斜的原因是:防止水倒流而炸裂试管;氧气的密度比空气的密度大,不易溶于水,因此能用向上排空气法和排水法收集;故答案为:2KClO 32KCl+3O 2↑;防止水倒流而炸裂试管;氧气不易溶于水;(3)实验室制取CO 2,是在常温下,用大理石或石灰石和稀盐酸制取的,碳酸钙和盐酸互相交换成分生成氯化钙和水和二氧化碳,因此不需要加热。
二氧化碳能溶于水,密度比空气的密度大,因此只能用向上排空气法收集;故答案为:CaCO3+2HCl=CaCl2+H2O+CO2↑;C;(4)设需要含碳酸钙87.5%的石灰石质量为x,CaCO3CaO+CO2↑100 44x•87.5% 7.7tx=20t;答:需要含碳酸钙87.5%的石灰石质量是20t;故答案为:20t;练习:1.(2017秋•工业园区期中)如图是实验室加热高锰酸钾制取氧气的装置图,下列有关实验操作的分析错误的是()A.连接装置:先检查装置气密性,再加药品;先放酒精灯,再固定试管B.试管口略向下倾斜:防止水倒流入试管底部,导致试管炸裂C.收集:加热前将导管伸入装满水的集气瓶口D.停止加热:先把导管移出水面,再熄灭酒精灯2.(2017•南京二模)根据下列实验装置图,回答有关问题。
初中化学知识点总结:氧气、氢气、二氧化碳的比较表2 氧气、氢气、二氧化碳的比较氧气(O2) 氢气(H2) 二氧化碳(CO2)物理性质通常状况下:无色、无味气体;比空气重;难溶于水;熔、沸点很低。
通常状况下:无色、无味的气体;比空气轻;难溶于水;熔、沸点很低。
通常状况下:无色、无味的气体;比空气重;能溶于水;加压、冷却易变成无色液体和雪状固体——干冰。
干冰可直接气化。
化学性质化学性质活泼, 能跟非金属、金属等多种物质发生氧化反应, 具有氧化性。
常温下化学性质稳定, 在点燃或加热条件下可跟许多物质发生反应, 具有可燃性和还原性。
一般情况下:不支持燃烧, 不能燃烧, 且不助呼吸;跟水反应;跟碱液反应。
制法工业制法:分离液态空气法。
(物理变化)电解水;分离水煤气;天然气等在催化剂作用下受热分解。
高温煅烧石灰石。
实验室制法原理∆===42KMnO↑++2242OMnOMnOK232MnOKClO∆===↑+232OKCl活泼金属和稀酸反应:↑+=+222HZnClHClZn42SOHZn+(稀)↑+=24HZnSO大理石(或石灰石)和稀盐酸反应。
232CaClHClCaCO=+OHCO22+↑+装置固体+固体气体块状固体+液体→气体启普发生器块状固体+液体→气体启普发生器收集排水法或向上排空气法排水法或向下排空气法向上排空气法检验使带火星的木条复燃点燃, 火焰呈淡蓝色, 不纯时有爆鸣声。
使澄清石灰水变浑浊用途供给呼吸;气割气焊;炼钢;液氧炸药等。
充灌探空气球;作高能燃料;生产盐酸;冶炼金属等。
灭火剂;致冷剂;人工降雨;化工原料等。
H2、O2、CO2气体的实验室制法比较加热体不加热+液不加热+液知识能力训练1、实验室制取氧气有以下操作:①撤去酒精灯;②检查装置气密性;③把集气瓶装满水,倒置于水槽中;④点燃酒精灯;⑤收集气体;⑥撤出伸入水槽中的导管;⑦装入药品。
正确的操作顺序为(填序号): 2、7、3、4、5、6、1 。
2、实验室制取CO2,一般有下列各步组成:①检查装置的气密性;②按要求装配好仪器;③向漏斗内注入酸液;④向广口瓶中放入大理石;⑤收集气体。
正确的操作顺序为(填序号):2、1、4、3、5 。
3、关于制备H2、O2、CO2,下列说法正确的是( B ) A、都可用启普发生器制取B、都可用浓H2SO4干燥C、都能用NaOH固体干燥D、都不能用排水法收集4、实验室制取H2、O2、CO2,都可用到的仪器是( A )A、长颈漏斗B、导气管C、酒精灯D、水槽5、实验室制取CO2,应选用的药品是( D )A、Na2CO3溶液和稀盐酸B、NaOH固体和稀盐酸C、稀硫酸和大理石D、稀盐酸和大理石E、浓盐酸和大理石6、下列各组气体中,可用同一种方法收集且该方法又是每种气体最佳收集方法,这组是( )A、H2、O2、COB、H2、O2、CO2C、H2、CO2、COD、O2、CO2、CO7、盛有下列气体的集气瓶,瓶口向下放在实验台上的是( BE )A、氧气B、氢气C、二氧化碳D、一氧化碳E、甲烷8、现有烧杯,试管、量筒、铁架台、酒精灯、集气瓶、玻璃片、水槽、带导管的橡皮塞等仪器,只选用这些仪器,不能正常完成下列实验操作的是( C )A、用氯酸钾和二氧化锰制O2B、用氯化钠和水配制一定溶质质量分数的溶液C、用石灰石和稀盐酸制CO2D、用锌粒和稀盐酸制H2提高能力9、某同学在实验室里设计了下列四种制取气体的方法:①用硝酸与锌反应制取H2,②用稀盐酸和生石灰反应制取二氧化碳,③用高锰酸钾和氯酸钾共热制取O2,④用二氧化碳气体与碳单质反应制取一氧化碳。
O 2与CO 2 比较 班级 姓名二、O与CO 的性质比较 宿迁市钟吾国际学校化学备课组 “自学·议论·引导” 主编:肖庆孝三、O2与CO2的用途比较:练习:1. (重庆B 卷) 下列物质或方式中的“碳”,主要不是针对碳单质的是( ) A .碳素墨水 B .打印碳粉 C .低碳生活 D .石墨碳棒 . B . . D .风翻沉。
党和国家高度重视,全力抢救,从翻沉客船中成功搜救出幸存者。
说明沉船内残存空气中的氧气,具有的用途是( )A . 作还原剂B . 作保护气C . 供给呼吸D . 支持呼吸 4.(2015•临沂)下列实验现象的描述中,正确的是( ) A . 木炭在氧气中燃烧,生成有刺激性气味的气体 B . 硫在氧气中燃烧,发出淡蓝色火焰 C . 红磷在空气中燃烧产生大量的白雾D . 铁丝在氧气中燃烧,火星四射,生成黑色固体5.(北京)右图所示实验中,①、④为用紫色石蕊溶液润湿的棉球,②、③为用石蕊溶液染成紫色的干燥棉球.下列能说明密度大于空气且能与水反应的现象是( ) A .①变红,③不变红 B .④变红,③不变红C .①、④变红,②、③不变红D .④比①先变红,②、③不变红6.分类、类比是学习化学变化常用的方法.(1)初中化学有许多实验,若按照实验主要目的可将实验分为:探究化学反应前后物质的质量关系、探究物质的性质、探究物质的含量等。
据此应将下列A7.如图是实验室常用的装置,请回答有关问题:(1)写出图中标号仪器的名称:① ,② . (2)实验室用装置A 与C 连接制取收集O 2,则装置A 中反应的化学方程式为 ;若用H 2O 2和MnO 2制取并收集干燥的O 2,应选择装置的连接顺序是 (填序号). (3)实验室制取CO 2反应的化学方程式为 ,选用的收集装置是 (填序号),可将燃着的木条放在 来证明气瓶是否集满CO 2. (4)都可用于制取O 2、CO 2的发生装置是 ,收集装置是 (以上均填填序号) 8.( 1)实验室常用稀盐酸和石灰石反应制CO 2,该反应的化学方程式 ;此外,也可用加热碳酸氢钠(NaHCO 3)固体来制取CO 2,产物为碳酸钠(Na 2CO 3)、二氧化碳、水),则该反应的化学方程式 。