第5章10KV(35KV)变压器检修作业指导书详解
- 格式:doc
- 大小:2.94 MB
- 文档页数:14
10Kv干式变压器检修作业指导书编制:审核:批准:XX年XX月XX日发布目录一、设备描述 (3)1. 设备作用概述 (3)2. 设备组成及主要技术参数 (4)二、检修周期及内容 (6)1.检修周期 (6)2.检修内容 (6)三、检修准备 (6)1.人(作业人员资格及类别) (6)2.机(工器具) (7)3.料(备品备件) (7)4.法(文件) (8)5.环(安全措施) (8)四、检修方法 (8)五、验收标准 (10)1.日常维护验收标准 (10)2.检修验收标准 (10)六、试车验收标准 (11)七、维护保养事项 (11)八、常见故障处理 (12)一、设备描述1.设备概述式变压器是根据电磁感应原理所制成的静止的传输交流电能并改变交流电压的装置。
在一个由彼此绝缘的硅钢片叠成的闭合铁心上套上两个彼此绝缘的绕组就构成了干式变压器。
如果在某一个绕组的两端施加某一电源的交流电压,那么在该绕组中将流过一个交流电流。
在这个交流电流的作用下,铁心中将激励一个交变磁通。
而这个交变磁通将在所有两个绕组中感应出交流电压来,这种电压叫做感应电压。
如果在另一个绕组的两端接上某一个负载,则在该绕组与负载所构成的闭合电路中将有交流电流流过。
这样就达到了由电源向负载传输交流电能并改变交流电压的目的。
2. 设备组成及主要技术参数2.1设备示意图2.2设备组成序号设备名称数量单位作用1 绕组2 6 变压2 铁芯 1 组通磁3 夹件 1 组固定4 冷却风机 6 个冷却5 引线柱(高,低) 2 组接线2.3各部件主要技术参数二、检修周期及内容1.检修周期2.检修内容三、检修准备1.作业人员资格及类别有资质的人员在安装变压器前,必须具备以下条件:a)仔细通读本手册;b)有丰富的安装、建造或操作经验,熟知可能会发生的危险;c)经过培训和授权,按照已有的安全实践,进行送电、断电、清场、接地、隔离和标记;d)经过培训和授权,进行变压器服务、维护或修理;e)经过安全用品培训,例如橡胶手套、安全帽等;f)经过急救训;3.工器具4.备品备件4.适用文件四、检修方法(工艺卡)五、验收标准1.日常维护验收标准2.检修验收标准六、试车验收标准1,投运前的试验绕组直流电阻的测试a)电压比测量和联结组标号检定b)绝缘电阻测量线圈绝缘电阻应满足:高压—低压及地≥300MΩ2500V 兆欧表低压—高压及地≥100MΩ 2500V 兆欧表环境湿度较大时可能导致绝缘电阻明显下降。
文件编号:GD/FS-2658(管理制度范本系列)10KV配电变压器检修作业指导书详细版The Daily Operation Mode, It Includes All Implementation Items, And Acts To Regulate Individual Actions, Regulate Or Limit All Their Behaviors, And Finally Simplify The Management Process.编辑:_________________单位:_________________日期:_________________10KV配电变压器检修作业指导书详细版提示语:本管理制度文件适合使用于日常的规则或运作模式中,包含所有的执行事项,并作用于规范个体行动,规范或限制其所有行为,最终实现简化管理过程,提高管理效率。
,文档所展示内容即为所得,可在下载完成后直接进行编辑。
前言为提高国家电网公司供电企业输变电设备的运行、检修、试验水平,规范操作方法,确保人身和设备安全,由西安亮丽电管家公司组织,编写了10KV 配电变压器检修作业指导书。
编写中遵循我国的标准化、规范化和国际通用的贯标模式的要求。
本指导书纳入西安亮丽电管家公司生产技本制度由亮丽电管家提出。
本制度由生产技术部组织起草并解释。
本制度起草人:张社锋本制度由生产技术部归口管理。
1. 目的规范10KV配电变压器检修行为,提高10KV配电变压器的检修水平,确保10KV配电变压器的检修质量和设备运行的可靠性。
2. 适用范围本作业指导书适用于10KV干式配电变压器的大修、小修、临时检修作业,不包含更换绕组和铁芯等非标准项目的检修。
本作业指导书作为进口干式10KV配电变压器的检修作业的参考。
3. 技术术语3.1小修:常规性检修,主要对变压器附件进行检查调试。
3.2大修:变压器吊芯对配电变压器芯部检修,大修不仅对附件进行检修,更主要的是对变压器箱体内部,特别是芯体进行检修。
35kV油浸式站用变压器小修作业指导书1.目的1.1规范我局变压器专业现场检修作业行为,规范现场人员检修作业方式、方法和安全措施,提高现场检修作业安全水平,保证现场检修工作质量,提高工作效率。
1.2进一步加强变压器专业现场检修作业的指导、管理、监督,做到检修试验工作规范化、标准化。
2.范围本指导书适用于我局35kV油浸式站用变压器的小修现场作业。
3.职责3.1工作负责人3.1.1监护现场作业人员的安全;3.1.2对该检修作业结果进行审核、负责;3.1.3工作票的开工、终结办理;3.1.4施工结束后检修记录填写完整;3.1.5检修作业后检修报告的撰写。
3.2现场作业人员3.2.1自觉遵守《安规》及现场安全规定,互相关心作业安全。
3.2.2负责设备的拆接线,并认真核对。
3.2.3认真按相关规程的要求进行检定,对检测试验中发现的问题及时向工作负责人反馈,并协助工作负责人进行分析、判断。
3.3数据记录人3.3.1负责现场检修数据的记录。
3.3.2对现场检修数据的真实性负责。
4. 工作程序4.1施工前作业准备及条件要求4.1.4作业施工环境条件要求4.1.4.1天气情况要求无雨。
4.1.4.2室外湿度要求90%以下。
4.2作业配备要求4.2.1绝缘梯要求有防滑装置。
4.2.2安全带要求有双保险配置。
5.现场作业的安全、防护措施5.1作业需求的设备停电具体范围5.1.1变压器本体转检修:断开变压器两侧的开关、刀闸、对应的操作电源并取下二次侧熔丝。
5.1.2变压器本体包括各侧引线视为停电具体范围。
5.2设备接地措施具体要求5.2.1要求在变压器各侧引线装设接地线,并要求接触良好。
5.2.2要求设备外壳必须可靠接地。
5.3作业现场的临时遮栏、围网设备要求5.3.1要求相邻间隔带电部分一律用临时遮栏或围网围起来。
5.3.2要求在用临时遮栏或围网时,要有指定检修作业人员出入的口径及通道,若影响检修作业人员进出的话,工作负责人应向工作许可人提出,并作调整,方可作业。
变压器检验作业指导书标题:变压器检验作业指导书引言概述:变压器是电力系统中重要的电气设备之一,其正常运行对电力系统的稳定性和可靠性具有重要影响。
为了确保变压器的安全运行,需要进行定期的检验工作。
本文将详细介绍变压器检验的作业指导书,以匡助工作人员正确进行变压器检验。
一、检验前准备工作:1.1 确定检验目的与范围:在进行变压器检验前,需要明确检验的目的和范围,例如是否是例行检验还是故障检修检验。
1.2 确定检验时间与地点:根据变压器的运行情况和工作安排,确定检验的时间和地点,以便安排好相关人员和设备。
1.3 准备检验工具与设备:根据检验的要求,准备好相应的检验工具和设备,如检测仪器、测量仪表等。
二、外观检查:2.1 外观检查变压器本体:对变压器的外观进行检查,包括外壳、冷却装置、连接件等的完好性和泄漏情况。
2.2 外观检查绝缘子与引线:检查变压器绝缘子和引线的外观情况,包括是否有破损、污秽、腐蚀等问题。
2.3 外观检查附属设备:对变压器的附属设备进行外观检查,如油箱、开关、保护装置等,确保其正常运行。
三、电气性能检查:3.1 绝缘电阻测量:使用绝缘电阻测量仪对变压器的绝缘电阻进行测量,以判断绝缘性能是否符合要求。
3.2 变比测量:使用变比测试仪对变压器的变比进行测量,以检查是否存在变比异常或者误差。
3.3 负载损耗测量:通过测量变压器的负载损耗,判断变压器的负载能力和效率是否正常。
四、油质检查:4.1 油质外观检查:对变压器的绝缘油进行外观检查,包括颜色、浑浊度、气味等的观察。
4.2 油质分析检测:通过取样分析变压器绝缘油的物理性质和化学指标,判断油质是否正常。
4.3 油位与油温检测:检查变压器的油位和油温是否在正常范围内,以确保变压器正常运行。
五、运行试验:5.1 空载试验:在变压器无负载情况下进行试验,观察和测量变压器的空载电流、空载损耗等参数。
5.2 负载试验:在变压器负载情况下进行试验,观察和测量变压器的负载电流、负载损耗等参数。
变压器检验作业指导书标题:变压器检验作业指导书引言概述:变压器是电力系统中重要的电气设备之一,其正常运行对电力系统的稳定性和可靠性具有重要影响。
为了确保变压器的安全运行和性能稳定,进行变压器检验是必不可少的工作。
本文将为大家介绍变压器检验的作业指导书,以帮助工作人员进行准确、高效的检验工作。
一、检验前的准备工作1.1 清理工作区域:在进行变压器检验之前,首先需要将工作区域进行清理,确保没有杂物和障碍物。
这样可以为检验工作提供一个安全、整洁的环境。
1.2 检查检测设备:检验变压器需要使用一些专用的检测设备,如电流表、电压表、绝缘电阻测试仪等。
在开始检验之前,要仔细检查这些设备的工作状态,确保其准确可靠。
1.3 确定检验计划:根据变压器的类型和检验要求,制定详细的检验计划。
包括检验的内容、检验的顺序、检验的时间安排等。
这样可以有序地进行检验工作,提高工作效率。
二、外观检查2.1 外部观察:首先要对变压器的外部进行观察,检查是否有明显的损坏或变形。
包括外壳、冷却器、绝缘子等部位。
如果发现异常情况,应及时记录并进行进一步的检查。
2.2 温度测量:使用温度计对变压器的各个部位进行测量,包括油温、绕组温度等。
温度异常可能是变压器故障的一个重要指标,需要特别关注。
2.3 漏油检查:检查变压器是否有漏油现象,包括油箱、油位计等部位。
漏油可能导致变压器的绝缘性能下降,需要及时处理。
三、绝缘性能检查3.1 绝缘电阻测试:使用绝缘电阻测试仪对变压器的绝缘电阻进行测量。
绝缘电阻是判断变压器绝缘性能好坏的重要指标,需要进行定期检测。
3.2 绝缘油测试:对变压器的绝缘油进行测试,包括介质损耗测试、介质电阻测试等。
绝缘油的性能直接影响变压器的绝缘性能,需要关注其指标是否符合标准要求。
3.3 绝缘强度测试:使用高压测试仪对变压器的绝缘强度进行测试。
绝缘强度是判断变压器绝缘性能的重要指标,需要进行定期的高压测试。
四、电气性能检查4.1 电阻测试:对变压器的绕组电阻进行测试,包括主绕组、励磁绕组等。
10kV线路检修作业指导书1 适用范围本作业指导书适用于10kV高压架空线路的检修、清扫和更换。
由负责高压线路的专业维护人员完成。
本公司高压线路的专业维护人员应按照本作业指导书进行检修作业。
2 作业管理2.1 质量控制2.1.1 10kV线路检修作业质量控制由上到下划分为公司、设备部、作业组三级,每一级均有相应的质量员和HSE监督员。
2.1.2 10kV线路检修作业应按电气分公司统一的检修计划统筹进行。
2.1.3 10kV线路检修作业开始前,检修班组应通知工区负责人、公司负责人和HSE负责人。
2.1.4 10kV线路检修作业开始后,公司质量负责人、设备部质量员及作业组质量员应随时到场检查作业情况。
2.1.5 10kV线路检修作业完成后,由班组质量员汇同作业组长及作业组质量员进行完工检查,然后通知工区负责人汇同公司安全、生产、技术岗位负责人到检修现场进行质量验收。
2.2 HSE事项2.2.1 10kV线路检修作业前应开第一种工作票、JHA分析单,由班长指定HSE监护人。
2.2.2 作业人员必须穿戴好工作服、安全帽、绝缘劳保鞋和安全带等劳动保护用品,必要时佩戴口罩、纱手套。
2.2.3 经过倒闸作业后,检修作业段应已安全停电并经测试无电压。
2.2.4 作业段与其它变电所或备用电源的联络线,其刀闸侧已完全断开并挂有“禁止合闸,有人工作”警示牌,经测试无电压。
2.2.5 检修作业段现场应可靠装设接地线。
2.2.6 作业班长或班组HSE监督员应到现场监督落实工作票上所列的安全措施完备可靠及人员作业活动符合HSE管理规定。
2.2.7 检修作业开始前,应由作业负责人在现场组织全体作业人员列队,宣讲工作任务、人员分工、作业范围、HSE注意事项和质量要求。
2.2.8 检修作业前应按《工具登记表》登记作业工具,检修作业完成后按表检查有无遗漏的工具。
2.2.9 10kV线路作业在野外作业,应注意交通安全,电杆周围防护区内很多树、竹以及杂草,应注意个人防护。
变压器检修作业指导书1000字变压器是电力系统中最重要的电气设备之一,在电力系统中起着非常重要的作用。
为了确保变压器正常的运行,需要定期对变压器进行检修作业。
变压器检修作业的目的在于检查变压器各项指标的正常情况,发现并处理变压器中的故障和缺陷,确保变压器的安全运行。
本指导书将为大家介绍变压器检修作业的流程和要点。
一、检查工具和设备准备变压器检修作业需要准备一系列工具和设备,以确保检修作业的顺利进行。
常用的工具和设备包括绝缘棒、万用表、计量表、红外温度计、压力表、振动表、特殊工具等。
检查工具和设备是否完好,测试仪器是否校准合格,并清洁检修场地,做好防护措施。
二、停电安全措施在进行变压器检修作业之前,需要对变压器进行停电操作。
在停电操作前,需要进行安全措施,包括通知相关单位和人员,关闭变压器紧急控制,切断主变开关,并由有经验的电工进行检查确认。
三、检查变压器本体1、外观检查:首先对变压器的外观进行检查,包括变压器油位、油质和油温是否正常,变压器箱体是否存在异常现象。
2、绝缘检查:使用绝缘棒对变压器绝缘进行检查。
检查绝缘状况是否正常,并对发现的异常进行处理。
3、接地检查:检查变压器的接地情况,确保接地良好。
4、紧固件检查:检查变压器的各种螺栓、螺钉等紧固件,确保紧固牢固。
4、检查变压器电气系统1、开路试验:使用万用表和计量表对变压器进行开路试验,检查变压器的电阻状况。
2、短路试验:使用万用表和计量表进行短路试验,检查变压器的各项指标。
3、试验绕组接地:检查变压器绕组是否接地。
4、特殊试验:对变压器的特殊部分进行试验,如油泵、散热器、温度计等。
5、检查辅助设备1、油浸式变压器的油泵:检查油泵是否正常工作,油流是否顺畅。
2、散热器:检查散热器是否正常工作,是否存在漏水等现象。
6、做好记录和整理在检修作业完成后,需要将检查结果进行备份记录,并整理并保存发现的问题和异常情况。
并对整个检修作业进行总结,以便今后进行参考和总结。
变压器检验作业指导书标题:变压器检验作业指导书引言概述:变压器是电力系统中常见的电气设备,负责将电能从一个电路传输到另一个电路。
为了确保变压器的正常运行和安全性,进行变压器检验是必不可少的。
本文将详细介绍变压器检验的作业指导书,包括检验前的准备工作、检验过程中的注意事项以及检验后的处理措施。
一、检验前的准备工作:1.1 确认检验的目的和范围:在进行变压器检验之前,首先需要明确检验的目的和范围。
例如,是为了评估变压器的运行状况,还是为了发现潜在的故障隐患。
1.2 准备检验所需的设备和仪器:根据检验的目的和范围,准备好相应的检验设备和仪器。
这些设备和仪器可能包括电流表、电压表、温度计、绝缘电阻测试仪等。
1.3 检查变压器的外部条件:在进行检验之前,需要检查变压器的外部条件,包括外观是否完好、绝缘材料是否破损以及冷却系统是否正常运行等。
如果发现异常情况,应及时采取修复措施。
二、检验过程中的注意事项:2.1 确保安全:在进行变压器检验时,安全是最重要的。
检验人员应穿戴好防护装备,如绝缘手套、绝缘鞋等,并遵循相关的安全操作规程。
2.2 检查变压器的接线情况:在进行检验之前,需要检查变压器的接线情况,确保连接正确无误。
特别是对于高压侧和低压侧的接线,应仔细检查,避免接错导致的安全问题。
2.3 检测变压器的电气参数:在检验过程中,需要测量和记录变压器的电气参数,如电流、电压、功率因数等。
通过对这些参数的检测,可以评估变压器的运行状况和性能。
三、检验后的处理措施:3.1 分析检验结果:在完成变压器检验后,需要对检验结果进行分析。
根据检验结果,评估变压器的运行状况和性能,并判断是否存在故障隐患。
3.2 制定维修计划:如果在检验中发现变压器存在故障隐患,需要制定相应的维修计划。
维修计划应包括维修内容、维修时间和所需的人力和物力资源等。
3.3 定期进行检验:变压器是长期运行的设备,为了确保其正常运行和安全性,应定期进行检验。
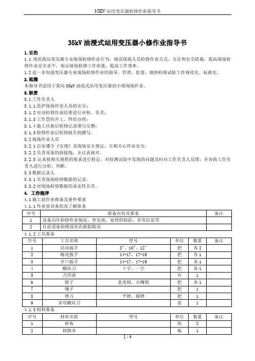
35kV油浸式站用变压器小修作业指导书1.目的1.1规范我局变压器专业现场检修作业行为,规范现场人员检修作业方式、方法和安全措施,提高现场检修作业安全水平,保证现场检修工作质量,提高工作效率。
1.2进一步加强变压器专业现场检修作业的指导、管理、监督,做到检修试验工作规范化、标准化。
2.范围本指导书适用于我局35kV油浸式站用变压器的小修现场作业。
3.职责3.1工作负责人3.1.1监护现场作业人员的安全;3.1.2对该检修作业结果进行审核、负责;3.1.3工作票的开工、终结办理;3.1.4施工结束后检修记录填写完整;3.1.5检修作业后检修报告的撰写。
3.2现场作业人员3.2.1自觉遵守《安规》及现场安全规定,互相关心作业安全。
3.2.2负责设备的拆接线,并认真核对。
3.2.3认真按相关规程的要求进行检定,对检测试验中发现的问题及时向工作负责人反馈,并协助工作负责人进行分析、判断。
3.3数据记录人3.3.1负责现场检修数据的记录。
3.3.2对现场检修数据的真实性负责。
4. 工作程序4.1施工前作业准备及条件要求4.1.1作业前设备状况了解准备4.1.4作业施工环境条件要求4.1.4.1天气情况要求无雨。
4.1.4.2室外湿度要求90%以下。
4.2作业配备要求4.2.1绝缘梯要求有防滑装置。
4.2.2安全带要求有双保险配置。
4.3现场作业流程5.现场作业的安全、防护措施5.1作业需求的设备停电具体范围5.1.1变压器本体转检修:断开变压器两侧的开关、刀闸、对应的操作电源并取下二次侧熔丝。
5.1.2变压器本体包括各侧引线视为停电具体范围。
5.2设备接地措施具体要求5.2.1要求在变压器各侧引线装设接地线,并要求接触良好。
5.2.2要求设备外壳必须可靠接地。
5.3作业现场的临时遮栏、围网设备要求5.3.1要求相邻间隔带电部分一律用临时遮栏或围网围起来。
5.3.2要求在用临时遮栏或围网时,要有指定检修作业人员出入的口径及通道,若影响检修作业人员进出的话,工作负责人应向工作许可人提出,并作调整,方可作业。
变电检修作业指导书(一)检修作业内容本次检修为预防性检修,对各变电所内的母线、开关设备进行清扫、检查、紧固;对容量不满足要求的刀闸、开关进行更换;存在的隐患进行消缺处理及小型改造;开关设备损坏的附件进行修复或更换以及设备预防性试验,主要内容有:1、户内外开关设备、母线、绝缘子的清扫、紧固、绝缘检查,查看有无接触不良、发热及放电、爬电等现象;户外设备接触部位锈蚀的接触点、螺丝全部拆解打磨,重新紧固;各35Kv、10Kv、6Kv小车式开关柜内静触头螺丝紧固,动触头弹簧检查更换以及触头发热变色等异常情况的处理。
2、变压器、电抗器、油开关等充油设备的渗漏油处理.3、设备及构架防腐刷漆(准备钢丝刷并打磨)。
4、二次回路清扫、后台及保护装置传动试验、语音报警功能的测试、设备的预防性试验,对损坏的二次设备进行修复及更换等等。
5、现场隐患排查,对存在隐患的设备进行修复,对未定性的隐患进一步剖析、试验、处理等。
6、安装试验后的氧化锌避雷器,更换损坏的计数器。
7、出线电缆头检查,重点检查设备线夹、线鼻子的压接、接触部位,必要时打开连接部的绝缘层进行检查处理。
8、站内接地网、接地电阻测试,接地报警试验。
(二)安全措施、作业要求1、防止误操作事故的措施(1)变电站倒闸操作应严格履行把关制度,严防误操作的发生。
有倒闸操作时,所长应在现场把关、指导工作。
(2)严格防误闭锁装置和解锁操作管理,正常操作严禁解锁,非正常解锁,批准部门负责人和专责人员必须到现场监护方可解锁,五防锁钥匙必须实行值班员专人管理,不得私自将五防钥匙交由检修人员自行开锁。
(3)加强倒闸操作全过程的管理,停送电操作监护人必须始终在现场把关,监护人、把关人员不得兼做其它工作,必须对操作全过程进行负责。
(4)对接地线要严格管理规定,接地线拆除后,要及时清点、撤出现场、归位放置到安全工器具室对号入座后,方可操作,不能为了赶进度,将地线乱放置在现场,造成地线管理失控,而造成误操作事故。
10KV配电变压器检修作业指导书前言为提高国家电网公司供电企业输变电设备的运行、检修、试验水平,规范操作方法,确保人身和设备安全,由西安亮丽电管家公司组织,编写了10KV配电变压器检修作业指导书。
编写中遵循我国的标准化、规范化和国际通用的贯标模式的要求。
本指导书纳入西安亮丽电管家公司生产技本制度由亮丽电管家提出。
本制度由生产技术部组织起草并解释。
本制度起草人: XXX 本制度由生产技术部归口管理。
1. 目的规范10KV配电变压器检修行为,提高10KV配电变压器的检修水平,确保10KV配电变压器的检修质量和设备运行的可靠性。
2. 适用范围本作业指导书适用于10KV干式配电变压器的大修、小修、临时检修作业,不包含更换绕组和铁芯等非标准项目的检修。
本作业指导书作为进口干式10KV配电变压器的检修作业的参考。
3. 技术术语3.1小修:常规性检修,主要对变压器附件进行检查调试。
3.2大修:变压器吊芯对配电变压器芯部检修,大修不仅对附件进行检修,更主要的是对变压器箱体内部,特别是芯体进行检修。
4. 安全措施4.1.配电变压器停电检修时,必须填写第一种工作票。
并严格按照《电业安全工作规程(发电厂及变电所电气部分)》、《绝缘电阻、吸收比和极化指数试验》、《电力变压器检修导则》、《有载分接开关运行维护导则》、《电力设备预防性试验规程》网公司有关工作票制度执行。
当线路不停电时,工作负责人应向全体人员说明线路上有电并加强监护。
4.2.作业开始前,工作负责人向参加工作的所有人员宣读工作票并交待现场安全措施、技术措施、作业方法及危险点(参加工作人员均应在第一种工作票背面签字)。
4.3.作业前,工作负责人应认真核对配电变压器的正确名称和编号,并向作业人员交底,作业人员应根据工作负责人交底事项认真核对配电变压器的正确名称及编号。
4.4.检查所需的安全用具是否合格齐备,现场作业人员应配戴安全帽。
4.5.认真执行工作票制度和保证安全的组织措施,,坚决制止无票作业。
第5章10KV(35KV)变压器检修作业指导书太原血管科电源预备组一次电压为10000伏时,低压电缆接a2x1端子,输出电压额定为230伏。
10KV单相变压器低压端子只能连接到端子a和端子x(不同名称端),当a1和a2、x1和x2(相同名称端)连接时,没有正常的输出电压6.1.6防爆和气体保护6.1.6.1检查减压阀状况良好6.1.6.2变压器带气体保护,检查气体保护动作6.1.7外壳、散热器、储油柜6.1.7.1外壳和散热器外观良好,无变形和损坏。
清洗外壳和散热器,除锈和防腐6.1.7.2储油柜a)油位计玻璃完好、清洁、透明,油位指示正确。
油位有3个标记:+40℃、+20℃、-30℃b)油枕各部不应有泄漏现象c)在下部储油柜淀积器和储油柜的连接处有一个小斜坡,使水或杂质容易流入淀积器检查存款人,释放污垢和水,并放少量的油,看看是否有杂质和水第11页,14页太原市血管供电筹备小组d)加湿器中的普通硅胶为淡蓝色圆形颗粒,吸湿后呈粉红色硅胶明显吸湿变色时应更换。
普通油位计:油质清晰,油位正常,周围无漏油现象。
全密封管状油位指示器:油位正常时窗口为蓝色,油位不足时窗口为红色。
如果受潮严重,更换硅胶止回阀e)处理漏油,更换老化的密封圈(垫);当没有相同规格的专用密封圈(垫片)时,应按原规格切割清洗后使用专用耐油材料。
6.2干式变压器6.2.1变压器应水平安装,地脚螺栓应紧固,底座应可靠接地第12页共页,第14页共页太原血管供电预备组干式变压器停电后检修前,注意装置本体的高温以防烫伤。
6.2.2风道通畅,无异物,通风机运转正常。
6.2.3绝缘电阻测量参考值:一次对二次和对地(壳)的绝缘电阻应采用2500伏兆欧表测量,一般不小于300兆欧表;用500伏或1000伏兆欧表测量二次对地绝缘电阻一般不低于100兆欧表6.2.4变压器输出电压应根据产品规格或铭牌进行调整6.2.4.1常见的五档分接开关的范围为5%,每个档位的调整为2.5%:1-2档/10500伏、2-3档/10250伏、3-4档/10000伏、4-5档/9750伏、5-6档/9500伏。
10KV配电变压器检修作业指导书标准版本【作业指导书】1. 概述本作业指导书旨在规范10KV配电变压器的检修作业流程,确保作业安全、高效进行。
本指导书适用于所有10KV配电变压器的检修作业。
2. 作业前准备2.1. 确保所有相关设备和工具完好并符合安全要求。
2.2. 检查变压器周围环境,确保无明火、易燃物等危险物品。
2.3. 检查变压器的运行状态,确保变压器已停止运行并切断所有电源。
3. 作业流程3.1. 断电操作3.1.1. 根据工作票要求,切断变压器的输入电源。
3.1.2. 使用电压表或电流表确认变压器已断电。
3.1.3. 将断电情况记录在工作票上,并通知相关人员。
3.2. 检查变压器外观3.2.1. 检查变压器外壳是否有损坏、漏油等情况。
3.2.2. 检查变压器的冷却装置是否正常运行。
3.2.3. 检查变压器的接地装置是否完好。
3.3. 检查绝缘状况3.3.1. 使用绝缘电阻表检查变压器的绝缘电阻是否符合要求。
3.3.2. 检查变压器绝缘子的表面是否有污秽或损坏。
3.4. 清洁作业3.4.1. 使用干净的布或刷子清洁变压器外壳和绝缘子表面。
3.4.2. 清除变压器周围的杂物和灰尘。
3.5. 检查接线端子3.5.1. 检查变压器的接线端子是否松动或腐蚀。
3.5.2. 使用扳手或扭力扳手紧固接线端子,确保接触良好。
3.6. 检查油位和油质3.6.1. 检查变压器油位是否在正常范围内。
3.6.2. 使用油位计或油温计检查变压器油质是否正常。
3.6.3. 如有需要,更换变压器油。
3.7. 检查冷却系统3.7.1. 检查冷却系统的水泵、风扇等设备是否正常运行。
3.7.2. 检查冷却水的流量和温度是否正常。
3.7.3. 如有需要,清洗或更换冷却系统中的滤网。
3.8. 检查保护装置3.8.1. 检查变压器的保护装置是否正常工作。
3.8.2. 检查保护装置的设置参数是否符合要求。
3.9. 作业结束3.9.1. 将变压器的检修情况记录在工作票上。
10KV(35KV)变压器检修作业指导书1.目的检查设备状态,处理缺陷,提高运行可靠性。
2.范围适用于10KV(35KV)变压器检修。
3.岗位职责4.作业准备双头呆扳手套5.材料准备6.作业流程杆架式变压器:高空操作人员负责检查、检修变压器,测量绝缘电阻,除锈防腐等;地面辅助人员负责检修接地装置、测量接地电阻、记录数据等。
变压器室:操作人员负责检查、检修变压器,测量绝缘电阻,辅助人员负责测量接地电阻、记录数据、除锈防腐等。
6.1 10KV油浸式变压器6.1.1.瓷套管、引线6.1.1.1 高低压瓷套管清洁、无破损、无裂纹和放电痕迹,高低压套管胶垫完好,不渗油。
用清洁的包皮布清扫脏污的套管,更换不合格的套管。
6.1.1.2 一、二次配线规范整齐,用黄、绿、红、黑相色带对二次引线进行包缠。
6.1.1.3 高低压接线端子连接可靠,紧固连接螺栓,补装副帽等。
6.1.1.4 设备线夹或接线端子安装紧密,接触良好。
更换烧伤或有裂纹的设备线夹,重新压接断裂或有裂纹的接线端子。
6.1.1.5 高压端子宜加装硅橡胶绝缘护套,护套应外观清洁,无破损、裂纹和放电痕迹。
6.1.2 测量绝缘电阻6.1.2.1 放电:分别用钳式短封线短接变压器一次侧端子和接地端、二次侧端子和接地端进行放电,或使用放电棒逐相放电(每一项测量工作完成后均需进行)。
6.1.2.2 拆除变压器高低压引线和零线端子。
6.1.2.3 使用绝缘电阻表测量绝缘电阻 a) 不同温度下的绝缘电阻参考值:运行中3-10KV 油浸式变压器高低压绕组绝缘电阻最小允许参考值(兆欧)高低压端子均有防松副帽;设备线夹状态良好。
高低压瓷套管清洁无破损、无放电痕迹。
无油温计的变压器可使用红外线测温仪测量变压器上部温度作为参考值。
b) 测量变压器一次对二次和一次对地(壳)绝缘电阻:用钳式短封线短接一次侧各相,用裸铜线(或短封线)短接二次侧各相和接地端;2500V 兆欧表线路端L (红线)接变压器一次端子,接地端E (黑线)接变压器接地端子,摇测记录一次对二次、一次对地绝缘电阻值(若电阻值不正常,须将一次对二次、一次对地分开测量,同时检查短接线接触是否牢靠)。
c) 测量变压器二次对地绝缘电阻:用钳式短封线短接变压器一次侧各相端子,用裸铜线(或短封线)短接变压器二次侧各相端子;500V 或1000V 兆欧表线路端L (红线)接变压短接一次侧各相短接二次侧各相和接地端子(外壳)测量、记录、计时人员各1名。
2500V 兆欧表线路端L 接变压器一次端子,接地端E 接接地端子,按要求摇侧、记录。
器二次端子,接地端E (黑线)接变压器接地端子,摇测记录二次对地绝缘电阻值;为减少泄漏影响测量值,用裸铜线在二次瓷套管的瓷裙上缠绕几匝后,用绝缘线接在摇表的“G ”端。
6.1.2.4 测量完成后恢复原接线方式。
因变压器导电杆为铜材质,拆除或安装高低压接线端子时,必须使用另一把扳手卡住导电杆下端的固定螺帽,防止导电杆转动;均匀用力松动或紧固端子连接螺帽。
禁止粗暴施加过大扭力损坏导电杆或瓷套管 6.1.3 测量接地电阻6.1.3.1 参见《接地电阻测试仪作业指导书》。
6.1.3.2 不拆除引下线使用钳形接地电阻表测量时,如变压器有重复分别短封一次侧和二次侧各相端子,500V 或1000V 兆欧表线路端L 接变压器二次端子,接地端E 接接地端子,按要求摇测、记录。
接地则构成多点接地系统,可以直接测量每支接地后计算等效电阻。
测量时钳口必须完全卡住引下线,完全闭合。
6.1.3.3 如变压器为单点a) 被测接地体RA附近找一个独立的接地较好的接地体RB(例如临近的自来水管、建筑物等)。
将RA和RB用一根测试线连接起来。
b) 钳表所测的阻值是两个接地电阻和测试线阻值的串联值。
RT(表读数)= RA + RB + RL(测试线阻值)c) 将测试线头尾相连用钳表测出其阻值RL。
d) 如果钳表的测量值小于接地电阻的允许值,那么这两个接地体的接地电阻都是合格的。
YET2000系列钳形接地电阻表只能测量回路电阻,故设备采用单点接地方式时直接钳测得到的数据不是接地装置的接地电阻。
6.1.3.3 测量参考值为:100KVA以上变压器接地电阻不大于4Ω,100KVA及以下变压器接地电阻不大于10Ω.接地电阻大于规定值时,应在土壤较多的地点增加接地极或降阻模块并与原接地极可靠连接。
6.1.4 绝缘油取样6.1.4.1 油样瓶应存放在清洁干燥的地点并密封保存。
6.1.4.2 取油样时应使用相同规格的变压器油对油瓶进行清洗,油样内不得有杂质。
6.1.4.3 取油后现场立即填写变压器油样标签上名称、时间、地点等内容,防止混淆。
6.1.4.4 取油后应封好放油阀,清扫干净油渍。
6.1.4.5 妥善保管油样,按化验要求及时送检。
添加绝缘油、取油样禁止在雨雪、大风、潮湿等恶劣天气下进行 6.1.5 调压及控制装置6.1.5.1 有载分接开关油箱密封完好,油位、油色正常。
a) 清扫箱体表面,检查密封状态和控制电缆。
b) 运行中的变压器有载分接开关在控制器或后台机控制调档。
9档位有载分接开关调宽±10%,每档调控2.5%,分别为:1档/11000V ,2档/10750V ……依次降低,至9档/9000V.变压器输出电压超过规定值时,通-30控制电缆良好油位正常密封良好过后台机调控分接开关档位,达到调整输出电压的目的。
c) 部分有载分接开关设计有空挡,当调至空挡时分接开关不再动作,应停电使用摇把手动恢复。
4.1.5.2 无载调压分接开关密封良好,转动灵活,无卡滞。
a) 无载调压分接开关电压调整范围以产品说明书或铭牌标注为准。
b) 输出电压调整原则为“高往高调、低往低调”。
以3档位分接开关为例:在Ⅱ档运行时,若输出电压偏低调往Ⅲ档(9500/400V ),若输出电压偏高调往Ⅰ档(10500/400V )。
上述方法仍不能解决问题时,需要联系上一级电网调整电压输出值。
6.1.5.3 运行中变换分接开关位置后,应在调档后测量直流电阻。
a) 使用电桥或直流电阻测量仪分别测量变压器线间(AB/BC/AC )、相间(AO/BO/CO)电阻。
b) 1600KVA 及以下变压器,线间差别一般不大于三相平均值的2%;相间差别一般不大于三相平均值的4%。
c) 线间差或相间差百分数的计算:变压器铭牌标注:9档位有载分接开关档位表ΔRx= Rmax-Rmin Rav×100%式中ΔRx---线间差或相间差的百分数,%;Rmax---三线或三相实测值中的最大电阻值,Ω; Rmin---三线或三相实测值中的最小电阻值,Ω; Rav ---三线或三相实测值的平均电阻值,Ω; 线电阻Rav 线=1/3(R AB +R BC +R AC ) 相电阻Rav 相=1/3(R AO +R BO +R CO )6.1.5.4 容量在5KVA 及以下的10KV 单相变,按铭牌或说明书要求,联结不同的低压端子(不同端子抽头位置不同)调压。
调压原则与三相油浸式变压器相同。
以4档位变压器为例:低压电缆在a2x1端子运行时,若输出电压偏高,则调整联结为a2x2;若输出电压偏低,则调整联结为a1x2或a1x1。
10KV 单相变压器铭牌标注:4档位联结位置一次电压为10000V时,低压电缆联结a2x1端子,输出电压为额定值230V.10KV单相变低压端子只能联结a与x端子(异名端),a1与a2、x1与x2(同名端)联结时无正常的输出电压。
6.1.6 防爆、瓦斯保护。
6.1.6.1检查泄压阀完好。
6.1.6.2有瓦斯保护的变压器,检查瓦斯保护动作情况。
6.1.7 壳体、散热器、油枕。
6.1.7.1 壳体、散热器外观良好,无变形和损伤。
清扫壳体和散热器,除锈防腐。
6.1.7.2 油枕a) 油位计玻璃完好,清洁透明,油位指示正确;油位有3个标记:+40℃、+20℃、-30℃。
b) 油枕各部不应有渗漏现象。
c) 油枕下部沉积器与油枕的连接处有稍微的坡度,以使水或杂质容易流入沉积器。
检查沉积器,放出污物和水,并放少量油看是否有杂质和水份。
d) 吸湿器内正常硅胶为浅蓝色圆颗粒状,吸湿后变为粉红色。
硅胶吸湿明显并变色时应更换。
e) 处理渗漏油、更换老化密封圈(垫);无同规格的特殊密封圈(垫)时,使用专用耐油材料按原规格规范裁剪并清洁后使用。
6.2 干式变压器6.2.1 变压器安装应水平,地脚螺栓紧固牢靠,底座接地可靠。
全密封管式油位器:油位正常时视窗为蓝色,缺油时为红色。
普通油位器:油色清亮,油位正常,周围无渗漏油。
6.2.2 风道通畅无异物,通风机运行正常。
6.2.3 绝缘电阻测量参考值:使用2500V 兆欧表测量一次对二次及对地(壳)绝缘电阻一般情况下不小于300兆欧;使用500V 或1000V 兆欧表测量二次对地绝缘电阻一般情况下不小于100兆欧。
6.2.4 变压器输出电压调整,以产品说明书或铭牌标注为准。
6.2.4.1 常见5档位分接开关调宽范围±5%,每档调控2.5%,分别为:1-2档/10500V ,2-3档/10250V ,3-4档/10000V ,4-5档/9750V ,5-6档/9500V.调整原则与油浸式变压器相同。
例如:变压器在3-4档运行时,若输出电压偏高则调至1-2档或2-3档;若输出电压偏低则调至4-5档或5-6档;注意此类分接开关每相档位应相同。
变压器铭牌标注分接位置表干式变停电后检修前,注意器身温度较高,防止烫伤。
变压器分接开关位置。
拆除封盖内连片,按铭牌标注范围重新安装连片调档。
每相调整方法相同。
6.2.5 其它检修标准参照油浸式变压器。
7.注意事项7.1 明确检修地点,防误登、误攀。
7.2 做好安全防护,防止感应电伤害。
7.3 检查好施工工机具,防止高空坠落伤害。
7.4 严禁变压器运行时,断开接地端子测量接地电阻。