工程结构抗震课程设计任务书土木内力计算
- 格式:doc
- 大小:327.58 KB
- 文档页数:23
抗震设计课程设计计算书一、教学目标本课程的教学目标是使学生掌握抗震设计的基本原理和方法,能够运用相关知识对建筑结构进行抗震设计。
具体目标如下:1.掌握地震波的产生和传播原理。
2.了解地震动的特性及其对结构的影响。
3.掌握结构动力学的基本理论。
4.学习抗震设计的基本原则和方法。
5.熟悉抗震设计规范和标准。
6.能够进行地震波的时程分析。
7.能够运用结构动力学理论进行抗震计算。
8.能够根据抗震设计原则进行建筑结构的抗震设计。
9.能够正确运用抗震设计规范进行设计。
情感态度价值观目标:1.培养学生对地震安全的关注和责任感。
2.培养学生对科学研究的兴趣和好奇心。
3.培养学生团队合作和沟通的能力。
二、教学内容本课程的教学内容主要包括以下几个部分:1.地震工程基本概念:地震的产生、传播和特性。
2.结构动力学基本理论:地震波的时程分析、结构的动力响应计算。
3.抗震设计原则和方法:结构体系的抗震设计、抗震设计的计算方法。
4.抗震设计规范和标准:我国抗震设计规范、国际抗震设计标准。
5.抗震设计案例分析:分析实际工程项目中的抗震设计案例,学习抗震设计的实际应用。
三、教学方法为了提高学生的学习兴趣和主动性,本课程将采用多种教学方法相结合的方式进行教学:1.讲授法:通过教师的讲解,使学生掌握地震工程的基本概念和理论。
2.案例分析法:分析实际工程项目中的抗震设计案例,使学生了解抗震设计的实际应用。
3.实验法:进行结构动力特性测试和抗震性能试验,使学生更好地理解抗震设计原理。
4.讨论法:学生进行小组讨论,培养学生的团队合作和沟通能力。
四、教学资源为了支持本课程的教学内容和教学方法的实施,我们将准备以下教学资源:1.教材:选用权威、实用的抗震设计教材作为主要教学资源。
2.参考书:提供相关的专业书籍,供学生深入学习和参考。
3.多媒体资料:制作课件、教学视频等,以直观的方式展示地震工程的基本概念和理论。
4.实验设备:准备结构动力特性测试和抗震性能试验所需的实验设备,为学生提供实践操作的机会。
土木工程抗震试验设计方案一、研究背景土木工程结构在地震作用下容易受到破坏,因此抗震设计对于建筑结构的安全至关重要。
为了验证和改进抗震设计的方法和原则,进行土木工程抗震试验是十分必要的。
通过抗震试验可以了解结构在地震作用下的受力、变形和破坏情况,从而改进结构抗震性能,提高建筑结构的抗震能力。
因此,本文旨在设计一项针对土木工程结构的抗震性能试验,并制定具体的试验方案。
二、试验对象本次抗震试验的对象为一个混凝土框架结构,该框架结构高度为20米,共7层,属于多层框架结构。
试验对象选取了典型的混凝土框架结构,以能够代表一定范围内的土木工程结构。
通过对这一对象的试验,可以为同类型的土木工程提供一定的参考。
框架结构包括柱、梁和楼板等构件,试验涵盖了该结构在地震条件下的受力、变形及破坏情况。
三、试验内容1. 试验目的本次抗震试验的主要目的是研究混凝土框架结构在地震作用下的抗震性能,包括结构的破坏模式、受力性能、位移特征等。
通过试验获取框架结构在地震作用下的力学响应规律,为土木工程结构的抗震性能提供实验依据和数据支持。
2. 试验方案设计要点(1)试验模拟地震条件模拟地震条件是本次试验的关键。
根据地震波谱数据,选择合适的地震波作为试验模拟载荷。
要求地震波的频率谱和加速度谱对试验对象的地震响应具有代表性。
(2)试验加载方式试验加载方式应考虑到框架结构在地震作用下的受力特点。
采用动力加载的方式进行试验,通过地震模拟振动台或者其他试验设备对结构进行地震加载,以获取结构在地震作用下的力学响应。
(3)试验参数试验参数应涵盖土木工程结构的关键性能指标,在试验中对结构的受力、变形、位移等参数进行全面测量和记录,包括结构的最大位移、最大变形、应力-应变关系、裂缝分布等。
(4)试验方案的安全性和操作性考虑试验过程中结构的破坏情况,要有合理的安全预警措施,并确保试验的安全性。
同时,为了准确地获取试验数据,试验设备和测量仪器需要保证其准确性和可靠性。
《建筑结构抗震》课程标准1.课程说明《建筑结构抗震》课程标准课程编码:23010019承担单位:建筑工程学院制定:制定日期〔2022.10.08〕审核〔建筑工程学院专业指导委员会〕审核日期〔2022.10.23〕批准〔〕批准日期〔2022.10.23〕(1)课程性质:本门课程是建筑工程工程技术专业的必修课。
(2)课程任务:主要针对施工员、质检员及安全员等岗位开设,主要任务是培养学生在相关岗位上的关于一般工业与民用建筑结构抗震的方法;能领会结构设计意图,正确处理施工及工程管理中常见的结构抗震问题,通过实践环节培养学生的工程实践能力和创新能力,并为后继专业课提供材料的基础知识和理论。
(3)课程衔接:在课程设置上,前导课程有《建筑力学》、《建筑构造》、《钢筋混凝土结构》、《钢结构》、《土力学与地基基础工程》;后续课程有《质量事故分析》、《工程监理》和《毕业综合实训》。
2.学习目标通过学习本课程,使学生掌握房屋结构抗震的基本知识,从而初步具备懂得一般工业与民用建筑结构抗震的方法;能领会结构设计意图,正确处理施工及工程管理中常见的结构抗震问题。
通过实践环节培养学生的工程实践能力和创新能力,并为工作提供结构抗震的基础知识和理论。
引导学生积极思考、乐于实践,注重学生德智体全面发展;培养学生发现、分析和解决问题的基本能力及团队协作精神和创新能力。
本课程要求学生通过对场地土、场地类别划分、抗液化措施与地基基础抗震验算方法的学习,使学生具备对天然地基与桩基础进行抗震验算的能力,并且能用计算简图和计算书来表达验算过程;通过对结构基本周期、地震系数、地震作用效应与“三水准两阶段设计方法”的学习,使学生具有多质点弹性体系水平地震作用计算及结构抗震验算的能力,并且能用计算简图和计算书来表达验算过程;通过对钢筋混土框架结构震害特点、房屋选型、结构布置及抗震验算方法的学习,使学生具备对多层钢筋混凝土框架结构进行抗震设计的能力,并且能用施工图和计算书来表达设计成果;通过对砌体结构震害特点、房屋选型、结构布置、抗震验算方法及抗震构造措施的学习,使学生具有多砌体结构进行抗震设计的能力,并且能用图表和计算书来表达设计成果。
土木09级抗震课程设计一、课程目标知识目标:1. 让学生理解抗震设计的基本原理和重要性;2. 掌握土木工程结构在地震作用下的响应分析方法;3. 学习并掌握抗震设计规范中的相关要求和参数取值;4. 了解国内外典型地震工程案例及启示。
技能目标:1. 能够运用所学知识进行简单土木结构的抗震设计;2. 能够运用相关软件进行结构地震响应分析;3. 能够根据设计规范,评估结构抗震性能并进行优化;4. 能够通过团队合作,解决实际工程中的抗震问题。
情感态度价值观目标:1. 培养学生对抗震工程的敬畏之心,强化责任感;2. 激发学生对土木工程领域的热爱和兴趣;3. 培养学生严谨的科学态度和良好的工程素养;4. 增强学生的团队协作能力和沟通表达能力。
课程性质:本课程为专业核心课程,旨在培养学生的抗震设计能力和实践技能。
学生特点:学生已具备一定的土木工程基础知识,具有较强的学习能力和实践欲望。
教学要求:结合抗震设计规范和实际工程案例,注重理论与实践相结合,提高学生的实际操作能力。
通过课程学习,使学生能够达到上述知识、技能和情感态度价值观目标,为将来的工程实践打下坚实基础。
二、教学内容1. 抗震设计原理:包括地震作用基本概念、结构动力学基础、抗震设计原则等;参考教材章节:第一章 地震作用与抗震设计原则2. 结构地震响应分析:介绍线性、非线性地震响应分析方法,以及常用软件操作;参考教材章节:第二章 结构地震响应分析3. 抗震设计规范解读:详细解析抗震设计规范中的相关条款,包括设防标准、设计参数取值等;参考教材章节:第三章 抗震设计规范解读4. 抗震设计方法:包括概念设计、截面设计、结构体系设计等;参考教材章节:第四章 抗震设计方法5. 抗震优化与评估:介绍抗震性能优化方法、结构安全性评估;参考教材章节:第五章 抗震性能优化与评估6. 抗震工程案例:分析国内外典型地震工程案例,总结经验教训;参考教材章节:第六章 抗震工程案例7. 实践教学:结合课程设计项目,进行实际操作和团队协作,提高学生实践能力。
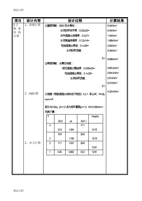
第4章内力计算4.1 水平地震作用下横向框架内力分析将楼层的地震剪力标准值按各柱的D值比例分配求得的各柱的地震剪力标准值(见表4-1)。
近似按各楼层的水平地震作用为到三角形分布情形,确定各柱的反弯点,计算柱端弯矩标准值,根据节点平衡条件,将节点处柱端弯矩之和按节点处两侧梁的线刚度比例分配,可求得梁端弯矩,再计算梁端地震剪力,并由节点两侧的梁端剪力标准值之差求得柱的地震轴向力。
表4-1 柱端地震剪力计算表楼层的水平地震作用为到三角形分布,可算得各柱的反弯点,如表4-2所示:表4-2 柱反弯点计算表续表4-2表4-3 横向地震作用下柱端弯矩计算表表4-4 横向地震作用下梁端弯矩计算表图4-1 地震作用下梁柱弯矩图(mkN )表4-5 梁端地震剪力和柱轴向力计算表图4-2 地震作用下梁剪力图与柱轴力图(kN )4.2 风荷载作用下横向框架内力分析表4-6 风荷载作用下层剪力计算续表4-6表4-7 风荷载作用下柱端剪力计算表表4-8 柱反弯点计算表表4-9 风荷载作用下柱端弯矩计算表表4-10 风荷载作用下梁端弯矩计算表图4-3 风荷载作用下梁柱弯矩图(mkN )表4-11 风荷载作用下梁端剪力和柱轴向力计算表图4-4 风荷载作用下梁剪力图与柱轴力图(kN )4.3 恒荷载作用下横向框架内力分析将AB 、BC 、CE 梁上的梯形荷载或三角形荷载转化为均布荷载1q 、2q,计算简图如图4-5,4-6所示:图4-5 竖向荷载示意图图4-6 框架所受恒荷载计算简图(kNm/)kN;梁端、柱端弯矩采用采用分层法计算,由于结构和荷载的对称性,可取一榀框架的一半进行计算,由于在计算简图中假定上下柱的远端为固定端所带来的误差,除底层外,其他各层立柱的线刚度均乘以一个折减系数0.9,且计算过程中底层柱的传递系数取1/2,其他各层柱传递系数均取1/3。
表4-12 梁柱转动刚度计算表图4-7 弯矩分配系数计算图梁固端弯矩计算: 顶层:m kN l q M M BA AB ⋅=⨯⨯===525.1055.7512.221211212211 m kN l q M BA⋅=⨯⨯==237.83982.101211212222 其它层:m kN l q M M BA AB ⋅=⨯⨯===124.945.7082.201211212211 m kN l q M BA⋅=⨯⨯==373.73831.91211212222 各层弯矩分配如图4-8至4-11所示:图4-8 顶层弯矩分配图(m kN ⋅)图4-9 三、四层弯矩分配图(mkN⋅)图4-10 二层弯矩分配图(mkN⋅)图4-11 底层弯矩分配图(m kN ⋅)表4-13 节点处不平衡弯矩分配计算表(m kN ⋅)图4-12 恒荷载作用下框架弯矩图(mkN⋅)考虑梁端由于塑性变形而产生的内力重分布,将梁端弯矩予以降低,同β。
高层建筑结构与抗震课程设计任务书1.设计题目:多层框架结构抗震计算2.设计资料与分组:某四层办公楼,采用钢筋混凝土框架结构体系,框架梁、柱、屋面板、楼面板全部现浇。
现浇框架选择横纵双向承重方案(不设次梁)。
底层平面图见附图,横向3跨,纵向8跨。
(1)建筑情况:分为建筑A 、建筑B 两种情况。
建筑A 、B 的建筑层高、跨度、横梁截面尺寸情况分别为:建筑A 、B 的各层楼(屋)面恒荷载标准值、各层间恒荷载标准值分别为:注:1)每层的楼面(屋面)恒荷载标准值包括楼板自重、梁自重、楼板地面做法自重、梁板吊顶与抹灰层自重等;2)每层的层间恒荷载标准值包括每层的填充墙自重、门窗自重、楼梯间构件自重、柱抹灰层自重等,但不包括柱净高范围内的柱自重。
(2)地震区情况:该地区为地震区,根据抗震设防烈度、场地特征周期不同分别为三种情况,定为:地震A 、地震B 、地震C ,即:(3)可变荷载情况:屋面雪荷载标准值取s 0=0.30 kN/m 2,1-3层顶楼面可变荷载标准值分为五种情况,定为: 活荷A 、活荷B 、活荷C 、活荷D 、活荷E ,即:(4)混凝土情况:根据采用的混凝土等级不同,分为三种情况,定为:砼A、砼B、砼C,即:(5)基础情况:根据基础顶面标高不同,分为基础A、基础B、基础C、基础D四种情况,即:3.设计内容:(1)进行首层柱截面尺寸的初步验算。
(2)计算各层柱自重以及各层重力荷载代表值。
(3)计算各层横向框架的总侧移刚度。
(4)计算横向结构第一阶自振周期。
(5)计算横向结构水平地震作用与各层地震剪力,并进行小震侧移验算。
(6)计算某榀横向框架在水平地震作用下的内力。
4.设计基本要求完成并提交一本设计计算书(应写明有关的计算过程及计算简图、计算表格等)。
5.时间安排:1周结构计算 4天计算书整理、答辩 1天6.参考资料:(1)混凝土结构(中册),第五版,东南大学、天津大学、同济大学合编.中国建筑工业出版社,2012 (2)建筑结构抗震设计,杨德健主编,人民交通出版社,2012,北京(3)《建筑抗震设计规范》GB50011-2010(2016年版),中国建筑工业出版社,20167.附图8、每位学生的设计条件1401-1404班。
第3章 工程结构地震反应分析与抗震验算1、地震作用的计算方法:底部剪力法(不超过40m 的规则结构)、振型分解反应谱法、时程分析法(特别不规则、甲类和超过规定范围的高层建筑)、静力弹塑性方法。
一般的规则结构:两个主轴的振型分解反应谱法;质量和刚度分布明显不对称结构:考虑扭转或双向地震作用的振型分解反应谱法;8、9度时的大跨、长悬臂结构和9度的高层建筑:考虑竖向地震作用。
2、结构抗震理论的发展:静力法、定函数理论、反应谱法、时程分析法、非线性静力分析方法。
3、单自由度体系的运动方程:g xm kx x c x m -=++或m t F x x x e /)(22=++ωξω 。
杜哈美积分x(t)= ⎰----tt t e xd )(g dd )(sin )(1ττωτωτξω , ωξωm cm k 2,2== 单自由度体系自由振动:)sin cos ()(d d000t x xt x e t x d t ωωξωωξω++=- 。
4、最大反应之间的关系:d v a S S S 2ωω==5、地震反应谱:单自由度体系在给定的地震作用下某个最大反应与体系自振周期的关系曲线。
特点:⑴阻尼比对反应谱影响很大;⑵对于加速度反应谱,当结构周期小于某个值时幅值随周期急剧增大,大于某个值时,快速下降;⑶对于速度反应谱,当结构周期小于某个值时幅值随周期增大,随后趋于常数;⑷对于位移反应谱,幅值随周期增大。
地震反应谱是现阶段计算地震作用的基础,通过它把随时程变化的地震作用转化为最大等效侧向力。
6、单自由度体系的水平地震作用:F G k G gt x t xS mgg g a αβ===maxmax)()(β为动力系数,k 为地震系数,α=k β为水平地震影响系数。
7、抗震设计反应谱αmax 地震影响系数最大值,查表;T 为结构周期;T g 为特征周期,查表;例:单层单跨框架。
屋盖刚度为无穷大,质量集中于屋盖处。
教案土木工程结构抗震设计教案1.引言1.1土木工程与抗震设计的重要性1.1.1土木工程在现代社会的作用1.1.2抗震设计在土木工程中的地位1.1.3抗震设计的挑战和发展趋势1.1.4教学目的和意义2.知识点讲解2.1抗震设计的基本原理2.1.1地震对结构的影响2.1.2抗震设计的基本原则2.1.3抗震设计的标准和规范2.1.4抗震设计的计算方法3.教学内容3.1抗震设计的方法和技术3.1.1结构布置和选型3.1.2地震作用的计算和分配3.1.3结构构件的设计和验算3.1.4抗震措施的应用和优化4.教学目标4.1理论知识掌握4.1.1了解土木工程结构抗震设计的基本原理4.1.2掌握抗震设计的方法和技术4.1.3熟悉抗震设计的标准和规范4.1.4能够进行简单的抗震设计计算4.2实践技能培养4.2.1能够进行结构布置和选型4.2.2能够计算和分配地震作用4.2.3能够设计和验算结构构件4.2.4能够应用和优化抗震措施4.3综合素质提升4.3.1培养学生的创新意识和解决问题的能力4.3.2培养学生的团队合作和沟通能力4.3.3培养学生的责任感和职业道德4.3.4培养学生的国际视野和跨文化交流能力5.教学难点与重点5.1教学难点5.1.1抗震设计的基本原理和计算方法5.1.2结构布置和选型的原则和方法5.1.3地震作用的计算和分配方法5.1.4结构构件的设计和验算方法5.2教学重点5.2.1抗震设计的基本原则和标准5.2.2抗震设计的方法和技术5.2.3抗震措施的应用和优化5.2.4抗震设计的实际应用案例6.教具与学具准备6.1教具准备6.1.1抗震设计相关的教材和参考书6.1.2抗震设计相关的软件和工具6.1.3抗震设计相关的模型和实物6.1.4抗震设计相关的视频和图片6.2学具准备6.2.1笔记本电脑和投影仪6.2.2白板和马克笔6.2.3抗震设计相关的练习题和案例6.2.4抗震设计相关的实验设备和材料7.教学过程7.1引入和回顾7.1.1引入本次课程的主题和内容7.1.2回顾上一次课程的重点和难点7.1.3提出本次课程的教学目标和要求7.1.4引导学生思考和提出问题7.2理论讲解和实践操作7.2.1讲解抗震设计的基本原理和方法7.2.2进行抗震设计的计算和模拟实践7.2.3讲解抗震设计的标准和规范7.2.4分析和讨论抗震设计的实际案例7.3.2回答学生的问题和疑虑7.3.3收集学生的反馈和建议7.3.4布置下一次课程的预习和作业8.板书设计8.1章节和框架8.1.1土木工程结构抗震设计8.1.2教学目标和教学内容8.1.3教学难点与重点8.1.4教具与学具准备8.2抗震设计的基本原理和方法8.2.1地震对结构的影响8.2.2抗震设计的基本原则8.2.3抗震设计的计算方法8.2.4抗震设计的标准和规范8.3抗震设计的实际应用案例8.3.1结构布置和选型8.3.2地震作用的计算和分配8.3.3结构构件的设计和验算8.3.4抗震措施的应用和优化9.作业设计9.1理论知识巩固9.1.1抗震设计的基本原理和方法9.1.2抗震设计的标准和规范9.1.3抗震设计的计算方法9.1.4抗震设计的实际应用案例9.2实践技能提升9.2.1结构布置和选型的练习9.2.2地震作用的计算和分配的练习9.2.3结构构件的设计和验算的练习9.2.4抗震措施的应用和优化的练习9.3综合素质培养9.3.1抗震设计相关的创新意识和解决问题的练习9.3.2抗震设计相关的团队合作和沟通的练习9.3.3抗震设计相关的责任感和职业道德的练习9.3.4抗震设计相关的国际视野和跨文化交流的练习10.课后反思及拓展延伸10.1教学效果评估10.1.1学生对理论知识的掌握程度10.1.2学生对实践技能的应用能力10.1.3学生的综合素质提升情况10.1.4教学目标和教学内容的达成情况10.2教学方法和手段的改进10.2.1教学方法和手段的有效性评估10.2.2教学方法和手段的改进措施10.2.3教学方法和手段的创新尝试10.2.4教学方法和手段的持续优化10.3教学内容和教材的更新10.3.1教学内容和教材的时效性评估10.3.2教学内容和教材的更新措施10.3.3教学内容和教材的拓展延伸10.3.4教学内容和教材的持续更新重点关注环节:1.抗震设计的基本原理和方法2.抗震设计的实际应用案例3.教学方法和手段的改进4.教学内容和教材的更新补充和说明:1.抗震设计的基本原理和方法是教学的核心内容,需要通过详细的讲解和实例分析,使学生深入理解并掌握。
第六章竖向荷载(恒载+活载)作用下框架内力计算第一节框架在恒载作用下的内力计算本设计用分层法计算内力,具体步骤如下:①计算各杆件的固端弯矩②计算各节点弯矩分配系数③弯矩分配④调幅并绘弯矩图⑤计算跨中最大弯矩、剪力和轴力并绘图一、恒载作用下固端弯矩计算(一)恒载作用下固端弯矩恒载作用下固端弯矩计算(单位:KN·m) 表6.1框架梁BC跨固端弯矩计算(单位:KN·m)结构三层(屋面)计算简图弯矩图结构二层计算简图弯矩图结构一层计算简图弯矩图楼层框架梁CD跨固端弯矩计算(单位:KN·m)结构三层(屋面)计算简图弯矩图节点3弯矩为125.68KN·m3单元最大负弯矩为131.01KN·m结构二层计算简图弯矩图结构一层计算简图弯矩图楼层框架梁D-1/D悬挑梁固端弯矩计算(单位:KN·m)结构一层计算简图弯矩图恒载作用下梁固端弯矩计算统计表6.2 结构层MBC(KN·m)MCB(KN·m)MCD(KN·m)MDC(KN·m)MD-1/D(KN·m)三层-65.98 65.98 -276.11 212.13 0二层-88.48 88.48 -429.29 315.57 0一层-88.48 88.48 -429.29 315.57 -295.93(二)计算各节点弯矩分配系数用分层法计算竖向荷载,假定结构无侧移,计算时采用力矩分配法,其计算要点是:①计算各层梁上竖向荷载值和梁的固端弯矩。
②将框架分层,各层梁跨度及柱高与原结构相同,柱端假定为固端。
③计算梁、柱线刚度。
对于柱,假定分层后中间各层柱柱端固定与实际不符,因而,除底层外,上层柱各层线刚度均乘以0.9修正。
有现浇楼面的梁,宜考虑楼板的作用。
每侧可取板厚的6倍作为楼板的有效作用宽度。
设计中,可近似按下式计算梁的截面惯性矩:一边有楼板:I=1.5Ir两边有楼板:I=2.0Ir④计算和确定梁、柱弯矩分配系数和传递系数。
《工程结构抗震设计》课程教学大纲1.课程概况第一章地震工程基本知识1.教学要求(1)了解地震的主要类型及其成因;(2)了解世界及我国地震活动性以及地震成灾机制;(3)掌握地震波的运动规律和震级、地震烈度等地震强度度量指标;(4)掌握建筑抗震设防分类、抗震设防目标和抗震设计方法;(5)理解工程结构抗震概念设计基本要求;(6)了解地震预警与救援的原则与意义。
2.教学重点地震基础知识,地震活动与地震分布,地震特征描述,工程结构抗震设防,工程结构抗震概念设计。
3.教学难点里氏震级和矩震级的定义和区别,设计基本地震加速度、设计特征周期、设计地震分组运用,工程结构概念设计的把握与理解。
第二章场地、地基与基础抗震1.教学要求(1)理解工程地质条件对结构震害的影响,(2)掌握场地与场地土的概念,场地与场地土的分类以及场地条件对工程结构抗震的影响;(3)掌握天然地基、基础的抗震验算方法;(4)掌握场地土液化的概念及其影响因素;(5)了解场地土液化的判别方法、可液化地基与软弱地基的抗震处理措施。
2.教学重点场地与场地土的概念及分类,天然地基、基础的抗震验算方法,砂土液化的概念与判别方法等。
3.教学难点场地土与场地的分类及区别,天然地基、基础的抗震验算方法中地基抗震承载力提高的原因。
第三章地震作用与结构抗震验算1.教学要求(1)掌握结构的动力地震反应的特性。
(2)掌握反应谱的概念,地震系数、动力系数、地震影响系数、重力荷载代表值的概念。
(3)掌握振型分解反应谱法计算多自由度弹性体系地震反应的方法。
(4)掌握用底部剪力法计算水平地震作用(5)理解结构竖向地震作用的计算方法。
(6)了解结构的扭转效应的概念。
(7)了解结构时程分析法的概念。
(8)理解和掌握结构构件抗震承载力验算、多遇地震下结构抗震变形验算及罕遇地震下结构抗震变形验算的概念与方法。
2.教学重点地震影响系数和反应谱的概念与表达式,振型分解的概念,振型分解反应谱法,底部剪力法,结构构件抗震承载力验算及变形验算等。
建筑结构抗震设计课程设计任务书2013-2014学年第二学期院系题目专业(班级)学号姓名起讫日期指导教师2014 年4月某框架结构超市抗震分析一、设计资料1.本工程采用现浇钢筋混凝土框架结构,内外墙体采用非承重粘土空心砖(包括粉刷层厚220mm,15kN/m3)。
2. 材料:混凝土强度等级:梁、板为C25,柱为C30;纵筋采用HRB 335钢筋,横向钢筋采用HPB 300钢筋。
3. 楼面可变荷载标准值参照荷载规范。
4.地震资料:I:工程所在地基本烈度7度,设计基本地震加速度为0.10g,设计地震分组为第一组,I类场地。
II:工程所在地基本烈度7度,设计基本地震加速度为0.10g,设计地震分组为第二组,Ⅱ类场地。
III:工程所在地基本烈度7度,设计基本地震加速度为0.10g,设计地震分组为第一组,III类场地。
5. 屋面做法:SBS改性沥青防水卷材(0.3 kN/m2)20mm厚水泥砂浆找平层(0.4 kN/m2)100mm厚水泥珍珠岩制品保温层(1 kN/m2)20mm厚水泥砂浆找平层90mm现浇混凝土结构层(25 kN/m3)V型轻钢龙骨吊顶(0.25kN/m2)楼面做法:10mm面层、20mm水泥砂浆打底水磨石地面(0.6kN/m2)110mm钢筋混凝土现浇板V型轻钢龙骨吊顶(0.2kN/m2)6. 钢筋混凝土现浇独立基础。
二、设计内容1、确定恒、活荷载代表值,计算各层质量、抗侧刚度,计算结构的自振周期或其它动力特性;2、计算横向地震作用以及层间位移验算;3、指定榀框架在恒载作用下某层的荷载导算(选做);4、计算指定榀框架在地震作用的内力,绘出内力图。
三、设计要求每组5-6人,独立查阅资料、规范,独立演算、绘图。
基本要求如下:1.独立按时完成设计;2.设计内容完整,设计思路、方法正确;3.计算书和图纸清晰、整洁,表达内容完整、正确、规范。
计算书应包含:目录,必要的建筑、结构说明,分步的计算步骤,采用的方法及依据,附有相应图、表的计算过程;4.掌握钢筋混凝土结构抗震设计全过程;5.熟悉相关结构规范,掌握建筑结构抗震设计的有关规定。
目录一、工程概况 (1)1.结构方案 (1)2.结构布置及梁柱截面 (1)3.梁柱的截面尺寸 (1)二、重力荷载代表值的计算 (2)1.屋面荷载标准值: (2)2.楼面荷载标准值 (2)3.梁柱自重: (2)4.墙体自重标准值 (2)三、结构自震周期计算 (3)1.横梁线刚度Kb的计算: (3)2.柱线刚度Kc的计算: (4)3.各层横向侧移刚度计算: (D值法) (4)四、水平地震作用计算 (6)1.结构等效总重力荷载代表值Geq (7)2.计算水平地震影响系数а1 (7)3.结构总的水平地震作用标准值FEk (7)五、多遇水平地震作用下的位移验算 (8)六、水平地震作用下框架内力计算 (9)1.框架柱端剪力及弯矩 (9)2.梁端弯矩、剪力及柱轴力分别按以下公式计算: (10)七、设计体会 (112)参考文献 (13)一、工程概况1.结构方案该全现浇框架结构处于8度(0.2g)设防区,建筑为六层,底层柱高4.2m,其他柱高为3.6m;场地为II类场地,地震分组为二组。
根据“抗震规范”第6.1.2条,确定结构抗震等级。
该建筑开间进深层高较大,根据“抗震规范”第6.1.1条,全现浇框架结构体系选择大柱网布置方案。
考虑本工程楼面荷载较大,对于防渗、抗震要求较高,为了符合适用、经济、美观的原则和增加结构的整体性及施工方便,采用整体现浇梁板式楼盖。
根据工程地质条件,考虑地基有较好的土质,地耐力高,采用柱下独立基础,并按“抗震规范”第6.1.14条设置基础系梁。
2.结构布置及梁柱截面2.1.结构布置见图142006000600060006000600042006 6 0 0 6 6 0 012345678C B AL1L1L1L1L1L1L1L1L2L2图1 结构布置图2.2.各梁柱截面尺寸:框架梁,柱截面尺寸见下表3.梁柱的截面尺寸表1构件编号计算跨度L(mm) h=(1/8~1/12)L(mm)b=(1/2~1/3)h(mm)横向框架梁L1 6900 650 250 纵向框架梁L2 6300 600 250L3 3000 450 250 底层框架柱Z1 4200 550 550 其它层框架柱Z2 3600 500 500二、重力荷载代表值的计算1.屋面荷载标准值屋面恒载标准值: 5.95 KN屋面活载标准值(不上人): 0.5 KN/m2屋面雪荷载标准值: 0.75 KN/m22.楼面荷载标准值楼面恒载标准值 3.80 KN/m2楼面活载标准值 2.50 KN/m23.梁柱自重标准值表2构件编号截面(m2)长度(m)线荷载(KN/m)每根重量(KN)每层根数(个)每层总重(KN)L1 0.25*0.65 6.4 4.0625 26 16 416 L2 0.25*0.6 5.8 3.75 21.75 15 326.25 L3 0.25*0.45 2.5 2.81 7.025 6 42.15 Z1 0.55*0.55 4.2 8.363 35.125 24 843 Z2 0.5*0.5 3.6 7.05 25.38 24 609.12 4.墙体自重标准值底层外墙线荷载标准值 6.84KN/m内墙线荷载标准值 5.96KN/m标准层外墙线荷载标准值 5.70KN/m内墙线荷载标准值 4.95KN/m 240mm 砖墙砌女儿墙线荷载标准值 3.60KN/m4.1第一层内墙总重 6.9×4×5.96=164.496 KN外墙总重 (6.3×10+6.9×4+3×4)×6.84=701.784N 楼面面积 (6.3×5+3×2)×(6.9×2)=517.5 m2 楼面恒载 3.8*517.5=1966.5 KN 楼面活载 2.5*517.5=1293.75 KN 一层重力代表值688.51885.075.12935.1966784.701496.16405.1)84315.425.326416(5.01=⨯++++⨯+++=+=活恒G G G 注:梁柱乘上粉刷层重力荷载而对其重力荷载的增大系数1.05。
第五章水平作用(地震+风载)下框架内力计算第一节地震作用内力计算《建筑抗震设计规范》(GB5011-2010)5.1.2条规定:高度不超过40m、以剪切变形为主且质量和刚度沿高度分布比较均匀的结构,以及近似于单质点体系的结构,可采用底部剪力法等简化方法。
一、设计资料抗震设防烈度为7度,查《建筑抗震设计规范》(GB5011-2010)1.0.2规定,抗震设防烈度为6度及以上地区的建筑,必须进行抗震设计。
抗震设防烈度为7度,建筑物高度不超过24m,查《建筑抗震设计规范》(GB5011-2010)规定,抗震等级为三级。
设计基本地震加速度为0.10g,设计地震分组为第一组,场地类别第一类,查《建筑抗震设计规范》(GB5011-2010)5.1.4规定特征周期T g=0.25s,水平地震影响系数最大值max=0.08.二、地震作用内力计算(二)柱的侧移刚度D值计算框架梁线刚度计算表5.1框架柱线刚度计算表5.2柱的侧移刚度D值计算表5.3(三)计算重力荷载代表值Gi屋面处重力荷载代表值=结构和构配件自重标准值楼面处重力荷载代表值=结构和构配件自重标准值+0.5×楼面活荷载标准值其中,结构和构配件自重取楼面上下各半层层高范围内(屋面处取顶层的1/2)的结构及构配件自重。
构件长度近似按墙中心线计算。
1.突出屋面楼梯间及多功能厅重力荷载代表值顶层楼梯间重力荷载代表值主要考虑顶层楼板、梁、柱。
(1)板结构层及构造层自重标准值G板=5.97×(20×15.2+2×3.6×9.8)=2235.12KN(2) 梁自重标准值G梁=5.81×(9.6×2+15×2)+8.60×(15×2)+2.61×(3.6×2+27×2+19.8)+2.03×(19.8×3)=375.84KN(3)柱自重标准值G柱=9.90×5.1×2+6.8×5.1×2+5.72×5.1×10=462.06KN(4) 墙自重标准值G女儿墙=1.58 ×(9.6×2+27×2)=115.66KNG层间墙=8.465×19.8+13.588×5.4+7.686×5.4+13.588×6.6×4+10.480×3×2+14.852×3×2+12.987×3+14.378×27+14.378×6.6+9.716×6.6+11.270×6.6=1453.77KNG墙=G女儿墙+G层间墙=115.66+1453.77=1569.43KN突出屋面楼梯间及多功能厅重力荷载代表值:G4=G板+ G梁+G柱+G墙=2235.12+375.84+462.06+1569.43=4642.45KN突出屋面楼梯间及多功能厅重力荷载设计值:G4设计=1.2×(G板+ G梁+G柱+G墙)=1.2×(2235.12+375.84+462.06+1569.43)=5570.94KN2.结构三层主屋面重力荷载代表值屋面的重力荷载代表值主要考虑屋面板、梁、女儿墙自重,顶层柱、墙重一半,屋面活载不考虑。
广东技术师范学院天河学院《建筑结构抗震设计》课程设计任务书适用专业、班级:土木工程11级课程性质:实习实训课开课系部:建筑工程系任务时间:2013年12月广东技术师范学院天河学院建筑工程系一、实训目的《建筑结构抗震设计》课程设计是教学计划中一个十分重要的教学实践环节,对培养和提高学生的结构设计的基本技能、启发学生对实际结构设计工作的认识和巩固所学的理论知识有十分重要的作用,为以后走上工作岗位打下坚实基础。
通过为期1周的实践环节可以达到以下目的:1、了解框架结构设计的一般内容和程序,为毕业设计及今后从事结构设计工作奠定初步基础;2、掌握水平作用及竖向作用的计算方法;3、掌握结构有地震内力组合及配筋计算;4、掌握梁、柱平法施工图,进一步提高制图的基本技能。
二、基本要求1、编写设计计算时,应一丝不苟,培养认真负责、踏实细致的工作作风。
2、以班为单位在实训教室进行课程设计,严格遵守上课秩序,服从指导老师安排,严禁迟到、早退。
3、每个同学需独立完成设计任务,允许讨论,不能互相抄袭和代为完成。
三、任务1、设计资料(1)、某一栋普通3层的现浇钢筋混凝土框架结构办公楼,结构平面布置如图1所示,不上人屋面,屋顶无局部突出部分;底层层高4m,二、三层层高3.6m。
(2)、本设计所有梁、柱尺寸均见图1,柱截面尺寸均为500mm×500mm。
(3)材料强度:梁、板、柱强度等级皆为C30,纵向受力钢筋采用HRB400,箍筋采用HPB300。
(4)结构恒荷载框架计算简图A、活荷载框架计算简图B已给出,详见附件2。
各层的重力荷载代表值为:C1组:G1=11400kN,G2=10900,G3=9900kN;C2组:G1=10900kN,G2=10400,G3=9400kN;C3组:G1=10400kN,G2=9900,G3=8900kN;(5)地震资料:a、设防烈度及基本地震加速度:D1=7度(0.1g);D2=7度(0.15g);D3=8度(0.2g)。
采用振型叠加法求地震作用下框架结构内力一、作业数据某两层钢筋混凝土框架(图1),集中于楼盖和屋盖出的重力荷载值为:Gi = HOOkN, G2 = 1300kNo 柱截面尺寸为b x h = 450mm x 450mm,结构层高H = 3.9m,结构采用C45混凝土,弹性模量E。
= 3.35 x 104N/m2o场地类别为II第三组,地震加速度为0. 15g,地震影响按多与地震考虑,烈度为7级。
试采用振型叠加法求解结构的地震内力,并绘制内力图。
计算步骤1.基本数据计算各层刚度计算:I = ^ = 45Q^5°3 = 3.417 x 109mm4】 1 ] 24E1 24X3.35X104- “4“/k t = k2 = k = = —— = 4.632 x 104N/mm柔度系数计算:5ii = J = = 2.159 x 10-8 m/N812 = S2i = 8n = 2.159 x 10-8 m/N822 =- + - = 4.318 x IO-8 m/N K K 质量: u Gi图2集中质量模型H3390034.632X104Gi 1100X103 mi = 7 = ^^ 1.122 x 105kg2. 求频率和振型Sum! + 622m 2 = 2.159 x 10~8 x 1.122 x 105 + 4.318 x 10~8 x 1.327 x 105 =8.152 x KT?(§i 』22 — 5i252i)m 1m 2 = (2.159 x 10~8 x 4.318 x 10~8 — 2.159 x IO"8 x 2.159 x IO -8) x 1.122 xl05 x1.327 xlO 5=6.940 x 10-61 ( 8 ]]旳 + 5 221叱)± 7(( 5 u mi + 5 22m 2)2 - 4(8^622 - 512621)m 1m 2)A 9 = --------------------------------------------------------------------------------------------------------------------------------------------228.152 x 10~3 ± J (8.152 x 10~3) 2 - 4 x 6.940 x 10~6= 2_ r 0.0072一 t 0.0010故频率为: 1 1 , 1 1 z (JL )X= —= = -7 ------------------------------------------------------------------ = 11.785 rad/s, a )2 = —= = -7 = 31.623rad/s庆 V0.0072/馮 VO.OOIO振型为:丫扌 _ m 2S 12 _ 1.327 xl05 x 2.159 xlO -8 _ -0.600 可=_ = - 1.122 x 105 x 2.159 x 10~8 - 0.0072 = 1.000 2mi%-苗 Yf _m 2512 _ 1.327 x 105 x 2.159 x IO -8 _ 3.484_= - 1.122 x 105 x 2.159 x IO"8 - 0.0016 = 1.00025%-時3. 求振型参与系数1.327 x 105kg1300x103 9.8_ {Y}⑴_ nhYf + gY 孑 _ 1.122 x ( - 0.6) + 1.327 x 1 Y1{Y}(1)T[M]{Y}(1)mi(Y 打2 + m2(Y 孑)2i.i22 x ( - 0.6) ? + 1.327 x 1=0.378,_ {Y}⑵T[M ]{1} _ mi Yf + m 2Y^ _ 1.122 x 3.484 + 1.327 x1丫2 = {Y }(2)T [M ]{Y}⑵=mi(Yf)2 + m2(Y 夕尸=1.122 x 3.4842 + 1.327 x1=0.3504. 求自振周期及特征周期2TT T I =—= 2nT 2 =——二2TT 二 =0.533S11.785 21T =———=0.199S 场地类别为II 第三组,查表知T g = 0.45s表5. 1- 4-2特征周期值(s)5. 求水平地震影响系数a 19 a 2地震影响烈度为7度,地震加速度为0. 15g,按多遇地震考虑,查下表得:a max = 0.12表5. 1.4-1水平地雀影响系数最犬值的地区。
八地震作用内力计算(一)重力荷载代表值计算1.屋面雪荷载标准值Q sk=0.65×[7.8×6×(7.2×2+3.0)+3.9×(3.0+7.2)+7.8×7.2×2+10.1×3.9+3.9×7.2]=0.65×1034=787kN2.楼面活荷载标准值Q1k=Q2k=2.5×[3.0×7.8×6+3.9×(3.0+7.2)+3.9×(7.2×3+10.1) +3.9×7.2]+2.0×(7.8×7.2×12+3.9×7.2 +7.8×10.1)=2.5×332+2.0×781=2397kNQ3k=Q4k=2.5×332+2.0×(7.8×7.2×12+3.9×7.2)=2.5×332+2.0×702=2239kN3.屋盖、楼盖自重G5k=25×{1034×0.1+0.2×(0.6-0.1)×(7.2×12+3.9×2)+0.3×(0.8-0.1)×[3.9+(3.9×3+7.8×6)×2+(7.8×6+3.9)×2+3.9×3)+(7.2×5+10.1×2+(7.2×2+3.0)×7+3.0+7.2)]}+( 20×0.02+7×(0.08+0.16)/2+17×0.02)×1034=25×201.48+1.58×1034=6666kNG4k=25×201.48+(20×0.02+17×0.02+0.65)×1034=6470kNG1k=G2k=25×{(332+781)×0.1+0.2×(0.6-0.1)×(7.2×12+3.9×2+7.8×2)+0.3×(0.8-0.1)×[(3.9+(3.9×3+7.8×6)×2+(7.8×6+3.9)×2+3.9×3)+(7.2×5+10.1×2+(7.2×2+3.0)×7+3.0+7.2)+10.1+7.8]}+ (20×0.02+17×0.02+0.65)×(332+781)=25×214.70+1.39×1113=6871kN4.女儿墙自重G’=1.0×[(3.9×3+7.8×6+3.9)×2+(10.1+7.2+3.0+7.2)×2]×(18×0.24+17×0.02×2)=179.8×4.66=835kN5.三~五层墙柱等自重柱自重 (0.6×0.6×3.6×25+4×0.6×3.6×0.02×17)×39=1378kN门面积 2.6×1.0×25=65m2窗面积 2.3×1.8×24+10.1×1.8×2=136m2门窗自重 65×0.2+136×0.4=67kN墙体自重 {3.6×[7.8×24+7.2×14+3.9×2+8.7+3.9×2+(7.8+7.2)×2+3.9×2+4.2×2+10.1×2]-(136+65)}×0.24×18=(3.6×378.4-201)×4.32=5017kN 小计6462kN6.二层墙柱等自重柱自重 (0.6×0.6×3.6×25+4×0.6×3.6×0.02×17)×40=1413kN 门面积 65m 2 窗面积 136m 2 门窗自重 67kN墙自重 [3.6×(378.4+10.1)-201]×4.32=5174kN 小计 6654kN7.底层墙柱等自重柱自重 (0.65×0.65×4.2×25+4×0.65×4.2×0.02×17)×40=1923kN 门面积 2.6×1.0×7+2.6×1.5×14=72.8 m 2 窗面积 1.8×6.2×11=122.76 m 2门窗自重 72.8×0.2+122.76×0.4=64kN墙自重 [4.2×(7.8×24+7.2×14+10.1×2)-122.76-72.8]×0.24×18=4747kN 小计6734kN各层重力荷载代表值汇总如下:11126kN 7875.06462216666835G 5=⨯+⨯++=14052kN22395.064626470G G 43=⨯++== 14628kN 23975.06654216462216871G 2=⨯+⨯+⨯+=14764kN 23975.06734216654216871G 1=⨯+⨯+⨯+=(二)水平地震作用计算1.各层D 值汇总(D 单位:104kN/m ) 计算过程见下表2.顶点位移计算(将重力荷载代表值Gi 作为水平荷载) u T =41068.14511126⨯+41068.1451405211126⨯++41068.145140521405211126⨯+++410150.1814628140521405211126⨯++++410150.181476414628140521405211126⨯++++ =167m .010)304.79862.35929.26283.17637.(73=⨯++++-3.基本自振周期486s .0167.07.07.1u 7.1T T T 1=⨯⨯=ψ=4.基本自振周期水平地震影响系数设计地震分组第一组,场地类别Ⅱ类,T g =0.35s ,地震加速度0.10g ,多遇地震下αmax =0.08 06.008.00.1)486.035.0(9.01=⨯⨯=α5.结构底部剪力标准值7kN .3499)1476414628140521405211126(85.006.0G F eq 1Ek =++++⨯⨯==α6.各层水平地震作用标准值49s .04T .1486s .0T g 1=<=,故不需考虑顶部附加地震作用 m 2kN .782493.514764H G 11⋅=⨯= m 2kN .1301893.6)3.5(14682H G 22⋅=+⨯=m 175650kN 2)3.63.5(14052H G 33⋅=⨯+⨯= m 2kN .2262373)3.63.5(14052H G 44⋅=⨯+⨯=m 2kN .2191824)3.63.5(11126H G 55⋅=⨯+⨯=m 8kN .829507HG ii⋅=∑13kN .3307.34998.8295072.78249F 1=⨯=27kN .5497.34998.8295072.130189F 2=⨯=07kN .7417.34998.829507175650F 3=⨯=50kN .9547.34998.8295072.226237F 4=⨯=73kN .9247.34998.8295072.219182F 5=⨯=7.各层水平地震层间剪力73kN .924V 5=1879.23kN954.5073kN .924V 4=+= 3kN .262007.74123.1879V 3=+= 57kN .316927.5493.2620V 2=+= 7kN .349913.33057.3169V 1=+= 楼层水平地震剪力最小值验算如下: 楼层最小地震剪力系数λ=0.01602kN .178G 1=∑λ,402.85kN G 2=∑λ,627.68kN G 3=∑λ 73kN .861G 4=∑λ,1097.95kN G 5=∑λ 故满足要求8.多遇地震下弹性层间位移 计算过程见下表故满足要求(三)一榀框架内力计算(KJ1)本节计算以左震为例。
建筑结构抗震设计课程设计任务书2013-2014学年第二学期院系题目专业(班级)学号姓名起讫日期指导教师2014 年4月某框架结构超市抗震分析一、设计资料1.本工程采用现浇钢筋混凝土框架结构,内外墙体采用非承重粘土空心砖(包括粉刷层厚220mm,15kN/m3)。
2. 材料:混凝土强度等级:梁、板为C25,柱为C30;纵筋采用HRB 335钢筋,横向钢筋采用HPB 300钢筋。
3. 楼面可变荷载标准值参照荷载规范。
4.地震资料:I:工程所在地基本烈度7度,设计基本地震加速度为0.10g,设计地震分组为第一组,I类场地。
II:工程所在地基本烈度7度,设计基本地震加速度为0.10g,设计地震分组为第二组,Ⅱ类场地。
III:工程所在地基本烈度7度,设计基本地震加速度为0.10g,设计地震分组为第一组,III类场地。
5. 屋面做法:SBS改性沥青防水卷材(0.3 kN/m2)20mm厚水泥砂浆找平层(0.4 kN/m2)100mm厚水泥珍珠岩制品保温层(1 kN/m2)20mm厚水泥砂浆找平层90mm现浇混凝土结构层(25 kN/m3)V型轻钢龙骨吊顶(0.25kN/m2)楼面做法:10mm面层、20mm水泥砂浆打底水磨石地面(0.6kN/m2)110mm钢筋混凝土现浇板V型轻钢龙骨吊顶(0.2kN/m2)6. 钢筋混凝土现浇独立基础。
二、设计内容1、确定恒、活荷载代表值,计算各层质量、抗侧刚度,计算结构的自振周期或其它动力特性;2、计算横向地震作用以及层间位移验算;3、指定榀框架在恒载作用下某层的荷载导算(选做);4、计算指定榀框架在地震作用的内力,绘出内力图。
三、设计要求每组5-6人,独立查阅资料、规范,独立演算、绘图。
基本要求如下:1.独立按时完成设计;2.设计内容完整,设计思路、方法正确;3.计算书和图纸清晰、整洁,表达内容完整、正确、规范。
计算书应包含:目录,必要的建筑、结构说明,分步的计算步骤,采用的方法及依据,附有相应图、表的计算过程;4.掌握钢筋混凝土结构抗震设计全过程;5.熟悉相关结构规范,掌握建筑结构抗震设计的有关规定。
四、参考资料[1]柳炳康,沈晓璞.工程结构抗震设计.武汉:武汉理工大学出版社,2005.[2]丰定国,王社良.抗震结构设计(第二版).武汉:武汉理工大学出版社,2003.[3]李爱群,高振世.工程结构抗震设计.北京:中国建筑工业出版社,2005.[4]朱伯龙,张琨联.建筑结构抗震设计原理.上海:同济大学出版社,1994.[5]建筑抗震设计规范(GB50011-2010).北京:中国建筑工业出版社,2010.[6]混凝土结构设计规范(GB50010-2010).北京:中国建筑工业出版社,2010.[7]建筑结构荷载规范(GB50009-2006).北京:中国建筑工业出版社,2006.[8]建筑结构静力计算手册.北京:中国建筑工业出版社,1998.五、结构布置1层平面(层高4.5m)括号中数字用于近似计算该段的恒载,即单位长度重=括号中值*按所给条件计算的隔墙单位长度重量2-6层结构布置(层高3.9m)注:1.各段梁括号中的数值表示扣除门窗等因素的重量计算折减因子,因子大小=梁上实际隔墙重/全部为隔墙时的重量,近似为均匀分布考虑;2.1-3层柱600X600,其余550X550;3.B轴的23段、45段梁上的折减因子:2-3层为0,4-6层为0.85。
屋面结构布置注:括号中数值为重量折减因子,1100指1100高、120厚混凝土女儿墙,未标注的为0。
顶层楼梯间(层高3.0m)六、任务分配第一组(5人)A:1轴,地震资料IB:2轴,地震资料IIC:3轴,地震资料IIID:4轴,地震资料IIE:5轴,地震资料I第二组(5人)地震资料:I:工程所在地基本烈度7度,设计基本地震加速度为0.15g,设计地震分组为第一组,I类场地。
II:工程所在地基本烈度7度,设计基本地震加速度为0.15g,设计地震分组为第二组,Ⅱ类场地。
III:工程所在地基本烈度7度,设计基本地震加速度为0.15g,设计地震分组为第一组,III类场地。
结构变化:去掉第三层,底层层高4.7m,2~5层3.9m,楼梯间2.8m。
A:1轴,地震资料IB:2轴,地震资料IIC:3轴,地震资料IIID:4轴,地震资料IIE:5轴,地震资料I第三组(5人)结构变化:AB、BC跨跨度分别为8.0m、6.9m(楼梯间尺寸不变),底层层高4.5m,2~5层3.9m,楼梯间3.0m。
A:1轴,地震资料IB:2轴,地震资料IIC:3轴,地震资料IIID:4轴,地震资料IIE:5轴,地震资料I第四组(5人)地震资料:I:工程所在地基本烈度7度,设计基本地震加速度为0.10g,设计地震分组为第三组,I类场地。
II:工程所在地基本烈度7度,设计基本地震加速度为0.10g,设计地震分组为第二组,III类场地。
III:工程所在地基本烈度8度,设计基本地震加速度为0.2g,设计地震分组为第一组,Ⅱ类场地。
结构变化:底层层高4.2m,2~5层3.6m,楼梯间2.8m。
A:1轴,地震资料IB:2轴,地震资料IIC:3轴,地震资料IIID:4轴,地震资料IIE:5轴,地震资料I第五组(5人)结构变化:AB跨跨度分别为8.4m,23、45轴跨度6.3m,底层层高4.4m,2~5层3.7m,楼梯间3.2m。
A:1轴,地震资料IIB:2轴,地震资料IC:3轴,地震资料ID:4轴,地震资料IIIE:5轴,地震资料II第六组(5人)地震资料:I:工程所在地基本烈度7度,设计基本地震加速度为0.10g,设计地震分组为第三组,I类场地。
II:工程所在地基本烈度7度,设计基本地震加速度为0.10g,设计地震分组为第二组,III类场地。
III:工程所在地基本烈度8度,设计基本地震加速度为0.2g,设计地震分组为第一组,Ⅱ类场地。
结构变化:底层层高4.0m,2~5层3.3m,楼梯间3.0m;开间各跨分别为7.2、6.6、6.6、6.3、7.2 m。
A:1轴,地震资料IIIB:2轴,地震资料IC:3轴,地震资料ID:4轴,地震资料IIIE:5轴,地震资料II建筑结构抗震设计课程设计任务书2013-2014学年第二学期院系题目专业(班级)学号姓名起讫日期指导教师2014 年4月某学校教学楼(框架结构)抗震分析一、设计资料1.本工程采用现浇钢筋混凝土框架结构,内外墙体采用非承重粘土空心砖(包括粉刷层厚220mm,15kN/m3;图中括号内数字为考虑洞口的墙重比例因子)。
2. 材料:混凝土强度等级:梁、板为C25,柱为C30;纵筋采用HRB 400或HRB 335钢筋,横向钢筋采用HRB 335钢筋。
3. 楼面可变荷载标准值参照荷载规范。
4.地震资料:I:工程所在地基本烈度7度,设计基本地震加速度为0.10g,设计地震分组为第一组,I类场地。
II:工程所在地基本烈度7度,设计基本地震加速度为0.10g,设计地震分组为第二组,Ⅱ类场地。
III:工程所在地基本烈度7度,设计基本地震加速度为0.15g,设计地震分组为第一组,III类场地。
IV:工程所在地基本烈度7度,设计基本地震加速度为0.15g,设计地震分组为第三组,I类场地。
5. 屋面做法:SBS改性沥青防水卷材(0.3 kN/m2)20mm厚水泥砂浆找平层(0.4 kN/m2)100mm厚水泥珍珠岩制品保温层(1 kN/m2)20mm厚水泥砂浆找平层110mm现浇混凝土结构层(25 kN/m3)20mm厚混合砂浆抹灰(0.24 kN/m2)楼面做法:30mm厚水泥砂浆面层120mm钢筋混凝土现浇板20mm厚混合砂浆抹灰6. 钢筋混凝土现浇独立基础。
二、设计内容1、确定恒、活荷载代表值,计算各层质量、抗侧刚度,计算结构的自振周期或其它动力特性;2、计算横向地震作用以及层间位移验算;3、指定榀框架在恒载作用下某层的荷载导算(选做);4、计算指定榀框架在地震作用的内力,绘出内力图。
三、设计要求每组5-6人,独立查阅资料、规范,独立演算、绘图。
基本要求如下:1.独立按时完成设计;2.设计内容完整,设计思路、方法正确;3.计算书和图纸清晰、整洁,表达内容完整、正确、规范。
计算书应包含:目录,必要的建筑、结构说明,分步的计算步骤,采用的方法及依据,附有相应图、表的计算过程;4.掌握钢筋混凝土结构抗震设计全过程;5.熟悉相关结构规范,掌握建筑结构抗震设计的有关规定。
四、参考资料[1]柳炳康,沈晓璞.工程结构抗震设计.武汉:武汉理工大学出版社,2005.[2]丰定国,王社良.抗震结构设计(第二版).武汉:武汉理工大学出版社,2003.[3]李爱群,高振世.工程结构抗震设计.北京:中国建筑工业出版社,2005.[4]朱伯龙,张琨联.建筑结构抗震设计原理.上海:同济大学出版社,1994.[5]建筑抗震设计规范(GB50011-2010).北京:中国建筑工业出版社,2010.[6]混凝土结构设计规范(GB50010-2010).北京:中国建筑工业出版社,2010.[7]建筑结构荷载规范(GB50009-2006).北京:中国建筑工业出版社,2006.[8]建筑结构静力计算手册.北京:中国建筑工业出版社,1998.五、结构布置平面1:底层平面图(墙重折减因子:1、6轴线0.9;A、C轴线0.3;其余按实际情况计算。
折减因子=实际隔墙重/全部为隔墙时的重量,近似为均匀分布考虑)平面2:平面布置图2(各段梁括号中的数值表示扣除门窗等因素的隔墙重量折减因子)平面3:平面布置图3平面4:屋面六、任务分配第一组(6人)结构:1~6层层高分别为4.1、3.3、3.3、3.0、3.0、3.3m;平面布置分别为1、2、3、2、3、3、4。
A:1轴,地震资料IB:2轴,地震资料IIC:3轴,地震资料IIID:4轴,地震资料IVE:5轴,地震资料IF:6轴,地震资料II第二组(6人)结构:1~6层层高分别为4.2、3.6、3.6、3.6、3.6、3.0m;平面布置分别为1、2、3、3、3、3、4。
A:1轴,地震资料IB:2轴,地震资料IIC:3轴,地震资料IIID:4轴,地震资料IVE:5轴,地震资料IF:6轴,地震资料II第三组(6人)结构:1~6层层高分别为4.2、3.6、3.6、3.6、3.6、3.3m;平面布置分别为1、2、2、2、3、3、4。
1~6轴各跨跨度分别为7.2、6.9、7.0、7.2、6.9m。
A:1轴,地震资料IB:2轴,地震资料IIC:3轴,地震资料IIID:4轴,地震资料IVE:5轴,地震资料IF:6轴,地震资料II第四组(6人)结构:1~6层层高分别为4.1、3.3、3.3、3.3、3.3、3.3m;平面布置分别为1、2、2、3、3、3、4。