111-企业职工伤亡事故月(年)报表
- 格式:docx
- 大小:23.70 KB
- 文档页数:2
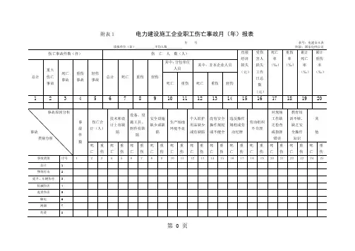
附表1电力建设施工企业职工伤亡事故月(年)报表年月表号:电建安A表单位负责人签章:处(科)负责人签章制表人签章:报出日期:年月日注:本表(A4)为施工企业的主管上级汇总上报各企业事故情况使用.年月表号:电建安B表填报单位(章)______制单位负责人签章:处(科)负责人签章制表人签章:报出日期:年月日注:本表(A4)为施工企业的主管上级汇总上报各企业事故情况使用。
年月填报单位(章):_____工程名称及规模______累计工程死亡___人,重伤____人表号:电建安C表工程施工平均总人数______工程死亡率______%累计工程死亡率____%单位负责人签章:处(科)负责人签章制表人签章:报出日期:年月日注:本表(A4)为工程项目法人单位使用。
年月表号:电建安D表填报单位(章)______制单位负责人签章:处(科)负责人签章制表人签章:报出日期:年月日注:本表(A4)为工程项目法人单位主管上级汇总上报各工程事故情况使用。
电力建设施工企业大型起重机械事故(年)报表年月表号:电建安E表填报单位(章): 制单位负责人签章:处(科)负责人签章制表人签章:报出日期:年月日注:1、大型起重机根据《大型起重机安全管理规定》系指30t及以上的各类起重机;2、此表(A4)为电力公司上报国家电网公司使用.3、无事故上报空白表。
电力建设施工企业机械事故月(年)报表年月表号:电建安F表填报单位(章):制单位负责人签章: 处(科)负责人签章制表人签章:报出日期:年月日注:1、本表(A4)为施工企业上报隶属电力公司使用。
2、当月(年)无事故应上报空白表。
电力建设施工企业车辆交通事故月(年)报表年月表号:电建安G表日注:1、本表(A4)为企业上报隶属电力公司使用。
2、不论有无事故本表都应在次月按时报出。
附表8电力建设工程项目(工企业)火灾事故报表表号:电建安H表单位负责人:处(科)负责人:填报人:填报:年月日注;1、本表(A4)为施工企业或项目法人上报隶属电力以司使用。
附表1电力建设施工企业职工伤亡事故月(年)报表年月表号:电建安A表第 0 页单位负责人签章:处(科)负责人签章制表人签章:报出日期:年月日注:本表(A4)为施工企业的主管上级汇总上报各企业事故情况使用。
第 1 页附表2电力建设工程职工伤亡事故月(年)报表年月表号:电建安B表填报单位(章)______制月日注:本表(A4)为施工企业的主管上级汇总上报各企业事故情况使用。
第 2 页附表3电力建设工程职工伤亡事故月(年)报表年月填报单位(章):_____工程名称及规模______累计工程死亡___人,重伤____人表号:电建安C表工程施工平均总人数______工程死亡率______%累计工程死亡率____%月日第 3 页注:本表(A4)为工程项目法人单位使用。
第 4 页附表4电力建设工程职工伤亡事故月(年)报表年月表号:电建安D表填报单位(章)______制月日第 5 页注:本表(A4)为工程项目法人单位主管上级汇总上报各工程事故情况使用。
第 6 页附表5电力建设施工企业大型起重机械事故(年)报表年月表号:电建安E表填报单位(章):制月日注:1、大型起重机根据《大型起重机安全管理规定》系指30t及以上的各类起重机;2、此表(A4)为电力公司上报国家电网公司使用。
3、无事故上报空白表。
第 7 页附表6电力建设施工企业机械事故月(年)报表年月表号:电建安F表填报单位(章):制月日注:1、本表(A4)为施工企业上报隶属电力公司使用。
2、当月(年)无事故应上报空白表。
第 8 页附表7电力建设施工企业车辆交通事故月(年)报表年月表号:电建安G表填报单位(章):制事故简况:单位负责人签章:科室负责人签章制表人签章:报出日期:年月日注:1、本表(A4)为企业上报隶属电力公司使用。
2、不论有无事故本表都应在次月按时报出。
第 9 页附表8电力建设工程项目(工企业)火灾事故报表表号:电建安H表填报单位(盖章):制月日注;1、本表(A4)为施工企业或项目法人上报隶属电力以司使用。
附录A伤亡事故统计报表格式表1企业职工伤亡事故月(年)报表单位名称:_______代码:_______隶属关系:_______代码:_______经济类型:_______代码:_______企业规模:_______代码:_______国民经济行业:_____代码:_______有无开采许可证(矿山填)__________代码:_______制表机关:劳动部国家统计局文号:劳计字(1992)56号|-------------------------------------------------------------------------| | 伤亡事故件数(件)|伤亡人数(人)|| | |---------------------------------|--------------------------|直接经济|受伤害人 | | |||||总|死|重|轻|其中:非本企业人员||损失工作日 | |总计|重大死亡事故|死亡事故|重伤事故|轻伤事故|||||----------|损失|总数(工日)| | |||||计|亡|伤|伤|死亡|重伤|轻伤|(元)| | |---|--------|------|------|------|---|---|---|---|---|---|--|----|-------| | 1|2|3|4|5|6|7|8|9|10|11|12|13|14 | |---|--------|------|------|------|---|---|---|---|---|---|--|----|-------| | ||||||||||||| | |-------------------------------------------------------------------------| 单位负责人签章:处(科)负责人签章:制表人签章:报出日期:年月日谢谢你的阅读表2企业职工伤亡事故月(年)报表制表机关:劳动部国家统计局单位:年月文号:劳计字(1992)56号|----------------------------------------------------------------------------------------| |||合计|技术和|设备、设|安全设|生产场|个人防|没有安|违反操|劳动组|对现场|教育培|| ||||设计上|施、工具、|施缺少|地环境|护用品|全操作|作规程|织不|工作缺|训不够、|| ||事故||有缺陷|附件有|或有|不良|缺少或|规程或|或劳动|合理|乏检查|缺乏安|其它| ||件数|||缺陷|缺陷||有缺陷|不健全|纪律||或指挥|全操作|| ||(件)|伤亡|||||||||错误|知识|| |||-----|-----|-----|-----|-----|-----|-----|-----|-----|-----|-----|------| |||死亡|重伤|死亡|重伤|死亡|重伤|死亡|重伤|死亡|重伤|死亡|重伤|死亡|重伤|死亡|重伤|死亡|重伤|死亡|重伤|死亡|重伤|死亡|重伤| |-----------|---|--|--|--|--|--|--|--|--|--|--|--|--|--|--|--|--|--|--|--|--|--|--|--|---| |事故类别|序号|1|2|3|4|5|6|7|8|9|10|11|12|13|14|15|16|17|18|19|20|21|22|23|24|25| |-------|---|---|--|--|--|--|--|--|--|--|--|--|--|--|--|--|--|--|--|--|--|--|--|--|--|---| |总计|1|||||||||||||||||||||||||| |-------|---|---|--|--|--|--|--|--|--|--|--|--|--|--|--|--|--|--|--|--|--|--|--|--|--|---| |物体打击|2|||||||||||||||||||||||||| |-------|---|---|--|--|--|--|--|--|--|--|--|--|--|--|--|--|--|--|--|--|--|--|--|--|--|---| |提升、车辆伤害|3|||||||||||||||||||||||||| |-------|---|---|--|--|--|--|--|--|--|--|--|--|--|--|--|--|--|--|--|--|--|--|--|--|--|---| |机械伤害|4|||||||||||||||||||||||||| |-------|---|---|--|--|--|--|--|--|--|--|--|--|--|--|--|--|--|--|--|--|--|--|--|--|--|---| |起重伤害|5|||||||||||||||||||||||||| |-------|---|---|--|--|--|--|--|--|--|--|--|--|--|--|--|--|--|--|--|--|--|--|--|--|--|---| |触电|6|||||||||||||||||||||||||| |-------|---|---|--|--|--|--|--|--|--|--|--|--|--|--|--|--|--|--|--|--|--|--|--|--|--|---|谢谢你的阅读|淹溺|7|||||||||||||||||||||||||| |-------|---|---|--|--|--|--|--|--|--|--|--|--|--|--|--|--|--|--|--|--|--|--|--|--|--|---| |灼烫|8|||||||||||||||||||||||||| |-------|---|---|--|--|--|--|--|--|--|--|--|--|--|--|--|--|--|--|--|--|--|--|--|--|--|---| |火灾|9|||||||||||||||||||||||||| |----------------------------------------------------------------------------------------|续表|----------------------------------------------------------------------------------------| ||||技术和|设备、设|安全设|生产场|个人防|没有安|违反操|劳动组|对现场|教育培|| |||合计|设计上|施、工具、|施缺少|地环境|护用品|全操作|作规程|织不|工作缺|训不够、|| ||事故||有缺陷|附件有|或有|不良|缺少或|规程或|或劳动|合理|乏检查|缺乏安|其它| ||件数|伤亡||缺陷|缺陷||有缺陷|不健全|纪律||或指挥|全操作|| ||(件)||||||||||错误|知识|| |||-----|-----|-----|-----|-----|-----|-----|-----|-----|-----|-----|------| |||死亡|重伤|死亡|重伤|死亡|重伤|死亡|重伤|死亡|重伤|死亡|重伤|死亡|重伤|死亡|重伤|死亡|重伤|死亡|重伤|死亡|重伤|死亡|重伤| |-----------|---|--|--|--|--|--|--|--|--|--|--|--|--|--|--|--|--|--|--|--|--|--|--|--|---| |高处坠落|10|||||||||||||||||||||||||| |-------|---|---|--|--|--|--|--|--|--|--|--|--|--|--|--|--|--|--|--|--|--|--|--|--|--|---| |坍塌|11|||||||||||||||||||||||||| |-------|---|---|--|--|--|--|--|--|--|--|--|--|--|--|--|--|--|--|--|--|--|--|--|--|--|---| |冒顶片帮|12|||||||||||||||||||||||||| |-------|---|---|--|--|--|--|--|--|--|--|--|--|--|--|--|--|--|--|--|--|--|--|--|--|--|---| |透水|13|||||||||||||||||||||||||| |-------|---|---|--|--|--|--|--|--|--|--|--|--|--|--|--|--|--|--|--|--|--|--|--|--|--|---| |放炮|14|||||||||||||||||||||||||| |-------|---|---|--|--|--|--|--|--|--|--|--|--|--|--|--|--|--|--|--|--|--|--|--|--|--|---| |火药爆炸|15|||||||||||||||||||||||||| |-------|---|---|--|--|--|--|--|--|--|--|--|--|--|--|--|--|--|--|--|--|--|--|--|--|--|---| |瓦斯煤尘爆炸|16|||||||||||||||||||||||||| |-------|---|---|--|--|--|--|--|--|--|--|--|--|--|--|--|--|--|--|--|--|--|--|--|--|--|---|谢谢你的阅读|其他爆炸|17|||||||||||||||||||||||||| |-------|---|---|--|--|--|--|--|--|--|--|--|--|--|--|--|--|--|--|--|--|--|--|--|--|--|---| |煤与瓦斯突出|18|||||||||||||||||||||||||| |-------|---|---|--|--|--|--|--|--|--|--|--|--|--|--|--|--|--|--|--|--|--|--|--|--|--|---|| |中毒和窒息|19|||||||||||||||||||||||||| |-------|---|---|--|--|--|--|--|--|--|--|--|--|--|--|--|--|--|--|--|--|--|--|--|--|--|---| |其他伤害|20|||||||||||||||||||||||||| |----------------------------------------------------------------------------------------| 单位负责人签章:(处)科负责人签章:制表人签章:报出日期:年月日表3企业职工伤亡事故登记表1.事故发生地点:____厂(矿)____车间(区、队)____工段____班组____岗位(工作点面)2.事故发生时间:年月日班时分3.作业种类:4.起因物:5.事故类别:6.事故原因:其中直接原因:7.事故严重级别:8.伤亡人员情况:|-----------------------------------------------------------||姓名|性别|年龄|文化程度|用工形式|工种|级别|本工种工龄|安全教育情况|伤害部位|伤害程度|损失工作日|备注||---|--|--|----|----|--|--|-----|------|----|----|-----|----||||||||||||||||-----------------------------------------------------------|9.本次事故损失工作日总数:10.本次事故经济损失(元):其中直接经济损失(元):11.事故简要经过:12.预防事故重复发生的措施:|------------------------------|谢谢你的阅读|措施名称|执行措施负责人|完成期限|验收人||------|---------|------|------|||||||------------------------------|13.对事故责任者的处理意见:单位负责人签章:制表人签章:填报日期:年月日说明:本表式提供企业建立伤亡事故管理台帐使用。
劳动部办公厅关于实施《企业职工伤亡事故统计报表制度》有关事项的通知正文:---------------------------------------------------------------------------------------------------------------------------------------------------- 劳动部办公厅关于实施《企业职工伤亡事故统计报表制度》有关事项的通知(劳办计字<1992>21号)各省、自治区、直辖市劳动(劳动人事)厅(局),国务院各有关部(局)公司、计划单列的企业集团,解放军总后勤部:根据国务院第75号令发布的《企业职工伤亡事故的报告和处理规定》第二十一条第一款规定,劳动部会同国家统计局制定了《企业职工伤亡事故统计报表制度》(以下简称《报表制度》)。
现将实施《报表制度》的有关事项通知如下。
一、《报表制度》是按照“既能取得全面、可靠的统计资料,又不加重企业负担”的原则制定的。
各地区、各部门也要遵循这一原则,认真实施。
二、由于伤亡事故统计实行以地区考核为主的体制,同时又要对部门进行分级考核。
因此,各级劳动部门要认真组织好基层填报单位和综合填报单位做到本辖区内全部企业不重不漏,行业不错位,按规定时间报送报表,并保证数据质量,使统计数字准确、及时、规范。
各级企业主管部门要配合劳动部门做好上述工作,搞好地区考核和部门考核。
三、劳动部职业安全卫生监察局、矿山安全卫生监察局按《报表制度》的表式及其说明,分别组织实施非矿山(B1表及A表)、矿山(B2表及A表)两个系列的统计工作。
月(年)报告(即C表)的实施,劳动部不再组织,由各级劳动部门按《报表制度》的要求具体实施。
四、省级劳动部门将汇总后的非矿山表(B1)报送部职业安全卫生监察局,矿山表(B2)报送部矿山安全卫生监察局。
两局分别负责汇总B1表、B2表后送部综合计划司。
由综合计划司汇总出C表,报国务院和送有关部门。
劳动部、国家统计局关于印发《企业职工伤亡事故统计报表制度》的通知文章属性•【制定机关】劳动部(已撤销),国家统计局•【公布日期】1992.10.15•【文号】劳计字[1992]74号•【施行日期】1992.10.15•【效力等级】部门规范性文件•【时效性】现行有效•【主题分类】统计,劳动安全保护正文劳动部、国家统计局关于印发《企业职工伤亡事故统计报表制度》的通知(劳计字<1992>74号)各省、自治区、直辖市劳动(劳动人事)厅(局),国务院各有关部(局)、公司、计划单列的企业集团,解放军总后勤部:根据国务院第75号令发布的《企业职工伤亡事故报告和处理规定》第二十一条第一款的规定,劳动部和国家统计局制定了《企业职工伤亡事故统计报表制度》。
现印发给你们,请按照执行。
附:关于《企业职工伤亡事故统计报表制度》的说明劳动部国家统计局一九九二年十月十五日关于《企业职工伤亡事故统计报表制度》的说明为进一步搞好企业职工伤亡事故定期统计工作,劳动部会同国家统计局在原有职工伤亡事故统计办法的基础上进行修改调整,制定了新的《企业职工伤亡事故统计办法》(以下简称《统计办法》)。
现将有关问题说明如下。
1、统一填报范围原来的几种报表在填报范围上是不统一的,如是否包括县以下集体企业、乡村集体企业、私营企业、三资企业等。
调整后的填报范围包括全民所有制、城镇集体所有制、乡村集体所有制、其他各种所有制、私营等各种所有制企业。
2、基层表的调整在原《职工伤亡事故月报表》和《矿山企业因工伤亡事故统计表》的基础上进行适当调整,制定出企业填报的《企业职工伤亡事故月(年)报表》基层表(A表)。
调整后的基层表共计520项数据栏(基本情况6项,表体514项),比原来的职工伤亡事故月报表的777项减少了33%,但必要信息并未减少。
各类独立核算的企业单位统一填报A表,矿山企业不再另外填报单独的报表。
因此,该项调整不仅有助于统计数据的可靠性,也有助于减轻基层负担。
附录A伤亡事故统计报表格式表1企业职工伤亡事故月(年)报表单位名称:_______代码:_______隶属关系:_______代码:_______经济类型:_______代码:_______企业规模:_______代码:_______国民经济行业:_____代码:_______有无开采许可证(矿山填)__________代码:_______制表机关:劳动部国家统计局文号:劳计字(1992)56号|-------------------------------------------------------------------------| | 伤亡事故件数(件)|伤亡人数(人)|| | |---------------------------------|--------------------------|直接经济|受伤害人 | | |||||总|死|重|轻|其中:非本企业人员||损失工作日 | |总计|重大死亡事故|死亡事故|重伤事故|轻伤事故|||||----------|损失|总数(工日)| | |||||计|亡|伤|伤|死亡|重伤|轻伤|(元)| | |---|--------|------|------|------|---|---|---|---|---|---|--|----|-------| | 1|2|3|4|5|6|7|8|9|10|11|12|13|14 | |---|--------|------|------|------|---|---|---|---|---|---|--|----|-------| | ||||||||||||| | |-------------------------------------------------------------------------| 单位负责人签章:处(科)负责人签章:制表人签章:报出日期:年月日表2企业职工伤亡事故月(年)报表制表机关:劳动部国家统计局单位:年月文号:劳计字(1992)56号|----------------------------------------------------------------------------------------| |||合计|技术和|设备、设|安全设|生产场|个人防|没有安|违反操|劳动组|对现场|教育培|| ||||设计上|施、工具、|施缺少|地环境|护用品|全操作|作规程|织不|工作缺|训不够、|| ||事故||有缺陷|附件有|或有|不良|缺少或|规程或|或劳动|合理|乏检查|缺乏安|其它| ||件数|||缺陷|缺陷||有缺陷|不健全|纪律||或指挥|全操作|| ||(件)|伤亡|||||||||错误|知识|| |||-----|-----|-----|-----|-----|-----|-----|-----|-----|-----|-----|------| |||死亡|重伤|死亡|重伤|死亡|重伤|死亡|重伤|死亡|重伤|死亡|重伤|死亡|重伤|死亡|重伤|死亡|重伤|死亡|重伤|死亡|重伤|死亡|重伤| |-----------|---|--|--|--|--|--|--|--|--|--|--|--|--|--|--|--|--|--|--|--|--|--|--|--|---| |事故类别|序号|1|2|3|4|5|6|7|8|9|10|11|12|13|14|15|16|17|18|19|20|21|22|23|24|25| |-------|---|---|--|--|--|--|--|--|--|--|--|--|--|--|--|--|--|--|--|--|--|--|--|--|--|---| |总计|1|||||||||||||||||||||||||| |-------|---|---|--|--|--|--|--|--|--|--|--|--|--|--|--|--|--|--|--|--|--|--|--|--|--|---| |物体打击|2|||||||||||||||||||||||||| |-------|---|---|--|--|--|--|--|--|--|--|--|--|--|--|--|--|--|--|--|--|--|--|--|--|--|---| |提升、车辆伤害|3|||||||||||||||||||||||||| |-------|---|---|--|--|--|--|--|--|--|--|--|--|--|--|--|--|--|--|--|--|--|--|--|--|--|---| |机械伤害|4|||||||||||||||||||||||||| |-------|---|---|--|--|--|--|--|--|--|--|--|--|--|--|--|--|--|--|--|--|--|--|--|--|--|---| |起重伤害|5|||||||||||||||||||||||||| |-------|---|---|--|--|--|--|--|--|--|--|--|--|--|--|--|--|--|--|--|--|--|--|--|--|--|---| |触电|6|||||||||||||||||||||||||| |-------|---|---|--|--|--|--|--|--|--|--|--|--|--|--|--|--|--|--|--|--|--|--|--|--|--|---| |淹溺|7|||||||||||||||||||||||||| |-------|---|---|--|--|--|--|--|--|--|--|--|--|--|--|--|--|--|--|--|--|--|--|--|--|--|---| |灼烫|8|||||||||||||||||||||||||| |-------|---|---|--|--|--|--|--|--|--|--|--|--|--|--|--|--|--|--|--|--|--|--|--|--|--|---| |火灾|9|||||||||||||||||||||||||| |----------------------------------------------------------------------------------------|续表|----------------------------------------------------------------------------------------| ||||技术和|设备、设|安全设|生产场|个人防|没有安|违反操|劳动组|对现场|教育培|| |||合计|设计上|施、工具、|施缺少|地环境|护用品|全操作|作规程|织不|工作缺|训不够、|| ||事故||有缺陷|附件有|或有|不良|缺少或|规程或|或劳动|合理|乏检查|缺乏安|其它| ||件数|伤亡||缺陷|缺陷||有缺陷|不健全|纪律||或指挥|全操作|| ||(件)||||||||||错误|知识|| |||-----|-----|-----|-----|-----|-----|-----|-----|-----|-----|-----|------| |||死亡|重伤|死亡|重伤|死亡|重伤|死亡|重伤|死亡|重伤|死亡|重伤|死亡|重伤|死亡|重伤|死亡|重伤|死亡|重伤|死亡|重伤|死亡|重伤| |-----------|---|--|--|--|--|--|--|--|--|--|--|--|--|--|--|--|--|--|--|--|--|--|--|--|---| |高处坠落|10|||||||||||||||||||||||||| |-------|---|---|--|--|--|--|--|--|--|--|--|--|--|--|--|--|--|--|--|--|--|--|--|--|--|---| |坍塌|11|||||||||||||||||||||||||| |-------|---|---|--|--|--|--|--|--|--|--|--|--|--|--|--|--|--|--|--|--|--|--|--|--|--|---| |冒顶片帮|12|||||||||||||||||||||||||| |-------|---|---|--|--|--|--|--|--|--|--|--|--|--|--|--|--|--|--|--|--|--|--|--|--|--|---| |透水|13|||||||||||||||||||||||||| |-------|---|---|--|--|--|--|--|--|--|--|--|--|--|--|--|--|--|--|--|--|--|--|--|--|--|---| |放炮|14|||||||||||||||||||||||||| |-------|---|---|--|--|--|--|--|--|--|--|--|--|--|--|--|--|--|--|--|--|--|--|--|--|--|---| |火药爆炸|15|||||||||||||||||||||||||| |-------|---|---|--|--|--|--|--|--|--|--|--|--|--|--|--|--|--|--|--|--|--|--|--|--|--|---| |瓦斯煤尘爆炸|16|||||||||||||||||||||||||| |-------|---|---|--|--|--|--|--|--|--|--|--|--|--|--|--|--|--|--|--|--|--|--|--|--|--|---| |其他爆炸|17|||||||||||||||||||||||||| |-------|---|---|--|--|--|--|--|--|--|--|--|--|--|--|--|--|--|--|--|--|--|--|--|--|--|---| |煤与瓦斯突出|18|||||||||||||||||||||||||| |-------|---|---|--|--|--|--|--|--|--|--|--|--|--|--|--|--|--|--|--|--|--|--|--|--|--|---|| |中毒和窒息|19|||||||||||||||||||||||||| |-------|---|---|--|--|--|--|--|--|--|--|--|--|--|--|--|--|--|--|--|--|--|--|--|--|--|---| |其他伤害|20|||||||||||||||||||||||||| |----------------------------------------------------------------------------------------| 单位负责人签章:(处)科负责人签章:制表人签章:报出日期:年月日表3企业职工伤亡事故登记表1.事故发生地点:____厂(矿)____车间(区、队)____工段____班组____岗位(工作点面)2.事故发生时间:年月日班时分3.作业种类:4.起因物:5.事故类别:6.事故原因:其中直接原因:7.事故严重级别:8.伤亡人员情况:|-----------------------------------------------------------||姓名|性别|年龄|文化程度|用工形式|工种|级别|本工种工龄|安全教育情况|伤害部位|伤害程度|损失工作日|备注||---|--|--|----|----|--|--|-----|------|----|----|-----|----||||||||||||||||-----------------------------------------------------------|9.本次事故损失工作日总数:10.本次事故经济损失(元):其中直接经济损失(元):11.事故简要经过:12.预防事故重复发生的措施:|------------------------------||措施名称|执行措施负责人|完成期限|验收人||------|---------|------|------|||||||------------------------------|13.对事故责任者的处理意见:单位负责人签章:制表人签章:填报日期:年月日说明:本表式提供企业建立伤亡事故管理台帐使用。