锁扣钢管桩基坑支护稳定性验算_程兵
- 格式:pdf
- 大小:110.72 KB
- 文档页数:2
基坑稳定性分析之抗隆起验算在基坑开挖时,由丁坑内土体挖出后,使地基的应力场和变形场发生变化,可能导致地基的失稳,例如地基的滑坡、坑底隆起及涌砂等。
所以在进行支护设计(包括排桩支护与地下连续墙支护等)时,需要验算基坑稳定性,必要时应采取一定的防范措施使地基的稳定性具有一定的安全度。
在基础施工过程中基坑有时会失去稳定而发生破坏,这种破坏可能是缓慢的发生,也可能是突然的发生。
这种现象有的有明显的触发因素,诸如振动、暴雨、外荷或其它的人为因素;有的却没有这些触发因素,则主要是由丁设计时安全度不够或施工不当造成的。
基坑的稳定性验算主要包括边坡的稳定性验算、基坑的抗渗流验算、基坑抗承压水验算和基坑抗隆起验算。
由丁地基的隆起常常是发生在深厚软土层中,当开挖深度较大时,则作用在坑外侧的坑底水平面上的荷载相应增大,此时需要验算坑底软土的承载力,如果承载力不足将导致坑底土的隆起。
对丁坑底土抗隆起稳定验算的方法很多,下面介绍四种方法。
1. 太沙基一派克方法太沙基研究了坑底的稳定条件,设粘土的内磨擦角。
=0,滑动面为圆筒面与平面组成,如图1所示。
太沙基认为,对丁基坑底部的水平■断面来说,基坑两侧的土就如作用在该断面上的均布荷载,这个荷载有趋向坑底发生隆起的现象。
当考虑dd1面上的凝聚力c后,cldl面上的全荷载P为:P =-B rH -cH (1-1)2式中r一土的湿容重;B 一基坑宽度;c 一土的内聚力;H 一基坑开挖深度。
其荷载强度P r为:、- 2 〃P r =rH - ——cH (1-2) B太沙基认为,若荷载强度超过地基的极限承载力就会产生基坑隆起。
以粘聚 力c 表达的粘土地基极限承载力q d 为:q d =5.7c (1-3)则隆起的安全系数K 为:太沙基建议K 不小丁 1.5。
图1抗隆起计算的太沙基和派克法太沙基和派克的方法适用丁一般的基坑开挖过程,这种方法没有考虑刚度很 大且有一定的插入深度的地下墙对丁抗隆起的有利作用。
第4章基坑的稳定性验算4.1概述在基坑开挖时,由于坑内土体挖出后,使地基的应力场和变形场发生变化,可能导致地基的失稳,例如地基的滑坡、坑底隆起及涌砂等。
所以在进行支护设计时,需要验算基坑稳定性,必要时应采取适当的加强防范措施,使地基的稳定性具有一定的安全度。
4.2 验算内容对有支护的基坑全面地进行基坑稳定性分析和验算,是基坑工程设计的重要环节之一。
目前,对基坑稳定性验算主要有如下内容:①基坑整体稳定性验算②基坑的抗隆起稳定验算③基坑底抗渗流稳定性验算4.3 验算方法及计算过程4.3.1基坑的整体抗滑稳定性验算根据《简明深基坑工程设计施工手册》采用圆弧滑动面验算板式支护结构和地基的整体稳定抗滑动稳定性时,应注意支护结构一般有内支撑或外拉锚杆结构、墙面垂直的特点。
不同于边坡稳定验算的圆弧滑动,滑动面的圆心一般在挡墙上方,基坑内侧附近。
通过试算确定最危险的滑动面和最小安全系数。
考虑内支撑或者锚拉力的作用时,通常不会发生整体稳定破坏,因此,对支护结构,当设置外拉锚杆时可不做基坑的整体抗滑移稳定性验算。
4.3.3基坑抗隆起稳定性验算图4.1 基坑抗隆起稳定性验算计算简图采用同时考虑c 、φ的计算方法验算抗隆起稳定性。
()qD H cN DN K c q s +++=12γγ 式中 D —— 墙体插入深度;H —— 基坑开挖深度;q —— 地面超载;1γ—— 坑外地表至墙底,各土层天然重度的加强平均值; 2γ—— 坑内开挖面以下至墙底,各土层天然重度的加强平均值; q N 、c N —— 地基极限承载力的计算系数;c 、ϕ—— 为墙体底端的土体参数值;用普郎特尔公式,q N 、c N 分别为:ϕπϕtan 2245tan e N q ⎪⎭⎫ ⎝⎛+=︒ ()ϕtan 11−=q c N N 其中 D=2.22m q=10kpa H=7m ϕ= 240 4.1879.29.1821.181.2181=⨯+⨯+⨯=γ 5.1817.03.183.09.182=⨯+⨯=γ 6.9)22445(tan 24tan 14.302=+=⨯e Nq 32.1924tan 1)16.9(tan 1)1(0=−=−=ϕNq Nc 则 Ks=(18.5×2.22×9.6+10×19.32)/18.4(7+2.22)+10=3.27>1.2 符合要求4.3.4抗渗流(或管涌)稳定性验算(1)概述根据《建筑基坑工程设计计算与施工》 在地下水丰富、渗流系数较大(渗透系数s cm /106−≥)的地区进行支护开挖时,通常需要在基坑内降水。
滑动稳定安全系数K 是指滑动面上诸力对滑动圆弧的圆心所产生的抗滑力矩和滑动力矩之比值,要求K 不小于1.2,即六、地基基础的稳定性验算
2.1≥=滑动力矩
抗滑力矩K 通常最危险滑动面假定为圆弧面,若考虑深层滑动时,滑动面可为软弱土层界面,即为平面,此时K 应大于1.3。
地基基础稳定性失效模式——发生整体滑动破坏。
验算对象——经常受水平荷载作用的高层建筑物和高耸结构物
以及建在斜坡上的建筑物。
稳定计算方法——
采用圆弧滑动法。
()cos sin R
i i i i i Q s Q i i
M W tg c l K M M M W αϕα∑+==++∑∑∑∑∑
* 建造在斜坡上建筑物的地基稳定问题
对于建筑物基础较小的情况,通过对地基中附加应力的分析,给出了保证其稳定的限定范围。
基础水平位置控制要求(土坡自身稳定状态)位于稳定土坡坡顶上的建筑物,当垂直于坡顶边缘线的基础底面边长小于或等于3m 时,其基础底面外边缘线到坡顶的水平距离a 可按下式计算,但不得小于2.5m 。
βtg 5.3d b a -≥β
tg 5.2d b a -≥条形基础
矩形基础当坡角大于45°,坡高大于8m
时,应进行土坡稳定验算。
有缘学习+V星ygd3076或关注桃报:奉献教育(店铺)
较宽大的基础建造在斜坡上的地基稳定问题,理论计算比较复杂,难以求解,尚在研究中。
若基础宽度b大于3m,a值不满足上面二式要求时,可根据基底平均压力,按圆弧法进行土坡稳定计算,用以确定基础的埋深和基础距坡顶边缘的距离。
, .
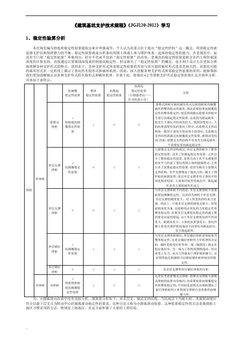
;. . 《建筑基坑支护技术规程》(JGJ120-2012)学习
1、稳定性验算分析
本次规范编写特地将稳定性验算提取出来并单独成节,个人认为其重点在于提出“稳定性控制”这一概念。
所谓稳定性就是指支护结构保持静力的平衡。
稳定性验算就是分析基坑周围土体或土体与围护体系一起保持稳定性的能力。
在老规范中,虽没有专门将“稳定性验算”单独列出,但并不代表不包括“稳定性验算”的内容,老规范的稳定性验算是暗含在挡土构件嵌固深度的计算里的,直接通过计算嵌固深度来控制基坑稳定性。
但这缺失了“稳定性验算”的概念,也不利于设计人员更加合理地理解各种支护形式的特点。
原因在于,各种支护形式所需稳定性验算的内容与其可能的破坏形式是息息相关的,而基坑可能的破坏形式在一定程度上揭示了基坑的失稳形式和破坏机理。
因此,深入挖掘各种支护形式所需稳定性验算的异同,能够帮助我们更加清醒地认识各种支护形式的失稳形式和破坏机理。
有基于此,将规范4.2节排桩支护形式稳定性验算汇总并简单分析,具体如下表所示:
符合以最下层支点为转动中心的圆弧滑动稳定性的要求,这种方法又称为小圆弧滑动验算。
这种验算稳定性的方法是我国软土地区习惯采用的方法,特别是上海地区,在这方面积累了大量的工程经验。
建筑基坑稳定性验算1 一般规定1.1 本章适用于桩、墙式围护结构的基坑,稳定性验算应包括如下内容:1 支护桩稳定入土深度;2 基坑底隆起稳定性;3 坑底渗流稳定性;4 基坑边坡整体稳定性。
1.2 土的抗剪强度指标应根据土质条件和工程实际情况确定,并与稳定性分析时所选用的抗力分项系数取值配套。
本章所规定的各项稳定性验算,土的强度指标均应按固结快剪强度指标选用,并应考虑如下因素对土强度指标影响:1 软土地区基坑稳定性分析时应考虑因基坑暴露时间对土体强度的影响。
2 开挖面积很大、或基坑长度很大的基坑,应考虑土的强度指标沿基坑周边分布的差异。
3灵敏度较高的土,基坑临近有交通频繁的道路或其他振动源时,对6m深度范围内的饱和粘性土,计算采用土的强度指标宜适当进行折减,强度折减系数可取0.6~1.0,当振动荷载大、土灵敏度高、振动荷载频率1Hz~2Hz时,折减系数取低值。
4 应考虑打桩、地基处理的挤土效应等施工扰动原因对土强度指标造成降低的不利影响。
5对欠固结土,宜通过现场实测土体的不排水强度进行稳定分析。
6 验算基坑稳定时,对于开挖区,有条件时宜采用卸荷条件下进行试验的抗剪强度指标。
1.3 对基坑面积较大、基坑影响范围内土层分布不均匀的基坑,应根据基坑各边的土层分布条件进行稳定计算,1.4 对于基坑的整体稳定计算,按平面问题考虑,并采用圆弧滑动面计算。
有软土夹层、倾斜基岩面等情况时,宜用非圆弧滑动面计算。
按总应力法计算。
1.5 对不同情况(如不同设计状况,不同验算方法及不同土性指标)2 支护结构稳定入土深度的验算支护结构的稳定入土深度采用极限平衡法计算确定。
作用在支护结构上的土压力分布为:基坑外侧一般可采用主动土压力,基坑开挖侧以下取被动土压力。
当入土深度较大时,在反弯点至支护结构底端段可考虑反弯点下土的约束作用。
3 基坑底抗隆起稳定性验算3.1 基坑坑底抗隆起稳定性验算应按如下方法计算:1 当基坑底为均质软土时且提供其十字板强度时,应按以下两种条件验算坑底土涌起稳定性。
支护桩稳定性检测报告尊敬的委托方,感谢您选择我们的服务,并委托我们进行支护桩稳定性检测。
我们在您指定的地点进行了全面细致的勘察与实地调查,并根据所收集的数据和相应的分析,在以下内容中向您汇报我们的检测结果和建议。
1. 检测目的与背景我们进行支护桩稳定性检测的目的是为了评估当前支护桩的承载能力和稳定性,以确定其是否满足设计要求和工程安全标准。
该项目是针对(具体工程项目名称或编号)的支护桩进行的检测,主要考虑以下背景因素:(例如地质条件、周边环境等)。
2. 检测范围与方法我们对(支护桩名称或编号)进行了全面的检测和分析。
在此过程中,我们使用了以下检测方法和工具:(列举具体的检测方法和测量仪器)。
我们对支护桩所在的地基进行了现场勘测,并采集了必要的土壤和岩石样品进行室内试验和分析。
3. 数据分析与结果我们根据收集到的数据进行了详细的分析,并综合考虑了相应的工程参数和标准要求。
以下是我们的主要结果:(a)支护桩的承载能力:根据我们的测试结果和计算分析,支护桩的承载能力满足设计要求,并能够承受相应荷载。
(b)支护桩的稳定性:支护桩在现有地基条件下具有良好的稳定性,能够有效地抵御侧向力和沉降。
(c)工程安全评价:基于我们的检测结果和分析,我们认为该支护桩在目前的工程环境下没有出现重大安全隐患,可以继续使用和保持。
4. 建议与措施基于我们的检测结果和分析,我们向您提供以下建议与措施:(a)保持和定期维护支护桩:为了确保长期的稳定性,建议对支护桩进行定期巡检和维护,特别注意环境变化和承载情况的监测。
(b)加强监测和控制:根据实际需要,可以考虑使用相关的监测仪器和方法,对支护桩的工作状态进行实时监测和控制。
请注意,以上建议与措施仅供参考,您可根据具体情况和工程要求采取适当的措施。
感谢您对我们工作的信任。
如有任何问题或需要进一步的解释,请随时与我们联系。
谢谢!此致,(您的名字)(您的职位和联系方式)。
深基坑支护稳定性影响因素分析管理李彬摘要:随着社会的发展城市化进程不断加快,高层建筑和地下工程大量涌现。
深基坑施工技术是建筑工程良好基础的保障,保证了高层建筑的稳定性和安全性。
深基坑支护技术在我国获得了较快的发展,但是其稳定性却受到广泛的关注。
本文对深基坑支护技术的支护形式进行了了解,并结合其稳定性方面的问题提出改进的策略。
关键词:深基坑;稳定性;因素管理引言:基坑失稳是基坑支护失败的最常见的原因,尤其在软土地区。
导致基坑失稳的原因主要有两类:一类是因结构(包括墙体和支撑)强度、刚度或稳定性不足;另一类是因地基土抗剪强度不足或土体变形过大。
前一类失稳属于支护结构内力范围。
本文侧重讨论后一类原因即土体变形引起的失稳。
1稳定性分析1.1基坑的整体稳定性分析在对基坑进行整体稳定性验算时,如果验算对象是有支护的基坑或是已经进行放坡开挖的基坑,应使用诸如条分法的圆弧滑动法。
在对有支护的基坑使用这一方法进行验算时,对于地基的整体抗滑稳定性以及支护结构,应该将墙面与外侧的锚拉以及内支撑结构相互垂直的特点考虑在内,在这一情况中滑动面的圆心通常位于挡土墙上方,与挡土墙内侧靠近,这一点与验算边坡稳定性的圆弧滑动相区别;而当验算的基坑已经进行放坡开挖工作时,像水位差之类由于土方开挖而造成的基坑内外压力差是引起边坡失稳的主要因素。
一般情况下,在进行验算时首先需要确定最小安全系数和最危险的滑动面。
如果要将内支撑作用考虑在内,一般不会有整体稳定破坏的情况发生。
所以在验算设有多道内支撑的支护结构时,可以不对整体滑动进行验算,若对只设有一道内支撑的支护结构进行验算,则需要对其进行验算。
1.2基坑的抗渗稳定性验算在受到较大的动水压力的作用后,很容易有管涌的情况出现在有较大深度的基坑当中。
存在于土中的细小颗粒在渗流水的作用下会随着水流被冲走,使地下土层的空隙逐渐增大,形成像管道一样的渗流通道,这种现象就是管涌。
在开挖基坑期间,基坑内外可能会因为降水的原因有较大的水力梯度出现,由此出现较大渗流力,如果不进行有效处理,则管涌和流砂等问题在坑底或是坑壁出现的可能性会大大增加,致使周围建筑物毁坏或是基坑破坏。
钢管桩支架的稳定性计算占小刚1(1.中国水电建设集团十五工程局有限公司陕西西安714000,)摘要:在简支梁整体现浇施工中,支架的安全稳定对桥梁施工安全稳定起到重要的作用。
尤其是跨越能力大、高度较高的支架为了满足施工要求,钢管桩支撑结构要求更高。
本文结合宁西二线尤河大桥施工项目,通过数据分析和详细的演算分析钢管桩支架的稳定性,同时也为类型工程施工控制提供有效的借鉴经验。
关键词:钢管桩;支架;稳定性。
1.工程概况本箱梁结构为24.6m预应力混凝土简支箱梁,标准箱梁总长24.6m,箱梁采用单箱单室截面。
梁高2.85m,箱梁顶宽12.2m,底宽5.74m,两侧悬臂长2.9m。
箱梁顶板厚0.3~0.6m,悬臂根部厚度为0.65m,底板厚0.30~0.7m,腹板厚0.48~1.08m。
2.支架方案本简支梁是边跨、中跨均采用钢管桩贝雷架的施工方法。
横向工字钢上顺桥桥设置贝雷梁,纵向贝雷梁间通过连接杆件进行横向连接1,贝雷梁与螺旋焊管上30工字钢支架之间采图2 支架架设断图3.计算荷载3.1 分项荷载根据《建筑施工碗扣式脚手架安全技术规范》相关规定取值3。
3.11 混凝土自重取26.5kN/m3。
3.12支架及附属设备等自重模板及支架自重标准值统一按0.5kN/m2取值;3.13 施工活荷载(1)施工人员机具荷载,按2.0kN/m2计;(2)砼振捣荷载,按2.0kN/m2计;(3)倾倒混凝土荷载,按2.0k N/m2计。
3.2 荷载组合永久荷载的分项系数按照1.2,可变荷载的分项系数按照1.4,验算取跨中截面。
4.钢管立柱及基础检算4.1钢管立柱检算立柱用直径为φ530mm,厚度为10mm钢管桩,根据下横梁计算可知,钢管承受轴力最大值为R=1465KN,立柱的最大高度取12m,两端铰接约束条件进行计算。
4.11强度验算单根钢管支墩Φ530mm×10mm,其能够承受的允许压力[N]=πDδ[σ]=3.14×0.53×0.01×140000=2343KN>R=1465KN,故满足强度要求。
扣件式钢管支架的整体稳定性验算肖 炽 周观根(东南大学土木工程学院) (浙江东南网架股份有限公司) 江苏南京四牌楼2号,210096 浙江杭州萧山区衙前镇,311209提 要 本文就利用扣件式钢管脚手架改作成结构安装用承重支架后的整体稳定性问题进行研究。
文中对下列问题提供了实用的计算方法:1、具有对角斜杆格构支架的整体稳定性;2、格构支架和铰接立杆组合时的整体稳定性;3、格构支架在剪切力作用下的单位水平位移等。
关键词 扣件式钢管脚手架、格构支架、铰接立杆、水平位移、伸缩变形系数。
一、具有对角斜杆格构支架的整体稳定1. 两端铰支实心柱的临界荷载如图1所示两端铰支实心柱在压力P 作用下达到临界值后发生屈曲。
设某一截面的挠度为y ,这一变形由弯曲和剪力共同作用引起的,即 21y y y +=(1y 表示由弯曲引起的挠度,2y 由剪力引起的挠度)。
将上式微分两次,得: 12y y y '''''=+ (a) 由材料力学知: 1M pyy EI EI''=-=-(b) 另外,由剪力产生的轴线转角等于剪切角γ,即GAkQ=γ(见图1b )。
按图中的坐标系,当剪力Q 为正时,dxdy 2为负,故:22dy kQ y dx GA '==-∵dxdMQ =, ∴22dy k dM y dx GA dx '==-。
再微分一次,并知 22dxM d =()dpy py dx ''-=,得: 22222d y k d M ky py GA dx GA dx''''==-=-⋅ (c) (b)、(c)式代入(a): py kP y y EI GA ''''=--或(1)0kp P y y GA EI''-+= 整理:()10y P EI kp GA y ''+-=⎡⎤⎣⎦, 并令m =故此微分方程变成: 20y m y ''+= (d) 解此微分方程得:dy 1dy 2图 1222211H EI GA k HEIP E ππ+=(1)式中:E P ——监界荷载;H ——柱高;G ——剪切弹性模量;A ——柱折算截面积;k ——与截面形状有关的系数(为简化,取1);E ——柱钢材弹性模量;I ——柱惯性矩; 2. 一端固定一端自由实心柱的临界荷载:一端固定一端自由实心柱的计算长度应为两端铰支的两倍,其临界荷载E P 可用比拟法求得。
钢管桩围护锁扣防水密封试验研究摘要:针对杭州地铁4号线特殊地段的锁扣钢管桩围护工程的需要,采用SUPC_XT_6型水压试验机,研究了C-C型锁扣形成的三个密封空间内填筑不同的密封材料、使用不同的止水工艺对锁扣密封效果造成的影响并得出最优工况。
随后对最优工况进行后期试验,最终得出最优的锁扣止水方案。
研究结果表明:以先注入油脂后注入双液型速凝砂浆的密封材料的注入顺序,且不使用棉布袋直接注入浆液型密封材料为效果最佳的工序和方法,并且当油脂优先注入右孔时,防水性能进一步加强;在最优工序和方法下,左孔注入双液浆的防水性能要优于注入普通水泥砂浆。
关键词:C-C型锁扣钢管桩;油脂密封;液浆密封;钢管桩围护Waterproof and Sealing Experiment of Lock Catch in the Steel Pipe Pile Enclosure1,1,2(1 ;2 Shanghai Tunnel Engineering Co., Ltd.,Shanghai 200137)Abstract: In order to meet the need of lock steel pipe pile in special section of Hangzhou Metro Line 4, the effect of filling different sealing materials and using different sealing technology was experimented in three sealing spaces formed by C-C type lock by using SUPC_XT_6 hydraulic testing machine and the optimum working condition was obtained. The optimal experiment is carried out in the later stage and the optimal lock water stop scheme is obtained. The results show that the best procedure and method is to inject the sealing material of double-liquid quick-setting mortar after injecting oil and injecting the sealing material of slurry directly without cotton bag.The waterproof property is further strengthened when oil is injected into the right hole first.The waterproofing performance of double slurry injected into the left hole is better than that of ordinary cement mortar under the optimum procedure and method .Key words: C-C type locking steel pipe pile; grease seal; slurry seal; steel pipe pile enclosure1 引言随着我国经济的飞速发展,大型跨江跨河桥梁工程不断出现,一些可靠的新技术、新工艺、新材料和新设备也得到了积极的推广和应用。
第26卷 第1期2002年2月武汉理工大学学报(交通科学与工程版)Jou rnal of W uhan U n iversity of T echno logy(T ran spo rtati on Science&Engineering)V o l.26 N o.1Feb.2002钢管混凝土拱桥施工支架稳定性验算α周 莉 张谢东(武汉理工大学交通学院 武汉 430063)摘要:在钢管混凝土系杆拱桥系梁支架搭设施工中,支架基础的承载能力和支架自身的稳定性是工程的关键.文中通过一工程实例,详细介绍了在一座下承式钢管混凝土拱桥施工中系梁支架基础加固处理的两种方法以及支架搭设的稳定性验算方法.关键词:桥梁施工;钢管混凝土拱桥;支架中图法分类号:U445 在桥梁施工过程中,通常采用有支架施工,支架基础的承载能力验算及支架搭设的稳定性验算是一个非常关键的步骤.它的好坏将直接影响施工的质量和安全.文中介绍的是在钢管拱桥系梁支架搭设过程采用满堂支架法时支撑基础的加固方法,即水泥搅拌桩复合地基和换土并铺设混凝土加筋板法,以及支架的搭设及稳定性研究.1 工程背景该桥属下承式钢管混凝土系杆拱桥,跨越宽25m,深约为3.5m的河道(待挖河道).桥长91.62m,宽50m.主桥上部结构采用计算跨径为84m的下承式钢管混凝土系杆拱桥,拱肋采用二次抛物线型,其中高拱矢跨比f L=1 2.44(实际不受力),矮拱矢跨比f L=1 7.拱肋断面为矩形钢板,中间浇筑混凝土.拱肋与系梁、端中横梁及吊杆连结成一个内部超静定、外部为静定的结构.全桥共设3道拱桥系梁,为单箱单室截面,现浇预应力结构,预应力钢束采用19<j15.24(A ST2 M A416287a270k)高强度低松驰钢绞线,张拉锚具规格为Y M15219.拱肋和系梁之间通过吊杆连接,吊杆采用强度为1670M Pa的高强度低松驰镀锌钢丝(912<7),设2道端横梁20道中横梁和20道中挑梁,横梁上设置预制车行道板及预制人行道板.2 支架基础加固处理本工程地基基础为淤泥质土层(处于老河道上),承载能力很低,故必须进行加固处理.结合本工程的地形、地质、结构自身特点,以及系梁自重远大于横梁自重这一特点,地基加固拟用:系梁支撑基础为水泥搅拌桩复合地基基础;横梁支撑基础为80c m塘渣加15c m钢筋混凝土基础. 2.1 系梁支撑地基加固方法系梁自重荷载为7.5t m,中间部位线荷载q Z=4.4t m,考虑到上部施工荷载等因素,系梁作用在复合地基上的设计承载力为70kPa.根据《水泥搅拌桩法加固地基设计、施工和质量检验暂行细则》规定:1)设计单桩承载力F d=q s u p L+aA p f k=79.84kN式中:F d为设计单桩承载力,取F d=70kN;q s为桩周土的平均摩阻力标准值,淤泥可取<≤5,取q s=5kPa;u p为桩的横截面周长(水泥搅拌桩直径为0.5m);L为有效桩长,桩顶标高为-1.9m,桩底标高为-11.9m,取L=10m;Α为桩端土支撑力折减系数,桩端进入粉沙层,取Α= 0.5;A p为桩的横截面积;f k为桩端天然地基土的承载力标准值,根据工程勘察院提供的资料粉沙层f k取10kPa.α收稿日期:20010907 周 莉:女,23岁,硕士生,主要研究领域为桥梁结构工程2)搅拌桩的面积置换率Ν=F sp-B F sF d A p-B F s=19.1%式中:Ν为搅拌桩的面积置换率(%);F sp为复合地基承载力设计值,工程中取F sp=70kPa;B为桩间土承载力折减系数,工程中取B=0.5;F s为桩间土承载力标准值,根据工程勘察提供的资料淤泥层的F s=4.5kPa.3)基础下的桩数n=ΝA A p=195根式中:n为布桩数,取整数,A为上部结构物基础底面积.基础宽度b=2.5m,一条系梁的长度l= 80m(一条系梁的总长度为84m,考虑到系梁端部搁在支座上,计算系梁长度按80m计).施工要点:因系梁端部为实腹梁,荷载较中间部分要大,在实际工程中布桩时,端部的水泥搅拌桩高度应大于计算值.4)混凝土底板配筋,混凝土底板厚h=300 mm,混凝土强度为C20(如工期较紧可采用C25混凝土)M=0.125×70×1.52=19.69kNm A3=M 0.9f g h0=416.7mm2,选配<8、<10钢筋@=150mm,A3=429mm2钢筋为双向双面配置.5)沉降变形计算 根据中华人民共和国行业标准《软土地基深层搅拌桩加固技术规程》(YBJ225291),第3.0.5条桩群体的压缩变形S1可按下式计算:S1=(p c+p o)L 2E o式中:S1为桩群体的最终压缩变形.p c为群桩体顶面的平均压力(kPa),工程中p c取70kPa.p o 为群桩体底面的附加压力(kPa),p o=Αp c=0.2 p c=14kPa.Α为群桩体底面的附加应力系数,由《建筑地基基础设计规范》(GBJ7-89)附录十中查得.L为实际桩长,本工程L=8.5m(因为有约1.5m的桩进入粉沙层).E o为群体桩的变形模量,E o=ΝE p+(1-Ν)E s=36M Pa.E p为搅拌桩的变形模量,可取(100-120)q u,q u=1.5M Pa.S1=9.9mm 考虑到本工程的群桩作用周期为3个月左右,在3个月内实际变形按最终压缩系数的30%计,则在施工周期内的复合地基变形为9.9×0.3 =2.97mm.故能满足施工要求.2.2 中横梁及中挑梁支撑地基加固方法考虑到中横梁及中挑梁的自重不是很大(每延米18.25kN),可采用先填80c m塘渣,再浇筑一块15c m的钢筋混凝土板.塘渣和混凝土之间加做一层5c m碎石垫层.钢筋混凝土板采用<8钢筋@=150mm双向单层配筋,混凝土板顶标高为-0.90m.3 支架的搭设本工程采用满堂支架法搭设系梁及中横梁、中挑梁.系梁支架搭设不采用碗扣支架,而计划使用扣件式脚手架,故必须对支架的搭设方法及稳定性进行设计、验算.3.1 钢管支架稳定性验算钢管支架稳定性验算参数说明如下:Q235钢管直径48mm,壁厚3.5mm;断面面积A=489mm2.回转半径i=15.8mm;钢管自重38N m;扣件自重取平均值15N 只;扣件连接抗滑移承载能力设计值F cv=6kN 只;系梁自重66kN m;中横梁自重18kN m;系梁自重和矮拱竖向均布荷载(设计值)为131kN m.1)中横梁支架①搭设 立杆横距b=0.5m(梁下每排4根立杆);立杆纵距(顺梁方向)L=1m;横杆步距h =1.5m(包括扫地横杆共5道横杆).②立杆钢管稳定性验算F (ΥA)+Ρm<K A K H f式中:F为杆件轴压力,F=1.2(n1N GK1+F GK2)+ 1.4F Q K.F GK1为脚支架自重,kN;F GK2为附件及物品自重,kN;F Q K为脚手架施工、荷载标准值产生的轴力,kN;n1为脚手架步距数;Υ为稳定系数;Ρm 为水平杆对立杆产生的附加应力,取55N mm2;1.2为永久荷载的分项系数;1.4为可变荷载的分项系数;K H为脚手架高度调整系数,此处取0.8; f为钢管抗压强度设计值205N mm2;K A为立杆截面调整系数此处取0.85.F=15.7kNΚ=h i=1500 15.8=95,查表得Υ=0.626F (ΥA)+Ρm=106M PaK A K H f=139.4M Pa>106M Pa 所以偏安全.2)系梁支架(考虑矮钢拱均布荷载作用)①搭设 立杆横距b=0.3m(梁下每排9根立杆);立杆纵距(顺梁方向)L=0.3m;横杆步距h=0.5m(包括扫地横杆共13道横杆);纵向连・721・ 第1期周 莉等:钢管混凝土拱桥施工支架稳定性验算系杆呈梅花形.②立杆钢管稳定性验算 横向:F ΥA+Ρm<K A・K H・fF=15.57kN Κ=h i=31.65 查表得Υ=0.914,则F ΥA+Ρm=89.84M PaK A・K H・f=139.4M Pa>89.84M Pa所以偏安全. 纵向: Κ′=h i=1000 15.8=63.3;查表得Υ′=0.804,则 F Υ′A+Ρm=94.6M PaK A・K H・f=139.4M Pa>94.6M Pa所以偏安全.3.2 系梁支架混凝土基础的受压变形计算单根Q235钢管作用时混凝土基础上的受压面积A=489mm2.根据桥规可查得C25混凝土的设计轴心抗压强度f C=14.5M Pa.支架每延米承载最大处F=131kN.强度验算:f C×A>F 2314.5×489=7kN>5.7kN所以满足混凝土设计强度要求.3.3 木格栅的支设方法1)用松木,则横纹承压强度设计值按GBJ5—88木结构规范可取1.9M Pa.2)系梁采用10c m×10c m松木枋@300.中横梁采用10c m(高)×6c m(宽)松木枋@300.3)系梁格栅每搁置点反力为131kN 30=4.37kN.中横梁格栅每搁置点反力为2.7kN.4)格栅与钢管的接触面需要系梁 4370 1.9=2300mm2, c=2300 100=23mm.中横梁 2700 1.9=1421mm2, c=1421 60=23.7mm.5)木格栅的抗弯强度与挠度变形经计算均能满足需要.6)根据计算直径48mm钢管如木材与其接触宽c=23mm,则h(变形高度)仅为2.93mm (系梁处),如c=23.7mm,则h仅为3.13mm(中横梁处).如图1所示.计算中木材采用的是设计强度,不是极限强度,且又乘以调整系数,施工荷载又乘以1.4的系数,变形如此小,符合要求.3.4 施工方法(1)在系梁及中横梁、中挑梁底部支设满堂支架.支架支设在基础混凝土地梁上.系梁处沿顺桥方向每隔30c m支设一排钢管.(2)每根系梁图1 方木局部受压的变形情况下部,横桥方向每排支设钢管9根,各钢管之间的距离为30c m.(3)中横梁及中挑梁下部支架为纵向(沿中横梁方向)间距30c m,横向每排3根间距也为30c m的钢管支架.(4)为了保证支架本身的纵向及横向稳定,顺桥和横桥方向各用水平向钢管和斜撑钢管通过扣件将支架连接成一个整体.第一道水平钢管放在支架底部,防止支架底脚移动,然后向上每隔50c m设置一道水平向连接管.最后一道钢管的位置以能满足上部结构合理支设模板为宜.斜撑分横向斜撑和纵向斜撑两种,均做成剪刀撑形式,纵向斜撑应做成连续剪刀撑形式.为了保证支架的稳定,在支架外侧每5m 做一道斜撑加固.(5)在最上端纵向水平连接钢管上,横向铺设10c m×10c m×300c m的方木,方木间距控制在30c m以内,然后在其上铺设模板.应特别注意铺设方木的横管与纵管的连接扣件必须牢固可靠,设专人进行检查.(6)支架预拱度的设置:系梁支架的预拱度除按设计给的预拱度设置方法施做外,另加10mm的施工沉降量,两种预拱度叠加后,再加上设计高程,即为系梁模板的控制高程.(7)施工过程中,应密切观测支架的变形情况,做好观测记录.4 支撑系统的预压在河道开挖及系梁支架的复合地基基础处理已基本完毕后,为了保证系梁混凝土浇筑的可行性和安全性,必须对现有地基及系梁支架进行堆载预压试验.基础预压主要是通过记录高程观测点的沉降量来验证复合地基的承载能力,支架预压主要是通过观测钢支架的非弹性变形情况来验证支架的整体稳定性.预压试验的成功与否直接关系到上部结构的施工.4.1 系梁自重及荷载计算系梁每延米的平均自重为6.6t,考虑到施工荷载的影响,在计算实际荷载时按1.4倍取值,故每延米作用力为6.6×1.4×10=92.4kN.・821・武汉理工大学学报(交通科学与工程版)2002年 第26卷由于钢管拱安装的固定支架需设在系梁上,所以支架及基础预压时要将矮钢拱的这部分荷载考虑在内,单榀钢矮拱的自重约为130t ,安装钢拱时系梁已经张拉了部分预应力,每个支架处的集中荷载为18.6t ,钢拱自重荷载通过系梁并按45度均匀传递到支架上.每延米约为3.2t ,钢拱肋的施工荷载相对于钢拱自重来讲比较小,故这部分的实际荷载按1.2倍取值.综上考虑,系梁对支架及基础累计作用力为92.4+32×1.2=131kN .系梁支架底面宽2.4m ,每延米受力面积2.4m 2,故基础每平米上的承载力应为54.5kPa .4.2 预压试验方法(1)预压材料选用1.5m ×3.0m ×0.6m 的钢筋混凝土块,每块自重6.75t ,预压时将6块预压件按每两块一层垂直于支架成井子状码放在一起,累计自重40.5t ,支架受力面积为2×2.4×1.5=7.2m 2,故每平米上的作用荷载为56.3kPa ,大于计算荷载54.5kPa .(2)为减少工期,可将基础预压和支架预压两个试验同时进行,东侧系梁进行支架预压,西侧边系梁进行基础预压.预压件采用20t 吊车进行堆放,预压位置设在系梁中部,并将预压处的基础或支架与两侧的基础和支架断开,使其成为一个独立的整体,以防止预压荷载的传递,从而影响预压效果.(3)在预压件及系梁基础上分别设置观测点,预压件上两个,系梁基础上二个(基础两端),测量并记录各观测点的原始读数.(4)预压期定为7d ,每天对观测点分三次观测并详细记录高程变化情况,绘制沉降曲线图.(5)预压期满后,如果各观测点均无明显沉降(沉降量<3mm d ),即可进行下道工序施工.5 结束语1)支撑基础加固采用水泥搅拌桩复合地基,预压效果好,是实际施工过程中较为常见、并简单、安全的处理方法之一.2)利用满堂扣件式脚手架施工,不仅减少了工程投入(相对于碗扣式脚手架来说),而且由于此施工方法较其它的施工工艺来讲,对木材及铁件规格要求较低、技术简单、施工可靠,保证了系梁施工过程中的整体稳定性,故在一定程度上,提高了施工效率,缩短了工期.证明了扣件式脚手架搭设系梁支架的可行性.参考文献1 公路桥涵施工技术规范.JTJ 041-2000.北京:人民交通出版社,19992 公路工程质量评定标准.JTJ 071-2000.北京:人民交通出版社,19993 建筑地基基础设计规范.GBJ 7-89.北京:中国建筑工业出版社,1989Stab ility Check ing of Bearing 2b racket in Con structi on ofConcrete 2filled Steel P i pe A rch B ridgeZhou L i Zhang X iedong(Colleg e of co m m un ica tions ,W U T ,W uhan 430063)AbstractT he foundati on’s bearing 2cap ab ility under the bearing 2b racket and the stab ility of the bearing 2b racket are the key po in ts in the con structi on of the under 2suppo rting steel p i p e concrete arch b ridge .In th is p ap er ,th rough a real in stance ,it in troduces tw o m ethods of reinfo rcing foundati on and the check ing stab ility’s m ethod of bearing 2b racket in the con structi on of an under 2suppo rting concrete 2filled steel p i p e arch b ridge .Key words :b ridge con structi on ;concrete 2filled steel p i p e arch b ridge ;bearing 2b racket・921・ 第1期周 莉等:钢管混凝土拱桥施工支架稳定性验算。
精心整理钢管桩设计与验算钢管桩选用Ф800,δ=10mm 的钢管,材质为A3,E=2.1×108Kpa,I=(0.804-640.78 4)=1.936×10-3M4。
依据386#或389#墩身高度和周边地形,钢管桩最大桩长按30m 考虑。
1、桩的稳定性验算桩的失稳临界力Pcr 计算2 EI2 2.1 1083Pcr= = 1.936 10l 2 302=4458kN>R=658.3kN2、桩的强度计算桩身面积 A=(D2-a2)4=(802-782)=248.18cm24钢桩自身重量P×30×102×7.85=5844kg=58.44kN桩身荷载 p=658.3+58.44=716.7kNб=p/A=716.7 ×102/248.18=288.7kg/cm2=35.3Mpa3、桩的入土深度设计通过上述计算可知,每根钢管桩的支承力近658.3kN,按规范取用安全系数k=2.0,设计钢管桩入土深度,则每根钢管桩的承载力为658.3×2=1316.6kN,管桩周长U=πD=3.1416×0.8=2.5133m。
依地质勘察报告,河床自上而下各层土的桩侧极限摩擦力标准值为:第一层粉质黏土厚度为3m,τ=120Kpa第二层淤泥粉质黏土厚度为4m,τ=60Kpa第三层粉砂厚度为 1.8m,τ=90KpaN=∑τi uh iN=120×2.5133×3+60×2.5133×4+90× 2.5133×h3=1316.6kN=904.7+603.1+226.1h2=1316.6kN解得 h3=-0.84m证明钢管桩不需要进入第三层土,即满足设计承载力。
钢管桩实际入土深度:∑h=3+4=7m4、打桩机选型拟选用 DZ90,查表得知激振动570kN,空载振幅≮ 0.8mm,桩锤全高 4.2m,电机功率 90kw。