2017版高考地理专题复习专题十区域可持续发展
- 格式:doc
- 大小:497.50 KB
- 文档页数:7
第10章《区域可持续发展》第一讲 中国黄土高原水土流失的治理[考纲要求]区域存在的环境与发展问题及其产生的危害,以及有关的治理保护措施。
一、区域可持续发展(1)内容:环境、经济和社会三个方面的可持续发展,其中环境的可持续发展是基础。
(2)需要解决的问题:环境污染和生态破坏等。
(3)生态破坏:主要有水土流失、荒漠化、森林破坏、湿地减少等。
(4)水土流失地区多分布在山地、丘陵和高原地带,其中以黄土高原地区最为严重。
二、黄土高原水土流失的原因[温馨提示] 黄土高原水土流失自古就有,人类社会之前,自然原因是主要原因;人类社会之后,人类不合理的经济活动导致植被破坏,植被覆盖率降低,成为水土流失的主要原因。
三、水土流失的危害四、水土流失的治理治理措施生物措施植树种草工程措施在沟谷兴修小型水库,打坝淤地,在坡面修建水平梯田技术措施采取保水、保土和改善耕地栽培措施等小流域综合治理概念相当于坳沟或河沟的沟道流域原则生物措施与工程措施紧密结合[温馨提示] 小流域的综合治理实际上就是各种水土流失治理的措施在小流域不同范围内的综合利用。
水土流失的成因及危害黄土高原位置的过渡性示意图1.黄土高原水土流失的成因黄土高原水土流失有自然原因,也有人为原因。
其中人为原因是现代水土流失的主要原因。
(1)自然原因:黄土高原特殊的地理位置所具有的“过渡性”特征及特殊的土壤组成,是水土流失问题发生、发展的重要基础。
具体分析如下图所示:(2)人为原因:在黄土高原地区易引发水土流失的自然前提下,长期的人类活动,尤其是不合理的人类活动加剧了水土流失问题的快速发展,具体表现如下表所示:2.利用地理环境的整体性原理分析黄土高原水土流失的危害从表面上看,水土流失表现为土壤侵蚀,但水土流失过程是地貌、气候、土壤、生物、水文统一变化的过程,如下图所示:区域生态环境问题成因的分析方法(1)自然原因:①地形原因(地形类型、地势起伏状况等);②气候原因(热量条件、降水条件、风力、风向等);③土壤条件(土壤组成、肥力等);④植被原因(疏密状况、季节变化等);⑤河流原因(流量大小、侵蚀强度或沉积强度等)。
流域综合开发与可持续发展一、单项选择题阅读图表资料,完成1~2题。
图中各河段平均坡度表注:坡度=落差/水平距离。
1.图中适合建设水电站的是( )A.甲处B.乙处C.丙处D.丁处2.关于图中各河段发展方向的叙述,正确的是( )A.①—修筑梯田B.②—建立自然保护区C.③—开发水电D.④—建矿泉水厂2014年8月21日,黄河干流内蒙古自治区境内的海勃湾水利枢纽主体工程竣工。
水库正常蓄水位1 076米,淹没土地13.82万亩,淹没区需要迁移人口5 425人。
下图为海勃湾水利枢纽工程位置图。
据此完成3~4题。
3.与三峡水利工程相比,海勃湾水利枢纽发挥的突出作用是( )A.航运B.防洪C.防凌D.发电4.关于海勃湾水利枢纽工程带来的影响,叙述不正确的是( )A.水库蓄水可能使库尾的胡杨岛部分淹没B.水库蓄水有利于改善乌兰布和沙漠的生态环境C.库区占用耕地,并产生移民安置问题D.水库建成后使黄河下游泥沙含量增大清江是长江中游南岸的重要支流,流域面积近17 000多平方千米,流经鄂西山地,总落差1 500米。
历史上多洪涝灾害。
现在清江上已建有高坝洲、隔河岩、水布垭等水利工程,对流域内的开发建设有积极意义。
回答5~6题。
5.清江流域洪涝灾害多发的主要原因是( )A.支流少,流域面积广 B.降水多,季节变化大C.地势低平,排水不畅 D.落差大,多曲流6.清江流域的综合开发( )A.实行梯级开发,实现全流域通航B.修建水利工程,为工业发展提供原料C.扩大灌溉面积,发展河谷农业D.发展旅游业,促进区域产业结构调整瓜迪亚纳河是伊比利亚半岛最长河流之一,发源于西班牙昆卡省中西部潮湿的山区,注入大西洋加的斯湾,河流全长824 km,蕴藏着丰富的水能资源,西班牙和葡萄牙在该流域建设了多座水电站和水库,进行了充分的开发和利用。
读图,回答7~8题。
7.瓜迪亚纳河流域所建水利工程的核心效益是( )A.发电B.防洪C.航运D.灌溉8.瓜迪亚纳河流域开发对河口生态环境的影响是( )A.入海泥沙减少,导致三角洲萎缩B.入海水量增加,水生生物生存环境好转C.河口水生生物多样性增加D.河口地区航运受到威胁读图,回答9~10题。
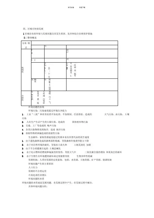
四、区域可持续发展1区域存在的环境与发展问题及其发生原因、危害和综合治理保护措施(1 )整体概述环境污染:污染速度超过环境自净能力1、工业“三废”和有害农药不加处理、不加限制、任意排放,造成的大气污染、水污染、土壤污染2、人们生产生活产生的大量垃圾,造成的固体废弃物污染3、交通、工厂等造成的噪声污染4、各类污染物排放到海洋,造成海洋污染5、放射性物质泄漏造成的放射性污染生态破坏:索取资源速度超过资源本身及其替代品的再生速度1、由于滥伐森林造成的森林面积锐减,导致森林环境调节能力下降2、由于对自然环境的破坏,导致水土流失和土地荒漠化加剧3、由于不合理灌溉引起的土壤盐碱化4、由于化石燃料的燃烧和氟氯烃的使用,导致大气中二氧化碳含量的增加和臭氧层的破坏5、由于生物生存环境遭到破坏或过度捕猎导致生物多样性锐减资源短缺:人类对资源的过度索取。
包括:水资源、土地资源、矿产资源、能源短缺环境问题产生的主要原因人口压力资源的不合理运用片面追求经济增长环境问题的本质环境问题的本质就是发展问题,在发展过程中产生,在发展过程中解决。
具体环境问题分析:自然原因:气候变化、森林火灾。
人为原因:1、 贫困,以出口木材换取 外汇2、 农村用木材做原料1、 土壤侵蚀、水土流失加剧;2、 河流含沙量增大、洪涝灾 害频繁;3、 涵养水源能力减弱,降水 减少,气候变干,水旱灾害 加剧;4、 动植物种类、数量减少。
1、 制定保护森林法规、制止 乱砍乱伐;2、 植树造林3、 解决农村生活燃料不足问 题;4、 控制人口数量,提高人口 素质。
自然原因:气候干燥、大风多、气候 变暖、蒸发旺盛、地表物 质疏松。
人为原因: 1、 过度樵柴2、 过度农垦、破坏植被3、 过度放牧、滥采滥挖、 破坏草场 4、 水资源利用不合理,地 表水干涸,地下水位下 降,加剧草原退化和土 地沙漠化 5、 工矿交通建设不注意 环保 1、 加强对草原管理,禁止乱 垦、滥挖、滥牧2、 规定合理载畜量,防止过 度放牧3、 退耕还林、还草,植树种 草,改善生态环境 4、 合理规划利用水资源 5、 解决农村生活燃料问题 6、 矿区复垦,恢复植被自然原因:1、 土质疏松,直立性强2、 降水集中多暴雨3、 地势起伏大4、 植被稀少人为原因:1、 毁林开荒,过度开垦, 过度樵柴,植被破坏严重2、 工矿建设破坏植被 1、 造成土壤肥力降低,农 业减产,土地生产力难 以提高2、 造成江河、湖泊、水库 的淤积,抬高河床,减 少湖泊、水库的蓄水能 力,加剧洪涝灾害环境问题产生原因危害防治措施森林 破 坏1、 单位面积产量下降,草 原载蓄量不断降低,畜 牧业减产2、 沙化、盐渍化土地的生 产力降低,农业减产 3、 沙漠扩展,风沙危害加 居吞没村镇、农田、 牧场、道路生物措施: 1、 保护森林,制止毁林开荒 2、 退耕还林还草,营造水土 保持林 3、 工矿建设恢复植被经典案例分析土地荒漠化(西北)含义:荒漠化是一种土地退化现象,指发生在干旱、半干旱地区及一些半湿润地区的土地退化,它是气候变异等自然因素与人类过度的经济活动相互作用的结果。
高中地理区域可持续发展专题区域可持续发展专题一、我国重要地理分界线:1、秦岭—淮河:一月0°C等温线,800mm降水量线,湿润区与半湿润区,亚热带与暖温带、南方与北方、水田与旱地分界线2、大兴安岭:400mm降水量线、半湿润与半干旱、农区与牧区、季风区与非季风区分界线。
二、主要的区域特征1、高原盆地①青藏高原(冰川冻融地貌,光照强、热量不足,河谷农业);②内蒙古高原(风力地貌,荒漠化);③黄土高原(风力沉积、流水侵蚀地貌,水土流失)④云贵高原(流水溶蚀地貌,喀斯特地形、多峰林、溶洞,多地震、滑坡、泥石流等地质灾害)⑤塔里木盆地(风力地貌,光照强、温差大,水分不足,绿洲农业,荒漠化)⑥四川盆地(流水地貌,光照弱、热量足,紫色土)2、平原丘陵①东北平原(地势平坦开阔,沃野千里);②华北平原(旱涝、盐碱、风沙)、③长江中下游平原(湖泊淤积、恢复生态植被、退田还湖);④江南丘陵(水土流失、红壤、红色荒漠)3、我国资源的分布:①南方:水能、有色金属与铁;②北方:煤、石油、铁;③西北:石油、天然气;④青藏:太阳能、地热能、水能三、资源跨区域调配①原因:自然资源分布的不均衡与社会资源分布的地域差异②水资源的跨流域调配——南水北调;③能源资源的跨区域调配——西气东输和西电东送、北煤南运。
④西气东输经过的自然带:温带荒漠带、温带草原带、温带落叶阔叶林、亚热带常绿阔叶林经过的气候区:温带大陆性气候、温带季风气候、亚热带季风气候川气东输经过的自然带:亚热带常绿阔叶林带⑤西电东送:a北路(火电为主)供应京津唐和华北;b中路(水电为主)供应华中、华东和长三角;c南路(水电为主)供应华南和珠三角四、河流开发①流域治理—修大坝—拦洪蓄水—中下游流量季节变化减小、泥沙淤积量减少—海浪侵蚀作用增强②田纳西河流域开发的核心是梯级开发(控制水位,疏通河道,治理洪涝)a:――→防洪、灌溉、养殖――农、林、渔等第一产业水平提高b:――→航运、旅游业――第三产业发展c:――→发电(火电、水电、核电)――发展炼铝、化学高耗能工业――形成工业走廊五、山西煤炭资源的综合开发:①山西煤炭资源丰富,品质优良,开采便利,且位置靠近东部,成为我国重要的煤炭基地。
第 2 课时流域综合治理与开发[ 课时训练 ]1.以下图中甲图为鄱阳湖平原表示图,乙图为该湖南部地域图。
联合所学知识,回答以下问题。
(1)剖析图示湖泊对其四周地域天气的调理作用。
(2)试剖析鄱阳湖水位比早年同期偏低的原由及带来的不利影响。
(3)乙图中 PQ铁路的建成对该地区铜矿业的发展产生了哪些有益影响?(4)比较乙图中湖泊东、西双侧河流在开发利用上的差别,请说明原由。
分析第 (1) 题,湖泊对天气的调理作用可从气温、降水双方面剖析。
第(2) 题,湖泊水位比早年同期偏低应主要从入湖水量和蒸发量双方面考虑;湖泊水位较低的不利影响主要从生态环境、渔民生产生活等方面考虑。
第(3) 题,铁路的修筑改良了交通条件,为工业的发睁开拓了市场。
第 (4) 题,注意东、西双侧河流流经的地形区不一样,进而致使河漂泊差大小的不同。
答案(1) 湖水的热容量较大,使湖泊四周地域气温的日较差、年较差变小;湖泊四周地域空气润湿,降水量略偏大。
(2)原由:流域内降水较早年偏少,入湖水量小;高温时间偏长,蒸发旺盛。
影响:不利于湖区航运的发展;不利于湖区水生植物和水生动物的生长;不利于以渔业活动为主的渔民的生产生活。
(3)铁路的修筑加大了铜矿的外运力度,扩大了市场。
(4)东侧河流流经山区,水力资源丰富,可利用水能资源发展小水电;西侧的河流主要流经平原地域,水流安稳,合适航运、水产养殖等。
2.美国田纳西河的开发是一个成功的典范,是美国最早实行洪泛区管理的地区。
读田纳西河上 M与 N城之间地形剖面图及 N 城市的天气资料图,回答以下问题。
(1)N 地天气种类是________天气,天气特色是_______。
(2)从图中看出, N 城市降水最多的季节为 ________,而 ________季降水相对较少。
这类降水分派特色对农业发展和河流航运的影响是________,针对上述问题,采纳的主要解决举措是____________。
(3)图中 M与 N 城之间河漂泊差约为 ________m,这类地形特色关于航运影响较大,试剖析原由_______。
2017年高考地理试题分项版解析专题11区域可持续发展和地理信息技术专题11 区域可持续发展和地理信息技术【2017全国卷Ⅱ】19世纪50年代,淮河自洪泽湖向南经长江入海;黄河结束夺淮历史,改从山东入海。
1968年,南京长江大桥建成通车;自1999年,江苏境内又陆续建成了多座长江大桥。
江苏习惯上以长江为界分为苏南和苏北两部分(图1)。
据此完成1—3题。
图11.目前,在洪泽湖以东地区,秦岭—淮河线A.无划分指标依据B.与自然河道一致C.无对应的自然标志D.两侧地理差异显著2.习惯上苏南、苏北的划分突出体现了长江对两岸地区A.自然地理分异的影响B.人文地理分异的影响C.互相联系的促进作用D.相互联系的阻隔作用3.进入21世纪,促使苏南、苏北经济合作更加广泛的主导因素是A.市场B.技术C.资金D.交通【答案】1.C2.D3.D【解析】1、秦岭淮河一线,作为我国一条重要的地理分界线,是按照一定指标划分的,该线是我国800mm年降水量线,亚热带和温带的分界线等,但秦岭淮河一线在洪泽湖以东,没有自然河段与之对应,没有自然标志与之对应,又因为洪泽湖以东地区以平原为主,地理环境南北变化是渐变的,在理论线的南北两侧差异并不大。
2.根据材料提示,江苏境内长江段建了好几座大桥的寓意为:“由于长江的阻隔,历史上南北两岸交通不便,联系较少,现在两岸交通大大改善”,故习惯上苏南、苏北的划分突出体现了长江对两岸地区相互联系的阻隔作用。
故选D。
3.从材料中可知,江苏境内修建多座长江大桥,交通更加便利,促使苏南、苏北经济合作更加广泛。
故选D。
考点:区域的划分及界线,区域特征。
【点睛】该题需要充分理解文字材料信息,江苏境内长江段建了好几座大桥的寓意:“由于长江的阻隔,历史上南北两岸交通不便,联系较少,现在两岸交通大大改善”,体现了长江对两岸地区的相互联系的阻隔作用。
结合架桥和合作更加广泛的材料信息,有利于理解交通的主导作用。
【2017全国卷Ⅲ】剪纸是中国传统民间艺术,2009年9月入选联合国教科文组织人类非物质文化遗产代表作名录。
走可持续发展之路[学生用书P210][学生用书P211]可持续发展措施类题目答题模板在高考命题中可持续发展措施类题目多以区域图或可持续发展模式图为载体,考查区域内的环境问题及可持续发展的措施。
在回答该类问题时应针对具体问题具体分析。
区域图或文字材料――→判断区域内可能出现的环境问题――→提出可持续发展的对策(2016·浙江宁波模拟)阅读下列材料,回答相关问题。
材料 “冰糖心苹果”具有味甜汁多,含糖量高的特点,生长期在4~10月份,采摘上市时间较晚,严格控制在每年的10月25日霜冻期以后采摘上市。
如图为某区域年降水量分布图,其中A 地是著名的“冰糖心苹果”产地。
下表为A 地各月气温、降水量信息表。
月份 1 2 3 4 5 6 7 8 9 10 11 12 最高 均温(℃)-1.1 5.1 13.9 22.2 26.8 30.0 30.8 30.1 26.0 18.9 9.1 0.0 最低 均温(℃)-13.1 -8.1 0.0 8.2 12.1 14.9 17.0 16.1 10.9 4.3 -3.0 -10.1 平均降 水量(mm)2 23 3 9 10 16 13 6 3 1 2 (2)简述图示地区过度发展苹果种植业可能引发的主要环境问题,并为该地区苹果种植的可持续发展提几点合理化建议。
[审答流程][标准答案] (1)①位于我国西北地区,气候干旱,晴天多,光照时间长;②昼夜温差大,有利于糖分积累;③苹果生长期平均气温高,有利于苹果的生长发育和结果;④采摘时间晚,苹果生长周期长;⑤冬季寒冷,病虫害少。
(2)主要环境问题:土地荒漠化(或盐碱化、土地退化);水资源锐减。
建议:改善农业生态环境;加强农业基础设施建设;加大科技投入,提高产品产量、质量;走规模化、专业化、集约化道路,提高产品竞争力;发展苹果深加工工业,延长产业链,提高经济效益。
(2016·广州调研)读图1、图2并结合所学知识,完成下列问题。
第十章区域可持续发展第1课时荒漠化的危害与治理一、选择题1.关于土地荒漠化的叙述,正确的是( )A.中国南方土地荒漠化地区生态环境尤为脆弱B.自然因素引起的土地荒漠化速率比人类活动引起的要快C.三江平原过度垦殖,土地荒漠化更为严重D.西北地区风蚀强烈,风沙灾害比较普遍解析中国荒漠化最严重和最典型的是西北地区,西北生态环境脆弱,风力侵蚀作用强烈,风沙灾害较多;中国南方荒漠化不典型,且生态环境相对于西北、黄土高原等地区要优越;自然因素引起的土地荒漠化速率比人类活动引起的慢;三江平原过度垦殖主要导致湿地和沼泽的减少,并不会产生严重的荒漠化。
答案 D2.沙漠中植被的出现可对沙丘产生一定的影响。
其主要作用机制是( )A.降低风速进而增加风沙流对地表的侵蚀B.增加风沙流中颗粒物的含量而减少堆积C.促进风沙流携沙能力的增强而增大侵蚀D.拦截风沙流中的悬浮颗粒物并形成沉降解析植被的出现,增加了地表的粗糙程度,从而降低风速,风速降低则会使侵蚀变弱,A 项错。
风速降低,搬运能力减弱,沉积堆积能力增强,B项错。
风速降低,携带风沙的能力变弱、侵蚀也变弱,C项错。
风速降低,并能拦截风沙流中的悬浮颗粒,因而沉积作用增强,形成沉降,D项符合题意。
答案 D读下图,完成3~4题。
3.图示区域内,与古代相比,当代( )A.河流水量更大B.城镇向河流上游迁移C.交通线离山地更远D.山地森林覆盖率更低4.图示区域城镇面临的主要环境问题是( )A.森林破坏B.土地荒漠化C.水土流失D.地面沉降解析第3题,在图示区域内,当代由于生活和生产用水量更大,导致河流水量更小;为了获得更充足的水源,城镇向河流上游迁移。
第4题,图示区域城镇由于人口增长过快,用水不当,植被破坏等,面临的主要环境问题是土地荒漠化严重。
答案 3.B 4.B下图为我国西北某区域示意图,读图回答5~7题。
5.该区域在荒漠化之前,盛产优质向日葵的自然条件是( )A.光照强 B.气温年较差大C.土壤肥沃D.地形平坦6.⑤地形成草原景观的主要原因是( )A.热量充足B.水源充足C.降水丰富D.光照充足7.仅考虑降水量,该地治理沙漠化措施可行的是( )A.①②③④全部种树B.①②种草、③种树C.①种树、②③种草D.①种树、②③④种草解析第5题,能使农作物品质优良的自然因素有:光照强、昼夜温差大等。
专题十区域可持续发展一、选择题1.关于土地荒漠化的叙述,正确的是( )A.中国南方土地荒漠化地区生态环境尤为脆弱B.自然因素引起的土地荒漠化速率比人类活动引起的要快C.三江平原过度垦殖,土地荒漠化更为严重D.西北地区风蚀强烈,风沙灾害比较普遍解析中国荒漠化最严重和最典型的是西北地区,西北生态环境脆弱,风力侵蚀作用强烈,风沙灾害较多;中国南方荒漠化不典型,且生态环境相对于西北、黄土高原等地区要优越;自然因素引起的土地荒漠化速率比人类活动引起的慢;三江平原过度垦殖主要导致湿地和沼泽的减少,并不会产生严重的荒漠化。
答案 D(2016·杭州七校联考)下图为我国部分省区土地荒漠化及草地退化状况比较图。
读图回答2~3题。
2.下列省区荒漠化比例最大的是( )A.宁夏B.青海C.陕西D.新疆3.下列防治草地退化的措施,合理的是( )①开采矿产②生态移民③合理载畜④抽取地下水A.①②B.②③C.①④D.③④解析第2题,从图中可知,荒漠化比例最大的是新疆,占比超过40%。
第3题,防治草地退化的措施有封沙禁牧、禁樵禁采、合理用水、生态移民、合理载畜等;开采矿产,破坏地表植被和土壤结构,加速草地退化,促进荒漠化;抽取地下水会导致水位下降,也会加速草地退化,促进荒漠化。
答案 2.D 3.B根据我国北方半湿润区某小流域不同时期土地利用类型变化率图,回答4~5题。
4.1998年之后该流域土地利用类型转化主要表现为( )A.由耕地、草地向林地转化B.由耕地、草地向水域转化C.由耕地、草地向城乡用地转化D.由城乡用地向耕地、草地转化5.据图可以推断,从1976年到2010年该流域生态环境( )A.前期改善明显,后期改善缓慢B.得到持续明显改善C.前期改善缓慢,后期改善明显D.改善效果不甚明显解析第4题,由图示可知:1998年后,林地变化率最高,为正值,说明增加林地多;耕地和草地变化率也较大,但为负值,说明耕地与林地减少的多,而其他用地变化率不大,故选A。
高考地理基础知识【区域可持续发展】陕西省丹凤中学 叶佳 整理制作一、中国黄土高原水土流失的治理:1. 黄土高原水土流失的成因:2.水土流失的危害:3.水土流失的治理措施:说明:黄土高原水土流失各类治理措施其作用和功效是不同的,工程措施(打坝建库、修筑梯田、平整土地等)见效快,生物措施是根本(植树种草,改善植被条件),农业技术措施是关键,小流域综合治理全面规划、标本兼治。
4.黄土高原和南方低山丘陵区水土流失比较:二、我国荒漠化的分布、成因和治理措施:1. 我国荒漠化的分布:2.荒漠化的成因:3.漠化的防治措施:三、我国其他地区的主要生态问题:四、美国田纳西河流域的治理:1.开发条件评价:2.纳西河流域开发治理的措施:(1)从防洪入手,综合开发利用水资源:以干流为重点,通过修建大坝,实行梯级开发。
(2)因地制宜,发展农、林、牧、渔业:把发展林业作为整个流域综合治理的一个重要组成部分。
(3)利用廉价水电,发展高耗能工业。
(4)把保护环境与开发旅游资源相结合,促进旅游业的发展。
五、我国长江流域的综合开发措施:如下图示意:说明:流域综合治理的措施和目的六、河流(流域)类问题的解答思路: 1.要对一条河流进行综合开发利用,首先要分析河流的水文特征。
①流向:由地势决定。
②汛期:与河水补给、降水类型、多少均有关。
③流量:与降水、地形和流域面积有关。
④结冰期:长短与有无由气温决定。
⑤含沙量:与植被覆盖状况、河流补给条件、流域内人类活动有关。
⑥水能蕴藏量:取决于河流水量和地势落差两方面。
2.进一步分析该河流对流域内人类生活的影响,可从以下方面展开。
①供水:包括生活用水和工农业用水,从河流流量大小及季节分配情况和水质方面分析。
②航运:③发电:从河流流量和地势落差说明,河流水量大且地势落差大更有利于发电。
④水产养殖:重点考虑水域面积及水质状况。
⑤旅游:与河流和周边自然景观及文化景观搭配状况有很大关系。
3.对某河流治理一般从以下几个方面说明。
区域可持续发展【专题网络】【考纲及教材】考纲:一.人类与地理环境的协调发展(1)人地关系思想的历史演变(2)人类所面临的主要环境问题(3)可持续发展的基本内涵,协调人地关系的主要途径(4)走可持续发展之路 二.区域可持续发展1.区域地理环境与人类活动(1)区域的含义(2)不同区域自然环境、人类活动的差异 (3)不同发展阶段地理环境对人类生产和生活方式的影响 2.区域可持续发展(1)产业转移和资源跨区域调配对区域地理环境的影响(2)区域存在的环境与发展问题及其产生的危害,以及有关的治理保护措施 (3)流域开发的地理条件,开发建设的基本内容,综合治理的对策措施 (4)区域农业生产的条件、布局特点、问题,农业持续发展的方法与途径 (5)区域能源、矿产资源的开发与区域可持续发展的关系(6)区域工业化和城市化的推进过程,产生的主要问题及解决措施 教材:《必修三》所有内容。
【真题考向引航】感悟真题 找准考向1.(2010-山东)-26.由于地理条件和历史发展进程的不同,区域发展水平和方向也存在差异。
我们应以其他国家区域发展的历史为鉴,充分发挥区位优势,走具有中国特色的可持续发展之路。
(3)(4)鲁尔工业区通过产业转型,实现了经济的再繁荣。
其发展经验对沪宁杭工业区的可持续发展有哪些启示?(5)B 地近年来经济发展迅速,成为我国东部地区中小城市发展的范例。
据图、表1,分析该地经济快速发展的主要原因。
2.(2009—山东)26. (25分)充分认识区域地理特征,因地制宜发展经济,保护生态,是实现区域可持续发展的基本要求.图8为A 地所在省、浙江、广东及全国2001~2008年第二产业占各自GDP比重的变化目。
读图回答第(4)题。
(4)比较分析A 地所在省第二产业比重变化的特征。
(4分)对该省工业的发展,有人提出今后应大力发展外向型农副产品深加工工业。
你是否赞同,请说明理由。
(3分)3.(2008—山东)26.(26分)人口、资源、环境与经济协调发展是科学发展观的必然要求。
专题十区域可持续发展一、选择题1.关于土地荒漠化的叙述,正确的是( )A.中国南方土地荒漠化地区生态环境尤为脆弱B.自然因素引起的土地荒漠化速率比人类活动引起的要快C.三江平原过度垦殖,土地荒漠化更为严重D.西北地区风蚀强烈,风沙灾害比较普遍解析中国荒漠化最严重和最典型的是西北地区,西北生态环境脆弱,风力侵蚀作用强烈,风沙灾害较多;中国南方荒漠化不典型,且生态环境相对于西北、黄土高原等地区要优越;自然因素引起的土地荒漠化速率比人类活动引起的慢;三江平原过度垦殖主要导致湿地和沼泽的减少,并不会产生严重的荒漠化。
答案 D(2016·杭州七校联考)下图为我国部分省区土地荒漠化及草地退化状况比较图。
读图回答2~3题。
2.下列省区荒漠化比例最大的是( )A.宁夏B.青海C.陕西D.新疆3.下列防治草地退化的措施,合理的是( )①开采矿产②生态移民③合理载畜④抽取地下水A.①②B.②③C.①④D.③④解析第2题,从图中可知,荒漠化比例最大的是新疆,占比超过40%。
第3题,防治草地退化的措施有封沙禁牧、禁樵禁采、合理用水、生态移民、合理载畜等;开采矿产,破坏地表植被和土壤结构,加速草地退化,促进荒漠化;抽取地下水会导致水位下降,也会加速草地退化,促进荒漠化。
答案 2.D 3.B根据我国北方半湿润区某小流域不同时期土地利用类型变化率图,回答4~5题。
4.1998年之后该流域土地利用类型转化主要表现为( )A.由耕地、草地向林地转化B.由耕地、草地向水域转化C.由耕地、草地向城乡用地转化D.由城乡用地向耕地、草地转化5.据图可以推断,从1976年到2010年该流域生态环境( )A.前期改善明显,后期改善缓慢B.得到持续明显改善C.前期改善缓慢,后期改善明显D.改善效果不甚明显解析第4题,由图示可知:1998年后,林地变化率最高,为正值,说明增加林地多;耕地和草地变化率也较大,但为负值,说明耕地与林地减少的多,而其他用地变化率不大,故选A。
第5题,由图可知,1976~1998年,各土地利用类型变化率都很小,所以改善缓慢;1998~2010年变化率大,故改善明显。
答案 4.A 5.C(2016·浙江名校协作体高二联考)下图为中国局部地区农牧界线演变图。
读图完成6~7题。
6.对图示农牧界线演变方向的叙述,正确的是( )①从低纬向高纬②从内陆向沿海③从东南向西北④从荒漠到草原A.①③B.①④C.②③D.②④7.图示农牧界线演变的社会经济原因包括( )A.东部荒漠化严重B.人口压力增大C.西部大开发战略D.全球气候变暖解析第6题,据图判断,我国农牧界线从汉代到现代大致由南向北(低纬向高纬),从东向西(沿海向内陆),从东南向西北,从草原向荒漠演变,①③正确,②④错误,故A项正确。
第7题,西部荒漠化严重,全球气候变暖是自然原因,故A、D项错误;人口压力增大,过度开垦、过度放牧等人类不合理的生产活动引起草场退化和荒漠化,进而引起农牧界线的变化,故B项正确;西部大开发战略,对该时期农牧界线演变影响不大,故C项错误。
答案 6.A 7.B(2016·台州六校高二期末)若尔盖湿地地处青藏高原东缘,是我国面积最大、分布集中的泥炭沼泽区。
下图为若尔盖湿地各类湿地面积变化趋势图。
读图完成8~9题。
8.关于若尔盖各类湿地面积变化描述正确的是( )A.湖泊湿地退缩最大B.沼泽湿地退缩最大C.各类湿地逐年减少D.各类湿地波动上升9.1967~1982年间,若尔盖湿地面积迅速减少的主要原因可能是( )A.全球变暖B.排湿放牧C.围湿造田D.降水变少解析第8题,该图横坐标表示时间,纵坐标表示各种湿地的面积,但沼泽湿地和河流、湖泊湿地的垂直标尺不同。
由图中三条折线情况可知,该地河流湿地变化最小,湖泊湿地和沼泽湿地面积均呈明显的退缩趋势,沼泽湿地的垂直标尺大,退缩面积最大,B项正确,其他选项错误。
第9题,1967~1982年间,若尔盖湿地面积迅速减小,主要原因应为人为因素,全球气候变暖会导致蒸发加剧,但不会导致一个地区生态环境短时间内的突变,A项错误;该湿地位于青藏高原东缘,海拔较高,气温较低,宜发展牧业,排湿放牧可能是当地湿地减小的主要原因,B项正确;该地不宜发展种植业,C项错误;降水在该时段明显变少的可能性较小,D项错误。
答案8.B 9.B(2016·丽水高二质检)影响湖泊换水周期长短的主要因素有湖泊贮水量、入湖流量,下表为我国部分湖泊的有关数据。
读表完成10~11题。
10.A.太湖B.滇池C.青海湖D.洞庭湖11.关于四个湖泊的描述,正确的是( )A.青海湖遭受污染最严重B.滇池湖水污染后不易净化C.洞庭湖流域输沙能力较弱D.太湖冬季入湖流量比重高解析第10题,洞庭湖入湖流量最大,贮水量适中,所以其水循环的速度最快,换水周期最短,所以D对。
第11题,青海湖地处青藏高原,湖泊周边人口稀少,工农业不发达,污染最小,所以A错。
滇池由于贮水量最小,入湖水量最小,污染后不易净化,所以B 对。
洞庭湖入湖流量最大;输沙能力最强,所以C错。
太湖流域夏季降水多,河流水位高于湖泊水位,入湖流量比重高,所以D错。
答案10.D 11.B某地打算开发水能资源,并设计了图1、图2两个方案。
据此回答12~14题。
12.图中若有河流,则其干流水流流向为( )A.自南向北B.自北向南C.自东向西D.自西向东13.与图1方案相比,图2方案的明显优点可能是( )A.淹没面积小B.移民人数多C.前期投资多D.发电总量大14.图示工程建成后,对下游可能的影响表现在( )A.下游径流季节变化明显加大B.下游年径流总量明显减少C.下游城市空气质量可能明显改善D.下游洪涝灾害明显增加解析第12题,根据等高线的分布规律分析,河流位于等高线弯曲处的中心线上,且凸向为河流上游,所以图示河流自西向东流,故D项正确。
第13题,图1方案大坝跨越等高线条数多,即大坝高,蓄水量大,水位高,淹没范围广,图2方案虽有两个大坝,但大坝小,水位低,淹没范围小,故A项正确。
第14题,大坝建成后,水库一方面对河流径流量起调蓄作用,减少下游洪涝灾害,另一方面可蓄水发电,改变下游城市的能源消费结构,以清洁的水电代替矿物能源,从而减少有害气体的排放,进而改善空气质量,故C 项正确。
答案12.D 13.A 14.C15.(2015·浙江学考)美国田纳西河流域优先发展高耗能工业的主要条件是( )A.自然环境优美B.电力廉价充足C.矿产资源丰富D.航运条件便利解析美国田纳西河流域通过梯级开发,电力资源丰富,适合发展高能耗工业。
答案 B16.(2016·9月台州市选考质量评估)读洞庭湖湿地生态系统演替示意图。
今年6、7月长江中下游地区发生严重洪涝灾害对该系统的主要影响是( )A.泥沙淤积加剧B.植被演替加快C.垦殖活动停止D.溃垸比较严重解析垸是湖南湖北等地在沿江、湖地带围绕房屋、田地等修建的堤坝样防水建筑物,长江中下游地区发生严重洪涝灾害时,大水会冲开堤岸,垸会受到严重破坏,所以选D。
答案 D二、非选择题17.(2015·温州10月适应性测试)阅读材料,完成下列问题。
材料一长江中游城市群是以武汉、长沙、南昌三大城市为中心的特大城市群组合,涵盖武汉城市圈、环长株潭城市群、环鄱阳湖城市群为主体形成的特大型城市群。
材料二图甲为长江湖南水口山某工业区生产联系示意图,图乙为湖南水口山某工业区生产联系示意图,下表为2013年武汉、长沙、南昌产业结构表。
(1)________。
(2)根据遥感资料显示,鄱阳湖的面积不断减小,其主要的人为原因是________________。
江西省南部面临的主要生态破坏是________________。
(3)武汉、长沙、南昌三市中产业结构最优的是________,该市目前所处的区域发展阶段是________。
(4)该区域众多河流实现了水资源综合利用,其有利于梯级开发的条件有(气候)________________;(地形)________________。
(5)结合图乙,阐述该工业联系的地理意义。
解析第(1)题,图示资源跨区域调配路线是从西北到东南,因此可判断为西气东输。
管道最适宜运输天然气,其特点是安全、连续性好。
第(2)题,鄱阳湖的面积不断减小,主要的人为原因是围湖造田。
江西省南部多山地丘陵,由于植被破坏,加上夏季多暴雨,水土流失严重。
第(3)题,武汉、长沙、南昌的产业结构中,都是第二产业比重最大。
但武汉第三产业的比重最高,第一产业的比重最小,故产业结构最优。
根据产业结构的特点,可以判断武汉市所处的区域发展阶段是工业化阶段。
第(4)题,水资源梯级开发的条件为水量大和水能丰富。
该区域为亚热带季风气候,降水丰富,水量大;地形以低山丘陵为主,地势落差大,水能丰富。
第(5)题,该工业联系的地理意义可以从经济效益(增加新的产品)、社会效益(带动相关产业发展和增加就业机会)、环境生态效益(减少废弃物的排放)三大角度阐述分析。
答案(1)西气东输管道运输(2)围湖造田水土流失(3)武汉工业化阶段(4)地处亚热带季风气候,降水多多低山丘陵,落差大,水能丰富(5)增加新的产品,提高经济效益;延长产业链,带动相关产业发展,增加就业机会;减少废弃物的排放,有利于保护生态环境。
(任答两点)18.(加试题)对自然条件的适度改造和对自然资源的合理利用,事关区域的可持续发展。
阅读下列图文资料,回答问题。
材料一黄河上游区域自然条件和资源状况分布图。
材料二图中A山脉是我国内流区域和外流区域、季风区与非季风区的分界线;图中B 地区农业发达。
(1)说出甲区域河流的开发利用方向并分析其原因。
(2)甲、乙两地有色金属工业发达。
分析该区域成为我国有色金属冶炼基地的优势。
(3)针对图中B区域水稻种植业生产,有关专家认为不符合可持续发展理念,结合地理环境的基本规律,谈谈你对这一观点的理解。
解析第(1)题,甲区域水能丰富,水电站众多,水能开发是发展方向。
水能资源是否丰富取决于落差和水量两个因素。
第(2)题,有色金属冶炼工业属动力指向型工业,需要丰富的原料和燃料。
第(3)题,本题是开放性问题,无论持何种观点,都要理由充分。
答题角度考虑环境、资源、气候等条件。
答案(1)建设水电站,开发水能。
甲区域有多条支流,水量大;位于我国第一、二阶梯的交界,落差大,水流急,水能资源丰富。
(2)该地区铜、镍等有色金属矿产资源丰富;廉价的水电可以提供电力保障。
(3)同意专家的观点。
该地区处于干旱半干旱地区,蒸发旺盛,而水稻种植业生产需要大量的水资源,造成水资源的浪费,也易造成地下水位上升,土壤盐碱化加剧,造成黄河下游地区水资源短缺甚至河流断流,危及河流下游生态安全。