施工现场电气设备检查记录表1
- 格式:doc
- 大小:66.00 KB
- 文档页数:3
检查周期表
注:工程公司每月对现场进行一次安全检查,其中包括对施工单位自检资料齐全性和符合性的检查;同时在用电申请批准之后的送电检查时。
施工现场临时用电电气材料明细表
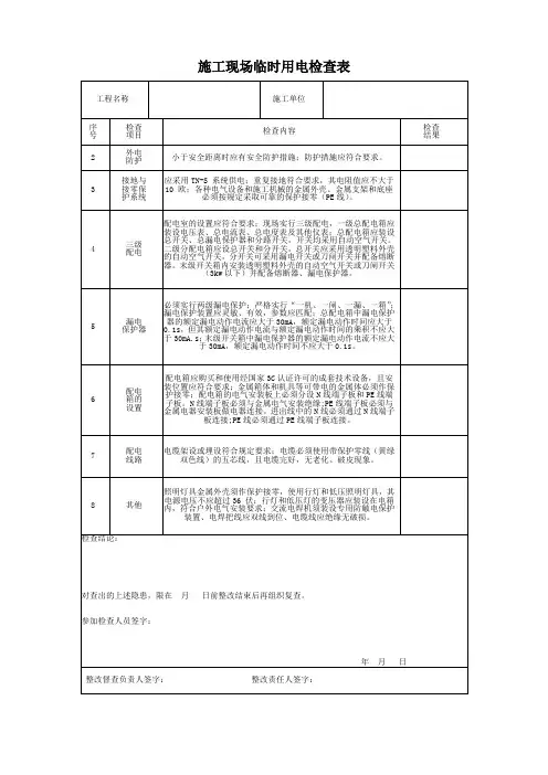
施工现场临时用电验收记录表
施工现场接地极做法详图记录表
施工现场漏电保护器功能试验记录表
施工现场临时用电日常巡查记录表
工程名称:杭锦旗综合文化活动中心配电箱(柜)编号:月份:
巡视情况必须真实填写,每天至少保证巡视一次。
资料
资料
特种作业人员登记表
工程名称:表A7.3。
电气设备检查记录一、任务描述:本次电气设备检查旨在确保设备的正常运行和安全性,包括检查设备的外观、电气连接、绝缘状况、保护装置等方面的情况,并记录检查结果。
二、检查范围:本次检查的电气设备范围包括但不限于:1. 主配电室及其配电盘;2. 电动机及其控制柜;3. 照明设备;4. 空调设备;5. 动力设备;6. 其他相关电气设备。
三、检查内容:1. 外观检查:a. 检查设备外观是否完好,有无明显损坏或者松动的部件;b. 检查设备的标识是否清晰可见;c. 检查设备周围是否存在杂物或者堆积物。
2. 电气连接检查:a. 检查电气设备的接线端子是否紧固可靠;b. 检查接线盒、接线端子等连接部件是否存在松动或者腐蚀;c. 检查电缆绝缘是否完好。
3. 绝缘状况检查:a. 使用绝缘电阻测试仪检测设备的绝缘电阻;b. 检查绝缘电阻是否符合规定的标准值;c. 检查绝缘电阻是否存在异常情况。
4. 保护装置检查:a. 检查设备的过载保护装置是否正常工作;b. 检查设备的短路保护装置是否正常工作;c. 检查设备的接地保护装置是否正常工作。
5. 其他检查:a. 检查设备的温度是否在正常范围内;b. 检查设备的运行状态是否正常;c. 检查设备的通风情况是否良好。
四、检查结果记录:根据以上检查内容,将检查结果记录在电气设备检查记录表中,包括以下信息:1. 检查日期和时间;2. 检查人员姓名;3. 检查设备的具体名称和编号;4. 检查内容及检查结果;5. 异常情况的描述;6. 针对异常情况的处理措施;7. 检查人员的签名。
五、检查报告:根据检查结果,编写电气设备检查报告,包括以下内容:1. 检查的目的和范围;2. 检查的过程和方法;3. 检查结果的总结和分析;4. 发现的异常情况及处理措施;5. 对电气设备的维护和保养建议;6. 检查报告的编写人员和日期。
六、安全措施:在进行电气设备检查时,必须遵守以下安全措施:1. 穿戴符合要求的个人防护装备,如绝缘手套、绝缘鞋等;2. 断开电源并进行安全接地;3. 在检查过程中,严禁触摸裸露的电气部件;4. 检查前应先了解设备的工作原理和操作规程。
附件1检查周期表序号表格名称检查周期备注1 接地电阻测试记录表半年一次施工单位自检,工程公司抽检2 漏电保护器漏电动作参数测试记录表季度一次施工单位自检,工程公司抽检3配电箱进场箱体检查验收表配电箱进场电器装置检查验收表初次进场在配电箱进场时施工单位自检用,不合要求的配电箱施工单位需自行整改4 配电箱安装检查验收表送电前配电箱在施工现场安装时施工单位自检用5 一级配电箱电缆线路安装检查验收表送电前一级箱电缆线路敷设时施工单位自检用9 电工安装、巡检、维修、拆除工作记录表每天作为临时用电组织设计内容,工程公司随机抽检10 特种作业人员登记表长期作为临时用电组织设计内容,工程公司随机抽检注:工程公司每月对现场进行一次安全检查,其中包括对施工单位自检资料齐全性和符合性的检查;同时在用电申请批准之后的送电检查时,若施工单位已建成的供电网络无自检记录,工程公司不予送电。
附件2:接地电阻测试记录表公司名称:序接地类别测试部位、对象仪表型号气候条件测试平均值(Ω)号注:接地类别分为工作接地(<4Ω)、塔吊接地(<4Ω)、防雷接地(<10Ω)、重复接地(<10Ω)、设备接地(按设备的要求执行,并应在设备名称旁注明接地标准阻值及引用标准)漏电保护器漏电动作参数测试记录表公司名称:配电箱编号:开关编号整定值Ramp ×1250mA×5测试时间测试人备注电流(mA)时间(ms)动作特性的验证:将测试仪调至Ramp档位,让测试电流缓慢的增长到IΔn,读取开关断开时的剩余电流值。
开关应在IΔno至IΔn之间断开。
(IΔno一般情况下为IΔn的一半)分断时间的测量:将测试仪调至X1档位,仪器突加IΔn的漏电电流。
a:非延时型IΔn<30mA的开关,最大分断时间应<100ms;b:非延时型IΔn>30mA的开关,最大分断时间应<200ms;c:延时型开关最大分断时间应小于规定延时时间加200ms。
施工现场临时用电检查验收用表
1、施工现场施工用电检查评分表(表SA-C1-13)
2、施工现场施工临时用电验收表(表SA-C6-1)
3、施工现场电气线路绝缘强度测试记录表(表SA-C6-2)
4、施工现场临时用电接地电阻测试记录表(表SA-C6-3)
5、施工现场电工巡检维修记录(表SA-C6-4)
施工现场施工用电检查评分表
表SA-C1-13
工程名称:施工单位:
续表SA-C1-13
检查员签字:年月日
施工现场施工临时用电验收表
表SA-C6-1
工程名称:施工单位:编号:
续表SA-C6-1
注:本表由施工单位填写,监理单位、施工单位各存一份。
施工现场电气线路绝缘强度测试记录表
表SA-C6-2
工程名称:施工单位:编号:
注:1 本表由施工单位填写,建设单位、施工单位各存一份;
2 本表适用于单相、单相三线、三相四线制、三相五线制的照明、动力线路及电缆线路、电机、设备电器等绝缘电阻的测试;
3 表中A代表第一相、B代表第二相、C代表第三相、N代表零线(中性线)、E代表接地线。
施工现场临时用电接地电阻测试记录表
表SA-C6-3
工程名称:施工单位:编号:
注:本表由施工单位填写,监理单位、施工单位各存一份。
封面
施工现场电工巡检维修记录
(年月日~年月日)
表SA-C6-4
工程名称:
施工单位:
施工现场电工巡检维修记录
表SA-C6-4
工程名称:施工单位:编号:
续表SA-C6-4
注:本表由施工单位填写,施工单位存放。