(完整版)洗胃技术操作流程
- 格式:doc
- 大小:27.01 KB
- 文档页数:2
洗胃的操作流程洗胃是一种常见的急救措施,用于清除胃部中毒物质或异物。
下面是洗胃的操作流程:1. 评估病情:在进行任何急救措施之前,首先要评估病情。
判断患者是否真的需要洗胃,是否对洗胃有禁忌症,如有出血病史、胃穿孔等风险疾病,就不能进行洗胃。
2. 准备食管插管和胃管:洗胃需要食管插管和胃管。
食管插管长度通常为55-60厘米,胃管长度为120-150厘米。
在操作前要确保食管插管和胃管是干净的,并且利用护士手册进行确认。
3. 做好准备:清洁和消毒双手并戴上手套。
准备洗胃所需的药品和器材,如生理盐水、剪刀、口罩等。
4. 给患者做好准备:给患者解释清楚洗胃的操作目的、过程和可能的风险,并征得患者的同意。
让患者躺在床上,扶正体位,保持头向一侧,并垫好枕头。
5. 插入食管插管:用干净的手在嘴唇外侧抬起下颌骨,将食管插管小心地放入口腔,并推进到喉部。
当感觉到食管插管无阻塞,便慢慢将其推进直至到达胃的位置。
6. 插入胃管:将预备好的胃管涂上润滑剂,小心地将其插入食管插管,并推进到胃中。
在推进过程中,要分别询问患者是否感觉到不适或喉咙痛。
7. 连接管道:将一个长管子连接到胃管上,并将其连接到洗胃液容器。
将另一个短管子连接到食管管道上,以允许液体出口。
8. 实施洗胃:慢慢注入生理盐水或其他洗胃液体,并观察反流的液体。
通常情况下,每次注入的量约在200-300毫升之间。
需谨慎观察患者的呼吸、心率和血压等生命体征。
9. 清理胃液:同时进行负压吸引,将胃液和残余物吸出。
直至吸出的液体透明为止。
10. 拔除胃管:在洗胃完成后,小心地从胃中、食管中将胃管和食管插管拔出。
11. 监护和观察:洗胃后要对患者进行密切监护,观察血压、心率、呼吸和意识等指标。
如有需要,继续实施其他相应的急救措施。
总结:洗胃是一项复杂的急救措施,需要专业人士进行操作。
正确的操作流程能够有效清除胃部中毒物质或异物,但同时要注意避免对患者产生不必要的损害。
正因如此,洗胃操作必须由专业医务人员进行。
洗胃技术操作流程洗胃是一种常见的医疗操作,用于清洁胃部、排除胃内有害物质或准备胃镜检查。
本文将详细描述洗胃技术的操作流程,确保流程清晰且实用。
1. 准备工作在进行洗胃之前,需要进行一些准备工作,以确保操作的顺利进行。
准备工作包括:1.1 患者准备•宣教:向患者解释洗胃的目的、过程、风险和可能的并发症,并取得患者的同意。
•饥饿:要求患者在洗胃前至少空腹4小时,以避免食物残渣影响操作效果。
•留置静脉通道:为患者留置静脉通道,以便在需要时给予液体和药物。
•心电监护:对患者进行心电监护,以监测心率和心律。
1.2 设备准备•洗胃器具:准备好洗胃器具,包括胃管、抽吸器、注射器、洗胃液等。
•洗胃液:选择适宜的洗胃液,如生理盐水、碳酸氢钠溶液等。
•麻醉药物:根据需要准备麻醉药物,如喉喷麻药。
2. 洗胃操作流程2.1 患者体位将患者安置在卧位,头部略微低于躯干,使胃部位于较低位置,有利于洗胃液的流出。
2.2 喉部麻醉使用喉喷麻药,喷洒于患者的喉部,以减轻患者的不适感和咳嗽反射。
2.3 插入胃管•消毒:用酒精棉球消毒患者的鼻孔和胃管。
•润滑:将胃管涂抹适量的润滑剂,以减少插入时的不适感。
•插入:将胃管由鼻孔插入,引导至患者的胃部。
在插入过程中,要注意避免损伤鼻腔和喉部。
•确认位置:通过观察胃管长度和患者的反应,确认胃管已到达胃部。
2.4 固定胃管将胃管固定在患者的鼻子上,使用透明胶带或绷带固定,确保胃管不会脱落或移位。
2.5 抽吸胃内容物•连接抽吸器:将抽吸器连接到胃管的一端。
•抽吸胃内容物:通过抽吸器,将胃内的内容物抽出。
注意控制抽吸的力度和时间,避免对胃黏膜造成损伤。
2.6 洗胃•准备洗胃液:根据医嘱和需要,准备适量的洗胃液。
•注入洗胃液:将洗胃液通过注射器连接到胃管的一端,缓慢注入洗胃液。
注意控制注入速度和液体量,避免对胃黏膜造成压力和刺激。
•摇晃胃部:在注入洗胃液后,轻轻摇晃患者的胃部,帮助洗胃液与胃内容物充分混合。
洗胃操作流程
洗胃是一种常见的医疗操作,通常用于清除胃内的毒素、残留食物或其他有害物质。
洗胃操作流程一般包括以下几个步骤:
1. 患者准备:在进行洗胃前,医生会要求患者进行一些准备工作,如禁食、停止饮水等。
这是为了确保洗胃操作的顺利进行。
2. 麻醉:在进行洗胃操作时,通常会给患者进行局部麻醉,以减轻患者的不适感。
有时候也会使用全身麻醉,这取决于患者的具体情况。
3. 插管:医生会通过口腔或鼻腔插入一根软管,称为胃管,直接进入胃部。
这个过程可能会引起一些不适,但通常是短暂的。
4. 抽吸:一旦胃管插入到胃内,医生会通过胃管抽吸胃内的液体和残留物质。
这个过程可能需要多次重复,直到胃内的液体清洁为止。
5. 冲洗:在抽吸完毕后,医生会通过胃管向胃内注入清洁的液体,如生理盐水或葡萄糖溶液,以帮助清洗胃部。
这个过程也可能需要多次重复。
6. 检查:在完成洗胃操作后,医生会检查胃内的情况,确保胃内没有残留物质或其他异常情况。
如果有必要,医生可能会进行进
一步的治疗或观察。
7. 恢复:在洗胃操作完成后,患者需要休息一段时间,直到麻醉效果完全消退。
医生会给予适当的护理和建议,以确保患者的康复。
总的来说,洗胃是一种安全有效的医疗操作,可以帮助清除胃内的有害物质,减轻患者的不适症状。
在进行洗胃操作时,患者需要密切配合医生的治疗,遵守医嘱,以确保操作的顺利进行和康复效果。
洗胃的操作流程洗胃的操作流程洗胃是一种常见的治疗方法,可以有效地清除胃内毒素、异物和食物残渣,对于急性中毒、误食有害物质或者消化道出血等情况都有很好的疗效。
下面将详细介绍洗胃的操作流程。
一、准备工作1.医生需要了解患者的病史和症状,并进行必要的体格检查,判断是否适合进行洗胃。
2.准备好所需器材:洗胃管、吸球、抽液器、生理盐水和药物等。
3.让患者空腹,并保持半坐位或侧卧位,以便于操作。
二、插入洗胃管1.先让患者口腔漱口,以减少口腔内细菌数量。
2.医生戴好手套并涂上适量润滑剂,轻轻将洗胃管插入患者口腔,让其自然咽下,直到到达胃底部。
3.通过观察管子长度和吸球抽取内容物颜色等来确认是否已经到达正确位置。
三、抽取内容物1.将抽液器连接到洗胃管,轻轻吸取胃内液体。
2.如果需要,可以通过加压或者减压的方式来帮助抽出内容物。
3.将抽取的液体保存在容器中,以便于后续检查和分析。
四、清洗胃腔1.通过洗胃管向胃内注入生理盐水,以清洗胃腔。
2.每次注入大约100-200毫升生理盐水,注入后稍等片刻再通过洗胃管抽出,并重复此步骤直到出现清澈无色的液体为止。
3.在清洗过程中可以根据需要添加药物来达到治疗效果。
五、结束操作1.在完成所需操作后,将洗胃管从患者口腔中拿出并进行消毒处理。
2.观察患者是否有不适反应或者并发症,并进行相应的处理和记录。
3.告知患者注意事项和后续治疗计划,并做好随访工作。
总结以上就是洗胃的详细操作流程。
在实际操作中需要注意医生和护士要戴好手套、做好消毒工作以及掌握好洗胃管的插入和抽取技巧等。
同时,要根据不同病情和患者情况进行个性化治疗,以达到最佳的治疗效果。
洗胃技术操作流程洗胃技术是一种常见的医疗操作,用于清除胃内积聚的毒素、药物、食物等,以保证胃内的稳定状态。
下面是洗胃技术的操作流程。
1.准备工作在进行洗胃前,需要准备一些必要的物品和设备。
包括洗胃管、吸引器、吸引器管、脱水皂液、生理盐水、橡皮手套、无菌巾、药物(如果需要)等。
2.术前准备清除患者口腔内的异物,保持口腔干燥。
通常可以让患者含漱生理盐水或脱水皂液,然后吐出。
佩戴好橡皮手套,做好消毒措施。
3.安置洗胃管将洗胃管插入患者口腔,咽部至胃中段位置。
在插入过程中,需要关注患者的反应,如有恶心、呕吐等不适,应及时停止操作。
当洗胃管插入到预定位置后,固定洗胃管,防止其脱出。
4.排空胃内容物将洗胃管连接到吸引器管,打开吸引器,将胃内的内容物抽出,直至胃内无异物。
5.冲洗胃腔将生理盐水缓慢注入洗胃管中,同时观察患者的反应。
一般情况下,流入过快会导致患者不适或恶心感,需要减慢流速或暂停冲洗。
在冲洗过程中,需要通过轻轻弯曲或旋转洗胃管来促进液体在胃内的分布。
冲洗后,使用吸引器将洗胃液抽取出来。
6.反复冲洗如果需要彻底清洗胃腔,可以进行多次冲洗。
每次冲洗后都需要将冲洗液抽取出来,直至洗胃液基本清澈。
7.结束洗胃经过多次冲洗后,胃内的毒素、药物、食物等应基本清除干净。
需要仔细观察患者的反应,如没有吞咽困难、呼吸困难等不适,视情况决定是否停止洗胃。
8.清洗洗胃管洗胃结束后,需要将洗胃管拔出,并进行清洗和消毒,以备下次使用。
9.术后观察洗胃后,需要对患者进行观察,关注其呕吐情况、胃部不适感、吞咽困难等症状。
如有异常,应及时处理。
总结洗胃技术是一项熟练操作的医疗技术,需要医务人员具备相关知识和技能。
在实施洗胃操作时,需要注意患者的协作和安全,避免并发症的发生。
医务人员还应了解适应症和禁忌症,根据患者的具体情况判断是否需要进行洗胃操作。
二十六、洗胃技术操作及并发症处理(一)目的解毒:清除胃内毒物或刺激物,避免毒物吸收。
减轻胃粘膜水肿(二)准备1、仪表整洁、举止端庄、自我介绍。
2、环境要求:清洁、干燥、宽敞。
3、准备用物:电动洗胃机,温开水适量、一次性胃管、无菌手套、弯盘、棉签、水温计、液体石蜡、量杯、牙垫、换药碗(内置血管钳1把、纱布2快)、必要时备压舌板、开口器、舌钳湿、手消毒剂、污物缸、一次性围裙、胶布。
(三)操作评估1、评估患者生命体征、意识、瞳孔的变化,病情及合作程度。
2、评估患者口腔鼻黏膜情况及口中异味。
3、对中毒患者,了解患者服用毒物的名称、剂量、浓度、中毒时间及途径等。
4、观察引流液的颜色、性质及量等。
5、观察洗胃机的工作状态。
(四)操作流程转抄核对医嘱→查对床头卡、腕带、解释→评估全身、口腔、鼻腔→再次核对医嘱→洗手→戴口罩→备物→携用物至床旁→核对床号、姓名→取舒适位→移枕→湿润棉签检查清洁鼻孔→备胶布(6厘米3条、1厘米一条)→连接电源→检查洗胃机性能、选择洗胃液(洗胃液量、温度适宜)→测量胃管长度、润滑胃管前段→取仰卧位→头偏向操作者→颌下围围裙、置弯盘→戴手套→放牙垫→自口腔或鼻腔插入→确定胃管在胃内①抽取胃液②有无气泡③听气过水声→固定胃管→连接洗胃机接头→调节参数(300-500ML/次)→打开洗胃机开关→先将胃内容物吸出→再灌入洗胃液→如此反复灌洗→洗出液澄清无味为止→洗胃过程观察病情、生命体征→洗胃完毕→反折胃管拔出→协助患者漱口→取舒适体位→整理床单位→整理用物→消毒手→记录时间、洗出液的性质、颜色、气味、量量、性质→医疗、生活垃圾分开处置→洗手→记录签名(五)并发症处理1、咽喉、食管黏膜损伤、水肿预防:(1)插管前向患者做好解释工作,尽量取得其配合(2)选择质地优良的洗胃管,插管时以润滑油润滑,减轻对食管的刺激。
(3)操作者严格按照操作程序插管,动作轻柔,合理、正确使用开口器。
处理流程:通知医生→遵医嘱处理→观察病情变化→记录2、吸入性肺炎预防:(1)昏迷患者洗胃时取左侧卧位,头稍低并偏向一侧,防止发生误吸。
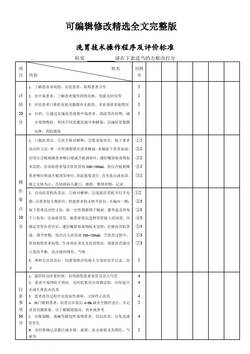
可编辑修改精选全文完整版洗胃技术操作程序及评价标准修订时间2014.01 评分者日期洗胃技术操作程序一、评估1.了解患者身病情,安抚患者,取得患者合作。
2.对中毒患者,了解患者服用药物名称、剂量及时间等。
3.评估患者口鼻腔皮肤及黏膜有无损伤、炎症或者其他情况。
4.目的:①通过实施洗胃抢救中毒患者,清除胃内容物,减少毒物吸收,利用不同的灌洗液中和解毒;②减轻胃黏膜水肿,预防感染。
二、操作要点1.口服洗胃法:①洗手,核对解释;②患者取坐位,取下患者活动性义齿,将一次性围裙围至患者胸前,水桶放于患者面前;③用压舌板刺激患者咽后壁或舌根诱呕吐,遵医嘱留取毒物标本送检;④协助患者每次饮洗胃液300~500ml,用压舌板刺激患者咽后壁或舌根诱发呕吐,如此批复进行,直至洗出液水清、嗅之无味为止;⑤协助病人漱口、擦脸,整理用物,记录。
2.自动洗胃机洗胃法:①洗手,核对解释;②连接洗胃机并打开电源;③患者取左侧卧位,昏迷患者取去枕平卧位,头偏向一侧;取下患者活动性义齿,取一次性围裙围于胸前,置弯盘及纱布于口角旁;④润滑胃管,据患者情况选择胃管插入的深度;⑤确定胃管在胃内后,遵医嘱留取毒物标本送检;⑥接洗胃机管道,调节参数,每次注入洗胃液300~500ml;⑦洗胃过程中,密切观察患者病情、生命体征变化及洗胃情况,观察洗胃液出入量的平衡、洗出液的颜色、气味。
3.两种方法洗胃后,均要观察评估病人全身状况并记录,洗手。
三、注意事项1.插管时动作要轻快,切勿损伤患者食管及误入气管。
2.患者中毒物质不明时,及时收集胃内容物送检,应用温开水或生理盐水洗胃。
3.患者洗胃过程中出现血性液体,立即停止洗胃。
4.幽门梗阴患者,洗胃宜在饭后4~6h或者空腹时进行,并记录胃内潴留量,以了解梗阻情况,供补液参考。
5.吞服强酸、强碱等腐蚀性毒物患者,切忌洗胃,以免造成胃穿孔。
6.及时准确记录灌注液名称、液量,洗出液量及其颜色、气味等。
7.保证洗胃机性能处于备用状态。
(完整版)胃部冲洗技术操作流程胃部冲洗技术操作流程(完整版)
应用范围
胃部冲洗术是一种治疗上消化道出血的有效方法,适用于各种出血原因,如消化道溃疡、上消化道静脉曲张、肿瘤等。
检查前准备
1. 前一天禁止进食,应有8小时以上禁食期,以确保胃内贮留物少,抽取的胃内容物质量准确。
2. 胃镜检查前必须声明有无以下问题:
* 心脏病、高血压等基础疾病。
* 对麻醉药是否有过敏史。
* 是否患有脑外伤、中风、血液病等耐受性不好的疾病。
3. 检查前应进行口腔和牙齿的清洁工作。
实施步骤
1. 术前给患者注射干扰素抗病毒治疗。
干扰素可减少胃镜检查和胃部冲洗时病毒携带带来的风险。
2. 给患者进行麻醉。
3. 穿过气管插管,进入到上消化道处。
当到达胃十二指肠的时候,需要暂停一下,将一定量的液体冲洗胃部。
4. 依次将丙泊酚、芬太尼注射入体内,使患者进入“催眠-麻醉”状态。
5. 使用胃部冲洗泵,把清洗液通过胃内管加压进入胃内,待患者的胃部冲洗液排出干净后停止冲洗。
6. 拆掉气管插管。
7. 观察患者的生命体征与状况。
注意事项
1. 术前准备充分,患者健康状况需要慎重评估。
2. 操作时需要转移患者体位,应该谨慎选择,以防患者气道受到阻塞而导致窒息。
3. 使用药物时,需遵循严格的用药指引。
4. 使用清洗液时,需注意其浓度等化学特性,以及是否带有病原微生物等安全因素。
洗胃操作流程1.口服催吐法一般情况较好的清醒患者,让患者口服洗胃液(1000~1500ml),用压舌板刺激咽部引起呕吐。
如此反复进行,直至胃内容物洗净为止。
2.胃管洗胃法洗胃术可分为胃管法、洗胃器法和电动洗胃机法等数种。
(1)患者卧位靠近床边,头偏斜,将橡皮布治疗巾分别铺于颈肩后和颌下胸部。
(2)向胃内置入导管及灌洗①胃管法成人用大型号胃管、小儿可用导尿管,一般可经鼻插入,具体程序课件比斯胃管置入法。
确认导管入胃内后即可用注射器注入洗胃液,每次300~500ml,如此反复进行,直至毒物洗净。
②漏斗洗胃器法洗胃器尾端有一漏斗,中段装备一橡皮球,前段为胃导管,对意识不清,不易合作者可用开口器打开口腔、舌钳轻轻拉出舌头,再将导管置入胃内。
然后提高洗胃器漏斗距口腔30~40cm高度,经漏斗缓缓灌入洗胃液,1次约500ml,当漏斗内液体灌注将毕时,再将漏斗放低于胃水平一下,并倒置漏斗,利用虹吸作用可将胃内液体引出,如引流不畅可用手捏橡皮球以加强虹吸向外引流,同样,灌注时如速度太慢,也可手捏皮球加快灌注速度。
上述操作宜反复多次,以清洗彻底为止。
③电动洗胃机法该洗胃机装有两个有刻度可计量的大玻璃瓶(一个用于装洗胃液,另一个为收集胃内抽出液)和一正负双向电动机,打开正压向胃内灌注洗胃液,达预定量(一般每次500ml)后关闭正压改用负压吸引即可抽出胃内液体。
如此反复多次直至清洗干净为止。
其插入胃内的导管宜选用较粗胃管或其他胶管,多需经口插入。
(3)拔管上述任一方法均应反复灌洗,直至抽出液清亮与洗胃液色泽透亮度基本相同,无异味(如农药中毒的大蒜味),即可考虑停止洗胃拔出导管。
一般洗胃液量多需在5000ml甚至10000ml。
拔管前可向胃内注入导泻剂如50%硫酸镁60ml或甘露醇250ml,以通过腹泻清楚已进入肠道内的毒物。
因镁离子对中枢神经系统有抑制作用,对昏迷患者会使其昏迷加重,且甘露醇导泻效果、口感均优于硫酸镁,故常规推荐使用20%甘露醇进行导泻。
洗胃技术操作流程口述下载温馨提示:该文档是我店铺精心编制而成,希望大家下载以后,能够帮助大家解决实际的问题。
文档下载后可定制随意修改,请根据实际需要进行相应的调整和使用,谢谢!并且,本店铺为大家提供各种各样类型的实用资料,如教育随笔、日记赏析、句子摘抄、古诗大全、经典美文、话题作文、工作总结、词语解析、文案摘录、其他资料等等,如想了解不同资料格式和写法,敬请关注!Download tips: This document is carefully compiled by theeditor. I hope that after you download them,they can help yousolve practical problems. The document can be customized andmodified after downloading,please adjust and use it according toactual needs, thank you!In addition, our shop provides you with various types ofpractical materials,such as educational essays, diaryappreciation,sentence excerpts,ancient poems,classic articles,topic composition,work summary,word parsing,copy excerpts,other materials and so on,want to know different data formats andwriting methods,please pay attention!洗胃技术操作流程。
一、准备。
1. 准备好洗胃机、洗胃管、止血钳、纱布、润滑剂、生理盐水、吸氧装置、急救药品。
洗胃技术操作流程及考核标准最新版洗胃是一种常见的临床护理技术,主要用于清洁胃部,帮助患者排除胃内的异物、毒素或药物残留物。
在护理工作中,洗胃操作需要严格按照标准流程进行,以确保操作的安全和有效性。
同时,对于护士的技术水平和操作规范也有一定的要求。
下面将介绍洗胃技术操作流程及考核标准的最新版。
一、洗胃技术操作流程1.准备工作在进行洗胃操作之前,护士需要准备好所需的器材和药品,包括洗胃管、生理盐水、护士站签字的洗胃医嘱、橡皮手套、洗手液、纱布等。
同时,需要与患者进行沟通,告知操作流程和注意事项,并征得患者的同意。
2.术前准备首先,护士要检查洗胃医嘱,确认患者的病史、用药情况和禁忌症。
然后,让患者取仰卧位,解开衣扣,保持呼吸道通畅。
同时,为患者做好隐私保护工作,确保操作环境的整洁和安全。
3.洗胃操作(1)消毒洗胃管和患者口腔护士先要进行洗手消毒,然后戴上橡皮手套。
接着,在患者口腔内用生理盐水进行漱口,保持口腔清洁。
然后,护士要先用生理盐水洗胃管,确保洗胃管的清洁和无菌。
(2)插管进胃护士拿起洗胃管,让患者取仰卧位,然后让患者含住洗胃管的一端,慢慢将洗胃管放入患者口中,引导患者通过吞咽将洗胃管顺利插入食管和胃部。
(3)抽吸胃内容物确保洗胃管插入到胃部后,护士要将洗胃管连接到负压吸引器具上,进行抽吸胃内容物。
需要根据医嘱中规定的时间和抽吸的量进行操作,同时观察患者的临床反应。
(4)冲洗胃部在抽吸胃内容物后,护士需要将预先准备好的生理盐水通过洗胃管缓慢注入患者的胃部,进行冲洗和清洁。
同时,观察患者的耐受性和不适症状。
4.术后处理当洗胃操作结束后,护士要及时拔除洗胃管,让患者保持卧床休息,并观察患者的舒适度和吞咽动作。
同时,将洗胃操作的过程、结果和患者的反应进行详细记录,向医生进行汇报。
二、考核标准1.技术操作规范护士在进行洗胃操作时,需要严格遵循操作规程,确保每个步骤的准确和规范。
包括消毒洗胃管和患者口腔、插管进胃、抽吸胃内容物、冲洗胃部和术后处理等环节,需要有条不紊地进行。
洗胃操作流程及评分标准洗胃是一种常见的医疗操作,通常用于排除胃内有害物质,或者对胃进行治疗。
下面将介绍洗胃的操作流程及评分标准。
1. 洗胃操作流程。
洗胃操作需要在医生的指导下进行,一般包括以下步骤:(1)患者准备,患者需要空腹前来,医生会询问患者的病史和症状,对患者进行初步检查,确保患者适合进行洗胃。
(2)麻醉,在进行洗胃前,医生会给患者进行局部麻醉,以减轻患者的不适感。
(3)插管,医生会通过口腔或鼻腔将软管插入胃内,然后通过软管向胃内注入生理盐水或其他洗胃液。
(4)抽吸,一旦洗胃液进入胃内,医生会利用负压抽吸的方式将胃内的液体抽出,以清除胃内有害物质或者治疗胃部疾病。
(5)观察,医生会观察洗胃液的颜色和气味,以判断胃内情况。
(6)结束操作,当洗胃操作完成后,医生会将软管取出,患者需要休息一段时间,直至完全清醒。
2. 评分标准。
洗胃操作的质量和效果需要进行评分,一般包括以下几个方面:(1)操作技术,评分者会对医生的操作技术进行评估,包括插管的准确性、抽吸的力度和频率等。
(2)患者反应,评分者会观察患者在洗胃过程中的反应,包括是否出现过度不适、疼痛等情况。
(3)洗胃液清洁度,评分者会对洗胃液的清洁度进行评估,包括颜色、气味等指标。
(4)洗胃效果,评分者会根据洗胃后患者的症状变化和体征改善情况来评估洗胃的效果。
(5)并发症,评分者会观察洗胃过程中是否出现并发症,如误吸、出血等情况。
3. 结语。
洗胃是一项需要专业医生进行的操作,操作流程和评分标准的严格执行对于保证洗胃的质量和安全至关重要。
希望本文介绍的洗胃操作流程及评分标准能够为相关医护人员提供参考,确保洗胃操作的顺利进行和有效评估。
临床技术操作规程(洗胃术)【适应证】1.清除胃内各种毒物。
2.治疗完全或不完全性幽门梗阻。
3.急、慢性胃扩张。
【禁忌证】1.腐蚀性胃炎(服人强酸或强碱)。
2.食管或胃底静脉曲张。
3.食管或贲门狭窄或梗阻。
4.严重心肺疾患。
【准备工作】1.详细询问现病史,全面复习病历,认真确定适应证,特别要注意有无消化道溃疡、食管阻塞、食管静脉曲张、胃癌等病史。
2.器械准备:治疗盘内备漏斗洗胃管、镊子、纱布(用无菌巾包裹)、橡胶围裙、液状石蜡、棉签、弯盘、大水罐或量容器内盛洗胃液(灌洗溶液成分、浓度及量按需要准备)、压舌板、开口器、治疗巾,输液架,盛水桶2只。
使用电动洗胃机洗胃时,应检蠢机器各管道衔接是否正确牢固,运转是否正常。
电源是否已接地线。
3.洗胃后如需灌人药物应做好准备。
【操作方法】1.若病人清醒而合作,可先用棉签或压舌板刺激咽喉催吐,以减轻洗胃的困难及并发症。
2.病人取坐位或半坐位,中毒较重者取左侧卧位。
置橡胶围裙围于病人胸前,如有活动假牙应先取下,置盛水桶于头下,置弯盘于病人口角处。
3.证实胃管已插人胃内,即可洗胃。
将漏斗放置低于胃部的位置,挤压橡胶球,抽尽胃内容物,并留取标本送验。
4.举漏斗高过头部30~50cm,将洗胃液慢慢倒入漏斗300~500mL,当漏斗内尚余少量溶液时,迅速将漏斗降低至低于胃的位置,并倒置于盛水桶,利用虹吸作用引出胃内灌洗液。
若引流不畅时,可挤压橡胶球吸引,直至排尽灌洗液,然后再高举漏斗,注人溶液,如此反复灌洗,直至洗出液澄清无味为止。
5.自动洗胃机操作方法:(1)按常规方法插入胃管。
(2)将配好的胃灌洗液放人塑料桶(或玻璃瓶)内。
将3根橡胶管分别与洗胃机的药管、胃管和污水管口连接。
将药管的另一端放人灌洗液桶内(管口必须在液面以下),污水管的另一端放人空塑料桶(或玻璃瓶)内。
胃管的一端和病人就胃管相连接。
调节好药量大小。
(3)接通电源后按“手吸”键,吸出胃内容物。
再按“自动”键,机器即开始对胃进行自动冲洗。
洗胃技术操作流程一、评估:1。
了解病情、意识,服毒物的名称、剂量及时间。
2。
了解患者口鼻皮肤及粘膜情况.3.安抚患者,解释洗胃的目的和方法,取得合作。
二、准备:.1.检查洗胃机的性能及管道连接是否正确。
2.洗手、戴口罩及手套。
3。
根据病情准备用物及洗胃液.三、操作:1.物品准备治疗盘内有乳胶胃管、镊子、石蜡油、纱布、弯盘、注射器、棉签、压舌板、开口器、牙垫、听诊器等。
洗胃机链接管路,接通电源,打开快关.2.病人取左侧卧位,意识障碍患者取去枕平卧头偏向一侧,胸前垫以防水布,弯盘放于病人的口角处.3.测量胃管长度:前额发际致剑突(约45~55cm)将消毒的胃管前端涂石蜡油后左手用纱布捏着胃管,右手用纱布裹住胃管5~6cm处,自鼻腔或口腔缓缓插入.当胃管插入14~16cm(咽喉部)时,嘱病人做吞咽动作4.如患者不能配合时则可用开口器撑开上下牙列,或置牙垫等,切不可勉强用力。
5.在插入胃管过程中如遇病人剧烈呛咳、呼吸困难、面色发钳,应立即拔出胃管,休息片刻后再插,避免误入气管。
6.为证实胃管已进入胃内的三种方法:①注射器接于导管末端回抽,看是否可抽出胃液。
②将导管末端放入盛有凉开水或生理盐水的碗中,看有无气泡溢出。
③用注射器注入10-20ml空气于胃管内将听诊器放在病人上腹部,听诊有无气过水声7.连接洗胃机,按开始键对胃进行自动冲洗,反复冲洗至洗出液澄清为止。
8. 洗胃完毕,关闭开始键,断开胃管与洗胃机连接管,查腹部情况,反折胃管后拔出,防止管内液体误入气管。
四、整理床单位及用物,协助患者取舒适体位。
五、记录灌洗情况及病情变化。
六、消毒洗胃机及管道,处于备用状态。
目的:1.解毒:清除胃内毒物或其它有害物质,还可利用不同的灌洗液进行中和解毒,适用于急性中毒。
服毒后6h内洗胃最有效.2.减轻胃粘膜水肿:洗出胃内潴留的食物,减轻潴留物对胃粘膜的刺激,从而减轻胃粘膜的水肿与炎症。
3。
某些手术或检查前准备。
禁忌症:1.吞服强酸、强碱者禁忌洗胃。
【最新】洗胃技术操作流程
洗胃是将胃管插入胃中,注入洗胃液后反复进行冲洗,直到胃内液体清洗干净为止。
日常生活中洗胃的常见原因包括农药中毒、药物过量或是强碱的摄入等,目的是通过洗胃将有毒物体进行排出。
1.洗胃时,患者应取仰卧位,将头转向一侧,防止洗液流入气管,用石蜡油润滑胃管末端,从口插入约50厘米,吸出少量胃液,证明胃管在胃里。
当毒物种类不明时,洗胃液一般用生理盐水,毒物种类已知时,应用相应的解毒剂,然后用50-100ml注射器注射洗胃液,每次注射量为300-500ml,然后吸出丢弃,反复冲洗直至胃内液体澄清。
2.洗胃的常见原因是药物中毒或是吸入有害物质等情况,通过洗胃可以刺激咽喉诱发呕吐,或通过洗胃促进胃内未被吸收的药物和其他有害物质,以防止对人体造成伤害。
如果出现上述情况,建议及时进行洗胃,防止药物或毒物对身体造成伤害。
— 1 —。
术前洗胃操作流程一、洗胃前准备。
咱先得找个合适的地儿,得安静、整洁、光线也好的地方来进行洗胃操作。
洗胃机得准备好,要检查洗胃机有没有啥毛病,能不能正常工作。
还有洗胃管,这洗胃管可得好好看看,不能有破损啥的。
再就是各种溶液啦,像生理盐水这些常用的洗胃溶液要准备充足。
溶液的温度也很关键哦,一般是35 - 38℃,就跟人体的温度差不多,这样灌到胃里人才不会太难受。
还有啊,要跟患者好好沟通。
这时候就得特别有人情味啦。
要温柔地跟患者说,“亲,咱现在要洗胃啦,这可能会有点不舒服,不过你别担心,这都是为了手术能顺利进行呢。
”得让患者心里踏实。
二、插洗胃管。
这一步可不能马虎。
让患者取合适的体位,一般是左侧卧位,就像睡觉侧卧那样,不过要更注意姿势哦。
然后开始插洗胃管,插的时候要轻轻的,一边插一边跟患者聊天,分散他的注意力。
比如说“亲,你想啊,洗完胃之后身体就会更健康啦,就能更好地面对手术啦。
”插的时候要注意深度,大概是从鼻尖到耳垂再到剑突的距离。
插进去之后要确认洗胃管是不是在胃里呢,可以用注射器抽吸,能抽出胃液就说明插对地方啦。
三、开始洗胃。
洗胃机接上电源,调好参数。
这个参数设置也很重要哦,就像做饭放盐一样,得恰到好处。
然后开始洗胃,这时候要观察洗胃液的进出量,进出量要平衡。
要是进的多出的少,那可不行,会把胃撑坏的。
在洗胃的过程中,要时刻关注患者的反应。
要是患者觉得难受,比如说恶心、呕吐,就得暂停一下,安慰安慰患者,“忍一忍哈,马上就好啦。
”同时检查洗胃管有没有堵塞啥的。
四、洗胃后的护理。
洗胃结束之后,先把洗胃管慢慢拔出来,动作要轻,就像从土里拔萝卜一样,不能太粗鲁。
然后让患者休息一下,给他擦擦脸啥的,这时候患者可能有点虚弱,要像照顾小婴儿一样照顾他。
要注意观察患者的生命体征,像血压、心率这些。
还要问问患者的感受,“亲爱的,现在感觉咋样啦?”如果有啥不舒服的地方,要及时处理。
洗胃技术操作流程
一、评估:
1.了解病情、意识,服毒物的名称、剂量及时间。
2.了解患者口鼻皮肤及粘膜情况。
3.安抚患者,解释洗胃的目的和方法,取得合作。
二、准备:.
1.检查洗胃机的性能及管道连接是否正确。
2.洗手、戴口罩及手套。
3.根据病情准备用物及洗胃液。
三、操作:
1.物品准备治疗盘内有乳胶胃管、镊子、石蜡油、纱布、弯盘、注射器、棉签、压舌板、开口器、牙垫、听诊器等。
洗胃机链接管路,接通电源,打开快关。
2.病人取左侧卧位,意识障碍患者取去枕平卧头偏向一侧,胸前垫以防水布,弯盘放于病人的口角处。
3.测量胃管长度:前额发际致剑突(约45~55cm)将消毒的胃管前端涂石蜡油后左手用纱布捏着胃管,右手用纱布裹住胃管5~6cm处,自鼻腔或口腔缓缓插入。
当胃管插入14~16cm (咽喉部)时,嘱病人做吞咽动作
4.如患者不能配合时则可用开口器撑开上下牙列,或置牙垫等,切不可勉强用力。
5.在插入胃管过程中如遇病人剧烈呛咳、呼吸困难、面色发钳,应立即拔出胃管,休息片刻后再插,避免误入气管。
6.为证实胃管已进入胃内的三种方法:①注射器接于导管末端回抽,看是否可抽出胃液。
②将导管末端放入盛有凉开水或生理盐水的碗中,看有无气泡溢出。
③用注射器注入10-20ml空气于胃管内将听诊器放在病人上腹部,听诊有无气过水声
7.连接洗胃机,按开始键对胃进行自动冲洗,反复冲洗至洗出液澄清为止。
8. 洗胃完毕,关闭开始键,断开胃管与洗胃机连接管,查腹部情况,反折胃管后拔出,防止管内液体误入气管。
四、整理床单位及用物,协助患者取舒适体位。
五、记录灌洗情况及病情变化。
六、消毒洗胃机及管道,处于备用状态。
目的:
1.解毒:清除胃内毒物或其它有害物质,还可利用不同的灌洗液进行中和解毒,适用于急性中毒。
服毒后6h内洗胃最有效。
2.减轻胃粘膜水肿:洗出胃内潴留的食物,减轻潴留物对胃粘膜的刺激,从而减轻胃粘膜的水肿与炎症。
3.某些手术或检查前准备。
禁忌症:
1.吞服强酸、强碱者禁忌洗胃。
2.上消化道溃疡、癌症患者不宜洗胃。
3.胃插管禁忌症,如食道阻塞、食道胃底静脉曲张,胸主动脉瘤等。