高级冷作工实践考核试题
- 格式:pdf
- 大小:195.34 KB
- 文档页数:6
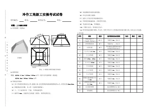
--------------------------------------------------------------------密 ---------------------------- 封 --------------------------- 线-----------------------------------------------------------(答题不能超出密封装订线)冷作工高级工实操考试试卷考件编号: 姓名: 准考证号: 单位: 试题:上口倾斜方锥管1.考件图样(见图1)立体图图1 上口倾斜方锥管的展开和制作2.材料要求钢板:Q235A 0.3mm ×1000mm ×500mm 1件(展开及夹角样板)或油毡 Q235A 6mm ×500mm ×500mm 1件 3.考核技术要求:(1)该工件落料时要求为4件,接缝4条,定位焊要求每条接缝两端各1点,点焊长度15mm ~20mm 。
(2)样板要求为外侧,共4件(包括折角样板)。
(3)上、下口必须在同一平面,不得扭曲变形。
(4)板厚为6mm ,对接形式为角接(附图),壁厚处理自定。
(5)未按图制作取消比赛资格。
(6)不允许用锉刀修整。
(7)试件上不允许有明显锤痕存在。
(8)不准使用机械设备,否则考件作废。
(9)考试时间为3h ,不得超时。
(10)不累计扣分,单项扣完为止。
(11)所有因违反操作规程、不安全、考件不符合尺寸和要求等因素未配分的,均在总分中扣除。
4.评分表序号 项目配分 技术要求及扣分要求 扣分 得分 备注 1 样板边线尺寸(共12条,每条2分)24分 每超差1mm ,扣1分 2 折角样板角度 6分 每超差1°,扣1分 3 点焊位置 6分 不在规定位置每处扣2分 长度超差每处扣2分 4 上口尺寸142.8mm 8分 每超差1mm ,扣1分 5上口对角线 6分 每超差1mm ,扣1分 6 高度120mm 、168mm 6分 每超差1mm ,扣1分 7 下口尺寸300mm 8分 每超差1mm ,扣1分 8 下口对角线 6分 每超差1mm ,扣1分 9 上口平面度 8分 每超差1mm, 扣1分 10 下口平面度 8分 每超差1mm, 扣1分 11 接缝位置间隙最大允许2mm 8分 每超差1mm ,扣1分 12 气割缺陷及缺肉最大允差3mm 6分 每超差1mm ,扣1分 13 安全操作规程 违反者酌情扣1~5分 14考场规则违反者酌情扣1~5分主视图俯视图考评人:。
冷作工技师职业技能鉴定理论试题参考答案及评分标准一、选择题(每题1分,共20分)1. B2.D3.A4. C5. C6.B7.A8.B9.A 10.C ll.A 12.B 13.A14.B 15.B 16.C 17.B 18.D 19.B 20.B二、判断题(每题1分,共20分)1.X2. V3.J4.X5. V6.X7.X8.X9. J 10.X 11. V 12.X 13. V 14.X15.V 16.X 17.X 18. V 19.X 20 V三、简答题(5题、每题6分,共3()分)1.答:划线下料时应考虑加工余量如下:(1 )切削(0.2 5分)、刨边(0.2 5分)、滚压(0.2 5分)、热加工余量;(0.2 5分)1)半自动气割加工余量为3 mm。
(0.5分)2 )手工气割加工余量为4 mm。
(0 .5分)3 )刨边加工余量为4 mm〜5 mm。
(0 . 5分)4 )铁;边加工余量为3 mm〜4 mm等(0 . 5分)5 )加热次数根据厚度每项0 . 2 mm〜0 . 5 mm /次;(0.5分)(2 )焊接收缩余量,一般近似估算;(1分)对接焊缝纵向收缩0.1 5 mm〜0.3 mm /m, (0.5分)连接角焊缝收缩余量0.2 mm-0.4 / m, (0 .5分)间断角焊缝收缩余量0 . 1 mm / me (0 . 5分)2.答:(1 )影响火焰矫正效果的因素主要有:工件刚性、(0.3分)加热位置、(0.3分)火焰热量、(0.3分)加热面积、(0.3分)冷却方式。
(0.3分)(2 )加热方式及应用范围:①点状加热。
(0.5分)用火焰在工件上作圆环状游动,均匀地加热成圆点状,俗称火圈,火圈在钢材上呈梅花状布置,(0 . 5分)适用于板材矫正;(0.5分)②线状加热,(0.5分)火焰在一定方向沿直线移动,或同时作横向摆动,形成有一定宽度的条状加热,(0.5分)多用于所正刚性和变形较大的结构件;(0.5分)③三角形加热,(0.5分)借火焰摆动使加热区呈三角形,三角形底边在被矫正钢板的边缘,顶端向内,(0.5分)适用于矫正厚度和刚性比较大的构件变形,如梁系件o (0.5分)3.答:调试的主要内容:(1)调试前闸门静平衡试验;(1.2分)(2)液压启闭机管道空载调试;(1 .2分)(3)无水情况下闸门的全行程启闭三次;(1.2分)(4)有水(静水)情况下闸门启闭试验;(1.2分)(5)闸门动水调试,(0.6分)闭门时间小于120so (0 .6分)4.答:试验方法为:将闸门吊离地面1 0 0 mm左右,(1分)通过滚轮或滑道的中心测量上、(0.5分)下游方向和左右方向的倾斜,(0.5分)一般单吊点平面闸门的倾斜不应超过门高的1 / 1 0 0 0 , ( 1分)且不大于8.0 mm; 0 . 5分)平面链轮闸门的倾斜应不超过门高的1 / 1 5 0 0 , ( 1分)且不大于3. 0 mm, (0 . 5分)当超过上述规定时,(0.5分)应予配重。
冷作工考试试题及答案一、选择题(每题2分,共40分)1. 冷作工是负责处理和加工金属材料的工种,他们的主要作用是:A. 制造新的金属材料B. 修复损坏的金属制品C. 进行金属焊接D. 进行金属加热处理2. 在冷作工的工作中,下列哪项是非常重要的安全措施?A. 戴防护手套B. 穿着防护眼镜C. 佩戴耳塞D. 佩戴安全帽3. 冷作工常用的各种金属加工工具中,下列哪一种是用于打磨金属表面的?A. 锉刀B. 锤子C. 钳子D. 细锉4. 下列哪一个过程是冷作工中常用的弯曲金属的方法?A. 滚压B. 铺锤C. 弯曲机械D. 压铆5. 下列哪一种金属成型方式是常见的冷作工作中常用的?A. 热轧B. 冷轧C. 淬火D. 熔炉处理6. 冷作工在完成任务后,应该:A. 将工具乱丢乱放B. 负责清理工作场地C. 离开时不关闭机器D. 不需要对工作进行检查7. 冷作工在进行金属加工时,应该特别注意:A. 保持正确的工作姿势B. 忽略安全警告C. 不使用个人防护装备D. 与同事交流不足8. 下列哪一项是冷作工中常见的金属切割方法?A. 氧气切割B. 电焊切割C. 坡口切割D. 火焰喷射9. 冷作工处理金属时,最需要注意的是:A. 表面光洁度B. 工件尺寸C. 加工速度D. 工具选择10. 为了确保工作安全,冷作工需要经常进行:A. 检修设备B. 培训和学习C. 清洗工作区域D. 与同事竞争二、填空题(每题3分,共30分)1. 冷作工最常用的金属材料是_________。
2. 冷作工的主要任务是_________。
3. 冷作工应该经常进行设备的_________。
4. 金属加工中最重要的安全措施之一是佩戴_________。
5. 冷作工应该注意保持正确的工作_________。
三、简答题(每题10分,共30分)1. 请简要介绍冷作工在金属加工中常用的三种工具,并说明其作用。
2. 冷作工在工作中经常需要进行的安全措施有哪些?请至少列举三项。
冷作工试题与答案一、选择题1.冷作是利用什么方法对金属材料进行成形?a)热处理b)锻造c)机械加工d)焊接答案:c)机械加工2.冷作在金属材料中具有以下哪项优点?a)提高材料硬度b)增加材料延展性c)降低材料强度d)减少材料疲劳寿命答案:a)提高材料硬度3.以下哪项不是冷作工艺的分类?a)拉伸b)轧制c)挤压d)锻造答案:d)锻造4.在冷作过程中,材料会发生什么变化?a)加热b)变形c)熔化d)蒸发答案:b)变形5.冷作会引起材料内部应力的增加,这对于材料的什么性能有影响?a)延展性b)强度c)硬度d)导热性答案:b)强度二、判断题1.冷作可以提高材料的硬度。
答案:正确2.冷作是一种热处理方法。
答案:错误3.冷作可以减少材料的延展性。
答案:正确4.冷作工艺分为挤压、锻造和轧制三类。
答案:错误5.冷作材料会引起内部应力的增加。
答案:正确三、简答题1.请简述冷作工艺的基本原理。
答:冷作是利用机械力对金属材料进行塑性变形的一种加工工艺。
通过外力的作用,使材料获得所需形状和尺寸,从而改变其物理和机械性能。
冷作过程中,材料的晶体结构发生变化,原来呈均匀各向同性的结构变为带有明显各向异性的结构,从而提高了材料的硬度和强度。
2.列举三种常见的冷作工艺,并简要说明其原理。
答:常见的冷作工艺包括拉伸、轧制和挤压。
- 拉伸:将材料置于拉伸机上,施加拉力使材料产生塑性变形,从而改变其形状和尺寸。
拉伸工艺常用于金属丝的制造。
- 轧制:通过连续压制材料,使其逐渐改变形状和尺寸。
轧制工艺常用于金属板、带材和棒材的制造。
- 挤压:将材料放置于挤压机的模具中,通过施加压力使材料产生塑性变形,从而获得所需形状。
挤压工艺常用于铝型材和铜管的制造。
3.冷作对材料的性能有何影响?答:冷作会使材料的硬度和强度提高,但也会降低其延展性和韧性。
在冷作过程中,材料的晶体结构发生变化,原来呈均匀各向同性的结构变为带有各向异性的结构。
这导致在应力作用下,材料更容易出现断裂,延展性和韧性降低。
高级《冷作工》技能操作考试试卷(A卷)
单位_____________ 部门______________ 姓名准考证号
1.图纸
2.考核要求
(1)考核内容
1)三角形展开方法的应用:①熟练掌握三角形展开法;②等分合理、准确;③正确救出实长线。
2)手工弯曲成形操作:①曲率准确,上口用卡样板检查局部间隙≤0.5mm;②曲面圆滑;
③成形表面质量好无明显锤痕和机械损伤;④操作熟练。
3)装配操作:①熟练进行装配操作;②装配修形后各尺寸;152mm±0.5mm;140mm±0.5mm,对角线±0.5mm,长360mm±1mm,高325mm±1mm
4)放样展开操作:①实样尺寸公差±0.5mm;②熟练运用三角形展开方法,动作合理,规范;正确用三角函数计算下口边长。
5)錾切下料操作:①操作熟练,准确;②下料尺寸正确,切口平齐。
(2)工时定额:300min
(3)安全文明生产:①能正确执行安全技术操作规程;②能按企业有关文明生产的规定,做到工作地整洁、工件、工具摆放整齐。
高级《冷作工》技能操作考试试卷(A卷)单位_____________ 部门______________ 姓名准考证号。
冷作工(高级)练习卷(D卷)一、判断题1.齿轮传动可以保持瞬时传动比的稳定。
( ) √2.晶体两极管对电流有放大作用。
( ) ×3.晶体三极管对电流有反向截止作用。
( ) √4.磁粉探伤只适用于探测铁磁性材料和工件的缺陷。
( ) √5.在一个导程内,园柱螺旋线的长度等于2πR。
( ) ×6.防止焊接变形和降低残余应力往往是矛盾的,因此,一般来说,强度上重要的部件,重点在于减少残余应力,而薄板结构、次要部件在于防止残余变形。
( ) √7.局部加热矫正时,点状加热的特点是点的周围向中心收缩,使"点"的部分变紧一些,而点的周围以外变松些。
( ) √8.角钢在内弯时,如为切口弯曲,都需加补料,在外弯时,如为切口弯曲都不需补料。
( ) ×9.在常用金属材料中,钢的弹性模数较高,约为钢合金的两倍,铝合金或铸铁的三倍。
( ) √10.换面法中辅助投影面的选择,绝大部分是直角坐标系。
( ) ×11.板料弯曲时,中心层既不伸长,也不缩短。
( ) ×12.焊缝表面的气孔、夹渣、弧坑等较大的缺陷可用肉眼或放大镜检测。
( ) √13.气焊某些合金时,如果生成的难熔氧化物浮在熔池表面,将给焊接带来很大的困难。
( )√14.我国标准规定,在计算负载持续率时,对于焊接电流在500安培以内的手弧焊机以5分钟为一个工作周期。
( ) √15.凡母线为直线,相邻两条直素线能构成一个平面时的曲面都是可展表面。
( ) √16.板厚大,则弯曲半径宜小,板厚小,弯曲半径宜大。
( ) ×17.压弯终了时,如继续增加压弯力则回弹增大。
( ) ×18.在设计时无需计算联系焊缝的强度,而工作焊缝的强度则必须计算。
( ) √19.若极位夹角为零,则机械设有急回特性。
( ) √20.传动角越小,机械的传力性能越好。
( ) ×二、单项选择题1.基本时间和辅助时间之和称为( )。
冷作工高级技师试题一、选择题1.冷却剂的主要作用是什么?– A. 增加工作流体的温度– B. 减少工作流体的温度– C. 提高制冷设备的效率– D. 降低环境温度–答案:B2.下列哪种冷却剂最常用于家用空调系统?– A. 氨– B. 氦– C. 氮– D. 氟利昂–答案:D3.冷却剂泄露会对环境和人体健康造成什么影响?– A. 导致臭氧层破坏– B. 导致地球变暖– C. 导致人体呼吸困难– D. 导致水资源污染–答案:A4.制冷循环中,以下哪个部件负责把低温低压的制冷剂压缩成高温高压的制冷剂?– A. 蒸发器– B. 冷凝器– C. 压缩机– D. 膨胀阀–答案:C5.冷却水箱的主要作用是什么?– A. 降低制冷设备的温度– B. 压缩制冷剂– C. 储存冷却剂– D. 增加系统的制冷效果–答案:A二、填空题1.制冷循环的四个基本组件为蒸发器、冷凝器、________和膨胀阀。
–答案:压缩机2.制冷剂的循环流程中,接收器的作用是________制冷剂。
–答案:储存3.常用的制冷剂有氨、氟利昂等,它们的化学式分别为________。
–答案:NH3、CFC-124.冷却剂的流变性能指标主要包括________、润湿性和毒性。
–答案:粘度5.制冷循环中,能将高温高压制冷剂转化为高温低压状态的部件为________。
–答案:膨胀阀三、简答题1.解释冷却剂的作用原理以及常见冷却剂的选择原则。
冷却剂的主要作用是通过吸收热量和释放热量来改变工作流体的温度。
在制冷循环中,冷却剂从蒸发器吸收热量,变成低温低压气体。
然后通过压缩机将其压缩成高温高压气体,再经过冷凝器释放热量,变成高温高压液体。
最后通过膨胀阀降低压力,使其变成低温低压液体,重新进入蒸发器循环。
选择冷却剂时,需要考虑其物理、化学特性以及环境和人体健康影响。
常见的冷却剂有氨、氦、氮和氟利昂等。
选择冷却剂时,需要综合考虑其制冷效果、安全性、环境友好性以及成本因素等。
试题1、三节蛇形管的展开与制作本题分值:100分考核时间:390分钟考核形式:实际操作具体考核要求:1.考核前应仔细阅读工作图样,有疑问可向监考人员提出,不允许互相商量。
2.根据工作图样作出放样图并进行展开,展开图在白纸板上进行;展开后应保留展开图(展开图在图板上进行),并以此过样制作下料样板(0.5mm白铁板,过样方法不限);过样后将展开图交给监考人员;展开图不得有任何污损和剪裁,否则不予评分。
3.划线后采取手工落料的方法进行下料,不允许采用气割的方法下料;成型前允许使用角磨机、砂轮机等对坯料进行手工修磨,但应保留切割线半个样冲眼;4.组对前,应逐节成型(共3节),连接处要求定位焊,每条焊缝定位焊焊点4—5处。
三节圆管的接口缝不允许重合成一条接缝,接缝必须错开,位置由考生自定。
5.参考人员需要帮助时(如需协助打锤)应向监考人员提出,经同意后,辅助人员可进入场内协助打锤,协作后应主动退出考场。
6.组对后的工件不允许使用角磨机等进行修磨或抛光,允许使用锉刀进行修磨。
7.考核结束后,参考人员应将工件、样板、试题一并交给监考人员,打上标记,清理好工作场地后方可离开考场。
8.下料后的零件坯料不允许在立式砂轮机上进行修磨,以避免操作事故的发生;凡私自动用砂轮机的按违章处理,由此而引发人身设备事故的,其后果自负。
9.凡无特殊工种操作证或资格证的考生,一律不得进行特殊工种的操作(如电焊操作),否则按违纪处理。
10.凡违章违纪人员被警告二次以上视为严重违章违纪;考生严重舞弊(如抄袭他人展开图、擅自自带样板及下好的未成形坯料等)或冒名顶替均视为严重违章违纪。
否定项说明:1、本题中展开图换面错误的,不允许进行落料,成绩为不及格。
2、凡在落料过程中出现料废的,取消继续考试的资格,成绩以不及格处理。
试题2、编制16T/3.2T桥式起重机主梁(M2734)工艺路线过程卡片考核时间:150分钟考核形式:笔试考核要求:在熟读M2734主梁图的基础上,编制工艺路线过程卡;按给定的格式进行编写。
冷作工高级技师试题一.填空(10分,每空1分)1.对于任何形体表面都能(准确或近似)展开的展开方法是()法。
2.在板件的弯曲成型中,当其相对弯曲半径很小时,板件的中性层在其中心层的()侧。
3.冷铆所用的铆钉是由()钢制成,而且要经过退火处理。
4.按空间位置,()焊缝为最佳焊缝形式。
5.将金属板材、管材及型材在基本不改变其断面特征的情况下加工成各种制品的综合工艺称为()。
6.两块薄板对接拼焊时,由于焊缝的纵向收缩导致焊缝两边的()变形。
7.当没有外力作用时,物体内部所存在的应力叫做()。
8.影响焊接变形的因素是较多的,但对于生产工人来说是()、()和()。
二.选择题(30分,每题2分)1.轴线相交的两回转体,求其相贯线的常用方法是()a取点法b辅助平面法c辅助球面法2.正螺旋面是一个()曲面。
a可展b近似可展c不可展3.管材弯曲时,其横截面变形的程度取决于()和相对壁厚的值。
a 弯管中性层半径b相对弯曲半径c管子外径4.在钢结构中,工作焊缝承担着()作用。
a传递载荷b元件间相互联接c传递载荷及元件间相互联接5.冷作与焊接、金属切削、()、检验等工艺结合,形成完整的产品制造过程。
a热处理b表面处理c冲压6.对于焊缝内部缺陷的检验可选用()。
a水压实验b磁粉探伤c超声波探伤7.在钢结构件的矫正中,只能选择()进行矫正。
a应力集中区b变形区c钢性较弱区8.氧乙炔切割使用于任何熔点()燃点的金属材料的切割。
a低于b 高于c等于9.金属结构的()主要取决于结构的尺寸和截面尺寸。
a强度b刚度c稳定性10螺栓的紧联接在承受工作载荷之前,联接中的预紧力()工作载荷。
a大于b等于c小于11.焊缝区的内应力随焊缝周围构件钢度的增大而()。
a增大b不变c减小12.在箱形粮变形的矫正中,()是主要矛盾。
a旁弯b扭曲c 拱变形13.为减少焊接变形,壁厚较小的工字梁上、下缘的角变形有效防止方法是()。
a反变形法b刚性固定法c合理的焊接方法和焊接工艺参数14.在防止和减少焊接变形中,从其效果来看,刚性固定法()反变形法.a远不及b优于c等效于15.切平面与圆锥轴线倾斜时,所得圆形截交线为()a圆b正椭圆c蛋形对称近似椭圆三.是非题(20分,每题1分,对画钩,错画叉)1.放样图不同于一般图样,它是构件表面的展开图。
冷作工技能鉴定(高级工)理论知识试卷 注意事项 1、考试时间:120分钟。
2、请首先按要求在试卷的标封处填写您的单位、姓名、准考号。
一、判断题(正确的在括号内划“√”,错 误的在括号内划“×”。
每题1分,满分20分) 1、塑性好的低碳钢和低合金钢焊接性能不好。
( ) 2、含碳量低的碳钢焊接性能比含碳量高的好。
( ) 3、金属腐蚀时,按其机理不同可为空气腐蚀和液体腐蚀两种。
( ) 4、高温回火(500℃—650℃)相当于淬火+高温回火,也叫正火处理。
( ) 5、手工气割后需铣端面或刨边的工件,其加工余量为3mm —4mm 。
( ) 6、钻孔能获得较高精度的孔,因此可用于精加工。
( ) 7、材料在弯曲过程中,整个断面都有应力,外层受拉伸,内层受挤压,没有一个即不受压又不受拉的中性层存在。
( ) 8、角钢的中性层位于角钢根部的重心处。
( ) 9、冲裁力是指冲裁时材料对凸模的最小抗力。
( ) 10、焊接所选用的焊材与被焊件的材质有关。
( ) 11、对合金材料的焊接,为了防止焊接裂纹,焊前应将焊件加热到一定温度以后才能进行焊接。
( ) 12、当用直流电焊机焊接薄板工件时,通常采用反接接法。
( ) 13、按尺寸性质,可分为设计基准、工艺基准、工作基准。
( ) 14、麻花钻一般用45钢制造,热处理后硬度为HRC30—45。
( ) 15、带传动能保证恒定传动比,而且无噪音。
( ) 16、高碳钢、铸铁、有色金属及其合金等可焊性比较好。
( )17、对于塑性好、合金化程度较低、化学成分不复杂、组织均匀的金属而言,其考生姓名准考证号考生单位○……密……封………线……○……密……封……线……○……密……封……线……○……密……封……线……○……密……封……线……○封………线……○弯曲成型性能不好。
()18、采用有心弯管能弯曲半径只有两倍管子大径的弯头。
()19、采用一般无心弯管,最小弯曲半径可达3.5—4倍的管子大径,如果弯径过小会造成弯头截面圆度值超差。
高级制冷工考试题和答案一、单项选择题1. 制冷系统中,制冷剂的压焓图主要用于()。
A. 计算制冷量B. 计算功率消耗C. 计算制冷剂流量D. 计算制冷循环的性能参数答案:D2. 制冷系统中,蒸发温度与被冷却介质温度之差称为()。
A. 温差B. 过冷度C. 过热度D. 回气温度差答案:A3. 在制冷系统中,制冷剂的过冷度是指()。
A. 蒸发器出口处制冷剂的温度与蒸发压力对应的饱和温度之差B. 冷凝器出口处制冷剂的温度与冷凝压力对应的饱和温度之差C. 压缩机吸气口处制冷剂的温度与蒸发压力对应的饱和温度之差D. 压缩机排气口处制冷剂的温度与冷凝压力对应的饱和温度之差答案:B4. 制冷系统中,制冷剂的过热度是指()。
A. 蒸发器出口处制冷剂的温度与蒸发压力对应的饱和温度之差B. 冷凝器出口处制冷剂的温度与冷凝压力对应的饱和温度之差C. 压缩机吸气口处制冷剂的温度与蒸发压力对应的饱和温度之差D. 压缩机排气口处制冷剂的温度与冷凝压力对应的饱和温度之差答案:C5. 在制冷系统中,制冷剂的循环量不足可能导致()。
A. 制冷效果变好B. 系统压力降低C. 制冷效果变差D. 系统压力升高答案:C二、多项选择题6. 制冷系统中,影响制冷剂循环量的因素包括()。
A. 制冷剂的充注量B. 系统泄漏C. 压缩机的工作效率D. 蒸发器的热负荷答案:A, B, C, D7. 制冷系统中,下列哪些因素可能导致压缩机过热()。
A. 制冷剂充注不足B. 系统回气管道堵塞C. 冷凝器散热不良D. 压缩机电机故障答案:A, B, C, D8. 在制冷系统中,下列哪些因素可能导致制冷效果下降()。
A. 制冷剂泄漏B. 蒸发器结霜C. 冷凝器散热不良D. 压缩机效率降低答案:A, B, C, D三、判断题9. 制冷系统中,制冷剂的充注量过多会导致系统压力升高。
()答案:正确10. 制冷系统中,蒸发器的结霜会导致制冷效果变好。
()答案:错误四、简答题11. 简述制冷系统中,制冷剂循环量不足可能产生的影响。
高级冷作工理论试题(DEMO)[精选五篇]第一篇:高级冷作工理论试题 (DEMO)高级工一、选择题:()1.当工件出现较复杂变形时,其矫正步骤是:。
A.先矫正扭曲,再矫正弯曲,最后矫正不平B.先矫正弯曲,再矫正扭曲,最后矫正不平C.先矫正扭曲,再矫正不平,最后矫正弯曲D.先矫正不平,再矫正弯曲,最后矫正扭曲()2.火焰矫正的方式有。
A.点状加热、线状加热、面状加热B.点状加热、线状加热、三角形加热C.点状加热、三角形加热、面状加热D.线状加热、三角形加热、面状加热()3.火焰矫正时,钢材加热的温度一般为。
A.100℃~250℃B.600℃~700℃C.250℃~300℃D.150℃~300℃()4.若由于结构要求,弯曲半径必须小于最小弯曲半径,可采用热弯的方法,以提高材料的。
A.强度B.硬度C.塑性D.弹性()5.錾子一般用制成。
A.高碳钢或高碳工具钢B.优质钢C.低碳钢D.低合金钢()6.为保证零件的定位准确,应采用挡铁。
A.半封闭B.全封闭C.不封闭D.半封闭或不封闭()7.电弧引燃后,焊条应作方向的基本运动,才能使焊接持续不断地进行。
A.两个B.三个C.四个D.五个()8.氧气瓶内氧气压力最高为。
A.1.5MPaB.15MPaC.0.1MPAD.0.001MPa()9.气焊时,焊丝成分应与焊件。
A.绝对相同B.绝对不同C.相同或相近D.视情况而定()10.平面图形中连接线段是指的线段。
A.定位尺寸不全B.定形尺寸不全C.定位尺寸和定形尺寸都不全D.定位尺寸和定形尺寸都全()11.国家标准规定,焊缝符号由指引线及焊缝尺寸符号组成。
A.基本符号、辅助符号B.辅助符号、补充符号C.基本符号、补充符号D.基本符号、辅助符号、补充符号()12.冷作结构件的主要特点包括。
A.机构简单B.剖面图、局部放大图较多C.构件标记少D.没有焊缝符号()13.冲压用材料必须有。
A.较高的强度B.较高的硬度C.一定的弹性和塑性D.较好的韧性()14.钢随着温度逐步升高,力学性能也会发生变化,主要是。
冷作工考试试题及答案一、选择题(每题2分,共20分)1. 下列哪项不是冷作工的基本操作?A. 切割B. 焊接C. 打磨D. 涂装答案:D2. 冷作工在进行金属板材加工时,通常使用哪种工具?A. 锤子B. 钳子C. 扳手D. 切割机答案:D3. 在冷作工操作中,为了提高金属的塑性,以下哪项措施是错误的?A. 提高金属温度B. 选择合适的材料C. 采用适当的加工速度D. 保持环境清洁答案:A4. 冷作工在进行金属结构件的组装时,通常采用哪种方法?A. 螺栓连接B. 焊接C. 胶粘D. 熔接答案:A5. 下列哪项不是冷作工安全操作规程中的内容?A. 穿戴防护服B. 使用过期的工具C. 遵守工作流程D. 定期检查设备答案:B6. 冷作工在加工过程中,为了减少金属的变形,应该:A. 增加加工速度B. 控制加工温度C. 使用过大的力量D. 减少加工次数答案:D7. 在冷作工操作中,金属板材的弯曲通常采用哪种方式?A. 手工弯曲B. 机械弯曲C. 热处理弯曲D. 化学弯曲答案:B8. 冷作工在进行金属结构的矫正时,通常使用哪种工具?A. 锤子B. 扳手C. 切割机D. 焊接机答案:A9. 下列哪项不是冷作工操作中常见的事故类型?A. 切割伤害B. 烫伤C. 压伤D. 电击答案:B10. 冷作工在进行金属板材的剪切时,应该:A. 快速剪切B. 缓慢剪切C. 随意剪切D. 按照规定剪切答案:D二、判断题(每题1分,共10分)1. 冷作工在操作过程中可以不穿戴任何防护用品。
(错误)2. 冷作工在进行金属板材加工时,可以不考虑材料的硬度。
(错误)3. 冷作工在加工过程中,应该尽量使用手工工具以减少对金属的损伤。
(错误)4. 冷作工在进行金属结构的矫正时,应该从结构的中心开始向外矫正。
(正确)5. 冷作工在操作中,为了提高效率,可以忽略设备的安全检查。
(错误)6. 冷作工在进行金属板材的弯曲时,应该控制好弯曲的速度和力度。
2012年攀钢集团公司职业技能鉴定理论考试试题冷作工(高级工)注意事项:1、请首先按要求在试卷的标封处填写您的姓名、考号和所在单位的名称。
2、请仔细阅读各种题目的回答要求,在规定的位置填写您的答案。
3、不要在试卷上乱写乱画,不要在标封区填写无关内容。
一、 填空题:(每小题1.5分,共15分,)1. 当保证气密试验的安全性,做气密性试验试验,有必要经水压试验合格后方能进行。
2. 圆柱螺旋线的形状和大小由圆柱直径、导程』向三要素决定的。
3. 将工艺规程填写在一定形式的表格上,这种表格称为工艺过程卡。
4. 计算焊缝强度,就是计算焊接头的强度、焊缝 承载力 的大小。
5. 作展开图的方法通常有作图法和计算法两种。
6. 相贯构件的板厚处理一般原则,展开长度以工件的中心层为准,展开图中曲线高度是以构件接触处 高度为准。
7. 冷作构件常见缺陷有尺寸误差 _、形状误差和表面缺陷。
8. 压力试验有水压试验和气压试验两种。
9. 构件在工程中的四种基本变形是拉压变形、剪切变形、扭转变形和弯曲变形。
10. 不论何种形式的焊接变形, 都遵循同一规律,即焊缝冷却后,在焊缝区域内产生收缩,而使焊件产生业力亠当焊件本身的刚度不能克服焊缝的收缩作用时,便造成焊接件的变形。
二、 判断题(每题1分,共20分)1. 凡是以曲线为母线或相邻两直线呈交叉状态的表面,都是可展表面。
(X )。
2. 水压试验应在产品热处理前进行。
( X )。
3. 煤油渗透试验是检查压力容器焊缝的唯一手段。
(X )。
4. 带传动的弹性滑移现象是不可避免的。
( V )o5. 齿轮传动可以保持瞬时传动比的稳定。
(V )o6. 等径三节蛇形弯管中,若弯头的两端口轴心线垂直交叉,那么它的两最近点之间的错心差S为零。
( X )7. 材料的最小弯曲半径越小就等于是说该材料的曲率越小。
(X )8. 在同一构件上采用铆钉敛缝,必须先敛板缝,后敛钉缝。
(X )9. 作为压力容器的试样板,它应取材于母材,而且必须与产品一起进行加热、焊接、热处理等。
制冷高级工试题及答案一、单项选择题(每题2分,共20分)1. 制冷系统中,制冷剂在蒸发器中的状态是()。
A. 气态B. 液态C. 气液两相D. 固态答案:C2. 制冷系统中,冷凝器的主要作用是()。
A. 降低制冷剂温度B. 降低制冷剂压力C. 提高制冷剂温度D. 提高制冷剂压力答案:D3. 制冷系统中,膨胀阀的作用是()。
A. 增加制冷剂流量B. 减少制冷剂流量C. 维持恒定的制冷剂流量D. 调节制冷剂压力答案:B4. 在制冷系统中,R134a是一种()。
A. 环保型制冷剂B. 非环保型制冷剂C. 易燃制冷剂D. 易爆制冷剂答案:A5. 制冷系统中,压缩机的工作原理是()。
A. 将低温低压制冷剂压缩成高温高压B. 将高温高压制冷剂压缩成低温低压C. 将低温高压制冷剂压缩成高温低压D. 将高温低压制冷剂压缩成低温高压答案:A6. 制冷系统中,制冷剂的循环过程包括()。
A. 压缩、冷凝、膨胀、蒸发B. 膨胀、蒸发、压缩、冷凝C. 冷凝、压缩、蒸发、膨胀D. 蒸发、压缩、冷凝、膨胀答案:A7. 制冷系统中,热力膨胀阀的工作原理是()。
A. 通过感温包感知制冷剂温度变化来调节开度B. 通过感温包感知环境温度变化来调节开度C. 通过感温包感知压缩机压力变化来调节开度D. 通过感温包感知蒸发器压力变化来调节开度答案:A8. 制冷系统中,制冷剂的充注量过多会导致()。
A. 制冷效果变好B. 制冷效果变差C. 压缩机效率提高D. 压缩机效率降低答案:B9. 制冷系统中,制冷剂的充注量过少会导致()。
A. 制冷效果变好B. 制冷效果变差C. 压缩机效率提高D. 压缩机效率降低答案:B10. 制冷系统中,制冷剂的充注量适中可以()。
A. 提高制冷效果B. 降低制冷效果C. 提高压缩机效率D. 降低压缩机效率答案:A二、多项选择题(每题3分,共15分)1. 制冷系统中,以下哪些设备属于热交换器?()A. 蒸发器B. 冷凝器C. 压缩机D. 膨胀阀答案:AB2. 制冷系统中,以下哪些因素会影响制冷效果?()A. 制冷剂充注量B. 系统密封性C. 环境温度D. 压缩机功率答案:ABCD3. 制冷系统中,以下哪些设备需要定期维护?()A. 蒸发器B. 冷凝器C. 压缩机D. 膨胀阀答案:ABCD4. 制冷系统中,以下哪些操作可以提高制冷效率?()A. 定期清洁冷凝器B. 定期更换制冷剂C. 定期检查系统密封性D. 使用环保型制冷剂答案:ACD5. 制冷系统中,以下哪些故障会导致压缩机过热?()A. 制冷剂充注量过多B. 制冷剂充注量过少C. 系统堵塞D. 环境温度过高答案:ABCD三、判断题(每题2分,共10分)1. 制冷系统中,冷凝器的工作压力应该高于蒸发器。
制冷工考试:高级制冷工真题库二51、单选(江南博哥)更换石棉盘根填料时,若填料盒能容四道填料,各道填料的搭口应错开()。
A.30°B.60°C.90°D.120°答案:C52、单选载冷剂的质量百分比浓度是指溶质质量与()比值的百分数。
A.溶液质量B.溶质质量+溶液质量C.溶质质量×溶液质量D.溶质质量—溶液质量答案:B53、单选电焊工在作业时,旁边要有人员(),防止触电事故。
A.监护B.监督C.帮助D.看护答案:A54、单选低压循环液器又称低压循环()。
A.储液桶B.储液罐C.储液缸D.储液箱答案:A55、单选在制冷循环中,采用双级压缩的目的是为了获得()。
A.较高的冷凝温度B.较低的蒸发温度C.较低的冷凝温度D.较高的蒸发温度答案:B56、问答题光电倍增管各倍增极上的电压可以通过分压电阻得到,对分压电阻有何要求?为什么?答案:在进行一般强度测量时,各极电压没有特殊要求,用做能谱测量时,分压电阻不宜太大光电倍增管内有电流脉冲通过时,各极电压波动可以较小57、问答题绘图题:指出下面轴封结构图中序号1~8的名称。
答案:1-弹簧座,2-弹簧,3-压紧圈,4-波纹状密封橡胶圈,5-钢圈,6-转动摩擦环,7-静摩擦环,8-压缩机主轴。
58、单选低压制冷系统的气密性试验压力为()。
A.0.9MPaB.1.0MPaC.1.1MPaD.1.2MPa答案:D59、单选电击事故是由于人体直接接触绝缘损坏的带电体致伤,轻则肌肉抽搐、感觉(),重则死亡。
A.剧烈疼痛B.冰冷C.麻木D.无异常答案:C60、单选向制冷剂钢瓶充注制冷剂时,最多可占到钢瓶容积的()。
A.90%B.80%C.70%D.60%答案:B61、单选压缩机排气温度的高低同()比和吸气温度成正比。
A.系数B.压强C.温度D.压力答案:D62、多选冷凝器和储液器上的放空气管和放油管分别与()连接。
A.放空气器B.集空气器C.放油器D.集油器答案:A, D63、单选制冷设备长时间不用或()时,用隔离刀开关可使制冷设备和电源隔离开来。
职业技能鉴定试卷
冷作工高级技师操作试卷
工件号:准考证号:姓名:成绩:
一、本次考试时间240分钟;满分100分,每超时5分钟,从总分中扣2分;超时半小时后,停止操作。
二、请考生自己阅读图纸及要求,并按要求完成以下构件的制造;
三、操作技能考核时间内请遵守考场纪律,服从监考人员和现场管理人员指挥,以保证现场安全与考试顺利进行;
材料准备: 20#管子φ108×6 L=1米1根
焊条J422-φ3.2 3根
题目:按图纸标注的尺寸及技术要求加工出支脚构件。
技术要求
1、用牛皮纸制作号料样板;
2、管子切口采用气割;
3、要求割口平整,曲线光滑。
4、三个支脚装配后应保证设计尺
寸,上下面保持水平;结构稳
固。
5、三个支脚对接的接缝采用定位
点焊,焊点均匀,每处焊点长
10~15mm。
职业技能鉴定试卷
冷作工高级技师操作考核评分标准及考评表第1页工件号:准考证号:姓名:成绩:
冷作工高级技师操作考核评分标准及考评表第2页
评分人:年月日核分人:年月日。