机械原理课程设计任务书
- 格式:doc
- 大小:524.00 KB
- 文档页数:19
机械原理课程设计任务书第一篇:机械原理课程设计任务书机械原理课程设计题目一、蜂窝煤成型机 l.工作原理及工艺动作过程冲压式蜂窝煤成型机是我国城镇蜂窝煤(通常又称煤饼,在圆柱形饼状煤中冲出若干通孔)生产厂的主要生产设备。
它将粉煤加入转盘上的模筒内,经冲头冲压成蜂窝煤。
为了实现蜂窝煤冲压成型,冲压式蜂窝煤成型机必须完成五个动作: 1)粉煤加料:2)冲头将蜂窝煤压制成型;3)清除冲头和出煤盘的积屑的扫屑运动;4)将在模筒内的冲压后的蜂窝煤脱模; 5)将冲压成型的蜂窝煤输送装箱。
2.原始数据及设计要求1)蜂窝煤形状为圆柱体,成品尺寸:¢100 mm×60 mm; 2)蜂窝煤成型机的生产能力:50次/min。
3)驱动电机:转速n=1440r/min。
4)冲压成型时的生产阻力达到100000N;5)为了改善蜂窝煤冲压成型的质量,希望在冲压后有一短暂的保压时间。
6)由于冲头要产生较大压力,希望冲压机构具有增力功能,以增大有效力作用,减小原动机的功率。
3.设计方案提示冲压式蜂窝煤成型机应考虑三个机构的选型和设计:冲压和脱模机构、扫屑机构和模筒转盘的间歇运动机构。
为了减小机器的速度波动和选择较小功率的驱动电机,可以附加飞轮。
4.设计任务1)按工艺动作要求拟定运动循环图。
2)进行冲压脱模机构、扫屑刷机构、模筒转盘间歇运动机构的选型。
3)机械运动方案的评定和选择。
4)进行飞轮设计。
5)按选定的电动机和执行机构运动参数拟定机械传动方案。
6)图出机械运动方案简图。
7)对传动机构和执行机构进行运动尺寸计算。
二、剥豆机1.工作原理及工艺动作过程将干蚕豆浸胖后放在料斗内,通过振动下料后将蚕豆平放排列成头尾相接,进豆到切位置,将豆压住并切开头部的皮,然后用挤压方法将豆挤出。
剥豆机的主要工艺动作是送料、压豆切皮、挤压脱皮。
2.原始数据及设计要求 1)蚕豆长度。
20~25mm。
2)蚕豆宽度。
15~20mm。
3)蚕豆厚度。
6~8mm。
机械原理课程设计任务书1.计题目: 糕点切片机2.工作原理及工艺动作过程糕点先成型(如长方体、圆柱体等)经切片后再烘干。
糕点切片机要求实现两个动作: 糕点直线间歇移动和切刀往复运动。
经过二者动作配合进行切片。
改变直线间歇移动速度或每次间歇输送距离, 以满足糕点不一样切片厚度需要。
3.原始数据及设计要求1)糕点厚度: 10~20mm。
2)糕点切片长度(亦即切片高)范围: 5~80mm。
3)切刀切片时最大作用距离(亦即切片宽度方向): 300mm。
4)切刀工作节拍: 40次/min。
5)工作阻力很小。
要求选择机构简单、轻便、运动灵活可靠。
6)电机可选择, 功率0.55KW(或0.75KW)、1390r/min。
4.设计方案提醒1)切削速度较大时, 切片刀口会整齐平滑, 所以切刀运动方案选择很关键, 切口机构应努力争取简单适用、运动灵活和运动空间尺寸紧凑等。
2)直线间歇运动机构怎样满足切片长度尺寸改变要求, 是需要认真考虑。
调整机构必需简单可靠, 操作方便。
是采取调速方案, 还是采取调距离方案, 或采取其它调速方案, 均应对方案进行定性分析比较。
3)间歇机构必需与切刀运动机构工作协调, 即全部送进运动应在切刀返回过程中完成。
需要注意是, 切口有一定长度(即高度), 输送运动必需在切刀完全脱离切口后方能开始进行, 但输送机构返回运动则可与切刀工作行程在时间上有一段重合, 以利提升生产率, 在设计机器工作循环图时, 应根据上述要求来选择间歇运动机构设计参数。
5.设计任务1)依据工艺动作次序和协调要求拟订运动循环图(A3)。
2)进行输送间歇运动、切刀往复直线运动选型。
3)进行机械运动方案评价和选择。
4)依据选定电机和实施机构运动参数拟订机械传动方案。
5)画出机械运动方案示意图。
6)对机械系统和实施机构进行尺寸设计。
7)画出机构运动简图。
(A1)7)对间歇机构或往复运动机构进行运动分析, 绘制从动件位移、速度、加速度曲线图。
机械原理课程设计任务书学生姓名班级学号位置设计题目:颚式破碎机机构设计及分析1 课程设计的目的和任务1.1 课程设计的目的机械原理课程设计是机械原理教学的一个重要组成局部。
机械原理课程设计的目的在于进一步稳固和加深学生所学的机械原理理论知识,培养学生独立解决实际问题的才能,使学生对机械的运动学和动力学的分析和设计有一较完好的概念,并进一步进步电算、绘图和使用技术资料的才能,更为重要的是培养开发和创新机械的才能。
1.2 课程设计的任务1、用图解法对压床的连杆机构进展运动分析和动力分析,并在此根底上确定飞轮的转动惯量。
要求画出A1图纸一张,A2图纸一张,写出计算说明书一份。
2、用解析法对压床的连杆机构进展运动分析和动力分析。
要求写出一份计算说明书和在电脑上打出的程序及计算结果。
3、用Pro/E三维计算机辅助设计软件对压床的连杆机构进展建模、装配,应用ADAMS 进展运动分析和动力分析。
要求写出一份设计分析说明书,打印出装配模型及仿真结果。
4、用图解法、解析法和Pro/E、ADAMS软件仿真结果进展比拟,分析它们各自的优缺点。
2 机构简介颚式破碎机是一种用来破碎矿石的破碎机械,如图1所示。
机器带动皮带传动〔图上未示出〕使曲柄2顺时针方向回转,然后通过构件3-4-5使动颚板作往复摆动。
当颚板6向左摆向固定于机架1上的定颚板时,矿石即被压碎;当动颚板6向右摆离定颚板时,被压碎的矿石落下。
如此反复进展可以到达破碎的目的。
由于机器在工作过程中承受载荷的变化很大,为了减小速度的波动并减小电动机的容量,在O轴的两端各装一个大小和重量完全一样的飞轮,其中一个兼作皮带轮用。
2图1 颚式破碎机机构简图3 数据颚式破碎机机构简图如图1所示,题目数据列于表1。
设计内容 连杆机构的运动分析符号 2n 2O A l1l2l1h2hAB l4O B lBC l单位 /min rmm数据 170 10010009408501000125010001150设计内容 运动分析连杆机构的动态静力分析符号 6O C l6O D l 3G 3S J4G 4S J5G 5S J6G单位 mmN2kgmN2kgmN2kgmN数据 1960600500025.520009200099000设计内容 飞轮转动惯量确实定符号6S J[]δ单位 2kgm数据500.15在连杆机构中,曲柄有30个连续等分的位置1~30,取构件2和3成一直线〔即构件4在最下方〕时为起始位置1,两个工作行程的极限位置1和16',以及16和17中间位置16''。
机械原理课程设计一、课程设计的目的综合应用所学过的机械原理知识,进行机构的选型、组合、分析与综合,并绘制相应的机构运动简图,以培养机械运动方案的设计能力和创新思维。
二、设计任务及要求本课程设计提供了A、 B两类题目。
A为综合类设计题目,B为创新类题目,要求每个学生选择其中的一个题目,在规定的时间里按题目任务要求完成设计工作,并上交设计说明书一份。
(注:设计说明书统一用本校设计用纸手写并装订,20页以上;说明书应有封面及标题(题目名称)、专业、班级、姓名和学号。
说明书封面自行设计。
若采用手工绘图,用档案袋将说明书与图纸一起交上。
若采用电脑绘图,请将图插入说明书中,并作必要说明。
)设计任务:提交课程设计说明书手写稿一份,设计说明书的基本内容包括:设计题目及参数和要求;功能分解图;机械系统运动循环图;机械系统运动方案拟定;方案比较与评价;机构运动简图;动力机选择;用数据和线图表达的计算结果;收获与建议及参考资料目录。
各图请自选图纸绘制。
三、课程设计内容与时间安排时间安排:1.即日起可根据本任务选择自己的题目,查阅资料,构思设计。
2. 课程设计周第1~4天老师到教室答疑式辅导,有问题的学生可以来问。
3.课程设计周第5天小答辩方式,老师在教室检查设计。
每个学生展示自己的设计结果,并做说明。
4.课程设计周第5天学生上交课程设计资料。
具体内容安排:1)查阅资料、熟悉题目(0.5天)采用多媒体授课,以典型机械的运动方案为例讲解课程设计的过程,下达任务书。
同学根据任务书查阅资料、熟悉题目的具体内容。
2)功能分解(0.5天)按照给定的机械总功能要求,分解成分功能,进行机构的选型与组合。
3)拟定运动循环图(0.5天)确定各执行构件的运动形式和动作的先后顺序、相位,按照它们的协调要求拟定出机械运动循环图,以协调各分支机构的设计、装配和调试。
4)构思和确定方案,方案分析比较、绘制方案图(1天)针对给定的设计要求,构思各种能够实现执行构件运动形式的机构或机械系统,形成多种可能的机械运动方案,然后对各方案进行分析、比较、评选,确定出最佳方案。
2023年机械原理课程设计书篇一:机械原理课程设计教学大纲《机械原理》教案适用班级:机本开课时间: 20 -20 学年第学期教学方式:多媒体教学附件: 1、机械原理课程设计教案2、机械原理课程教学大纲3、机械原理教学设计一览表4、机械原理教学进度表5、机械原理学习指南6、机械原理MCAI教案(单行本)7、班级情况一览表机电工程学院8月第一章绪论(1)总课次:1第二章机构的结构分析(3)第三章机构的性能分析(1)总课次:4篇二:《机械原理》教案(2)机械原理课程设计大纲课程类别:必修学时:1周课程性质:集中实践教学学分:2 适用专业:机械设计制造及其自动化执笔人: __一、基本目的与任务机械原理课程设计是工科院校学生在大学期间利用已学过的知识第一次比较全面的、具有实际内容和意义的课程设计,也是机械原理课程的一个重要的实践教学环节。
机械原理课程设计是将知识转化为能力的桥梁,其主要目的是进一步巩固和加深学生所学的理论知识,并将其系统化;培养学生综合运用所学知识独立解决实际问题的能力和初步培养学生进行创新设计的能力;使学生初步掌握机械运动方案设计,并在机构分析与综合方面受到一次比较全面的训练。
二、教学基本内容通过对某种简单机器(它的工艺动作过程比较简单)的分析,进行机械运动简图的设计,其中包括机器动能分析、工艺动作过程确定、执行机构的选择、机械运动方案的评定、机构尺度综合等。
具体内容包括:按照给定的机械总功能要求,分解成子功能进行机构的选型和组合;设计该机械系统的几种运动方案,对各运动方案进行对比和选择;对选定方案中的机构——连杆机构、凸轮机构、齿轮机构、其他常用机构及组合机构进行分析和设计;制定机构运动循环图;画出机构运动简图。
每个学生应完成的设计工作量:1、机械运动简图、主要机构装配图一张(A1或A2图纸)2、零件工作图一至两张(A3或A4图纸)3、设计说明书一份三、教学要求1、机械总功能的分解根据所要设计的机械总功能要求,选定机械的工作原理并进行功能分解。
课程设计任务书四冲程内燃机设计一、目的任务:结合一个简单的机械系统,综合运用所学理论,使学生受到确定运动方案的初步训练,要对方案中某些机构进行分析和设计。
通过设计提高学生利用技术资料、运算和绘图的能力。
使所学过的分散的知识点成为一个比较完整的体系。
二、设计内容:四冲程内燃机设计1.已知条件:四冲程内燃机中活塞行程H = 220(mm)活塞直径 D = 160(mm)活塞移动导路相对于曲柄中心的距离 e = 68 (mm)行程速比系数K= 1.08连杆重心c2至 A 点的距离l AC2 = 0.35l AB (mm)曲柄重量Q1= 135 (N)连杆重量Q2= 125 (N)活塞重量Q3= 200 (N)连杆通过质心轴c2的转动惯性半径ρcρc2 = 0.15 l2AB(m m2)曲柄的转速n= 640 (rpm)1发动机的许用速度不均匀系数[δ]= 1/90曲柄不平衡的重心到O点的距离l OC = l OA(mm)开放提前角:进气门:-10°;排气门: -32°齿轮参数:m=3.5(mm);α=20°;h*a =1Z2 =Z2' =14;Z3 = Z3' =72 ;Z1=362.主要设计内容进行机构的运动分析、动态静力分析,设计齿轮、连杆、凸轮等机构,并进行机构的动平衡、速度波动的调节及机构运动简图、运动循环图绘制等内容。
三、时间安排:机械原理课程设计进行2周,具体安排如下:机械原理课程设计时间安排表四、设计工作要求:1.在规定的时间内,一律要在教室内搞设计,以便教师进行指导。
上午:8:00-11:30;下午:2:30-5:302.每位同学都要独立完成自己的设计任务,特别是编程、打印部分的内容。
3.图面质量的要求,图幅、线型、边框、及标题栏等均要符合国标;不能徒手画图:曲线要用曲线板、小圆要用模板、包括角速度、角加速度的方向也不能徒手画出。
图纸不要写有关的计算公式、计算结果。
机械原理课程设计任务书题号01锁梁自动成型机床切削机构设计一、机构说明和加工示意图锁梁自动成型机床加工锁梁(即挂锁上用于插入门扣的钩状零件)的工序为:将盘圆钢条校直、切槽、车圆头、切断和搬弯成型。
本机构为该机床的切削成型工艺部分,由送料机构、夹紧机构和切削进给机构组合而成。
切削加工原理如下图:送料夹持器1将工件7送到切削加工工位。
弹簧夹头的锥套6移动,使夹紧爪5将工件7夹紧,送料夹持器1即返回。
圆锥凸轮2移动,使与切槽刀杆和切断刀杆相联的摆杆3摆动,开始进刀,由于刀盘4的旋转运动,是工件被出圆槽、圆头和最后切断。
圆锥凸轮2返回,摆动刀杆退刀,弹簧夹头松开工件,待送料夹持器1第二次送进时,将已切削成型的工件推出工位。
一、机构设计的有关数据(见附表)二、要求完成的设计工作量1)根据功能要求,确定工作原理和绘制系统功能图。
2)按工艺动作过程拟定运动循环图。
3)构思系统运动方案(至少3个以上),进行方案评价,选出较优方案。
4)对传动机构和执行机构进行运动尺寸设计。
5)用相关软件或程序对连杆机构进行运动学分析,并画出输出机构的位移、速度、和加速度线图。
6)在2号图纸上画出绘制系统机械运动方案简图。
7)完成设计说明书的编写。
附表:锁梁自动成型机床切削机构设计题目数据机械原理课程设计任务书题02锁梁自动成型机床扳弯机构设计一、工作原理及工艺动作过程锁梁自动成型机床加工锁梁(即挂锁上用与插入门扣的钩状零件)的工序为:将盘圆钢条校直、切槽、车圆头、切断和扳弯成型。
本机构为该机床的扳弯成型工艺部分,由送料机构、定位机构和扳弯机构组合而成。
扳弯成型加工原理如下图:送料滑块1将工件2送到搬弯工位后即返回,定位销3上升至锁梁槽内,将锁梁卡住,扳弯架4转动搬弯角度,搬弯架上的滚轮6绕固定滚轮5也转过扳弯角度,将锁梁搬弯成型。
然后扳弯架返回原位,定位销下降,松开工件,待送料滑块第二次送进时将已扳弯成型的工件推出工位。
二、原始数据和设计要求: 设计数据见下表锁梁自动成型机床搬弯机构设计题目数据三、要求完成的设计工作量1)根据功能要求,确定工作原理和绘制系统功能图。
梧州学院机械原理课程设计任务书题目学院机械与材料工程学院专业机械设计制造及其自动化班级20 级机械设计制造及其自动化专升本班学号姓名起讫日期:自2021 年5 月14 日起,至2021 年6 月20 日止指导教师(签名)年月日教研室主任(签名)年月日前言 (3)第一章设计题目 (5)第二章机器工作原理及结构示意图 (6)第三章机器的设计与计算 (8)第四章机器装配图和零件图 (10)第五章设计小结 (11)参考文献 (12)1. 机械原理课程设计的目的机械原理课程设计是使学生较全面、系统掌握和深化机械原理课程的基本原理和方法的重要环节,是培养学生机械运动方案设计、创新设计以及应用计算机对工程实际中各种机构进行分析和设计能力的一门课程。
其目的如下:(1)使学生初步了解机械设计的全过程,受到根据功能需要拟定机械运动方案的训练,具备初步的机构选型、组合和确定运动方案的能力。
(2)以机械系统运动方案设计为结合点,把机械原理课程各章的理论和方法融会贯通起来,进一步巩固和加深学生所学的理论知识。
(3)使学生掌握机械运动方案设计的内容、方案、步骤,并对动力分析与设计有一个较完整的概念。
(4)进一步提高学生运算、绘图以及运动计算机和技术资料的能力。
(5)通过编写说明书,培养学生表达、归纳、总结的能力。
(6)培养学生综合运用所学知识,理论联系实际,独立思考与分析问题的能力和创新能力。
2. 机械原理课程设计的任务机械原理课程设计的基本任务是针对某种简单机器(其工艺工作比较简单),按照给定的机械总功能要求,分解功能,进行机构的选型与组合,设计机械运动方案;对运动方案进行对比、评价和选择,画出机构运动简图,绘制机构运动循环图;对选定方案中的机构——连杆机构、凸轮机构、齿轮机构、其他常用机构和组合机构等进行运动分析与尺度综合;进行机械动力分析,设计飞轮。
3. 机械原理课程设计的意义进入21 世纪以来,市场愈加需要各种性能优良、质量可靠、价格低廉、效率高、能耗低的机械产品,而决定产品性能、质量、水平、市场竞争能力和经济效益的重要环节是产品设计。
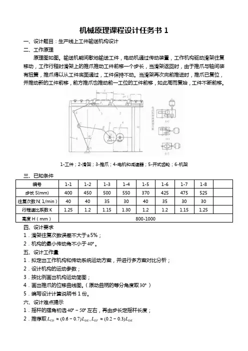
一、设计题目:生产线上工件输送机构设计 二、工作原理原理图如图。
输送机能间歇地输送工件,电动机通过传动装置,工作机构驱动滑架往复移动,工作行程时滑架上的推爪推动工件前移一个步长,当滑架返回时,由于推爪与轴间装有扭簧,推爪得以从工件底面通过,工件保持不动。
当滑架再次向前推进时,推爪已复位,并推动新的工件前移,前方推爪也推动前一工位的工件前移,如此周而复始,工件不断前移。
1-工件;2-滑架;3-推爪;4-电机和减速器;5-开式齿轮;6-机架四、设计要求1.滑架往复次数误差不大于±5%; 2.机构的最小传动角不小于︒40。
五、设计工作量1.拟定出工作机构和传动系统运动方案,并进行多方案对比分析; 2.设计机构的运动参数; 3.按比例画出机构运动简图;4.画出推爪的位移曲线图。
(原动曲柄的等分角度取︒30) 5.编写设计计算说明书1份。
六、设计难点提示1.摇杆的摆角初选︒︒50~40左右,再由步长定摇杆长度; 2.推荐取DE EF DE CD L L L L )3.0~2.0(,)7.0~6.0(≈≈3.根据行程速比系数及传动角要求定铰链点A 的位置及曲柄、连杆的长度。
一、设计题目:铸造车间振动筛选机设计 二、工作原理筛选机是铸造车间使用的一种筛型砂的机械。
工作原理是:电动机通过传动装置、工作机构使砂箱往复摆动,完成筛选动作。
原理图如图。
1-电动机;2-传动装置;3-工作机构四、设计要求1.机器工作时,砂箱支承摆杆CD 绕铅垂面左右对称摆动; 2.砂箱与水平面的最大夹角要小于︒8。
五、设计工作量1.拟定出工作机构和传动系统运动方案,并进行多方案对比分析; 2.设计机构的运动参数和尺寸; 3.按比例画出机构运动简图;4.画出摆杆CD 的角位移曲线图。
(原动曲柄的等分角度取︒30) 5.编写设计计算说明书1份。
六、设计难点提示图示机构中杆的相对长度为AB CD BC L L L )10~8(≈≈。
机械原理课程设计任务书一、机构简介与设计数据 1、机构简介插床主要由齿轮机构、导杆机构和凸轮机构等组成,如图1所示。
电动机经过减速装置(图中只画出齿轮1z 、2z )使曲柄1转动。
再通过导杆机构1-2-3-4-5-6,使装有刀具的滑块沿导路y -y 作往复运动,以实现刀具切削运动。
为了缩短空程时间,提高生产率,要求刀具有急回运动。
刀具与工作台之间的进给运动,是由固结于轴2O 上的凸轮驱动摆动从动杆D O 2和其它有关机构(图中未画出)来完成的。
2、设计数据 见表1导杆机构的设计及运动分析凸轮机构的设计齿轮机构设计导杆机构的动态静力分析及飞轮转动惯量确定n 1 K H l BC l O2O3 a bc ψmax [α]l O4D Ф ФS Ф’ z 1 z 2 m α G 3 G 5 J S3 d Qδr/min mm l O3B mmommommoNkgm 2 mm N60 2 100 1 150 50 50 125 15 40 125 60 10 60 13 40 8 20 160 320 0.14 120 1000 1/25二、设计内容1、导杆机构的运动分析已知:行程速比系数K ,滑块5的冲程H ,中心距32O O l ,比值B O B C l l 3,各构件重心S 的位置,曲柄每分钟转1n 。
要求:设计导杆机构,作机构的运动简图,并作机构两个位置的速度、加速度多边形以及刨头的运动线图,作滑块的运动线图。
以上内容与后面动态静力分析一起画在1号图纸上(参考图例1)。
a ) b)图1图2曲柄位置图的作法为(图2)取滑块5在上极限时所对应的曲柄位置为起始位置1,按转向将曲柄圆周十二等分,得12个位置点,显然位置9对应于滑块5处于下极限得位置,再作出开始切削和终止切削所对应的1和8’两位置,共计有14个位置,可按表2进行分组。
2、导杆机构的动态静力分析已知:各构件的质量G 及其对重心轴的转动惯量S J (数据表中未列出的构件的重量可以忽略不计),阻力线图(图1,b )及已在导杆机构设计和运动分析中得出的机构尺寸、速度和加速度。
机械原理课程设计任务书及设计指导(北京印刷学院机电系机 班)一、设计题目:圆盘型自动包本机的进本机构。
圆盘型自动包本机是印后加工机械中专门用来给书芯包上封皮的机器。
该机可对厚度在3~50mm 的大小32开本的书进行包本加工,其工艺流程如图1所示。
图1 圆盘型包本机工艺流程图图2 双头圆盘包本机工作过程示意图圆盘型包本机是通过夹书器夹着书芯随一个大转盘一起转动,将书芯送到不同的加工工位进行包本加工,图2是双头圆盘包本机工作过程示意图,它有两套完全一样的执行机构同时工作,因此,大转盘转一周,即主轴转一周可同时完成两本书芯的包封工作。
它的工作原理如下:书芯脊背向下放在进本台板上,机器运转时,进本机构将书芯一本一本送入夹书器中;夹书器将书芯夹紧并随大转盘一起运动,将书芯送到各加工工位;书芯进入刷胶工位后,由刷胶机构将胶液涂到订口两侧和书脊上;与此同时,封面由供封机构输送到包本工位;在包本工位上由包本机构将封面包在书芯上,完成包本整形加工;包好封面的书本转动到收书斗时,夹书器松开放下书本;书落到收书台板上,由推书机构将其推出,完成收书动作。
该包本机由机架、大转盘、进本、夹书器、刷胶、供封面、包本、收书、传动装置等组成。
其中,进本装置的任务是将书芯一本一本送入夹书器中,为此它主要完成三个工艺动作(见图3):1、书芯的间歇前移:将书芯2间歇的推送到进本架1的顶端。
2、前定位:书芯移动到进本架的顶端后,应由一个前挡规3(固定不动)和活动前规4(可饶O1点做上下摆动)挡住书芯,使其不能再向前运动。
3、送入夹书器:当书芯完成前定位后,就由吸书芯板5上的吸嘴6吸住,将其送入夹书器7中。
吸书芯板5饶O2点做左右摆动。
图3 进本装置动作示意图本题要求按照进本装置的动作要求设计下列几个机构:1)使书芯间歇前移的执行机构;2)使前规4上下摆动的控制机构;3) 带动吸嘴6左右摆动的执行机构。
二、 原始数据和设计要求1、主电机:转速1430转/分,2.2KW 。
机械原理课程设计任务书题目一:牛头刨床机构设计一、牛头刨床简介牛头刨床是一种用于平面切削加工的机床,如图1,电动机经皮带和齿轮传动,带动曲柄2 和固接在其上的凸轮8。
刨床工作时,由导杆机构2-3-4-5-6带动滑枕6和刨刀7作往复运动。
要求工作行程时,滑枕6应速度较低,且近似等速移动,而空回行程时,滑枕具有较高速度,实现快速返回。
另外,齿轮等速转动时,通过四杆机构带动棘轮G转动。
棘轮与丝杆相连,实现自动进刀。
图1二、题目数据1、牛头刨床导杆机构设计及运动分析(表1)2.凸轮机构设计(表2)3. 齿轮机构设计(表3)符号说明:2n ——曲柄A O 2转速(与齿轮、凸轮、飞轮为同一运动单元)K ——行程速比系数K H ——滑枕6冲程K H1Z 、2Z ——齿轮1、2的齿数m 、α——齿轮1、2的模数和压力角 m max ψ——摆杆O 9D 最大摆角][α、]['α——凸轮推程、回程许用压力角01δ、02δ——凸轮推程、回程运动角3δ——凸轮远休止角图2三、设计要求1、牛头刨床导杆机构的设计和分析(1号图一张)(1)、作机构运动简图。
曲柄位置如图2,以滑枕6的左极限位置时曲柄A O 2 的位置作为起始点1,每隔30取一个位置,共12个位置。
全班分为三个小组,每组12人左右。
每人分配一个位置(见表4),并按该位置绘制机构简图。
(2)、BO L 4长度和滑枕导路X ——X 的位置,应根据连杆5传力给滑枕的最有利条件确定,即轴线42O O 应垂直于导路X ——X ,且X ——X 应位于点所画圆弧高的平分线上。
(3)、以小组为单位,比较每个同学确定的各杆长度,最后,按统一的合理尺寸作机构运动简图。
(4)、收集12个位置测量出的位移,以实线绘出位移线图。
(5)、分析连杆机构的结构组成(拆分杆组)2、凸轮机构设计(2号图一张)⏹根据牛头刨床导杆机构结构选定凸轮轴径(范围25~40mm)。
⏹凸轮基圆直径大于或等于轴径的(1.6——2)倍。
《机械原理》课程设计任务书(1)一、设计题目: 糕点切片机1.工作原理及工艺动作过程糕点先成型(如长方体、圆柱体等)经切片后再烘干。
糕点切片机要求实现两个执行动作:糕点的直线间歇移动和切刀的往复运动。
通过两者的动作配合进行切片。
改变直线间歇移动速度或每次间隔的输送距离, 以满足糕点不同切片厚度的需要。
2.原始数据及设计要求1)糕点厚度。
10~20mm。
2)糕点切片长度(亦即切片的高)范围。
5~80 mm。
3)切刀切片时最大作用距离(亦即切片的宽度方向)300 mm。
4)切刀工作节拍。
40次/min。
5)生产阻力很小。
要求选用的机构简单、轻便、运动灵活可靠。
6)电动机可选用0.55kw(或0.75kw)、1390/min。
3.设计方案提示1)切削速度较大时, 切片刀口会整齐平滑, 因此切刀运动方案的选择很关健, 切口机构应力求简单适用、运动灵活和运动空间尺寸紧凑等。
2)直线间歇运动机构如何满足切片长度尺寸的变化要求, 是需要认真考虑的。
调整机构必须简单可靠, 操作方便。
是采用调速方案, 还是采用调距离方案, 或者采用其它调整方案, 均应对方案进行定性的分析比较。
3)间歇运动机构必须与切刀运动机构工作协调, 即全部送进运动应在切刀返回过程中完成。
需要注意的是, 切口有一定的长度(即高度), 输送运动必须在切刀完全脱离切口后方能开始进行, 但输送机构的返回运动则可与切刀的工作行程运动在时间上有一段重叠, 以利提高生产率, 在设计机器工作循环图时, 就应按上述要求来选取间歇运动机构的设计参数。
4.设计任务1)根据工艺运动作顺序和协调要求拟定运动循环图;2)进行间歇运动机构和切口机构的选型, 实现上述动作要求;3)机械运动方案的评定和选择;4)根据选定的原动机和执行机构的运动参数拟定机械传动方案;5)画出机械运动方案简图(机械运动示意图);6)对机械传动系统和执行机构进行尺度设计。
二、设计工作量1.2号或3号图纸二张(包括: 运动循环图和机械运动方案简图)。
机械原理课程设计任务书一、机械原理课程设计目的、任务与要求机械原理课程设计是为了培养学生理论联系实际的设计思想,训练学生综合运用机械原理课的理论知识,并结合生产实际分析和解决工程问题的能力。
通过制定设计方案、合理选择机构的类型、正确地对机构进行运动分析,使学生初步掌握机构方案设计及运动分析的基本技能,为后续课程设计、毕业设计及以后从事机械技术研究和开发工作打下基础。
课程设计的任务是:选择一般用途的机构为题目,根据已知的工作要求,对机构进行选型与组合,设计出几种机构方案,并对其加以比较和确定,然后对所选定方案中的机构进行运动分析,确定出最优的机构参数,绘制从动件运动线图。
机械原理课程设计是在机械原理课程完成后集中进行的教学环节,它是在教师指导下由学生独立完成的。
每个学生应明确课程设计的任务和要求,拟定设计计划,保证设计进度及设计质量,按时完成课程设计。
在设计过程中,提倡独立思考,深入钻研,集思广义,主动地、创造性地进行设计工作。
要求设计态度严肃认真、一丝不苟,反对不求甚解,确保课程设计达到教学基本要求,即在设计思想、方法和技能等方面得到一定的训练和提高。
二、机械原理课程设计的方法分为图解法和解析法两大类1 图解法运用所学基本理论列出机构运动分析的矢量关系式,通过图解的方法求其结果,并绘制出运动线图。
图解法具有直观、简单、便于检查解析结果是否正确的特点,尤其在解决简单机构的分析与综合时较为方便。
利用图解法进行课程设计,能培养学生工程图算能力,要求计算准确、作图精确,有利于培养学生严谨的工作作风。
2 解析法列出机构运动方程式后,借助计算机编程求解未知量,计算精度高,并可避免大量重复人工劳动,可以迅速得到结果,能够方便地计算机构在一个运动循环中的运动线图。
用解析法进行课程设计,能培养学生运用计算机解决工程实际问题的能力。
图解法和解析法各有优点,互为补充。
三、机械原理课程设计步骤l 设计准备认真研究设计任务书,明确设计要求、条件、内容和步骤,收集和阅读有关资料、图纸,复习有关课程知识;准备设计所需的用具,拟定设计计划。
机械原理课程设计任务书1. 设计题目根据教师指定的机构类型,完成各自的平面连杆机构的运动分析及动态静力分析。
(具体题目及已知条件见附件)2. 设计内容2.1 运用图解法完成机构指定两个位置的运动分析(包括按比例绘出指定位置的机构运动简图,列出运动矢量方程及各计算表达式,按比例绘出速度多边形及加速度多边形,标出各运动量的方向);汇集全组同学的运动分析结果,将其绘成一个周期的完整运动曲线。
2.2 运用解析法,上机编程求解机构在指定位置(从动件的两个极限位置、力起始和终止位置、主动件旋转一周的均布六个位置)上的运动分析和动态静力分析,计算出机构中各构件的位移、速度(角速度)、加速度(角加速度),各构件的惯性力、运动副反力及主动件的平衡力矩M(平衡力F)。
2.2.1 运动分析1) 建立数学模型;2)程序设计: 编制计算流程框图,选择变量名及其标识符;编制程序及程序说明;3)程序运行及结果分析: 分析各运动参数计算结果是否正确,结果正确无误方可进行动态静力分析。
2.2.2 动态静力分析1) 建立数学模型:a) 由运动分析的必要结果,计算各构件的惯性力(惯性力偶);b) 画出各活动构件的受力图,建立各构件的力平衡方程式;c)分析已知条件,未知量(运动副反力及平衡力偶矩)的数目和求解的问题;d)必须了解工作行程和返回行程阻力的大小、方向,注意在力突变处,需要分别完成力突变前后的受力分析。
2) 程序设计: 编制计算流程框图,选择变量名及其标识符;编制程序及程序说明。
3) 程序运行及结果。
3. 设计要求3.1 整理一份说明书(要求:步骤清楚,叙述简明,文字通顺,书写端正。
主要内容:题目;图解法运动分析计算过程;解析法数学模型、程序框图、程序简要说明;计算结果分析及评估等);3.2 图解法运动分析结果2号图纸一张(包括:a.本人完成的机构指定两个位置的运动分析结果;b. 汇集全组同学的运动分析结果,列出表格表示一个周期的完整运动情况,并绘出相应的运动曲线);3.3 打印解析法源程序一份;3.4 打印解析法计算结果一份:已知数据、主动件各位置的转角(单位:度)、从动件各对应位置的运动规律及所有运动副的反力及平衡力偶矩。
机械运动简图设计实例7.1 薄板冲床7.1.l设计要求设计专用冲床,用于金属薄板的冲孔或落料。
7.1.2功能分解显然,为完成冲压工艺过程,需实现下列运动功能要求:(1)冲头作上下往复运动,因此需要设计相应的冲压机构。
(2)板料作纵向步进运动,因此需要设计板料纵向送料机构。
(3)为了节约原材料,工厂往往采用交错冲切方法,这样可以用同样数量的原材料加工出较多的工件,且减少边角余料。
因此,板料在作纵向步进运动的同时,还应作横向停歇往复运动,以实现冲切孔位的交错排列,为此需设计板料横向送料机构。
对这一个机构的运动功能作进一步分析,可知它们分别应该实现下列基本运动:(1)冲压机构有三个基本运动:运动轴线的变换、运动形式的变换、运动方向的交替变换。
(2)板料纵向送料机构也有三个基本运动:运动轴线变换、运动缩小、运动停歇。
(3)板料横向送料机构有四个基本运动:运动形式变换、运动缩小、运动方向的交替变换、运动停歇。
7.3 铆钉冷镦机7.3.1设计要求设计铆钉自动冷镦机,把成卷的线材通过校直、送料、切料、转送、镦锻、起模等工序,制成铆钉。
7.3.2功能分解本机器的功能是自动生产铆钉。
其原理为冷态(室温)镦锻。
它的运动功能可分解为四种工动作:l. 进料金属线材经进料机构校直后,被自动、定时地送入模具。
执行构件作直线停歇运动。
2. 切断转送进料停止后,切断转送机构将棒料切断并把它送至镦料工位。
执行构件作直线停歇等速运动及停歇急回运动。
3. 镦锻成形由镦锻机构镦出铆钉,执行构件作直线往复急回运动。
4. 起模顶料由起模机构将铆钉从定模中推出,执行构件作直线往复停歇运动。
7.4 蜂窝煤成型机7.4.1设计要求蜂窝煤在我国城镇广泛使用。
现要求设计蜂窝煤成形机,将具有一定湿度的粉煤定量送入模腔成形,生产出煤饼。
设计参数为:蜂窝煤形状为圆柱体,成品尺寸:¢100 mm³60 mm;生产能力:40次/min。
7.4.2功能分解为实现蜂窝煤成形,该机应具有下列功能:输入煤粉、煤粉成形、清除煤屑、型煤起模、输出成品。
首先进行原理方案设计,蜂窝煤成形机的技术原理方案见表7.5。
表7.5 蜂窝煤成形机技术原理选择由于该机主要在城镇农村应用,应力求结构简单,操作方便,成本低廉,故采用原理方案l:利用重力自动加料→冲压成形→机械清屑→机械起模→传送带输送型煤。
由此进一步确定煤粉成形机实现的工艺动作为:(1)冲压成形冲压机构作直线往复运动。
(2)机械起模起模机构作直线往复运动,可考虑将它与冲压机构固连在一起运动。
(3)机械清屑在冲头、起模盘上下移动的过程中,清屑机构完成左右方向的往复运动。
(4)成品输送将起模后的型煤落在输送带上输出。
(5)工位转换为了提高工作效率,拟采用多工位工作方式,将加料、冲压、起模三个工步同时在转盘工作台上实现。
由此需要实现工作台的停歇转动。
由于成形与起模可用同一个机构完成,因此该机主要由三个机构组成:冲压和起模往复运动机构、刷帚扫屑机构、工作台停歇分度机构。
7.5 电阻压帽机7.5.1 设计要求设计电阻自动压帽机。
图7.25 a所示电阻由图7.25 b所示的电阻坯1和左、右两个电阻帽2压合而成。
要求电阻坯从料斗落下后自动夹紧定位,并将从电阻帽料斗落下的两个电阻帽分左右自动压上。
生产按固定周期单工位连续进行。
图7.25 电阻坯与电阻帽压合成电阻7.5.2 功能分解为完成电阻压帽工艺过程,其运动功能可分解为三种工艺动作:1.送坯将电阻坯件送到压帽工位,为此需要设计进坯机构。
2. 夹紧把电阻坯件夹紧定位,为此需要设计夹紧定位机构。
3. 压帽从两端将电阻帽送到压帽工位,并将它们压牢在电阻坯件上(两端同时进行),为此需要设计送帽压帽机构。
7.6 四工位专用机床7.6.1 设计要求设计四工位专用机床的刀具进给机构和工作台转位机构。
如图7.28所示,左侧的工作台有I、Ⅱ、Ⅲ、Ⅳ四个工作位置,工位I装卸工件,工位Ⅱ钻孔,工位Ⅲ扩孔,工位Ⅳ铰孔。
右侧的主轴箱装有三把刀具,在对应于工位Ⅱ的位置装钻头,在对应于工位Ⅲ的位置装扩孔钻,在对应于工位Ⅳ的位置装铰刀。
刀具由专用电动机带动,绕其自身的轴线转动。
主轴箱每向左移动(送进)一次,在四个工位上分别完成相应的装卸工件、钻孔、扩孔和铰孔工作。
当主轴箱右移(退回),刀具离开工件后,工作台回转90°,然后主轴箱再次左移。
这时,对其中每一个工件来说.便进入了下一个工位的加工。
依次循环四次.一个工件就完成装、钻、扩、铰、卸工序。
由于主轴箱在四个工位上同时作业,每次就有一个工件完成上述全部工序。
图7.28 四工位专用机床外形设计参数为:(1)如图7.29所示,刀具顶端离开工件表面65 mm,快速移动送进60 mm接近工件后,等速送进55 mm(前5 mm为刀具接近工件时的切入量,工件孔深40 mm,后10mm为刀具切出量),然后快速返回,行程速度变化系数K=2。
(2)刀具等速进给速度为2 mm/s;工件装卸时间不超过10 s。
(3)生产率为每小时60件。
(4)机构系统应装入机体内,机床外形尺寸见图7.28。
图7.29 刀具行程7.6.2功能分解为完成规定的工艺任务,四工位专用机床的运动功能可分解为两种工艺动作:1. 工作台转位回转工作台作单向停歇转动,每次转过90°,为此需要设计工作台转位机构。
2. 刀具进给主轴箱作直线往复运动,在工作行程中有快进和慢进两段,回程具有急回特征,为此需要设计主轴箱进给机构。
8.2 半自动钻床8.2.1设计题目设计加工图8.1所示工件的半自动钻床。
进刀机构负责动力头的升降,送料机构将被加工工件推入加工位置,并由定位机构使被加工工件可靠固定。
图8.1 加工工件半自动钻床设计数据参看表8.3。
表8.3 半自动钻床凸轮设计数据8.2.2设计任务(1)半自动钻床至少包括凸轮机构、齿轮机构在内的三种机构。
(2)设计传动系统并确定其传动比分配。
(3)图纸上画出半自动钻床的机构运动方案简图和运动循环图。
(4)凸轮机构的设计计算。
按各凸轮机构的工作要求,自选从动件的运动规律,确定基圆半径,校核最大压力角与最小曲率半径。
对盘状凸轮要用解析法计算出理论廓线、实际廓线值,画出从动件运动规律线圈及凸轮廓线圈。
(5)设计计算其他机构。
(6)编写设计计算说明书。
(7)学生可进一步完成:凸轮的数控加工、半自动钻床的计算机演示验证等。
8.11 洗瓶机8.11.1设计题目洗瓶机主要由推瓶机构、导辊机构、转刷机构组成。
如图8.17所示,待洗的瓶子放在两个同向转动的导辊上,导辊带动瓶子旋转。
当推头M把瓶子向前推进时,转动着的刷子就把瓶子外面洗净。
当前一个瓶子将洗刷完毕时,后一个待洗的瓶子已送入导辊待推。
图8.17 洗瓶机工作示意图洗瓶机的技术要求见表8.17。
表8.17洗瓶机的技术要求8.11.2 设计任务(1)洗瓶机应包括齿轮、平面连杆机构等常用机构或组合机构。
学生应提出两种以上的设计方案并经分析比较后选定一种进行设计。
(2)设计传动系统并确定其传动比分配。
(3)绘制机器的机构运动方案简图和运动循环圈。
(4)设计组合机构实现运动要求,并对从动杆进行运动分析。
也可以设计平面连杆机构以实现运动轨迹,并对平面连杆机构进行运动分析,绘出运动线图。
若采用凸轮机构,要求用解析法设计凸轮。
(5)其他机构的设计计算。
(6)编写设计计算说明书。
(7)学生可进一步完成:洗瓶机推瓶机构的计算机动态演示等。
13.1 设计冲压式蜂窝煤成型机的运动方案一、冲压式蜂窝煤成型机的功能和设计要求1. 功能冲压式蜂窝煤成型机是我国城镇蜂窝煤(通常又称煤饼)生产厂的主要生产设备,这种设备由于具有结构合理、质量可靠、成型性能好、经久耐用、维修方便等优点而被广泛采用。
冲压式蜂窝煤成型机的功能是将粉煤加入转盘的模筒内,经冲头冲压成蜂窝煤。
为了实现蜂窝煤冲压成型,冲压式蜂窝煤成型机必须完成五个动作:1)粉煤加料;2)冲头将蜂窝煤压制成型;3)清除冲头和出煤盘的积屑的扫屑运动:4)将在模筒内的冲压后的蜂窝煤脱模:5)将冲压成型的蜂窝煤输出。
2. 设计要求和原始数据1)蜂窝煤成型机的生产能力:30次/min;2)图13.1表示冲头、脱模盘、扫屑刷、模筒转盘的相互位置情况。
实际上冲头与脱模盘都与上下移动的滑梁连成一体,当滑梁下冲时冲头将粉煤冲压成蜂窝煤、脱模盘将已压成的蜂窝煤脱模。
在滑梁上升过程中扫屑刷将刷除冲头和脱模盘上粘着的粉煤。
模筒转盘上均布了模筒,转盘的间歇运动使加料后的模筒进入冲压位置、成型后的模筒进入脱模位置、空的模筒进入加料位置;图13.1 冲头、脱模盘、扫屑刷、模筒转盘位置示意图1—模筒转盘2—滑梁3—冲头4—扫屑刷5—脱模盘3)为了改善蜂窝煤冲压成型的质量,希望冲压机构在冲压后有一保压时间:4)用于同时冲两只煤饼时的冲头压力较大,最大可达50 000N,其压力变化近似认为在冲程的一半进入冲压,压力呈线性变化,由零值至最大值。
因此,希望冲压机构具有增力功能,以减小机器的速度波动、减小原动机的功率;5)驱动电机目前采用Y180L-8,其功率N=ll kW,转速n=730r/min;6)机械运动方案应力求简单。
附录I 机械原理课程设计题目汇编机械原理课程设计要求对学生进行机械运动简图设计能力的培养。
具体来说就是培养学生对新机械运动方案构思和设计的能力、对机构系统中各机构分析和设计能力的培养。
由此,可以逐步树立工程设计的观点,培养创新设计能力和实用机构设计能力。
因此,本附录所汇编的设计题目均来自于生产和日常应用的实际,它们的工艺动作,一般均包括2~3个动作。
这种选题原则将会有利于教学基本要求的贯彻。
其实新的机械设备的创新是层出不穷的,为了实现某种功能就可创造出一种新的机械,因此设计题目还可以根据需要自己来设定。
下面为了使广大教师和学生开阔思路,而汇编了16个题目,供大家参考选用。
一、糕点切片机l. 工作原理及工艺动作过程糕点先成掘(如长方体、圆柱体等)经切片后再烘干。
糕点切片机要求实现两个执行动作:糕点的直线间歇移动和切刀的往复运动。
通过两者的动作配合进行切片。
改变直线间歇移动速度或每次间隔的输送距离,以满足糕点不同切片厚度的需要。
2. 原始数据及设计要求1)糕点厚度。
10~20 mm。
2)糕点切片长度(亦即切片的高)范围。
5~80 mm。
3)切刀切片时最大作用距离(亦即切片的宽度方向)300 mm。
4)切刀工作节拍。
40次/min。
5)生产阻力很小。
要求选用的机构简单、轻便、运动灵活可靠。
6)电动机可选用0.55 kW(或0.75 kW)、1390 r/min。
3. 设计方案提示1)切削速度较大时,切片刀口会整齐平滑,因此切刀远动方案的选择很关键,切口机构应力求简单适用、运动灵活和运动空间尺寸紧凑等。