发电机交接试验报告表(doc格式)
- 格式:doc
- 大小:29.00 KB
- 文档页数:3
质控(电)表433 -1 共页第
页
质控(电)表433 —1 共 页第
页
单位(子单位)工程名称 安装单位 设备型号规格及 主要技术性能
型号
出厂
检定
检定证书
名称 检定单位
规格 编号
有效期 编号
试验内容
试验结果
定子绕组的绝缘电阻和吸收比 在常温下,绕组表面温度与空气温度
测试仪器 仪表
部位 静 态定子 试电路
差在土3C范围内测量各相直流电阻
质控(电)表433 —1 共 页第
页
单位(子单位)工程名称 安装单位 设备型号规格及 主要技术性能
型号
出厂
检定 检定证书
名称 检定单位
规格 编号
有效期 编号
试验内容
试验结果
定子绕组的绝缘电阻和吸收比 在常温下,绕组表面温度与空气温度
测试仪器 仪表
部位 静 态定子 试电路
差在土3C范围内测量各相直流电阻。
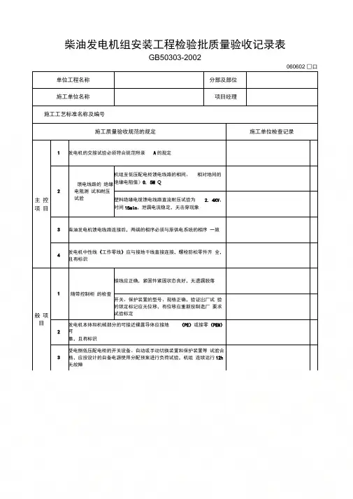
柴油发电机组安装工程检验批质量验收记录表GB50303-2002060602 □口单位工程名称分部及部位施工单位名称项目经理施工工艺标准名称及编号施工质量验收规范的规定施工单位检查记录主控项目1发电机的交接试验必须符合规范附录A的规定2馈电线路的绝缘电阻测试和耐压试验机组至低压配电柜馈电线路的相间、相对地间的绝缘电阻值〉0. 5M Q塑料绝缘电缆馈电线路直流耐压试验为 2. 4KV,时间15min,泄漏电流稳定,无击穿现象3柴油发电机馈电线路连接后,两端的相序必须与原供电系统的相序一致4发电机中性线(工作零线)应与接地干线直接连接,螺栓防松零件齐全,且有标识般项目1随带控制柜的检查接线应正确,紧固件紧固状态良好,无遗漏脱落开关、保护装置的型号、规格正确,验证岀厂试验的锁定标记应无位移,有位移应重新按制造厂要求试验标定2发电机本体和机械部分的可接近裸露导体应接地(PE)或接零(PEN)可靠,且有标识3受电侧低压配电柜的开关设备、自动或手动切换装置和保护装置等试验合格,应按设计的自备电源使用分配预案进行负荷试验,机组连续运行12h 无故障施工单位检查结果施工班组长:专业施工员:项目专业质检员:年月曰监理健设)单位验收结论专业监理工程师:(建设单位项目专业技术负责人)年月曰说明060602主控项目:检查数量:全数检查。
检查方法:1. 检查发电机交接试验记录或试验时旁站; 2 、 3.检查馈电线路直流耐压试验记录或试验时旁站;检查馈电线路通电试验记录或旁站检查。
4. 目测检查,螺栓紧固程度做拧动试验。
一般项目:检查数量:全数检查。
检验方法: 1. 设备规格型号、标志及接线,对照工程设计图纸检查出厂质量证明文件和试验记录; 2. 目测检查;3. 检查负荷运行试验记录或试运行时旁站。
电气设备交接试验报告变压器交接试验报告用户名称鸿坤理想海岸项目(二期)高低压配电:环境温度:16°C安装位置:10kV配电室2#变相对湿度:60 %试验日期:2013年12月18日一、主要技术参数:分接开关位置:二、试验数据:1、绕组直流电阻测量: (使用仪器:JYR-10B直流电阻测试仪)1电气设备交接试验报告)兆欧表使用仪器:ZC11D-52、绕组绝缘电阻测量:(JYT变比自动测试仪)3、电压比测量和联结组标号检定:(使用仪器:kV型高压试验变压器)YDQ、工频耐压试验:(使用仪器:—5KVA/50 4三、试验依据:。
GB50150国家电力交接试验标准—2006四、结论:.试验合格记录人:试验人员:2电气设备交接试验报告变压器交接试验报告用户名称:鸿坤理想海岸项目(二期)高低压供配电环境温度:16°C 安装位置:10kV配电室2#变相对湿度:60 %试验日期:2013年12月18日一、主要技术参数:分接开关位置:二、试验数据:1、绕组直流电阻测量: (使用仪器:JYR-10B直流电阻测试仪)3电气设备交接试验报告) ao bo co 0.07)兆欧表使用仪器:ZC11D-52、绕组绝缘电阻测量:(JYT变比自动测试仪)3、电压比测量和联结组标号检定:(使用仪器:kV型高压试验变压器)YDQ、工频耐压试验:(使用仪器:—5KVA/50 4三、试验依据:。
GB50150国家电力交接试验标准—2006四、结论:.试验合格记录人:试验人员:4电气设备交接试验报告变压器交接试验报告用户名称:鸿坤理想海岸项目(二期)高低压供配电环境温度:16°C 安装位置:10kV配电室3#变相对湿度:63 %试验日期:2013年12月19日一、主要技术参数:分接开关位置:二、试验数据:1、绕组直流电阻测量: (使用仪器:JYR-10B直流电阻测试仪)5电气设备交接试验报告)兆欧表使用仪器:ZC11D-52、绕组绝缘电阻测量:(JYT变比自动测试仪)3、电压比测量和联结组标号检定:(使用仪器:kV型高压试验变压器)YDQ、工频耐压试验:(使用仪器:—5KVA/50 4三、试验依据:。
发电机交接验收试验项目及规定第2.0.1条容量6000kW及以上的同步发电机及调相机的试验项目,应包括下列内容:一、测量定子绕组的绝缘电阻和吸收比;二、测量定子绕组的直流电阻;三、定子绕组直流耐压试验和泄漏电流测量;四、定子绕组交流耐压试验;五、测量转子绕组的绝缘电阻;六、测量转子绕组的直流电阻;七、转子绕组交流耐压试验;八、测量发电机或励磁机的励磁回路连同所连接设备的绝缘电阻,不包括发电机转子和励磁机电枢;九、发电机或励磁机的励磁回路连同所连接设备的交流耐压试验,不包括发电机转子和励磁机电枢;十、定子铁芯试验;十一、测量发电机、励磁机的绝缘轴承和转子进水支座的绝缘电阻;十二、测量埋入式测温计的绝缘电阻并校验温度误差;十三、测量灭磁电阻器、自同期电阻器的直流电阻;十四、测量超瞬态电抗和负序电抗;十五、测量转子绕组的交流阻抗和功率损耗;十六、测录三相短路特性曲线;十七、测录空载特性曲线;十八、测量发电机定子开路时的灭磁时间常数;十九、测量发电机自动灭磁装置分闸后的定子残压;二十、测量相序;二十一、测量轴电压。
第2.0.2条测量定子绕组的绝缘电阻和吸收比,应符合下列规定:一、各相绝缘电阻的不平衡系数不应大于2;二、吸收比:对沥青浸胶及烘卷云母绝缘不应小于1.3;对环氧粉云母绝缘不应小于1.6。
注:①进行交流耐压试验前,电机绕组的绝缘应满足第一、二款的要求。
②水内冷电机应在消除剩水影响的情况下进行。
③交流耐压试验合格的电机,当其绝缘电阻在接近运行温度、环氧粉云母绝缘的电机则在常温下不低于其额定电压每千伏1MΩ时,可不经干燥投入运行。
但在投运前不应再拆开端盖进行内部作业。
④对水冷电机,应测量汇水管及引水管的绝缘电阻。
阻值应符合制造厂的规定。
第2.0.3条测量定子绕组的直流电阻,应符合下列规定:一、直流电阻应在冷状态下测量,测量时绕组表面温度与周围空气温度之差应在±3℃的范围内;二、各相或各分支绕组的直流电阻,在校正了由于引线长度不同而引起的误差后,相互间差别不应超过其最小值的2%;与产品出厂时测得的数值换算至同温度下的数值比较,其相对变化也不应大于2%。
35kV及以下电气设备交接试验要求电气设备安装后必须进行交接试验,交接试验的条件应符合现行国家标准《电气装置安装工程电气设备交接试验标准》(GB 50150)的有关规定。
直流电动机的交接试验应符合表的规定。
直流电动机的交接试验表注:励磁绕组对外壳和电枢绕组对轴的交流耐压试验,100kW以下电机可用2500V兆欧表测绝缘电阻代替。
电压在1000V以下的交流电动机的交接试验应符合表的规定。
1000V以下交流电动机的交接试验表注:当电动机与其他机械部分的连接不易拆开时可连在一起进行空载运转检查试验。
电压在1000V以上的交流电动机的交接试验应符合表的规定。
1000V以上交流电动机的交接试验表注:①当电动机与其他机械部分的连接不易拆开时可连在一起进行空载运转检查试验;②表中序号为2、3、4的试验项目可根据现场情况选做。
电力变压器的交接试验应符合表的规定。
电力变压器的交接试验表注:①冲击合闸宜在高压侧进行;中性点接地的电力系统试验时变压器中性点必须接地;无电流差动保护的干式变压器可冲击3次;发电机变压器组中间连接无操作断开点的变压器,可不进行冲击合闸试验;②当试验时温度与产品出厂试验温度不符时,应按现行国家标准《电气装置安装工程电气设备交接试验标准》(GB 50150)的有关规定,将测量值换算到同一温度的数值,再进行比较;③表序号9中的变压器绝缘油的试验可根据厂家说明书选做。
互感器的交接试验应符合表的规定。
互感器的交接试验表注:序号2中括号内的数据为全绝缘结构电压互感器的匝间电压。
少油断路器的交接试验应符合表的规定。
少油断路器的交接试验表真空断路器的交接试验应符合表的规定。
真空断路器的交接试验表续表六氟化硫封闭式组合电器的交接试验应符合表的规定。
六氟化硫封闭式组合电器的交接试验表注:序号4中的元件包括断路器、隔离开关、负荷开关、接地开关、避雷器、互感器、套管、母线等,这些元件无法分开试验的可不单独进行试验。
电气设备交接试验标准1. 目的本标准的目的是规定电气设备交接试验的程序和要求,以保证设备交接过程中的安全可靠性和有效性。
2. 适用范围本标准适用于所有电气设备交接试验,包括但不限于变压器、发电机、开关设备、电缆等,适用于交接试验的各个阶段。
3. 试验人员资格进行电气设备交接试验的人员应具备相关的专业知识和工作经验,熟悉设备的操作规程和安全注意事项,且应获得相关部门的授权。
4. 试验前准备在进行交接试验前,应对被交接设备进行全面检查,确保设备运行状态良好,无故障、损坏和安全隐患。
同时,应对试验所需的工具、仪器和试验记录表进行准备,并确认试验环境符合安全要求。
5. 试验程序(1)开展准备工作:确定试验的开始时间、地点和参与人员,进行安全交底和安全措施的确认,确保试验环境的安全性。
(2)进行试验操作:按照设备交接试验的程序和要求,进行试验操作,并注意观察设备的运行状态和数据指标。
(3)记录试验结果:对试验过程中的重要数据进行记录,包括试验开始时间、试验环境参数、设备运行状态和试验操作等。
(4)交接确认:在试验结束后,由交接方和接收方对设备的运行状态进行确认,确认无异常情况后,进行正式的交接手续。
6. 试验报告完成试验后,应编制试验报告并进行归档保存,报告内容包括试验的目的、过程、结果及存在的问题和建议等。
7. 试验安全在进行电气设备交接试验过程中,应严格遵守相关的安全操作规程和要求,做好安全防护措施,并严禁在试验过程中发生任何事故和安全事件。
8. 试验质量进行电气设备交接试验时,应确保试验操作的标准化和规范化,避免试验过程中的失误和操作不当,以确保试验结果的准确性和可靠性。
9. 试验验收进行电气设备交接试验后,应由相关部门进行试验结果的验收,确认试验的有效性和合格性,并进行正式的设备交接手续。
10. 附则本标准的修改和解释权归本单位所有,并在执行过程中如有疑问或变更,应及时进行沟通和确认。
目录1范围2引用标准3定义、符号4总则5电力变压器及电抗器6互感器7开关设备8套管9支柱绝缘子和悬式绝缘子10电力电缆线路11电容器12绝缘油和六氟化硫气体13避雷器14母线15二次回路161kV及以下的配电装置和电力布线171kV及以上的架空电力线路18接地装置19电除尘器20低压电器附录B(标准的附录)绝缘子的交流耐压试验电压标准附录E(提示的附录)橡塑电缆附件中金属层的接地方法附录F(提示的附录)避雷器的电导电流值和工频放电电压值附录H(标准的附录)高压电气设备的工频耐压试验标准附录K(提示的附录)参考资料1范围本标准规定了各种电力设备交接和预防性试验的项目、周期和要求,用以判断设备是否符合运行条件,预防设备损坏,保证安全运行。
本标准不适用于高压支流输电设备、矿用及其它特殊条件下使用的电力设备,也不适用于电力系统的继电保护装置、自动装置、测量装置等电气设备和安全用具。
进口设备和合资企业生产的设备以该设备的产品标准为基础,参照本标准执行。
2引用标准下列标准所包含的条文,通过在本标准中引用而构成为本标准的条文。
本标准出版时,所示版本均为有效。
所有标准都会被修订,使用本标准的各方应探讨使用下列标准最新版本的可能性。
DL/T596-1996 电力设备预防性试验规程GB/T 507—1986 绝缘油介电强度测量法GB 1094.1~.2—1996、GB 1094.3~.5 电力变压器GB 5583—1985 互感器局部放电测量GB 6450—1986 干式电力变压器3 定义、符号3.1 预防性试验为了发现运行中设备的隐患,预防发生事故或设备损坏,对设备进行的检查、试验或监测,也包括取油样或气样进行的试验。
3.2在线监测在不影响设备运行的条件下,对设备状况连续或定时进行的监测,通常是自动进行的。
3.3带电测量对在运行电压下的设备,采用专用仪器,由人员参与进行的测量。
3.4绝缘电阻在绝缘结构的两个电极之间施加的直流电压值与流经该对电极的泄流电流值之比。
DLT-5293-2013-电气装置安装工程电气设备交接试验报告统一格式目录1600kVA以上三相油浸式电力变压器交接试验报告 (4)1600kVA以上单相油浸式电力变压器交接试验报告 (9)1600kVA以上三相三圈有载调压油浸式电力变压器试验报告 (13)1600kVA及以下油浸式电力变压器交接试验报告 (20)1600kVA以上单相油浸式自耦电力变压器交接试验报告 (24)干式电力变压器 (28)油浸电抗器交接试验报告 (32)干式电抗器交接试验报告 (36)消弧线圈交接试验报告 (38)油浸式结构电压互感器交接试验报告 (40)电容式电压互感器交接试验报告 (44)干式固体结构电压互感器交接试验报告 (48)油浸式电流互感器交接试验报告 (52)干式固体结构电流互感器交接试验报告 (57)套管式电流互感器交接试验报告 (61)SF6绝缘电流互感器试验报告 (65)六氟化硫断路器交接试验报告 (70)六氟化硫封闭式组合电器交接试验报告 (76)GIS密封性及SF6气体含水量测试报告 (77)气体密度继电器、压力表检验测试报告 (78)真空断路器交接试验报告 (80)隔离开关交接试验报告 (83)负荷开关交接试验报告 (85)高压熔断器交接试验报告 (87)20kV及以上非纯瓷套管交接试验报告 (88)其他套管交接试验报告 (90)悬式绝缘子和支柱绝缘子交接试验报告 (91)电力电缆交接试验报告 (92)耦合电容器交接试验报告 (95)电力电容器交接试验报告 (97)金属氧化物避雷器交接试验报告 (100)组合式金属氧化物避雷器交接试验报告 (103)过电压保护器交接试验报告 (105)电除尘整流变及电场交接试验报告 (106)二次回路交接试验报告 (110)1kV及以下配电装置和馈电线路交接试验报告 (111)1kV以上架空电力线路交接试验报告 (113)母线交接试验报告 (117)接地网电器完整性测试报告 (118)独立接地装置测试报告 (119)场区地表电位梯度、接触电位差、跨步电压和转移电位测量 (120)GIS内SF6气体测试报告 (121)绝缘油电气强度试验报告 (122)电力电缆线路交流耐压及局部放电试验报告 (123)交叉互联性能检验试验报告 (125)35kV及以上线路的工频参数测量交接试验报告 (127)接地网接地阻抗测量试验报告 (129)场区地表电位梯度、接触电位差、跨步电压和转移电位测量试验报告 (131)110(66)kV及以上电压等级电气设备直流耐压试验报告 (133)110(66)kV及以上电压等级电气设备交流耐压试验报告 (135)110(66)kV及以上电压等级电气设备冲击耐压试验报告 (137)SF6气体试验报告 (139)绝缘油试验报告 (141)1600kVA以上三相油浸式电力变压器交接试验报告1600kVA以上单相油浸式电力变压器交接试验报告1600kVA以上三相三圈有载调压油浸式电力变压器试验报告1600kVA及以下油浸式电力变压器交接试验报告1600kVA以上单相油浸式自耦电力变压器交接试验报告干式电力变压器油浸电抗器交接试验报告干式电抗器交接试验报告消弧线圈交接试验报告油浸式结构电压互感器交接试验报告电容式电压互感器交接试验报告干式固体结构电压互感器交接试验报告。
发电机定子绕组交、直流耐压试验作业指导书 1.发电机主要参数:型号:QFW-30-2 额定功率:30000kw功率因数:0.8 额定电压:10500V额定电流:2062A 频率:50HZ 额定转速:3000r/min 转子电压:196V转子电流:384A 接法:Y制造厂家:济南发电设备厂2.试验依据标准:国标GB50150—91规程和产品出厂技术要求的规定进行。
3.试验前应具备的条件和试验时的准备工作。
3.1、发电机本体具备耐压试验条件,安装工作应全部结束。
3.2、采用专用的ZC-37型水内冷发电机绝缘电阻测试仪测量定子绕组的绝缘电阻,所测量数据换算至75℃运行温度下与厂家数据比较无显著差别。
3.3、断开发电机定子绕组冷却水的进出口法兰处有机玻璃垫块两侧的金属短接连片,试验结束后复位。
3.4、试验时通入合格的冷却水,并保证水压正常,水质检验合格,无机械杂质,导电率不大于5微西/厘米,PH值等于7-8,试验中维持此水质要求,水温控制在摄氏25-30度。
3.5、进出水汇水管的对发电机本体的绝缘电阻值RH≥30ΚΩ,对定子绕组的绝缘电阻RY≥100ΚΩ。
3.6、定子绕组冷却水系统保持循环运行,进水压力保持在0.2Mpa左右,并保持水温和导电率的稳定。
3.7、准备一套直流耐压及泄漏试验设备和一套工频交流耐压试验设备,以及相应试验用仪器仪表等级不低于0.5级。
3.8、拆开发电机首尾出线端之间的伸缩节,并在母线侧短接接地,转子绕组应从滑环处可靠短接接地,相应的测温元件进行相应的处理。
3.9、试验现场清理干净,照明充足,划定警戒区,并有明确的标志,安排专人监护。
4.发电机绝缘情况判定4.1 定子绕组的绝缘电阻与厂家出厂数据换算至75℃运行温度下无显著差别,吸收比应大于1.6而且各相绝缘电阻的不平衡系数不应大于2方可进行试验。
4.2 测量绝缘时采用专用的ZC-37型水摇表进行,测试前应先将定子绕组短接接地1-2分钟后进行测量。
发电机整组试运行报告JL-CX14-018-01 编号编号 1、绝缘电阻:、绝缘电阻:定子绕组(M Ω)(使用2500V 摇表)摇表) 转子绕组(M Ω)(使用500V 摇表)摇表) A 对BC 及地及地 B 对AC 及地及地 C 对AB 及地及地2、转子交流阻抗测试:、转子交流阻抗测试:汽机转速汽机转速施加交流电压施加交流电压(V ) 施加交流电流(A )有功功率(W ) 计算阻抗(Ω) 0r/min 500 r/min 1000 r/min 1500 r/min 2500 r/min 3000 r/min 超速后超速后3、发电机短路特性实验:(K1点)点) 转子电压(V ) 定子电流A 励磁机励磁励磁机励磁A 相B 相C 相 励磁电流A 励磁电压V 4、发变组短路特性:(K2点)点)转子电压(V ) 定子电流A 励磁机励磁励磁机励磁A 相B 相C 相 励磁电流A 励磁电压V 5、电抗器短路特性:(K3点)点) 转子电压(V ) 定子电流A 励磁机励磁励磁机励磁A 相B 相C 相 励磁电流A 励磁电压V 6、定子残压及相序检查:、定子残压及相序检查:定子残压(V )相序检查结论相序检查结论AB BC AC 7、发电机空载特性实验:、发电机空载特性实验:定 子 电 压(V ) 转 子 交 流 励 磁 机 励 磁电流(A ) 电压(V ) 电流(A ) 电压(V )8、发变组空载特性实验:、发变组空载特性实验:定 子 电 压(V ) 转 子 交 流 励 磁 机 励 磁 电流(A ) 电压(V ) 电流(A ) 电压(V )9、灭磁时间常数测定:、灭磁时间常数测定: S 10、轴电压测量:、轴电压测量:发电机所带负荷发电机所带负荷绝缘支座侧对地电压V 大轴接侧对地电压V 0%负荷%负荷 50%负荷%负荷 100%负荷%负荷11、发电机CT 负载电压测定:(K1)电流互感器回路编号回路编号 测得负载压降V 电流互感器回路编号回路编号 测得负载压降V A B C A B C 1LH 7LH 2 LH 8 LH 3 LH 9 LH 4 LH 10 LH 5 LH 11 LH 6 LH 12 LH 12、变压器CT 负载电压测定:(K2)电流互感器回路编号回路编号 测得负载压降V 电流互感器回路编号回路编号 测得负载压降V A B C A B C 1LH 7LH 2 LH 8 LH 3 LH 9 LH 4 LH 10 LH 5 LH 11 LH 6 LH 12 LH 13、电抗器CT 负载电压测定:(K3)电流互感器回路编号回路编号 测得负载压降V 电流互感器回路编号回路编号 测得负载压降V A B C A B C 1LH 7LH 2 LH 8 LH 3 LH 9 LH 4 LH 10 LH 5 LH 11 LH 6 LH 12 LH 14、永磁副励磁机;、永磁副励磁机;⑴永磁机空载特性的测定:⑴永磁机空载特性的测定: 转速r/min 电枢电压(V )15、交流无刷励磁机空载特性:、交流无刷励磁机空载特性:电枢电流电压(V )磁场电压(V )磁场电流(A )。
《电力设备交接和预防性试验规程》修改部分表3-135kV及以上油浸式变压器、电抗器的试验项目、周期和标准页脚内容4-1电流互感器的试验项目、周期和标准页脚内容4-3电容式电压互感器的试验项目、周期和标准表6套管的试验项目、周期和标准页脚内容110kV及以上SF6气体变压器、SF6气体电流互感器有关SF6气体试验项目、周期和标准页脚内容页脚内容注:1、110kV 及以上SF 6气体变压器、SF 6气体电流互感器其它试验项目同油浸式变压器、油浸式电流互感器2、110kV 及以上SF 6气体变压器、SF 6气体电流互感器交接和大修后应进行交流耐压试验,试验电压参照附录G表5-1 SF 6断路器和GIS 的试验项目、周期和标准表5-2多油断路器和少油断路器的试验项目、周期和标准页脚内容表5-3真空断路器的试验项目、周期和标准页脚内容表5-4高压开关柜的试验项目、周期和标准页脚内容表8-2橡塑绝缘电力电缆线路的试验项目、周期和标准页脚内容表11-2金属氧化物避雷器试验项目、周期和标准页脚内容18串联补偿装置页脚内容18.1平台金属氧化物避雷器(MOV)试验项目、周期和标准见表18-1表18-1平台金属氧化物避雷器(MOV)试验项目、周期和标准18.2串联电容器组的试验项目、周期和标准见表18-2页脚内容18.3阻尼电抗器试验项目、周期和标准见表18-3表18-3阻尼电抗器的试验项目、周期和标准页脚内容18.4火花间隙及触发控制设备试验项目、周期和标准见表18-4表18-4火花间隙及触发控制设备的试验项目、周期和标准18.5旁路断路器的试验项目、周期和标准见表18-5表18-5旁路断路器的试验项目、周期和标准页脚内容页脚内容附录G高压电气设备的工频耐压试验电压标准页脚内容注:括号内为低电阻接地系统页脚内容。
火电工程机组整套启动试运后质量监督检查记录典型表式(1)一、前言本文档记录了对某火电工程机组整套启动试运后的质量监督检查情况,旨在为后续工程建设提供参考。
本次检查涉及电气、机械、仪表、自动化等多个方面的质量问题,需要综合全面评估各个方面的情况。
二、检查内容1. 机械方面对本次机械启动试运后的性能进行了检查,包括旋转部件的阻力、摩擦等情况。
同时,对机械部件的润滑情况进行了评估,并记录了相关的数据和检查结果。
2. 电气方面针对电气部件的安装和接线情况进行了检查,包括电机、控制箱、电缆等,发现部分电缆接头存在松动情况。
在检查中,还对电气系统的待机功耗等情况进行了评估。
3. 仪表方面对火电机组的仪表进行了检查和调试,包括流量计、温度计、压力计等,测试并记录了相关的数据。
检查中发现了一些仪表的测量值异常,需要进一步调试和修复。
4. 自动化方面针对火电机组的自动化控制系统进行了检查。
检查发现自动化控制系统存在一些问题,需要进一步的维护和修复。
同时,对自动化保护系统进行了评估,评估结果显示其运行良好。
三、检查结果,对于本次机组的整套启动试运后的质量监督检查,我们发现了以下问题:•机械部件方面存在一些问题,需要进一步维护和修复。
•电气方面存在电缆接头松动情况,需要及时处理。
•仪表方面存在测量值异常情况,需要进一步的调试和修复。
•自动化控制系统存在一些问题,需要进一步的维护和修复。
综合来看,本次检查主要针对细节问题进行了评估,对于机组的整体性能评估需要进一步的待机测试和调试。
在未来的工程建设中,我们将秉承着严谨、高效、可靠的原则,不断加强对于机组的检查和评估,确保机组的长期稳定运行。
工程名称: 安装位置:号主变相本体1.铭牌:工程名称:安装位置:号主变相本体2绕组直流电阻测试试验日期:年月日3. 变比检查: 试验日期:年月日工程名称:安装位置:号主变相本体4. 绝缘电阻测试:湿度: % 试验日期:年月日4.1.折算到20℃时数据5.绕组连同套管介损试验: 湿度:%试验日期:年月日工程名称:安装位置:号主变相本体6.绕组连同套管直流泄漏试验: 温度:℃湿度: % 试验日期:年月日7.耐压和局部放电试验:见耐压和局部放电试验报告8.绕组变形测试:试验日期:年月日见附页9.绝缘油试验:见油试验报告。
10. 试验仪器仪表:11. 试验结果:工程名称: 安装位置:号主变本体三相绕组电阻值比较工程名称:安装位置:号主变相套管1. 铭牌:2.绝缘电阻测试:温度:℃湿度:%试验日期:年月日3.介损测试:温度:℃湿度:%试验日期:年月日4. 试验仪器仪表:5. 试验结果:工程名称:安装位置:号主变高压侧升高座CT1. 铭牌:2.绝缘电阻测试:温度:℃湿度:%试验日期:年月日3.变比检查: 试验日期:年月日4. CT极性检查:与铭牌一致,A、B、C相的P2与1S2、2S2、3S3、4S3、S6同极性, P2为变压器侧。
工程名称:安装位置:号主变高压侧升高座CT5.励磁特性试验:励磁特性试验:试验日期:年月日相工程名称:安装位置:号主变高压侧升高座CT6.绕组直流电阻:温度℃试验日期:年月日7. 试验仪器仪表:8. 试验结果:工程名称:安装位置:号主变中压侧升高座CT1. 铭牌:2.绝缘电阻测试:温度:℃湿度:%试验日期:年月日3.变比检查: 试验日期:年月日4. CT极性检查:与铭牌一致,A、B、C相的P2与1S2、2S2、3S3、4S3、S6同极性, P2为变压器侧。
工程名称:安装位置:号主变中压侧升高座CT5.励磁特性试验:励磁特性试验:试验日期:年月日相工程名称:安装位置:号主变中压侧升高座CT6.绕组直流电阻:温度℃试验日期:年月日7. 试验仪器仪表:8. 试验结果:工程名称:安装位置:号主变低压侧升高座CT1. 铭牌:2.绝缘电阻测试:温度:℃湿度:%试验日期:年月日3.变比检查: 试验日期:年月日4. CT极性检查:与铭牌一致,a、b、c相的P2与1S2、2S2、3S3、4S3、S6同极性, P2为变压器侧。