(参考)旋挖成孔灌注桩地基验槽记录
- 格式:doc
- 大小:65.50 KB
- 文档页数:9
地基验槽检查记录日期:XX年XX月XX日地基验槽的检查工作是为了验证地基施工的质量和准确性,确保地基的稳固性和安全性。
本次地基验槽检查工作主要包括地基的开挖、平整、布设等方面的检查。
以下是地基验槽检查过程中的详细记录:1.检查前的准备工作:a.查阅相关施工图纸,了解地基验槽的尺寸和位置要求;b.与工地相关人员进行沟通,确保他们了解地基验槽的重要性以及施工过程中的注意事项;c.检查验槽所需的设备和工具,并确保它们的正常运行状态。
2.验证地基验槽的尺寸和形状:a.使用测量工具(例如直尺、测量带)对地基验槽的长、宽、深进行测量;b.比对测量结果与施工图纸上的要求,确保地基验槽的尺寸和形状符合要求;c.检查地基验槽的底部是否平整,并观察是否存在凹凸不平或明显的地基沉降。
3.检查地基的开挖情况:a.观察地基边缘的斜坡是否平整,是否存在塌方等安全隐患;b.检查地基中是否有水或泥浆积聚,若有应及时清理;c.检查地基边缘是否存在明显裂缝,若有应及时修补,确保地基的稳固性。
4.检查地基的布设情况:a.检查地基验槽内是否有适当的排水设施,以确保地下水不会积聚在地基中;b.检查地基验槽底部是否铺设了适当的防水材料,以防止地下水渗透;c.观察地基验槽周围是否有足够的支撑设施,以确保地基在施工过程中不发生变形或下沉。
5.其他注意事项:a.观察施工人员是否按照相关规定进行操作,如佩戴安全帽、安全绳等;b.检查地基验槽周围是否有足够的安全警示标识,以便提醒他人注意危险区域。
检查结果:根据以上检查情况,本次地基验槽的施工质量较好。
地基验槽的尺寸和形状符合要求,地基开挖平整,不存在明显的裂缝和沉降。
地基中没有水或泥浆积聚,并且排水设施齐全。
地基验槽底部铺设了适当的防水材料,并且周围有足够的支撑设施。
施工人员操作规范,佩戴了安全装备,周围设有安全警示标识。
建议:在后续施工过程中,继续注意地基的稳固性和安全性。
对于地基验槽和周围的施工过程要严格按照相关规定进行操作,并定期进行检查和维护,以确保地基的质量。
旋挖成孔灌注桩桩孔验收记录项目名称:XXX工程工程编号:XXX桩孔编号:XXX施工单位:XXX监理单位:XXX设计单位:XXX一、桩孔资料1.工程地点:XXX2.桩基类型:旋挖成孔灌注桩3.桩孔直径:XXX4.桩孔深度:XXX5.桩孔设计承载力:XXX二、材料验收1.水泥:按规定的比例配制,外观应为均匀细腻的粉末状,无结块和凝固现象。
2.纱管:应符合设计要求,无破损、腐蚀和变形。
3.沙、石料:应符合设计要求,无杂质和含泥量过高的现象。
三、施工工艺1.桩孔开挖:按设计要求进行开挖,桩孔开挖底部应清理干净。
2.钢筋布置:按设计要求、图纸和规范进行布置,钢筋的质量应符合要求。
3.灌注混凝土:混凝土按设计要求配制,拌合均匀后进行灌注。
四、施工质量控制1.桩孔尺寸:测量桩孔直径和深度,记录在下表中。
桩孔编号直径(mm)深度(m)XXX XXX XXX2.钢筋质量:测量钢筋直径和布置间距,记录在下表中。
桩孔编号钢筋直径(mm)钢筋布置间距(mm)XXX XXX XXX3.混凝土质量:测量混凝土的坍落度、强度等,记录在下表中。
桩孔编号混凝土坍落度(mm)抗压强度(MPa)XXX XXX XXX五、检测结果与评定1.桩孔尺寸符合设计要求。
2.钢筋布置符合设计要求,并满足规范要求。
3.混凝土坍落度符合设计要求,并满足规范要求。
4.混凝土抗压强度满足设计要求。
六、施工记录1.开挖时间:XXX2.钢筋布置时间:XXX3.混凝土灌注时间:XXX4.其他施工记录:XXX七、备注1.XXX八、验收结论1.桩孔验收合格,可以进行下一步施工。
总结:经检查,本次旋挖成孔灌注桩桩孔质量符合设计要求,验收合格。
本次桩孔验收记录结束。
地基验槽记录Ⅰ基本要求和内容(1)地基验槽必须经土方工程质量检验评定合格后,方可提请有关单位进行验槽,并提供验槽记录。
(2)基槽(坑)开挖过程中,要严禁地基土受到扰动。
验槽时,应对已开挖的基槽按顺序详细、认真地全面观察检查槽底土层的情况;检查地基持力层是否与勘察设计资料相符,地基土的颜色是否均匀;土的含水量是否一致;表层土坚硬程度有无局部软硬不均。
并对地基的匀质性作出评价,确定是否继续下挖或进行技术处理。
(3)基槽(坑)的几何尺寸和槽底标高或挖土深度(最小埋置深度)应符合设计要求。
如有局部加深、加宽者,应附图说明其原因及部位。
(4)基槽施工中遇有坟穴、地窖、废井、旧基础、管道、泉眼、橡皮土等局部异常现象时,应将其所处部位、深度、特征及处理方法进行描述,并有附图说明。
(5)对地质复杂的或重要的工程,对地基变形有特殊要求以及地基开挖后对地基土有疑义的工程,应根据设计要求或验槽磋商的意见进行有关试验。
(6)经过技术处理的地基基础及验槽中存在的问题,处理后须进行复验,复验意见和结论要明确,签证应齐全。
必要时应有勘察部门参加并签字。
Ⅱ核查办法(1)核查验槽记录能否反映验槽的主要程序,填写内容是否齐全,其主要质量特征(包括基底持力层、地基匀质性、基槽尺寸、标高、基土类别等)是否符合设计要求和有关规范规定。
地基出现异常或与地质勘察资料不符时,是否有处理方案或所采取的技术处理措施有否设计单位认可,有无复验意见,结论是否明确,参加单位的签证是否齐全。
(2)对照基础平面设计的钎探点平面图,核查钎探布孔和孔深是否满足要求;打钎记录的锤重、落距、钎径是否符合规范规定要求;钎探完毕后是否作出打钎记录分析,需处理的是否有处理意见。
Ⅲ核定原则凡出现下列情况之一,本项目核定为“不符合要求”。
(1)无验槽记录或验槽内容记录不全。
(2)验槽记录签证手续不齐全。
(3)基底持力层不能满足设计要求,又无技术处理。
(4)地基处理无记录,处理后未进行复验或复验后无明确结论。
地基验槽复验)记录
质控(建)表4。
1。
5.1共页第1页
地基验槽(复验)记录
质控(建)表4.1.5.1共页第2页
地基验槽(复验)记录
质控(建)表4.1.5。
1共页第3页
据
地基验槽(复验)记录
质控(建)表4。
1.5.1共页第4页
地基验槽(复验)记录
质控(建)表4.1。
5.1共页第5页
地基验槽复验)记录
质控(建)表4。
1。
5.1共页第6页
地基验槽(复验)记录
质控(建)表4.1。
5。
1共页第7页
地基验槽复验)记录
质控(建)表4。
1.5.1共页第8页
据
地基验槽(复验)记录
质控(建)表4。
1.5。
1共页第9页
地基验槽复验)记录
质控(建)表4.1.5。
1共页第10页
地基验槽(复验)记录
质控(建)表4。
1.5。
1共页第11页
据
地基验槽复验)记录
质控(建)表4.1。
5.1共页第12页
地基验槽(复验)记录
质控(建)表4.1.5.1共页第13页
据
地基验槽复验)记录
质控(建)表4.1.5.1共页第14页
地基验槽(复验)记录
质控(建)表4。
1。
5.1共页第15页
地基验槽(复验)记录
质控(建)表4。
1.5.1共页第16页。
旋挖成孔灌注桩桩孔验收
记录
It was last revised on January 2, 2021
旋挖成孔灌注桩桩孔验收记录
工程名称:广西百色干部学院(一期工程)施工单位:广西建工集团第五建筑工程有限责任公司
项目经理:何显文分包单位:广西华广建设工程有限公司
分包单位项目负责人:黎怀阳专业工长:袁君
子分部工程:桩基桩号: 2#楼XWZ030 轴线:2-14×2-K桩径(mm): 1000
施工执行标准名称及
编号
建筑地基基础工程施工质量验收规范(GB50202-2002)
验收隐蔽项目允许偏差
(设计要
求)
实际验收情
况
成孔断面示意图
1、地面标高(m) 设计要求
2、桩位见本规范表合格
3、桩径(m)见本规范表
、孔深(m) +300
()
5、桩顶标高(m)+30,-50
6、孔底标高(m)设计要求
7、桩身垂直度偏差
(%)
<1%合格8、桩端持力层(岩)
土性
中风化泥合格
9、嵌岩深度(m)入中风化2m 合格
10、泥浆壁稳定性稳定/
11、沉渣厚度(㎜)≤50合格
承包单位自检结论:
符合设计及规范要求
项目技术负责人:
年月日监理单位验收结论:
项目专业监理工程师:
年月日。
地基验槽记录
地基验槽记录是指在建筑施工过程中对地基进行检查和记录的过程。
以下是一份地基验槽记录的示例:
项目名称:XXX工程
日期:XXXX年XX月XX日
地基验槽位置:XXX号地基验槽
地基验槽尺寸:长XXX米,宽XXX米,深XXX米
地基验槽检查人员:XXX
地基验槽记录:
1. 地基验槽开挖前,检查地面是否平整,是否有明显障碍物。
2. 地基验槽开挖开始,使用挖掘机进行开挖操作,注意挖掘机的操作安全,避免破坏地基验槽边缘。
3. 地基验槽开挖过程中,观察地下是否存在管道、电缆等设施,若有需及时采取措施进行保护。
4. 地基验槽开挖完成后,检查验槽底面是否平整、垂直度是否符合要求。
5. 检查地基验槽的壁面是否有明显的裂缝、滑塌等情况,若有需要进行修复或加固。
6. 地基验槽开挖完成后,对地基土进行取样,送实验室进行土壤试验,测试土壤的承载力、密实度等指标。
7. 根据土壤试验结果,评估地基的承载能力是否满足设计要求,并记录评估结果。
8. 地基验槽开挖过程中,记录开挖情况、土壤试验结果、评估报告等相关信息,以备后续参考。
上述是地基验槽记录的一般内容,具体记录内容可根据实际情况进行调整和补充。
地基验槽记录具有重要的参考价值,可以为后续土建工程施工提供依据和参考信息。
孔桩验槽记录(总16页)
--本页仅作为文档封面,使用时请直接删除即可--
--内页可以根据需求调整合适字体及大小--
地基验槽(复验)记录
质控(建)表共页第 1页
地基验槽(复验)记录
质控(建)表共页第 2页
地基验槽(复验)记录
质控(建)表共页第 3页
地基验槽(复验)记录
质控(建)表共页第 4页
地基验槽(复验)记录
质控(建)表共页第 5页
地基验槽(复验)记录
质控(建)表共页第 6页
地基验槽(复验)记录
质控(建)表共页第 7页
地基验槽(复验)记录
质控(建)表共页第 8页
地基验槽(复验)记录
质控(建)表共页第 9页
地基验槽(复验)记录
质控(建)表共页第 10页
地基验槽(复验)记录
质控(建)表共页第 11页
地基验槽(复验)记录
质控(建)表共页第 12页
地基验槽(复验)记录
质控(建)表共页第 13页
地基验槽(复验)记录
质控(建)表共页第 14页
地基验槽(复验)记录
质控(建)表共页第 15页
地基验槽(复验)记录
质控(建)表共页第 16页。
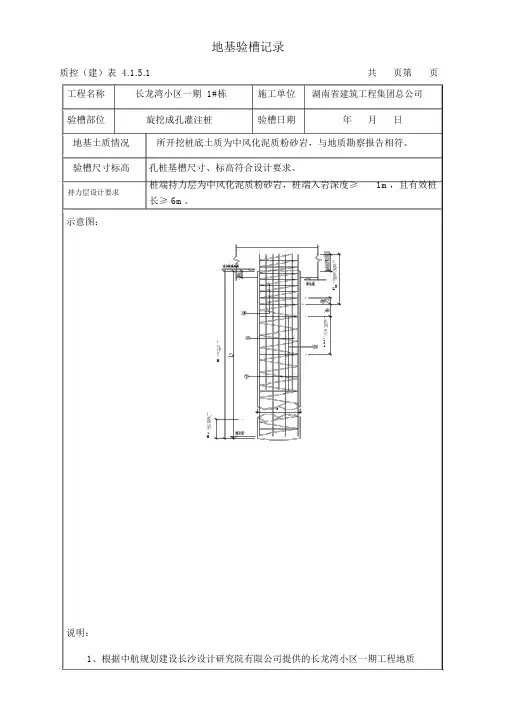
地基验槽记录质控(建)表 4.1.5.1共页第页工程名称长龙湾小区一期 1#栋施工单位湖南省建筑工程集团总公司验槽部位旋挖成孔灌注桩验槽日期年月日地基土质情况所开挖桩底土质为中风化泥质粉砂岩,与地质勘察报告相符。
验槽尺寸标高孔桩基槽尺寸、标高符合设计要求。
桩端持力层为中风化泥质粉砂岩,桩端入岩深度≥1m,且有效桩持力层设计要求长≥ 6m。
示意图:)段密加筋④(L N)距间筋③()00长2净桩(HD)度深岩入(1H说明:1、根据中航规划建设长沙设计研究院有限公司提供的长龙湾小区一期工程地质2、中航规划建设长沙设计研究院有限公司所出施工图纸。
3、孔桩基槽尺寸情况详见基础详图。
施工单位初验结论经检查桩端持力层为中风化泥质粉砂岩,桩端入岩深度≥标高等均符合设计及有关规范要求。
1m,尺寸、验槽结论(复验)勘察单位项目负责人:设计单位项目专业负责人:施工单位项目技术负责人:建设(监理)单位专业监理工程师:年月日年月日年月日年月日地基验槽记录质控(建)表 4.1.5.1共页第页工程名称长龙湾小区一期2#栋施工单位湖南省建筑工程集团总公司验槽部位旋挖成孔灌注桩验槽日期年月日地基土质情况所开挖桩底土质为中风化泥质粉砂岩,与地质勘察报告相符。
验槽尺寸标高孔桩基槽尺寸、标高符合设计要求。
桩端持力层为中风化泥质粉砂岩,桩端入岩深度≥1m,且有效桩持力层设计要求长≥ 6m。
)段密加筋④(L N)距间筋③()0长净桩(HD)度深岩入(1H说明:1、根据中航规划建设长沙设计研究院有限公司提供的长龙湾小区一期工程地质勘察报告。
2、中航规划建设长沙设计研究院有限公司所出施工图纸。
3、孔桩基槽尺寸情况详见基础详图。
施工单位初验结论经检查桩端持力层为中风化泥质粉砂岩,桩端入岩深度≥标高等均符合设计及有关规范要求。
1m,尺寸、验槽结论(复验)勘察单位设计单位施工单位建设(监理)单位项目负责人:项目专业负责人:项目技术负责人:专业监理工程师:年月日年月日年月日年月日地基验槽记录质控(建)表 4.1.5.1共页第页工程名称长龙湾小区一期 3#栋施工单位湖南省建筑工程集团总公司验槽部位旋挖成孔灌注桩验槽日期年月日地基土质情况所开挖桩底土质为中风化泥质粉砂岩,与地质勘察报告相符。
旋挖钻孔灌注桩平行检查记录旋挖钻孔灌注桩平行检查记录旋挖钻孔灌注桩平行检查记录旋挖钻孔灌注桩平行检查记录旋挖钻孔灌注桩平行检查记录旋挖钻孔灌注桩平行检查记录旋挖钻孔灌注桩平行检查记录旋挖钻孔灌注桩平行检查记录旋挖钻孔灌注桩平行检查记录旋挖钻孔灌注桩平行检查记录旋挖钻孔灌注桩平行检查记录旋挖钻孔灌注桩平行检查记录旋挖钻孔灌注桩平行检查记录旋挖钻孔灌注桩平行检查记录旋挖钻孔灌注桩平行检查记录旋挖钻孔灌注桩平行检查记录旋挖钻孔灌注桩平行检查记录旋挖钻孔灌注桩平行检查记录旋挖钻孔灌注桩平行检查记录旋挖钻孔灌注桩平行检查记录旋挖钻孔灌注桩平行检查记录旋挖钻孔灌注桩平行检查记录旋挖钻孔灌注桩平行检查记录旋挖钻孔灌注桩平行检查记录旋挖钻孔灌注桩平行检查记录旋挖钻孔灌注桩平行检查记录旋挖钻孔灌注桩平行检查记录旋挖钻孔灌注桩平行检查记录旋挖钻孔灌注桩平行检查记录旋挖钻孔灌注桩平行检查记录旋挖钻孔灌注桩平行检查记录旋挖钻孔灌注桩平行检查记录旋挖钻孔灌注桩平行检查记录旋挖钻孔灌注桩平行检查记录旋挖钻孔灌注桩平行检查记录旋挖钻孔灌注桩平行检查记录旋挖钻孔灌注桩平行检查记录旋挖钻孔灌注桩平行检查记录旋挖钻孔灌注桩平行检查记录旋挖钻孔灌注桩平行检查记录旋挖钻孔灌注桩平行检查记录旋挖钻孔灌注桩平行检查记录旋挖钻孔灌注桩平行检查记录旋挖钻孔灌注桩平行检查记录旋挖钻孔灌注桩平行检查记录旋挖钻孔灌注桩平行检查记录旋挖钻孔灌注桩平行检查记录旋挖钻孔灌注桩平行检查记录旋挖钻孔灌注桩平行检查记录旋挖钻孔灌注桩平行检查记录。
旋挖钻孔灌注桩平行检查记录旋挖钻孔灌注桩平行检查记录旋挖钻孔灌注桩平行检查记录旋挖钻孔灌注桩平行检查记录旋挖钻孔灌注桩平行检查记录旋挖钻孔灌注桩平行检查记录旋挖钻孔灌注桩平行检查记录旋挖钻孔灌注桩平行检查记录旋挖钻孔灌注桩平行检查记录旋挖钻孔灌注桩平行检查记录旋挖钻孔灌注桩平行检查记录旋挖钻孔灌注桩平行检查记录旋挖钻孔灌注桩平行检查记录旋挖钻孔灌注桩平行检查记录旋挖钻孔灌注桩平行检查记录旋挖钻孔灌注桩平行检查记录旋挖钻孔灌注桩平行检查记录旋挖钻孔灌注桩平行检查记录旋挖钻孔灌注桩平行检查记录旋挖钻孔灌注桩平行检查记录旋挖钻孔灌注桩平行检查记录旋挖钻孔灌注桩平行检查记录旋挖钻孔灌注桩平行检查记录旋挖钻孔灌注桩平行检查记录旋挖钻孔灌注桩平行检查记录旋挖钻孔灌注桩平行检查记录旋挖钻孔灌注桩平行检查记录旋挖钻孔灌注桩平行检查记录旋挖钻孔灌注桩平行检查记录旋挖钻孔灌注桩平行检查记录旋挖钻孔灌注桩平行检查记录旋挖钻孔灌注桩平行检查记录旋挖钻孔灌注桩平行检查记录旋挖钻孔灌注桩平行检查记录旋挖钻孔灌注桩平行检查记录旋挖钻孔灌注桩平行检查记录旋挖钻孔灌注桩平行检查记录旋挖钻孔灌注桩平行检查记录旋挖钻孔灌注桩平行检查记录旋挖钻孔灌注桩平行检查记录旋挖钻孔灌注桩平行检查记录旋挖钻孔灌注桩平行检查记录旋挖钻孔灌注桩平行检查记录旋挖钻孔灌注桩平行检查记录旋挖钻孔灌注桩平行检查记录旋挖钻孔灌注桩平行检查记录旋挖钻孔灌注桩平行检查记录旋挖钻孔灌注桩平行检查记录旋挖钻孔灌注桩平行检查记录旋挖钻孔灌注桩平行检查记录。
页
地基验槽(复验)记录
质控(建)表4.1.5.1共页第3页
据
地基验槽(复验)记录
质控(建)表4。
1.5。
1共页第4页
地基验槽(复验)记录
质控(建)表4.1.5。
1共页第5页
地基验槽(复验)记录
质控(建)表4。
1.5。
1共页第6页
地基验槽(复验)记录
质控(建)表4。
1。
5。
1共页第7页
地基验槽(复验)记录
质控(建)表4.1。
5。
1共页第8页
据
地基验槽(复验)记录
质控(建)表4。
1.5.1共页第9页
地基验槽复验)记录
质控(建)表4.1.5。
1共页第10页
地基验槽(复验)记录
质控(建)表4。
1。
5.1共页第11页
据
地基验槽(复验)记录
质控(建)表4.1。
5.1共页第12页
地基验槽(复验)记录
质控(建)表4.1。
5.1共页第13页
地基验槽(复验)记录
质控(建)表4.1.5.1
共 页 第 14页
地基验槽(复验)记录
质控(建)表4.1。
5.1共页第15页
地基验槽(复验)记录
质控(建)表4.1.5。
1共页第16页。
施工单位:长沙市岳麓山建筑工程公司工程名称:麓山·翰林苑住宅小区桩基工程验收日期:2007年1月5日注:1、基本情况应说明该工程项目地质勘探点间距、深度,以及地基持力层、下卧层岩土的物理力学性能;2、地基验槽情况施工单位:长沙市岳麓山建筑工程公司工程名称:麓山·翰林苑住宅小区桩基工程验收日期:2007年1月26日注:1、基本情况应说明该工程项目地质勘探点间距、深度,以及地基持力层、下卧层岩土的物理力学性能;2、地基验槽情况施工单位:长沙市岳麓山建筑工程公司工程名称:麓山·翰林苑住宅小区桩基工程验收日期:2007年1月26日注:1、基本情况应说明该工程项目地质勘探点间距、深度,以及地基持力层、下卧层岩土的物理力学性能;2、地基验槽情况施工单位:长沙市岳麓山建筑工程公司工程名称:麓山·翰林苑住宅小区桩基工程验收日期:年月日注:1、基本情况应说明该工程项目地质勘探点间距、深度,以及地基持力层、下卧层岩土的物理力学性能;2、地基验槽情况施工单位:长沙市岳麓山建筑工程公司工程名称:麓山·翰林苑住宅小区桩基工程验收日期:年月日注:1、基本情况应说明该工程项目地质勘探点间距、深度,以及地基持力层、下卧层岩土的物理力学性能;2、地基验槽情况施工单位:长沙市岳麓山建筑工程公司工程名称:麓山·翰林苑住宅小区桩基工程验收日期:年月日注:1、基本情况应说明该工程项目地质勘探点间距、深度,以及地基持力层、下卧层岩土的物理力学性能;2、地基验槽情况施工单位:长沙市岳麓山建筑工程公司工程名称:麓山·翰林苑住宅小区验收日期:年月日注:1、基本情况应说明该工程项目地质勘探点间距、深度,以及地基持力层、下卧层岩土的物理力学性能;2、地基验槽情况施工单位:长沙市岳麓山建筑工程公司工程名称:麓山·翰林苑住宅小区验收日期:年月日注:1、基本情况应说明该工程项目地质勘探点间距、深度,以及地基持力层、下卧层岩土的物理力学性能;2、地基验槽情况施工单位:长沙市岳麓山建筑工程公司工程名称:麓山·翰林苑住宅小区验收日期:年月日注:1、基本情况应说明该工程项目地质勘探点间距、深度,以及地基持力层、下卧层岩土的物理力学性能;2、地基验槽情况施工单位:长沙市岳麓山建筑工程公司工程名称:麓山·翰林苑住宅小区验收日期:年月日注:1、基本情况应说明该工程项目地质勘探点间距、深度,以及地基持力层、下卧层岩土的物理力学性能;2、地基验槽情况施工单位:长沙市岳麓山建筑工程公司工程名称:麓山·翰林苑住宅小区验收日期:2007年06月06日注:1、基本情况应说明该工程项目地质勘探点间距、深度,以及地基持力层、下卧层岩土的物理力学性能;2、地基验槽情况施工单位:长沙市岳麓山建筑工程公司工程名称:麓山·翰林苑住宅小区验收日期:2007年月日注:1、基本情况应说明该工程项目地质勘探点间距、深度,以及地基持力层、下卧层岩土的物理力学性能;2、地基验槽情况施工单位:长沙市岳麓山建筑工程公司工程名称:麓山·翰林苑住宅小区验收日期:2007年6月5日注:1、基本情况应说明该工程项目地质勘探点间距、深度,以及地基持力层、下卧层岩土的物理力学性能;2、地基验槽情况。
地基验槽(复验)记录
质控(建)表4.1.5.1共页第1页
地基验槽(复验)记录
质控(建)表4.1.5.1共页第2页
地基验槽(复验)记录
质控(建)表4.1.5.1共页第3页
地基验槽(复验)记录
质控(建)表4.1.5.1共页第4页
地基验槽(复验)记录
质控(建)表4.1.5.1共页第5页
地基验槽(复验)记录
质控(建)表4.1.5.1
共 页 第 6页
地基验槽(复验)记录
质控(建)表4.1.5.1共页第7页
地基验槽(复验)记录
质控(建)表4.1.5.1共页第8页
地基验槽(复验)记录
质控(建)表4.1.5.1共页第9页
地基验槽(复验)记录
质控(建)表4.1.5.1共页第10页
地基验槽(复验)记录
质控(建)表4.1.5.1共页第11页
地基验槽(复验)记录
质控(建)表4.1.5.1共页第12页
地基验槽(复验)记录
质控(建)表4.1.5.1共页第13页
地基验槽(复验)记录
质控(建)表4.1.5.1共页第14页
地基验槽(复验)记录
质控(建)表4.1.5.1共页第15页
地基验槽(复验)记录
质控(建)表4.1.5.1共页第16页。