节能家用商用电磁炉及其认证介绍
- 格式:doc
- 大小:21.50 KB
- 文档页数:1
电磁炉3C认证办理标准和测试项目介绍4月28日,市场监管总局(认监委)对目录内部分产品种类进行归并和优化。
优化后的CCC认证强制性产品认证目录共17大类103种产品。
电磁炉是在CCC 目录内7大类“家用和类似用途设备”0711小类“电磁灶”即电磁炉,也就是说电磁炉属于3C认证产品目录范围内的产品,必须要做3C认证。
电磁炉3C认证范围:1、单相器具额定电压不超过250V,其他器具额定电压不超过480V的电磁炉要做3C认证;2、通过电磁线圈元件,将放在金属容器中的食物、水进行加热的器具也是要做3C认证的。
电磁炉3C认证标准:GB4706.1《家用和类似用途电器的安全部分:通用要求》GB4706.29《家用和类似用途电器的安全便携式电磁炉的特殊要求》GB4706.14《家用和类似用途电器烤架面包篇烘烤器及类似用途便携式烹饪器具的特殊要求》电磁炉3C认证测试项目:1、标志和说明;2、对触及带电部件的防护;3、高低压运行;4、能耗5、温升6、工作温度下的泄漏电流和电气强度;7、耐潮湿(泄漏电流和电气强度);8、潮湿状态下的抗电强度及泄露电流9、变压器和相关电路的过载保护10、疲劳试验11、在异常工作下的运行12、不稳定性和机械伤害试验;13、机械危险试验;14、结构设计强度15、内部电气连接合理性试验;16、电器附件安全性试验17、外部电源连接安全性检验18、外部导线方式的检验19、安全接地合理性检验20、机械和电气连接螺丝的检验21、电气危险距离的检验22、非金属材料的危险性检验23、金属材料的危险性检验24、器具对环境的危害性检验。
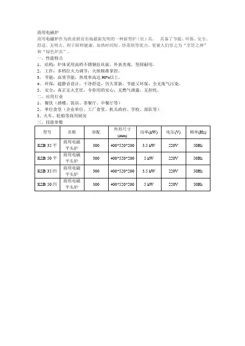
商用电磁炉
商用电磁炉作为商业厨房市场最新发明的一种新型炉(灶)具。
具备了节能、环保、安全、舒适、无明火、利于厨师健康、加热时间短、炒菜快等优点,更被人们誉之为“烹饪之神”和“绿色炉具”。
一、性能特点
1、结构:炉体采用高档不锈钢拉丝面,外表美观,坚固耐用。
2、工作:多档位火力调节,火候精准掌控。
3、节能:高效节能,热效率高达90%以上。
4、环保:超静音设计,干净舒适,历久常新,节能又环保,全无废气污染。
5、安全:真正无火烹饪,令你用的安心,无燃气泄露,无担忧。
二、应用行业
1、餐饮(酒楼、饭店、茶餐厅、中餐厅等)
2、单位食堂(企业单位、工厂食堂、机关政府、学校、部队等)
3、火车、轮船等商用厨房。
商用电磁炉优势分析第一篇:商用电磁炉优势分析商用电磁炉优势分析一直以来,大部分的经销商和客户介绍电磁炉产品的时候,都主要突出的是商用电磁炉的省钱优势,其实省钱只是商用电磁炉优势的一点而已,商用电磁炉的优势,还体现在安全、健康、低碳等方面!1、对于安全来说:用电磁灶,消防系统是很容易通过的。
商用厨房,涉及到可燃介质都要经过消防系统的审查,他说通不过就必须要整改。
一年检查好几次。
有客户说,一年光消防检查,都要塞给消防好几万。
这个你懂得。
呵呵~曾经有人说了一句很感性的话。
他说:我每天天经过厨房,听见啪啪打火的声音,我心里就很不安啊,这是在玩火啊。
玩火会导致什么后果?玩火自焚啊!现在厨房发生火灾及爆炸的事情太多了,死一两个人,已经不算是什么新闻了。
一旦着火,那毕生的付出全毁了,弄不好,还有可能会坐监。
这个时候钱根本不重要了,多花点钱有什么关系呢,起码可以买个安心。
2、对于改善厨师环境来说:厨师是最累的职业之一,整天生活在闷热潮湿的厨房之中,因此厨师的流动率很高。
现在厨师偏低龄化,都是80后、90后。
对工作环境的诉求比对工资的诉求更高。
改善厨师的工作环境,可以减少厨师人才的流动率。
据调查,厨师的寿命是最短的,其次是交警,交警寿命比较短的原因主要是经常吸汽车尾气,而厨师寿命较低的原因则是厨房内的高温、高湿、高噪音、油烟、燃气燃油废气等环境影响,可见厨师的生存环境是多么的恶劣。
3、对于节能减排的行业发展趋势一个液化气商业炉灶每天耗能量相当于7.23辆2.0轿车;一个天然气商业炉灶耗能量相当于6.23辆2.0轿车;我国现有约500万家餐饮企业,一个炉灶消耗标准煤20kg,则商业厨房全年消耗能源为2.19亿吨标准煤。
远远超过了全国汽车耗能。
商业厨房节能降排的变革趋势已经不可更改。
目前,家庭厨房特别是商业油气厨房的耗能问题引起了政府有关部门的关注!拓鑫牌商用电磁炉第二篇:商用电磁炉行业分析总结北京新丽厨房设备有限公司商用电磁炉行业分析总结解决商用电磁灶产品销售问题,不能仅仅依靠订单的增加,还需站在全局高度,着眼于调整原材料供应结构、经济增速、生产结构与成本控制等因素,把我们的增长速度控制在能够承载的区间,加快结构调整,加快厨房设备企业增长方式转变。
商用电磁炉性能介绍商用电磁炉在性能方面比一般的要强,正是因为这样的原因才使很多人都愿意使用商用电磁炉,今天就来给大空介绍一下有关于这方面的一些知识,让大家更好的了解商用电磁炉,只有在我们了解这个产品的情况之下才能更好的使用这个产品。
高压电容:耐高压、高频、高精度、低损耗。
载流元件是截用一段1Ω的3000W电炉丝,以降低额定电流,从而降低炉丝的发烧温度。
在a、b端并入光耦TLP621电路,最大工作电流决定于稳压管的选取稳压值。
固定1Q电阻丝用的接线柱,选用外方内圆的项孔件,用螺丝紧固在穿孔线路板上。
都有严格的品质管控措施,使产品出产规范化、尺度化、数据化,出厂前老化检修技术,分别经由欠压330V,正常电压380V,过压410V,共计12小时的老化干烧检修,推出的产品确保了零部件之间的高效能、高不乱运行。
采用入口导热硅脂传递锅底的热量(否则烧饭煮焦,定温精度不准)。
1Ω载流丝串在扼流圈与振荡线圈之间,a、b间有几安的电流流过,则a、b间就有几伏的电压。
线圈盘:采用高频耐高温铜线。
该段电炉丝若能铸成带散热片的成品件,效果更为理想。
1Ω电炉丝的螺距拉大,以增大散热效果。
制作过程严格:每一个出产过程包括对频率、波形、谐率、抗干扰等。
可连续加热10万个小时。
散热片:自行设计,完全符合电路的散热要求。
本电路的设计,当大电流涌入功率管时,电流量检测电路工作,立刻封闭功率管,使功率管得到保护,保护电路如图1所示。
若设定功率管IGBT的最大额定工作电流为8.2A,则Uab=8.2V。
固定线圈的环氧脂胶水耐高温达300 ℃,线圈不脱盘。
锅底温度传感器:固定支架采用酚醛塑料(俗称电木)。
改变整流电压法,三相整流模块改用可控整流模块,用0-10V的控制电压改变可控整流模块整流后的直流输出电压来改变电磁灶的输出功率.在额定输入电压下,整流模块全导通,获得额定最大功率,在非额定最大功率下因为整流输出的直流电压下降,功率呈现出与电压的平方关系下降.该调功方式的长处是电路简朴,可连续调功,在整个调功范围内均可实现频率跟踪.该电路缺点是调功时可控整流模块没有全导通,有斩波缺口,对电磁兼容性指标影响较大.要使电磁兼容性指标过关,对电源滤波器和整流滤波电路要求较高,该部门的元件数相对较多,整机体积和本钱增加.变压器低级抽头切换、调频、调压法。
商用电磁炉介绍一商用电磁炉原理介绍电磁炉作为厨具市场的一种新型灶具。
它打破了传统的明火烹调方式,电磁加热的工作原理是在线圈盘中通上高频电流,在线圈盘的轴向两面产生磁场,当铁质锅具处于磁场范围内时,锅具即切割交变磁力线而在锅具底部产生交变的电流(即涡流),涡流使锅具铁分子高速无规则运动,分子互相碰撞、摩擦而产生热能使器具本身自行高速发热,用来加热和烹饪食物,从而达到煮食的目的。
即:电磁炉煮食的热源来自于锅具底部自身发热而不是电磁炉本身发热传导给锅具,所以热效率要比所有炊具的效率均高出近1倍电磁炉具有升温快、热效率高、无明火、无烟尘、无有害气体、对周围环境不产生热辐射、体积小巧、安全性好和外观美观等优点,能完成绝大多数烹饪任务。
因此,电磁炉被人们誉之为"烹饪之神"和"绿色炉具"。
二目前产品已应用区域和市场领域目前大功率商用电磁炉已广泛应用于珠江三角洲,勃海湾地区,上海,北京,台湾,香港澳门等经济发达地区,西南云贵地区和越南地区。
应用单位有部队,船舶,学校,工厂,医院,酒店宾馆。
产品行销四年来受到广大用户的一致好评。
当前,全球资源日趋紧张,柴油、煤气价格不断上涨,餐饮业的成本也随之不断上升。
然而,目前传统炉有热效率低的通病,大量热能浪费在空气和烟气中,造成厨房环境温度升高。
除此之外,还存在严重的空烧浪费现象。
例如:厨师在炒菜过程中的加油、加料、装盘分菜、洗锅、等待炒菜等环节是不需要大火的,因而造成了严重的空烧浪费现象(占整个炒菜过程的30%以上)。
由济南冉燃新能源科技公司研发生产的新一代大功率商用电磁炉是一种高科技产品,热效率高达93%。
其能彻底杜绝厨房严重的空烧浪费现象,真正做到“锅上火大,锅离熄火”,即当锅放上炉灶时,立即达到设定功率加热,当锅离开炉灶时则自动关闭功率输出,而且在厨师颠锅炒菜过程中火力随锅的高度自动变化,不影响厨师正常操作,不增加厨师的工作负担。
商用电磁炉技术标准
商用电磁炉作为一种新型的厨房用具,其技术标准的制定对于保障产品质量、提高产品性能、促进产业发展具有重要意义。
商用电磁炉技术标准的制定需要考虑产品的安全性、稳定性、能效性等多个方面,以确保产品在市场上的稳定性和竞争力。
下面将对商用电磁炉技术标准进行详细的介绍。
首先,商用电磁炉技术标准需要关注产品的安全性。
商用电磁炉在使用过程中需要接触高温,因此产品的安全性是至关重要的。
技术标准应包括产品的防火防爆设计、电磁辐射安全等方面的要求,以确保产品在使用过程中不会对用户造成安全隐患。
其次,商用电磁炉技术标准需要考虑产品的稳定性。
商用电磁炉在工作时需要保持稳定的加热温度和功率输出,以确保食物能够均匀受热。
技术标准应包括产品的加热控制精度、电磁场稳定性等方面的要求,以确保产品在长时间使用过程中能够保持稳定的性能。
最后,商用电磁炉技术标准需要考虑产品的能效性。
商用电磁炉作为一种节能环保的厨房用具,其能效性是非常重要的。
技术标准应包括产品的能效等级要求、能效测试方法等,以鼓励企业生产高能效的产品,促进能源的节约和环境保护。
综上所述,商用电磁炉技术标准的制定需要全面考虑产品的安全性、稳定性和能效性,以确保产品在市场上的质量和竞争力。
希望通过制定统一的技术标准,能够推动商用电磁炉产业的健康发展,为消费者提供更加安全、稳定、节能的产品。
家用电磁炉和商用电磁炉有什么区别?很多客户都不是很懂,亚卫火锅电磁炉餐桌厂家来跟咱们谈谈它们有什么区别:
1、从功用上说,火锅电磁炉作为火锅专用电磁炉,运用电动餐桌和火锅桌,一定要具有分外的功用,豪太电器火锅电磁炉依据客户从事作业的分外性选用工业级全数字多环火力操控技术,多档火力调度,准确控温等分外功用进行关于性制造。
家用电磁炉则是关于广泛的家庭用户,大多数功用根柢相同。
2、从运用频率上说,火锅专用电磁炉运用频率极点高,每天的运用时刻在6小时以上,连续大功率作业跨越30分钟,而一般家用电磁炉却较少。
每天不跨越1小时,连续大功率作业不跨越20分钟,这就需求火锅电磁炉在商品元器件上要优于一般家用电磁炉商品。
3、从报价上来说,火锅电磁炉也要明显高于家用电磁炉商品,这也是由于其元器件优于一般家用电磁炉的一定效果。
4、从操控方法上说,火锅电磁炉由于大多数用于火锅电磁炉餐桌,火锅电磁炉为了运用便当分为五种操控方法,即线控式、遥控式、触摸式、按键式与旋钮式操控。
而家用电磁炉却只有按键式与触摸式操控。
5、从设备方法来说,一般家用电磁炉根柢没有这个进程就可以运用!而火锅电磁炉这个进程却是必不可少的,现在大多数火锅电磁炉都选用嵌入式的设备方法。
沁鑫商用电磁炉智能之星商用大功率电磁炉十大优势:
1.机芯五年免费保修服务,使您售后无忧。
2.独有智能预约开关机,大大提高工作效率。
3.独有档位对应功率显示,让操作更加直观。
4.独有16条瞬间火力显示,高精度模拟真实火力。
5.电子电控上水功能。
6.电度累计功能。
7.独有定温功能。
8.独有故障提醒功能。
9.两年免费共八次上门巡检服务。
10.承诺终身免费更换一块微晶玻璃服务。
大功率商用电磁炉配置及说明:
·掂锅高度可达15CM,更加贴合中式烹饪习惯
·采用德国“英飞凌”IGBT模块,性能稳定,寿命更持久
·超静音系统设计,营造清净惬意的烹饪环境
·国家专利聚能超大线圈盘,火力强劲均匀
·独有超宽工作电压设计,运行稳定更安全
·独有电路防磁干扰EMC模块设计,保护电网及电器设备
·国家IP44防护等级安全保护,使用更安心
·三重立体屏蔽辐射设计,防止磁场泄露
·机箱采用密封结构设计,有效防止虫、水、油污侵蚀
·全部采用SUS304#不锈钢材料,坚固耐用
·采用行业最先进的德国“英飞凌”数字信号处理器。
个人收集整理仅供参考学习越好电器教您如何鉴别大功率商用电磁炉的质量的好坏电磁炉由于安全、卫生、节能、无火烹饪、使用方便等特点而深受消费者的青睐,但电磁炉的许多品牌让顾客选择起来很为难。
电磁炉是大功率电器,跟每个人的生活密切相关,我们选购时应从专业品质、安全、价格以及售后服务等方面考虑,一定要到正规商场购买。
商用电磁炉顶板的质地相当重要,磁力线穿透电磁炉顶板是否充分,直接体现在电磁炉对锅具的加热效果上。
电磁炉行业权威人士一致认定,适合做电磁炉顶板的材质,“陶瓷”为最佳。
陶瓷制成的电磁炉顶板,热传导效果好,磁力线穿透充分,节能、省钱。
电磁炉的控制面板最好是平面设计并采用绝缘防水材料,非平面设计的电磁炉控制面板使用的是金属按键,易造成机体进水,影响电磁炉的使用寿命,严重者导致使用者触电,危及其生命安全。
所以,我们购买电磁炉时,一定要注意电磁炉的顶板是否是陶瓷以及控制面板是否是PTC绝缘防水材料,另外,控制面板是不是平面设计的也至关重要。
据笔者观察,市场的电磁炉顶板有两种:一种是陶瓷顶板,有白色的和花色的。
电磁炉行业根据顶板实际工作指数将陶瓷顶板分为三级。
A级为日本NEG太空陶瓷顶板,它是微米级结晶体,经过45天、1500℃高温烧制,一次成型,耐高温1100℃,耐冷热温差800℃,抗冲击性强。
由于其质地结构紧密、易清洗、不变色、磁力线穿透充分、热效率高,所以NEG太空陶瓷顶板被电磁炉业界公认为节能、清洁“大使”。
B级为国产特级白色陶瓷顶板,烧制周期约为7天,在500℃~600℃的温度下烧制,再经200℃的温度冷却切割。
它非一次成型,虽然也是白色,但易发黄、变色,磁力线穿透效果差,热效率低,并且耐温差,严重的还会发生顶板炸裂,从而危及消费者的人身安全。
C级为国产花色陶瓷顶板,制造工艺更为简单,一经使用,短时间内就会发黄、变色,比B级顶板更次之。
辨别A级、B级或C级电磁炉陶瓷顶板,笔者有一定的经验。
C级板一眼即可辨认,电磁炉顶板上印有花、草、虫、鱼的大都为C级板,因其发黄、变色快,故厂家印制花样来掩饰缺点。
商用电磁炉使用说明
1、将电磁灶磁感开关调至“0”位置。
2、打开电源总开关,听到电磁灶发出“B"一声,显示屏上所有数码和指示灯全部显示一下,一秒钟后,电源指示灯(红色)闪亮,工作指示灯(蓝色)熄灭。
3、扭动磁感开关,电源指示灯、工作指示灯长亮,散热风扇运行,显示屏显示1,电磁灶进入第一档工作状态;此时再扭动磁感开关,电磁灶逐步加大工作功率,显示屏也相应显示当前工作的档位。
每转换一档,电磁灶会发出“B”一声,电磁灶可在1-8档功率间任意调节。
4、工作结束后关机,将电磁灶磁感开关扭到关机“0”位置,数码管显示“0”,电源指示灯间亮,工作灯熄灭。
此时风扇还要运行-分钟后自动停止。
5、在确认风扇停止运行后,关掉电磁灶总电源开关。
6、使用后关闭单元的控制方法不能依赖锅底探测器。
7、此设备适合环境温度:-10~38℃,湿度≤90%。
说明:电磁灶在工作时如长时间(3小时)不操作机器相关旋钮,电磁灶会认为操作者已外出或忘记关机而自动关机,此时只须恢复开机操作即可。
越好告诉大家如何选购商用电磁炉
用电磁炉众多优势:节能、环保、高效、安全、省钱等,正好符合国家的节能减排政策,是低碳经济产业链中重要一环,在未来5-10年内会产生500-1000亿的商机,所以商用电磁炉品牌就在短短两年时间由原来的几家,迅速发展到了上百家,其中不少人为了谋取利益,而不惜做出假冒伪劣产品低价销售,越好下面就告诉大家如何选购商用电磁炉,下面就支招教大家如何识别这些厂家。
如何选择好的商用电磁炉。
要选择好的商用电磁炉,首先要选择对的生产厂家;要实地考察。
众所周知,商用电磁炉的核心部分是商用电磁炉机芯,企业要研发一件新产品一定要投入巨资的,就生产电磁炉机芯也是要很多工序的,有电子插拉线。
有一些传统厨具厂,厨房设备公司,酒店用品公司等本身是不具备研发能力的。
动辄就“电磁炉机芯是我们自主研发生产的”这句话是不成立的,这些厂家或公司多数是从别的厂家拿来电磁炉机芯改一下上面的标志,就说是自主研发生产的;要不就是找人“代工生产”,也就是说拿别人的电磁炉机芯的电路板自己照着抄一下,再批量生产,这一类的电磁炉价格就会很便宜,但由于没有自己的技术支持,产品的稳定性不好,质量堪忧!售后更没保障。
越好商用电磁炉的性能特点
1、节能省钱,因为越好的大功率商用电磁炉的热效率的转换在95%或更高,而燃油燃气的热效率仅仅有20%__40%,可见燃油燃气的大量热量的流失,所以商用电磁炉比燃油燃气节约50%的费用。
2、越好商用电磁炉的准确的温控功能,可以让厨师做出美味的菜肴,酒店、餐厅的独具特色的菜肴则会吸引更多的消费者,带来更多的收入。
3、越好的商用电磁炉品质稳定,多台工作但是互不影响,性能稳定。
4、越好奉行的“和谐”的企业精神,不仅仅要求产品的功能,同时注重安全可靠性,大功率电磁炉无明火、无噪音、无废气、无燃料泄漏等不安全突发事件,金属外壳防辐射,方方面面保护使用安全。
5、改善环境,厨师们不在遭受烟雾弥漫、受不了的嘈杂声、眼睛也不在看到火辣的火苗,可以拥有一个安静、无异味、无火烤的良好环境,都可以尽情的发挥厨师的厨艺。
6、绿色环保,不存在其他的废气、噪音污染,加上商用电磁炉使用可再生的电力资源,不存在不可再生的油和气的浪费。
7、商用电磁炉的操作简单,商用电磁炉的各项操作简单明了,必定为各使用者操控之中。
万家美厨霸商用电磁炉说明书一、产品概述万家美厨霸商用电磁炉是一款高效、安全、节能的商用厨房设备。
它采用先进的电磁加热技术,能够快速、均匀地加热各种炊具,为用户提供便捷的烹饪体验。
本产品具有多种功能和智能控制系统,适用于各类餐饮场所、酒店、食堂等商用厨房。
二、产品特点1. 高效节能:万家美厨霸商用电磁炉采用电磁感应加热原理,能够直接将热量传递给锅底,加热效率高达90%以上,相比传统燃气炉节能50%以上。
2. 温度控制精准:产品配备先进的温度控制系统,可根据不同菜品的需求进行精确调节,确保食物烹饪的质量和口感。
3. 多功能操作:产品具备多种烹饪模式,如煮、炒、炖、煎、烤等,满足不同菜品的烹饪需求。
4. 安全可靠:产品采用多重安全保护设计,如过热保护、漏电保护、断电保护等,确保用户在使用过程中的安全。
5. 易于清洁:产品表面采用不粘涂层设计,易于清洁,减少了清洗的麻烦。
三、使用方法1. 将商用电磁炉放置在平稳的工作台面上,并确保通风良好。
2. 插入电源插头,并打开电源开关。
3. 按下电磁炉面板上的开关按钮,选择合适的烹饪模式和温度。
4. 将需要加热的炊具放置在电磁炉上,并确保与加热区域完全接触。
5. 在烹饪过程中,根据需要进行温度和时间的调节。
6. 烹饪完成后,关闭电磁炉开关,并拔出电源插头。
四、注意事项1. 在使用电磁炉之前,请仔细阅读本说明书,并按照要求正确操作。
2. 请勿将电磁炉放置在潮湿或易燃物品附近,以免发生安全事故。
3. 使用过程中,请勿将手或其他物体放置在电磁炉的加热区域,以免烫伤。
4. 使用完毕后,请及时清洁电磁炉表面,以保持其良好的工作状态。
5. 如发现电磁炉出现故障或异常情况,请立即停止使用,并联系售后服务中心进行维修。
五、维护保养1. 定期检查电磁炉的电源线和插头,如有损坏请及时更换。
2. 清洁电磁炉时,请使用柔软的湿布擦拭,切勿使用腐蚀性或磨损性的清洁剂。
3. 长时间不使用电磁炉时,请拔出电源插头,并存放在干燥通风的地方。
日本的电器产品市场很大,日本的消费者对电器产品的安全性也非常重视。
从2001年4月1日起,日本“电气产品控制法(DENTORI)”正式更名为“电气用品安全法(DENAE)”,统一使用PSE标志,并加强了对进口商的惩罚措施。
日本经济产业部(METI) 近期公布了在《电器与材料安全法》(V-衣巴菱贰陆久衣衣陆仕叁) (DENAN) 范围内的部分产品类型的区分,明确了此类产品申请圆形PSE标志或者菱形PSE标志,相关制造厂商需要关注法规的更新,保证产品顺利出口日本市场。
PSE认证申请流程A类菱形:1、递交申请2、受理开出报价整理监督合约3、COSMOS授权的实验室测试出报告4、工厂审核5、颁发发证6、只要求工厂检查,没有跟踪检查.B类圆形:1、递交申请2、受理开出报价整理监督合约3、IEC/ISO 17025实验室测试出报告4、没有工厂检查PSE认证需要准备的资料1、申请递交资料:营业执照,申请表;2、测试准备资料:1)CB 报告(含日本的差异性测试)2)线路图(衣巴菱贰陆久衣衣陆仕叁)3)与安规相关的PCB设计图,4)变压器及线圈类零件的规格书,5)关键元器件清单及其证书,6)日文使用手册或组装手册;7)日文铭牌与警告标志(含PSE标志及通报供货商名称的),8)结构数据表9)工厂生产所用一起清单和校准证书等METI备案主要涉及两个方面的内容:1、企业备案和产品备案:METI备案流程1. 准备资料PSE证书及报告英文或日文的说明书、规格书保证申明申请表产品图片日本进口商营业执照:2. 提交资料3. 审核与备案4.获取备案信5. 注意事项METI备案是强制性的,申请了PSE认证的产品,都要求到METI备案。
METI备案的有效期为3年。
必须先办理PSE证书再办理日本METI备案。
家用电磁灶能效限定值及能源效率等级doc电磁炉网电磁炉前言本标准第4.2是强制性条款,其余是举荐性条款。
本标准规定了家用电磁灶能源效率限定值、能源效率等级和节能评判值判定方法等。
本标准依照我国家用电磁灶生产和使用的现状制定。
本标准中规定的技术要求和试验方法参考了GB4706.29-92《家用和类似用途电器的安全电磁灶的专门要求》、GB4706.22-2002《家用和类似用途电器的安全驻立式电灶、灶台、烤炉及类似用途器具的专门要求》和QB/T1236-91《电磁灶》的相关要求。
本标准的附录A是规范性附录,附录B是资料性附录。
本标准由国家进展和改革委员会、国家标准化治理委员会组织制定。
本标准由全国能源基础与治理标准化技术委员会提出。
本标准由全国能源基础与治理标准化技术委员会合理用电分技术委员会归口。
本标准起草单位:本标准要紧起草人:家用电磁灶能效限定值及能源效率等级1 范畴本标准规定了家用电磁灶(以下简称“电磁灶”)的能源效率限定值、节能评判值、能源效率等级的判定方法、试验方法及检验规则。
本标准适用于适用于单个加热单元的额定功率700-2800W电磁灶,包括一个或多个加热单元的电磁灶。
本标准不适用于商用电磁灶、工频电磁灶和凹灶。
2 规范性引用文件下列文件中的条款通过本标准的引用而成为本标准的条款。
凡是注日期的引用文件,其随后所有的修订单(不包括勘误的内容)或修订版均不适用于本标准,然而,鼓舞依照本标准达成协议的各方研究是否可使用这些文件的最新的版本。
凡是不注日期的引用文件,其最新版本适用于本标准。
QB/T1236-200X 电磁灶3 术语和定义本标准采纳下列术语和定义。
3.1热效率电磁灶在本技术要求规定的工作条件及试验方法下,测得的电能转换为热能的一个评判指标。
3.2加热单元电磁灶台面上可放置器皿的具有完全独立烹饪加热功能的部分。
3.3待机状态(关闭方式)standby mode产品连接到供电电源上且处于等待状态(电磁灶的待机状态一样是指开关处于“断”或“OFF”状态),不产生加热磁场,使用者能够使用直截了当或间接的信号,将产品转换到“工作/加热”状态。
海智达大功率商用电磁炉说明书1. 引言欢迎使用海智达大功率商用电磁炉!本说明书将为您提供详细的产品信息和操作指南,以确保您能够正确、安全地使用该产品。
在使用之前,请仔细阅读本说明书,并按照指南进行操作。
2. 产品概述海智达大功率商用电磁炉是一款高效、可靠的商用厨房设备。
它采用先进的电磁加热技术,能够快速、均匀地加热食物,节约时间和能源。
该电磁炉具有以下特点:•大功率设计:高功率输出,加速加热过程。
•多功能控制面板:提供多种操作模式和温度调节选项。
•安全性能:具备过温保护和漏电保护等安全功能。
•耐用性:采用优质材料和精湛工艺,具有较长的使用寿命。
3. 技术参数参数值功率XX W输入电压XX V频率XX Hz外观尺寸XX mm × XX mm × XX mm重量XX kg最大加热温度XX ℃加热区域尺寸XX mm × XX mm控制方式触摸面板加热模式温度控制、功率控制安全保护功能过温保护、漏电保护4. 使用须知在使用海智达大功率商用电磁炉之前,请务必注意以下事项:•请将电磁炉放置在稳固的台面上,确保其稳定性。
•确保电源插座和电源线符合国家标准,并避免过载使用。
•在使用电磁炉之前,请先检查是否有损坏或异物进入的情况。
如有问题,请联系售后服务中心。
•使用本产品时,请勿将金属物品放置在加热区域上,以免损坏产品或引发安全事故。
•使用时请勿触摸加热区域,避免烫伤。
•使用结束后,请先关闭电源开关,并等待电磁炉完全冷却后再进行清洁和移动。
5. 操作指南5.1 开机与关机•开机:将电源插头插入电源插座,按下电源开关,屏幕将显示欢迎界面。
•关机:长按电源开关3秒,屏幕将显示关闭确认提示,再次确认后即可关闭电磁炉。
5.2 温度调节•在开机状态下,通过触摸面板上的温度加减按钮可以调节加热温度。
温度范围为XX℃至XX℃。
•当达到设定温度后,电磁炉会自动维持该温度。
5.3 功率控制•在开机状态下,通过触摸面板上的功率加减按钮可以调节加热功率。
大功率商用电磁灶认证标准
很多人在选购商用电磁灶时都会担心质量的问题购买时每一家都说自已的质量好
那么好何辩别商用电磁炉的质量稳定性其实就是涉及到产品认证这方面现在主要认证有二种就是国内的3C认证与国外的3E认证他们有什么区别呢?
CE 标准是欧洲标准是欧盟特有的强制性安全合格标志它由欧盟委员制定技术法规,限定产品的制造商和进口商在欧洲市场的基本销售条件,以确保使用者的安全和健康.
3C标准是我国的强制性认证标准 3C是中国强制认证的英文字母的缩写.我国从2003年8月1日起,对电线,电缆,电路天关,机动车辆等19大类132种产品实行了强制性产品认证制度即3C认证没有3C 认证的产口禁止在市场上销售有这种标志的产品才是合格产口
目前由于国家对于3KW以上的电磁炉还没有规范的检测标准,所以商用电磁灶目前还无法以GB的标准出具产品合格证,也就是不能标识3C认证,故采用欧州CE标准进行认证
一般质量稳定好有过正规认证的商用电磁灶使用寿命有多长呢
商用电磁灶属于工业级产品,使用时整个机器没有振动加热过程线圈不会发热损耗较小在正常工作环境中一般可连续工作10年以上不过部分高功率大电流元器可能存在损坏现象只要进行局部更换就能完全恢复正常。
节能家用商用电磁炉及其认证介绍
随着世界经济圈的形成,企业想获得更大的发展,对国际市场的抢占尤为重要。
在节能被越来越多的国家提上日程时,相应对产品的节能指标也就更加严格了,如何真正把节能做到实处,将是未来企业技术竞争的焦点之一。
节能认证是提升企业形象、拓展国际市场的有力工具。
据统计,使用大功率电磁炉平均每月比使用燃气灶可节省35%的费用,因为商用电磁炉在节能方面具有先天的优势。
具体表现在以下四点:其一是商用电磁炉作为“第四代”灶具,主要采用了电磁感应加热(IH加热)技术使锅具直接发热的原理,热效率高,普通燃气灶的热效率只有50%左右,而商用电磁炉的热效率高达85%以上,这就意味着省钱。
其二,商用电磁炉没有明火带来的燃烧热量和因煤气不充分燃烧带来的废气,不但可以给厨房营造一个洁净的烹饪环境而且可以因此减少厨房里的空调、油烟机、冰箱等其他电器的耗能。
其三,所有的商用电磁炉采用变频加热技术,这就意味着商用电磁炉在节能方面具有先天优势,根据设定的程序,根据加热需要调整功率,有效节约能源。
其四,商用电磁炉对产品技术要求特别高,相对燃气灶来说,在钢铁等原材料的消耗比较少,并且体积小,减少其制造过程、运输过程的综合能耗,性价比高。
早在10多年前,我国就有厂家从事大功率商用电磁炉产品的生产与推广,但是,由于商用电磁炉技术不够稳定,商用电磁炉因此未能普及。
经过10多年的发展,如今技术已经日益成熟。
商用电磁炉行业中,已经涌现出如美的、尚朋堂等专业研发制造厂家,譬如美的还拥有100多人的电磁加热研究团队。
随着消费者对商用电磁炉产品认知加深,商用电磁炉行业还将获得跨越式的成长。
据统计,我国商用电磁炉市场需求量已从2001年260万台发展到2004年1000万台,三年后,将超过2000万台。
商用电磁炉将从补充型炊具向主导型炊具过渡,款式也将向双头、多头发展。
节能,不仅是一种企业行为,同时也是一种社会行为。
一方面,降低成本与能耗、战胜国际上的“绿色技术壁垒”,是进军国际市场竞争的必然之路;另一方面,为中国广大消费者带来更多的实惠。
美的、尚朋堂等几家企业获得首批节能认证,将促进越来越多的企业加入这场节能运动,倡导整个行业的健康发展。
其实,针对节能做出规划的不仅仅是中国,近年来,欧盟、美国、日本等发达国家在节能方面可谓下尽功夫。
他们针对家用电器产品制定了相关节能措施,同时开展产品认证并制定产品能效标准等具体化方式。
比如,如果想在美国市场发展,没有取得美国能源之星的认证,不贴上美国能源之星的标识,企业将无法进入美国政府采购中去。
同时,日本、法国等国家也开始对家用电器节能状况做出规定。
而在中国,现在针对节能的措施也在不断被推出,在上海凡是没有达到节能新标准的空调不允许销售。
可以预见,我国对家电产品的节能操作也会逐渐展开,将来达不到节能标准的家用电器的将越来越没有市场。