各种围堰施工详细说明
- 格式:doc
- 大小:401.02 KB
- 文档页数:27
围堰专项施工方案一、围堰1.土石围堰施工:①.土石围堰应选用透水性较小的土,应先清除围堰底河床上的杂物、树根、石块等,保证填料坐落在坚实的基础上,起到较好的隔水作用,应自上游开始填筑至下游合拢。
②.填筑的围堰应具有密实度,满足一定的承载能力。
③.当水流速较大时,外围土袋装小卵石、粗砂等,必要时进行抛片石防护。
2.施工围堰的维护:为了防止雨水冲刷、风浪对围堰的影响,等围堰填筑完成后,在围堰迎水面(最低水位以下1m到堰顶)采用蛇皮袋装土叠铺进行防护,必要时,在围堰背水坡脚采用防渗导流措施进行防护。
围堰施工完毕后,经常派人维护检查,在围堰背水面纵向两侧坡脚处各设置集水坑一个,并派专人排水,保持基坑内干燥。
安排专人对围堰外的水位进行观测以及对围堰的检查,发现意外情况及时汇报,及时采取在围堰顶施打子堰加高等应急措施,确保围堰在高水位期间万无一失。
3.围堰拆除:水下工程全部结束,接监理工程师指令后方可拆除围堰,拆除前,应先向河道内灌水以保持围堰内外水位基本持平。
然后,用挖掘机将围堰水上部位的土方挖出,自卸汽车将土方运至弃土场内。
4.成品保护:(1)围堰上游应设置警示标志,围堰外宜设置防撞护桩。
(2)围堰外一定范围内禁止堆放重物或停放大型机械。
(3)严禁在水平支撑上堆放过重物件,导致支撑变形,围堰失稳。
(4)严禁基坑内存水。
(5)抽水过程应安排人员24小时监测围堰内外的水位变化情况。
5.安全施工及环境保护:(1)施工现场人员一律戴安全帽,现场用电由专人管理。
(2)水中围堰内的开挖土方应外运至指定区域,不得随意排入水体,基础完成施工后应尽快将围堰拆除,围堰底和周边的土方应清除干净,恢复河床原貌。
1。
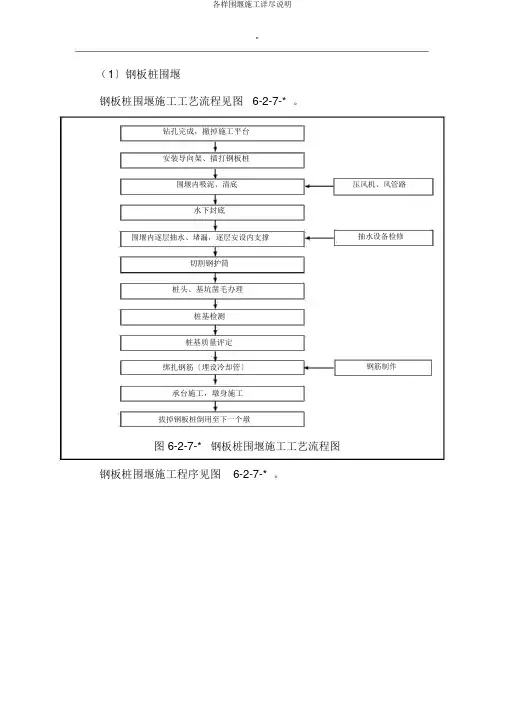
''(1〕钢板桩围堰钢板桩围堰施工工艺流程见图 6-2-7-* 。
钻孔完成,撤掉施工平台安装导向架、插打钢板桩压风机、风管路围堰内吸泥、清底水下封底抽水设备检修围堰内逐层抽水、堵漏,逐层安设内支撑切割钢护筒桩头、基坑凿毛办理桩基检测桩基质量评定钢筋制作绑扎钢筋〔埋设冷却管〕承台施工,墩身施工拔掉钢板桩倒用至下一个墩图 6-2-7-*钢板桩围堰施工工艺流程图钢板桩围堰施工程序见图6-2-7-* 。
''图序程工施堰围桩板钢*-7-2-6图①围囵安装当水深较大时,常用围囵〔以钢或钢木构成的框架〕作为钢板桩的定位和支撑。
即先在岸上拼装围囵,运至墩位定位后,在围囵内插打定位桩,把围囵固定在定位桩上,而后在围囵四周的导框内插打钢板桩。
安装围囵时,应进行丈量定位。
用一层导框做成的围囵,一般是先打定位桩,再在定位桩上挂装导框,导框能够在岸边构成,浮运到位以缆索锚碇,在开始插打板桩后,逐渐将导框转挂在已打好的板桩上。
用有脚手桩的转盘式或旋转式桩架时,导框可挂靠在外侧的脚手桩上,用浮式转盘式或旋转式桩架时,一般用转动的桩架先打好定位桩再安装导框。
②插打与合龙钢板桩开始的一局部逐块插打,后一局部那么先插合龙后再打。
插打前,在锁口内应涂抹防水混淆料,组拼桩时应用油灰和棉絮捻塞拼接缝。
插打钢板桩的序次,从上游一角开始,至下游合龙。
这样不单可以使围堰内防备淤积泥砂,并且还能够利用水流冲走一局部泥砂,以减少开挖工作量。
更重要的是保证围堰施工的安全。
插打钢板桩时应严格控制好桩的垂直度,特别是第一根桩要从两个垂直方向同时控制,保证垂直不偏。
在垂直导向设备导向下,一般先将所有钢板桩逐根或逐组插打到稳固深度,而后挨次打入直至设计深度,插打的次序按施工组织设计进行,一般自上游分两头插打向下游合龙。
插打前在锁口内涂抹以黄油、锯末等拌和物,组拼桩时,用油灰和棉花捻缝,以防漏水。
钢板桩顶抵达设计高程的平面地点偏差,在水上打桩时不得大于 20cm,在陆地上打桩时不得大于 10cm。
详解围堰施工的六种方法范本1:详解围堰施工的六种方法围堰施工是一种常见的工程施工方法,用于在建造、水利工程等领域中进行水面封堵、水流控制等操作。
以下将详细介绍围堰施工的六种常用方法。
一、块状围堰法块状围堰法是最常见的一种方法,通过堆放砖块、石块等材料构建围堰,然后使用渗漏防止材料封堵水流,以达到控制水流的目的。
此方法操作简单、成本较低,但密封性较差,不适合于水流较大的场景。
二、挡土围堰法挡土围堰法借助土石方材料来构建围堰,通过选择合适的土石方材料和挖掘坑槽来形成围堰,阻挡水流。
这种方法适合于中小规模的水流控制,但需要注意挖掘坑槽的技术和土石方材料的选择,以确保围堰的稳固性和密封性。
三、阻水拱围堰法阻水拱围堰法利用弧形构造物来形成拱形结构,以达到反抗水流压力的目的。
这种方法适合于水流较大的场景,能够有效地控制水流,但需要设计和施工人员具备一定的专业知识和经验,以保证拱形结构的稳定性。
四、混凝土槽围堰法混凝土槽围堰法通过混凝土构筑物来形成围堰,具有较好的密封性能。
此方法适合于大规模的水流控制,如船闸建设等工程项目。
需要注意的是,混凝土槽的设计和施工需要严格遵循相关的规范和标准,以确保围堰的稳固性和耐久性。
五、挡坝围堰法挡坝围堰法利用水面上方的固定物体(如钢板、混凝土板等)来形成围堰,达到水流控制的目的。
这种方法适合于需频繁开放和关闭水闸的场景,操作简便,但需要注意固定物体的选择和施工,以确保围堰的密封性和稳定性。
六、沉箱围堰法沉箱围堰法是一种先进的施工方法,通过在水底沉放箱形结构,达到围堰的效果。
此方法适合于大规模的水体封闭、拦截工程,如海底隧道施工等。
需要注意的是,沉箱的设计和施工需要精确计算和施工技术,以确保围堰的稳定性和安全性。
附件:1. 块状围堰施工示意图2. 挡土围堰施工图示3. 阻水拱围堰施工流程图4. 混凝土槽围堰施工规范5. 挡坝围堰施工案例分析法律名词及注释:1. 《水利工程施工安全技术规程》:水利工程施工过程中需要遵守的安全技术规范。
围堰法施工详解围堰法施工是一种在水利工程建设中常用的施工技术,主要用于在水域中建设各种基础设施和建筑物。
本文将详细介绍围堰法施工的概念、原理、步骤以及应用中的注意事项,旨在帮助读者全面了解这一重要的施工方法。
一、围堰法施工概述围堰法施工,顾名思义,是通过在待建工程周围建造临时性的围堰,将水域与工程区域隔离,以便于在干燥的环境下进行施工。
这种施工方法广泛应用于桥梁、港口、码头、水电站等水利工程的建设中。
二、围堰法施工原理围堰法施工的核心原理是利用围堰将水域与工程区域隔离,创造出一个相对干燥的施工环境。
在围堰内部,可以根据需要进行排水、挖掘、地基处理等作业,从而确保工程的顺利进行。
三、围堰法施工步骤1. 调查与勘察:在施工前,需要对工程区域进行详细的地质勘察和水文调查,了解地形、地貌、水文条件等信息,为围堰设计和施工提供依据。
2. 围堰设计:根据勘察结果和工程需求,进行围堰设计。
设计内容包括围堰的形状、尺寸、结构形式、材料选择等。
设计时需要考虑围堰的稳定性、抗渗性、经济性等因素。
3. 围堰施工:按照设计要求,进行围堰施工。
施工步骤包括场地平整、基础处理、围堰材料运输、围堰搭建等。
在施工过程中,需要严格控制施工质量,确保围堰的稳定性和安全性。
4. 排水与降水:围堰建成后,需要进行排水和降水作业,将围堰内部的水位降低到施工要求的水位以下。
排水和降水的方法包括明排法、井点降水法等,具体方法应根据工程实际情况选择。
5. 主体工程施工:在围堰内部进行主体工程的施工,如地基处理、基础浇筑、上部结构施工等。
在施工过程中,需要注意施工安全、质量控制和进度管理等方面的问题。
6. 围堰拆除与恢复:主体工程完成后,进行围堰的拆除和恢复工作。
拆除时需要确保不影响主体工程的安全和稳定性,恢复时需要恢复原状地貌和水文条件。
四、围堰法施工注意事项1. 安全第一:在施工过程中,应始终把安全放在第一位,严格遵守安全操作规程,确保施工人员和设备的安全。
围堰施工方法摘要:围堰施工是指为了进行某种特定的工程施工而在水域或湿地中暂时性地设置的一种封闭挡水结构。
本文将介绍围堰施工的定义、施工方法以及常见的围堰类型。
1. 引言围堰施工是在水中或湿地中进行工程施工时常用的一种技术手段。
通过围堰的设置,可以暂时性地封闭水域,以便进行各种施工工作。
围堰的施工方法和技术要点对工程的安全和效率有着重要的影响。
2. 围堰施工方法2.1 围堰形式的选择在进行围堰施工时,需要根据具体的施工任务和工程环境选择适合的围堰形式。
常见的围堰形式包括:板桩围堰、挡土墙围堰、段台围堰、薄膜围堰等。
不同的围堰形式适用于不同的施工条件和水质要求,需要根据实际情况进行选择。
2.2 围堰施工设备的准备在围堰施工前,需要准备相应的施工设备和工具。
常用的围堰施工设备包括:挖掘机、起重机、木工工具等。
根据不同的施工要求,还可以使用专门的围堰施工设备,如振动锤等。
2.3 围堰施工步骤(1)勘测和设计:在进行围堰施工前,需要进行详细的场地勘测和设计工作。
勘测和设计要包括围堰的布置方案、施工工艺和施工参数等。
(2)围堰搭设:根据设计要求,在施工场地上进行围堰的搭设工作。
对于板桩围堰,需要首先进行桩基的打入工作;对于挡土墙围堰,需要进行挡土墙基础的浇筑和挖掘工作。
(3)围堰封闭:在围堰搭设完成后,需要进行围堰的封闭工作。
封闭工作主要包括在围堰底部进行密闭,利用挡水材料加密围堰,以防止水流入施工区域。
(4)围堰监测和维护:在围堰施工过程中,需要对围堰的水位、渗漏情况等进行定期监测,并及时进行维护和修复。
3. 常见围堰类型3.1 板桩围堰板桩围堰是一种常见的围堰形式,它通过在水中打入木质或钢质板桩,形成封闭的围堰结构。
板桩围堰适用于较浅的水深和较小的水流量,具有施工方便、造价低廉等优点。
3.2 挡土墙围堰挡土墙围堰是一种以挡土墙为主体的围堰形式。
挡土墙可以采用混凝土、砖石等材料建造,用于阻挡水流,形成封闭水域。
围堰专项施工方案围堰专项施工方案一、项目背景围堰是用于隔离施工现场的一种临时性围栏设施,目的是为了保护施工现场的安全和整洁。
本项目要求在现有施工现场周围围堰,以确保施工区域的安全和封闭性。
二、工程内容1. 围堰位置:根据现场实际情况确定围堰的位置,包括施工区域的周边范围。
2. 围堰材料:围堰材料选择防腐木材料,具有较好的耐候性和抗腐蚀性能。
3. 围堰高度:围堰的高度要根据施工现场的特点决定,一般要求围堰高度不低于1.5米。
4. 围堰固定:采取扎钢筋桩或者埋地锚固的方式进行固定,以确保围堰的稳固性。
三、施工流程1. 围堰施工前准备:清理施工区域,确保施工现场为空旷。
2. 围堰位置标定:根据设计要求,在施工现场周围标出围堰的位置。
3. 围堰安装:将预制的防腐木材料进行拼装,按照标定位置进行固定。
4. 围堰固定:钢筋桩或地锚进行安装,将围堰固定在地面上,并进行水平调整。
5. 围堰检查:检查围堰的固定情况和稳固性,确保围堰完全固定在地面上。
6. 围堰验收:验收围堰的质量和施工效果,确认围堰符合要求。
四、安全措施1. 在围堰施工过程中,要做好施工现场的安全防护,设置必要的警示标志,以防止他人进入施工区域。
2. 施工人员必须穿戴好安全帽、防护鞋等安全防护装备,并按照规定操作。
3. 施工现场要保持良好的通风状态,及时排除施工现场的污水和垃圾。
4. 施工设备和工具要符合安全规定,定期检查和维护,确保其正常使用。
5. 施工人员应具备相关的安全知识和技能,参加必要的培训并持证上岗。
五、施工风险及应对措施1. 围堰在施工过程中可能存在倾倒、坍塌等风险,要做好防护措施,确保施工人员的安全。
2. 施工现场周边可能存在地质灾害的风险,要对施工现场进行评估,并采取相应的防护措施。
3. 施工材料和设备可能存在质量问题,要选用合格的材料和设备,并进行必要的质量检查。
六、工期和费用1. 施工总工期:根据实际情况确定施工总工期。
2. 施工费用:根据工程量和材料费用等因素,确定施工费用。
围堰工程施工方案一、工程概况1.1 项目背景围堰工程是一种用来围堵水体,防止水位上升或泛滥的工程措施。
在一些湿地保护、水利工程和环境治理中经常会使用围堰工程。
本工程是在某某市某某河流上进行的一项围堰工程项目,旨在提高河流水位,减少水位上涨引起的洪水灾害。
1.2 工程地点本工程位于某某市某某河流上游,总长约500米。
1.3 工程内容本工程主要包括硬质围堰和软质围堰两种类型,其中硬质围堰采用混凝土浇筑,软质围堰采用土石方填筑。
项目施工范围为500米,包括土方开挖、混凝土浇筑、土石填筑等工作。
1.4 工程特点本工程施工地点地势较高,气候湿润,施工难度较大。
同时,河流水流湍急,对施工涉水区域要求严格,安全隐患较大。
二、施工方案2.1 施工目标本工程的施工目标是按照设计要求,保质保量地完成硬质围堰和软质围堰工程的施工,确保工程质量,保障施工安全。
2.2 施工准备2.2.1 施工人员本项目施工人员主要包括工程师、监理工程师、现场管理员、技术员、机械操作工、劳务工等,共计100人左右。
2.2.2 施工机械本项目所需机械设备主要包括挖掘机、推土机、混凝土搅拌车、压路机等。
2.2.3 施工材料本项目所需施工材料主要包括混凝土、砂石料、水泥等。
2.2.4 安全防护2.3 施工工艺2.3.1 土方开挖根据设计要求,在施工范围内进行土方开挖,保证围堰基础的平整度和强度。
2.3.2 混凝土浇筑硬质围堰部分采用混凝土浇筑工艺,先进行模板安装,然后进行混凝土浇筑,最后进行养护。
2.3.3 土石填筑软质围堰部分采用土石填筑工艺,先进行土石料筛选,然后进行填筑,最后进行夯实。
2.4 施工流程2.4.1 硬质围堰施工流程1)搭建施工平台,准备施工机械设备;2)进行土方开挖,清理基坑;3)安装混凝土浇筑模板;4)进行混凝土浇筑;5)养护混凝土,确保质量。
2.4.2 软质围堰施工流程1)进行土石料筛选,清理杂物;2)进行土石填筑,夯实;3)进行边坡处理,确保围堰稳定。
围堰工程施工方案三篇篇一:围堰工程施工方案第一章编制说明1.1工程概况该河道工程位于XX工业园区,岛四周采用扶壁式钢筋混凝土驳岸,驳岸总高度6.6m,小岛四周驳岸总长度255m。
工作内容包括场地取土,抽水,堆岛区清淤、堆岛、围堰维护财块内取土期间场地排水,斜塘河清淤,围堰拆除前的维护和抽水,围堰拆除,清理,恢复河道原状。
小岛四周驳岸驳岸施工。
1.2施工工期、质量标准施工工期:本工程计划于20XX年8月30日开工,20XX年5月15日完工。
合同工期259日历天。
质量标准:合格。
1.3施工总平面布置根据招标工程量清单说明,建设单位提供场内道路,临时办公、生活等基础设施。
施工单位修筑通往小岛的临时道路及材料、工具仓库等临时设施。
1.3.1施工用电、用水布置(1)本工程主要施工用电为2台水泵、砼施工机械、钢筋加工机械等用电。
根据招标文件精神,工程施工用电由当地电网接入,与供电部门签订供电协议。
(2)接电通过电线架空敷设,采用三相五线制布置,进入施工现场设置的总配电箱,安装好电度表,施工现场用电按照《施工现场临时用电安全技术规范》JGJ46-88规定执行实施。
沿线用电采用380V低压线,接至施工区域,根据现场开阔空旷条件,需分段接入。
(3)另配30KW柴油发电机组1台,作为备用电源。
(4)生活用水由邻近自来水厂给水管网接口接入,生产用水用河水。
1.3.2通讯系统项目经理部安装一台程控电话机,作为对外联络通讯工具。
主要管理人员配备手机,方便联络。
1.3.3临设搭建(1)工程项目部及生活用房工程项目部及生活用房由业主提供。
(2)堆场和仓库在小岛附近,设机械停放场地、钢筋车间、工具仓库等。
(3)场外标牌标牌按规定尺寸制作,在指定地点树立。
施工铭牌2块,分别位小岛及标段搭临处。
工程文明施工牌1块。
防火须知牌1块。
安全无事故累计天数牌1块。
工地主要管理人员名单牌1块。
(4)专用警示牌施工情况告示牌,沿线布设。
交通标志牌,在交通要道口布设。
围堰工程施工是水利水电工程中常见的一种施工方式,主要是为了在施工过程中保障工程的安全和顺利进行。
本文将从围堰工程的定义、施工流程、施工技术以及施工安全等方面进行详细阐述。
一、围堰工程的定义围堰工程是指在河流、湖泊、海洋等水域中,为了进行水利水电工程施工而采取的一种临时性工程措施。
它通过构建围堰,将施工区域与水域隔离开来,创造出一个干燥的施工环境。
围堰工程的目的是为了保证施工的安全、顺利进行,同时保护周边环境不受施工影响。
二、围堰工程施工流程1. 施工前准备:在围堰工程施工前,需要进行详细的施工方案设计,明确围堰的位置、形式、结构尺寸等。
同时,要对施工现场进行实地调查,了解地质、水文、气象等情况,为施工提供依据。
2. 围堰结构施工:根据设计要求,进行围堰结构的施工。
围堰结构通常分为土围堰、混凝土围堰和混合式围堰三种形式。
土围堰施工主要包括堰体填筑、防渗处理等;混凝土围堰施工主要包括堰体浇筑、接缝处理等;混合式围堰施工则结合了土围堰和混凝土围堰的特点。
3. 排水和降水:围堰工程施工过程中,要及时进行排水和降水,保证施工现场的干燥。
排水方法包括明排水和暗排水两种,降水方法包括井点降水和砂井降水等。
4. 施工区域划分:根据施工需求,将围堰内的施工区域进行合理划分,确保各个施工区域之间的顺利进行。
5. 施工完毕后,对围堰工程进行验收,确保工程质量符合设计要求。
三、围堰工程施工技术1. 土围堰施工技术:土围堰施工的关键在于堰体的填筑和防渗处理。
填筑时要注意分层压实,确保堰体稳定性;防渗处理可采用黏土、沥青等材料。
2. 混凝土围堰施工技术:混凝土围堰施工要注意堰体的浇筑和接缝处理。
浇筑时要保证混凝土的强度和密实度;接缝处理可采用橡胶止水带、钢板止水带等材料。
3. 混合式围堰施工技术:混合式围堰施工要结合土围堰和混凝土围堰的优点,合理选择堰体材料和结构形式。
四、围堰工程施工安全1. 施工过程中,要严格遵守安全操作规程,确保施工人员的人身安全。
第1篇一、工程概况本工程位于某河道改造项目,工程范围包括河道改线、堤防建设、围堰施工等。
围堰施工是本工程的重要组成部分,目的是为了确保河道改造工程的顺利进行,防止洪水侵袭,保障周边居民的生命财产安全。
二、施工准备1. 施工队伍:组织一支具备专业施工技能的围堰施工队伍,包括项目经理、技术负责人、施工员、质检员等。
2. 施工材料:备足围堰施工所需的各种材料,如土方、砂石、编织袋、复合土工膜等。
3. 施工设备:准备挖掘机、推土机、自卸车、装载机、搅拌机等施工设备。
4. 施工图纸:熟悉施工图纸,明确围堰的形状、尺寸、位置等要求。
三、围堰施工工艺1. 围堰设计:根据河道改线工程的具体情况,设计合理的围堰形状、尺寸、位置等。
2. 围堰基础处理:对围堰基础进行平整、压实,确保基础质量。
3. 围堰材料准备:根据围堰设计要求,准备土方、砂石、编织袋、复合土工膜等材料。
4. 围堰施工:(1)围堰堆筑:按照设计要求,采用土方、砂石等材料进行围堰堆筑,确保围堰的稳定性。
(2)围堰防水:在围堰内部铺设复合土工膜,起到防水作用。
(3)围堰加固:采用编织袋装土、砂石等材料对围堰进行加固,提高围堰的承载力和稳定性。
5. 围堰排水:在围堰内部设置排水管道,确保围堰内积水及时排出。
四、施工进度安排1. 施工前期:完成施工队伍组织、材料设备准备、施工图纸熟悉等工作。
2. 施工中期:完成围堰基础处理、围堰材料准备、围堰堆筑、围堰防水、围堰加固等工作。
3. 施工后期:完成围堰排水、围堰验收等工作。
五、质量保证措施1. 严格按照施工图纸进行施工,确保围堰的形状、尺寸、位置等符合设计要求。
2. 对施工过程中的各个环节进行质量检查,发现问题及时整改。
3. 对围堰基础、围堰材料、围堰堆筑、围堰防水、围堰加固等环节进行质量控制。
4. 施工过程中,加强施工人员的技术培训,提高施工人员的质量意识。
六、安全文明施工措施1. 施工现场设置安全警示标志,确保施工人员的安全。
第1篇一、工程概况本工程位于某市某区某河道,工程范围包括河道整治、桥梁建设等。
围堰工程作为河道整治和桥梁建设的重要环节,对保障施工安全和工程质量具有重要意义。
本方案针对围堰工程的特点,制定详细的施工方案,确保工程顺利进行。
二、施工准备1. 技术准备:根据工程特点和设计要求,编制围堰施工专项方案,组织技术人员进行技术交底,确保施工人员掌握施工工艺和操作规程。
2. 材料准备:根据工程需要,提前采购围堰材料,如土工布、石笼、土工网等,确保材料质量符合设计要求。
3. 机械设备准备:提前租赁或购置挖掘机、装载机、自卸车等机械设备,确保施工过程中设备正常运行。
4. 劳动力组织:根据工程规模和施工进度,合理调配劳动力,确保施工人员具备相应的技能和经验。
三、施工工艺1. 围堰结构:围堰采用土工布、石笼、土工网等材料,根据实际情况选择合适的设计方案。
2. 围堰施工流程:(1)场地平整:对围堰施工区域进行平整,确保地面平整度满足施工要求。
(2)基础处理:对围堰基础进行清理,确保基础稳定。
(3)围堰搭建:按照设计要求,采用土工布、石笼、土工网等材料搭建围堰。
(4)围堰加固:对围堰进行加固,确保围堰结构稳定。
(5)围堰封闭:对围堰进行封闭,防止水流渗漏。
3. 围堰施工注意事项:(1)围堰施工过程中,应密切关注水位变化,确保围堰安全。
(2)围堰材料应选用质量合格的产品,确保围堰结构稳定。
(3)围堰施工过程中,应严格控制施工质量,确保围堰满足设计要求。
四、质量控制1. 施工过程中,严格执行国家有关规范和标准,确保施工质量。
2. 加强施工过程中的质量检查,发现问题及时整改。
3. 对围堰材料、施工工艺、施工质量等方面进行严格把关,确保围堰工程质量。
五、安全措施1. 施工过程中,严格执行安全操作规程,确保施工人员安全。
2. 加强施工现场安全管理,定期进行安全检查,消除安全隐患。
3. 加强施工人员的安全教育,提高安全意识。
六、环保措施1. 施工过程中,严格控制扬尘、噪音等污染,确保施工现场环境整洁。
围堰施工工艺标题:围堰施工工艺详解及应用实践一、引言围堰是一种临时性水工建筑物,主要用于水利工程、港口建设、桥梁基础施工等涉水工程中,以隔绝河水或海水,形成无水或少水的作业环境,以便进行基础开挖、打桩、地下结构施工等。
本文将详细阐述围堰施工的主要工艺流程及其关键技术要点。
二、围堰类型与选择围堰按材料可分为土石围堰、混凝土围堰、钢板桩围堰等多种类型。
选择围堰类型时,需综合考虑工程地质条件、水文条件、施工期对水流影响要求、工期和经济性等因素。
三、围堰施工工艺流程1. 施工准备阶段:首先进行详细的地质勘探和测量定位工作,明确围堰的设计尺寸和位置,同时清除施工区域内的障碍物。
2. 围堰基础处理:依据设计图纸进行地基处理,包括清淤、筑基、铺设反滤层等,确保围堰基础稳固。
3. 围堰主体施工:- 土石围堰:依次进行填筑、压实、防渗处理等工作。
- 混凝土围堰:通常采用分块浇筑的方式,按照设计标高和尺寸逐层施工,并设置必要的排水设施和止水构造。
- 钢板桩围堰:通过振动锤打入钢板桩,形成连续墙体,然后安装内支撑体系,保证围堰稳定。
4. 围堰封堵与抽水:完成围堰主体结构后,进行顶部封闭并安装抽水设备,实现施工区域的干地化。
5. 施工过程中的维护:密切关注围堰内外水位变化、结构变形等情况,及时采取补强、加固措施。
四、围堰拆除工程结束后,应按照设计要求有序进行围堰拆除,尽量减少对周围环境的影响,恢复河道原貌。
五、结语围堰施工工艺是水利工程建设中的关键环节,科学合理的选择围堰类型,严谨细致的施工操作,以及严格的施工质量控制,对于保障整个工程项目的顺利实施具有重要意义。
未来随着工程技术的进步,围堰施工工艺也将不断优化创新,以适应更加复杂多变的工程需求。
各种围堰施工方法一、草袋围堰1.1技术要求围堰顶宽1m;内侧边坡(高:宽)1:0.5,外侧边坡(高:宽)1:1,为防止冲刷在围堰外侧加盖彩条布。
1.2施工工艺1)修通便道,为施工机具、材料运送提供便利。
2)清除河床上的石块、树根等杂物,以减少渗漏,自下游开始填筑至下游合拢。
3)用草袋装以松散的砂土,装土量为袋容量的1/2~1/3,袋口用细铁丝缝合。
堆码土袋时,要求上下左右互相错缝,并尽可能堆码整齐。
4)就位进行测量放样后,用钢筋弯制一对带钩的竿子钩送土袋就位。
5)围堰的修筑(1)自下游开始填筑外圈围堰至下游合拢后,在围堰外侧加盖彩条布。
(2)用泵抽水,至水深约0.5m时在内堰处向下挖0.5m,然后堆码内堰土袋,重新填筑粘性土至施工水位以上0.5m,形成草袋围堰筑岛,防止河床漏水,在其岛面上进行钻孔桩施工,二、编织袋围堰2.1施工流程现场勘察→材料准备→测量放样→施工便道→编织袋投放、堆码→抽水→挖掘机清淤→筑土振捣→围堰加固。
2.2施工工艺1)进行现场勘察,查看现场水文地质情况,选择、准备好合适的材料。
2)根据图纸及工作面等进行测量放样,确定出围堰位置。
3)根据现场实地考察,在合适接口修筑临时施工便道。
4)投放袋装量为袋容量1/2-2/3的编织袋,编织袋投放前尽可能清除堰底河床上的杂物、树根、杂草等,以减少渗漏;袋口应用麻绳或绑扎丝绑扎,并进行平整。
投放编织袋时不宜采用抛投,应采用顺坡滑落的方式,并要求上下层互相错缝,且尽可能堆码整齐。
在水中投放编织袋,可用人机配合,机械送到位,人工下袋。
编织袋应顺坡送入水中,以免离析,造成渗漏。
填筑堰堤的材料采用抗渗性能较好的土,以利阻水、减少漏水、渗水。
当水深无法正常清淤除杂时,编织袋的投放速度速度不宜过快,在投放编织袋时应同步压实,一是保证围堰围堰稳定性,一是应尽可能利用编织袋把淤泥挤跑。
5)编织袋堰堤的高度、坡度、宽度按施工设计而定,但一般堰顶宽度要保持在2米的宽度。
围堰施工方法(围堰的分类)范本一:围堰施工方法(围堰的分类)一:围堰的概述1.1 围堰的定义围堰是一种用于围闭水体、保护建筑物或工程设施的工程措施,通过建立含水体的封闭边界,有效地控制水流和保护周围环境的安全。
1.2 围堰的作用围堰可以在以下几个方面发挥作用:- 控制水位:围堰可以控制水位的高低,防止水体外溢或漏出。
- 减少泥沙悬浮:围堰可以减少水下泥沙的悬浮和分散,保护水域生态环境。
- 防止倒灌:围堰可以防止潮汐或洪水倒灌,保护周围建筑或地基不被水体侵蚀。
- 提供施工条件:建立围堰后,可以将原本水中的工程区域转化为干地,方便施工人员进行作业。
二:围堰的分类2.1 按材料分类2.1.1 土石围堰:通过土石填充、垒砌等方式构筑围堰的一种常见方法,适用于较小规模的围堰工程。
2.1.2 钢板围堰:使用钢板进行围堰,通常采用钢板桩和连接件进行固定,适用于大型工程或深水区域。
2.1.3 混凝土围堰:使用预制混凝土构件或现场浇筑的方式建立围堰,具有较高的稳定性和耐久性。
2.2 按施工方式分类2.2.1 砂袋围堰:通过填充砂袋构成围堰,适用于临时性的围封工程,施工简单便捷。
2.2.2 沉箱围堰:通过将沉箱或沉井下沉到水底,形成围堰,适用于水深较深的工程。
2.2.3 振动围堰:使用振动设备进行振动施工,使土壤密实,并形成围堰。
2.2.4 盖板围堰:使用大型盖板进行覆盖,构成围堰,适用于水体表面较宽广的围封工程。
附件:围堰施工图纸、围堰施工方案法律名词及注释:1. 围堰:也称作围堤,是指用来拦截或围住河流、湖泊、池塘、水库等水体的建筑物或构造物。
2. 沉箱围堰:是一种将沉箱或沉井下沉至水底,形成封闭边界的围封工程方法。
它通常适用于水深较深的施工场地,能够有效地防止水的倒灌。
--------------------------------------范本二:围堰施工方法(围堰的分类)一:围堰的概述1.1 围堰的定义和作用围堰是一种工程措施,用于围住水体、保护周围建筑物或工程设施。
围堰施工方案(最终版)一、项目背景在水利工程建设中,围堰是一种常见而重要的施工技术,旨在防止水源外泄,实现地方水资源的有效利用。
本文将就围堰的施工方案进行详细介绍。
二、围堰施工前准备1. 确定围堰位置在进行围堰施工前,首先要确定好围堰的位置,确认堰址的地形地貌情况,选择合适的位置进行施工。
2. 准备材料设备提前准备好所需材料和设备,如水泥、沙子、石子等建筑材料,以及搅拌机、浇筑机等施工设备。
3. 编制施工方案在确定了围堰位置和准备好所需材料设备后,要编制详细的施工方案,确定好施工流程、施工人员分工等。
三、围堰施工步骤1. 基槽开挖首先进行基槽的开挖工作,要按照设计要求开挖出符合地形地貌的基槽,保证围堰的稳固性。
2. 围堰基础施工将基础设施好,采用混凝土浇筑的方式,确保基础的牢固性和稳定性。
3. 围堰主体施工分段进行围堰主体的施工,采用逐段浇注混凝土的方式,确保围堰整体的均衡和牢固。
4. 围堰护坡工程在围堰主体施工完成后,进行围堰护坡工程,保护围堰不受外力破坏。
5. 围堰验收施工完成后进行围堰的验收工作,确保围堰符合设计要求,可以正常使用。
四、工程质量控制在围堰施工过程中,要严格控制施工质量,保证施工过程的安全性和稳定性,确保围堰的使用寿命和效果。
五、围堰施工安全注意事项1. 施工人员要穿戴好安全装备2. 严格按照施工方案操作3. 防止工地火灾和其他安全事故的发生4. 定期对围堰进行检查维护,及时发现问题并解决六、结语通过本文介绍,可以看出围堰的施工工程是一个复杂而重要的工程,施工前的准备工作和施工过程中的质量控制和安全注意事项都至关重要。
只有严格按照施工方案进行操作,才能保证围堰的质量和使用效果。
各类围堰施工要求!一、围堰施工的一般规定(1)围堰高度应高出施工期间可能出现的最高水位(包括浪高)0.5~0.7m。
(2015年案例考点)(2)围堰外形一般有圆形、圆端形(上、下游为半圆形,中间为矩形):矩形、带三角的矩形等。
围堰外形直接影响堰体的受力情况,必须考虑堰体结构的承载力和稳定性。
围堰外形还应考虑水域的水深,以及因围堰施工造成河流断面被压缩后,流速增大引起水流对围堰、河床的集中冲刷,对航道、导流的影响。
(3)堰内平面尺寸应满足基础施工的需要。
(4)围堰要求防水严密,减少渗漏。
(5)堰体外坡面有受冲刷危险时,应在外坡面设置防冲刷设施。
二、各类围堰适用范围各类围堰适用范围见下表。
三、土围堰施工要求(1)筑堰材料宜用黏性土、粉质黏土或砂质黏土。
填出水面之后应进行夯实。
填土应自上游开始至下游合龙。
(2)筑堰前,必须将堰底下河床底上的杂物、石块及树根等清除干净。
(3)堰顶宽度可为1~2m。
机械挖基时不宜小于3m。
堰外边坡迎水流一侧坡度宜为1:2~1:3,背水流一侧可在1:2之内。
堰内边坡宜为1:1~1:1.5。
内坡脚与基坑的距离不得小于1m。
四、土袋围堰施工要求(1)围堰两侧用草袋、麻袋、玻璃纤维袋或无纺布袋装土堆码。
袋中宜装不渗水的黏性土,装土量为土袋容量的1/2~2/3。
袋口应缝合。
堰外边坡为1:0.5~1:1,堰内边坡为1:0.2~1:0.5。
围堰中心部分可填筑黏土及黏性土芯墙。
(2)堆码土袋,应自上游开始至下游合龙。
上下层和内外层的土袋均应相互错缝,尽量堆码密实、平稳。
(3)筑堰前,堰底河床的处理、内坡脚与基坑的距离、堰顶宽度与土围堰要求相同。
五、钢板桩围堰施工要求(1)有大漂石及坚硬岩石的河床不宜使用钢板桩围堰。
(2)钢板桩的机械性能和尺寸应符合规定要求。
(3)施打钢板桩前,应在围堰上下游及两岸设测量观测点,控制围堰长、短边方向的施打定位。
施打时,必须备有导向设备,以保证钢板桩的正确位置。
(1)钢板桩围堰钢板桩围堰施工工艺流程见图6-2-7-*。
钢板桩围堰施工程序见图6-2-7-*。
①围囵安装当水深较大时,常用围囵(以钢或钢木构成的框架)作为钢板桩的定位和支撑。
即先在岸上拼装围囵,运至墩位定位后,在围囵内插打定位桩,把围囵固定在定位桩上,然后在围囵四周的导框内插打钢板桩。
安装围囵时,应进行测量定位。
用一层导框做成的围囵,一般是先打定位桩,再在定位桩上挂装导框,导框可以在岸边组成,浮运到位以缆索锚碇,在开始插打板桩后,逐步将导框转挂在已打好的板桩上。
用有脚手桩的转盘式或旋转式桩架时,导框可挂靠在外侧的脚手桩上,用浮式转盘式或旋转式桩架时,一般用转动的桩架先打好定位桩再安装导框。
②插打与合龙钢板桩开始的一部分逐块插打,后一部分则先插合龙后再打。
插打前,在锁口内应涂抹防水混合料,组拼桩时应用油灰和棉絮捻塞拼接缝。
插打钢板桩的次序,从上游一角开始,至下游合龙。
这样不仅可以使围堰内避免淤积泥砂,而且还可以利用水流冲走一部分泥砂,以减少开挖工作量。
更重要的是保证围堰施工的安全。
插打钢板桩时应严格控制好桩的垂直度,尤其是第一根桩要从两个垂直方向同时控制,确保垂直不偏。
在垂直导向设备导向下,一般先将全部钢板桩逐根或逐组插打到稳定深度,然后依次打入直至设计深度,插打的顺序按施工组织设计进行,一般自上游分两头插打向下游合龙。
插打前在锁口内涂抹以黄油、锯末等拌和物,组拼桩时,用油灰和棉花捻缝,以防漏水。
钢板桩顶达到设计高程的平面位置偏差,在水上打桩时不得大于20cm,在陆地上打桩时不得大于10cm。
在插打过程中,应随时检查其平面位置是否正确,桩身是否垂直,发现倾斜立即纠正或拔起重插。
钢板桩采用振动锤插大,打钢板桩时,如起重设备高度不够,允许改变吊点位置,但吊点位置不得低于桩顶一下1/3桩的长度。
围囵将合龙时,宜经常观测四周的冲淤状况,必要时应采用措施,预防上游冲空、涌水或者下游淤积,影响工程进度。
钢板桩围堰在合龙时往往形成上窄下宽的状态。
这使得最后一组板桩很难插下。
常用的办法是将邻近一段钢板桩的上端向外推开,以使上下宽度接近;必要时,可根据实测宽度,做一块上窄下宽的异形钢板桩,合龙时,先将异形钢板桩插下,再插最后一块标准钢板桩。
钢板桩围堰平面见图6-2-7-*。
钢板桩打桩见立面图6-2-7-*。
矩形钢板桩围堰结构平面及插打顺序见图6-2-7-*。
③清基封底围堰采用空气吸泥机配合高压射水清基,用多根导管法浇筑水下混凝土封底,封底时按事先编号的顺序,逐根进行导管砍球浇筑,严格控制好封底混凝土厚度和顶面平整度。
④抽水堵漏抽水前,应将钢板桩与导框之间空隙用垫木塞紧,以保证导框受力均匀。
从围堰内排水,若发现有渗漏,锁口不密的漏水,可在抽水发现后以板条、棉絮、麻绒等在内侧嵌塞,或在漏缝外侧水中抛投煤灰拌锯末。
⑤承台施工绑扎钢筋、安装模板、浇筑混凝土详见陆地承台施工。
⑥钢板桩的拔除承台或墩身出水面后即可拔出钢板桩,拆除围堰。
为了使拔出钢板桩的工作得以顺利进行,可将钢板桩与水下封底混凝土接触部位涂以沥青,在拔除钢板桩前,向围堰内灌水,使堰内水面高出河水面1~1.5m,利用静水压力将钢板桩推开,使其与水下封底混凝土脱离。
必要时,可用打桩锤击打待拔的钢板桩,再行拔出。
钢板桩顶应制备圆孔,便于连接起吊卡环。
拔出的钢板桩应清刷干净、修补整理、涂刷防锈油。
(2)单壁钢围堰单壁钢围堰施工工艺流程:钢围堰加工→测量定位→河床清理→定位、定位装置安装→围堰固定平台拼组→围堰接高、下沉、着床就位→内支撑施工→清基、平整→抽水→浇筑封底混凝土→基底找平、堵漏→承台钢筋模板安装→承台浇筑→墩身及上部结构施工→围堰割除回收。
单壁钢围堰施工见示意图6-2-7-*。
①钢围堰加工围堰加工要严格遵守《建筑钢结构焊接规程》、《钢结构工程施工及验收规范》、《铁路桥梁施工及验收规范》的要求。
围堰根据工地起重运输条件,分层分块制造;加工过程中防止围堰变;加工好的围堰统一编号,便于运输就位。
围堰内外壁板所有搭接缝应满焊,并经煤油渗透水密试验,确保不漏水。
制作工艺流程:按设计图下料→压制平刃脚防水板和水平桁架角钢→按划分单元分榀制作水平桁架→按单元组拼骨架(隔舱板组焊于其上)→按节组拼骨架→检查、校正骨架→围焊壁板→水密试验、检查焊缝质量并补焊→焊制吊耳、锚环、划高度标尺→成品检查验收→吊运接高。
②测量定位、河床清理、导向装置安装测量人员根据桥梁图纸以及围堰设计图纸放线,定出围堰位置,并做好标示。
再依托桩基钢护筒设置导向定位装置,采用型钢等杆件牢固焊接于钢护筒上。
根据围堰位置,进行河床清理,采用射水法将河床底部淤泥清理干净,清理至坚硬河床,清理时对围堰位置上游也进行清理。
③固定平台拼组成桩后,利用钢护筒架设围堰平台。
钢围堰底节在固定平台上拼组完成,利用吊车将上节块件吊到墩位处,在利用吊车在原位将钢围堰接高,进行定位下沉。
④钢围堰拼装接高钢围堰拼装是在搭设的固定平台拼装的,在平台上准确放出各单元体的轮廓位置,然后沿周边逐件拼装底节(平刃脚以上),单元体吊车吊装,操作时要随拼装,随调整,待全部点焊成型后,方可全面焊接。
底部拼装完毕经全面检查后,经检查无误后,拆除拼装平台承重梁,利用千斤顶将钢围堰首节送入水中达到自浮,由吊车吊装上节钢围堰单元体拼装接高。
最后将围堰底部和顶部所有拉缆收紧,使其保持垂直而不被水流冲斜。
在底节顶定出一个测量基准面并确定中心点,以保证接高围堰的顺直,并以此基准面和中心线为准进行结构尺寸的测量控制。
⑤钢围堰吊运、下沉、着床钢围堰的下沉、着床是施工中重要而关键的工序,围堰定位是一项受较多因素制约的细致工作,与流速、水位、河床平整等因素有关。
机具准备:采用了6台30m3/h的水泵向舱内灌水,水泵和舱室分别编号以便操作。
钢围堰定位:钢围堰接高完毕并经检查无误后,通过设置于钢护筒上的定位装置使钢围堰稳定垂直地自浮在墩位处锚固,使钢围堰稳定于墩位中心。
着床:首先灌水调平围堰,使围堰处于设计位置上;其次向各舱内均匀注水,使围堰逐渐下沉,注水时要注意使钢围堰各舱内水头差及舱内外水头差不能超过设计允许值,继续注水直至刃脚座落在河床上。
下沉注意事项:围堰下沉就位工作应尽量安排在水位较低,流速较小的时间进行;围堰下沉前要再一次对墩位处的河床进行一次全面的测量,根据测定情况,再一次清理河床面处的杂物;围堰着落河床高差较大时,应视情况抛小片石或潜水员支垫小钢墩将河床找平,使围堰刃脚尽可能平衡着床;围堰精确定位后,应快速注水并进行跟踪测量,使围堰精确快速的落入河床,下沉达到设计标高。
钢围堰允许偏差:平面直径:±800d;井箱高差:10mm;顶面高差:20mm;倾斜度:h/50;中心位置:h/50+250mm;平面扭角:2。
⑥水下混凝土封底、承台施工、墩身施工钢围堰固定好后采用空气吸泥机配合高压射水清基,并注意随时测量围堰情况,同时,为了保证封底混凝土与桩身、围堰的良好结合,达到止水效果,潜水员应用高压水枪将桩身和围堰上附着的泥浆冲洗干净。
以确保基底质量。
封底工程彩用多根导管法浇筑水下混凝土,水下混凝土靠自身流动性向四周摊开。
导管一般采用φ300mm无缝管,顶部设漏斗。
封底时按事先编号的顺序,逐根进行导管砍球浇筑,严格控制好封底混凝土厚度和顶面平整度。
对于矩形钢围堰由于封底混凝土数量巨大,可分成几个仓,分次浇筑封底混凝土。
浇筑混凝土前提前插入多根双重管及钢筋。
抽水前,应派潜水员下水检测是否还有漏洞,若有则采用提前埋入的双重钢管进行注浆封堵。
抽水完成之后再割除桩基钢护筒,凿除桩头,进行桩基检测,桩基检测合格之后,绑扎承台钢筋,安装承台模板、浇筑混凝土。
⑦钢围堰的拆除施工结束后,向围堰内注水,使围堰内外水位相平,潜水员水下切割设备对单壁钢围堰进行分解切割,然后吊车将割除部分吊起,收回利用。
(3)双壁钢围堰双壁钢围堰施工工艺流程见图6-2-7-*。
⑴双壁钢围堰制造双壁钢围堰平面为一个带刃脚的矩形双壁水密钢结构井筒,底部刃脚封闭,施工时有自浮能力。
内外壁间以刚性支撑联结,并设有竖向隔舱板,把井筒平面等分成数个互不相通的隔舱,以保证围堰在下沉过程中,各舱灌水保持稳定。
钢围堰的高度比施工期最高水位高0.5m。
考虑到制造的困难和下沉的需要,钢围堰的壁厚(内外壁板间的距离)取 1.2m,分两节下吊,钢围堰的平面尺寸根据承台平面尺寸确定。
钢围堰由专业的钢结构工厂制作,其工艺流程为:按设计图下料→压制刃脚防水板和水平桁架角钢→按隔舱分榀制作水平桁架→按隔仓分块组拼骨架(隔舱板组焊于其上)→按节组拼骨架→检查、校正骨架围焊内外壁板→水密试验检查焊缝质量并补焊→焊制吊耳锚环、划高度标尺线→成品检查验收→吊运至墩位接高后下沉。
⑵双壁钢围堰拼装钢围堰底节拼装工作,是在岸边拼装船上进行的,将各基本单元体拼装、焊成一个圆端形薄壁钢结构浮体。
底节钢围堰拼装前,应事先将两艘铁驳船连成一个整体,组成拼装船,连接强度以在可能达到的荷载作用下能保持其基准面不致变动为准。
在铁驳面上准确画出各单元体轮廓位置,然后沿周边逐件拼装,操作时要随拼装、随调整,待全部点焊成型检查合格后,方可全面焊接,组拼不符合要求的用顶杆撑和5t链条葫芦进行校正。
⑶设置锚碇、导向船及起吊设备准备底节钢围堰在岸边拼装船上拼装的同时,在墩位处和上、下游设锚碇设施,采用传统的定位锚碇措施,双壁钢围堰锚碇系统布置见图6-2-7-*。
定位布置包括导向船、定位船和全部锚碇系统布置,定位系统主要布置在上游。
抛锚测量使用全站仪,锚位误差在5m以内即可。
按设计图纸在岸边组拼导向船,并把导向船和钢围堰底节拼装船连成一牢固的整体,双壁钢围堰浮运船组见示意图6-2-7-*。
围堰起吊设备系指设在导向船上主吊点、主塔架,底节钢围堰采用浮吊起吊安装,起吊设备总起吊能力应大于底节钢围堰及其附加荷载。
锚碇设备考虑水流作用力、风的作用力、船只水流作用力等,进行锚碇设备计算,缆绳、锚绳也要通过计算来选择。
⑷底节钢围堰浮运就位及起吊下水①浮运前,要对钢围堰下水后稳定性进行检算。
②底节钢围堰拼装完毕经检查合格后,将拼装船与导向船组用拖轮拖至上游定位船侧,系好锚绳及拉缆,再将导向船组顺流放至墩位初步定位。
③浮位船组的就位,系由桥中线和两个岸边三角网上的二台经纬仪和一台全站仪以前方交会法观测确定。
④系好钢围堰上层拉缆、临时下层拉缆和下层拉缆。
绞紧锚绳和收紧上、下定位船与导向船间的拉缆。
⑤安装水上供电设施。
⑥利用导向船上起吊设备将底节钢围堰吊起,使之离开拼装船船面0.1m左右,观察10min,如无反常情况则继续提升,至其高度能使拼装船退出时停止提升,导向船起吊双壁钢围堰见示意图6-2-7-*。
然后,迅速将拼装船向下游方向退出。