交通工程质量检测和工程材料试验收费标准
- 格式:doc
- 大小:636.50 KB
- 文档页数:15
关于调整交通建设工程质量检测和工程材料试验收费标准的复函
浙价服〔2006〕177号
省交通厅:
你厅《关于报送浙江省交通建设工程质量检测和工程材料试验收费标准的函》(浙交函〔2006〕55号)悉。
为进一步规范我省交通建设工程质量检测和工程材料试验收费行为,促进交通建设工程质量检测行业的健康发展,保障交通建设工程质量,经研究,现就有关事项函复如下:
一、同意具备交通工程质量检测资质的交通建设工程检测单位接受有关单位自愿委托,按照国家、行业和相关技术标准进行交通建设工程现场检测、工程材料试验时收取检测、试验费,具体收费项目、收费标准详见附件。
附件收费标准为最高标准,试验检测单位可视情况适当下浮。
未列入附件的试验检测收费由委托单位与检测单位双方协商确定。
二、交通建设工程质量检测和工程材料试验收费应按规定实行明码标价,各收费单位应在其经营场所、交费地点的醒目位置公布收费项目、计费方法、收费标准、监督电话等内容,接受价格部门的监督检查。
三、本通知自2006年6月20日起执行,原我局《关于交通建设工程质量检测和工程材料试验收费标准的复函》(浙价服〔2004〕52号)同时废止。
附件:浙江省交通建设工程质量检测和工程材料试验收费标准
浙江省物价局
2006年6月15日
浙江省交通建设工程质量检测和
工程材料试验收费标准
一、材料试验收费项目及标准
二、工程现场检测收费项目及标准
注:由于工程现场检测工作必需且工作量不足时,使用车载式自动化设备及路基路面弯沉等人员、设备投入较大的项目,可按每台班2000元收取。
其他项目可按800元/台班收取。
三、检测及桥梁荷载试验收费项目及标准
(一)桩基检测项目
11。
黑龙江省物价监督管理局关于交通工程质量检测和工程材料试验收费标准的批复黑价经〔2013〕210号发文时间:省交通运输厅:你厅《关于公路工程材料试验检测收费标准及有关问题的函》(黑交函〔2013〕10号)收悉。
为规范我省交通工程试验检测机构收费行为,满足公路建设迅速发展需要,参照其它省收费管理情况和收费标准,经研究,现将我省交通质量检测和工程材料试验收费标准及有关事宜批复如下:一、交通工程试验检测服务收费属于经营服务性收费,实行政府指导价。
黑龙江省交通质量检测和工程材料试验收费标准见附表。
此收费标准为最高标准,试验检测单位可视项目规模、技术难度等实际情况适当下浮,幅度不限。
凡未列入的收费项目,由试验检测单位与委托单位双方协商确定收费标准。
二、具备交通工程试验检测资质的单位,应按照国家、行业相关业务规程及技术标准开展交通工程试验检测服务,并按照“委托服务、自愿有偿”的原则,双方签订合同。
不得强制检测、强制收费、不检测也收费。
三、收费单位要严格执行明码标价的有关规定,在收费处醒目位置公示收费项目、收费标准和“12358”价格举报电话等,接受社会各界监督。
四、此批复自2013年8月10日起试行至2014年8月9日。
到期如需继续收费,请于期满前两个月提出申请。
a附件:黑龙江省交通工程质量检测和工程材料试验收费标准表黑龙江省物价监督管理局2013年8月1日附件:黑龙江省交通工程质量检测和工程材料试验收费标准表aaaaaaaaaaaaaa十三、桥梁静、动载试验aaa 抄送:省公路工程质量监督站,各市(地)、县(市)物价局,垦区、森工总局物价局。
黑龙江省物价监督管理局2013年8月9日印发。
浙江省交通建设工程质量检测和工程材料试验收费表要点一、课程简介本文档旨在介绍浙江省交通建设工程质量检测和工程材料试验收费表的主要内容及要点。
这一收费标准主要应用于浙江省内对交通建设工程质量检测和工程材料试验服务的计费,涉及试验方法和收费标准。
二、收费标准1. 交通建设工程质量检测收费标准收费根据试验项目、试验频次(如季度、半年度、全年度等)以及试验规模等因素进行综合测算。
其中,试验频次按照不超过半年度申报试验任务的,单价按年度计算,试验频次超过半年度申报试验任务的,单价按照半年度计算。
2. 工程材料试验收费标准工程材料试验收费标准根据工程材料及相关标准要求、试验频次与规模等因素进行综合测算。
试验频次按照不超过半年度申报试验任务的,单价按年度计算,试验频次超过半年度申报试验任务的,单价按照半年度计算。
三、收费项目浙江省交通建设工程质量检测和工程材料试验收费项目主要包括:•岩土试验•砼及混凝土试验•沥青及路面试验•金属及非金属材料试验•其他材料试验四、说明本收费标准适用于浙江省交通建设工程领域内的质量检测和工程材料试验收费,涉及所需人员、设备、材料及技术资料等方面。
根据当地实际情况,有可能会有一定的价格浮动,具体价格以当地公布的标准为准。
此外,为保证试验数据的客观真实,除特殊情况外,试验检测机构不得向任何单位或个人出具虚假的检测数据。
境内外知名的检测数据审核机构对部分数据进行追踪审核,以确保试验数据的真实性。
五、本文档主要介绍了浙江省交通建设工程质量检测和工程材料试验收费表的主要内容及要点,包括收费标准、收费项目和说明等方面。
希望能为相关的工作人员提供一定的帮助,并推动质量检测和工程材料试验工作的规范化和标准化。
注: 1、港口道路、堆场检测频率及取费标准与公路相同;2、表中检测频率均按双车道公路计算, 多车道公路按其车道数与双车道之比增加检测数量,检测取费相应增加;3、表中弯沉值检测采用贝克曼梁法或者连续检测,取费未含弯沉车台班费。
注: 1、表中检测频率均按双车道公路计算,多车道公路按其车道数与双车道之比增加检测数量,检测取费相应增加;2、表中弯沉值检测采用贝克曼梁法或者连续检测,取费未含弯沉车台班费。
注: 1、表中检测频率均按双车道公路计算,多车道公路按其车道数与双车道之比增加检测数量,检测取费相应增加;2、表中平整度检测采用 3m 直尺法,采用连续平整度仪检测平整度时,每公里单价与 3m 直尺法相同,不含台班费;3、表中厚度检测采用钻取芯样法含取芯费用;4、表中弯沉值检测采用贝克曼梁法或者连续检测,取费未含弯沉车台班费。
检测项目每公里 检测频率单价(元/公里) 每处单价(元) 总价(元/公里)中线平 面偏位20 点200压实度 5 处×3 层 750 150抗滑 性 5 处 × 3 点 500 100 5100车辙4个断 面 200 50纵断 高程 20 个 断面 200 10平整 度 10处 ×10 尺 200 20横坡20 个 处 100 5宽度20 个 断面 100 5渗水 系数5 处600120厚度5 处 ×3 层 750 150弯沉100 点 1500 15压实度20 处2000 100厚度10 点1000 100横坡 20 个 断面 100 5宽度20 处100 5纵断高程20 个 断面 200 104200[水泥稳定粒料]/4800[级配碎(砾)石]检测项目每公里检测频率单价(元/公里) 每处(点)单价(元) 总价(元/公里)平整度 10 处×10尺 200 20弯沉80 点1200 15强度4 组600 150检测项目 每公里检测频率 单价(元/公里) 每处(点)单价(元) 总价(元/公里)中线平面偏位 20 点 200 10纵断高程 20 个断 面10 4100平整度 10 处×10尺20横坡 20 个断面5压实度 20 处 2000 100弯沉 80 点 1200 15宽度 20 处 100 5边坡 20 处 100 5200 200 100注: 1、表中检测频率均按双车道公路计算,多车道公路按其车道数与双车道之比增加检测数量,检测取费相应增加;2、表中平整度检测采用 3m 直尺法,采用连续平整度仪检测平整度时,每公里单价与3m 直尺法相同,未含台班费;3、表中厚度检测采用钻取芯样法含取芯费用。
交通工程质量检测和工程材料试验收费标准工程材料试验收费标准一、沥青及沥青混合料试验项目(单价:元)序号检测项目试验规程单位单价备注每样脱水过滤1沥青密度与相对密度T0603-1993样100 另加80元2沥青针入度T0604-2000项1103沥青延度T0605-1993项1104沥青软化点T0606-2000项1105沥青溶解度T0607-1993项2006沥青蒸发损失T0608-1993样2007沥青薄膜加热试验T0609-1993样2008沥青旋转薄膜加热试验T0610-1993样2009沥青闪点试验T0611-1993样20010沥青含水量试验T0612-1993样10011沥青脆点试验T0613-1993样15012沥青灰分含量试验T0614-1993样20013沥青含腊量试验T0615-2000项300014沥青与矿料粘附性试验T0616-1993样10015改性沥青针入度T0604-2000项11016改性沥青针入度指数JTJ052-2000项100017改性沥青软化点T0606-2000项30018改性沥青延度T0605-1993样30019改性沥青运动粘度T0619-1993项150020改性沥青闪点T0611-1993项50021改性沥青溶解度T0607-1993项40022改性沥青离析、软化点差T0661-2000样60023改性沥青弹性恢复T0662-2000样300改性沥青旋转薄膜加热24JTJ0610-1993项200(含质量损失)25改性沥青低温延度JTJ052-2000项80026改性沥青燃点T0611-1993项150序号检测项目试验规程单位单价备注27改性沥青脆点T0613-1993项30028改性沥青化学组分T0618-1993项150029改性沥青动力粘度T0620-2000项110030沥青标准稠度试验T0621-1993样40031液化石油沥青蒸馏试验T0632-1993样30032液体石油沥青闪点试验T0633-1993样20033煤沥青蒸馏试验T0641-1993样30034乳化沥青蒸发残留物含量试验T0651-1993样20035乳化沥青筛上剩余量试验T0652-1993样10036乳化沥青微粒离子电荷试验T0653-1993样20037乳化沥青与矿料粘附性试验T0654-1993样10038乳化沥青储存稳定性试验T0655-1993样20039乳化沥青水泥拌和试验T0657-1993样20040乳化沥青破乳速度试验T0658-1993样20041乳化沥青与矿料的拌和试验T0659-1993样20042沥青混合料试件密度试验T0705-2000件50制件另加43沥青混合料马歇尔稳定度试验T0709-2000组80 50元/个44沥青路面芯样马歇尔试验T0710-2000个5045路面沥青混合料最大相对密度T0711-1993组15046沥青混合料单轴压缩试验T0714-1993个10047沥青混合料弯曲试验T0715-1993个10048沥青混合料劈裂试验T0716-1993个10049沥青混合料冻融劈裂试验组1840不含制件50沥青混合料饱水率试验T0717-1993个15051沥青混合料车辙试验T0719-1993块1500不含制件52沥青混合料中沥青含量试验T0721-1993样600 53沥青混合料的矿料级配试验Y0725-2000样700 54沥青集料理论级配设计个20055沥青混凝土配合比设计JTJ052-2000个3200 56沥青混凝土抗压强度组10057沥青混凝土抗弯拉强度组200序号检测项目试验规程单位单价备注58沥青混凝土抗压模量组55059沥青混凝土抗弯拉模量组60060沥青含量测定T0722-1993组50061最大理论密度测试JTJ052-2000组150062浸水马歇尔试验T0709-2000组300不含制件63真空饱水马歇尔试验T0709-200组350064T283试验组5800不含制件65小梁低温弯曲试验组13200不含制件二、集料试验项目序号检测项目试验规程单位单价备注66碎石容量样5067粗集料筛分试验T0302-2000组10068粗集料表观密度试验T0304-2000组8069粗集料视密度试验T0304-2000组8070粗集料含水率试验T0305-1994组5071粗集料含泥量试验T0310-2000组8072粗集料针片状试验T0311-2000组8073粗集料有机物试验T0313-1994组8074粗集料坚固性试验T0314-2000组28075粗集料压碎值试验76粗集料磨耗试验T0317-2000样20077粗集料软弱颗粒含量试验T0320-2000样100 78粗集料磨光值试验T0321-1994样150079粗集料冲击值试验T0322-2000样12080粗集料吸水率及表面含水率试验T0307-1994组8081粗集料针片状含量T0311-2000组水泥砼80T0312-2000组沥青路面82细集料筛分试验T0327-2000组80 83细集料密度试验T0328-2000组80 84细集料吸水试验T0330-2000组50 85细集料含水率试验T0332-1994组50 86细集料含泥量试验T0333-2000组80 序号检测项目试验规程单位单价备注87细集料砂当量试验T0334-1994组20088细集料有机质含量试验T0336-1994组8089细集料云母含量试验T0337-1994组8090细集料中轻物质含量试验T0338-1994组8091细集料膨胀率试验T0339-1994样10092细集料坚固性试验T0340-1994组28093细集料SO3含量试验T0341-1994组130三、水质分析试验项目序号检测项目试验规程单位单价备注94水质分析JTJ056-84项13095总固体JTJ056-84-09样10096PH值JTJ056-84-12样5097游离二氧化碳JTJ056-84-14样10098侵蚀性二氧化碳JTJ056-84-17样10099总碱度JTJ056-84-18样100100氯离子JTJ056-84-23样100101硫酸根JTJ056-84-25样100102总硬度JTJ056-84-34样100103钙离子JTJ056-84-39样100四、岩石试验项目序号检测项目试验规程单位单价备注104含水率试验T0202-1994样50105密度试验T0203-1994样50106吸水率试验T0208-1994组45107饱水率试验T0209-1994样100108抗冻性试验(硫酸钠法)T0211-1994样200109坚固性试验T0212-1994组300110单轴坑压强度试验T0213-1994组140不含加工费111间接抗拉强度试验(劈裂法)T0214-1994组400 112抗折强试验T0216-1994组1500113抗剪强度试验T0215-94组1500114抗压静弹性模量试验T0217-1994组1500序号检测项目试验规程单位单价备注磨耗试验T0221-1994组200五、水泥及粉煤灰试验项目序号检测项目试验规程单位单价备注116水泥全套物理试验JTJ053-1994样350117水泥细度T0501-1994组25118水泥安定性T0502-1994组50119水泥凝结时间T0502-1994组50120标准稠度JTJ053-1994组25121水泥胶砂强度T0503-1994组300122水泥比重T0504-1994组50123水泥比表面积T0505-1994样100124水泥胶砂强度快速试验T0508-1994样200125水泥化学分析GB176-87项200126砂浆配合比设计JTJ053-1994项200127砂浆稠度试验JTJ053-1994项90128砂浆抗压试验JTJ053-1994组30129砂奖抗渗试验JYJ053-1994组200130粉煤灰细度样100131粉煤灰烧失量GB176-96组100132粉煤灰需水量比个100133粉煤灰三氧化硫个100134粉煤灰比表面积GB176-96组500135粉煤灰化学分析GB176-96组1000136粉煤灰全套试验GB176-96组1300137矿粉筛分试验(水洗法)T0351-2000组100138矿粉密度试验T0352-2000组80139矿粉亲水系数试验T0353-2000组200六、水泥混凝土试验项目序号检测项目试验规程单位单价备注140混凝土拌和物坍落度试验JTJ0511-1994组201.每加一种外加剂加20%费141普通混凝土配合比(抗压)JTJ053-1994项600 用。
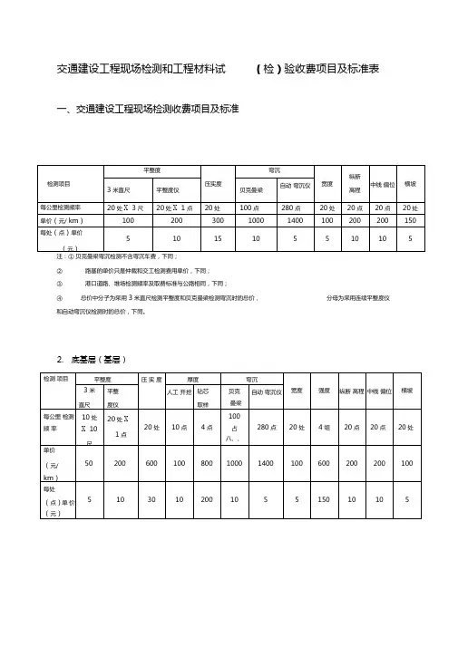
交通建设工程现场检测和工程材料试(检)验收费项目及标准表一、交通建设工程现场检测收费项目及标准②路基的单价只是仲裁和交工检测费用单价,下同;③港口道路、堆场检测频率及取费标准与公路相同,下同;④总价中分子为采用3米直尺检测平整度和贝克曼梁检测弯沉时的总价,分母为采用连续平整度仪和自动弯沉仪检测时的总价,下同。
2.底基层(基层)3.沥青混凝土面层4.水泥混凝土面层5.桩基注:根据目前市场调查,声波透射法检测预埋管的材料费和人工费约为30元/米。
6.桥梁动、静载试验7. 超声波检测砼状况:800元/区8桥涵常规检测(交竣工检测)注:①上表桥梁单价是指桥面宽度为四车道简支梁桥的单价,如为其他桥梁结构应乘以相应难度系数。
连续刚构、连续梁桥难度系数为 1.1,拱桥难度系数为1.2,悬索桥、斜拉桥难度系数为 1.5。
② 桥梁长度小于20米的,按20米计算;桥梁长度1000米以内的按线性内插法计算费用;桥梁长 度超过1000米的,根据实际情况参考上述标准由双方协商确定。
③ 上述单价为桥梁交竣工验收常规检测费用, 已包含外业检查、 竣工资料审查等费用, 但不含桥梁静动载试验、桩基检测、桥梁检测车租赁等费用。
④ 桥梁检测车租赁费用:平台长度不大于10m 的桥梁检测车租赁单价为4000元/台班,平台长度13m 的桥梁检测车租赁单价为 6000元/台班,平台长度16m 的桥梁检测车租赁单价为8000元/台班。
9.隧道检测备注:⑴本费用未列入由委托单位负责完成的试验加载设备、租车台班、支架、工作棚、电源与照明设备以 及现场配合人员费用; ⑵ 桥面宽度超过四车道的,应按每增一车道相应加收20%;⑶ 道路工程的检查频率为双车道公路一公里检查段内的检查频率,多车道公路的检查频率,须按其车 道数与双车道之比,相应增加检查数量; ⑷路面超过双车道的,按每增两车道加收 50%;⑸加急检测或质量仲裁检测加收 50%;⑹ 旧桥鉴定试验按相应标准加收30%,危桥加收50%;⑺ 单项检测取费均未含汽车台班及人员差旅费,到外地进行单项检测,需另加该两项费用。
江西省交通建设工程现场检测和工程材料试验收费项目及标准一、交通建设工程现场检测收费项目及标准1、路基注:1、港口道路、堆场检测频率及取费标准与公路相同;2、表中检测频率均按双车道公路计算,多车道公路按其车道数与双车道之比增加检测数量,检测取费相应增加;3、表中弯沉值检测采用贝克曼梁法或连续检测,取费未含弯沉车台班费。
2、底基层(基层)注:1、表中检测频率均按双车道公路计算,多车道公路按其车道数与双车道之比增加检测数量,检测取费相应增加;2、表中弯沉值检测采用贝克曼梁法或连续检测,取费未含弯沉车台班费。
3、沥青混凝土面层注: 1、表中检测频率均按双车道公路计算,多车道公路按其车道数与双车道之比增加检测数量,检测取费相应增加;2、表中平整度检测采用3m直尺法,采用连续平整度仪检测平整度时,每公里单价与3m直尺法相同,不含台班费;3、表中厚度检测采用钻取芯样法含取芯费用;4、表中弯沉值检测采用贝克曼梁法或连续检测,取费未含弯沉车台班费。
4、水泥混凝土面层注:1、表中检测频率均按双车道公路计算,多车道公路按其车道数与双车道之比增加检测数量,检测取费相应增加;2、表中平整度检测采用3m直尺法,采用连续平整度仪检测平整度时,每公里单价与3m直尺法相同,未含台班费;3、表中厚度检测采用钻取芯样法含取芯费用。
5、基桩检测6、桥梁静、动载试验7、梁板静载试验8、混凝土超声波检测9、隧道质量检测二、工程材料试(检)验收费项目及标准1、水泥试验项目2、粉煤灰试验项目5、岩石试验项目6、水泥混凝土试验项目7、混凝土外加剂试验项目9、钢材试验项目10、沥青及沥青混合料试验项目11、土工试验项目12、土工合成材料试验13、公路工程用水试验项目14、无机结合料试验项目15、其它项目。
附件二江西省交通建设工程现场检测和工程材料试验 收费项目及标准(征求意见三稿)一、交通建设工程现场检测收费项目及标准1、路基检测项目平整度压实度弯沉宽度纵断高程中线平面偏位横坡边坡每公里检测频率单价(元/公里) 每处(点)单价(元)10 处×10尺 20020 20 处 200010080 点 20 处 20 个断面1200 100 20015 510 20 点 2001020 个断面 100520 处 1005总价(元/公里)4100注:1、港口道路、堆场检测频率及取费标准与公路相同;2、表中检测频率均按双车道公路计算,多车道公路按其车道数与双车道之比增加检测数量,检测取费相应增加;3、表中弯沉值检测采用贝克曼梁法或连续检测,取费未含弯沉车台班费2、底基层(基层)。
检测项目每公里检测频率单价(元/公里) 每处(点)单价(元)平整度 10 处×10尺20020压实度20 处2000100厚度10 点1000100横坡 20 个 断面 1005宽度20 处1005纵断高程 20 个 断面 20010弯沉80 点120015强度4 组600150总价(元/公里)4200[水泥稳定粒料]/4800[级配碎(砾)石]注:1、表中检测频率均按双车道公路计算,多车道公路按其车道数与双车道之比增加检测数量,检测取费相应增加;2、表中弯沉值检测采用贝克曼梁法或连续检测,取费未含弯沉车台班费3、沥青混凝土面层。
检测项目平整 度 厚度 压实度弯沉宽度抗滑 性 车辙横坡中线平 面偏位渗水 系数纵断 高程每公里 检测频率 10处 ×10 尺 5 处 ×3 层5 处×3层100 点20 个 断面 5 处 × 3 点4 个断 20 个 面 处20 点5 处20 个断面 单价(元/公里) 每处单价(元) 200 20750 150750 1501500 15100 5500 100 200 50100 5200 10600 120200 10总价(元/公里)5100注: 1、表中检测频率均按双车道公路计算,多车道公路按其车道数与双车道之比增加检测数量,检测取费相应增加;2、表中平整度检测采用 3m 直尺法,采用连续平整度仪检测平整度时,每公里单价与 3m 直尺法相同,不含台班费;3、表中厚度检测采用钻取芯样法含取芯费用;4、表中弯沉值检测采用贝克曼梁法或连续检测,取费未含弯沉车台班费4、水泥混凝土面层。
浙江省交通建设工程质量检测和
工程材料试验收费标准
一、材料试验收费项目及标准
1
2
3
4
5
6
二、工程现场检测收费项目及标准
注:由于工程现场检测工作必需且工作量不足时,使用车载式自动化设备及路基路面弯沉等人员、设备投入较大的项目,可按每台班2000元收取。
其他项目可按800元/台班收取。
7
三、检测及桥梁荷载试验收费项目及标准
(一)桩基检测项目
8
(二)桥梁荷载试验项目
注:文中所涉桥梁总长8米—30米(含)为小桥,30米—100米为中桥,100米(含)—500米为大桥,500米(含)以上为特大桥。
9。
附件浙江省交通建设工程质量检测和工程材料试验收费标准表类别序号试验项目单价(元)备注土颗粒分析试验(筛分法)100/样颗粒分析试验(比重计法)200/样2 液限塑限联合测定180/样3 重型击实1500/样4 轻型击实500/样5 承载比(CBR)1800/样不含击实试验6 天然稠度200/样7 室内回弹模量1000/样8 粗粒土和巨粒土的最大干密度2000/样9 自由膨胀率300/样10 有机质含量200/样11 含水率50/样12 比重40/样13 综合毛体积密度400/样14 密度30/样环刀法15 三轴压缩(UU)1000/样16 三轴压缩(CU)1500/样17 土的剪切100/样直剪18 土无侧限抗压强度300/样19 烧失量200/样集料20 筛分120/样21 针片状颗粒含量150/样22 压碎值250/样23 磨耗值600/样24 磨光值2200/样25 含泥量80/样26 砂当量200/样27粗集料表观密度、饱和面干密度、毛体积密度、含水率、吸水率250/样简易法28 堆积密度、振实密度、空隙率80/样集料(续) 29细集料饱和面干密度、毛体积密度、吸水率150/样30 细集料密度100/样31 坚固性700/样32 碱活性1000/样33 软弱颗粒含量250/样34 棱角性150/样35 含水率80/样36 有机物含量150/样37 亚甲蓝300/样38 氯离子含量250/样39 碱集料反应2000/样快速法40 云母含量100/样41 轻物质含量120/样42 三氧化硫含量200/样43 粗糙度150/样44 膨胀率100/样45 方解石含量250/样46 矿粉筛分试验200/样水洗法47 矿粉密度试验100/样48 矿粉亲水系数试验250/样49 矿粉塑性指数350/样50 矿粉加热安定性200/样岩石51 单轴抗压强度800/组52 抗冻性1600/组53 含水率200/样54 密度100/样55 毛体积密度200/样56 抗折强度1000/组57 吸水率100/样58 饱水率100/样59 坚固性700/样水泥60 密度100/样61 比表面积300/样62 标准稠度用水量50/样63 凝结时间120/样64 安定性150/样水泥(续)65 细度50/组66 胶砂强度300/样67 强度快速测定400/组68 胶砂流动度200/样69 烧失量200/样70 三氧化硫300/样71 氧化镁1000/样72 不溶物120/样73 氧化钙180/样74 氯离子含量500/样75 碱含量500/样76 铝酸三钙含量300/样77 硅酸三钙含量300/样水泥混凝土78 抗压强度50/组79 抗折强度90/组80 抗压弹性模量600/组普通混凝土配合比设计(≤C40)2000/个不含原材料试验普通混凝土配合比设计(>C40)4000/个特种混凝土配合比设计4000/个不含原材料试验,每加一种外加剂增加50082 拌和物配合比校验800/个83 拌和物维勃稠度80/样84 拌和物毛体积密度50/样85 拌和物坍落度50/样86 拌和物凝结时间300/样87 含气量800/样88 抗渗性1000/组不含制件89 抗氯离子渗透1200/组90 劈裂抗拉强度90/组不含制件91 电通量2000/组92 收缩率600/组93 混凝土与钢筋握裹力500/组94 氯离子扩散系数3000/组95 氯离子总含量测定(芯样)700/样96 耐碱性1000/组97 干缩性1500/组98 抗磨性300组99 芯样氯离子扩散系数1500/组100 抗弯拉弹性模量600/组不含制件101 动弹性模量300/组不含制件102 抗冻性2000/组103 泌水率与压力泌水率700/样104 混凝土钢纤维体积率200/样105 膨胀率3500/样9个试件砂浆106 配合比设计800/个不含原材料试验107 稠度180/样108 分层度150/样109 密度50/样110 含气量600/样111 泌水率150/样112 抗压强度50/组113 劈裂抗拉强度60/组114 拌合物含气量800/样115 拌合物表观密度55/样116 抗渗试验200/组117 保水性200/样水118 水质分析150/指标外加剂119 PH值50/样120 氯离子含量500/样121 减水率1200/样122 泌水率1000/样123 抗压强度比1600/样124 固体含量100/样125 含水率150/样126 总碱含量2000/样127 硫酸钠含量200/样128 含气量800/样129 含气量变化量1200/样130 凝结时间差1200/样131 外加剂的钢筋锈蚀800/样132 细度60/样133 密度100/样134 收缩率比600/样135 水泥砂浆工作性350/样136 水泥净浆流动度300/样137 坍落度变化量150/样138 相对耐久性1000/样139 坍落度保留值150/样掺合料140 粉煤灰细度50/样141 粉煤灰烧失量200/样142 粉煤灰比表面积300/样143 含水率50/样144 流动度比250/样145 粉煤灰需水量比200/样掺合料(续) 146 粉煤灰三氧化硫200/样147 粉煤灰安定性250/样148 粉煤灰活性指数400/样149 粉煤灰碱含量500/样150 粉煤灰粒度试验250/样151 粉煤灰游离氧化钙350/样152 粉煤灰密度100/样无机结合料稳定材料153 混合料击实1200/剂量154 无侧限抗压强度600/组155 芯样无侧限抗压强度200/个156 水泥或石灰剂量100/样157 剂量标准曲线1000/样无侧限试件制件80/个静压法无侧限试件制件120/个振动成型法159 粉煤灰化学分析1000/样160 石灰氧化镁300/样161 石灰有效钙镁含量200/样162 石灰有效氧化钙300/样163 稳定土含水量50/样164 间接抗拉强度400/组165 配合比设计2000/个不含混合料及原材料试验166 室内抗压回弹模量700/组167 石灰细度50/样168 石灰未消化残渣含量100/样169 配合比设计(振动成型法)3000/个不含混合料及原材料试验170 干缩率800/组沥青171 沥青密度180/样172 沥青针入度250/样173 沥青针入度指数1000/样174 沥青延度380/样175 沥青软化点380/样176 沥青旋转薄膜加热1500/样177 沥青薄膜加热1200/样178 沥青闪点与燃点400/样179 沥青蜡含量3200/样180 沥青与矿料黏附性150/样181 沥青动力黏度1500/样沥青(续)182 改性沥青旋转黏度1800/样183 改性沥青离析、软化点差800/样184 沥青标准黏度150/样185 沥青蒸发损失200/样186 改性沥青弹性恢复300/样187 乳化沥青储存稳定性(1d、5d)500/样188 乳化沥青破乳速度150/样189 乳化沥青筛上剩余量150/样190 乳化沥青微粒离子电荷150/样191 乳化沥青与矿粉的黏附性200/样192 乳化沥青蒸发残留物含量200/样193 乳化沥青蒸发残留物性质1000/样194 乳化沥青恩格拉黏度600/样195 运动黏度1500/样196 黏韧性2500/样197 布氏旋转黏度1500/样198 沥青溶解度300/样199 沥青含水量150/样200 乳化沥青与矿料的拌和200/样201 沥青结合料PG分级22000/样202 沥青断裂性能试验(DT)10000/样203 沥青弯曲蠕变试验(BBR)11000/样204 沥青流变性质试验(DSR)11000/样205 沥青发泡性能1000/组206 沥青脆点200/样沥青混合料207 配合比设计6000/个不含原材料、混合料试验208 最大理论密度1800/样真空法209 试件密度80/件除蜡封法外210 试件密度100/个蜡封法211 马歇尔稳定度200/组不含制件212 矿料级配检验150/样213 抗压强度150/件不含制件214 劈裂强度150/件不含制件击实成型制件200/件轮碾成型制件400/件静压成型制件800/组216 沥青含量1200/样离心分离法沥青混合料(续)217 沥青含量400/样燃烧法218 抗压模量600/组不含制件219 冻融劈裂4000/组含制件220 车辙6000/组含制件221 弯曲蠕变900/个不含制件222 弯曲5400/组轮碾成型223 标准肯塔堡飞散1000/组224 浸水肯塔堡飞散1500/组225 浸水马歇尔试验500/组226 渗水600/组不含制件227 析漏试验1000/组228 抗剥落剂性能评价8240/样含沥青与矿料黏附性、浸水残留稳定度、冻融劈裂229 表面构造深度3000/组轮碾成型230 单轴压缩4200/组静压成型231 旋转压实成型制件500/个232 Superpave配合比设计15000/个三级配,不含原材料和混合料性能233 回收沥青试验6400/样含三大指标234 泡沫沥青冷再生配合比设计50000/个235 纤维稳定剂4000/样灰分含量、PH值、吸油率、含水率236 路面芯样马歇尔100/个不含取芯费钢筋(含接头)237 钢筋反复弯曲80/根238 钢筋拉伸(D<25mm)40/根239 钢筋拉伸(D≧25mm)50/根240 钢筋冷弯40/根241 焊接钢筋拉伸40/根242 焊接钢筋冷弯40/根243 焊接网焊点抗剪力1250/样244 精轧螺纹钢拉伸800/组245 钢管拉伸500/样不含加工费246 中空锚杆拉伸500/样247 钢筋重量偏差200/组锚具、夹片248 探伤200/件249 洛氏硬度50/件250 锚固效率系数、总应变500/孔钢绞线、钢丝251 钢绞线拉伸250/根252 钢绞线松弛(100h)6000/根253 高强钢丝拉伸150/根波纹管254 尺寸50/件255 金属螺旋管集中荷载径向刚度300/样256 环刚度600/样257 局部横向荷载300/样258 柔韧性200/样259 抗冲击性600/样260 金属螺旋管荷载作用后抗渗300/样261 金属螺旋管抗弯曲渗漏300/样262 抗渗漏性能500/样263 不圆度100/样橡胶支座板式橡胶支座(荷载<1500/指标板式橡胶支座(荷载≥5000kN)2000/指标球形、盆式橡胶支座竖向承载力<1500/指标球形、盆式橡胶支座竖向承载力≥3000/指标266 摩擦系数2500/样267 转动力矩2500/样268 胶料物理机械性能3000/样土工合成材料269 塑料排水板400/指标270 土工布400/指标271 高分子防水材料400/指标272 遇水膨胀橡胶物理性能400/指标路基路面路面摩擦系数(横向力系数测试车)500/车道公里路面摩擦系数30/点摆式仪法芯样钻取(沥青路面)300/个芯样钻取(竖向水泥混凝土路面)400/个275 道路几何参数400/车道公里道路自动检测车276 路面车辙及构造深度500/车道公里激光车辙、构造深度仪277 路面厚度1500/车道公里车载路面雷达法路基路面(续)弯沉(落锤弯沉仪)45/点弯沉(贝克曼梁)30/点弯沉(自动弯沉仪)1500/车道公里279 路面平整度400/车道公里激光平整度仪280 灌砂法测定压实度150/点281 路面构造深度50/点铺砂法282 路面渗水系数50/点283 土基回弹模量测定300/点284 路面病害调查(自动路况摄像)1600/车道公里285 路面病害调查(人工)400/车道公里道路自动多功能检测车台班8000/台班其他检测车台班4000/台班287 路面错台100/块288 水泥路面基层当量回弹模量300/点289 接缝传荷能力调查300/点290 脱空调查1200/块板落锤弯沉仪法291 脱空调查6300/测线公里雷达法地基基础、基桩钻孔取芯法检测(钻径101/110mm)400/米钻孔取芯法检测(钻径76mm)300/米钻孔取芯法检测(钻径91mm)350/米293 高应变检测6000-10000/根低应变法检测(桩径≤120cm)200/根低应变法检测(桩径>120cm)250/根声波透射法检测(2管)800/根声波透射法检测(3管)1500/根声波透射法检测(4管)2500/根296 地基承载力(静载)4000/处297 桩基成孔质量检测3000/根298 桩基静载100/吨水下探摸检测(桩长<10m)3000/根水下探摸检测(桩长≥10m)5000/根结构混凝土300 钢筋保护层200/测区混凝土强度200/测区超声回弹法混凝土强度50/测区回弹法302 混凝土强度350/个取芯法303 混凝土缺陷200/测区304 钢筋分布状况800/测区305 钢筋锈蚀电位400/测区306 混凝土电阻率200/测区结构混凝土(续)307 裂缝检测2000/处308 氯离子含量400/测区309 碳化深度200/测区桥梁结构检测及监测310 索结构索力检测1200/根311 结构(断面)尺寸50/处单个指标312 结构表面平整度50/处313 结构高程、高差、垂直度50/处单个指标单梁静载试验(梁长≤20m)8000/片单梁静载试验(20<梁长≤35m)10000/片单梁静载试验(35<梁长≤45m)12000/片桥梁结构检测及监测(拱桥)静载(新小桥)30000/跨静载(新中桥)70000/跨静载(新大桥)100000/跨静载(新特大桥)160000/跨静载(旧小桥)35000/跨静载(旧中桥)80000/跨静载(旧大桥)120000/跨静载(旧特大桥)180000/跨动载(小桥)20000/跨动载(中桥)25000/跨动载(大桥)35000/跨动载(特大桥)45000/跨桥梁结构检测及监测(简支梁、板桥)静载(新小桥)30000/跨静载(新中桥)40000/跨静载(新大桥)50000/跨静载(旧小桥)35000/跨静载(旧中桥)45000/跨静载(旧大桥)60000/跨动载(新小桥)20000/跨动载(新中桥)22000/跨动载(新大桥)25000/跨动载(旧小桥)24000/跨动载(旧中桥)28000/跨动载(旧大桥)30000/跨桥梁结构检测及监测(T形刚构桥)静载(新小桥)30000/跨静载(新中桥)50000/跨静载(新大桥)90000/跨静载(新特大桥)140000/跨静载(旧小桥)35000/跨静载(旧中桥)55000/跨静载(旧大桥)100000/跨静载(旧特大桥)160000/跨动载(小桥)20000/跨动载(中桥)25000/跨动载(大桥)30000/跨动载(特大桥)40000/跨桥梁结构检测及监测(连续梁桥)静载(新小桥)35000/跨静载(新中桥)55000/跨静载(新大桥)90000/跨静载(新特大桥)130000/跨静载(旧小桥)40000/跨静载(旧中桥)60000/跨静载(旧大桥)100000/跨静载(旧特大桥)150000/跨动载(小桥)20000/跨动载(中桥)25000/跨动载(大桥)35000/跨动载(特大桥)45000/跨桥梁结构检测及监测(连续刚构桥)静载(新小桥)35000/跨静载(新中桥)55000/跨静载(新大桥)100000/跨静载(新特大桥)150000/跨静载(旧小桥)40000/跨静载(旧中桥)60000/跨静载(旧大桥)120000/跨静载(旧特大桥)170000/跨动载(小桥)20000/跨动载(中桥)25000/跨动载(大桥)35000/跨动载(特大桥)45000/跨桥梁结构检测及监测桥梁检测车台班(平台≦18m)8000/台班与单次工作量相关桥梁检测车台班(平台﹥18m)12000/台班与单次工作量相关隧道317 隧道衬砌质量15000/线公里隧道雷达318 锚杆拉拔力250/根319 照度100/(点·次)320 一氧化碳100/(点·次)321 烟雾浓度500/(点·次)322 风速100/(点·次)323 噪声100/(点·次)324 锚杆注浆密实度、长度200/根325 锚杆间距40/(点·次)交安设施共性检测326 外观质量及结构尺寸200/样或处产品或现场327 色度性能300/样或处产品或现场328 耐盐雾试验1600/样波形梁329 波形梁板基底金属厚度200/样或处产品或现场330 立柱竖直度100/处现场331 立柱基底金属厚度200/样或处产品或现场332 立柱埋入深度(现场无损检测)350/根或处333 立柱埋入深度(现场人工)150/根或处标线涂料334 密度200/样335 抗压强度400/样336 不黏胎干燥时间150/样337 耐磨性500/样338 玻璃珠含量200/样339 逆反射系数400/样340 黏度150/样341 涂料细度100/样342 涂料热熔状态100/样343 厚度100/样或处试板或现场344 抗滑性能100/样或处试板或现场345 标线剥落面积100/样或处试板或现场标志标线346 标志尺寸与竖直度20/处单个指标347 标线、防护栏尺寸15/处单个指标反光膜348 逆反射系数600/样349 标志耐溶剂性能400/样350 耐高低温性能500/样351 耐弯曲性能200/样352 收缩性能200/样353 附着性能200/样354 抗拉荷载200/样突起路标355 整体抗冲击性能250/样356 逆反射器抗冲击性能250/样357 抗压荷载250/样358 发光强度系数200/样或处产品或现场标志板359 标志面光度性能600/样或处产品或现场360 标志面与标志底板的附着性能150/样361 立柱竖直度100/处现场362 立柱基底金属厚度200/样或处产品或现场玻璃珠363 粒径分布100/样364 密度200/样365 耐水性200/样366 成圆率100/样367 折射率200/样368 磁性颗粒含量100/样隔离栅369 网格焊点抗拉力500/样370 立柱竖直度100/处现场371 立柱基底金属厚度200/样或处产品或现场金属构件防腐性能372 镀(涂)层厚度200/项或样373 镀锌量(化学法)500/样374 镀锌量(测厚仪)100/样375 锌层均匀性200/样376 锌附着性300/样377 耐冲击性100/样378 耐化学药品性600/样379 耐湿热性200/样钢结构380 自然腐蚀电位300/处381 保护电位300/处382 防腐涂层厚度300/处383 钢材厚度200/处384 表面粗糙度200/处385 除锈清洁度100/处386 漆膜附着力100/处焊缝射线探伤<12mm 70/张焊缝射线探伤12-30 mm 90/张焊缝射线探伤>30mm 100/张焊缝射线探伤>42mm 120/张焊缝超声波探伤<20mm 50/米钢结构(续)焊缝超声波探伤20-40 mm 60/米焊缝超声波探伤>40mm 80/米磁粉探伤<100 cm230/件磁粉探伤100-200 cm250/件磁粉探伤201-300 cm260/件砖390 抗压强度300/样391 抗折强度150/样392 外观质量及尺寸偏差100/样393 含水率、吸水率150/样聚苯乙烯泡沫(EPS)394 EPS堆积密度200/样395 EPS颗粒混合轻质土配合比10000/个396 EPS颗粒密度200/样管道压浆材料397 水泥浆配合比设计800/个398 凝结时间150/样399 流动度(初始、30min、60min)500/样400 泌水率500/样401 压力泌水率400/样402 自由膨胀率400/样403 充盈度550/样404 压力充盈度1200/样405 抗压强度、抗折强度360/样406 对钢筋的锈蚀作用450/样407 预应力张拉力1000/束预应力张拉力与管道压浆密实度检测408预应力灌浆密实度(壁厚≤50cm)150/米/孔409预应力灌浆密实度(壁厚≥50cm)250/米/孔橡胶410 胶料性能300/样不含老化411 胶料老化性能600/样机电工程共性检测412 基础尺寸80/处413 立柱竖直度100/处414 设备安装水平度100/处415 设备安装垂直度100/处416立柱、避雷针(接闪器)、法兰和地脚几何尺寸100/处机电工程共性检测(续)417 机箱和地脚防腐涂层质量150/处418 壁厚150/处419 绝缘电阻150/处420 安全接地电阻200/处421 防雷接地电阻200/处422 接地联接可靠性50/处423 电缆埋深150/处424 线芯直径150/处425 接线端子(PE端子除外)150/处426 光纤接头损耗平均值800/芯427 低速误码率500/处428 同轴电缆衰耗800/根车辆检测器429 交通量计数精度1000/处430 平均车速精度1000/处431 传输性能1000/处432 技术功能测试600/处气象检测仪433温度误差、湿度误差、能见度测量范围、能见度测量误差、风速误差、风向测量范围、风向准确度、降水量精度、数据传输功能、功能验证、复原功能5500/处能见度检测仪434能见度测量范围、能见度测量误差数据传输功能、功能验证、复原功能3500/处路面状态检测器435传感器安装高程,温度测量范围,温度分辨率,温度精度,积雪厚度测量范围,积雪厚度测量精度,路面结冰状态识别2500/处闭路电视监视系统436 传输通道指标2500/通道437 系统性能主观评价600/中心或站438摄像机监视范围、清晰度、安装稳定性检查400/处439 功能测试600/处可变标志440 视认距离120/处441 发光单元色度坐标(x,y) 1000/处442 显示屏平均亮度1000/处443 显示屏发光均匀性1000/处444 数据传输性能1000/处445 技术功能测试600/处监控中心446监控室内环境测试(温度、湿度、新风、防尘、照度)200/项447 设备技术状况检查800/中心448 系统功能测试(含软件)2000/中心大屏幕投影系统449拼接缝、亮度、亮度不均匀度、图像显示、窗口缩放、多视窗显示2500/处地图板450 整板尺寸,安装质量,静态显示、动态交通状态显示,设备工作状态显示,可变标志内容显示,与在线监控系统计算机通信,紧急电话呼入显示,交通量、气象参数、时间、日期等显示,发光单元亮度、自检功能2000/处监控系统计算机网络451 双绞线传输性能150/根452 同轴电缆特性阻抗150/根453 网络维护性测试1500/处454 网络健康性测试1500/处通信管道455管道地基,管道铺设,回土夯实,人(手)孔、管道掩埋,人(手)孔的位置,分歧形式及内部尺寸,通信管道的横向位置,主管道管孔试通试验,硅芯塑料管孔试通试验,管孔封堵,积水罐的安装1500/千米光、电缆线路456 中继段光纤总衰耗800/芯457 音频电缆直流环阻150/根458 音频电缆串音衰减150/根459 信号电缆直流电阻150/根460 音频电缆传输误码率1000/处光纤数字传输系统461 系统设备安装联接的可靠性120/处462 接地连接的可靠性120/处463 系统接收/平均发送光功率500/项/光口464 光接收灵敏度700/光口465 误码指标(2M电口24小时)2500/通道466 误码指标(2M电口)1000/通道光纤数字传输系统(续)467 电接口允许比特容差1000/处468 输入抖动容限1000/处469 输出抖动1000/处470 2M支路口漂移指标1000/通道471 网管及技术状况检查2000/处数字程控交换系统472 工作电压80/处473 系统功能测试1500/处474 技术状况及功能检查800/处475 局内障碍率1000/处476 接通率1000/处477 处理能力(BHCA)1000/处紧急电话与有线广播系统478 音量200/处479 分机安装质量检查300/处480 分机技术功能测试600/处481 控制台功能检查1500/处482 广播系统功能检查1000/处无线移动通信系统483发射功率,接收灵敏度,覆盖范围,通话功能,群呼、组呼、选呼功能15000/处通信电源系统484开关电源的主输出电压,开关电源输出杂音,电池组供电特性,电源系统报警功能,远端维护管理功能,不间断电源2500/处出入口车道设备485 信号灯色度和亮度2000/车道486 车道设备技术状况检查1000/车道不含计重收费车道487 环形线圈电感量1000/车道488 车道车辆检测器计数精度偏差500/车道489 车道系统功能检测3000/车道不含计重收费车道收费站设备及软件490对车道的实时监控,原始数据查询统计,图像稽查,报表打印,费率表查看,与车道数据通信,数据备份,字符叠加,与收费中心的通信,断网实验的数据上传,报警录像,主监切换显示各车道及收费亭摄像机,查看特殊事件报表,数据完整性3000/站收费中心设备及软件491与收费站的数据传输功能,费率表、车型分类参数的设置与变更,系统时间设定,图像稽查,报表统计管理打印,对各站及车道CCTV图像切换及控制,与监控中心计算机通信,双机热备份,通行卡管理,数据完整性,通行费拆分3000/中心IC卡发卡编码系统492发卡设备安全性测试,兼容性测试,发放身份IC卡,发放公务IC卡,发放预付IC卡,预付卡业务查询、统计与打印,发放通行IC卡,防冲突测试1500/处内部有线对讲及紧急报警系统493 系统功能测试1500/站494 设备技术状态检查800/站车牌自动识别系统495 图像导出功能150/车道496 图像采集与存储150/车道497 图像处理与识别150/车道498 整牌识别率2000/车道计重收费系统499 设备技术状况检查2500/车道500 收尾线圈电感量300/车道501 系统功能测试2000/车道电子不停车收费系统(ETC)502 物理性能测试3000/车道503 入/出口正常交易流程800/车道504 可靠性测试5000/车道505 RSU兼容性测试600/车道506 ETC交易处理时间800/车道507 防拆卸、黑名单处理300/车道508 RSU通信区域5000/车道509 车道基本控制逻辑600/车道510 数据传输300/车道清分结算管理中心系统511主要硬件设备参数、数据传输、参数下发、报表查询及打印、通行费清分记账、通行费拆帐对账、通行费结算、通行费划拨、争议数据处理、黑名单管理、参数管理、日志管理、数据库备份恢复功能测试2500/处联网收费系统512基础数据管理系统、IC卡发行管理系统、现金结算系统、非现金结算系统、数据传输系统、数据备份恢复系统、软件功能、路径识别功能系统测试5000/处中心(站)内低压配电设备513 发电机组启动及启动时间400/台514 发电机组相序400/台515 发电机组输出电压稳定性400/台516自动发电机组自启动转换功能测试500/台517机组供电切换对机电系统的影响500/台518电源室接地装置的施工质量的检查500/处519 功率因数400/处520 供电电压偏差400/处521 三相电压不平衡400/处522 电力系统频率偏差400/处523公用电网谐波(电网标称电压380V)400/处风光供电系统524 监控功能600/处525 蓄电池管理功能600/处526 保护功能600/处527 状态检测1000/处528 输出交直流电压、电流500/处电力监控系统529通信管理,遥测、遥信、遥控功能,环境监控,报表功能测试5000/处照明设施530 灯杆横纵向偏差120/座531 灯具的安装偏差120/座532 高杆灯灯盘升降功能测试150/座533 亮度、总均匀度及纵向均匀度1500/处534 照度及总均匀度1500/处535 线路功率因数800/处536眩光限制阈值增量/眩光控制等级600/处537自动、手动两种方式控制全部或部分照明器的开闭150/处538亮度传感器与照明器的联动功能150/处539 收费车道平均显色指数1500/站540 定时控制功能150/处照明设施(续)541 启动、停止方式150/处542 应急照明功能/持续时间150/项/处543 LED照明相对色温/显色指数1000/项/处544 路墙亮度比1000/处545 照明灯具调光功能150/处环境检测设备546安装质量检测、数据传输性能、传感器灵敏度、传感器精度偏差、数据采样周期、信号输出方式、联动功能测试4500/处报警与诱导设施547安装质量检测,数据传输性能,诱导设施亮、色度,报警信号输出、联动功能测试4500/处通风设施548 净空高度120/组549 风机运转时隧道断面平均风速300/组550 响应时间300/组551 方向可控性150/组552 运行方式150/组553 本地/远程控制模式150/组554 轴流风机功能测试1500/处消防设施555 安装位置120/处556 供水设施水压300/处557 火灾探测器功能测试1500/处558 消火栓的功能150/处559 其它灭火器材的功能150/处560火灾探测器与自动灭火设施的联合测试1000/处本地控制器561 数据传输性能1000/处562 系统功能测试1000/处隧道管理所设备及软件563 系统设备安装联接的可靠性150/中心564 系统功能(含软件)测试3000/中心交(竣)工外观质量检查565 路基工程1000/公里路基土石方、排水工程、圆管涵、支挡工程566 小桥2000/座567 通道、盖板涵1000/座568 路面工程面层800/公里含交安设施桥梁工程(下部工程、上部工程及桥面系)三车道以下,不含小桥50/单幅延米不含登高车、桥检车、交通封道台班费,竣工上浮20% 桥梁工程(下部工程、上部工程及桥面系)三车道及以上,不含小桥60/单幅延米交(竣)工外观质量(续)隧道工程(衬砌、总体、隧道断面)三车道以下40/单幅延米隧道工程(衬砌、总体、隧道断面)三车道及以上50/单幅延米571 码头与岸壁工程8/平方米不含船只等检测费用572 防波堤和护岸工程3~5/米573 道路、堆场工程(面层)1万平方米(含)以下:3元/平方米;1-5万平方米:1元/平方米;5-10万平方米:元/平方米;10万平方米以上:元/平方米574 翻车机房与廊道工程翻车机房1000/座,廊道20/米575 起重装卸设备安装工程800/座不含登高设备等检测费用576 输送设备安装工程20/米577 翻车机安装工程800/座578 电气系统安装工程5000/项目579 管道及附属设备安装工程20/米不含登高支架等检测费用580 干船坞工程3000吨级以下:10000/座;3000 -10000吨级:20000/座;10000吨级以上:35000/座581 船台滑道工程5/平方米不含登高支架等检测费用582 航道整治工程12/米583 船闸工程500吨级(含)以下:15000/座;500吨级以上:25000/座584 引航道及导航、靠船建筑物10/米585 内河航道护岸工程3/(米·单侧)586 航标工程内河:200/座沿海:1000/座桥梁结构施工监控梁桥(大桥)100000/跨①“大桥”、“特大桥”是指所监控部分“总长”和“单孔”按通用规范中的分类的上限(如总长为大桥,单孔为特大桥,则按特大桥计)。
首页→行业管理→质量监督→重点报道打 印关闭窗口江苏省物价局 江苏省交通厅联合发布交通工程质量检测和工程材料试验收费标准 2003年2月18日,省物价局与省交通厅联合发布了《江苏省交通工程质量检测和工程材料试验收费标准》(试行)(以下简称《标准》)。
自2003年3月1日起试行两年。
自此,我省交通建设工程试验检测项目有了一个统一的收费标准,规范了试验检测单位的收费行为,促进了试验检测水平的提高,推动了我省试验检测事业的健康发展。
目前,此项工作走在全国前列,一些兄弟省份已考虑予以借鉴。
为使《标准》更科学合理,省交通厅质监站向各市交通局、有关市港口管理局,省交通厅公路局、航道局,省高速公路建设指挥部、省苏通大桥建设指挥部、南京第三长江公路大桥建设指挥部,各市质监站、有关港口质监站,江苏省交通工程质量检测中心、江苏省交通厅质监站检测中心、江苏省交通厅质监站钢结构试验室、江苏省交通厅公路局交通工程检测中心共41家相关单位,印发了《江苏省交通工程质量检测和工程材料试验收费标准》(征求意见稿),广泛征求意见。
邀请了省内交通系统的有关建设单位、试验检测单位、质量监督机构和有关管理部门共15家单位,召开了座谈会,对《江苏省交通工程质量检测和工程材料试验收费标准》(征求意见稿)进行了充分的讨论,最终由江苏省物价局和交通厅联合发布。
江苏省交通工程质量检测和工程材料试验收费标准一、沥青及沥青混合料试验项目 (单价:元)序号检测项目试验规程单位单价备注1沥青密度与相对密度试验T0603-1993样100每样脱水过滤另加80元2沥青针入度试验T0604-2000项150 3沥青延度试验T0605-1993项200 4沥青软化点试验T0606-2000项110 5沥青溶解度试验T0607-1993项200 6沥青蒸发损失试验T0608-1993项200 7沥青薄膜加热试验T0609-1993项200 8沥青旋转薄膜加热试验T0610-1993项200 9沥青闪点试验T0611-1993项200 10沥青含水量试验T0612-1993项100 11沥青脆点试验T0613-1993项150 12沥青灰分含量试验T0614-1993项200 13沥青含蜡量试验T0615-2000项200014沥青与矿料粘附性试验T0616-1993项100 15改性沥青针入度试验T0604-2000项250 16改性沥青针入度指数JTJ052-2000项1000 17改性沥青软化点试验T0606-2000项150 18改性沥青延度试验T0605-1993项200 19改性沥青运动粘度试验T0619-1993项1300 20改性沥青闪点试验T0611-1993项400 21改性沥青溶解度试验T0607-1993项300 22改性沥青离析、软化点差试验T0661-2000项600 23改性沥青弹性恢复试验T0662-2000项30024改性沥青旋转薄膜加热试验(含质量损失)JTJ0610-1993项20025改性沥青低温延度试验JTJ052-2000项30026改性沥青燃点T0611-1993项15027改性沥青脆点试验T0613-1993项30028改性沥青化学组分试验T0618-1993项150029改性沥青动力粘度T0620-2000项110030沥青标准稠度试验T0621-1993项40031液化石油沥青蒸馏试验T0632-1993项30032液体石油沥青闪点试验T0633-1993项20033煤沥青蒸馏试验T0641-1993项30034乳化沥青蒸发残留物含量试验T0651-1993项20035乳化沥青筛上剩余量试验T0652-1993项10036乳化沥青微粒离子电荷试验T0653-1993项20037乳化沥青与矿料粘附性试验T0654-1993项100续表序号检测项目试验规程单位单价备注38乳化沥青储存稳定性试验T0655-1993项20039乳化沥青水泥拌和试验T0657-1993项20040乳化沥青破乳速度试验T0658-1993项20041乳化沥青与矿料的拌和试验T0659-1993样20042沥青混合料试件密度试验T0705-2000个5043沥青混合料马歇尔稳定度试验T0709-2000组80制件另加50元/个44沥青路面芯样马歇尔试验T0710-2000个5045路面沥青混合料最大相对密度T0711-1993组15046沥青混合料单轴压缩试验T0714-1993个10047沥青混合料弯曲试验T0715-1993个10048沥青混合料劈裂试验T0716-1993个10049沥青混合料冻融劈裂试验T0729-2000组1840含制件50沥青混合料饱水率试验T0717-1993个15051沥青混合料车辙试验T0719-1993块1800含制件52沥青混合料中沥青含量试验T0721-1993项60053沥青混合料的矿料级配试验T0725-2000项70054沥青集料理论级配设计项20055沥青混凝土配合比设计JTJ052-2000项3200不含原材料试验56沥青混凝土抗压强度组10057沥青混凝土抗弯拉强度组20058沥青混凝土抗压模量组55059沥青混凝土抗弯拉模量组60060沥青含量测定(离心分离法)T0722-1993组60061最大理论密度测试JTJ052-2000组30062浸水马歇尔试验JTJ052-2000组300含制件63真空饱水马歇尔试验JTJ052-2000组350064T283试验组5800含制件65小梁低温弯曲试验组10000含制件二、集料试验项目序号检测项目试验规程单位单价备注66碎石容重样5067粗集料筛分试验T0302-2000组12068粗集料表观密度试验GB/T14685-2001组8069粗集料视密度试验T0304-2000组8070粗集料含水率试验T0305-1994组5071粗集料含泥量试验GB/T14685-2001组8072粗集料有机物试验GB/T14685-2001组8073粗集料坚固性试验GB/T14685-2001组28074粗集料压碎值试验GB/T14685-2001组120水泥砼T0316-2000沥青路面续表序号检测项目试验规程单位单价备注75高温压碎值T0316-2000组20076粗集料磨耗试验T0317-2000项20077粗集料软弱颗粒含量试验T0320-2000项10078粗集料磨光值试验T0321-1994项150079粗集料冲击值试验T0322-2000项12080粗集料吸水率及表面含水率试验T0307-1994组16081粗集料针片状含量GB/T14685-2001组80水泥砼T0312-2000沥青路面82细集料筛分试验GB/T14684-2001组80 83细集料密度试验T0328-2000组80 84细集料吸水试验T0330-2000组50 85堆积密度GB/T14685-2001项40 86细集料含水率试验T0332-1994组50 87细集料含泥量试验T0333-2000组80 88细集料砂当量试验T0334-1994组200 89细集料有机质含量试验GB/T14685-2001组80 90细集料云母含量试验T0337-1994组80 91细集料中轻物质含量试验T0338-1994组80 92细集料膨胀率试验T0339-1994项10093细集料坚固性试验GB/T14685-2001组28094细集料SO3含量试验GB/T14685-2001组130三、水质分析试验项目序号检测项目试验规程单位单价备注95水质分析JTJ056-84项13096总固体JTJ056-84-09项10097PH值JTJ056-84-12项5098游离二氧化碳JTJ056-84-14项10099侵蚀性二氧化碳JTJ056-84-17项100100总碱度JTJ056-84-18项100101氯离子JTJ056-84-23项100102硫酸根JTJ056-84-25项100103总硬度JTJ056-84-34项100104钙离子JTJ056-84-39项100四、岩石试验项目序号检测项目试验规程单位单价备注105含水率试验T0202-1994项50106密度试验T0203-1994项50107吸水率试验T0208-1994组45108饱水率试验T0209-1994项100109抗冻性试验(硫酸钠法)T0211-1994项200110坚固性试验GB/T14685-2001组300111单轴抗压强度试验GB/T14685-2001组140加工费每件60元112间接抗拉强度试验(劈裂法)T0214-1994组400113抗折强试验T0216-1994组1500114抗剪强度试验T0215-94组1500115抗压静弹性模量试验T0217-1994组1500116磨耗试验T0221-1994组200五、水泥及粉煤灰试验项目序号检测项目试验规程单位单价备注117水泥全套物理试验GB1345-91GB/T1346-2001GB/T17671-1999样600包括细度、安定性、凝结时间、标准稠度用水量、比重、比表面积、化学分析7项。
附件交通建设工程试验检测收费项目及标准一、公路工程材料试验收费标准序号试验内容及参数检测方法单价(元)备注(一)土工试验1颗粒分析筛分法26/样环刀法26/样蜡封法21/样比重瓶法34/样浮力法34/样浮称法34/样2密度虹吸筒法34/样烘干法17/样酒精燃烧法17/样3含水量比重法17/样4界限含水量试验液塑限联合测定仪法30/样5天然稠度试验170/样6常水头渗透试验34/样7变水头渗透试验26/样8击实试验383/组9承载比(CBR)试验850/样10土的回弹模量298/样单轴固结仪法255/样11土体固结试验快速试验法213/样黏质土的慢剪试验68/样黏质土的固结快剪试验85/样黏质土的快剪试验47/样砂类土的直剪试验68/样12直接剪切试验排水反复直接剪切试验85/样土的不固结不排水试验221/样土的固结不排水试验264/样13三轴压缩试验土的固结排水试验510/样14细粒土无侧限抗压强度试验51/样表面振动压实仪法680/组15粗粒土和巨粒土的最大干密度试验振动台法680/组自由膨胀率试验26/样16土的膨胀性试验膨胀力试验510/样序号试验内容及参数检测方法单价(元)备注17酸碱度试验102/样18烧失量试验26/样19有机质含量试验85/样20易溶盐总量的测定质量法128/样EDTA-铵盐快速法128/样21阳离子交换量试验草酸铵-氯化铵法128/样(二)集料试验干筛法47/样22细集料筛分水洗法85/样23细集料表观密度容量瓶法38/样24细集料密度及吸水试验26/样25细集料堆积密度及紧密度试验26/样烘干法21/样26细集料含水量试验酒精燃烧法43/样27细集料含泥量试验筛洗法34/样28细集料砂当量试验255/样29细集料泥块含量试验30/样30细集料云母含量试验38/样31细集料轻物质含量试验55/样32细集料有机质含量试验47/样33细集料膨胀率试验85/样34细集料坚固性试验170/组35细集料三氧化硫含量试验255/样间隙率法255/样36细集料棱角性试验流动时间法255/样含密度试验37细集料亚甲蓝试验255/样38细集料压碎值试验255/样干筛法47/样39粗集料及集料混合料的筛分试验水洗法85/样网篮法34/样40粗集料密度容重瓶法34/样41粗集料含水率试验26/样42粗集料吸水率试验34/样43粗集料堆积密度及空隙率试验30/样44粗集料含泥量及泥块含量试验30/样规准仪法26/样45粗集料针片状颗粒含量试验游标卡尺法26/样46粗集料有机物含量试验43/样47粗集料坚固性试验170/组48粗集料压碎值试验85/样49粗集料磨耗试验洛杉矶法340/样2序号试验内容及参数检测方法单价(元)备注道瑞试验340/样50粗集料软弱颗粒试验43/样51粗集料磨光值试验1020/样52粗集料冲击值试验170/样岩相法1275/样53集料碱活性检验砂浆长度法1275/样54矿粉筛分试验水洗法255/样55矿粉密度试验85/样56矿粉亲水系数试验85/样57矿粉塑性指数试验128/样58矿粉加热安定性试验85/样59矿粉含水量试验43/样(三)岩石试验60岩石切割制件255/组61岩石含水率试验43/样62岩石毛体积密度试验26/样63岩石吸水率试验26/样64岩石单轴抗压强度试验51/组不含制件65岩石劈裂强度试验55/组不含制件66岩石抗折强度试验51/组不含制件67岩石抗冻性试验单次循环26/样(四)水泥试验68水泥细度检验80˘m筛析法26/样69水泥密度测定李氏密度瓶21/样70水泥比表面积测定勃氏法30/样71水泥标准稠度用水量测定标准法17/样72水泥安定性测定标准法47/样73水泥凝结时间测定47/样74水泥胶砂强度试验ISO法153/样75水泥胶砂流动度128/样76水泥烧失量的测定灼烧差减法85/样77水泥中MgO含量的测定原子吸收光谱法(基准法)94/样78水泥中CaO含量的测定EDTA直接滴定法(基准法)170/样79水泥中SO3含量的测定硫酸钡重量法(基准法)47/样80水泥中二氧化硅的测定氯化铵重量法(基准法)170/样81水泥中三氧化二铁含量的测定EDTA直接滴定法(基准法)170/样82水泥中三氧化二铝含量的测定EDTA直接滴定法(基准法)170/样— 3 —序号试验内容及参数检测方法单价(元)备注83水泥中氧化钾和氧化钠含量的测定火焰光度计法(基准法)170/样84水泥中氯离子含量的测定硫氰酸铵容量法(基准法)170/样(五)水泥混凝土、砂浆85水泥混凝土、砂浆制件43/个切割、成型、养生86水泥混凝土轴心抗压强度试验26/组不含制件87水泥混凝土抗压弹性模量试验102/个不含制件88水泥混凝土劈裂抗弯拉强度试验55/组不含制件89水泥混凝土抗弯拉强度试验51/组不含制件90水泥混凝土抗弯拉弹性模量试验425/组不含制件91普通水泥混凝土配合比设计(抗压)4250/组含水泥、集料、粉煤灰等原材料试验92水泥混凝土配合比设计(抗折)4250/组含水泥、集料、粉煤灰等原材料试验93水泥混凝土拌合物含气量试验混合气压法128/样94水泥混凝土拌合物凝结时间试验128/样95水泥混凝土拌合物表观密度试验128/样96水泥混凝土拌合物泌水率试验128/样坍落度仪法85/样维勃仪法85/样97水泥混凝土拌合物稠度试验改进VC法85/样98水泥混凝土动弹模量试验共振法94/个不含制件99水泥混凝土抗冻性试验快冻法(一次循环)34/组不含制件100水泥混凝土抗惨性能试验536/组不含制件101水泥混凝土干缩性试验366/组不含制件102水泥混凝土耐磨性试验255/组不含制件103水泥混凝土渗水高度试验595/组不含制件104水泥砂浆立方体抗压强度试验26/组不含制件105水泥砂浆稠度试验30/组106水泥砂浆密度试验34/组107水泥砂浆分层度试验68/组108水泥砂浆保水性试验85/组109水泥砂浆凝结时间试验77/组110水泥砂浆粘结强度试验425/组不含制件111水泥砂浆抗冻性试验一次循环34/样不含制件112水泥砂浆收缩试验255/组不含制件113水泥砂浆含气量试验128/样114水泥砂浆吸水率试验128/样115水泥砂浆抗渗性能试验366/组不含制件116粉煤灰细度试验0.045㎜筛68/样117粉煤灰需水量比试验170/样4— 5 —序号试验内容及参数检测方法单价(元)备注118粉煤灰烧失量试验170/样119粉煤灰含水量试验34/样120粉煤灰三氧化硫含量试验68/样121粉煤灰游离氧化钙含量试验68/样122粉煤灰安定性试验雷氏夹法85/样123粉煤灰活性指数试验187/样(六)水、外加剂124水PH 值的检验玻璃电极法34/样125水不溶物含量的检验重量法34/样126水可溶物含量的检验称量法34/样127水氯化物含量的检验硝酸盐滴定法34/样128水硫酸盐含量的检验重量法34/样129水碱含量的检验火焰光度计法34/样130外加剂减水率128/样131外加泌水率比170/样132外加剂抗压强度比510/样133外加剂含气量128/样134外加剂凝结时间差255/样135外加剂收缩率比255/样136外加剂固体含量51/样137外加剂含水率85/样138外加剂密度21/样139外加剂细度43/样140外加剂PH 值34/样141外加剂氯离子含量102/样142外加剂的水泥净浆流动度170/样143外加剂的水泥净浆工作性170/样(七)无机结合料稳定材料144无机结合稳定材料制件击实法、静压法43/个含成型、养生烘干法43/样砂浴法43/样145无机结合料及其稳定材料含水量试验酒精法43/样146水泥及石灰稳定材料中水泥或石灰剂量的测定EDTA 法340/样147水泥及石灰稳定材料中水泥或石灰剂量标准曲线255/样148石灰有效氧化钙含量测定85/样149石灰氧化镁的测定255/样150石灰有效氧化钙和氧化镁简易测定128/样151石灰、粉煤灰密度测定85/样152无机结合料稳定材料击实试验510/组序号试验内容及参数检测方法单价(元)备注153无机结合稳定材料无侧限抗压强度试验383/组不含制件154无机结合稳定材料配合比设计1700/组不含原材料、击实试验(八)沥青155沥青密度与相对密度21/样156沥青针入度试验77/样157沥青延度试验85/样158沥青软化点试验环球法77/样159沥青针入度指数255/样160沥青溶解度试验60/样161沥青蒸发损失试验60/样162沥青的闪点与燃点试验克利夫兰开口杯法26/样163沥青含水量试验170/样164沥青薄膜加热试验170/样不含老化后三大指标165沥青旋转薄膜加热试验170/样不含老化后三大指标166沥青脆点试验弗拉斯法102/样167沥青与矿料的粘附性试验85/样168沥青化学组分试验三组分法102/样四组分法136/样169沥青运动粘度试验毛细管法340/样170沥青动力粘度试验真空减压毛细管法680/样171沥青标准粘度试验道路沥青标准粘度计法680/样172恩格拉粘度试验恩格拉粘度计法340/样173沥青波赛特粘度试验波赛特重质油粘度计法38/样174沥青粘韧性试验680/样175沥青布氏旋转粘度试验布洛克菲尔德粘度计法680/样176乳化沥青微粒子离子电荷试验170/样177乳化沥青蒸发残留物含量试验170/样178乳化沥青筛上剩余量试验85/样179乳化沥青与矿料的粘附性试验水中摇动方法(阳离子)85/样水浸法(阴离子)85/样180乳化沥青储存稳定性试验170/样181乳化沥青低温储存稳定性试验340/样182乳化沥青水泥拌和试验粗粒式混合料拌合170/样密级配沥青混合料拌合170/样183乳化沥青破乳速度试验170/样184沥青与石料的低温粘结性试验170/样185聚合物改性沥青离析试验425/样186沥青弹性恢复试验340/样(九)沥青混合料击实法510/组187沥青混合料试件制作方法轮碾法340/块6— 7 —序号试验内容及参数检测方法单价(元)备注静压法170/组188沥青混合料配合比试验6800/个含沥青、集料、矿粉等原材料试验表干法43/个水中重法43/个蜡封法43/个189压实沥青混合料密度试验体积法43/个190沥青混合料马歇尔稳定度试验68/个不含制件 191沥青路面芯样马歇尔试验68/个不含取芯真空法170/个192沥青混合料理论最大相对密度试验溶剂法170/个圆柱体法51/个不含制件193沥青混合料单轴压缩试验棱柱体法51/个不含制件194沥青混合料弯曲试验170/个不含制件195沥青混合料劈裂试验255/组不含制件196沥青混合料饱水试验51/个197沥青混合料车辙试验1700/块离心分离法170/个回流式抽提仪法170/个198沥青混合料中沥青含量试验燃烧法170/个199沥青混合料的矿料级配检验425/个200沥青混合料冻融劈裂试验425/组不含制件201沥青混合料渗水试验425/组不含制件202沥青混合料谢伦堡沥青析漏试验255/样203沥青混合料肯塔堡飞散试验680/组不含制件204乳化沥青稀浆封层配合比设计试验5100/个含沥青、集料、矿粉、水泥等原材料试验205乳化沥青稀浆封层混合料稠度试验85/样206稀浆封层混合料湿轮磨耗试验1275/组207乳化沥青稀浆封层混合料初凝时间试验425/组208乳化沥青稀浆封层混合料固化试验425/组209乳化沥青稀浆封层混合料碾压试验1700/组210木质素纤维长度检测85/样211木质素纤维灰分含量检测85/样212木质素纤维PH 值检测85/样213木质素纤维吸油率检测85/样214木质素纤维含水率检测43元/样(十)钢筋(含接头)Φ6-14㎜13/根Φ14-25㎜17/根215钢筋及其焊接抗拉(强度、屈服点、伸长率)Φ25㎜以上21/根序号试验内容及参数检测方法单价(元)备注Φ6-14㎜10/根Φ14-25㎜13/根216钢筋及其焊接冷弯试验Φ25㎜以上17/根Φ25㎜以下(含Φ25㎜)34/根217钢筋机械连接抗拉强度Φ25㎜以上43/根218钢筋焊接网片拉伸(抗拉强度、伸长率)85/组219钢筋焊接网片抗剪55/组220钢筋焊接网片冷弯85/组(十一)预应力混凝土用锚具、钢绞线、波纹管221钢绞线拉伸(最大力、规定非比例延伸力、最大力总伸长率)68/根222钢绞线的弹性模量77/根223松弛率85/根.时224锚夹具锚固效率系数、总应变(静载试验)841/孔225锚夹具洛氏硬度21/付226锚夹具组装疲劳试验1105/孔227锚夹具周期荷载试验1105/孔228锚夹具辅助性试验425/孔229塑料波纹管外观质量检测43/组230塑料波纹管外观尺寸偏差检测85/组231塑料波纹管不圆度检测85/组232塑料波纹管环刚度检测680/组233塑料波纹管局部横向荷载试验128/组234塑料波纹管柔韧性试验170/组235塑料波纹管抗冲击性能试验213/组236金属波纹管外观质量检测68/组237金属波纹管外观尺寸偏差检测85/组集中荷载553/组238金属波纹管径向刚度检测均布荷载553/组239金属波纹管抗渗漏性能试验85/组(十二)橡胶支座240板式橡胶支座抗压弹模试验680/组241板式橡胶支座抗剪弹模试验1020/组242板式橡胶支座极限抗压试验680/组243板式橡胶支座抗剪粘结性能试验1105/组244板式橡胶支座抗剪老化性能试验1105/组245板式橡胶支座尽寸偏差检测85/组246板式橡胶支座外观质量检测85/组247板式橡胶支座容许剪切角850/组8序号试验内容及参数检测方法单价(元)备注248板式橡胶支座容许转角试验850/组249盆式支座成品支座竖向承载力试验2975/项超过500吨,每100吨增加1000元250盆式支座成品支座摩擦系数试验2975/项251盆式支座成品支座转动试验2975/项252盆式支座外观质量检测85/个(十三)土工合成材料253单位面积质量测定68/样254厚度测定68/样255幅宽测定43/样256土工格栅、土工网网孔尺寸测定170/样257宽条拉伸试验340/样258接头/接缝宽条拉伸试验340/样259条带拉伸试验340/样260梯形撕破强力试验340/样261CBR顶破强力试验170/样262粘焊点极限剥离力试验425/样263刺破强力试验340/样264落锤穿透试验204/样265直接摩擦特性试验340/样266拉拔摩擦特性试验340/样267垂直渗透性能试验425/样268耐静水压试验425/样269塑料排水带芯带压屈服强度与通水量试验1700/样270有效孔径试验干筛法170/样271格室片拉伸屈服强度340/样272焊接处抗拉强度340/样273塑料土工格室组间连接处的抗拉强度340/样(十四)防水卷材274拉伸性能94/样275热处理尺寸变化率119/样276低温弯折性38/样277抗穿孔性128/样278热老化处理51/样279不透水性94/样(十五)桥梁用伸缩缝280伸缩缝外形尺寸85/样281伸缩缝组装质量170/样282伸缩缝外观质量85/样283伸缩缝防水性能170/样— 9 —序号试验内容及参数检测方法单价(元)备注284伸缩缝拉伸压缩时最大水平摩阻力8500/样285伸缩缝拉伸压缩时变位均匀性8500/样二、公路工程道路检测收费标准10— 11 —序号检测项目单位单价(元)备注27半刚性材料强度个102含芯样加工28沥青路面压实度(水中称重法)个10229沥青路面压实度(蜡封法)个26不含取样30沥青路面压实度(无核密度仪)点431水泥混凝土劈裂强度个43不含芯样制作点170取芯法点43挖坑法32厚度km·车道850雷达法(高效、无损检测)33平整度(3 m 直尺)尺434平整度(八轮仪)km·车道17035平整度(颠簸累积仪)km·车道25536平整度(激光断面仪)km·车道425510水泥砼37路面破损检测(人工调查)km·车道255沥青砼38路面破损检测(CICS 路面破损快速检测系统)km·车道1020前、后方图像各加150元39水泥混凝土路面纵、横缝顺直度点540水泥混凝土路面相邻板高差点1341沥青路面车辙(激光断面仪)km·车道170铺砂仪处8542构造深度激光断面仪km·车道42543横向力系数km·车道42544摆式摩擦系数处4345渗水系数点6046路基、路面宽度处1347路基、路面横坡断面1748纵断高程点1349中线偏位点1350几何尺寸(曲线半径、最大纵坡、坡长、最小视距)km 29851路基土石方外观(双车道)km 25552排水工程外观km 17053支挡工程外观处8554防护工程外观km 17055涵洞外观座34056路面外观km 25557路基工程质量评定km 85058路面工程质量评定km 85059公路技术状况评定(养护检测评定)km 42560工程资料检查检查单位340012序号检测项目单位单价(元)备注61雷达地质勘探线·米2662水泥混凝土路面脱空(雷达法)线·米2663水泥混凝土路面脱空(FWD 法)点8564水泥混凝土板传荷系数点85三、公路工程桥隧结构检测收费标准序号检测项目单位单价(元)备注1回弹法测区26地面作业2回弹法测区51空中作业3超声回弹综合法测区68地面作业4超声回弹综合法测区128空中作业5每个芯样255地面作业6构件砼强度取芯法(钢筋砼横向)每个芯样425空中作业7混凝土测缺陷(超声法)区1288大面积平整度尺49伸缩缝与桥面高差处1710钢筋保护层厚度点2611钢筋位置点1712碳化深度点913钢筋锈蚀状况(钢筋锈蚀电位)点17014钢筋锈蚀状况(混凝土电阻率)点17015钢筋锈蚀状况(氯离子含量)点85016索力根425频率法17支座专项检测个8518桩基检测(低应变)根2552管5953管8504管127519桩基完整性(声波透射法测)5管1700超过30m 部分按20元/m 加收20桩基高应变检测每吨位1700每吨位指试验激振锤重21桩基静载荷试验(工程桩)每吨位128每吨位指桩设计极限承载力22桩身内力-应力应变(试桩试验)每吨位255每吨位指桩设计极限承载力23桩基成孔质量每根170024桩基取芯检测米30625地基承载力点4250荷载试验,不含加载— 13 —序号检测项目单位单价(元)备注27复合地基承载力点4250不含加载28米170轻型29动力触探米425重型桥梁监控简支梁、板桥座8500T 形刚构桥座34000连续梁桥联17000连续刚构桥座34000拱桥座51000斜拉桥座68000结构分析计算悬索桥座85000应力每点每次43应变每点每次43温度每点每次9标高每点每次2630索力每天每索8531钢结构焊缝超声检测米6832钢结构射线探伤检测片7733钢结构磁粉探伤检测米4334深层水平位移每处每次85不包含钻孔、埋管费用35地表沉降每点每次34基坑(沉井)监控表层水平位移每点每次43深层水平位移每处每次85表层沉降每点每次17分层沉降每处每次85孔隙水压力每处每次85水位每处每次8536土压力每处每次85不包含钻孔、埋管、传感器费用37桥梁承载能力评定同结构分析计算取费桥梁荷载试验单价(元)结构类型单位长度(m)静载动载备注孔≤25212508500简支梁、板桥每增1m 47668孔≤50280501105038T 形刚构桥每增1m476153该单价为两车道收费标准,不包含加载车辆及桥检车或搭设支架费用;桥面超过两车道,按每增一车道加收20%。