增值税专用发票记录表
- 格式:xls
- 大小:24.50 KB
- 文档页数:2
2003年5月13日,国家税务总局重新修订了《增值税一般纳税人申报办法》,修订后《增值税一般纳税人申报办法》于2003年7月1日起实施,规定增值税一般纳税人必报资料有《增值税纳税申报表(适用于增值税一般纳税人)》及《增值税纳税申报表附列资料(表一)、(表二)、(表三)、(表四)》。
其中附列资料(表四)是防伪税控增值税专用发票存根联明细,主要内容包括序号、发票代码、发票号码、开票日期、购货方纳税人识别号、金额、税额和作废标志等内容。
对于开票量多的单位而言,逐项填报这些内容增加了企业办税员的工作量,笔者发现可通过防伪税控系统报税资料用Excel编制《增值税专用发票存根联明细表》,不但编制方法简单,而且数字准确。
一、防伪税控系统报税资料。
每月发票报税成功后,打开报税资料软盘,可以发现有X+纳税人识别号后七位数+月份、J+纳税人识别号后七位数+月份为文件名的报税文件。
以记事本方式打开X+纳税人识别号后七位数+所属月份的报税文件,将企业名称、地址、电话等内容删去后另存为文本文件。
二、将报税资料导入Excel工作表。
打开Excel工作表,用鼠标左键选择“数据”、“导入外部数据”、“导入数据”,出现“选取数据源”对话框,选择刚才保存的报税资料文本文件打开,出现“文本导入向导”对话框,原始数据类型选择“固定宽度”,单击“下一步”,在数据预览相关内容处建立分列线,单击“下一步”选择相关数据列的格式,例如“发票号码”列选择文本格式、“开票时间”列选择日期格式,“销货方税号”列选择不导入此列格式等,单击“完成”将导入数据放置在相关工作表内,单击“确定”完成数据导入。
三、编辑导入的数据。
数据导入后还需要进一步编辑排版,使之完全符合附列资料(表四)内容要求。
首先输入表头、表尾部分内容;其次对导入的数据进行编辑,输入序号编辑序号列,将购货方纳税人识别号列的格式设置为数值、小数位数为0位;最后对报表进行排版。
对于一个熟练使用Excel的办税员,采用本办法编制《增值税专用发票存根联明细表》可以起到事半功倍的效果。
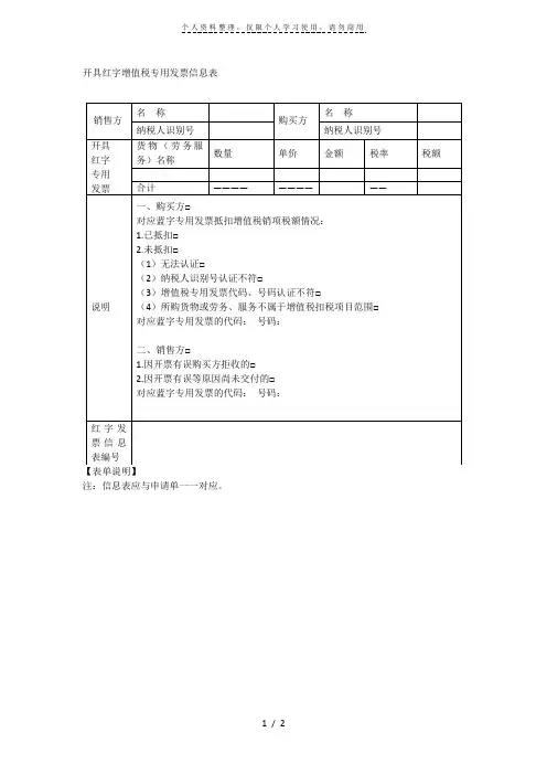
国家税务总局关于红字增值税发票开具有关问题的公告国家税务总局公告2016年第47号为进一步规范纳税人开具增值税发票管理,现将红字发票开具有关问题公告如下:一、增值税一般纳税人开具增值税专用发票(以下简称“专用发票”)后,发生销货退回、开票有误、应税服务中止等情形但不符合发票作废条件,或者因销货部分退回及发生销售折让,需要开具红字专用发票的,按以下方法处理:(一)购买方取得专用发票已用于申报抵扣的,购买方可在增值税发票管理新系统(以下简称“新系统”)中填开并上传《开具红字增值税专用发票信息表》(以下简称《信息表》,详见附件),在填开《信息表》时不填写相对应的蓝字专用发票信息,应暂依《信息表》所列增值税税额从当期进项税额中转出,待取得销售方开具的红字专用发票后,与《信息表》一并作为记账凭证。
购买方取得专用发票未用于申报抵扣、但发票联或抵扣联无法退回的,购买方填开《信息表》时应填写相对应的蓝字专用发票信息。
销售方开具专用发票尚未交付购买方,以及购买方未用于申报抵扣并将发票联及抵扣联退回的,销售方可在新系统中填开并上传《信息表》。
销售方填开《信息表》时应填写相对应的蓝字专用发票信息。
(二)主管税务机关通过网络接收纳税人上传的《信息表》,系统自动校验通过后,生成带有“红字发票信息表编号”的《信息表》,并将信息同步至纳税人端系统中。
(三)销售方凭税务机关系统校验通过的《信息表》开具红字专用发票,在新系统中以销项负数开具。
红字专用发票应与《信息表》一一对应。
(四)纳税人也可凭《信息表》电子信息或纸质资料到税务机关对《信息表》内容进行系统校验。
二、税务机关为小规模纳税人代开专用发票,需要开具红字专用发票的,按照一般纳税人开具红字专用发票的方法处理。
三、纳税人需要开具红字增值税普通发票的,可以在所对应的蓝字发票金额范围内开具多份红字发票。
红字机动车销售统一发票需与原蓝字机动车销售统一发票一一对应。
四、按照《国家税务总局关于纳税人认定或登记为一般纳税人前进项税额抵扣问题的公告》(国家税务总局公告2015年第59号)的规定,需要开具红字专用发票的,按照本公告规定执行。
告知书
尊敬的仲裁申请人:
感谢您信任和选择上海仲裁委员会。
在您提交仲裁申请并且预缴仲裁费后,本会将先出具“资金往来结算专用票据”作为收费凭证;待仲裁案件审理终结后,再开具正式的发票。
如果您属于一般企业纳税人的,请在缴费时一并提供开具增值税专用发票所需信息(即:税务登记号、银行账号及开户行、单位地址及电话),以上信息必须盖单位财务章或公章,本会将为您开具“增值税专用发票”。
如果您属于个人、机关事业单位、社会团体或者小额纳税人的,则无需提供税务登记号等信息,本会将为您开具“增值税普通发票”。
特此告知,谢谢您的合作。
备注:
请将附页填写盖章后传真至:22313982(立案部收)
或邮寄至:上海市威海路755号23楼立案部收,邮编:200041
上海仲裁委员会秘书处
附页:
开票信息
请勾选所需发票:
1.增值税专用发票______
2.增值税普通发票______
选开具增值税专用发票,请填写如下信息:
单位公章或财务章:_________。
增值税专用发票信息表
请填写以下内容,发送至邮箱:(******)。
请在邮件主题中告知订单编号(Wxxxxxxxxx)。
•如果您在填写过程中有任何问题,请在我们的工作时间拨打400-666-8800咨询。
•Apple保留要求顾客提供其他必要文件予以核查的权利,并仅对符合法定要求的顾客开具相关发票。
其他必要文件包含公司证明、银行付款凭证等。
1. 填写开票信息(以下信息将被打印在发票上) :
公司注册名称:
纳税人识别号(税号):
公司注册地址:
电话:
开户行*及账号:
(*开户行:请提供贵公司开户的银行名称,例如:中国工商银行重庆解放碑支行)
2. 发票邮寄信息:
收件人:
发票邮寄地址(为确保发票寄送的准确性,请将省、市、区完整填写在以下对应的栏目,省、市、区皆不能为空):
省:
市:
区:
具体地址:
邮政编号:
联系电话(含区号):。
增值税专用发票登记信息表
增值税的会计分录
1小规模纳税人的账务处理
购入材料时:
借:原材料等(含税,增值税计入成本)
贷:银行存款等
销售货物(服务)时:
借:银行存款等
贷:主营业务收入
应交税费——应交增值税(无进销之分)交纳增值税时:借:应交税费一应交增值税
贷:银行存款
2、一般纳税人账务处理
购进货物:
借:库存商品等
应交税费——应交增值税(进项税额)
贷:银行存款等
销售货物:
借:应收账款等
贷:主营业务收入
交税后一应交增值税(销项税额)
当月发生的应交未交增值税额:
借:应交税费——应交增值税(转出未交增值税)
贷:应交税费一未交增值税
未交增值税在以后月份上交时:
借:应交税费一未交增值税
贷:银行存款
当月交纳当月增值税:
借:应交税费一应交增值税(已交税金)
贷:银行存款
什么是应交税费?
企业须按照国家规定对其经营所得依法缴纳的各种税费。
企业应设置“应交税费”科目,总括反映各种税费的缴纳情况,并按照应交税费项目进行明细核算。
该科目的贷方登记应交纳的各种税费,借方登记已交纳的各种税费,期末贷方余额则反映尚未交纳的税费,应交税费包括企业依法交纳的增值税、消费税、企业所得税、土地增值税、城市维护建设税、房产税、土地使用税、车船税、教育费附加等税费。
烦死了增值税附表三摘要:一、增值税附表三概述二、增值税附表三的内容和结构三、增值税附表三的作用和意义四、面对增值税附表三的困扰及解决方法五、结论正文:增值税附表三,作为我国税收制度的重要组成部分,一直备受关注。
本文将详细介绍增值税附表三的各个方面,以帮助大家更好地理解和应对这一税收政策。
首先,我们需要了解增值税附表三的概述。
增值税附表三,是指增值税专用发票管理表,主要用于记录增值税专用发票的开具、抵扣、认证等相关信息。
它对于企业进行增值税专用发票管理,以及税务部门对增值税专用发票的监管具有重要意义。
接下来,我们将详细探讨增值税附表三的内容和结构。
增值税附表三主要包括以下几个部分:发票代码、发票号码、购买方名称、购买方纳税人识别号、销售方名称、销售方纳税人识别号、金额、税率、税额、价税合计等。
这些信息都是企业进行增值税专用发票管理所必需的。
然后,我们来谈谈增值税附表三的作用和意义。
增值税附表三记录了增值税专用发票的关键信息,有助于企业对进项税额和销项税额进行准确核算,确保税收政策的正确执行。
同时,增值税附表三也是税务部门进行税收征管的重要依据,有利于提高税收征管的效率和准确性。
然而,面对增值税附表三,许多企业都表示困扰。
一方面,增值税附表三的信息量大,填写和管理起来较为繁琐;另一方面,增值税附表三的填写要求严格,一旦出现错误,可能会对企业造成经济损失。
为解决这些问题,企业可以采用专业的增值税专用发票管理软件,提高工作效率,降低错误率。
总之,增值税附表三作为我国税收制度的重要组成部分,对企业进行增值税专用发票管理具有重要意义。
通过了解增值税附表三的概述、内容和结构,我们可以更好地应对税收政策,确保税收政策的正确执行。