螺纹对照表
- 格式:doc
- 大小:943.00 KB
- 文档页数:18
螺纹基本尺寸对照表(以及螺纹底孔相关尺寸)参照机械设计师首册编制 OPMSM2005年7月螺纹代号Thread code一、英制螺纹(螺纹牙型角55度)BSW——英国标准惠氏螺纹(粗牙)BSF——英国标准惠氏螺纹(细牙)G——直管螺纹(外螺纹分A、B两级即在螺纹中径公差有所区别,丝锥分G、G-D)非密封性螺纹R——锥管外螺纹(旧代号ZG;KG)RC——锥管内螺纹(旧代号ZG;KG)二、美制螺纹(螺纹牙型角60度)UNC——统一制粗牙螺纹(代替NC)UNF——统一制细牙螺纹(代替NF)UNEF——统一制超细牙螺纹UN——统一制不变螺距螺纹UNS——统一制特殊螺纹三、美制螺纹(螺纹牙型角60度)NPT——一般用途锥管螺纹(旧代号Z、K)(斜角为1°47'即1:16)NPSC——管接头直管内螺纹NPSM——设备上自由配合,机械连接用直管螺纹NPTF——干密封锥管螺纹NPSF——干密封燃料内螺纹NGT——气瓶用螺纹四、米制螺纹(螺纹牙型角60度,斜角为1°47'24"即1:16)ZM——米制锥管螺纹五、其它螺纹SM——缝纫机螺纹(螺纹牙型角60度,平顶、螺纹底部为园弧形)PZ——气瓶螺纹5V1至20V1——气门芯螺纹(螺纹牙型角60度,平顶、螺纹底部为园弧形)六、管螺纹(螺纹牙型角55度,螺纹顶、底部为园弧形约)RC——圆锥内螺纹(螺纹牙型角55度,斜角为1°47'即1:16)RP——圆柱内螺纹(螺纹牙型角55度)R——圆锥外螺纹(螺纹牙型角55度,斜角为1°47'即1:16)七、普通螺纹(螺纹牙型角60度)M——普通螺纹代号八、特殊螺纹Tr——梯形螺纹(螺纹牙型角30度)B——锯齿形螺纹(牙型角30×30度)。
螺纹牙距对照表螺纹牙距对照表:1. M2.5: 标准牙距为 0.45mm,最大允许牙距为 0.5mm;2. M3: 标准牙距为 0.5mm,最大允许牙距为 0.6mm;3. M4: 标准牙距为 0.7mm,最大允许牙距为 0.75mm;4. M5: 标准牙距为 0.8mm,最大允许牙距为 0.9mm;5. M6: 标准牙距为 1mm,最大允许牙距为 1.1mm;6. M8: 标准牙距为 1.25mm,最大允许牙距为 1.4mm;7. M10: 标准牙距为 1.5mm,最大允许牙距为 1.75mm;8. M12: 标准牙距为 1.75mm,最大允许牙距为 2mm;9. M14: 标准牙距为 2mm,最大允许牙距为 2.3mm;10. M16: 标准牙距为 2.5mm,最大允许牙距为 2.75mm;11. M18: 标准牙距为 2.75mm,最大允许牙距为 3.1mm;12. M20: 标准牙距为 3 mm,最大允许牙距为 3.4mm。
螺纹牙距是量度螺纹尺寸的最重要标准,它直接影响着螺纹的强度和可靠性。
不同种类的螺纹,标准牙距和最大允许牙距是有所不同的,下面是一张螺纹牙距对照表,以便用户查询相关内容:M2.5的标准牙距为0.45mm,最大允许牙距为0.5mm。
M3的螺纹牙距为0.5mm,最大允许牙距为0.6mm。
M4的标准牙距为0.7mm,最大允许牙距为0.75mm,而M5的标准牙距是0.8mm,最大允许牙距也是0.9mm。
M6的标准牙距为1mm,最大允许牙距为1.1mm。
M8的标准牙距是1.25mm,最大允许牙距为1.4mm。
M10的标准牙距也是1.5mm,最大允许牙距为1.75mm。
对于M12的螺纹,其标准牙距是1.75mm,最大允许牙距则为2mm。
M14的螺纹标准牙距为2mm,最大允许牙距则为2.3mm,M16的标准牙距是2.5mm,最大允许牙距则为2.75mm。
最后是M18和M20的螺纹,M18的标准牙距为2.75mm,最大允许牙距为3.1mm;M20的标准牙距为3mm,最大允许牙距为3.4mm。
螺纹规格对照表螺纹底孔径公制粗牙螺纹 JIS B 0209-1982(单位:mm)(注1)(注2) 2级崁合度区分:中(注1)(注2) 崁合度区分:中2级内螺纹小径螺纹尺寸钻头直径下孔径最小直径最大直径M 1 × 0.25 0.75 0.78 (80%) 0.729 0.785 1.1 × 0.25 0.85 0.88 (80%) 0.829 0.885 1.2 × 0.25 0.95 0.98 (80%) 0.929 0.985 1.4 × 0.3 1.1 1.14 (80%) 1.075 1.142 1.6 × 0.35 1.25 1.32 (75%) 1.221 1.321 1.8 × 0.351.45 1.52 (75%) 1.421 1.521 2 × 0.4 1.6 1.65 (80%) 1.567 1.6792.2 × 0.45 1.75 1.83 (75%) 1.713 1.838 2.5 × 0.45 2.1 2.13 (75%) 2.013 2.1383 × 0.5 2.5 2.59 (75%) 2.459 2.599 3.5 × 0.6 2.9 3.01 (75%) 2.8503.010 4 × 0.7 3.3 3.39 (80%) 3.242 3.4224.5 × 0.75 3.8 3.85 (80%)3.688 3.878 5 × 0.84.2 4.31 (80%) 4.134 4.334 6 × 1 55.13 (80%)4.9175.153 7 × 1 66.13 (80%) 5.917 6.153 8 × 1.25 6.8 6.85 (85%)6.647 6.912 9 × 1.257.8 7.85 (85%) 7.647 7.912 10 × 1.58.5 8.62 (85%) 8.376 8.676 11 × 1.59.5 9.62 (85%) 9.376 9.676 12 × 1.75 10.3 10.40 (85%) 10.106 10.441 14 × 2 12 12.2 (85%) 11.835 12.210 16 × 2 14 14.2 (85%) 13.835 14.210 18 × 2.5 15.5 15.7 (85%) 15.294 15.744 20 × 2.5 17.5 17.7 (85%) 17.294 17.744 22 × 2.5 19.5 19.2 (85%) 19.294 19.744 24 × 3 21 21.2 (85%) 20.752 21.252 27 × 3 24 24.2 (85%) 23.752 24.252 30 × 3.5 26.5 26.6 (90%) 26.211 26.771 33 × 3.5 29.5 29.6 (90%) 29.211 29.771 36 × 4 32 32.1 (90%) 31.670 32.270 39 × 4 35 35.1 (90%) 34.67035.270 42 × 4.5 37.5 37.6 (90%) 37.129 37.799 45 × 4.5 40.5 40.6 (90%) 40.129 40.799 48 × 5 43 43.1 (90%) 42.587 43.297注(1)M1.4以下等级:5H、M1.6以上等级:6H(2)基于JIS B 0209-1982标准螺纹下孔径表公制细牙螺纹 JIS B 0211-1982(单位:mm) (注1)(注2) 2级崁合度区分:中(注1)(注2) 崁合度区分:中2级内螺纹小径螺纹尺寸钻头直径下孔径最小直径最大直径M 2.5 × 0.35 2.2 2.22 (75%) 2.121 2.221 3 × 0.35 2.7 2.72 (75%) 2.621 2.721 3.5 × 0.35 3.23.22 (75%) 3.121 3.221 4 × 0.5 3.5 3.59 (75%) 3.459 3.5994.5 × 0.5 44.09 (75%) 3.959 4.099 5 × 0.5 4.5 4.59 (75%) 4.459 4.5995.5 × 0.5 55.09 (75%) 4.959 5.099 6 × 0.75 5.3 5.35 (80%) 5.188 5.378 7 × 0.756.3 6.35 (80%) 6.188 6.378 8 × 1 77.13 (80%) 6.917 7.153 8 × 0.75 7.37.35 (80%) 7.188 7.378 9 × 1 8 8.13 (80%) 7.917 8.153 9 × 0.75 8.38.35 (80%) 8.188 8.378 10 × 1.25 8.8 8.85 (85%) 8.647 8.912 10 × 1 99.13 (80%) 8.917 9.153 10 × 0.75 9.3 9.35 (80%) 9.188 9.378 11 × 1 1010.13 (80%) 9.917 10.153 11 × 0.75 10.3 10.35 (80%) 10.188 10.378 12 × 1.5 10.5 10.62 (85%) 10.376 10.676 12 × 1.25 10.8 10.85 (85%) 10.647 10.912 12 × 1 11 11.13 (80%) 10.917 11.153 14 × 1.5 12.5 12.62 (85%) 12.376 12.676 14 × 1 13 13.13 (80%) 12.917 13.153 15 × 1.5 13.5 13.62 (85%) 13.376 13.676 15 × 1 14 14.13 (80%) 13.917 14.153 16 × 1.5 14.514.62 (85%) 14.376 14.676 16 × 1 15 15.13 (80%) 14.917 15.153 17 × 1.515.5 15.62 (85%) 15.376 15.676 17 × 1 16 16.13 (80%) 15.917 16.153 18 × 2 16 16.2 (85%) 15.835 16.210 18 × 1.5 16.5 16.62 (85%) 16.37616.676 18 × 1 17 17.13 (80%) 16.917 17.153 20 × 2 18 18.2 (85%) 17.835 18.210 20 × 1.5 18.5 18.62 (85%) 18.376 18.676 20 × 1 19 19.13 (80%) 18.917 19.153 22 × 2 20 20.2 (85%) 19.835 20.210 22 × 1.5 20.5 20.62 (85%) 20.376 20.676 22 × 1 21 21.13 (80%) 20.917 21.153 24 × 2 22 22.2 (85%) 21.835 22.210 24 × 1.5 22.5 22.62 (85%) 22.376 22.676 24 × 1 23 23.13 (80%) 22.917 23.153 25 × 2 23 23.2 (85%) 22.835 23.21025 × 1.5 23.5 23.62 (85%) 23.376 23.676 25 × 1 24 24.13 (80%)23.917 24.153螺纹下孔径表公制细牙螺纹 JIS B 0211-1982(单位:mm)(注1)(注2) 2级崁合度区分:中(注1)(注2) 崁合度区分:中2级内螺纹小径螺纹尺寸钻头直径下孔径最小直径最大直径M 26 × 1.5 24.5 24.62 (85%) 24.376 24.676 27 × 2 25 25.2 (85%)24.835 25.210 27 × 1.5 25.5 25.62 (85%) 25.376 25.676 27 × 1 26 26.13 (80%) 25.917 26.153 28 × 2 26 26.2 (85%) 25.835 26.210 28 × 1.5 26.526.62 (85%) 26.376 26.676 28 × 1 27 27.13 (80%) 26.917 27.153 30 × 327 27.2 (85%) 26.752 27.252 30 × 2 28 28.2 (85%) 27.835 28.210 30 × 1.5 28.5 28.62 (85%) 28.376 28.676 30 × 1 29 29.13 (80%) 28.917 29.153 32 × 2 30 30.2 (85%) 29.835 30.210 32 × 1.5 30.5 30.62 (85%) 30.37630.676 33 × 3 30 30.2 (85%) 29.752 30.252 33 × 2 31 31.2 (85%) 30.83531.210 33 × 1.5 31.5 31.62 (85%) 31.376 31.676 35 × 1.5 33.5 33.62 (85%) 33.376 33.676 36 × 3 33 33.2 (85%) 32.752 33.252 36 × 2 34 34.2 (85%) 33.835 34.210 36 × 1.5 34.5 34.62 (85%) 34.376 34.676 38 × 1.536.5 36.62 (85%) 36.376 36.676 39 × 3 36 36.2 (85%) 35.752 36.252 39 × 2 37 37.2 (85%) 36.835 37.210 39 × 1.5 37.5 37.62 (85%) 37.376 37.676 40 × 3 37 37.2 (85%) 36.752 37.252 40 × 2 38 38.2 (85%) 37.835 38.210 40 × 1.5 38.5 38.62 (85%) 38.376 38.676 42 × 4 38 38.1 (90%) 37.670 38.270 42 × 3 39 39.2 (85%) 38.752 39.252 42 × 2 40 40.2 (85%) 39.835 40.210 42 × 1.5 40.5 40.62 (85%) 40.376 40.676 45 × 4 41 41.1 (90%) 40.670 41.270 45 × 3 42 42.2 (85%) 41.752 42.252 45 × 2 43 43.2 (85%) 42.835 43.210 45 × 1.5 43.5 43.62 (85%) 43.376 43.676 48 × 4 44 44.1 (90%) 43.670 44.27048 × 3 45 45.2 (85%) 44.752 45.25246.2 (85%) 48 × 2 46 45.835 46.21048 × 1.5 46.5 46.62 (85%) 46.376 46.67650 × 3 47 47.2 (85%) 46.752 47.25250 × 2 48 48.2 (85%) 47.835 48.21050 × 1.5 48.5 48.62 (85%) 48.376 48.676 注(1)等级:6H(2)基于JIS B 0211-1982标准螺纹下孔径表美制粗牙螺纹 (单位:mm)内螺纹小径 2B级螺纹螺纹尺寸钻头直径下孔径最小直径最大直径NO.1 -64UNC 1.55 1.57 (65%) 1.425 1.5822 -56 1.8 1.86 (65%) 1.695 1.8713 -48 2.1 2.14 (65%) 1.941 2.1464 -40 2.3 2.36 (70%) 2.157 2.3855 -40 2.6 2.69 (70%) 2.487 2.6976 -32 2.8 2.86 (75%) 2.642 2.8958 -32 3.4 3.52 (75%) 3.302 3.53010 -24 3.9 3.91 (80%) 3.683 3.96212 -24 4.5 4.57 (80%) 4.344 4.5971/4 -20 5.1 5.25 (80%) 4.979 5.257 5/16 -18 6.6 6.72 (80%) 6.4016.7313/8 -16 8 8.15 (80%) 7.798 8.153 7/16 -14 9.4 9.5(80%) 9.144 9.550 1/2 -13 10.8 11.0 (80%) 10.592 11.0239/16 -12 12.2 12.3 (85%) 11.989 12.4465/8 -11 13.6 13.8 (85%) 13.386 13.8683/4 -10 16.5 16.8 (80%) 16.307 16.8407/8 - 9 19.5 19.6 (85%) 19.177 19.7611 - 8 22.2 22.5 (85%) 21.971 22.6061 1/8 - 7 25 25.2 (85%) 24.638 25.3491 1/4 - 7 28.2 28.4 (85%) 27.813 28.5241 3/8 - 6 30.8 31.0 (85%) 30.353 31.1151 1/2 - 6 34 34.2 (85%) 33.528 34.2901 3/4 - 5 39.5 39.8 (85%) 38.964 39.8272 - 4 45.2 45.3 (90%) 44.679 45.593螺纹下孔径表美制细牙螺纹 (单位:mm)内螺纹小径 2B级螺纹螺纹尺寸钻头直径下孔径最小直径最大直径 NO. 0 1.25 1.30 (65%) 1.182 1.305 -80UNF1 -72 1.55 1.61 (65%) 1.474 1.6122 -64 1.85 1.90 (65%) 1.756 1.9123 -56 2.1 2.17 (70%) 2.025 2.1974 -48 2.4 2.44 (70%) 2.271 2.4585 -44 2.7 2.74 (70%) 2.551 2.7406 -40 2.9 3.02 (70%) 2.820 3.0228 -36 3.5 3.59 (75%) 3.404 3.60610 -32 4.1 4.14 (80%) 3.963 4.16512 -28 4.6 4.70 (80%) 4.496 4.7241/4 -28 5.5 5.56 (80%) 5.360 5.588 5/16 -24 6.9 7.02 (80%) 6.782 7.0353/8 -24 8.5 8.61 (80%) 8.382 8.6367/16 -20 9.9 10.01 (80%) 9.729 10.0331/2 -20 11.5 11.60 (80%) 11.329 11.6079/16 -18 12.9 13.07 (80%) 12.751 13.0815/8 -18 14.5 14.65 (80%) 14.351 14.6813/4 -16 17.5 17.59 (85%) 17.323 17.6787/8 -14 20.5 20.6 (85%) 20.270 20.6751 -12 23.2 23.5 (85%) 23.114 23.5711 1/8 -12 26.5 26.7 (80%) 26.289 26.7461 1/4 -12 29.5 29.9 (80%) 29.464 29.9211 3/8 -12 32.8 33.0 (85%) 32.639 33.0961 1/2 -12 36 36.2 (85%) 35.814 36.271螺纹下孔径表缝纫机螺纹(SM) (单位:mm)2级内螺纹小径 2B级螺纹螺纹尺寸钻头直径下孔径最小直径最大直径 SM 1/16 - 1.25 1.28 (75%) 1.211 1.281 805/64 - 64 1.55 1.57 (80%) 1.513 1.593 3/32 -100 2.10 2.15 (70%)2.081 2.156 3/32 - 56 1.85 1.91 (80%) 1.841 1.936 1/8 - 44 2.50 2.58 (80%) 2.485 2.605 1/8 - 40 2.45 2.52 (80%) 2.421 2.551 9/64 - 40 2.852.91 (80%) 2.818 2.948 11/64 - 403.65 3.71 (80%) 3.612 3.742 3/16 - 323.90 3.94 (80%) 3.820 3.980 3/16 - 28 3.70 3.82 (80%) 3.684 3.844 7/32 - 324.70 4.73 (80%) 4.614 4.774 15/64 - 28 4.905.01 (80%) 4.875 5.0551/4 - 40 5.60 5.69 (80%) 5.596 5.726 1/4 - 28 5.30 5.41 (80%) 5.2725.452 缝纫机螺纹(SM) (单位:mm)2级内螺纹小径 2B 级螺纹螺纹尺寸钻头直径下孔径最小直径最大直径 SM 1/4 - 5.10 5.25 (80%) 5.086 5.266 249/32 - 28 6.10 6.20 (80%) 6.066 6.2569/32 - 20 5.70 5.82 (80%) 5.634 5.8245/16 - 28 6.90 6.00 (80%) 6.860 7.0505/16 - 24 6.70 6.84 (80%) 6.674 6.8645/16 - 18 6.30 6.38 (85%) 6.254 6.4443/8 - 28 8.50 8.58 (80%) 8.447 8.6373/8 - 18 7.90 7.97 (85%) 7.843 8.0537/16 - 28 10.10 10.17 (80%) 10.034 10.2247/16 - 16 9.30 9.36 (85%) 9.220 9.4401/2 - 28 11.70 11.76 (80%) 11.622 11.8121/2 - 20 11.30 11.38 (80%) 11.190 11.4101/2 - 12 10.30 10.36 (85%) 10.180 10.420 螺纹下孔径表英制粗牙螺纹 (单位:mm)、切削速度与切削液切削速度(m/min) 切削液加工材料高速同步丝水溶性直槽丝攻螺旋丝攻先端丝攻钨钢丝攻无屑丝攻管用丝攻油性半干式干式攻 (乳化液)低碳素钢 C0.25,以下 8~13 8~13 15~25 , 8~13 27~32 3~6 ◎ ? ? ?C0.25,中碳素钢7~12 7~12 10~15 , 7~10 27~32 3~6 ◎ ? ? ? 0.45,高碳素钢 C0.45,以上6~9 6~9 8~13 , 5~8 22~27 2~5 ◎ ? ? ? 合金钢SCM 7~12 7~12 10~15 , 5~8 22~27 2~5 ◎ ? ? ?3~5 3~5 4~6 调质钢25,45HRC , , , 2~5 ◎ ? , , (4~8) (4~8) (6~10) 不锈钢 SUS 4~7 5~8 8~13 , 5~10 , 3~6 ◎ ? , ,SUS630 不锈钢3~5 3~5 4~6 , , , 2~5 ◎ , , , SUS631工具钢SKD 6~9 6~9 7~10 , , , 2~5 ◎ , , , 铸钢 SC 6~11 6~1110~15 , , 17~22 2~5 ◎ ? , , 铸铁FC 10~15 , , 10~20 , , 2~5 ◎ ? ? ? 球铸铁FCD 7~12 7~12 10~20 10~20 , , 4~8 ◎ ? ? ,铜 Cu 6~9 6~11 7~12 10~20 7~12 27~32 2~5 ? ? , , 黄铜‧ Bs‧BsC 10~15 10~20 15~25 15~25 7~12 27~32 5~10 ? ? ? ? 黄铜铸件青铜‧ PB‧PBC 6~11 6~11 10~20 10~20 7~12 , 6~11 ? ? , , 青铜铸件变形AL 10~20 10~20 10~25 , 10~20 100~300 5~10 ◎ ? ? , 铝合金铝合金 AC‧ADC 10~15 10~15 15~20 10~20 10~15 80~300 10~15 ◎ ? ? , 铸件镁合金MC 7~12 7~12 10~15 10~20 , , 10~15 ◎ ? ? , 锌铸件 ZDC7~12 7~12 10~15 10~20 7~12 27~100 10~15 ◎ ? ? ,Thermo Setting 热硬塑料 10~20 , , 15~25 , , 5~10 , ? ? ? Plastic 热可塑性Thermo 10~20 10~15 10~20 10~20 , 27~32 5~10 , ? ? ? 塑料Plastic。
螺纹基本尺寸对照表(总9页) --本页仅作为文档封面,使用时请直接删除即可--螺纹基本尺寸对照表(以及螺纹底孔相关尺寸)参照机械设计师首册编制OPMSM2005年7月螺纹代号Thread code一、英制螺纹(螺纹牙型角55度)BSW——英国标准惠氏螺纹(粗牙)BSF——英国标准惠氏螺纹(细牙)G——直管螺纹(外螺纹分A、B两级即在螺纹中径公差有所区别,丝锥分G、G-D)非密封性螺纹R——锥管外螺纹(旧代号ZG;KG)RC——锥管内螺纹(旧代号ZG;KG)二、美制螺纹(螺纹牙型角60度)UNC——统一制粗牙螺纹(代替NC)UNF——统一制细牙螺纹(代替NF)UNEF——统一制超细牙螺纹UN——统一制不变螺距螺纹UNS——统一制特殊螺纹三、美制螺纹(螺纹牙型角60度)NPT——一般用途锥管螺纹(旧代号Z、K)(斜角为1°47'即1:16)NPSC——管接头直管内螺纹NPSM——设备上自由配合,机械连接用直管螺纹NPTF——干密封锥管螺纹NPSF——干密封燃料内螺纹NGT——气瓶用螺纹四、米制螺纹(螺纹牙型角60度,斜角为1°47'24"即1:16)ZM——米制锥管螺纹五、其它螺纹SM——缝纫机螺纹(螺纹牙型角60度,平顶、螺纹底部为园弧形)PZ——气瓶螺纹5V1至20V1——气门芯螺纹(螺纹牙型角60度,平顶、螺纹底部为园弧形)六、管螺纹(螺纹牙型角55度,螺纹顶、底部为园弧形约)RC——圆锥内螺纹(螺纹牙型角55度,斜角为1°47'即1:16)RP——圆柱内螺纹(螺纹牙型角55度)R——圆锥外螺纹(螺纹牙型角55度,斜角为1°47'即1:16)七、普通螺纹(螺纹牙型角60度)M——普通螺纹代号八、特殊螺纹Tr——梯形螺纹(螺纹牙型角30度)B——锯齿形螺纹(牙型角30×30度)。
螺纹基本尺寸对照表(以及螺纹底孔相关尺寸)参照机械设计师首册编制 OPMSM2005年7月螺纹代号Thread code一、英制螺纹(螺纹牙型角55度)BSW——英国标准惠氏螺纹(粗牙)BSF——英国标准惠氏螺纹(细牙)G——直管螺纹(外螺纹分A、B两级即在螺纹中径公差有所区别,丝锥分G、G-D)非密封性螺纹R——锥管外螺纹(旧代号ZG;KG)RC——锥管内螺纹(旧代号ZG;KG)二、美制螺纹(螺纹牙型角60度)UNC——统一制粗牙螺纹(代替NC)UNF——统一制细牙螺纹(代替NF)UNEF——统一制超细牙螺纹UN——统一制不变螺距螺纹UNS——统一制特殊螺纹三、美制螺纹(螺纹牙型角60度)NPT——一般用途锥管螺纹(旧代号Z、K)(斜角为1°47'即1:16)NPSC——管接头直管内螺纹NPSM——设备上自由配合,机械连接用直管螺纹NPTF——干密封锥管螺纹NPSF——干密封燃料内螺纹NGT——气瓶用螺纹四、米制螺纹(螺纹牙型角60度,斜角为1°47'24"即1:16)ZM——米制锥管螺纹五、其它螺纹SM——缝纫机螺纹(螺纹牙型角60度,平顶、螺纹底部为园弧形)PZ——气瓶螺纹5V1至20V1——气门芯螺纹(螺纹牙型角60度,平顶、螺纹底部为园弧形)六、管螺纹(螺纹牙型角55度,螺纹顶、底部为园弧形约)RC——圆锥内螺纹(螺纹牙型角55度,斜角为1°47'即1:16)RP——圆柱内螺纹(螺纹牙型角55度)R——圆锥外螺纹(螺纹牙型角55度,斜角为1°47'即1:16)七、普通螺纹(螺纹牙型角60度)M——普通螺纹代号八、特殊螺纹Tr——梯形螺纹(螺纹牙型角30度)B——锯齿形螺纹(牙型角30×30度)螺纹公称直径d 螺距P钻头直径d铜不锈钢2 0.4 1.6 1.6 0.25 1.75 1.753 0.5 2.5 2.5 0.35 2.15 2.154 0.7 3.3 3.3 0.5 3.5 3.55 0.8 4.1 4.2 0.5 4.5 4.561 4.9 5 0.75 5.2 5.28 1.25 6.6 6.7 1 7 7 0.75 7.1 7.210 1.5 8.4 8.5 1.25 8.6 8.7 1 6.9 7 0.75 7.1 7.212 1.75 10.1 10.2 1.5 10.4 10.5 1.25 10.6 10.7 1 10.9 11142 11.8 12 1.5 12.4 12.5 1 12.9 13162 13.8 14 1.5 14.4 14.5 1 14.9 1518 2.5 15.3 15.5 2 15.8 16 1.5 16.4 16.5 1 16.9 1720 2.5 17.3 17.5 2 17.8 18 1.5 18.4 18.5 1 18.9 1922 2.5 19.3 19.5 2 19.8 20 1.5 20.4 20.5 1 20.9 21243 20.7 21 2 21.8 22 1.5 22.4 22.5 1 22.9 23非螺纹密封英制英制锥管螺纹英制锥螺纹螺纹直径牙数钻头直径螺纹直径牙数钻头直径螺纹直径牙数钻头直径1/8 28 8.8 1/8 28 8.4 1/8 27 8.6 1/4 19 11.7 1/4 19 11.2 1/4 18 11.1 3/8 19 15.2 3/8 19 14.7 3/8 18 14.5 1/2 14 18.9 1/2 14 18.3 1/2 14 17.9 3/4 14 24.4 3/4 14 23.6 3/4 14 23.21 11 30.6 1 14 29.7 1 11.5 29.2 1-1/4 11 39.2 1-1/4 11 38.3 1-1/4 11.5 37.9 1-3/8 11 41.6 1-1/2 11 44.1 1-1/2 11.5 43.9 1-1/2 11 45.1 2 11 55.8 2 11.5 56螺距(t) 螺纹长度基面上螺纹直径牙型高度(h1) 有效长度基面长度外径(d) 中径(d2) 内径(d1)0.91 9 4.5 9.73 9.15 8.57 0.581.34 11 6 13.16 12.3 11.45 0.861.34 12 6 16.66 15.81 14.95 0.861.81 15 7.5 20.96 19.79 18.63 1.161.81 17 9.5 26.44 25.28 24.12 1.162.31 19 11 33.25 31.77 30.29 1.482.31 22 13 41.91 40.43 38.95 1.482.31 23 14 47.81 46.33 44.85 1.482.31 26 16 59.62 58.14 56.66 1.482.31 30 18.5 75.19 73.71 72.23 1.482.31 32 20.5 87.89 86.41 84.93 1.482.31 38 25.5 113.03 111.56 110.08 1.48本螺纹基面上各直径等于圆柱螺纹的各相应直径基面上螺纹内径d1 = d - 1.28t3/4″= 26.44 - 1.28 * 1.81 = 24.12斜角(φ)1°47'24″锥角(2tgφ)=1:16公称直径(英寸)每英寸牙数(n)螺距(t)管子外径(d) 管接头螺纹内径(d1') 牙型高度(h1) 名义尺寸最大外径最小外径名义尺寸最大内径最小内径1/8 28 0.91 9.73 9.68 9.38 8.57 8.92 8.67 0.58 1/4 19 1.34 13.16 13.1 12.74 11.45 11.84 11.56 0.86 3/8 19 1.34 16.66 16.6 16.24 14.95 15.35 15.06 0.86 1/2 14 1.81 20.96 20.89 20.5 18.63 19.05 18.75 1.16 5/8 14 1.81 22.91 22.85 22.46 20.59 21.01 20.71 1.16 3/4 14 1.81 26.44 26.38 25.97 24.12 24.57 24.25 1.16 7/8 14 1.81 30.2 30.14 29.73 27.88 28.33 28.01 1.16 1 11 2.31 33.25 33.18 32.75 30.29 30.79 30.43 1.48 1-1/4 11 2.31 41.91 41.84 41.36 38.95 39.46 39.1 1.48 1-3/8 11 2.31 44.33 44.26 43.78 41.37 41.87 41.51 1.48 1-1/2 11 2.31 47.81 47.74 47.21 44.85 45.4 45 1.48 1-3/4 11 2.31 53.75 53.67 53.14 50.79 51.34 50.94 1.48 2 11 2.31 59.62 59.54 59.01 56.66 57.21 56.81 1.48 2-1/2 11 2.31 75.19 75.11 74.54 72.23 72.83 72.39 1.48 3 11 2.31 87.89 87.8 87.19 84.93 85.58 85.1 1.48外径d由公称直径所决定螺纹内径d1 = d - 1.28t斜角(φ)1°47'24″锥角(2tgφ)=1:16公称直径(英寸)每英寸牙数(n)螺距(t)螺纹长度基面上螺纹直径牙型高度(h1) 有效长度基面长度外径(d) 中径(d2) 内径(d1)1/16 27 0.94 6.5 4.06 7.9 7.14 6.39 0.75 1/8 27 0.94 7 4.57 10.27 9.52 8.77 0.75 1/4 18 1.41 9.5 5.08 13.57 12.44 11.31 1.13 3/8 18 1.41 10.5 6.1 17.06 15.93 14.8 1.13 1/2 14 1.81 13.5 8.13 21.22 19.77 18.32 1.45 3/4 14 1.81 14 8.61 26.57 25.12 23.67 1.45 1 11-1/2 2.21 17.5 10.16 33.23 31.46 29.69 1.77 1-1/4 11-1/2 2.21 18 10.67 41.99 40.22 38.45 1.77 1-1/2 11-1/2 2.21 18.5 10.67 48.05 46.29 44.52 1.77 2 11-1/2 2.21 19 11.07 60.09 58.33 56.56 1.77外径d由公称直径所决定牙型高度h1=0.8t基面上螺纹内径d1 = d - 1.6t3/8″= 17.06mm d1=17.06 - 1.6 * 1.41 = 14.80斜角(φ)1°47'24″锥角(2tgφ)=1:16公称直径每寸牙数螺距(t) 外螺纹外径内螺纹内径选用钻头名义尺寸最大尺寸最小尺寸名义尺寸最大尺寸最小尺寸3/16″24 1.06 4.63 4.5 4.24 3.56 3.97 3.71 Φ3.7 1/4″20 1.27 6.2 6.05 5.75 4.91 5.39 5.1 Φ5.1 5/16″18 1.41 7.78 7.62 7.31 6.34 6.86 6.55 Φ6.5 3/8″16 1.59 9.36 9.2 8.9 7.73 8.29 7.97 Φ7.9 7/16″14 1.81 10.93 10.75 10.45 9.06 9.67 9.33 Φ9.3 1/2″12 2.12 12.5 12.3 11.9 10.3 10.96 10.61 Φ10.5 9/16″12 2.12 14.08 13.87 13.47 11.89 12.56 12.2 Φ12.1 5/8″11 2.31 15.65 15.43 15.03 13.26 13.94 13.6 Φ13.5 3/4″10 2.54 18.81 18.57 18.17 16.17 16.92 16.54 Φ16.4 7/8″9 2.82 21.96 21.7 21.2 19.03 19.82 19.45 Φ19.5 1″8 3.18 25.11 24.82 24.32 21.8 22.67 22.27 Φ22 1-1/8″7 3.63 28.25 27.93 27.33 24.46 25.43 24.991-1/4″7 3.63 31.43 31.09 30.49 27.64 28.59 28.181-3/8″ 6 4.23 34.56 34.2 33.6 30.13 31.23 30.761-1/2″ 6 4.23 37.73 37.36 36.76 33.31 34.38 33.941-3/4″ 5 5.08 44.02 43.59 42.79 38.7 39.95 39.451-7/8″ 4.5 5.64 47.15 46.68 45.88 41.23 42.58 42.062″ 4.5 5.64 50.32 49.84 49.04 44.41 45.79 45.25内螺纹(d')公称直径 3/4″=19.05 mm外螺纹(d1)内径d'-1.28 t 3/4″=19.05 -1.28 * 2.54=15.79 mm外螺纹(d1')内径d'-1.134 t 3/4″=19.05 -1.134 * 2.54=16.16 mm公称直径(英寸)每英寸牙数(n)螺距(t) 外螺纹外径内螺纹内径名义尺寸名义尺寸d =d'-0.075t-0.0511/16 14 1.814 17.28 15.4 3/8 20 1.27 9.38 8.08 7/8 11 2.31 22 19.6 5/8 14 1.81 15.69 13.82 3/4 12 2.12 18.84 16.65 1/4 26 0.976 6.23 5.24 1/2 16 1.587 12.53 10.9 1 10 2.54 25.15 22.52内螺纹d'(公称直径)外螺纹d1=内径=d'-1.28t 3/4″=19.05-1.28*2.116=16.34内螺纹d1=内径=d'-1.134t 3/4″=19.05-1.134*2.116=16.653/4″=12牙/英寸 t=2.116。
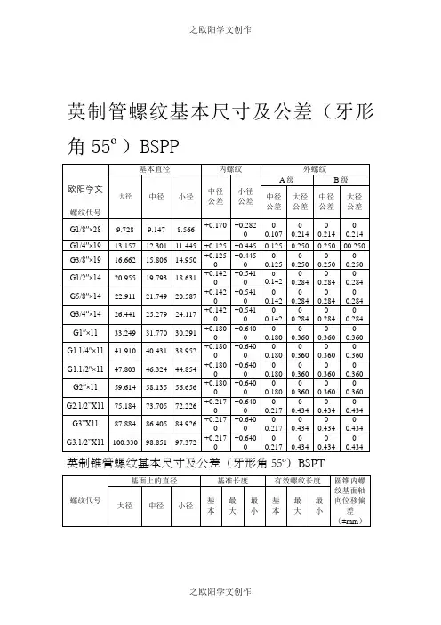
英制管螺纹基本尺寸及公差(牙形角55º)BSPP基本直径内螺纹外螺纹A级B级螺纹代号大径中径小径中径公差小径公差中径公差大径公差中径公差大径公差G1/8″×289.7289.1478.566+0.170+0.282-0.107-0.214-0.214-0.214G1/4″×1913.15712.30111.445+0.125+0.445-0.125-0.250-0.2500-0.250G3/8″×1916.66215.80614.950+0.125+0.445-0.125-0.250-0.250-0.250G1/2″×1420.95519.79318.631+0.142+0.541-0.142-0.284-0.284-0.284G5/8″×1422.91121.74920.587+0.142+0.541-0.142-0.284-0.284-0.284G3/4″×1426.44125.27924.117+0.142+0.541-0.142-0.284-0.284-0.284G1″×1133.24931.77030.291+0.180+0.640-0.180-0.360-0.360-0.360G1.1/4″×1141.91040.43138.952+0.180+0.640-0.180-0.360-0.360-0.360G1.1/2″×1147.80346.32444.854+0.180+0.640-0.180-0.360-0.360-0.360G2″×1159.61458.13556.656+0.180+0.640-0.180-0.360-0.360-0.360G2.1/2”X1175.18473.70572.226+0.217+0.640-0.217-0.434-0.434-0.434G3”X1187.88486.40584.926+0.217+0.640-0.217-0.434-0.434-0.434G3.1/2”X11100.33098.85197.372+0.217+0.640-0.217-0.434-0.434-0.434英制锥管螺纹基本尺寸及公差(牙形角55º)BSPT基面上的直径基准长度有效螺纹长度螺纹代号大径中径小径基本最大最小基本最大最小圆锥内螺纹基面轴向位移偏差(±mm)R1/8″×289.7289.1478.566 4.0 4.9 3.1 6.57.4 5.6 1.1 R1/4″×1913.15712.30111.445 6.07.3 4.79.711.08.4 1.7 R3/8″×1916.66215.80614.950 6.47.7 5.110.111.48.8 1.7 R1/2″×1420.95519.79318.6318.210.0 6.413.215.011.4 2.3 R3/4″×1426.44125.27924.1179.511.37.714.516.312.7 2.3 R1″×1133.24931.77030.29110.412.78.116.819.114.5 2.9 R1.1/4″×1141.91040.43138.95212.715.010.419.121.416.8 2.9 R1.1/2″×1147.80346.32444.84512.715.010.419.121.416.8 2.9 R2″×1159.61458.13556.65615.918.213.623.425.721.1 2.9 R2.1/2”X1175.18473.70572.22617.521.014.026.730.223.2 3.5 R3”X1187.88486.40584.92620.624.117.129.833.326.3 3.5R3.1/2”X11100.33098.85197.37222.225.718.731.434.927.9 3.5美制管螺纹基本尺寸及公差(牙形角60º)UN(F)外螺纹内螺纹公差等级公差等级2A2B 螺纹代号大径中径小径小径中径大径最大最小最大最小最小最大最小最大JIC螺纹7/16″×20UNF11.07910.87410.25410.1479.5689.72810.03310.28710.42411.113 1/2″×20UNF12.66712.46111.84111.73211.15611.32811.60811.87512.01712.7 9/16″×18UNF14.25214.03113.33513.22112.57312.75113.08113.37113.5214.288 3/4″×16UNF19.01218.77317.98117.85417.1217.32317.67818.01918.18419.05 7/8″×14UNF22.18421.92321.00620.86920.02520.26920.67621.04621.22422.225 1-1/16″×12UN26.94426.65525.5725.42524.42524.68925.14625.61325.80126.988 1-5/16″×12UN33.29433.00531.9231.77330.77531.03931.49631.96332.15433.338 1-5/8″×12UN41.22940.9439.88539.70538.7138.98939.44639.90140.09441.275 1-7/8″×12UN47.57947.2946.20546.05345.0645.33945.79646.25146.44947.625 2-1/2″×12UN63.45263.16262.07861.9260.93261.21461.67162.12662.33263.5ORFS螺纹9/16″×18UNF14.25214.03113.33513.22112.57312.75113.08113.37113.5214.288 11/16″×16UN17.42717.18816.39616.27415.53515.74816.10416.43116.58917.463 13/16″×16UN20.59920.36119.56819.44418.70718.92319.27919.60619.76620.638 1″×14UNF25.35725.09524.17824.03623.19523.44423.82524.22124.40725.4 1-3/16″×12UN30.11929.8328.74528.59827.627.86428.32128.78828.97930.163 1-7/16″×12UN36.46736.17735.09334.94333.94734.21434.67135.13835.33136.513 1-11/16″×12UN42.81742.52741.44341.2940.29740.56441.02141.48841.68642.863 2″×12UN50.75450.46549.3849.22548.23548.51448.97149.42649.62750.8SAE螺纹5/8″×18UNF15.83915.61814.92314.80314.16114.35114.68114.95815.1115.875 1-1/16″×14UN26.94726.68325.74325.60824.7424.96825.37525.78325.96126.987其它美制螺纹9/16″×16UN14.25214.01313.22113.10112.3612.57312.92913.25613.41114.288 7/8″×12UN22.18221.89220.80820.66819.66219.93920.39620.85121.03422.225 2-1/4″×12UN57.10456.81555.7355.57554.58554.86455.32155.77655.97657.15注:UNC粗牙螺纹系列,UNF细牙螺纹系列,UNEF超细牙螺纹系列,UN不变螺距系列布锥管螺纹基本尺寸及公差(牙形角60º) NPT基面上的直径螺纹长度螺纹代号大径中径小径有效长度管端至基面长Z1/8″×2710.2729.5198.7667 4.572 Z1/4″×1813.57212.44311.3149.5 5.080 Z3/8″×1817.05515.92614.79710.5 6.096 Z1/2″×1421.22319.77218.32113.58.028 Z3/4″×1426.56825.11723.666148.611 Z1″×11.533.22831.46129.69417.510.160Z1.1/4″×11.541.98540.21838.4511810.688Z1.1/2″×11.548.05446.28744.52018.510.688Z2″×11.560.09258.32556.5581911.074公制螺纹基本尺寸及公差(牙形角60º) M基本直径内 螺 纹外螺纹公 差 等 级公差等级6H7H6g螺纹代号大 径中 径小 径中径公差小径公差中径公差小径公差中径公差大径公差M10X1109.3508.917+0.1500+0.2360+0.1900+0.3000-0.026-0.138-0.026-0.206M12X11211.35010.917+0.1600+0.2360+0.2000+0.3000-0.026-0.144-0.026-0.206M14X11413.35012.917+0.1600+0.2360+0.2000+0.3000-0.026-0.144-0.026-0.206M12X1.251211.18810.647+0.1800+0.2650+0.2240+0.3350-0.028-0.160-0.028-0.240M14X1.251413.18812.647+0.1800+0.2650+0.2240+0.3350-0.028-0.160-0.028-0.240M12X1.51211.02610.376+0.1900+0.3000+0.2360+0.3750-0.032-0.172-0.032-0.268M14X1.51413.02612.376+0.1900+0.3000+0.2360+0.3750-0.032-0.172-0.032-0.268M16X1.51615.02614.376+0.1900+0.3000+0.2360+0.3750-0.032-0.172-0.032-0.268M18X1.51817.02616.373+0.1900+0.3000+0.2360+0.3750-0.032-0.172-0.032-0.268M20X1.52019.02618.376+0.1900+0.3000+0.2360+0.3750-0.032-0.172-0.032-0.268M22X1.52221.02620.376+0.1900+0.3000+0.2360+0.3750-0.032-0.172-0.032-0.268M24X1.52423.02622.376+0.2000+0.3000+0.2500+0.3750-0.032-0.182-0.032-0.268M26X1.52625.02624.376+0.2000+0.3000+0.2500+0.3750-0.032-0.182-0.032-0.268M27X1.52726.02625.376+0.2000+0.3000+0.2500+0.3750-0.032-0.182-0.032-0.268M30X1.53029.02628.376+0.2000+0.3000+0.2500+0.3750-0.032-0.182-0.032-0.268M33X1.53332.02631.376+0.2000+0.3000+0.2500+0.3750-0.032-0.182-0.032-0.268M36X1.53635.02634.376+0.2000+0.3000+0.2500+0.3750-0.032-0.182-0.032-0.268M39X1.53938.02637.376+0.2000+0.3000+0.2500+0.3750-0.032-0.182-0.032-0.268M42X1.54241.02640.376+0.2000+0.3000+0.2500+0.3750-0.032-0.182-0.032-0.268M27X22725.70124.835+0.2240+0.3750+0.2800+0.4750-0.038-0.208-0.038-0.318M30X23028.70127.835+0.2240+0.3750+0.2800+0.4750-0.038-0.208-0.038-0.318M33X23331.70130.835+0.2240+0.3750+0.2800+0.4750-0.038-0.208-0.038-0.318M36X23634.70133.835+0.2240+0.3750+0.2800+0.4750-0.038-0.208-0.038-0.318M39X23937.70136.835+0.2240+0.3750+0.2800+0.4750-0.038-0.208-0.038-0.318M42X24240.70139.835+0.2240+0.3750+0.2800+0.4750-0.038-0.208-0.038-0.318M45X24543.70142.835+0.2240+0.3750+0.2800+0.4750-0.038-0.208-0.038-0.318M52X25250.70149.835+0.2360+0.3750+0.3000+0.4750-0.038-0.218-0.038-0.318M60X26058.70157.835+0.2360+0.3750+0.3000+0.4750-0.038-0.218-0.038-0.318M64X26462.70161.835+0.2360+0.3750+0.3000+0.4750-0.038-0.218-0.038-0.318M72X27270.70169.835+0.2360+0.3750+0.3000+0.4750-0.038-0.218-0.038-0.318。
螺纹基本尺寸对照表(以及螺纹底孔相关尺寸)参照机械设计师首册编制 OPMSM2005年7月螺纹代号Thread code一、英制螺纹(螺纹牙型角55度)BSW——英国标准惠氏螺纹(粗牙)BSF——英国标准惠氏螺纹(细牙)G——直管螺纹(外螺纹分A、B两级即在螺纹中径公差有所区别,丝锥分G、G-D)非密封性螺纹R——锥管外螺纹(旧代号ZG;KG)RC——锥管内螺纹(旧代号ZG;KG)二、美制螺纹(螺纹牙型角60度)UNC——统一制粗牙螺纹(代替NC)UNF——统一制细牙螺纹(代替NF)UNEF——统一制超细牙螺纹UN——统一制不变螺距螺纹UNS——统一制特殊螺纹三、美制螺纹(螺纹牙型角60度)NPT——一般用途锥管螺纹(旧代号Z、K)(斜角为1°47'即1:16)NPSC——管接头直管内螺纹NPSM——设备上自由配合,机械连接用直管螺纹NPTF——干密封锥管螺纹NPSF——干密封燃料内螺纹NGT——气瓶用螺纹四、米制螺纹(螺纹牙型角60度,斜角为1°47'24"即1:16)ZM——米制锥管螺纹五、其它螺纹SM——缝纫机螺纹(螺纹牙型角60度,平顶、螺纹底部为园弧形)PZ——气瓶螺纹5V1至20V1——气门芯螺纹(螺纹牙型角60度,平顶、螺纹底部为园弧形)六、管螺纹(螺纹牙型角55度,螺纹顶、底部为园弧形约)RC——圆锥内螺纹(螺纹牙型角55度,斜角为1°47'即1:16)RP——圆柱内螺纹(螺纹牙型角55度)R——圆锥外螺纹(螺纹牙型角55度,斜角为1°47'即1:16)七、普通螺纹(螺纹牙型角60度)M——普通螺纹代号八、特殊螺纹Tr——梯形螺纹(螺纹牙型角30度)B——锯齿形螺纹(牙型角30×30度)。
THANKS !!!致力为企业和个人提供合同协议,策划案计划书,学习课件等等打造全网一站式需求欢迎您的下载,资料仅供参考-可编辑修改-。
螺纹基本尺寸对照表之司秆蘸矗创作(以及螺纹底孔相关尺寸)参照机械设计师首册编制OPMSM2005年7月螺纹代号Thread code一、英制螺纹(螺纹牙型角55度)BSW——英国尺度惠氏螺纹(粗牙)BSF——英国尺度惠氏螺纹(细牙)G——直管螺纹(外螺纹分A、B两级即在螺纹中径公差有所区别,丝锥分G、G-D)非密封性螺纹R——锥管外螺纹(旧代号ZG;KG)RC——锥管内螺纹(旧代号ZG;KG)二、美制螺纹(螺纹牙型角60度)UNC——统一制粗牙螺纹(代替NC)UNF——统一制细牙螺纹(代替NF)UNEF——统一制超细牙螺纹UN——统一制不变螺距螺纹UNS——统一制特殊螺纹三、美制螺纹(螺纹牙型角60度)NPT——一般用途锥管螺纹(旧代号Z、K)(斜角为1°47'即1:16)NPSC——管接头直管内螺纹NPSM——设备上自由配合,机械连接用直管螺纹NPTF——干密封锥管螺纹NPSF——干密封燃料内螺纹NGT——气瓶用螺纹四、米制螺纹(螺纹牙型角60度,斜角为1°47'24"即1:16)ZM——米制锥管螺纹五、其它螺纹SM——缝纫机螺纹(螺纹牙型角60度,平顶、螺纹底部为园弧形)PZ——气瓶螺纹5V1至20V1——气门芯螺纹(螺纹牙型角60度,平顶、螺纹底部为园弧形)六、管螺纹(螺纹牙型角55度,螺纹顶、底部为园弧形约)RC——圆锥内螺纹(螺纹牙型角55度,斜角为1°47'即1:16)RP——圆柱内螺纹(螺纹牙型角55度)R——圆锥外螺纹(螺纹牙型角55度,斜角为1°47'即1:16)七、普通螺纹(螺纹牙型角60度)M——普通螺纹代号八、特殊螺纹Tr——梯形螺纹(螺纹牙型角30度)B——锯齿形螺纹(牙型角30×30度)有效长度基面长度外径(d) 中径(d2) 内径(d1)911 612 6151719 1122 1323 1426 16303238本螺纹基面上各直径等于圆柱螺纹的各相应直径3/4″斜角(φ)1°47'24″锥角(2tgφ)=1:16公称直径(英寸)每英寸牙数(n)螺距(t)管子外径(d) 管接头螺纹内径(d1') 牙型高度(h1) 名义尺寸最大外径最小外径名义尺寸最大内径最小内径1/8 281/4 193/8 191/2 145/8 143/4 147/8 141 111-1/4 111-3/8 111-1/2 11 45 1-3/4 112 112-1/2 113 11外径d由公称直径所决定斜角(φ)1°47'24″锥角(2tgφ)=1:16公称直径(英寸)每英寸牙数(n)螺距(t)螺纹长度基面上螺纹直径牙型高度(h1) 有效长度基面长度外径(d)中径(d2)内径(d1)1/16 271/8 27 71/4 183/8 181/2 143/4 14 141 11-1/21-1/4 11-1/2 181-1/2 11-1/22 11-1/2 19外径d由公称直径所决定3/8″斜角(φ)1°47'24″锥角(2tgφ)=1:16公称直径每寸牙数螺距(t)外螺纹外径内螺纹内径选用钻头名义尺寸最大尺寸最小尺寸名义尺寸最大尺寸最小尺寸3/16″24 Φ1/4″20 Φ5/16″18 Φ3/8″16 Φ7/16″14 Φ1/2″12 Φ9/16″12 Φ5/8″11 Φ3/4″10 Φ7/8″9 Φ1″8 Φ22 1-1/8″71-1/4″71-3/8″ 61-1/2″ 61-3/4″ 51-7/8″2″内螺纹(d')公称直径 3/4″=19.05 mm外螺纹(d1)内径 d'-1.28 t 3/4″=19.05 -1.28 * 2.54=15.79 mm 外螺纹(d1')内径 d'-1.134 t 3/4″=19.05 -1.134 * 2.54=16.16 mm公称直径(英寸)每英寸牙数(n)螺距(t) 外螺纹外径内螺纹内径名义尺寸名义尺寸11/16 143/8 207/8 11 22 5/8 143/4 121/4 261/2 161 10内螺纹d'(公称直径)外螺纹d1=内径=d'-1.28t 3/4″内螺纹d1=内径=d'-1.134t 3/4″3/4″。
切削速度與切削液
◎最適○適用△可使用-不可使用
註(1)M1.4以下等級:5H、M1.6以上等級:6H (2)基於JIS B 0209-1982標準
螺紋下孔徑表
(2)基於JIS B 0211-1982標準螺紋下孔徑表。
螺紋下孔徑表
美制管用耐密斜行螺紋(NPTF‧NPSF) (單位:。
螺紋下孔徑表(無屑絲攻用)
公制螺紋(NRT) (單位:mm)
螺紋下孔徑表(無屑絲攻用)
螺紋下孔徑表(無屑絲攻用)
英制管用平行螺紋(NRT) (單位:mm)
螺紋下孔徑表(無屑絲攻用)
螺紋下孔徑表(護套螺紋用)
公制粗牙螺紋HL-NRT (單位:mm)
螺紋下孔徑表(護套螺紋用)
螺紋下孔徑表(護套螺紋用)
各種換算表。