石膏板吊顶前各项隐蔽验收情况记录表
- 格式:doc
- 大小:70.50 KB
- 文档页数:2
吊顶工程隐蔽验收记录云南省住房和城乡建设厅印刷给排水工程隐蔽验收记录云南省住房和城乡建设厅印刷吊顶工程隐蔽验收记录云南省住房和城乡建设厅印刷建筑装饰装修分部工程质量操纵资料核查记录云南省住房和城乡建设厅印刷特种门安装工程检验批质量验收记录GB50210-2001(I)YN030304□□云南省住房和城乡建设厅印刷特种门安装工程检验批质量验收记录GB50210-2001 YN030901□□云南省住房和城乡建设厅印刷室内给排水管道及配件安装工程检验批质量验收记录GB50242-2002(1)YN050101□□云南省住房和城乡建设厅印刷室内排水管道及配件安装工程检验批质量验收记录GB50242-2002(1)YN050201□□云南省住房和城乡建设厅印刷成套柜、操纵柜(屏、台)和动力照明配电柜(盘)安装工程检验批质量验收记录GB50303-2002(IV)(照明配电箱(盘)YN060501□□云南省住房和城乡建设厅印刷电线导管、电缆导管和线槽敷设工程检验批质量验收记录GB50303-2002(I)(室内)(II)YN060304□□YN060405□□YN060502□□YN060605□□云南省住房和城乡建设厅印刷专用灯具安装工程检验批质量验收记录GB50303-2002 (1)(行灯及变压器,游泳池类似场所灯具,手术台无影灯)YN060508□□云南省住房和城乡建设厅印刷开关、插座、风扇安装工程检验批质量验收记录GB50303-2002(主控项目)YN060408□□YN060509□□云南省住房和城乡建设厅印刷建筑物照明通电试运行工程检验批质量验收记录GB50303-2002 YN060108□□YN060510□□云南省住房和城乡建设厅印刷。
表C5-1隐蔽工程检查记录(通用)安阳市建筑工程质量监督站监制表C5-1隐蔽工程检查记录(通用)安阳市建筑工程质量监督站监制表C5-1隐蔽工程检查记录(通用)隐检依据:施工图号建筑设计总说明、内装深化设计施工图,设计变更/洽商/技术核定单(编bia 号工作联系单SG-066、工作联系单SG-107、工程联系单HNEJ-TJ-042/HNEJ-AZ-018及有关国家现行标准等。
主要材料名称及规格/型号:U型38轻钢烤漆龙骨、T型38铝合金喷漆龙骨、6钢筋吊杆、M6膨胀螺栓。
隐检内容:1、吊杆采用6钢筋吊杆,固定间距≤1200mm,灯具和风扇另加吊杆安装;2、硅钙板吊顶主龙骨采用U型38轻钢烤漆龙骨,间距≤1200mm;3、硅钙板T型主次龙骨采用铝合金喷漆龙骨,间距≤600mm;4、吊顶内各种电线管,喷淋头、烟感器等安装位置正确;5、金属吊杆及龙骨表面按规范进行防腐处理。
安阳市建筑工程质量监督站监制表C5-1隐蔽工程检查记录(通用)隐检依据:施工图号建筑设计总说明、内装深化设计施工图,设计变更/洽商/技术核定单(编bia 号工作联系单SG-066、工作联系单SG-107、工程联系单HNEJ-TJ-042/HNEJ-AZ-018 )有关国家现行标准等。
主要材料名称及规格/型号:U型38轻钢烤漆龙骨、T型38铝合金喷漆龙骨、6钢筋吊杆、M6膨胀螺栓。
隐检内容:1、吊杆采用6钢筋吊杆,固定间距≤1200mm,灯具和风扇另加吊杆安装;2、硅钙板吊顶主龙骨采用U型38轻钢烤漆龙骨,间距≤1200mm;3、硅钙板T型主次龙骨采用铝合金喷漆龙骨,间距≤600mm;4、吊顶内各种电线管,喷淋头、烟感器等安装位置正确;5、金属吊杆及龙骨表面按规范进行防腐处理。
安阳市建筑工程质量监督站监制表C5-1隐蔽工程检查记录(通用)隐检依据:施工图号建筑设计总说明、内装深化设计施工图,设计变更/洽商/技术核定单(编bia 号工作联系单SG-066、工作联系单SG-107、工程联系单HNEJ-TJ-042/HNEJ-AZ-018 )及关国家现行标准等。
轻钢龙骨石膏板吊顶隐蔽工程验收记录统表
第 1 页共
注:如需绘制图纸的附本记录后。
木门隐蔽工程验收记录
统表
第页共
注:如需绘制图纸的附本记录后。
二层环廊暗龙骨吊顶隐蔽工程验收记录
统表
第页共页
注:如需绘制图纸的附本记录后。
会议区吊顶乳胶漆隐蔽工程验收记录统
表
第页共页
注:如需绘制图纸的附本记录后。
观众厅吊顶乳胶漆隐蔽工程验收记录统
表
第页共页
注:如需绘制图纸的附本记录后。
圆形休息厅隐蔽工程验收记录
统表
第页共页
注:如需绘制图纸的附本记录后。
卫生间吊顶隐蔽工程验收记录统表
第页共
注:如需绘制图纸的附本记录后。
暗龙骨吊顶隐蔽工程验收记录统
表
第页共
注:如需绘制图纸的附本记录后。
楼梯及贵宾室吊顶隐蔽工程验收记录
统表
第页共
注:如需绘制图纸的附本记录后。
环廊吊顶隐蔽工程验收记录统表
第页共页
注:如需绘制图纸的附本记录后。
会议室吊顶隐蔽工程验收记录统
表
第页共
页
注:如需绘制图纸的附本记录后。
会议室吊顶隐蔽工程验收记录
统表
第页共页
注:如需绘制图纸的附本记录后。
观众厅吊顶龙骨隐蔽工程验收记录
统表
第页共
注:如需绘制图纸的附本记录后。
休息厅、报告厅吊顶隐蔽工程验收记录
统表
第页共页
注:如需绘制图纸的附本记录后。
骨架隔墙隐蔽工程验收记录
统表
第页共页
注:如需绘制图纸的附本记录后。
隐蔽工程验收记录骨架隔墙隐蔽工程验收记录统表第 1 页共2页常州市体育场游泳馆室内工程名称项目经理陈米良装饰工程(B3)标段分项工程名称骨架隔墙专业工长茅惠进隐蔽工程项目比赛大厅轻钢龙骨隔墙施工单位江苏华淳建设工程有限公司GB50210-2001 施工标准名称及代号施工图名称及编号监理(建设)单位验收质量要求施工单位自查记录记录隔墙采用75轻钢龙骨,单面隔墙用龙骨、配件、墙面封双层12mm厚防水石膏板,板符合设计要求隔墙高度为4m,符合设计要求天龙骨、38横撑龙骨与墙面的木针固定,且固定牢固,地隔墙龙骨间距和构造连接龙骨与原混凝土地面固定牢隐蔽工程部位方法符合设计要求固,75竖向龙骨间距400mm,38横撑龙骨间距1000mm,符合设计要求所有木结构刷防火漆应符所有木结构刷防火漆3度,符合设计要求合设计要求施工单位自查结论施工单位项目技术负责人:年月日监理(建设)单位验收结论监理工程师(建设单位项目负责人): 年月日注:钢结构隔墙详图附后。
墙面造型木龙骨基层隐蔽工程验收记录统表第 1 页共2 页常州市体育场游泳馆室内工程名称项目经理陈米良装饰工程(B3)标段分项工程名称骨架隔墙专业工长茅惠进四层包间墙面造型木龙骨隐蔽工程项目施工单位江苏华淳建设工程有限公司基层GB50210-2001 施工标准名称及代号施工图名称及编号监理(建设)单位验收质量要求施工单位自查记录记录墙面基层龙骨采用25*30木墙面龙骨、配件、墙面板龙骨钉制,且钉制牢固符合设符合设计要求计要求墙面基层龙骨与固定在墙面的木针固定,且固定牢固,横墙面龙骨间距和构造连接向龙骨间距300mm,竖向龙隐蔽工程部位方法符合设计要求骨间距300mm,符合设计要求木结构防火应符合设计要所有木结构刷防火漆3度符求合设计要求施工单位自查结论施工单位项目技术负责人:年月日监理(建设)单位验收结论监理工程师(建设单位项目负责人): 年月日注:木龙骨结构详图附后。
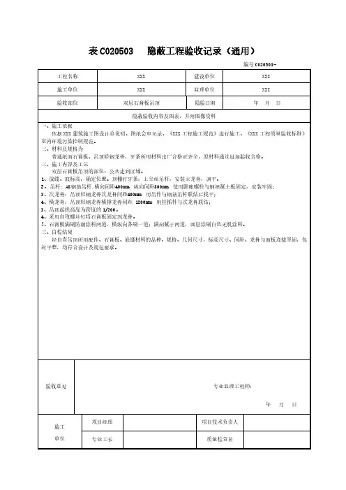
表C020503隐蔽工程验收记录(通用)
编号C020503-工程名称XXX建设单位XXX
施工单位XXX监理单位XXX
验收部位双层石膏板吊顶隐验日期年月日
隐蔽验收内容及图表,并附图像资料
一、施工依据
依据XXX建筑施工图设计总说明、图纸会审记录、《XXX工程施工规范》进行施工、《XXX工程质量验收标准》室内环境污染控制规范。
二、材料及规格为
普通纸面石膏板、吊顶轻钢龙骨,牙条所用材料出厂合格证齐全,原材料通过进场验收合格。
三、施工内容及工艺
双层石膏板吊顶的部位:公共走到区域。
1、放线、取标高,确定位置。
顶棚打牙条,上全丝吊杆,安装主龙骨,调平。
2、吊杆:A8钢筋吊杆,横向间距400mm,纵向间距800mm,使用膨账螺栓与钢混凝土板固定,安装牢固;
3、次龙骨:吊顶轻钢龙骨次龙骨间距400mm,用吊件与钢筋吊杆联结后找平;
4、横龙骨:吊顶轻钢龙骨横撑龙骨间距1200mm,用挂插件与次龙骨联结;
3、吊顶起拱高度为跨度的1/200。
4、采用自攻螺丝钉将石膏板固定到龙骨。
5、石膏板满刷防潮涂料两道,横纵向各刷一道;满刮腻子两道,面层涂刷白色无机涂料。
三、自检结果
经自查吊顶所用配件、石膏板、嵌缝材料的品种、规格、几何尺寸,标高尺寸、间距、龙骨与面板连接坚固,包封平整,均符合设计及规范要求。
验收意见专业监理工程师:
年月日
施工单位项目经理项目技术负责人专业工长质量检查员。
表C5-1隐蔽工程检查记录(通用)安阳市建筑工程质量监督站监制表C5-1隐蔽工程检查记录(通用)安阳市建筑工程质量监督站监制表C5-1隐蔽工程检查记录(通用)隐检依据:施工图号建筑设计总说明、内装深化设计施工图,设计变更/洽商/技术核定单bian号工作联系单SG-066、工作联系单SG-107、工程联系单HNEJ-TJ-042/HNEJ-AZ-018及有关国家现行标准等。
主要材料名称及规格/型号:U型38轻钢烤漆龙骨、T型38铝合金喷漆龙骨、6钢筋吊杆、M6膨胀螺栓。
隐检内容:1、吊杆采用6钢筋吊杆,固定间距≤1200mm,灯具和风扇另加吊杆安装;2、硅钙板吊顶主龙骨采用U型38轻钢烤漆龙骨,间距≤1200mm;3、硅钙板T型主次龙骨采用铝合金喷漆龙骨,间距≤600mm;4、吊顶内各种电线管,喷淋头、烟感器等安装位置正确;5、金属吊杆及龙骨表面按规范进行防腐处理。
安阳市建筑工程质量监督站监制表C5-1隐蔽工程检查记录(通用)主要材料名称及规格/型号:U型38轻钢烤漆龙骨、T型38铝合金喷漆龙骨、6钢筋吊杆、M6膨胀螺栓。
隐检内容:1、吊杆采用6钢筋吊杆,固定间距≤1200mm,灯具和风扇另加吊杆安装;2、硅钙板吊顶主龙骨采用U型38轻钢烤漆龙骨,间距≤1200mm;3、硅钙板T型主次龙骨采用铝合金喷漆龙骨,间距≤600mm;4、吊顶内各种电线管,喷淋头、烟感器等安装位置正确;5、金属吊杆及龙骨表面按规范进行防腐处理。
安阳市建筑工程质量监督站监制表C5-1隐蔽工程检查记录(通用)隐检依据:施工图号建筑设计总说明、内装深化设计施工图,设计变更/洽商/技术核定单bian号工作联系单SG-066、工作联系单SG-107、工程联系单HNEJ-TJ-042/HNEJ-AZ-018 )关国家现行标准等。
主要材料名称及规格/型号:U型38轻钢烤漆龙骨、6钢筋吊杆、M6膨胀螺栓。
隐检内容:1、吊杆、龙骨及配套材料有合格证和质量证明文件;2、吊杆采用6钢筋吊杆,固定间距≤1200mm,灯具和风扇另加吊杆安装;3、铝合金吊顶主龙骨采用U型38轻钢烤漆龙骨,间距≤1200mm;4、吊顶内各种电线管,喷淋头、烟感器等安装位置正确;5、金属吊杆及龙骨表面按规范进行防腐处理。
表 C5-1隐蔽工程检查记录(通用)工程名称X项目编号隐检项目装饰装饰工程- 吊顶工程(石膏板)隐检日期年月日隐检部位门诊大厅层16-19/A-D轴线±标高隐检依照:施工图号建筑设计总说明、内装深入设计施工图,设计更改/洽谈/技术审定单(编工程联系单HNEJ-TJ-089)及相关国家现行标准等。
主要资料名称及规格/ 型号:60*27*主龙骨、50*19*次龙骨、50*19*横撑龙骨、M8全牙吊杆、M6*40 螺栓、M8膨胀螺栓。
隐检内容:1 、 M8 膨胀螺栓吊点间距900— 1200mm,吊杆与膨胀螺栓连结坚固,吊杆垂直;2 、 M8 全牙吊杆长度切合设计要求;3 、主龙骨两头头距离墙150-200mm,间距900-1200 ,主龙骨的悬臂端不大于300mm ;4 、次龙骨间距为 400mm与主龙骨连结坚固;5 、吊顶起拱高度为短跨度的1/200 ;6 、边龙骨由 12mm*50mm木方沿吊顶标高在周围固定,木方做防腐办理。
检查结论:□ 赞同隐蔽□ 不一样意隐蔽,改正后复查复查结论:复查人:复查日期年月日专业技术负责人专业质检员专业工长河南省第二建设企业施工单位(章)有限企业签字栏监理或建设单位(章)河南优秀工程管理有限企业专业工程师隐蔽工程检查记录(通用)工程名称X项目编号隐检项目装饰装饰工程- 吊顶工程(石膏板)隐检日期年月日隐检部位门诊大厅层15-19/E-F轴线±标高隐检依照:施工图号建筑设计总说明、内装深入设计施工图,设计更改/洽谈/技术审定单(编工程联系单HNEJ-TJ-089)及相关国家现行标准等。
主要资料名称及规格/ 型号:60*27*主龙骨、50*19*次龙骨、50*19*横撑龙骨、M8全牙吊杆、M6*40 螺栓、M8膨胀螺栓。
隐检内容:1 、 M8 膨胀螺栓吊点间距900— 1200mm,吊杆与膨胀螺栓连结坚固,吊杆垂直;2 、 M8 全牙吊杆长度切合设计要求;3 、主龙骨两头头距离墙150-200mm,间距900-1200 ,主龙骨的悬臂端不大于300mm ;4 、次龙骨间距为 400mm与主龙骨连结坚固;5 、吊顶起拱高度为短跨度的1/200 ;6 、边龙骨由 12mm*50mm木方沿吊顶标高在周围固定,木方做防腐办理。
表C5 -1编号工程名称彭家湾危旧房、棚户区改造项目C区1-8#楼隐检项目天花暗龙骨吊顶隐蔽工程隐检日期年月日隐检部位6#楼34-30石膏板吊顶隐检依据:施工图图号,设计变更/洽商(编号 / )及有关国家现行标准等。
主要材料名称及规格/型号:主龙骨:20*37*0.8;副龙骨:50*19*0.8 ;隐检内容:1、吊杆、龙骨、饰面材料安装符合要求。
2、吊杆、龙骨材质符合要求。
3、石膏板接缝符合要求。
4、灯具等设备符合设计要求。
以上隐检内容已做完,请予以检查验收。
申报人:检查意见:检查结论:□同意隐蔽□不同意,修改后进行复查复查结论:复查人:复查日期:签字栏建设(监理)单位施工单位七冶土木建筑工程有限责任公司专业技术负责人专业质检员专业工长本表由施工单位填写,建设单位、施工单位、城建档案馆各保存一份。
表C5 -1编号工程名称彭家湾危旧房、棚户区改造项目C区1-8#楼隐检项目天花暗龙骨吊顶隐蔽工程隐检日期年月日隐检部位6#楼29-24石膏板吊顶隐检依据:施工图图号,设计变更/洽商(编号 / )及有关国家现行标准等。
主要材料名称及规格/型号:主龙骨:20*37*0.8;副龙骨:50*19*0.5 ;石膏板:1220*2440*9.5mm隐检内容:5、吊杆、龙骨、饰面材料安装符合要求。
6、吊杆、龙骨材质符合要求。
7、石膏板接缝符合要求。
8、灯具等设备符合设计要求。
以上隐检内容已做完,请予以检查验收。
申报人:检查意见:检查结论:□同意隐蔽□不同意,修改后进行复查复查结论:复查人:复查日期:签字栏建设(监理)单位施工单位七冶土木建筑工程有限责任公司专业技术负责人专业质检员专业工长本表由施工单位填写,建设单位、施工单位、城建档案馆各保存一份。
表C5 -1编号工程名称彭家湾危旧房、棚户区改造项目C区1-8#楼隐检项目天花暗龙骨吊顶隐蔽工程隐检日期年月日隐检部位6#楼23-18石膏板吊顶隐检依据:施工图图号,设计变更/洽商(编号 / )及有关国家现行标准等。
石膏板吊顶隐蔽工程验收记录1. 引言说到家装,吊顶可是个大头,尤其是石膏板吊顶,真是给家里增添了不少颜值。
不过,隐蔽工程这个词听起来挺高大上的,其实它就是把很多重要的东西藏在看不见的地方。
今天,我们就来聊聊石膏板吊顶隐蔽工程的验收,看看怎么才能把这一块搞得妥妥的。
2. 隐蔽工程的意义2.1 为什么要验收?先说说为什么隐蔽工程得验收。
这可不是随便走个过场,咱可不能让这些隐形的“小东西”影响到大局。
比如说,电线如果没有合理铺设,日后可就麻烦大了!验收不仅是为了安全,更是为了家装的质量,真是“千里之行,始于足下”啊。
2.2 常见问题验收的时候,咱们可得留意几个常见问题。
比如接头处是不是严丝合缝,电线是不是走错了地方,甚至吊顶的平整度都得检查。
别小看这些细节,往往一个小问题,后面就可能酿成“大麻烦”。
所以,验收时得像侦探一样,仔细查探每一个角落。
3. 验收步骤3.1 目视检查验收第一步,当然是目视检查。
你可得眼尖,仔细看看吊顶的表面是不是平整,石膏板的接缝有没有开裂,角落里是不是有异物藏着。
这个过程就像是在寻宝,稍不留神就可能错过重要线索哦!别忘了,石膏板的边缘处理也得做到位,别让“毛边”给你留个不好的印象。
3.2 检查电线接下来,咱得检查隐蔽的电线。
电线在吊顶里跑,像个“隐形侠”一样。
你得确保它们走的路是对的,没被压到或扭成一团。
别让这些小家伙“生病”,否则一通电可就“火花四溅”了!同时,看看有没有漏电的风险,安全第一,别让小问题引发大隐患。
3.3 水管检查最后,水管也得过一遍。
虽然水管不一定在吊顶里,但吊顶周围的水管也得注意。
检查有没有渗漏的情况,水管的接口是不是紧密。
水管漏了可是“白白浪费水”,而且一旦漏水,真是“欲哭无泪”。
所以,得提前预防,保证家里干干净净。
4. 验收小贴士4.1 用心记录验收完后,记得用心记录哦!把发现的问题一一列出来,后期整改可得有个依据。
就像打怪升级,不能随便糊弄,要有条不紊的规划。
石膏板吊顶工程检验批质量验收记录表项目信息
- 工程名称: [填写工程名称]
- 吊顶位置: [填写吊顶位置]
- 吊顶材料: [填写吊顶材料]
- 检验批次: [填写检验批次]
- 检验日期: [填写检验日期]
质量验收情况
1. 吊顶材料验收情况
2. 施工验收情况
结论
通过本次质量验收,石膏板吊顶工程在吊顶材料验收和施工验收方面均符合要求,达到了预期的质量标准。
备注
[填写其他需要记录的信息,如发现的问题及处理情况等]
注:此记录表仅用于质量验收目的,如需其他用途,请联系相关部门进行申请。
吊顶安装工程验收记录表项目信息
项目名称:
项目地点:
施工单位:
监理单位:
验收日期:
吊顶工程基本情况
- 吊顶材料:(如:石膏板、铝合金板)
- 吊顶颜色和纹理:
- 吊顶造型:
- 吊顶面积:
- 吊顶高度:
- 吊顶安装位置及要求:
- 吊顶悬挂方式:
验收情况
- 材料验收
- 吊顶材料合格证书查验:
- 材料色差、损伤情况:
- 材料拼接是否平整、紧密:
- 工程验收
- 吊顶安装是否符合技术要求:
- 吊顶线条是否整齐、平直:
- 吊顶面板连接是否紧密:
- 吊顶的对齐度是否符合要求:
- 吊顶的抗震性能是否满足要求:
- 吊顶的防火性能是否满足要求:
- 吊顶的声学性能是否满足要求:
- 吊顶的耐久性是否符合要求:
- 吊顶的美观度和装饰效果是否满足要求:- 吊顶附件及配件的安装是否齐全、牢固:
验收结论
- 吊顶工程验收合格
- 吊顶工程验收不合格,需要整改的问题:
验收人员签名
施工单位代表:
监理单位代表:
业主代表:
备注
(可根据实际情况填写其他需要记录的信息)。