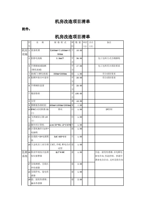
100平方机房报价清单(全)
- 格式:xls
- 大小:545.50 KB
- 文档页数:2
为使深圳市电子政务项目运行维护经费的管理进一步科学化、规范化和程序化,深圳市信息化领导小组办公室与深圳市财政局于2007年11月1日发布了《深圳市电子政务项目运行维护经费指导意见》,其中包含了《深圳市电子政务运行维护经费指导标准》(详见下表),可供有关部门在制定电子政务项目运行维护经费预算时参考。
深圳市电子政务运行维护经费指导标准
注:市财政部门可根据实际情况,原则上按照上下30%的幅度,综合平衡后,随部门预算一起,核拨各单位电子政务运维费并单立科目。
机房收费管理制度一、总则为了规范机房使用管理,保障机房设备的正常运行,维护机房安全稳定,制定本机房收费管理制度。
本制度适用于机房内所有租用单位,对机房收费事项做出规定。
二、收费标准1. 机房基础收费:根据机房面积和设备使用情况确定,每月收费标准如下:- 小型机房(面积100平方米以下):1000元/月- 中型机房(面积100-300平方米):2000元/月- 大型机房(面积300平方米以上):5000元/月2. 机房设备使用费:根据实际使用设备数量和运行时长收费,费用由租用单位根据实际情况结算。
三、收费项目1. 机房基础收费:包括机房使用场地、基础设施、基本维护和保洁等费用。
2. 机房设备使用费:包括服务器、网络设备、UPS电源等设备的实际使用费用。
四、收费方式1. 按月结算:租用单位需在每月的指定时间前缴纳当月的租金,逾期未缴纳的,将按日计算滞纳金。
2. 提前缴纳:租用单位发现无法按时缴纳租金的情况下,应提前向机房管理部门提出申请,经审批可提前缴纳租金。
五、收费管理1. 缴纳凭证:租用单位应以正式发票、转账凭证或电子支付凭证等形式缴纳租金,并确保汇款信息与合同一致。
2. 收费明细:机房管理部门应制定详细的收费明细,包括每项费用的具体标准和结算细则,确保收费公平合理。
3. 财务管理:机房收费资金由机房管理部门专人负责收付,按时入账,并确保资金安全。
六、收费监督1. 定期审计:机房管理部门应配合相关部门对机房收费情况进行定期审计,确保收费合理规范。
2. 记录备查:机房管理部门应妥善保存收费记录和凭证,并向相关部门备案备查。
七、违规处理1. 逾期未缴:逾期未缴纳租金的单位将按日计算滞纳金,并向相关部门报备,必要时将停止提供服务。
2. 不当扣费:机房管理部门不得随意调整收费标准,如有违规扣费行为,将给予严肃处理。
八、其他规定1. 本制度经机房管理部门会审通过后,将对所有租用单位实施,不得擅自修改。
2. 任何单位对机房收费制度的调整应提前向机房管理部门申请,并经批准后执行。