继电保护班长岗位职责说明书
- 格式:doc
- 大小:99.00 KB
- 文档页数:3
继电保护班长岗位职责说明
工作范围:
线材区域:新区35KV各总降压站及10KV保护装置校验;老区220KV站、110KV各总降压站及10KV保护装置校验;其他部门:二级厂及发电厂、制氧厂、委托保护校验工作;焦化区域:中心站及10KV保护装置校验工作。
必备知识:
1、了解本厂电气一次系统接线方式,熟知电气设备预防性试验
规程。
2、了解本厂继电保护与自动装置整定原则及配置情况。
3、了解一般电力系统短路电流的计算知识。
4、掌握所辖区域各种保护、安全自动装置的工作原理、性能维
护和运行知识。
5、看懂220KV及以下各种继电保护与自动装置的原理图、展开
图、安装图,并能检查判断其回路的正确性。
6、掌握专业配线工配线标准并要求下属执行。
7、须能调试110KV及以下各种线路保护和自动装置、自动同期
装置,发电厂及发变组装置,并能排除故障。
岗位职责:
1、负责动力车间所辖电气设备的继电保护、安全自动装置、远
动及二次回路的检修、维护,并做好存档工作。
2、负责动力车间所辖区域的继电保护和安全自动装置不正确的
调查分析和防范措施。
3、负责动力车间所辖区域的二次巡检工作,并对缺陷隐患进行
处理。
4、搞好技术培训工作,不断提高本班组人员业务技术素质。
5、接受上级电气专职工程师的指导,按时完成其下达的系统继
电保护和安全自动保护装置、远动及二次回路的改造工程、定值更改工作。
6、与点检站配合协调好检修及维护工作。
7、与能源其他部门结合做好电度表校验工作。
继电保护班班长岗位责任制概述继电保护班班长是电力系统中一份重要的职务,其工作职责包括安排班组工作、指导班组成员的操作、保证继电保护系统正常运行等。
为了保证电力系统的安全运行,建立继电保护班班长岗位责任制是必不可少的。
岗位职责1.制定班组工作计划和任务分配,根据学习情况要求班组成员进行继电保护系统的检查和维护;2.指导班组成员进行继电保护系统操作,及时处理继电保护设备故障;3.定期检查继电保护系统的运行状况,及时进行故障排除;4.汇总继电保护系统相关数据,定期上报。
岗位要求1.熟悉继电保护系统的结构、原理、故障检查和维修方法,具备一定的相关知识和技能;2.具有较强的沟通协调能力和团队合作精神,能够根据需要合理调配班组成员的工作和学习任务;3.具有一定的组织管理能力和责任心,在保证班组成员完成工作任务的同时,保证继电保护系统正常运行;4.具备较强的数据分析能力,能够对继电保护系统相关数据进行科学合理的处理和分析。
岗位培训为了保证继电保护班班长的能力和素质,需要进行专业培训。
培训内容包括:1.继电保护系统结构原理和工作流程;2.继电保护系统故障诊断和排除方法;3.继电保护设备维护和保养技巧;4.继电保护系统数据分析和处理方法。
岗位责任继电保护班班长是电力系统中的重要职务,在工作中需要承担相应的责任。
如果因疏忽大意或其他原因造成电力设施损坏或安全事故,就需要承担相应的责任,并受到相应的惩罚。
因此,继电保护班班长需要时刻保持高度的警惕性和责任感,认真履行自己的职责,保障电力系统稳定安全运行。
总结继电保护班班长是电力系统中不可或缺的职务,需要具备较强的专业知识和职业精神。
建立健全的继电保护班岗位责任制,能够有效地提高班组成员的工作效率和工作质量,保障电力系统的稳定运行。
因此,电力系统需要在岗位职责、培训和责任方面进行规范和管理,提高继电保护班班长的敬业精神和工作能力。
继电保护班班长岗位责任制范文一、岗位背景和职责说明1. 岗位背景继电保护班班长是负责维护企业继电保护系统的紧要职位,担负着继电保护设备的检修、维护、调试和故障处理等工作。
2. 岗位职责继电保护班班长的重要职责包含但不限于以下几项:1.负责组织和布置继电保护班的工作,确保继电保护设备正常运行。
2.订立继电保护设备的日常巡检计划,确保设备正常运行且无故障。
3.及时处理继电保护设备的故障,并记录故障处理过程和结果,提交给上级部门。
4.组织开展继电保护设备的定期维护工作,确保设备的长期稳定运行。
5.负责继电保护设备的调试工作,确保设备准确、可靠地工作。
6.负责编写和完满继电保护设备的操作规程和工作流程,确保设备使用和维护的规范性。
7.培训继电保护班成员,提高团队的专业技能水平和维护本领。
8.监督继电保护设备的使用情况,及时发现问题并提出改进建议。
9.及时反馈继电保护设备的技术更新需求,促进设备的升级和改造。
二、管理标准1. 工作目标和绩效要求继电保护班班长需要完成以下工作目标和绩效要求:1.维持继电保护设备的良好工作状态,保障生产运行的正常进行。
2.及时处理继电保护设备的故障,保证生产不受影响。
3.定期开展继电保护设备的巡检和维护工作,确保设备长期稳定运行。
4.提高继电保护班成员的技术水平,提升团队的整体维护本领。
2. 工作流程和操作规范继电保护班班长需要依照以下工作流程和操作规范进行工作:1.依照订立的巡检计划,对继电保护设备进行定期巡检,并填写巡检记录。
2.及时处理继电保护设备的故障,包含故障排查、故障诊断和故障修复等。
3.对继电保护设备进行定期维护,包含清洁、润滑、焊接等,确保设备的正常运行。
4.编写和完满继电保护设备的操作规程和工作流程,确保设备的使用和维护的规范性。
3. 管理机制和沟通协调继电保护班班长需要建立有效的管理机制和沟通协调机制,确保工作的顺利进行:1.设立工作汇报制度,每周向上级部门提交工作汇报,包含工作进展、问题和建议等。
继电保护班班长岗位责任制模板第一章总则第一条目的和依据为规范继电保护班班长的工作职责,优化继电保护班的管理和运作,提高继电保护工作的质量和效率,提出本岗位责任制模板。
本模板依据国家相关法律法规以及企业内部规章制度和管理制度,结合继电保护班的工作特点和实际需求进行订立。
第二条适用范围本岗位责任制模板适用于全部继电保护班的班长。
第二章继电保护班班长岗位职责第三条岗位职责1.组织、协调和管理班内继电保护人员的工作,确保工作任务的完成;2.负责订立和完善本岗位责任制模板,并进行定期修订;3.负责布置继电保护班的交接班工作,确保交接班流程的顺利进行;4.监督和引导继电保护人员的工作,供应必需的培训和引导,提高继电保护人员的综合素养和技术本领;5.组织调配继电保护人员,合理布置班内人员的工作岗位,确保工作任务的合理调配和执行;6.负责继电保护仪器设备的管理和维护,包含维护和修理保养、安全使用等工作;7.协调处理班内工作中的突发情况和问题,并及时向上级汇报;8.落实安全生产责任,保障继电保护工作的安全和稳定进行;9.完成上级领导交办的其他工作。
第四条工作成绩评价1.继电保护班工作任务的完成情况;2.继电保护设备的正常运行情况;3.继电保护人员的工作态度和综合素养;4.班内交接班工作的规范性和准确性;5.应急情况的应对本领和处理效果;6.其他与岗位职责相关的工作。
第三章班长工作管理第五条组织架构1.继电保护班班长一人,直接管理本班的继电保护人员。
第六条继电保护人员管理1.班长负责对班内继电保护人员的考核和评价,评估其工作成绩和个人表现;2.班长负责对继电保护人员的培训和技术引导,提高其专业本领和工作水平;3.班长负责对继电保护人员的工作进行监督和引导,确保工作任务的完成;4.班长负责对继电保护人员的工作进行调度和布置,合理调配工作任务。
第七条工作流程管理1.班长负责订立本班的工作流程,明确工作环节和责任人;2.班长负责监督工作流程的执行情况,及时发现和解决问题;3.班长负责对工作流程进行优化和改进,提高工作效率和质量。
继电保护班长岗位职责作为继电保护班长,职责包括但不限于以下几个方面:1. 组织和协调班组工作:继电保护班长负责组织和协调班组成员的工作,包括制定工作计划、安排任务、分工合作等。
确保班组工作有序进行,提高工作效率。
2. 进行设备检修和维护:继电保护班长负责设备的定期检修和维护,包括继电保护装置、保护元件、连接线路等的检查、清洁、更换等工作。
保证设备的正常运行,提高设备的可靠性和稳定性。
3. 进行继电保护装置的调试和测试:继电保护装置的准确性和可靠性对电力系统的安全运行至关重要。
继电保护班长负责组织和实施继电保护装置的调试和测试工作,确保其符合相关规范和要求。
4. 处理设备故障和事故:当设备发生故障或事故时,继电保护班长负责及时处理,分析故障原因,并采取相应的措施进行修复和恢复。
必要时,协调其他部门的工作,以确保电力系统的安全运行。
5. 制定保护计划和措施:继电保护班长负责制定电力系统的保护计划和措施,包括定期检修和维护计划、故障处理方案、备用设备准备等。
并根据实际情况不断完善和优化计划和措施,以提高电力系统的可靠性和安全性。
6. 开展班组培训和技术指导:继电保护班长负责开展班组成员的培训工作,包括新员工的培训和在职员工的技术提升培训等。
并提供技术指导和支持,帮助班组成员解决技术难题,提升工作能力。
7. 熟悉相关法规和标准:继电保护班长需要熟悉国家和地方相关的电力法规和标准,包括继电保护的标准、程序和操作规程等。
并及时跟进法规和标准的更新和变化,确保工作符合法规和标准要求。
8. 参与技术交流和研讨:继电保护班长需积极参与行业内的技术交流和研讨会,了解和学习最新的继电保护技术和设备,不断提升自己的技术水平和专业知识。
9. 完成领导交给的其他工作:作为继电保护班长,还需要完成领导交给的其他相关工作,例如编写工作报告、收集统计数据等。
作为继电保护班长,不仅需要具备扎实的电力专业知识和技术能力,还需要具备较强的组织协调能力、问题解决能力和团队合作精神。
继电保护班班长岗位职责(大全五篇)第一篇:继电保护班班长岗位职责继电保护班班长岗位职责范围本规范规定了继电保护班长的岗位职责、上岗标准、任职资格。
本规范适用于继电保护班长工作岗位。
岗位职责2.1 职能范围与工作内容2.1.1 负责本班全面工作,对全班的安全生产、设备管理、人员分工管理和奖惩考核全面负责。
2.1.2 负责设备维护部所辖电气设备的继电保护、安全自动装置、电测仪表、远动及其二次回路的检修、维护工作。
2.1.3 是本班第一安全员,对本班成员及所辖设备安全负领导责任,认真落实安全生产责任制。
组织开展每周安全活动及季节性安全大检查,对本班发生的事故及不安全情况及时组织分析、制定措施,坚持“四不放过”原则。
2.1.4 组织继电保护和安全自动装置不正确动作的调查分析和防范措施的制定。
2.1.5 组织继电保护、安全自动装置、电测仪表、远动装置检验后的验收工作。
2.1.6 组织继电保护和安全自动装置反事故措施的制定和实施。
2.1.7 负责制定本班的大、小修计划及年、月工作计划。
2.1.8 审核本班备品备件计划,做好备品备件的选型、验收、保管等管理工作。
2.1.9 严格执行经济责任制,认真落实各项经济指标,开展节能降耗工作,提高劳动效率和经济效益。
2.1.10 加强民主管理,严格劳动纪律,搞好班组建设,组织政治学习,不断提高本班人员的综合素质。
2.1.11 搞好技术培训工作,不断提高本班人员业务技术素质。
2.2 技术管理要求2.2.1 组织开展技术革新、合理化建议和QC小组活动。
2.2.2 积极推广应用先进经验、先进技术、新材料、新工艺。
2.2.3 搞好材料、仪器、仪表、工具、设备台帐、图纸、试验报告的管理工作。
2.2.4 组织继电保护和安全自动装置运行规程的编写和修改工作。
2.3 工作协作关系2.3.1 行政上受维护部主任领导,技术上受维护部分管副主任、电气专责工程师指导。
2.3.2 接受上级调度部门继电保护处的技术指导,按时完成其下达的系统继电保护和安全自动装置检验、更新改造、定值更改、事故调查分析、反事故技术措施实施等任务。
继保室班长的安全职责模版(一)班组长是本班组的安全第一责任人,在室主任和专工的领导下负责本班安全生产全面工作,对全班的安全生产文明生产设备管理人员分工劳动纪律和奖惩考核等负全面领导责任,对所负责的工作负有管理责任。
(二)负责贯彻执行定期维护和点检定修制度,组织消除设备缺陷,提高设备健康水平。
(三)负责按照项目工期和质量要求,组织完成本班所辖设备的大修小修和临时抢修工作。
(四)负责严格质量管理,按照检修工艺规程和检修质量标准,对检修调试后的设备组织验收评级,确保检修和调试质量。
(五)负责执行监督条例,按上级要求,确保仪表校前合格率仪表校验率保护投入率____%,自动装置投入率____%以上,最大限度地减少保护误动,杜绝拒动。
(六)负责严格执行工作票制度及有关安全的规程规定和要求,做好安全措施的制定布置落实和检查工作,定期开展安全分析活动;按照四不放过的原则,对不安全现象组织检查分析,制定防范措施。
(七)负责按照定员定额组织生产,做好经济责任制的落实考核工作,开展节能降耗活动,提高经济效益。
(八)负责组织技术培工作,开展技术问答考问讲解和反事故演习活动,提高全班人员的技术水平和实际操作能力。
(九)负责搞好备品配件的选型计划验收及保管工作,搞好技术管理工作,管辖设备的图纸资料检修记录和调试报告等应完整齐全,摆放整齐。
积极推广本专业新技术新材料新工艺和新设备。
(十)负责全员落实文明施工,文明检修,杜绝野蛮作业,做到工完料净场地清,搞好所辖设备的卫生,及时消除泄漏,做到物见本色,标志清晰。
(十一)负责做好与运行人员相关班组和工种的配合。
(十二)主持召开好班前班后会,落实二交三查。
有针对性地组织每周一次的班组安全日活动,并做好安全活动记录。
(十三)做好岗位安全技术培训,新入公司工人的第三级安全教育和全班人员经常性的安全思想教育。
(十四)负责本班组重大危险源的评估检查问题整改及台账建立工作。
对本班组重大危险源评估的准确性负管理责任。
安全技术部继电班班长工作作为安全技术部继电班班长,工作的核心是负责继电保护设备的运行、维护和管理工作。
具体职责包括以下几个方面:1. 设备运行管理:负责继电保护设备的正常运行,包括设备巡检、设备运行参数监控、设备故障排除等。
要定期进行设备巡检,确保设备的正常运行,并及时解决设备故障。
要注意设备的运行参数,如电流、电压、频率等,及时进行监控和分析,提前发现潜在问题并采取措施解决。
2. 设备维护管理:继电保护设备需要定期进行维护和保养,以确保设备的稳定性和可靠性。
作为班长,要制定维护计划,并组织班组成员进行设备的维护工作。
要做好设备维护记录,及时整理、归集设备的维护情况和故障记录,为后续的设备维修和故障分析提供依据。
3. 设备管理优化:针对继电保护设备的管理优化,可以从以下几个方面入手。
首先,要建立设备档案,对每台设备的基本信息、安装位置、运行参数等进行详细记录。
其次,要制定设备管理制度,明确设备维护的操作规范和流程。
再次,要加强设备的管理和监控,利用现代化的设备监测系统,对设备进行实时监控和数据分析,提前预测设备可能出现的故障。
最后,要建立设备故障分析制度,对设备的故障原因进行深入分析,并提出相应的改进措施,以提高设备的可靠性和安全性。
4. 团队管理:作为继电班班长,要负责组织和协调班组成员的工作。
要制定班组的工作计划,明确各成员的职责和工作重点。
要加强团队建设,通过培训和学习,提高班组成员的专业技能和综合素质。
要激励和激励班组成员,及时表彰优秀成员和成绩。
要建立班组的沟通渠道,定期组织班组会议,及时交流工作情况和问题,共同解决难题。
在工作中,要注重综合能力的培养和提高。
首先,要具备扎实的技术功底,对继电保护设备的原理和工作原理有较深入的了解,并能熟练掌握设备的操作和维护技能。
其次,要具备较强的分析和解决问题的能力,能够准确判断设备故障的原因,并能采取有效的措施解决。
再次,要具备较强的组织和协调能力,能够有效地组织班组成员的工作,协调各方的利益关系。
继保室班长的安全职责范文作为继保室班长,负责维护继电保护设备的正常运行和电力系统的稳定性,安全是继保室班长最重要的职责之一。
以下是关于继保室班长安全职责的范文,希望对你有所帮助。
继保室班长负责继电保护设备的操作与管理,以确保电力系统的安全运行。
安全职责包括但不限于以下几个方面:1. 制定和执行安全管理制度作为继保室班长,首先要制定和执行继保室的安全管理制度,包括操作规程、应急预案等。
这些制度的目的是提供明确的操作指导和安全流程,确保操作人员按照规定操作,遵循安全程序。
2. 检查和维护继电保护设备继保室班长要定期对继电保护设备进行检查和维护,确保设备正常运行。
这包括设备的清洁、紧固、接线等,以及定期的维护保养和设备的测试和校验。
继保室班长应制定维护计划,定期对设备进行维护,确保设备的可靠性和安全性。
3. 确保操作人员的培训和安全意识继保室班长要负责对继电保护设备操作人员进行培训,包括设备的操作流程、安全规范等。
此外,继保室班长还要加强安全教育,提高操作人员的安全意识,确保操作人员能够正确操作设备,做到严格遵守操作规程和安全规范。
4. 及时排查和处理安全隐患继保室班长要定期检查继电保护设备运行情况,及时发现和排查安全隐患。
一旦发现安全隐患,继保室班长应及时采取措施,确保隐患得到及时处理,防止可能的事故发生。
同时,继保室班长还要做好安全事故的记录和分析工作,总结经验教训,提高安全管理水平。
5. 加强与其他部门的沟通与协调继保室班长要与电力系统的其他部门保持良好的沟通与协调,及时了解电力系统的运行情况和变化,以及其他部门的需求和要求。
继保室班长要与运维部门、装备部门等紧密合作,共同解决电力系统和继电保护设备的问题,确保电力系统的安全运行。
以上是关于继保室班长的安全职责范文,希望对你有所帮助。
在实际工作中,继保室班长还需要不断学习和提升自己的专业知识和技能,加强自身的安全管理能力,以确保电力系统的安全稳定运行。
继保室班长的安全职责继保室是电力系统中最紧要的部分,负责维护电力系统的正常运行、保障电网安全。
继保室班长作为该部门的领袖,在工作中承当侧紧要的安全职责,需要谙习电力系统的工作原理、电力安全规范,把握继保室和现场安全管理方法,负责设计、计划和实施继保室的安全保障工作。
本文将对继保室班长的安全职责进行实在阐述。
一、安全团队管理继保室班长要负责继保室班构成员的安全教育和培训,对班构成员组织实施安全生产有关的规章制度和技术标准,开展安全行为规范、事故教育和防范学问培训及其它有关安全方面的工作,适时发觉并处理安全隐患。
此外,要订立安全方案,明确安全措施和安全标准,引导检查人员检查继保室的状态,排查潜在的安全隐患,保障继保室的安全运行。
二、实时监控设备的运行继保室班长应当具备用电安全专业学问和技能,谙习电力系统的运行与维护流程。
定期检查设备运行情形,开展继保室设备及相关设施的点检、巡查检查,对检查结果的处理进行有序记录。
对电力系统中的故障,适时处理异常的报警信号,防止故障扩大影响,避开事故发生的可能。
依据设备自身特性和工作环境,合理设计设备的使用方法,保证设备稳定、安全、高效的运行。
三、安全意识教育在工作中,继保室班长应强化自身安全意识,加强对工作环境的维护和管理,加强对工作人员的安全培训和教育,提高员工本身的安全意识和自我保护本领,提高工作人员的电力安全意识和维护工作的基本技能。
同时,要注意人员的着装,提高消防安全意识,加强消防学问,灭火应急措施等防范措施。
四、安全预警管理为供给稳定的电力供应,继保室班长要始终保持监测设备的功能开启,并定期进行相关数据的分析和处理。
做好预警工作,布置专人加强巡检和监控,对意外事故进行强化的防范和处理工作,随时保持警觉性,保证电力系统运行的安全性、牢靠性和稳定性。
五、应急演练继保室班长要加强安全意识培训,并组织员工进行应急演练,强化员工在应急情况下的紧急处理本领,防范事故的发生。
2024年继保室班长的安全职责随着科技的飞速发展和人们对能源的依赖不断增加,继电保护设备在电力系统中的重要性也日益凸显。
作为继电保护设备的核心岗位,继保室班长肩负着维护电力系统稳定运行和保障用电安全的重要职责。
2024年,随着电力系统的规模扩大和智能化水平的提高,继保室班长的安全职责也将进一步增加。
在这篇文章中,我将详细介绍2033年继保室班长的安全职责,并提出一些应对策略。
2033年的继保室班长首要的安全职责是确保继电保护设备的正常运行。
随着电力系统规模的扩大,继电保护设备的数量和复杂性也将显著增加。
继保室班长需要定期检查和维护继电保护设备,确保其能够准确地对电力系统中的异常情况做出反应,并及时采取正确的保护措施。
这需要他们具备扎实的电力系统知识和对继电保护设备操作的熟练技能。
同时,继保室班长还需掌握先进的电力系统监测和故障诊断技术,能够准确判断和处理各类电力系统故障,确保电力系统的稳定运行。
继保室班长的第二个安全职责是确保继电保护设备的运维工作安全。
继电保护设备的运维工作常常涉及高压电场和高压设备,存在着一定的安全风险。
继保室班长需要严格执行电力系统的安全操作规程,采取必要的防护措施,确保自身和其他运维人员的安全。
此外,继保室班长还需要制定和组织实施继电保护设备的维护计划,合理安排运维人员的工作,确保每位运维人员具备必要的技术素质和操作技能,从而减少事故的发生。
除了上述职责,2033年的继保室班长还需要对电力系统的安全进行全面的监控和管理。
随着电力系统智能化水平的提高,继保室班长需要利用大数据和人工智能技术对电力系统状态进行实时监测和分析,发现异常情况并及时采取措施。
继保室班长还需要与其他部门和单位密切合作,及时共享信息,确保对突发事件的响应能力。
此外,继保室班长还需要组织开展安全培训和演练,提高运维人员的应急处理能力和安全意识。
为了有效履行继保室班长的安全职责,首先需要建立健全的安全管理体系。
安全技术部继电班班长工作模版一、岗位描述班长是安全技术部继电班的领导者和管理者,主要负责班组的组织、协调和工作指导。
班长需要具备良好的综合素质和专业知识,能够组织班组成员开展工作,确保工作的高效进行和安全顺利完成。
二、岗位职责1. 组织协调- 负责继电班的日常组织、协调和工作安排。
- 确保班组成员的工作任务和目标的明确、具体,并进行有效的组织和协调,提高工作效率。
- 组织班组成员进行岗前培训和技术交流,提高综合素质和专业技能。
2. 工作指导- 指导班组成员开展工作,确保工作按照规定流程和操作规程进行,提高工作质量和安全性。
- 对班组成员进行工作岗位技术指导和操作规范培训,提高团队成员专业技能水平。
- 及时解答班组成员的工作疑问,协助解决工作中的技术难题。
3. 安全管理- 督促班组成员按照安全规章制度和安全操作规程开展工作,确保工作安全性。
- 组织开展安全交底、安全教育和安全演练,提高班组成员的安全意识和应急能力。
- 及时查找和排除工作中的安全隐患,确保生产过程的安全顺利进行。
4. 绩效考核- 建立健全班组成员的工作考核制度,明确工作目标和绩效指标。
- 定期对班组成员进行工作绩效考核,评定优秀员工并进行激励,及时发现和解决工作中的问题。
5.工作报告- 定期向上级汇报班组的工作情况和工作进展,及时反馈问题和困难。
- 提出工作改进意见和建议,促进工作的优化和提高。
三、任职要求1.具备相关工作经验和管理经验,熟悉安全技术部继电班的工作岗位和工作流程。
2.具有较强的组织协调和沟通能力,能够有效指导班组成员的工作。
3.具备扎实的专业知识和技术能力,能够解决工作中遇到的技术问题。
4.具有较强的安全意识和责任心,能够有效管理和控制工作中的安全风险。
5.具备良好的学习能力和团队合作精神,能够不断学习和提高自身能力。
6.具备较高的抗压能力和应急处理能力,能够应对工作中的紧急情况。
四、工作流程1、组织工作安排:根据上级安排和工作目标,制定班组的工作计划和工作安排。
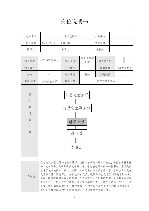
岗位说明书—继电保护班长200901 文件编号岗位说明书文件名称2009.11.16文件版本生效日期2009.05.10 制定日期1.0王海峰审核人郑守文撰写人审批人张仁伟岗位定员1 设备工程部所在部门继电保护班长岗位名称数8 薪酬等级09 部门编号090701 岗位编号直接下级继保主任直接上级继保技术员、专责工、检修工部长副部长汽电继综锅热金节项可所机气保合炉控能目属靠在点点主点点主主费监性检检任任管督检和检用部长长长长主主技门管管术(班监组督)主岗管位汽综锅电继热热机合炉气电控控点点保维维点点检检护护护检检员员员员班一二班班依据电力行业标准、张家口热电有限责任公司有关规定,主持继电保护专维护、指导监督管辖设备的检修、组织协调、业技术和安全生产管理工作,工作概述组织协调、指导、监督完成定期工作,落实各项整改工作,改造工作,完成继电保护专业全年工作目标。
岗位职责工作序工作绩效标准具体职责项目号不发生人员轻伤不发及以上事故,组织、管理班组人员及设备安全生产工作,担任班组安全1管理生管辖设备二类安全员,是班组安全第一责任人。
障碍及以上事故文明生产整改率按照《文明生产管理标准》对部门文明生产的执行情文明生2100% 况进行检查监督,组织完成文明生产的整改工作。
产管理规范的建立完善、建立健全继电保护专业各项规章制度,完善管理体制度3设备管理体系系,规范保护专业各项管理活动。
管理,100%保护投入率动正护保主率保护校验率,100%组织继保专业加强对保护、仪表远动、通讯装置的校指标4 遥信正动率,100%验工作,确保设备稳定运行,各项指标符合要求。
管理电量计费故,100%通讯障时间为零,畅通。
依照设备定修计划,组织安排设备检修、改造工作,不发生设备事故,检修确保设备检修后审核检修工作措施,保证生产工作正常开展,确保检5管理正常投入使用修质量。
组织对新设备出厂验收,审核改造图纸,审核设备改设备一次性投入改备设各项参正常使用。
好好学习社区
更多免费资料下载: 德信诚培训网 设备工程部岗位职责说明书范例 岗位名称
继电保护班长 所在部门 设备工程部 直接上级 继保主任 直接下级 继保技术员、专责工、检修工
工作概述 依据公司有关规定,主持继电保护专业技术和安全生产管理工作,组织协调、指
导监督管辖设备的检修、维护、改造工作, 组织协调、指导、监督完成定期工作,
落实各项整改工作,完成继电保护专业全年工作目标。
岗位职责
# 工作项目 具体职责 工作绩效标准
1 安全管理 组织、管理班组人员及设备安全生产工作,担任班组安全员,是班组安全第一责任人。
不发生人员轻伤及
以上事故,不发生管
辖设备二类障碍及
以上事故
2 文明生产
管理 按照《文明生产管理标准》对部门文明生产的执行情况进行检查监督,组织完成文明生产的整改工作。
文明生产整改率100%
3 制度管理 建立健全继电保护专业各项规章制度,完善管理体系,规范保护专业各项管理活动。
建立完善、规范的设
备管理体系
4 指标管理 组织继保专业加强对保护、仪表远动、通讯装置的校验工作,确保设备稳定运行,各项指标符合要求。
保护投入率100%,主
保护正动率100%,保
护校验率100%,遥信
正动率100%,电量计
费故障时间为零,通
讯畅通。
5 检修管理 依照设备定修计划,组织安排设备检修、改造工作,审核检修工作措施,保证生产工作正常开展,确保检修质量。
不发生设备事故,确
保设备检修后正常
投入使用。