14349高压水管楔式快速接头标准MTT3101992
- 格式:pdf
- 大小:5.05 MB
- 文档页数:7
一、卡套式管接头简介8-KT1卡套式端直通管接头GB3733.1-83(JB1942-77)8-KT2卡套式端直通长管接头GB3735.1-83(JB1943-77)8-KT3卡套式直通管接头GB3737.1-83(JB1944-77)8-KT4卡套式端直角管接头GB3738.1-83(JB1945-77)8-KT5卡套式直角管接头GB3740.1-83(JB1946-77)8-KT6卡套式端三通管接头GB3741.1-83(JB1947-77)8-KT7卡套式三通管接头GB3745.1-83(JB1948-77)8-KT8卡套式四通管接头GB3746.1-83(JB1949-77)8-KT9卡套式焊接管接头GB3747.1-83(JB1950-77)8-KT10卡套式隔壁直通管接头GB3748.1-83(JB1951-77)8-KT11卡套式隔壁直角管接头GB3749.1-83(JB1952-77)8-KT12卡套式铰接管接头GB3750.1-83(JB1953-77)8-KT13卡套式端直通变径管接头(JB1954-77)8-KT14卡套式直通变径管接头(JB1955-77)8-KT15卡套式端直角变径管接头(JB1956-77)8-KT16卡套式压力表管接头GB3751.1-83(JB1957-77)8-KT17卡套式组合直角管接头GB3752.1-83(JB1958-77)8-KT18卡套式组合三通管接头GB3753.1-83(JB1959-77)8-KT19卡套式对接端直通管接头GB5437.1-83(JB1960-77)8-KT20卡套式对接直通管接头GB3756.1-83(JB1961-77)8-KT21卡套式对接端直角管接头GB3757.1-83(JB1962-77)8-KT22卡套式锥螺纹端直通管接头(JB/ZQ4401-86)GB3734.1-83(Q/ZB208-77)8-KT23卡套式锥螺纹直通长管接头GB3736.1-83(Q/ZB209-77)8-KT24卡套式锥螺纹端直角管接头(JB/ZQ4407-86)GB3739.1-83(Q/ZB210-77)8-KT25卡套式锥螺纹端三角管接头(JB/ZQ4404-86)GB3742.1-83(Q/ZB211-77)8-KT26卡套式端直角三通管接头GB3743.1-838-KT27卡套式锥螺纹端直角三通管接头(JB/ZQ4405-86)GB4437.1-838-KT28卡套式锥螺纹对接端直通管接头GB3755.1-838-KT29卡套式锥螺纹对接端直通管接头GB3758.1-838-KT30卡套式管接头用交角密封垫圈GB3762-838-KT31卡套式管接头用六角薄螺母GB3763-838-KT32卡套式堵头三。
阀门履行标准大全标准号标准:GB12220-89《通用阀门标记》 GB12245-89《减压阀性能试验方法》GB12221-89《法兰连结金属阀门的构造长度》GB12246-89《先导式减压阀》GB12222-89《多展转阀门驱动装置的连结》GB12247-89《蒸汽疏水阀分类》GB12223-89《部分展转阀门驱动装置的连结》GB12248-89《蒸汽疏水阀术语》GB12224-89《钢制阀门一般要求》 GB12249-89《蒸汽疏水阀标记》GB12225-89《通用阀门铜合金铸件技术条件》GB12250-89《蒸汽疏水阀构造长度》GB12226-89《通用阀门灰铸铁件技术条件》GB12251-89《蒸汽疏水阀试验方法》GB12227-89《通用阀门球墨铸铁件技术条件》GB10868-89《电站减温减压阀技术条件》GB12228-89《通用阀门碳素钢锻件技术条件》GB10869-89《电站调理阀技术条件》GB12229-89《通用阀门碳素钢铸件技术条件》GB1348-88《球墨铸铁件》GB12230-89《通用阀门奥氏体钢铸件技术条件》GB11352-89《铸钢件技术条件》GB12231-89《阀门铸件外观质量要求》GB596-83《船用外螺纹青铜截止止回阀》GB12232-89《通用阀门法兰连结铁质闸阀》GB597-83《船用外螺纹青铜止回阀》GB12233-89《通用阀门铁质截止阀与起落式止回阀》GB1047-70《管子和管路附件的公称通径》GB12234-89《通用阀门法兰、对焊连结钢制闸阀》GB1048-90《管道元件公称压力》GB12235-89《通用阀门法兰连结钢制截止阀和起落式止回阀》 GB1851-84《船用 PN160外螺纹青铜空气截止阀》GB12236-89《通用阀门钢制旋启式止回阀》GB4213-84《气动调理阀通用技术条件》GB12237-89《通用阀门法兰和对焊连结钢制球阀》 GB8464-87《内螺纹连结闸阀、截止阀、球阀、止回阀通用技术条件》GB12238-89《通用阀门法兰对夹连结蝶阀》~ 7-87 《内螺纹连结闸阀、截止阀、球阀、止回阀基本尺寸》GB12239-89《通用阀门隔阂阀》 GB8335-87《气瓶专业螺纹》GB12240-89《通用阀门铁质旋塞阀》GB10877-89《氧气瓶阀》GB12241-89《安全阀一般要求》 GB10879-89《溶解乙炔气瓶阀》GB12242-89《安全阀性能试验方法》GB197-81《一般螺纹、公差与配合》GB12243-89《弹簧直接载荷式安全阀》《冷卷圆柱螺旋压缩弹簧技术条件》GB12244-89《减压阀一般要求》《热卷圆柱螺旋弹簧技术条件》GB1804-79《公差与配合未注公差尺寸的极限误差》GB10095-86《渐开线圆柱齿轮精度》GB3323-87《钢融化焊对接接头射线照相和质量分级》GB11365-89《锥齿轮和准双曲齿轮精度》GB5677-85《铸钢件射线照相及底片等级分类方法》 GB9444-88《铸钢件磁粉探伤及质量评级方法》GB5796-86《梯形螺纹》 GB6414-86《铸件尺寸公差》GB7306-87《用螺纹密封的管螺纹》GB/T592-93《船用法兰铸铁止回阀》GB7307-87《非螺纹密封的管螺纹》GB/T1852-93《船用法兰铸钢蒸汽减压阀》GB9443-88《铸钢件浸透探伤及缺点显示印迹的评级方法》GB/T1972-92《蝶形弹簧》GB/T12252-89《通用阀门供货要求》GB/T13927-92《通用阀门压力试验》表 1-16 阀门机械行业标准标准号标准名称标准号标准名称JB93-91《手柄》《锁紧螺母 ( 二) 》JB94-91《扳手》 JB1701-91《阀杆螺母 ( 六) 》JB95-59《通用管路附件阀件分类术语》《轴承压盖( 一) 》JB96-75《截止阀、节流阀和止回阀构造长度》《轴承压盖( 二) 》JB106-78《阀门标记和辨别涂漆》JB1703-91《衬套》JB308-75《阀门型号编制方法》 JB1704-75《压套螺母式填料函尺寸》JB309-75《闸阀参数》 JB1706-91《压套螺母》JB311-75《止回阀参数》 JB1707-75《带孔式填料压盖填料函尺寸》JB312-75《旋塞阀参数》 JB1708-91《填料压盖》JB450-79《 Pg100~320kgf/cm2 化工石油工业用铸造高压阀门》JB1709-91《 T 形螺栓》JB451-64《杠杆式安全阀技术条件》JB1710-75《张口式填料压盖填料函尺寸》JB452-77《弹簧式安全阀技术条件》JB1711-75《张口式填料压盖》JB610-79《疏水阀参数》 JB1712-91《石棉填料》JB790-65《 Pg=16~64kgf/cm2 钢制阀技术条件》 JB1713-91《填料垫 ( 一) 》JB792-65《铸铁和铸钢制低压阀门技术条件》JB1716-91《填料垫 ( 二) 》JB930-67《氧气减压器》 JB1717-75《上密封尺寸》JB1681-75《截止阀参数》 JB1718-91《垫片 ( 一) 》JB1682-75《节流阀参数》 JB1719-91《垫片 ( 二) 》JB1683-75《球阀参数》 JB1720-91《垫片 ( 三 ) 》JB1684-75《蝶阀参数》 JB1721-91《垫片 ( 四 ) 》JB1685-75《隔阂阀参数》 JB1722-75《下螺纹阀杆端部尺寸》JB1689-75《截止阀、节流阀阀杆螺纹直径和螺距》JB1723-75《连结圈式阀瓣连结槽尺寸》JB1690-75《闸阀阀杆螺纹直径和螺距》JB1724-75《上螺纹阀杆端部尺寸》JB1691-75《阀杆头部尺寸》 JB1725-75《阀瓣盖式阀瓣连结槽尺寸》JB1692-91《伞形手轮》 JB1726-91《阀瓣盖》JB1693-91《伞形手轮》 JB1727-91《对开圆环》JB1694-91《阀杆螺母 ( 一) 》JB1728-91《止退垫圈》JB1695-91《阀杆螺母 ( 二) 》JB1729-75《锻钢阀阀杆端部尺寸》JB1696-91《阀杆螺母 ( 三) 》JB1730-75《闸阀阀杆端部尺寸》JB1697-75《灰铸铁闸板 T 形槽尺寸》 JB1731-75《阀瓣和闸板T 形槽尺寸》JB1698-91《阀杆螺母 ( 五) 》JB1732-75《锥形密封面尺寸》JB1699-91《阀杆螺母 ( 四) 》JB1733-75《灰铸铁阀体铜密封面尺寸》《锁紧螺母 ( 一) 》JB1734-75《灰铸铁闸板和阀瓣铜密封面尺寸》JB1738-75《楔式闸阀阀体、闸板导轨和导轨槽尺寸》JB1735-91《底阀阀瓣密封圈》JB1739-75《楔式闸阀阀体、密封面、间距和楔角尺寸》JB1736-91《旋启式止回阀阀瓣密封圈》JB1740-75《楔式闸板密封面尺寸》JB1737-91《旋启式止回阀阀瓣密封圈压板》JB1741-91《顶心》 JB2765-81《阀门名词术语》JB1742-91《调整垫》 JB2766-79《 cm2铸造高压阀门构造长度》JB1743-75《球阀阀杆端部尺寸》 JB2767-79《cm2铸造高压阀门参数》JB1744-75《球体》 JB2768-79《cm2管子和管件阀门端部尺寸和技术要求》JB1745-75《螺纹填料压套式填料函尺寸》JB2769-79《cm2螺纹法兰》JB1747-91《填料压环》 JB2770-79《cm2接头螺柱》JB1748-75《氨阀阀杆端部尺寸》 JB2771-79《cm2接头》JB1749-91《氨阀阀瓣》 JB2772-79《cm2盲板》JB1750-75《氨阀阀体密封面尺寸》JB2773-79《cm2双头螺柱》JB1751-75《承插焊连结和配管端部尺寸》JB2774-79《cm2阶端双头螺柱及螺孔尺寸》JB1752-75《外螺纹连结端部尺寸》JB2775-79《cm2螺母》JB1753-91《接头垫》 JB2776-79《 cm2透镜垫》JB1754-91《接头》 JB2777-79《cm2无孔透镜垫》JB1755-91《接头螺母》 JB2778-79《cm2管件和紧固件温度标记》JB1756-75《卡套连结端部尺寸》 JB2843-80《蝶阀技术条件》JB1757-91《卡套》 JB2884-81《空分设施低温截止阀和节流阀技术条件》JB1758-91《卡套螺母》 JB2920-81《阀门电动装置型式、基本参数和连结尺寸》JB1759-91《轴套》 JB2921-81《阀门电动装置技术条件》JB1760-91《六角螺塞》 JB2986-81《旋塞阀技术条件》JB1761-91《螺塞垫》 JB3328-83《气瓶阀和管路阀》JB1762-75《板体尺寸》 JB3329-83《小型医用气瓶柜式阀的连结尺寸》JB1842-77《铸铁衬胶和非衬里隔阂阀技术条件》JB/T3595-93 《电站阀门制造技术条件》JB2121-77《铜合金铸件技术条件》JB4018-85《电站阀门型号编制方法》JB2202-77《弹簧式安全阀参数》《填料压套( 一) 》JB2203-77《弹簧式安全阀构造长度》《填料压套( 二) 》JB2204-77《减压阀参数系列》《填料压套( 三) 》JB2205-77《减压阀构造长度》 JB5207-91《填料压板》JB2206-77《减压阀技术条件》 JB5208-91《隔环》JB2311-78《球阀技术条件》 JB5209-91《塑料填料》JB2637-81《锅炉承压球墨铸铁件技术条件》JB5210-91《上密封座》JB2639-81《锅炉承压灰铸铁件技术条件》JB5211-91《闸阀阀座》JB2763-79《疏水阀的性能试验方法》3.阀门行业 ( 专业 ) 标准 ( 见表 1-17)表 1-17 阀门行业 ( 专业 ) 标准标准号标准名称标准号标准名称ZBJ16002-87《阀门电动装置技术条件》ZBJ16008-90《液化石油气设施用紧迫迫断阀技术条件》ZBJ16004-88《减压阀型式与基本参数》ZBJ16009-89《阀门气动装置技术条件》ZBJ16005-90《钢制阀门》 ZBJ98013-89《电站安全阀技术条件》ZBJ16006-90《》阀门的试验与查验ZBJ98015-89《锅炉管道附件承压铸钢件技术条件》ZBJ16007-90《蒸汽疏水阀技术条件》ZBJ98016-89《锅炉锻件技术条件》4.原机械电子工业部通用机械 ( 阀门 ) 行业内部标准目录 ( 见表 1-18)表 1-18 原机械电子工业部通用机械( 阀门 ) 行业内部标准标准号标准名称标准号标准名称JB/TQ374-85《锻钢阀门用短牙梯形螺纹》JB/TQ438-85《液化石油气钢瓶角阀质量分级》JB/TQ375-85《缩径锻钢阀门》 JB/TQ440-85《阀门铸钢件质量分级》JB/TQ395-85《钢制闸阀产质量量分级》JB/TQ441-89《截止阀质量分级》JB/TQ407-85《高压均衡截止阀质量分级》JB/TQ648-88《铁制对夹式平板闸阀》JB/TQ408-89《隔阂阀质量分级》 JB/TQ649-88《铁制对夹式平板闸阀装置质量分级》JB/TQ409-89《球阀质量分级》 JB/TQ650-88《先导式减压阀产质量量分级》JB/TQ410-89《多展转阀门电动装置质量分级》JB/TQ677-88《阀门产品抽样和等级评定方法》JB/TQ411-89《机械型带密闭浮子的蒸汽疏水阀质量分级》 JB/TQ551-88《工业用阀门灰铸铁质量分级》JB/TQ412-85《热动力型圆盘式疏水阀质量分级》 JB/TQ552-88《工业用阀门法兰连结铜制旋塞阀》JB/TQ413-85《凝固水回收装置质量分级》JB/TQ730-89《氧气瓶阀质量分级》JB/TQ414-85《先导活塞式减压阀质量分级》J B/TQ814-89《钢制平板闸阀质量分级》JB/TQ415-89《弹簧直接载荷式安全阀质量分级》JB/TQ815-89《阀门产品洁净度及检查方法》JB/TQ416-89《软密封蝶阀质量分级》JB/TQ816-89《阀门用球墨铸铁件质量分级》JB/ 《阀门标准系统表》表 1-19 其余阀门标准标准号标准名称标准号标准名称JB/Z243-85 《闸阀静压寿命试验规程》HG5-1587-85《液化石油气槽车弹簧式安全阀》JB/Z244-85 《截止阀静压寿命试验规程》HG5-1588-85《液化石油气紧迫迫断阀》JB/Z245-85 《旋塞阀静压寿命试验规程》JB/T5300-91 《通用阀门资料》JB/Z246-85 《球阀静压寿命试验规程》JB/T5263-91 《电站阀门铸钢件技术条件》JB/Z247-85 《阀门电动装置寿命试验规程》JB/T6439-92 《阀门受压铸钢件磁粉探伤查验》JB/Z248-85 《蝶阀静压寿命试验规程》JB/T6440-92 《阀门受压铸钢件射线照相查验》表 1-20 阀门有关标准标准号标准名称标准号标准名称GB150-89《钢制压力容器》《 16 巴灰铸铁管法兰尺寸》《钢制管法兰连结用八角形金属环垫》《25 巴灰铸铁管法兰尺寸》《钢制管法兰连结用椭圆形金属环垫》《巴和 6 巴灰铸铁螺纹管法兰尺寸》GB9129-88《钢制管法兰用石棉橡胶垫片技术条件》《10 巴和 16 巴灰铸铁螺纹管法兰尺寸》GB9130-88《钢制管法兰连结用金属环垫技术条件》《灰铸铁管法兰用石棉橡胶垫片尺寸》GB9131-88《钢制管法兰压力温度等级》灰铸铁管法兰及垫片技术要求《》GB255-81《一般用途管法兰连结尺寸》GB4622-88《环绕式垫片》GB2556-81《一般用途管法兰密封面形状和尺寸》GB3985-83《石棉橡胶板》《灰铸铁管法兰公称压力、试验压力和工作压力》GB539-83《耐油石棉橡胶板》《巴灰铸铁管法兰尺寸》JC67-82《橡胶石棉盘根》《6 巴灰铸铁管法兰尺寸》 JC68-82《油浸石棉板》《10 巴灰铸铁管法兰尺寸》 JC468-92《高压锅炉水位计用云母片》三、阀门国际标准 ( 见表 1-21)表 1-21 阀门国际标准标准号标准名称标准号标准名称ISO5209-77《工业用阀门标记》 ISO7508-85《受压管路用未增塑氯乙烯 (PVC-U阀门米制系列基本尺寸》ISO5752-88《法兰管路系统中金属阀门的构造长度》 ISO7841-88《自动蒸汽疏水阀 - 漏肚量测定 - 试验方法》ISO5996-84《铸铁闸阀》 ISO7842-88《自动蒸汽疏水阀 - 排水量测定 - 试验方法》》ISO6552-89《自动蒸汽疏水阀术语定义》ISO8233-88《热塑性塑料阀门扭矩试验方法》ISO6553-80《自动蒸汽疏水阀 - 标记》 ISO/DIN4216-85 《安全阀的一般要求》ISO6554-80《法兰连结自动蒸汽疏水阀构造长度》 ISO/DIN5208-87《工业用阀门 - 阀门的压力试验》ISO6704-89《自动蒸汽疏水阀分类》ISO/DIN5210-89 《多展转型阀门驱动装置连结》ISO6708-80《管道附件公称通径的定义》ISO/DIN5211-89 《部分展转型阀门驱动装置连结》ISO6948-81《自动蒸汽疏水阀 - 产品试验和工作特征试验》 ISO/DIN6002-88《阀盖用螺栓连结的钢制闸阀》ISO7121-86《法兰连结钢制球阀》 ISO/DIN10631-91《一般用途的金属蝶阀》ISO7259-88《主要靠扳手操作的地下用铸铁闸阀》。
1.半圆头内六角............................................................... 12.92.滚子......................................................................... C31-13.涨紧套....................................................................... C40-24.尼龙困扎带................................................................ D91-15.管接头......................................................................D96-46.电器接头...................................................................D96-57.水管..........................................................................G11-18.直角管接头...............................................................G13-19.单面管夹...................................................................G31-110.喉箍........................................................................G31-711.封口管螺母.............................................................G34-212.外六角油塞.............................................................G38-213.D8.8-10.9S内六角油塞...........................................G38-414.g内六角油塞......................................................GB38-4A15.D8.8-10.9S 起子口油塞..........................................G38-516.组合垫圈................................................................G52-217.铜垫圈....................................................................G52-518.扩口式管接头空心螺栓...........................................G91-119.扩口式管接头密合垫...............................................G91-220.扩口式管接头管套..................................................G91-321.扩口式锥管螺纹直通管接头....................................G92-122.内六角螺钉....................................................GB70-76/8623.地脚螺栓...........................................................GB799-8624.GB83-76/86 方头圆柱球面螺钉...............................J22-125.大园头螺钉............................................................GB83326.g开口垫圈.............................................................GB85127.带孔销...................................................................GB88028.GB6170-86 螺母......................................................J11-129.GB6172-86 外六角扁螺母.......................................J11-230.GB56-86 外六角厚螺母...........................................J11-331.GB923-86 盖型螺母.................................................J13-232.GB812-86 圆螺母....................................................J14-433.GB5782/5783-86 外六角螺钉...................................J21-134.g 镶条螺钉............................................................J21-1135.GB67-76/86 开槽半圆头螺钉...................................J21-436.GB68-76/86 开槽沉头螺钉.......................................J21-637.GB65-76/86 开槽柱头螺钉.......................................J21-838.GB70-76/86 内六角螺钉........................................J21-939.GB83-76/86 方头圆柱球面螺钉...............................J22-140.GB79-76/86 内六柱端紧钉.....................................J22-1041.GB78-76/86 内六角凹端紧定螺钉..........................J22-1242.GB85-76/86 方头紧定螺钉.......................................J22-243.GB73-76/86 开槽平端紧定螺钉...............................J22-344.GB71-76/86 开槽锥端紧定螺钉...............................J22-445.GB75-76/86 开槽柱端紧定螺钉...............................J22-546.GB72-76/86 开槽锥端定位螺钉...............................J22-647.GB835-88 滚花平端螺钉.........................................J22-848.GB78-76/86 内六角锥端紧定螺钉............................J22-949.GB899-76/86 双头螺柱............................................J23-150.GB799-86 十字盘头螺钉.........................................J24-151.GB818-86 十字盘头螺钉.........................................J24-152.GB819-86 十字沉头螺钉.........................................J24-253.GB77-76/86 内六角平端紧定螺钉............................J26-154.GB37-76/86 T型槽螺钉............................................J29-155.GB825-76/86 吊环螺钉............................................J29-356.GB1096-79 普通平键...............................................J31-157.GB1098-76/86 半圆键..............................................J33-158.GB117-86 圆锥销....................................................J41-159.GB117-86 内螺纹圆锥销.........................................J41-260.GB119-86 圆柱销....................................................J44-161.GB119-86 内螺纹圆柱销.........................................J44-262.GB879-76/86 弹性圆柱销........................................J44-463.GB91-76/86 开口销.................................................J44-964.GB97-76/86 平垫圈.................................................J51-165.GB96-76/86 大垫圈.................................................J51-366.GB96-76/86 球面垫圈..............................................J53-167.GB850/76/86 锥面垫圈............................................J53-268.GB93-76/86 弹簧垫圈.............................................J54-169.GB858-76/86 螺母止动垫圈.....................................J55-170.GB854-76/86 单耳止动垫圈.....................................J55-371.GB894-86 轴用弹性挡圈.........................................J62-272.GB893-86 孔用弹性挡圈.........................................J62-373.GB893-86 孔用钢丝挡圈.........................................J62-374.GB305-86 轴承止动环............................................J63-375.GB891-86 螺钉紧固轴端挡圈..................................J64-176.GB885-86 锁钉锁紧挡圈.........................................J65-177.GB827-86 标牌铆钉.................................................J83-178.GB2521-86 凸轮定位钉........................................JB252179.带肩螺母............................................................Q71-1-3280.带肩螺杆............................................................Q71-1-3381.定位套...............................................................Q71-1-3482.销子........................................................................Z64-3。
化工部阀门标准测机构,而应用于阀门产品的计算机应用软件也是相当齐全:既可通过分析手段对新产品和新技术的先进性能进行理论分析与预测,又可采用实验的方法预测结果进行验证,根据统计数据同时验证其分析方法的正确性,以此得出一系列有效的阀门性能和技术特性的分析方法,以此类方法应用于后续阀门技术的开发,以至在降低研发成本,其研究成果更具实效。
好多企业阀门产品虽获得不少国家专利,但好多专利仅为实用专利,技术含量不高,好多专利仅在结构上作了部分改进,没有实质性改进发明。
有的还存在仿制和抄袭,由于好多阀门用户多年停留于使用传统产品,因而好多产品内外结构多年没有实质性改进与提高。
再如目前我国阀门产品驱动执行机构控制水平也差。
国内生产的阀门配套驱动执行机构,其性能和控制水平仅是国外20世纪90年代水平,其动作灵敏度差,自动化控制能力和可靠性总体水平相对滞后。
与此其信号采集、信号比较、信号放大、信号返回等一系列控制能力落后于发达国家的水平。
其实就技术水平而言,常规阀门的设计和材料应用上,我们与国外知名企业相比,并没有多大的差距,在制造工艺上也没有不可逾越的鸿沟,那差在什么地方?但以实际情况就是差在认真两字上,一、产品[衬里截止阀]的详细资料:产品型号:J41J/FS型产品名称:衬里截止阀产品特点:法兰连接手动截止阀,直通式截止阀,连接手动截止阀二、截止阀概况:一、截止阀是指关闭(阀瓣)由阀杆带动并沿阀座中心轴线做升降运动的阀门,在管路上主要用来接通或截断管路中的介质,但不能做节流用。
二、设计规范遵循GB 12233、GB 12235、ANSI B16.34标准。
三、驱动方式手动、齿轮传动、气动(常开或常闭)、电动。
法兰连接截止阀设计与制造符合中国国家标准基本结构形式:直通式直流式公称压力PN1.0~2.5(MPa)公称通径DN15~350(mm)基本型号(全衬里)手动J41J J41FS齿轮传动J441J J441FS J45J J45FS J541J J541FS气动J6B41J J6B41FS 电动J941J J94FS遵循规范STANDARD设计于制造GB 12233/GB12235结构长度GB 12221(长-短系列)法兰尺寸JB 78/JB 79(GB,HG,SH)压力试验GB/T13927标志GB12220供货GB/T12252三、主要零部件材料表:序号零件名称灰铸铁铸钢不锈钢超低碳不锈钢Z C P R PL RL1 阀体、阀盖HT250 WCB CF8 CF8M CF3 CF3M2 阀瓣、阀杆35 1Cr13 1Cr18NI9 1Cr18Ni12Mo2Ti 00Cr18Ni100Cr17Ni14Mo23 活节螺栓35 35 1Cr17Ni2 1Cr17Ni2 1Cr17Ni2 1Cr17Ni24 衬里层/阀座衬硬橡胶(NR)FEP(F46)PCTFE(F3)PFA(可溶性聚四氟乙烯)5 填料PTFE(F4)PTFE(F4)6 填料压盖WCB WCB CF8 CF8M CF3 CF3M7 阀杆螺母ZCuAl10Fe3ZCuAl10Fe38 螺栓35 35 1Cr17Ni2 1Cr17Ni2 1Cr17Ni9Ti 1Cr17Ni9Ti9 螺母45 45 0Cr18Ni9 0Cr18Ni9 0Cr18Ni9 0Cr18Ni910 手轮HT200 HT200 WCC WCC WCC WCC一、产品[衬里直角阀]的详细资料:产品型号:J44J/FS型产品名称:衬里直角阀产品特点:公称通径:DN15~300(mm)主要零部件材料见表A2 基本型号:手动J44F43 电动J944F3 J44F46 J944F46 法兰连接截止阀(角式)设计与制造符合中国国家标准基本结构形式:角式公称压力:PN1.0~2.5(MPa)法兰连接手动截止阀遵循规范STDNARD设计与制造GB12233/GB12235结构长度GB12221/JB96法兰尺寸JB78/JB79(GB,HG,SH)压力试验GB/T13927标志GB/T12220供货GB/T12252二、主要零部件材料表:公称通径标准值参考值DN (mm)NPS(inch)L D D1 D2 F B Z-Φd Do H1 H2W(kg)PN1.0MPa15 1/2 65/90 95 65 45 2 14 4-Φ14100 240 265 7 20 3/4 75-95 105 75 55 2 16 4-Φ14100 245 270 7.5 25 1 80/100 115 85 65 2 16 4-Φ1412 250 275 8 32 1 1/4 95/105 135 100 78 2 18 4-Φ180120 260 290 12 40 1 1/2 80/100 145 110 85 3 18 4-Φ18140 290 325 1450 2 115/125160 125 100 3 20 4-Φ18140 300 335 1965 2 1/2 145 180 145 120 3 20 4-Φ18160 355 400 27 80 155 195 160 135 22 4-Φ18160 400 450 42 100 4 175 215 180 155 3 22 8-Φ18180 455 495 50 125 5 200 245 210 185 3 24 8-Φ1810 530 560 64150 6 240/225280 240 210 24 8Φ18240 605 650 85200 8 275 335 295 265 3 26 8-Φ18240 650 770 105 250 10 325 390 350 320 3 28 12-Φ23280 680 800 135 300 12 375 440 400 368 4 28 12-Φ23280 710 835 15515 1/2 65/90 95 65 45 2 14 4-Φ14100 240 265 7 20 3/4 75-95 105 75 55 2 16 4-Φ14100 245 270 7.5 25 1 80/100 115 85 65 2 16 4-Φ14120 250 275 8.5 32 1 1/4 95/105 135 100 78 2 18 4-Φ18140 260 290 12 40 1 1/2 80/100 145 110 85 3 18 4-Φ18140 290 325 1450 2 115/125160 125 100 3 20 4-Φ18 160 300 335 1965 2 1/2 145 180 145 120 3 20 4-Φ18180 355 400 27 80 3 155 195 160 135 3 22 8-Φ18240 400 450 42 100 4 175 215 180 155 3 24 8-Φ18240 455 495 50 125 5 200 245 210 185 3 26 8-Φ18280 530 560 64150 6 240/255280 240 210 3 28 8-Φ23320 605 650 85200 8 275 335 295 165 3 30 8-Φ23360 650 770 15515 1/2 65/90 95 65 45 2 16 4-Φ14120 245 270 7.5 20 3/4 75/95 105 75 55 2 16 4-Φ14120 250 275 8.8 25 80/100 115 85 65 2 16 4-Φ14140 260 290 11 32 1 1/4 95/105 135 100 78 2 18 4-Φ18140 290 325 1340 1 1/2 100/115145 110 85 3 18 4-Φ18160 300 335 1850 2 115/125160 125 100 3 20 4-Φ18180 355 400 31*表中L值符合GB12221长系列,其中分子表示按JB96的L值。
国外常见胶管接头标准集团标准化工作小组 [Q8QX9QT-X8QQB8Q8-NQ8QJ8-M8QMN]胶管接头DKO-L(45 / 90)公制内螺纹,24°锥,带O形圈DIN2353轻系列胶管尺寸Gmm L maxmmSWmm订货标记通径DN(mm)标号5-3M12×7717DKOL05 6-4M14×8117DKOL06 8-5M16×8419DKOL08 10-6M18×8622DKOL10 12-8M22×8827DKOL12 16-10M26×8932DKOL16 20-12M30×210936DKOL20 25-16M36×211841DKOL25 32-20M45×214155DKOL32 40-24M52×215160DKOL40 DKO-S(45 / 90)公制内螺纹,24°锥,带O形圈DIN2353重系列胶管尺寸Gmm L maxmmSWmm订货标记通径DN(mm)标号5-3M16×7719DKOS05 6-4M18×8122DKOS06 8-5M20×8424DKOS08 10-6M22×8627DKOS10 12-8M24×8830DKOS12 16-10M30×28936DKOS16 20-12M36×210941/46DKOS20 25-16M42×211850DKOS25 32-20M52×214160DKOS32胶管接头CEL公制外螺纹,24°内锥面DIN2353轻系列DES公制外螺纹,24°内锥面BES/BEL (45 / 90)胶管尺寸BEL=轻系列BES=重系列通径DN(mm)标号 d mm l mm订货标记 d mm l mm订货标记6-4822BEL061026BES06 8-51024BEL081226BES08 10-61225BEL101429BES10 12-81525BEL121630BES12 16-101826BEL162036BES16 20-122228BEL202540BES20 25-162830BEL253044BES25 32-203536BEL323850BES32 BANJO铰接式胶管接头(用空心铰接螺栓连接、两平面用密封垫圈)胶管尺寸BN BR通径DN(mm)标号螺栓dmmHmm订货标记螺栓dmmHmm订货标记6-4M12×12BN06G1/415BR06 8-5M14×14BN08G5/1620BR08 10-6M16×16BN10G3/820BR10 12-8M18×18BN12G1/22125BR12 16-10M22×22BN16G5/82327BR16 20-12M26×26BN20G3/431BR20 25-16M30×230BN25G142BR25AGJ公制JIC外螺纹,(UNF螺纹) 74°外锥面胶管尺寸G英寸L maxmmSWmm订货标记通径DN(mm)标号5-37/16-2065AGJ05 6-41/2-2067AGJ06 8-59/16-187016AGJ08 10-69/16-187016AGJ10 12-87/8-1480AGJ12 16-1011/16-1290AGJ16 20-1211/16-1290AGJ20 25-1615/16-12105AGJ25 32-2015/8-12125AGJ32 40-2417/8-12130AGJ40 50-3221/2-12140AGJ50 AGN美制NPTF外螺纹锥螺纹密封胶管尺寸G英寸L maxmmSWmm订货标记通径DN(mm)标号5-3R1/8-2764AGN05 6-4R 1/4-1866AGN06 8-5R 3/8-1868AGN08 10-6R 3/8-1873AGN10 12-8R 1/2-1477AGN12 16-10R 3/4-1484AGN16 20-12R 3/4-1496AGN20 25-16113AGN25 32-20R11/127AGN32 40-24R11/140AGN40 50-32150AGN50胶管接头DKR (45 / 90)英制BSP内螺纹,胶管尺寸G英寸L maxmmSWmm订货标记通径DN(mm)标号5-3R1/8"77DKR05 6-4R 1/4"81DKR06 8-5R 3/8"84DKR08 10-6R1/2"86DKR10 12-8R 1/2"88DKR12 16-10R5/8"9928DKR16 20-12R 3/4"109DKR20 25-16R1"118DKR25 32-20R11/4"141DKR32 40-24R11/2"160DKR40 50-32R2"170DKR50 AGR英制BSP外螺纹胶管尺寸G英寸L maxmmSWmm订货标记通径DN(mm)标号5-3R1/8"64AGR056-4R 1/4"6618AGR068-5R 3/8"68AGR0810-6R1/2"73AGR1012-8R 1/2"77AGR1216-10R5/8"84AGR1620-12R 3/4"9633AGR2025-16R1"113AGR2532-20R11/4"127AGR3240-24R11/2"140AGR4050-32R2"150AGR50胶管接头STECK插装式胶管接头(煤矿用,与插杆孔卡板连接)胶管尺寸d D l L订货标记通径DN(mm)标号mm mm mm mm6-410152965STECK6 10-614202972STECK 10 12-818242975STECK 12 16-1021262975STECK 16 20-1224292985STECK 20 25-16313935100STECK 25 32-20384636110STECK 32 40-24475540130STECK 40 50-32566440130STECK 50DKJ (45 / 90)美制JIC内螺纹UNF74°内锥面胶管尺寸G英寸L maxmmSWmm订货标记通径DN(mm)标号5-37/16-2065AGJ05 6-41/2-2067AGJ06 8-59/16-187016AGJ08 10-69/16-187016AGJ10 12-87/8-1480AGJ12 16-1011/16-1290AGJ16 20-1211/16-1290AGJ20 25-1615/16-12105AGJ25 32-2015/8-12125AGJ32 40-2417/8-12130AGJ40 50-3221/2-12140AGJ50胶管接头SFL(45 / 90)胶管尺寸法兰规格英寸DmmL maxmm订货标记通径DN(mm)标号12-81/2"100SFL12 16-103/4"116SFL16 20-123/4 "116SFL2025-161"140SFL25 32-2011/4 "155SFL32 40-2411/2 "171SFL40 50-322"191SFL50SFS(45 / 90)SAE 法兰 6000 PSI胶管尺寸法兰规格英寸DmmL maxmm订货标记通径DN(mm)标号12-81/2"100SFS12 16-103/4"116SFS16 20-123/4 "116SFS20 25-161"145SFS25 32-2011/4 "54165SFS32 40-2411/2 "180SFS40 50-322"190SFS50胶管接头对开法兰夹3000 PSI胶管尺寸法兰规格英寸尺寸订货标记通径DN(mm)标号A B C D E12-81/2"54469FL12 20-123/4 "5211FL20 25-161"5911FL25 32-2011/4 "7311FL32 40-2411/2 "83FL40 50-322"97FL50对开法兰夹6000 PSI胶管尺寸法兰规格英寸尺寸订货标记通径标号技术说明影响胶管总成使用情况的因素很多。
大口径给水涂塑复合钢管规格
常见大口径给水涂塑复合钢管规格有DN250、DN300、DN350、DN400、DN450、DN500、DN550、DN600、DN650、DN700等10种规格,它们的具体
参数如下:
DN250:外径268mm,壁厚7.2mm;
DN300:外径323mm,壁厚8.2mm;
DN350:外径377mm,壁厚9.1mm;
DN400:外径426mm,壁厚10.2mm;
DN450:外径482mm,壁厚11.4mm;
DN500:外径537mm,壁厚12.4mm;
DN550:外径595mm,壁厚14.1mm;
DN600:外径651mm,壁厚15.3mm;
DN650:外径708mm,壁厚16.5mm;
DN700:外径768mm,壁厚17.7mm。
给水涂塑复合钢管外层采用高分子材料和钢带经冷拔抗拉强度处理后,内层采用弹性体涂层,相比其他类型管材质量优越,具有抗冲击、抗拉裂、耐腐蚀、耐热、节能、无污染、寿命长等优点,可以广泛应用于给水系统、厂外给水管道、消防管网、埋地管路、排水系统等工程。
衬胶钢管和管件标准一、材料标准1. 钢管材料应符合相关国家标准,如GB/T 8163、GB/T 14976等。
2. 衬胶材料应采用耐腐蚀、耐磨损、抗老化的高分子材料,如聚氨酯、环氧树脂等。
二、尺寸标准1. 钢管的尺寸应符合相关国家标准,如外径、壁厚、长度等。
2. 衬胶层的厚度应均匀,且不应小于规定值。
3. 管件(如弯头、三通、法兰等)的尺寸应符合相关标准,如GB/T 12459、GB/T 13401等。
三、性能要求1. 耐压性能:衬胶钢管和管件应能承受规定的压力,且不应出现泄漏现象。
2. 耐腐蚀性能:衬胶层应能有效抵抗化学物质的腐蚀,确保管材和管件的长期使用。
3. 耐磨损性能:衬胶层应具有一定的耐磨性,以抵抗流体的冲刷和磨损。
4. 抗老化性能:衬胶层应具有较好的抗老化性能,以抵抗紫外线、氧化等因素的影响。
四、检验规则1. 每批衬胶钢管和管件出厂前应进行检验,确保其符合相关标准和客户要求。
2. 检验项目应包括尺寸、外观、压力试验、化学成分分析、物理性能测试等。
3. 对重要衬胶钢管和管件,应进行无损检测,如超声波检测、射线检测等,以确保产品质量。
五、涂装要求1. 衬胶钢管和管件表面应平整、光滑,无气泡、裂纹等缺陷。
2. 涂装前应对钢管表面进行除锈处理,确保涂装质量。
3. 涂装材料应符合相关标准,如厚度、附着力、耐磨性等指标。
4. 对重要部位,应在涂装前进行预涂装试验,以验证涂装工艺的可行性。
5. 在涂装过程中和涂装完成后,应对产品进行保护,避免划伤和污染。
6. 当采用油漆涂装时,应按照油漆说明书进行选择、调配和使用,注意油漆的保质期限和使用方法。
7. 在涂装完成后,应对涂装质量进行检验,确保涂层均匀、完整、无气泡等缺陷。
8. 在运输过程中,应避免碰撞和划伤涂层;在贮存过程中,应避免高温和潮湿环境对涂层的影响。
9. 在安装和使用过程中,应注意保护涂层,避免划伤和污染。
10. 当发现涂层损坏时,应及时进行修补或重新涂装。
crj型快速接头标准
CRJ型快速接头是一种常用的连接器件,通常用于液压系统、气动系统和其他工业设备中。
CRJ型快速接头有着一系列的标准,包括连接尺寸、工作压力、材料等方面的标准。
首先,CRJ型快速接头的标准可以涵盖连接尺寸,这包括连接头和插头的尺寸、螺纹规格等。
这些标准有助于确保不同厂家生产的接头能够互相兼容,从而实现设备的通用性和互换性。
其次,CRJ型快速接头的标准还涉及工作压力。
这些标准规定了接头在不同工作条件下所能承受的最大压力,确保了接头在实际工作中的安全可靠性。
此外,材料也是CRJ型快速接头标准的重要内容之一。
标准规定了接头所采用的材料类型、强度要求和耐腐蚀性能,以确保接头在恶劣工作环境下仍能保持稳定的连接性能。
除了上述方面,CRJ型快速接头的标准还可能涉及密封性能、连接方式、安装要求等内容。
这些标准的制定和遵守,有助于提高设备的可靠性、安全性和使用效率。
总的来说,CRJ型快速接头的标准涵盖了多个方面,包括连接尺寸、工作压力、材料、密封性能等,这些标准的制定和遵守对于确保设备连接的安全可靠至关重要。
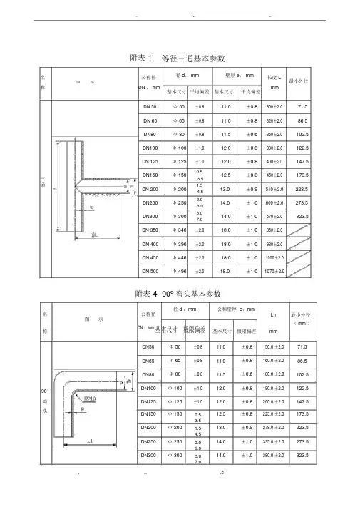
. ... ..附表 1等径三通基本参数名 公称径 径 d , mm壁厚 e , mm长度 L最小外径图示mm称DN , mm基本尺寸 平均偏差 基本尺寸平均偏差DN 50 Φ 50 ±0.8 11.0 ±0.8 300±2.0 71.5 DN 65 Φ 65 ±0.8 11.0 ±0.8 320±2.0 86.5DN80 Φ 80 ±0.8 11.5 ±0.6 360±2.0 102.5DN100 Φ 100 ±1.0 12.0 ±0.8 380±2.0 122.5DN 125 Φ 125 ±1.012.0 ±0.8 400±2.0 147.5DN150Φ 1500.5 12.5±0.8450±2.0173.5三 3.5通DN 200Φ 200 1.5 13.0±0.9510±2.0223.54.5DN250 Φ 2502.0 14.0±1.0600±2.0273.56.0DN300Φ 300 3.0 14.0±1.0670±2.0323.57.0DN 350 Φ 346 ±2.0 18.0 ±1.0 860±2.0 DN 400 Φ 396 ±2.0 18.0 ±1.0 930±2.0 DN 450 Φ 446 ±2.0 18.0 ±1.0 1000±2.0DN 500Φ 496±2.018.0±1.01070±2.0附表 4 90o弯头基本参数名公称径径 d ,mm公称壁厚 e ,mmL 1 最小外径 图示mm ( mm )称DN , mm基本尺寸 极限偏差基本尺寸 极限偏差DN50 Φ 50 ±0.8 11.0 ±0.8 150.0 ±2.0 71.5 DN65 Φ 65 ±0.8 11.0 ±0.8 160.0 ±2.0 86.5DN80 Φ 80 ±0.8 11.5 ±0.6 180.0 ±2.0 102.5 90° DN100Φ 100±1.0 12.0±0.8 190.0 ±2.0122.5弯 DN125 Φ 125 ±1.012.0 ±0.8 200.0 ±2.0 147.5头DN150Φ 150 0.5 12.5±0.8225.0 ±2.0173.53.5DN200Φ 2001.5 13.0±0.9278.0 ±2.0 223.54.5DN250Φ 250 2.0 14.0±1.0 335.0 ±2.0273.56.0DN300Φ 3003.0 14.0±1.0380.0 ±2.0323.5附表 2变径三通基本参数规格径基本尺寸DN65/50Φ 65DN80/50Φ 80 DN80/65DN100/50DN100/65Φ 100DN100/80DN150/50Φ 150 DN150/100DN200/50DN200/100Φ 200DN200/150DN250/100DN250/150Φ 250DN250/200DN300/100DN300/150Φ 300 DN300/200DN300/250变径三通图示大端平均壁厚最小径基本尺寸偏差外径±0.811.0 0±.886.5Φ 50Φ 50±0.811.5 ±0.6102.5Φ 65Φ 50±1.011.5 ±0.6122.5Φ 65Φ 800.5Φ 5012.5 ±0.8173.53.5Φ 100Φ 501.513.0 ±0.9223.5Φ 1004.5Φ 150Φ 1002.014.0 ±1.0273.5Φ 1506.0Φ 200Φ 1003.0Φ 15014.0 ±1.0323.57.0Φ 200Φ 250小端平均壁厚偏差±0.811.0 ±0.8±0.811.0 ±0.8±0.811.0±0.8±0.811.0±0.8±0.811.0±0.8±0.812.0±0.8±0.811.0±0.8±1.011.5±0.6±0.811.0±0.8±1.011.5±0.60.512.5±0.83.5±1.011.5±0.60.512.5±0.83.51.513.0±0.94.5±1.011.5±0.60.512.5±0.83.51.513.0±0.84.52.014.0±1.06.0最小L ( mm )外径71.5320.0 ±2.071.5360.0 ±2.086.5360.0 ±2.071.5380.0 ±2.086.5380.0 ±2.0102.5380.0 ±2.071.5450.0 ±2.0122.5450.0 ±2.071.5510.0 ±2.0122.5510.0 ±2.0173.5510.0 ±2.0122.5600.0 ±2.0173.5600.0 ±2.0223.5600.0 ±2.0122.5670.0 ±2.0173.5670.0 ±2.0223.5670.0 ±2.0273.5670.0 ±2.0附表 345o弯头基本参数名公称径径 d, mm壁厚 e, mm长度 L最小外径图示mm( mm )称DN , mm基本尺寸极限偏差基本尺寸极限偏差DN 50Φ 50±0.811.0±0.8110.0 2±.071.5DN 65Φ 65±0.811.0±0.8125.0 2±.086.5DN80Φ 80±0.811.5±0.6145.0 2±.0102.5DN100Φ 100±1.012.0±0.8140.0 2±.0122.5DN 125Φ 125±1.012.0±0.8160.0 2±.0147.5DN150Φ 1500.512.0±0.8170.0 2±.0173.5 3.545o1.5DN 200Φ 20013.0±0.9185.0 ±2.0223.5弯 4.5头DN250Φ 2502.014.0±1.0215.0 ±2.0273.5 6.0DN300Φ 3003.014.0±1.0240.0 2±.0323.5 7.0DN 350Φ 346±2.018.0±2.0320.0 2±.0 DN 400Φ 396±2.018.0±1.0340.0 2±.0 DN 450Φ 446±2.018.0±1.0360.0 2±.0 DN 500Φ 496±2.018.0±1.0380.0 ±2.0钢骨架复合管规格标准附表 5异径管(变径直通)基本参数大端规格 Dn径基本尺平均最小寸 d1偏差壁厚外径 D1500-400Φ 496±2.018.0 1±.0400-300Φ 396±2.018.0 1±.0300-250300-200Φ 3003.014.0 1±.0323.5 7.0300-150 250-200250-150Φ 2502.013.5 1±.5273.5 6.0250-125 200-150200-125Φ 2001.513.0 0±.9223.5 4.5200-100 150-125 150-100150-80Φ 1500.512.5 0±.8173.5 3.5150-65150-50125-100125-80Φ 125±1.012.0 0±.8147.5 125-65125-50100-80100-65Φ 100±1.012.0 ±0.8122.5 100-5080-65Φ 80±0.811.5 0.6±102.5 80-50异径管图示单位: mm小端径基本尺平均壁厚最小L寸 d2偏差外径 D2Φ 396±2.018.01±.0800.0 ±2.0Φ 300 3.014.01±.0323.5720.0 ±2.07.0Φ 250 2.014.01±.0273.5500.0 2±.06.0Φ 200 1.513.00±.9223.5500.0 2±.04.5Φ 1500.512.50±.8173.5500.0 2±.03.5Φ 200 1.513.00±.9223.5500.0 2±.04.5Φ 1500.512.50±.8173.5500.0 ±2.03.5Φ 125±1.012.00±.7147.5500.0 ±2.0Φ 1500.512.50±.8173.5450.0 2±.03.5Φ 125±1.012.00±.8147.5450.0 ±2.0Φ 100±1.012.00±.8122.5450.0 ±2.0Φ 125±1.012.00±.8147.5380.0 ±2.0Φ 100±1.012.00±.8122.5380.0 ±2.0Φ 80±0.811.50.6±102.5380.0 ±2.0Φ 65±0.811.00.8±86.5380.0 ±2.0Φ 50±0.811.00.8±71.5380.0 ±2.0Φ 100±1.012.00±.8122.5360.0 ±2.0Φ 80±0.811.50.6±102.5360.0 ±2.0Φ 65±0.811.00.8±86.5360.0 ±2.0Φ 50±0.811.00.8±71.5360.0 ±2.0Φ 80±0.811.50.6±102.5360.0 ±2.0Φ 65±0.811.00.8±86.5360.0 ±2.0Φ 50±0.811.00.8±71.5360.0 ±2.0Φ 65±0.811.00.8±86.5300.0 ±2.0Φ 50±0.811.00.8±71.5300.0 ±2.0钢骨架复合管规格标准附表 622.5o弯头基本参数名公称径径 d , mm公称壁厚 e,mm 图示称DN, mm 基本尺寸极限偏差基本尺寸极限偏差1.513.0±0.9DN200 Φ 200.0 4.522.5°Φ 300.0 3.0DN30014.0±1.07.0弯头L 1最小外径mm D ( mm )185.0 ±2.0223.5 235.0 ±2.0323.53.01703DN500 Φ 5007.023.0±1.0380.0 ±2.0(周长 )7 11.25o弯头基本参数径 d , mm公称壁厚 e,mm名公称径L 1最小外径图示mm D ( mm )称DN, mm 基本尺寸极限偏差基本尺寸极限偏差11.25°1703弯DN500Φ 500.0±0.823.0±1.0380.0 ±2.0(周长 )头直管加工最短尺寸要求规格两端封口(mm )单端接头(mm)两端接头(mm)DN50 普通 /薄壁200/350200/350250/350DN65 普通 /薄壁200/350200/350250/350DN80 普通 /薄壁250/350250/350300/350DN100 普通 /薄壁250/370250/370300/400DN125 普通 /薄壁250/370250/370300/400 DN150300300300DN200300300400DN250300300400DN300400400400DN350600600600DN400700700700DN450700700700DN500700700700正常加工:即可以法兰连接也可以电熔连接。
化工部阀门标准测机构,而应用于阀门产品的计算机应用软件也是相当齐全:既可通过分析手段对新产品和新技术的先进性能进行理论分析与预测,又可采用实验的方法预测结果进行验证,根据统计数据同时验证其分析方法的正确性,以此得出一系列有效的阀门性能和技术特性的分析方法,以此类方法应用于后续阀门技术的开发,以至在降低研发成本,其研究成果更具实效。
好多企业阀门产品虽获得不少国家专利,但好多专利仅为实用专利,技术含量不高,好多专利仅在结构上作了部分改进,没有实质性改进发明。
有的还存在仿制和抄袭,由于好多阀门用户多年停留于使用传统产品,因而好多产品内外结构多年没有实质性改进与提高。
再如目前我国阀门产品驱动执行机构控制水平也差。
国内生产的阀门配套驱动执行机构,其性能和控制水平仅是国外20世纪90年代水平,其动作灵敏度差,自动化控制能力和可靠性总体水平相对滞后。
与此其信号采集、信号比较、信号放大、信号返回等一系列控制能力落后于发达国家的水平。
其实就技术水平而言,常规阀门的设计和材料应用上,我们与国外知名企业相比,并没有多大的差距,在制造工艺上也没有不可逾越的鸿沟,那差在什么地方?但以实际情况就是差在认真两字上,一、产品[衬里截止阀]的详细资料:产品型号:J41J/FS型产品名称:衬里截止阀产品特点:法兰连接手动截止阀,直通式截止阀,连接手动截止阀二、截止阀概况:一、截止阀是指关闭(阀瓣)由阀杆带动并沿阀座中心轴线做升降运动的阀门,在管路上主要用来接通或截断管路中的介质,但不能做节流用。
二、设计规范遵循GB 12233、GB 12235、ANSI B16.34标准。
三、驱动方式手动、齿轮传动、气动(常开或常闭)、电动。
法兰连接截止阀设计与制造符合中国国家标准基本结构形式:直通式直流式公称压力PN1.0~2.5(MPa)公称通径DN15~350(mm)基本型号(全衬里)手动J41J J41FS齿轮传动J441J J441FS J45J J45FS J541J J541FS气动J6B41J J6B41FS 电动J941J J94FS遵循规范STANDARD设计于制造GB 12233/GB12235结构长度GB 12221(长-短系列)法兰尺寸JB 78/JB 79(GB,HG,SH)压力试验GB/T13927标志GB12220供货GB/T12252三、主要零部件材料表:序号零件名称灰铸铁铸钢不锈钢超低碳不锈钢Z C P R PL RL1 阀体、阀盖HT250 WCB CF8 CF8M CF3 CF3M2 阀瓣、阀杆35 1Cr13 1Cr18NI9 1Cr18Ni12Mo2Ti 00Cr18Ni100Cr17Ni14Mo23 活节螺栓35 35 1Cr17Ni2 1Cr17Ni2 1Cr17Ni2 1Cr17Ni24 衬里层/阀座衬硬橡胶(NR)FEP(F46)PCTFE(F3)PFA(可溶性聚四氟乙烯)5 填料PTFE(F4)PTFE(F4)6 填料压盖WCB WCB CF8 CF8M CF3 CF3M7 阀杆螺母ZCuAl10Fe3ZCuAl10Fe38 螺栓35 35 1Cr17Ni2 1Cr17Ni2 1Cr17Ni9Ti 1Cr17Ni9Ti9 螺母45 45 0Cr18Ni9 0Cr18Ni9 0Cr18Ni9 0Cr18Ni910 手轮HT200 HT200 WCC WCC WCC WCC一、产品[衬里直角阀]的详细资料:产品型号:J44J/FS型产品名称:衬里直角阀产品特点:公称通径:DN15~300(mm)主要零部件材料见表A2 基本型号:手动J44F43 电动J944F3 J44F46 J944F46 法兰连接截止阀(角式)设计与制造符合中国国家标准基本结构形式:角式公称压力:PN1.0~2.5(MPa)法兰连接手动截止阀遵循规范STDNARD设计与制造GB12233/GB12235结构长度GB12221/JB96法兰尺寸JB78/JB79(GB,HG,SH)压力试验GB/T13927标志GB/T12220供货GB/T12252二、主要零部件材料表:公称通径标准值参考值DN (mm)NPS(inch)L D D1 D2 F B Z-Φd Do H1 H2W(kg)PN1.0MPa15 1/2 65/90 95 65 45 2 14 4-Φ14100 240 265 7 20 3/4 75-95 105 75 55 2 16 4-Φ14100 245 270 7.5 25 1 80/100 115 85 65 2 16 4-Φ1412 250 275 8 32 1 1/4 95/105 135 100 78 2 18 4-Φ180120 260 290 12 40 1 1/2 80/100 145 110 85 3 18 4-Φ18140 290 325 1450 2 115/125160 125 100 3 20 4-Φ18140 300 335 1965 2 1/2 145 180 145 120 3 20 4-Φ18160 355 400 27 80 155 195 160 135 22 4-Φ18160 400 450 42 100 4 175 215 180 155 3 22 8-Φ18180 455 495 50 125 5 200 245 210 185 3 24 8-Φ1810 530 560 64150 6 240/225280 240 210 24 8Φ18240 605 650 85200 8 275 335 295 265 3 26 8-Φ18240 650 770 105 250 10 325 390 350 320 3 28 12-Φ23280 680 800 135 300 12 375 440 400 368 4 28 12-Φ23280 710 835 15515 1/2 65/90 95 65 45 2 14 4-Φ14100 240 265 7 20 3/4 75-95 105 75 55 2 16 4-Φ14100 245 270 7.5 25 1 80/100 115 85 65 2 16 4-Φ14120 250 275 8.5 32 1 1/4 95/105 135 100 78 2 18 4-Φ18140 260 290 12 40 1 1/2 80/100 145 110 85 3 18 4-Φ18140 290 325 1450 2 115/125160 125 100 3 20 4-Φ18 160 300 335 1965 2 1/2 145 180 145 120 3 20 4-Φ18180 355 400 27 80 3 155 195 160 135 3 22 8-Φ18240 400 450 42 100 4 175 215 180 155 3 24 8-Φ18240 455 495 50 125 5 200 245 210 185 3 26 8-Φ18280 530 560 64150 6 240/255280 240 210 3 28 8-Φ23320 605 650 85200 8 275 335 295 165 3 30 8-Φ23360 650 770 15515 1/2 65/90 95 65 45 2 16 4-Φ14120 245 270 7.5 20 3/4 75/95 105 75 55 2 16 4-Φ14120 250 275 8.8 25 80/100 115 85 65 2 16 4-Φ14140 260 290 11 32 1 1/4 95/105 135 100 78 2 18 4-Φ18140 290 325 1340 1 1/2 100/115145 110 85 3 18 4-Φ18160 300 335 1850 2 115/125160 125 100 3 20 4-Φ18180 355 400 31*表中L值符合GB12221长系列,其中分子表示按JB96的L值。
内外高压喷塑复合管标准
内外高压喷塑复合管是一种新型的管材,它是由内层钢管和外层塑料通过特殊的工艺复合而成。
目前,内外高压喷塑复合管的标准主要有以下几个:
1.CJ/T120-2016《给水涂塑复合钢管》:该标准规定了给水涂塑复合钢管的产品分类、要求、试验方法、检验规则、标志、包装、运输和贮存等内容。
2.GB/T3091-2015《低压流体输送用焊接钢管》:该标准规定了低压流体输送用焊接钢管的尺寸、外形、重量、技术要求、试验方法、检验规则、包装、标志和质量证明书等内容。
3.CJ/T136-2007《给水用衬塑复合钢管》:该标准规定了给水用衬塑复合钢管的产品分类、要求、试验方法、检验规则、标志、包装、运输和贮存等内容。
以上标准仅供参考,具体的标准可能会因地区、行业等因素而有所不同。
在选择内外高压喷塑复合管时,建议你根据实际需求和使用环境选择符合相关标准的产品。
压力管道橇块内标准
对于橇块内部的标准,不同国家或行业可能会有不同的规定和标准。
例如,API RP 573、API RP 1107等都是石油工业中常用的标准。
橇块内部标准主要涉及以下几个方面:
1. 结构:橇块应具有足够的强度和刚度,能够承受管道和内部介质的重量和压力。
同时,橇块应设计成易于运输、安装和操作的形式。
2. 尺寸:橇块的尺寸应符合管道系统的要求,并且应考虑到管道和附件的安装、维修和替换的需要。
3. 材料:橇块应选用耐腐蚀、耐磨损、高强度的材料,以确保其使用寿命和安全性。
4. 连接:橇块与管道和其他附件之间的连接应牢固、密封性好,并且易于安装和维修。
5. 安全:橇块应符合相关国家和地区的安全法规和标准,例如防爆、防火等。
具体标准可能因应用领域、管道介质、压力等级等因素而有所不同。
因此,建议在具体应用中查阅相关标准或咨询专业人士。