深圳-食品生产企业飞行检查、许可现场检查案例分析、食品安全基础标准重点解析
- 格式:pdf
- 大小:1.10 MB
- 文档页数:5
广东省食品药品监督管理局日常检查记录表(试行)1.食品生产环节;2.食品经营环节-食品流通;3.食品经营环节-餐饮服务、其他食品现场制售;4.药品生产环节;5.药品批发流通环节;6.特殊药品经营流通环节;7.药品零售连锁总部流通环节;8.药品零售环节;9.医疗器械生产环节;10.医疗器械经营环节;11.保健食品生产环节;12.保健食品经营流通环节;13.化妆品生产环节;14.化妆品经营环节。
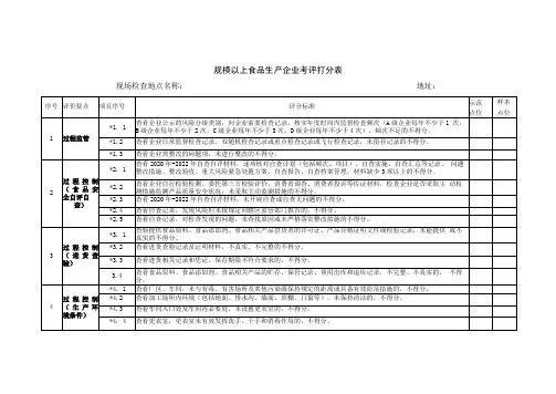
1 / 49广东省食品药品监督管理局日常检查记录表(食品生产环节)检查部门:被检查单位名称:许可证编号:地址:本表供日常检查使用,包括以飞行检查形式实施的日常检查,但国家总局已有特殊要求的检查不在此列。
不符合的项目须在备注栏注明情况。
检查内容检查项目检查结果备注符合不符合主体资格1.食品生产许可证载明的企业名称与营业执照一致。
检查要点:核对营业执照、食品生产许可证及副页。
2.企业食品生产许可证在有效期内,生产条件、检验手段、生产技术或者工艺未发生变化。
检查要点:查看生产工艺文件、许可档案等。
3.企业实际生产食品的场所、生产食品的范围等与食品生产许可证书及副页内容一致。
检查要点:查看许可档案、产品配方、产品清单等。
从业人员4.企业建立从业人员健康检查制度和健康档案制度,保存对直接接触食品人员健康管理的相关记录。
检查要点:查看人员健康证明,健康管理记录。
5.企业建立和保存对从业人员的食品质量安全知识培训记录。
检查要点:查看培训记录、培训签到表,可现场随机抽查考核操作人员。
过程控制6.企业定期对厂区内环境、生产场所和设施清洁卫生状况自查,并保存自查记录。
检查要点:查看制度、记录,现场检查。
2 / 49检查内容检查项目备注符合不符合7.企业定期对必备生产设备、设施维护保养和清洗消毒,并保存记录;建立和保存停产复产记录及复产时生产设备、设施等安全控制记录。
检查要点:查看制度、记录,现场检查。
8.企业建立和保存购进食品原料、食品添加剂、食品相关产品的贮存、保管、领用出库等记录。
食品安全专项检查工作总结5篇篇1一、引言本次食品安全专项检查工作旨在保障公众食品安全,提高食品质量安全水平。
通过对食品生产、加工、流通环节的全面检查,及时发现并解决存在的食品安全问题。
本次工作总结将围绕检查工作展开,详细阐述工作内容、成果及建议。
二、工作内容1. 制定检查方案:根据食品安全法规和标准,结合实际情况,制定详细的检查方案。
明确检查目标、范围、方法和时间安排,确保检查工作的有序进行。
2. 组织检查队伍:组建专业的检查队伍,包括食品监管部门人员、专家学者和行业技术人员。
进行培训,提高检查人员的专业素养和业务能力,确保检查工作的准确性和有效性。
3. 实施现场检查:对食品生产、加工、流通环节进行现场检查,重点检查食品企业的生产环境、设备设施、原料采购、加工过程、产品检验等环节。
详细记录检查结果,发现问题及时提出整改意见。
4. 抽样检测:对检查过程中发现的疑似问题食品进行抽样检测,送往专业检测机构进行化验分析。
检测结果将作为判断食品是否合格的重要依据。
5. 督促整改:根据检查结果和检测结果,对存在问题的企业下达整改通知,并督促企业按时完成整改。
对拒不整改或整改不力的企业,将依法进行处罚。
三、工作成果1. 发现问题并解决:通过本次专项检查,共发现问题XX余个,主要包括生产环境脏乱差、设备设施老化、原料采购把关不严、加工过程不规范、产品检验不严格等问题。
针对这些问题,我们及时提出整改意见,并督促企业按时完成整改。
2. 提高食品质量安全水平:通过专项检查和抽样检测,我们发现并处理了一批不合格食品,有效净化了食品市场。
同时,通过督促企业整改,提高了企业的食品安全管理水平,进一步保障了公众食品安全。
3. 增强公众食品安全意识:本次专项检查工作得到了广泛关注和认可,提高了公众对食品安全的关注度和认识水平。
通过宣传和教育,增强了公众的食品安全意识和自我保护能力。
四、建议1. 加强日常监管:建议相关部门加强日常监管力度,定期对食品生产、加工、流通环节进行检查和抽样检测。
选择题:1.不属于关键原则的是a) 相互沟通b) 人员培训c) 体系管理d) HACCP原理2.食品安全方针与下列哪项内容无关a) 组织在食品链中的作用b) 消费者的需求c) 财务指标d)法律法规要求3.食品安全管理体系标准中的突发事件可能是a) 水灾b) 中毒c) 洪水d) 以上都是4.验证策划不包括下列哪项内容a) 分析b) 方法c) 职责d) 频率5。
HACCP计划不包括a) 关键控制点b)关键限值c) 设备维护d) 监视人员6.对微生物描述正确的是a) 嗜冷菌:生长温度0℃~30℃,最适宜温度20℃以下b) 嗜温菌:生长温度10℃~43℃,最适宜温度36.5℃c) 嗜热菌:生长温度43℃~90℃,最适宜温度55℃d) 以上都对7.标准要求形成文件程序的是a) 操作性前提方案b) 基础设施与维护c) 内部审核d) 危害评估8.食品安全管理体系标准不适用于a) 提高自身管理b) 宗教和民族习惯c) 认证审核d) 符合食品安全方针9.以下描述错误的是a) 食品加工企业建立食品安全管理体系,必须有食品安全方针b) 食品加工企业建立食品安全管理体系,必须有食品安全目标c) 食品加工企业建立食品安全管理体系,必须有食品安全小组组长d) 食品加工企业建立食品安全管理体系,必须有开发和设计10.不属于食品安全的是a) 生物毒素b) 营养不良c) 化学试剂d) 金属和玻璃11.罐头杀菌正确表述是a) 罐头杀菌达到绝对无菌b) 罐头杀菌杀灭大部分致病菌c) 罐头杀菌杀灭腐败菌d) 罐头杀菌达到商业无菌12.操作性前提方案a) 可仿照HACCP计划b) 不能仿照HACCP计划c) 可采用包含限值和监视的同样方案d) a+c13.监视的作用是a) 查明控制措施有效性b) 发现控制措施失效c) 评价危害分析的有效性d) 监督HACCP计划14.风险评估应考虑a) 微生物残留b) 危害分布c) 危害发生的概率d) a+b15.监视参数通常不考虑a) 物理参数b) 化学参数c) 感官参数d) 微生物检测16.金属探测中SUS是指a) 铜b) 非铁金属c) 塑料d) 不锈钢17.致病菌污染果汁,能否繁殖取决于果汁的a) 水分b) PH值c) 味道d) 颜色18.可追溯性包括a) 产品批次b) 原料批次c) 分销记录d) 以上都是19.食品安全危害包括a) 过敏源b) 天然色素c) 脂肪、蛋白d) a+b20.以下不正确的是a) 组织的最高管理者制定形成文件的食品安全方针,并进行沟通b) 组织的最高管理者应确保形成文件的食品安全方针符合与顾客商定的食品安全要求和法律法规要求c) 组织的最高管理者应对形成文件的食品安全方针的持续适宜性进行评审d) 组织的最高管理者应制定可测量的食品安全目标简答题1 危害评价考虑因素:危害来源,危害发生概率、危害性质,危害可能导致的不良健康影响的严重程度2 审核原则3简述食品安全管理体系的关键原则4简述前提方案的内容与作用试举前提方案的5个例子5食品安全管理体系第一阶段与第二阶段审核目的的不同6举例说明食品加工企业食品加工企业生产食品加工企业中对水的控制要求7外部沟通的对象和目的8食品安全小组的人员构成要求及食品安全小组组长的职责多学科知识,建立与实施食品安全管理体系的经验9中小企业在什么情况下可以使用外部制定的前提方案和HACCP计划10验证和确认的区别12操作性前提方案与HACCP计划的相互关系13食品安全管理体系要求中要求形成文件的程序有哪些?14不安全产品应如何处理?什么情况下启动撤回?15简述食品加工企业生产人员的健康控制要求?16 突发事件管理17 标准与法规的关系论述1.试述控制措施组合确认的审核要点:确认策划人员、方法、内容确认实施标准条款两个方面内容确认结果有效性确认结果不满足是否修改和重新评价2.食品安全管理体系验证和确认活动的主要内容及其审核3 如何审核一个组织的产品安全的验证策划?案例分析题请根据所述情况判断不合格项并写出不符合《食品安全管理体系要求》标准的条款号和内容,并写出不合格事实和严重程度。
一.HACCP记录案例分析(一)ABC虾公司1、面包虾已制定了HACCP计划,而用于出口的拌粉冻鱼条的加工未制定相应的HACCP计划。
不符合:《出口食品生产企业卫生注册登记管理规定》附件2:出口食品生产企业卫生要求;第五条要求:列入《卫生注册需评审HACCP体系的产品目录》的出口食品生产企业,必须按照国际食品法典委员会《危害分析和关键控制点(HACCP)体系及其应用准则》的要求建立和实施HACCP体系。
(不符合相关法律法规的要求)2、检查员在现场检查时发现,当他在早上8:20检查加热记录时,发现整天的空白表格都已经填满了。
不符合:《出口食品生产企业卫生注册登记管理规定》附件2:出口食品生产企业卫生要求;第16条(九)的要求:对反映产品卫生质量情况的有关记录,应当制定并执行标记、收集、编目、归档、存储、保管和处理等管理规定。
所有的质量记录必须真实、准确、规范并具有卫生质量的可追溯性,保存期不少于2年。
(不符合相关法律法规的要求)3、鲜虾肉生产者在他的HACCP计划中将水煮活虾工序作为一个CCP,水煮虾的关键限值为15分钟。
蒸煮记录有两列“起始蒸煮”和“结束蒸煮”。
当煮锅中的水开始沸腾,蒸煮工将此刻时间记录在“起始蒸煮”这一列上。
同时,他将此刻加上15分钟记录在“结束蒸煮“的时间上。
此蒸煮工说按照这种做法,他知道何时应将虾自锅中取出。
工厂的加热规程并没有要求记录实际加热时间。
不符合:《出口食品生产企业卫生注册登记管理规定》附件2:出口食品生产企业卫生要求;第16条(九)的要求:所有的质量记录必须真实、准确、规范并具有卫生质量的可追溯性,(不符合相关法律法规的要求)4、某加工花生仁制品的公司在制定HACCP计划中,未把黄曲霉毒素作为危害因素之一。
但是该公司确实地把挑送发芽粒和发霉粒的控制作为操作工艺的一部分。
不符合:CAC/RCP1-1969,REV。
3(1997)(国际食品法典委员会HACCP体系及其应用准则)应用:6、HACCP小组应列出各个步骤中有理由可能产生的所有危害,这些步骤要包括原料生产、加工、制造、销售直到消费。
食品安全(一)1、在进行食物中毒的实验室检验时,对致病因子的确认和报告应优先选用( )——[单选题]A 国家标准方法B 行业标准方法C 国际通用方法D 快速检验方法正确答案:A2、具有潜在危害的食品必须控制( ) 来防止细菌的生产、繁殖和产毒。
——[单选题]A 温度和湿度B 营养和时间C 温度和时间D 以上都是正确答案:C3、省级以上食品药品监督管理部门可以组织开展食品安全( )——[单选题]A 监督抽检B 体系检查C 飞行检查D 以上都是正确答案:D4、除了制定最高限量标准外,风险管理的措施还包括( )——[单选题]A 制定食品标签标准B 实施公众教育计划C 通过使用替代物质或改善农业或食品加工生产规范以减少某些化学物质的使用D 以上都是正确答案:D5、食品安全关系到(——[单选题]A 广大人民群众的身体健康和生命安全B 经济的发展和社会的稳定C 广大人民群众对社会和政府的信心D 以上都是正确答案:D6、确认食物中毒事故较为可靠的实验室证据是在下列项中检出致病因子()——[单选题]A 可疑食品样本B 环境样本C 患者生物标本D 在以上样本中检出相同的致病因子正确答案:D7、糕点容易出现的问题是( )——[单选题]A 原科微生物指标不合格B 酸败C 食品添加剂超量、超范围使用D 以上均是正确答案:D8、()人民政府食品所品监有管理部门可以在乡镇、街道成省特定区域设立派出机构,——[单选题]A 省、自治区、直辖市B 市级以上C 县级或者不设区的地级市D 区级正确答案:C9、食品生产经营者未按食品安全法规定销售食品的由( )给于行政处罚。
——[单选题]A 卫生行政管理部门B 工商行政管理部门C 质量技术监督部门D 县级以上食品药品监督管理部门正确答案:D10、国家较励食品生产企业制定严于食品安全国家标准或者地方标准的企业标准,在本企业适用,并报备案。
——[单选题]A 省、自治区、直辖市人民政府B 省、自治区、直辖市人民政府卫生行政部门C 省、自治区、直辖市人民政府食品药品监督管理部门D 国务院卫生行政部门正确答案:B11、. 食品相关产品和进出口食品有害因素的风险监测由国务院哪个部门负责组织开展。
食品生产经营监督检查管理办法正文:----------------------------------------------------------------------------------------------------------------------------------------------------食品生产经营监督检查管理办法(2021年12月24日国家市场监督管理总局令第49号公布自2022年3月15日起施行)第一章总则第一条为了加强和规范对食品生产经营活动的监督检查,督促食品生产经营者落实主体责任,保障食品安全,根据《中华人民共和国食品安全法》及其实施条例等法律法规,制定本办法。
第二条市场监督管理部门对食品(含食品添加剂)生产经营者执行食品安全法律、法规、规章和食品安全标准等情况实施监督检查,适用本办法。
第三条监督检查应当遵循属地负责、风险管理、程序合法、公正公开的原则。
第四条食品生产经营者应当对其生产经营食品的安全负责,积极配合市场监督管理部门实施监督检查。
第五条县级以上地方市场监督管理部门应当按照规定在覆盖所有食品生产经营者的基础上,结合食品生产经营者信用状况,随机选取食品生产经营者、随机选派监督检查人员实施监督检查。
第六条市场监督管理部门应当加强监督检查信息化建设,记录、归集、分析监督检查信息,加强数据整合、共享和利用,完善监督检查措施,提升智慧监管水平。
第二章监督检查事权第七条国家市场监督管理总局负责监督指导全国食品生产经营监督检查工作,可以根据需要组织开展监督检查。
第八条省级市场监督管理部门负责监督指导本行政区域内食品生产经营监督检查工作,重点组织和协调对产品风险高、影响区域广的食品生产经营者的监督检查。
第九条设区的市级(以下简称市级)、县级市场监督管理部门负责本行政区域内食品生产经营监督检查工作。
市级市场监督管理部门可以结合本行政区域食品生产经营者规模、风险、分布等实际情况,按照本级人民政府要求,划分本行政区域监督检查事权,确保监督检查覆盖本行政区域所有食品生产经营者。
广东省食品药品监督管理局关于食品药品生产经营企业落实主体责任管理办法(征求意见稿)第一章总则第一条(目的依据)为进一步促进食品药品生产经营企业落实质量安全主体责任,保障食品药品安全,根据《食品安全法》、《药品管理法》、《化妆品卫生监督条例》、《医疗器械监督管理条例》等法律法规规定,制定本办法。
第二条(适用范围)本办法适用于广东省行政区域内已经取得食品(含食用农产品)、药品、保健食品、化妆品、医疗器械生产经营许可证的生产经营企业(以下简称企业)履行质量安全主体责任以及各级食品药品监管部门依法对企业主体责任落实情况实施的监督检查和综合管理。
第三条(企业主体责任)企业应当保证生产销售的产品符合法律、法规规定以及标准的要求,并对生产销售不符合食品药品安全标准的产品承担相应的法律责任。
第四条(企业自查制度)企业作为保证食品药品质量安全的第一责任人,应当落实质量安全主体责任自查制度,对在食品药品生产经营过程中应当履行的法律义务进行自查,并按照要求定期向食品药品监管部门报告。
第五条(管理体系)各级食品药品监管部门根据《广东省食品药品监督管理事权划分实施意见》明确省、市、县三级食品药品监督管理部门落实企业质量安全主体责任监督检查事权划分,督促、指导企业落实质量安全主体责任。
省食品药品监督管理局负责对全省重点监管企业质量安全主体责任进行监督检查。
市级食品药品监督管理局负责制定辖区企业落实质量安全主体责任监督检查计划并组织实施,负责对全市重点监管企业质量安全主体责任进行监督检查。
县级食品药品监督管理部门负责制定辖区企业落实质量安全主体责任监督检查计划并组织实施,负责对辖区内除省、市重点监管企业以外的企业质量安全主体责任进行监督检查。
第六条(协会作用)食品药品监管部门可以委托有关行业协会,按照本规定要求,组织企业开展落实质量安全主体责任的自查和报告。
第七条(结果应用)各级监督管理部门应当科学应用监督检查结果,完善监督检查方式方法,提升监督检查效能,改善企业落实质量安全主体责任状况。
供深食品评价制度(征求意见稿)供深食品评价制度第一章总则第一条为了维护消费者、生产者和销售者合法权益,加快培育一批符合供深食品标准的食品生产经营主体(含企业、基地),规范供深食品评价活动,根据《中华人民共和国食品安全法》《中华人民共和国认证认可条例》《认证机构管理办法》《检验检测机构资质认定管理办法》《广东省食品安全条例》《深圳经济特区质量条例》《深圳经济特区食品安全监督条例》《深圳市实施食品安全战略建立供深食品标准体系打造市民满意的食品安全城市工作方案(2018-2020年)》(深府〔2018〕41号)等有关规定精神,结合深圳市实际,制定本制度。
第二条本制度适用供深食品评价工作的实施及其监督管理。
第三条本制度所称供深食品评价,是指由符合条件的评价机构对申请评价的食品及其生产加工过程是否符合供深食品标准及相关技术规范要求的合格评定活动。
本制度所称供深食品,是指生产、加工和销售符合供深食品标准的食品(含食用农产品)。
本制度所称供深食品标准,是指结合深圳市实际,在供深食品标准体系框架内,基于我国已有标准,借鉴国际组织、发达国家和地区先进标准,制定的团体标准、地方标准和相关技术规范。
第四条供深食品评价工作应坚持客观独立、公开公正、诚实信用的原则,接受社会监督。
第五条深圳市供深食品标准工作委员会(以下简称“委员会”)负责供深食品的监督工作,包括组织制定供深食品监督管理制度、监督供深食品工作开展以及审议备案供深食品评价结果。
第六条委员会对深圳市深圳标准促进会(以下简称“市标促会”)、评价机构、检测机构、检查机构等供深食品相关方的工作开展监督。
供深食品相关方应遵循以下要求开展工作:(一)市标促会。
应按照社会团体基本规范开展供深食品标准体系构建、供深食品标准制定、评价规则发布、评价机构委托、评价工作检查与供深食品推广等工作,确保程序合规,符合深圳市实际。
(二)评价机构。
应按照评价基本规范、评价规则规定的程序要求开展供深食品评价工作,确保评价过程完整、客观、公平、真实,不得增加、减少或者遗漏程序要求。