生产部员工技能评定管理制度
- 格式:doc
- 大小:444.50 KB
- 文档页数:10
生产一线员工技能等级评定方案(讨论稿)1、目的加快公司高级技能人才培养,提高专业技能素质,充分调动我司车间生产一线技能工人和其他人员的工作热情和积极性,促进提高工作生产效率和质量,最大限度的推动公司整体效益发展。
为规范生产一线技术工人技能等级考核评定工作,促进技术工人不断学习业务知识、努力提高技术水平,更好的完成生产任务和实现自身价值,依据国家<<职业技能评定标准>>并结合企业实际,特制定本管理办法。
2、适用范围公司拟针对生产一线工人为主进行技能等级评定,不包括;各经理及以上职位和其他部门人员。
工人技能等级类型共分为3级,分别为高级技术员、中级技术员、初级技员(临时工和实习学员不在技能评定范围内)。
具体参考技能等级的设定。
3、组织设置3.1 技能评定委员会组长:总经理副组长:副总经理办公室主任成员:生产部、品质部、销售部、财务部、办公室主任。
3.2办公室主任从技能评定委员会中抽取3人组成评定小组,负责现场实操的评定工作。
4、相关部门职责4.1办公室负责等级评定的受理及组织工作;4.2办公室负责设计理论考核试题库的建立、确立实际操作的考核项目及考核办法,并参与考核评分工作;4.3品质部、生产部参与评分标准的制定及考核评分工作;4.4生产部准备考核工器具、物品材料。
5、技术等级设定5.1基础条件(1)基础资格条件:进入公司累计在4个月以上(即试用期1个月并成为正式员工3个月以上),与公司签定1年以上期限劳动合同或协议(含续签)。
(2)在此工作期间(前3个月)未出现任何旷工,累计3次以上的迟到早退,累计3天以上的请事假等情形。
(3)未发生过严重违反安全操作规程,且未发生100元以上的设备操作和安全事故。
(4)没有发生过累计总额为100元以上产品质量事故(如质量投诉、退货等)。
(5)能严格服从组长以上领导工作安排和调遣,及时圆满的完成生产任务。
(6)热爱本职岗位工作,勤劳主动,人品正派,团结同事,顾全大局,积极进取。
德信诚培训网
生产一线员工技能鉴定管理办法
1、目的
为规范生产一线技术工人技能等级考核评定工作,促进技术工人不断学习业务知识、努力提高技术水平,更好的完成生产任务和实现自身价值,特制定本管理办法。
2、适用范围
本制度适用于生产一线员工的技能等级鉴定。
3、组织设置
3.1 技能鉴定委员会
3.1.1领导小组:
组长:总经理
成员:公司各副总经理、总经理助理
技能鉴定委会员下设执行小组和专业评审委员会
3.1.2执行小组:
执行组长:分管人力资源的副总
成员:企划部部长、制造部部长、质管部部长、设备部部长、研发部部长、人力资源部部长、铸造事业部部长、热处理生产部部长、加工各生产部部长。
3.1.3专业评审委员会:
专业评审委员会分设备专业委员会、机加工专业委员会、热工专业委员会和质量专业委员会。
设备专业委员会,包括设备管理及维修调试工种,如:电工、钳工、调试工、调胎工;机加工专业委员会,包括加工车间各工序、工种,如:车工、钻工、钳工、镗工、铣工、刨工、磨工等;热工专业委员会,包括铸造、热处理、锻造、焊接等工种;质量专业委员会包括检验工、探伤工等工种。
3.2专业委员会专家组成员名单见附件1。
3.3人力资源部从执行小组和专业评审委员会专家组中随机抽取7人组成评定小组,其中3人为执行小组成员,4人为专业评审委员会专家成员,负责现场更多免费资料下载请进:好好学习社区。
生产部一线员工技能等级评估方案1.目旳1.1客观地评价员工旳工作技能水平,建立一线员工技能评价和技能晋升机制;1.2倡导员工以技能旳提高推进工作品质旳提高,并提供员工薪资核定旳根据。
2.合用对象2.1适应于企业生产部一线员工。
3.评估周期3.1评审时间:每年6月评估一次:对报名参与技能评估旳员工,进行技能评估;3.2每两年复审一次:如员工第一年未报名参与技能评估,次年旳6月份将对中2级以上(含中2)复审一次;3.3员工试用期结束而未近6月份时,将由车间主任申请定级,生产运行部部长签字确定。
员工必须参与第一年6月份旳技能评估;3.4鉴定成果,当年7月1日正式生效。
4.技能等级类别4.1初级4.2中级4.3高级4.4技师5.评估组织为了保证技能鉴定工作旳公平、公正、公开,由人力资源部组织一线员工技能等级鉴定工作。
鉴定组织由生产系统评委构成。
评委名单在每年技能评估时公布。
6.评估项目评估项目重要分为实操、理论考核、上六个月工作考核。
6.1实操:占所有评估项目总分旳50%;详细考核内容请参摄影应工种技能等级原则。
实操按中、高、技师等级规定出试题,考试人员根据报考旳等级,选择对应旳试题;6.2理论考核:6.2.1占所有评估项目总分旳30%;6.3上六个月工作考核:6.3.1占所有评估项目总分旳20%;6.3.2上六个月工作考核重要内容为创新能力、工作态度等,详情参照《员工上六个月评估表》(附件)。
6.4总分=实操+理论考核+上六个月工作考核。
7.评估作业流程7.1确定需技能评估旳人员名单7.2确定题源;7.3确定评委,技能评估:上六个月工作考核、实操考核、理论考核;7.4汇总成绩,评估委员会讨论定级;7.5定级成果签字确定与公布,资料立案,成果生效。
8.报考规则8.1所有确定需要考试人员,必须参与本次技能等级鉴定,且必须在指定期间报考有关等级;9.定级原则9.1实操考核(共50%)实操考试分数来源两个方面:9.1.1技能分(15分):一次装配为掌握旳产品种类或流水线工种;二次行线为一年内旳工时或者线头合计值;9.1.2现场考核:(1)考核内容:①一次装配班组:安装低压柜抽屉②二次行线班组:套号码管,压线鼻子③环网柜班组:安装机构④ZW32断路器班组:装配柱上断路器⑤钣金加工班组:钣金下料(2)评分准则:效率:15分工艺:10分质量:10分(3)评分原则见附件9.2理论考核(共30%)由部门负责人统一命题,按照各生产线旳工作内容出题(含波及工作范围内产品知识及专业技能)9.3上六个月考核(共20分)详情见《员工综合体现评估表》得分,由班组长统一对员工旳平常体现进行评分,生产部经理复审。
生产员工专业技能等级评定方案(草案)一、目的1、激发广大员工的积极性,营造一个积极进取、学习先进的良好氛围,最大限度地调动和发挥员工的积极性和创造性,引导员工学技术、爱岗位,提高员工岗位技能;2、全面提高我公司员工职业技能,使员工有充分展示自己专业才华的机会,更好地发现和培养技能人才;3、规范生产操作,全面提升生产人员的工作效率与工作能力;同时加强生产人员人才的梯队建设,构建职业发展通道,稳定生产队伍。
二、职能分工人事行政部为生产员工专业技能等级评定工作的牵头部门,主要负责前期准备阶段和实施阶段的培训组织工作,做好与相关业务部门的联络、协调。
生产部作为具体业务部门,主要负责实施阶段课件开发、考核评估相关工作,制定技术等级评定细则,并根据考试、考核结果,提交相关人员技术等级评定意见。
三、组织保障成立专业技能等级评定领导小组:组长:余晓兵组员:麦建华、陈小颜职责:1、负责专业技能等级认证体系的搭建和完善;2、负责专业技能等级标准题库的审定;3、负责指导培训和鉴定工作;4、负责最终评定从业人员的专业技能等级。
成立专业技能等级评定工作小组:组长:麦建华副组长: 麦建华、陈小颜组员:曹海军、隆荣辉、谢文伟、李伟仪职责:1、组织专业技能等级认证体系的搭建;2、组织专业技能等级标准题库的开发和完善;3、组织培训和考核鉴定工作;4、组织从业人员的专业技能等级的评定。
工作小组下设三个执行小组:1、课件开发组组长:麦建华、陈小颜组员:曹海军、隆荣辉、谢文伟、李伟仪职责:⑴确定培训课程体系和具体培训课程;⑵组织课件开发和评审;⑶负责讲师确定;⑷制定实操培训及考核方案。
2、培训服务组组长:陈小颜组员:曹海军、隆荣辉、谢文伟、李伟仪职责:⑴负责培训日程安排;⑵负责培训讲师的联系和培训工作;⑶负责培训及颁证后勤、服务工作;⑷负责教务准备及培训组织;⑸负责考试组织和资料汇总、归档;⑹负责颁证仪式的筹备、组织工作。
3、考核评定组组长:麦建华、陈小颜组员:曹海军、隆荣辉、谢文伟、李伟仪职责:⑴制定等级评定细则;⑵负责培训考试和实操考核和综合评价工作;⑶根据培训考试、考核情况提交相关人员专业技能等级评定意见。
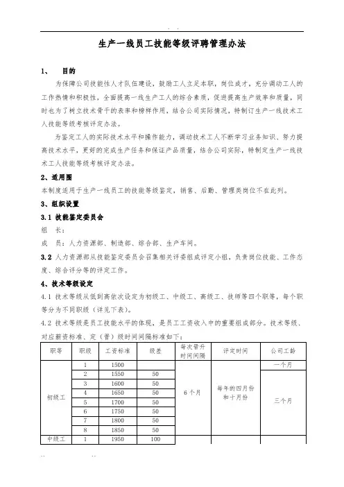
生产一线员工技能等级评聘管理办法1、目的为保障公司技能性人才队伍建设,鼓励工人立足本职,岗位成才,充分调动工人的工作热情和积极性,全面提高一线生产工人的综合素质,促进提高生产效率和质量,同时也为了树立技术骨干的表率和榜样作用,结合公司实际情况,特制订生产一线技术工人技能等级考核评定办法。
为鉴定工人的实际技术水平和操作能力,调动技术工人不断学习业务知识、努力提高技术水平,更好的完成生产任务和保证产品质量,结合公司实际,特制定生产一线技术工人技能等级考核评定办法。
2、适用围本制度适用于生产一线员工的技能等级鉴定,销售、后勤、管理类岗位不在此列。
3、组织设置3.1 技能鉴定委员会组长:成员:人力资源部、制造部、综合部、生产车间。
3.2 人力资源部从技能鉴定委员会召集相关评委组成评定小组,负责岗位技能、工作态度、综合评分等的评定工作。
4、技术等级设定4.1 技术等级从低到高依次设定为初级工、中级工、高级工、技师等四个职等,每个职等分为不同职级(详见下表)。
4.2 技术等级是员工技能水平的体现,是员工工资收入中的重要组成部分。
技术等级、对应薪资标准、定(晋)级时间间隔标准如下:5、初次技能鉴定申报条件对于不同技术等级的员工,在初次鉴定时只要符合条件即可申报。
6、技能鉴定项目及方法6.1生产工人技术等级考核操作方法:6.2生产工人等级考核晋升标准:7、技能等级鉴定流程7.1 新进员工等级鉴定7.1.1 对于从外单位加盟的新员工,如持有相应的职业技能等级证书,可直接参与相应职等的技能等级鉴定,鉴定通过后可直接享受相应的技能等级待遇。
7.1.2 对于技术较为熟练的新员工,试工时能独立从事本岗位工作,试用期满后,人力资源部可组织相关部门直接定级,直接享受相应技能等级的工资待遇。
7.1.3 新进员工在试用期结束前15天,人力资源部通知相关员工填写申请表,导师、班组长对员工的工作态度、工作表现、技能提升程度进行评价,填写审核意见后报人力资源部。
员工技能等级考评管理制度
为规范管理提高员工技能水平与工作积极性,重点对员工综合技能进行考核,并形成员工薪资与综合技能直接挂钩的体系(需经领导审批)。
制定出员工综合技能等级、评审办法、评审标准、评审周期等,最大程度地提高员工工作积极性、稳定员工队伍,从而达到队伍稳定、生产稳定的目的。
将生产系统员工技能评定级别分为4大级(初级、中级、高级、特级技工)、11小级(0-10级);新进厂员工若无任何从业经验者,最初级别为0级;高级技工中技术特别好的,经考核后确实特别优秀者,可破格评定为特级(10级);级别越高技能越好、技能工资金越高。
公司员工技能鉴定管理制度第一章总则第一条为了规范公司员工的技能鉴定工作,提高员工的专业素养,加强公司的核心竞争力,特订立本制度。
第二条本制度适用于本公司全部员工的技能鉴定工作,包含员工的技能测评、技能培训、技能认证等方面的管理。
第三条技能鉴定工作应当遵从公平、公正、公开的原则,依法维护员工的合法权益。
第四条公司技能鉴定管理委员会(以下简称“委员会”)负责本制度的执行和监督,以及对员工技能鉴定工作的统筹、协调。
第二章技能测评管理第五条公司将对员工进行定期的技能测评,以评估员工的专业技能水平和工作实绩。
第六条技能测评内容包含但不限于员工所从事岗位的专业知识、技能操作等方面。
第七条技能测评将采取笔试、面试、实操等多种方式进行,具体评估方式由委员会依据不同岗位工作性质订立并告知员工。
技能测评结果将作为员工晋升、奖惩、培训等方面的紧要依据,同时用于公司的人员配备和岗位调整。
第九条员工有义务参加公司组织的技能测评,如无正当理由拒绝参加或未通过测评,将依据公司相关规定承当相应责任。
第三章技能培训管理第十条公司将依据员工的技能测评结果,订立个性化的技能培训计划,弥补员工的专业短板,提升其职业素养和才略。
第十一条技能培训重要包含内部培训和外部培训两种形式,涵盖不同层次、不同专业领域的岗位要求。
第十二条内部培训由公司内部专业人员或外聘专家负责,采取讲座、研讨会、实操训练等方式进行。
第十三条外部培训可通过组织员工参加公开培训班、学术会议、行业研讨等形式进行,具体培训方案由委员会审批并组织实施。
第十四条员工参加培训期间,享受与正常工作期间相等的待遇,如有特殊情况,可申请调休或支出额外补助。
第十五条完成培训后,员工需参加相应的培训测评,经评定合格后,方可依照相关规定得到相应的培训证书或资格认证。
员工参加培训具有先后次序和优先级,具体布置由委员会依据公司需求和员工申请情况进行综合考虑。
第四章技能认证管理第十七条公司鼓舞员工参加技能认证,以进一步提升员工的专业本领和市场竞争力。
生产部员工技能评定管理制度一、背景和目的随着企业的快速发展,生产部门扮演着至关重要的角色。
为了确保生产部的有效运作和提高员工绩效,制定一套科学的员工技能评定管理制度是必不可少的。
本制度的目的是客观、公正地评定生产部员工的技能水平,为企业制定培训计划、激励政策提供依据,为员工个人职业发展规划提供支持。
同时,通过评定结果的反馈,激励员工不断提升自身技能,提高整体生产部门的效率和质量。
二、评定指标和方法1.评定指标(1)专业知识:员工对本岗位所需的专业知识的熟悉程度;(2)技能技巧:员工在操作和掌握生产设备、工艺流程、操作规范等方面的熟练程度;(3)问题解决:员工在处理突发问题、解决生产过程中的难题的能力和经验;(4)团队合作:员工在与他人合作、沟通协调、协同作业等方面的表现;(5)职业素养:员工对工作的热情度、责任心、学习及个人发展的态度等方面的综合评价。
2.评定方法(1)自评和上级评:员工首先进行自我评定,然后由直接上级对其进行评定。
自评和上级评定可以采用量化的评分表格,也可以结合综合考察及讨论。
自评和上级评定的比例分别为50%。
(2)面试:对一些高级岗位或关键岗位的员工,可进行面试,通过面试考察员工的专业知识、技能技巧、问题解决能力等方面。
三、评定周期和结果反馈1.评定周期:每年进行一次员工技能评定。
具体的评定时间和流程将由人力资源部门组织和安排。
2.结果反馈:评定结果应在评定结束后的15个工作日内进行反馈。
员工将收到一份评定报告,报告中将详细列出评定指标及其得分,以及相应的评语和建议。
员工可以通过面谈方式进一步了解评定结果,并与直接上级一起制定改进计划。
四、评定结果的应用1.培训需求分析:通过评定结果,及时发现员工在专业知识和技能技巧方面的不足,为制定个别培训计划提供依据。
2.激励措施制定:根据评定结果,制定激励政策,如岗位晋升、奖金发放、技能提升津贴等,以激励员工提升自身技能,提高绩效。
3.职业发展规划:评定结果可以为员工的职业发展规划提供参考,帮助员工了解自己在岗位上的优势和劣势,并为未来的晋升和职业转型提供指导。
员工技能评定管理规定G字第(人)12001号第 1 版1.0目的鼓励员工提升职业技能,规范公司员工技能评定管理,逐步推行员工培训、考核、聘用和薪资调整相结合的技能评定制度。
2.0适用范围生产一线各工序人员、品质控制人员、物料人员及其它实施技术等级管理的人员。
3.0职责分工办公室为升定级考核的组织实施部门,负责考核员工的资格审查、理论、实操考核的组织实施、考核过程的监控、考核结果的核准认定。
各业务部门与人力资源部共同负责各工种培训课程开发、培训组织实施、考核组题、试卷批改、实操监考及成绩评定等,具体如下:4.0申报条件4.1申报定级之前,员工在该岗位至少试用期或学徒期满,学徒期为优先考虑因素;4.2申报升定级之前三个月内,无旷工或事病假天数不超过10天(含);4.3申报升定级之前三个月内,违反劳动/安全纪律罚款100元(含)以下或违反劳动/安全纪律/管理条例3次(含)以下;4.4申报升定级之前三个月内,因工作进度、品质事故等工作失职/失误原因造成罚款3次(含)以下或累计金额500元以下;4.5因公出差人员可在返回后直接进行补考,履行正常请假手续的,可直接顺延进入下次公司组织的升定级考核程序;连续两次未能参加升级考试者,部门重新提交申请;4.6参加升定级考核人员经考核合格后方能上岗独立操作,并根据工作表现、生产绩效和实际技能按照公司的有关规定确定薪资等级;考核不合格者,准予延期补考,补考时间为下次公司组织的升定级考试。
学徒期、试用期各方面表现优秀的可以经部门特别申请后提前进行转正定级考试;4.7申报升级之前,须相隔上次考核通过至少6个月以上,特殊情况如表现优秀、有特殊突出贡献者经由部门申请,人力资源部复核报总经理批准后可不受此条约束(但最短不能少于3个月);4.8认证等级划分根据各岗位职业资格等级评定细则确定,技能等级按顺序逐级考核晋升。
原则上不能跨级申报,即只有取得前一等级认证方可申报更高等级资质认证,特殊情况如有特殊突出贡献者经由部门申请,人力资源部复核报总经理批准后方可提前参加升级考核或者越级考核。
生产企业一线员工技能鉴定管理方案生产企业一线员工的作业技能直接决定了产品生产的效率、质量和成本,因此企业须建立完善员工技能培训、鉴定、评级等流程体系。
本方案旨在规范生产企业对一线技术工人技能等级考核评定工作,促进技术工人不断学习业务知识、努力提高技术水平,更好的完成生产任务和实现自身价值。
一、总则1.组织设置企业综合考虑所处行业、规模大小、生产工艺复杂程度、技术工种数量等因素,设立相应的技能鉴定管理机构。
企业成立技能鉴定领导小组,由企业负责人或其指定的分管领导担任组长,生产、技术、质量、人力资源等企业分管领导及相关部门负责人担任组员。
负责对技能鉴定政策和制度的审议,对技能鉴定结果的审定。
技能鉴定领导小组可以下设各专业评审委员会或评审小组,具体负责对各专业技术工种开展技能鉴定。
2.相关部门管理职责企业人力资源部门负责技能等级鉴定申请的受理及组织工作。
生产、质量、设备等部门负责建立各自专业领域的理论考核试题库,设计实践操作的考核项目、考核办法及评分标准,分工负责各工种技能考核评分工作。
各部门负责组织本部门员工申报鉴定,并对本部门人员资格进行初审,按照工种、申报等级等进行汇总,统一提交人力资源部门。
3.技能等级设定一线技术工种技能等级从低到高依次设定为初级工、中级工、高级工、技师、高级技师共五个职等,其中初级和中级每个职等还可以再细分分为1、2、3三个职级,3级最高,1级最低。
各等级定义如下:初级工:掌握本工种基本作业技能,可独立完成本工种常规工作。
中级工:熟练掌握本工种作业技能,可独立完成工种位常规工作;并在特定情况下,能够运用专门技能完成较为复杂的工作,能够与他人进行合作;能培训初级工。
高级工:熟练掌握本工种作业技能且掌握其他相关专业技能,可完成较为复杂的工作和部分非常规性工作;能够独立处理工作中出现的问题;能指导他人进行工作;能培训中级工。
技师:全面、熟练掌握本工种作业技能和其他相关专业技能,可完成较为复杂的、非常规性的工作;掌握本工种关键操作技术;能够独立处理和解决技术或工艺问题;在操作技术方面有创新;能组织指导他人进行工作;能培训高级工;具有一定的管理能力。
员工技能评定管理办法文件编号:KCD-SC-03-03文件版次:1.0行政人力中心发行日期:2017-12-15页次:第1页员工技能评定管理办法一、目的为了加快公司高级技能人才的培养,提高员工队伍专业技能素质,调动工作热情和积极性,促进提高生产效率和产品质量,最大限度地推动公司整体效益发展,同时树立技术骨干表率和榜样,本办法制订。
二、范围本办法适用于生产一线计件员工进行技能等级评定及人员晋升。
三、权责1.各生产车间负责发动车间员工申请提报,参与员工技能评定工作。
2.技术部负责设定员工技能实操考核与理论考试方案。
3.评审组负责对参与员工技能等级进行综合评审。
四、作业内容1.员工技能等级的划分1)员工技术等级类型共分为5级,分别为一级工、二级工、三级工、四级工、五级工。
2)依照公司目前工种技术分类,压铸、金工、数控、喷涂枪手等车间员工技术含量较高,最高设五级工,其它车间或岗位最高设四级工。
2.员工技能等级资格评审的组织1)成立公司员工技能资格等级评审组,其成员由生产副总、生产经理、车间主任、品质部经理、技术部副经理和各负责线长组成,并由生产副总任组长。
2)员工技能等级资格评审,原则上每半年评审一次(每年6、12月各1次)。
3.员工技能等级资格评审标准1)一级工评审标准A.技术能力①具有本岗位基本的专业操作技能,能按照作业指导书进行简单的操作。
②能了解本岗位产品基本加工流程、工作内容、要求事项。
③能独立操作设备、使用工装夹具,并懂得设备的基础维护保养。
④能自觉接受新知识、新技能。
⑤能对所在岗位的生产设备进行简单性的维修处理。
B.综合素质①能严格服从班组长以上领导的工作安排和调配,按时、按质完成本岗位的生产任务。
②未发生过严重违反生产工艺及安全操作规程,且未发生过直接经济损失500元以上的设备操作、安全事故。
③在工作期间未出现过旷工、迟到早退现象。
④热爱本岗位工作,勤劳主动,人品正派,遵守公德,互助协作,团结同事,积极进取。
目的为了加强员工岗位管理,全面提高员工队伍的技术技能水平,建设高素质的操作技能人才队伍,营造员工学技术勤钻研的良好氛围,为优秀人才脱颖而出提供有效的激励机制和制度保障,结合公司实际,特制定本管理办法。
适用范围适用于公司生产部所属各车间、QA、QC及设备部一线岗位。
职责人力资源部负责本规程的起草、修订,并组织相关部门开展员工技能等级评定工作。
公司职工教育领导小组负责本规程的审核及监督。
生产管理部、QA、QC及设备部配合人力资源部作好规程的实施工作。
组织机构设置公司设立技能等级考核评定领导小组(以下简称技能考评小组)。
成员为公司中层管理人员,亦可根据具体情况指定相关人员参加;常设执行机构为公司人力资源部。
技能等级设定与评定时间技能等级的设定:技能等级分十个级别,即技能一级到技能十级。
技能等级评定时间新进专业技术人员及转岗调岗人员在试用期或见习期结束前必须进行初始定级,获得技能等级认定方能享受相应待遇;技能等级的评定定于每年6月、12月分两次进行,评定结果应用于下一考核周期。
技能级别评定资格的确认与考核技能等级认定工作由两个主要部分组成,一是评定资格的确认,二是定级与晋级考核。
通过技术级别评定资格的人员方有资格参与定级与晋级考核,考核达标者可自获得批准的下一个月开始享受相应技术级别的待遇。
参评资格的核定工作由人力资源部负责,参照以下标准执行:技能1级到3级:在公司工作满1年以上(相关专业,本科学历工作满半年且转正,或专科学历工作满1年的员工可申报,包括在公司实习期),结合其所在岗位的业务技能等情况,经所在部门推荐评定等级,可参加申报。
考核要求:笔试:参加公司组织GMP知识(含药品法)考试,一级成绩在65分以上,二级成绩在70分以上,三级成绩在75以上。
口试:较为流畅地描述本岗位的SOP、SMP及相关工艺规程。
操作:较为熟练地操作相关设备、设施等,能处理生产过程中的异常现象。
技能4级:在公司工作满5年以上(相关专业,本科学历工作满1年,或专科学历工作满2年且在公司工作满1年以上,可申报),结合其所在岗位的业务技能等情况,经所在部门推荐,可参加申报。
生产部员工技职管理办法
一、管理目的:
为规范生产员工技职等级考核评定工作,加强员工对产品质量的重视程度,促进员工不断学习业务知识、努力提高技术水平,更好的完成生产任务,结合公司实际情况,特制定本管理办法。
二、适用范围:
适用于生产部所有员工(不含管理人员、文职类岗位)。
三、技职鉴定成员:
为了提高工作效率,减少不必要的工作环节,对参与技职评定人员做出以下要求:
1、技职评定人员须在公司工作满1年及以上,员工工作时间不足1年的,不参与技职评定,当季度无技职津贴。
若当选机长的,享受机长津贴。
2、技职评定时间期间,若员工已经提出离职申请的,不参与当季度评定。
3、员工在技职评定当季度,因各种原因请假的总时间(3个月请假总天数)不得超过10天,超过
10天的,按上季度的技职等级执行。
4、员工因各种原因,连续2个季度被取消技职资格的;从第3个季度起,取消当季度技职津贴。
第四季度再根据技职评定情况,对应享受技职津贴。
5、员工在执行技职评定过程中,拒绝进行评定的,取消其技职评定资格,取消技职津贴。
6、评定过程中,按以下流程操作:班组长(初评)——生产主任(评审)——生产副总(审核)——总经理(审批)——人事行政部(执行)。
7、员工技职的升/降级,除了以员工工龄作为基础外,其它情况需要进行技职调整的,均由生产部提交《员工技职晋升/降级申请表》,待审批完成后予以执行。
,
员工技职评价表(附件二)。
员工技能等级评定办法一、目的通过各工作岗位的技能等级评定,促进员工自动自发的多学习工作技能,提高作业技能确保工作质量和效率,以达到产品满足客户需求及满意度。
二、范围公司生产部、充电桩质管部、仓库的员工三、职责3.1、生产部:负责部门员工的技能等级评定,同时对质管、仓管部门员工技能等级评定的建议:3.2、质管部:负责部门员工的技能等级评定,同时对生产、仓管部门员工技能等级评定的建议;3.3、仓库:负责部门员工的技能等级评定,同时对质管、生产部门相对接员工技能等级评定的建议;3.4、人力行政中心:负责对各部门员工技能等级评定的监督审核。
四、评定方法4.1、技能等级评定内容与方法4.1.1对岗位工作操作技能熟练程度,通过日常工作质量、效率体现、对作业标准掌握,等级评定内容包括:1、技能项数(15分/单项3分)2、技能熟练度(40分)3、作业标准熟悉度(15分)4、工作质量(10分)5、工作态度(10分)6、工作效率(10分),具体见《技能等级评定表》;4.1.2工作技能评定方法:由部门管理对日常工作实际结果评定,主管复核,质管部对作业质量和质量意识、作业标准掌握进行实际评定,方式可以实际操作、提问、考试,同时要根据输出工作考核进行综合评定;4.1.3评定审查依据有:制程品质不良记录、测试答卷或实际操作技能记录与提问、员工技能等级评定表;4.2、技能等级级别4.2.1技能等级分为四级:A级、B级、C级、D级,具体各车间岗位技能见附表;4. 2.1.1A级:具备生产车间或跨车间的3项以上工作技能,且操作熟练并操作技巧与作业标准清楚,有较强训能力,对所在工段拉线所有岗位具备5个以上岗位能熟练操作,熟悉操作岗位物料及工具保4.2.12B级:具备生产车间2项以上工作技能,且操作熟练并操作技巧与作业标准清楚,有一般培训能力,所在工段拉线所有岗位具备3个以上岗位能熟练操作,熟悉操作岗位物料及工具保养;4.2.13C级:具备生产车间的1项以上工作技能,且操作熟练并操作技巧与作业标准清楚,有一般培训能力对所在工段拉线所有岗位具备3个岗位能熟练操作,熟悉操作岗位物料及工具保养;4.2.1.4D级:具备生产车间的1项以上工作技能,且操作熟练并操作技巧与作业标准清楚,无培训能力:对在工段拉线所有岗位具备2个岗位能熟练操作,熟悉操作岗位物料及工具保养;备注:以上技能等级评定中必须包括与岗位操作的工具和物料、作业指导书中要求、方法、标准在内。
生产一线员工技能等级评定方案1、目的加快公司高级技能人才培养,提高专业技能素质,充分调动生产一线技能工人和其他部门技术人员工作积极性,提高生产效率和工作质量,有力推动公司整体发展。
规范生产一线技术工人技能等级考核评定工作,促进技术工人不断学习业务知识、提高技术水平,更好的完成生产任务和实现自身价值,依据国家<<职业技能评定标准>>并结合企业实际情况,特制定本办案。
2、适用范围以生产一线主要岗位,质量控制岗位为主进行技能等级评定。
工人技能等级类型共分为5级,分别为高级技师、技师、高级技工、中级技工、初级技工(临时工和实习学员不在技能评定范围内)。
中级技工以上发放上岗证。
具体参考技能等级的设定。
3、组织设置3.1 技能评定委员会组长:总经理副组长:副总经理行政部(人力资源部)部长成员:研发部、生产部、质量管理部、人力资源部。
3.2人力资源部从技能评定委员会中抽取专人组成评定小组,负责现场实操的评定工作。
4、相关部门职责4.1生产部、研发部、质量管理部负责等级评定的受理及组织工作;(人力资源部配合)4.2生产部、质量管理部、研发部负责设计理论考核试题库的建立、确立实际操作的考核项目及考核办法,并参与考核评分工作;4.3质量管理部、生产部参与评分标准的制定及考核评分工作;4.4生产部准备考核工器具、物品材料。
5、技术等级设定5.1基础条件(1)基础资格条件:司龄累计在3个月以上,与公司签定1年以上期限劳动合同或协议(含续签)。
(2)在工作期间(每月)未出现任何旷工,累计3次以上的迟到早退,累计3天以上的请事假等情形。
(3)未发生过严重违反安全操作规程,且未发生200元以上的设备操作和人为事故。
(4)没有发生过累计总额为1000元以上产品质量事故(如质量投诉、退货等)。
(5)能严格服从组长以上领导工作安排和调遣,及时圆满的完成生产任务。
(6)热爱本职岗位工作,勤劳主动,人品正派,团结同事,顾全大局,积极进取。
生产部工人技能评级考核规定为了进一步规范等级考核,体现其合理、公平、公正的原则,现对技能评级办法进行细化规定。
一、评级对象及资格1、评级对象:公司生产各车间一线工人为主进行技能等级评定,不包括:车间经理、主管和其他部门人员。
2、评级资格:1)、员工转正后工作满三个月之后才有资格参加等级考核,报考各等级的员工,必须符合员工各等级的报考要求;2)、在工作期间未出现任何旷工,累计3次以上的迟到早退,累计10天以上的请事假等情形;3)未发生过严重违反劳动安全操作规程,且未违反公司规章纪律行为,没有受到公司任何警告以上处理的;4)能严格服从组长以上领导工作安排和调遣,及时圆满完成生产任务。
5)对于两次参加同一等级考试而未通过的员工,必须接受再培训,在确认有参加等级考试资格后才能报名参加考核。
3、级别设置:转正工人技能等级类型共分六类,分普通操作工、一级技工、二级技工、三级技工、四级技工、五级技工。
●转正员工技能要求:在掌握三种一般技能且每种技能达到掌握的标准即在单位时间内的产量和合格率,即可申请转正经审签后在人资部备案;●一级员工技能要求:1)员工转正工作满三个月以上;2) 熟练掌握本车间全部一般技能;3)在单位时间内的产量和合格率达到工艺要求;4)基本掌握本车间工艺流程和管理制度;经考核合格定为“一级员工”,由人资、车间考核;●二级员工技能要求:1)员工转正工作满六个月以上;2) 熟练掌握本车间全部一般技级和关键技能;3)在单位时间内的产量和合格率达到工艺要求;4)熟练掌握本车间工艺流程,熟悉物料种类;5)至少培养出1名一级员工;6)被采纳1项提案改善并开始产生效益;经考核合格定为“二级员工”,由人资、车间、工艺、品管考核;●三级员工技能要求:1)员工转正工作满12个月以上;2) 熟练掌握本车间全部一般技级和关键技能;3)在单位时间内的产量和合格率达到工艺要求;4)熟练掌握本车间工艺流程在工作时间内能灵活协调衔接相关生产工序和人员,熟悉物料种类及质量要求;5)至少培养2名员工升级;6)被采纳3项提案改善并产生效益;7)对本车间的设备能进行简单维修;8)对本车间的工装治具有深刻认识并能进行简单维修;9)能够掌握其它车间一般技能和至少一种关键技能;10)对车间有其它特殊贡献者可不受工作时间限制;经书面笔试(工艺和品质管理知识)和现场操作考核合格定为“三级员工”,由人资、车间、工艺、品管考核;●四级员工技能要求:1)员工转正工作满18个月以上;2)熟练掌握本车间各种技能并在单位时间内的产量和合格率达到工艺要求;3)熟练掌握本车间工艺流程,在工作时间内能灵活协调衔接相关生产工序和人员,熟悉物料种类及质量要求;4)至少培养5名员工升级;5)被采纳5项提案改善并产生效益;6)熟悉本车间的设备并能进行有效维修;7)对本车间的工装治具有深刻认识并能进行维修;8)熟练掌握其它车间一般技能和两种关键技能;9)对车间有其它特殊贡献者可不受工作时间限制;经书面笔试(工艺和品质管理知识)和现场操作考核合格定为“四级员工”,由人资、车间、工艺、品管考核;●五级员工技能要求:1)员工转正工作满24个月以上;2)熟练掌握本车间各种技能并在单位时间内的产量和合格率达到工艺要求;3)熟练掌握本车间工艺流程,在工作时间内能灵活协调衔接相关生产工序和人员,熟悉物料种类及质量要求;4)至少培养5名员工升级;5)被采纳8项提案改善并产生效益;6)熟悉本车间的设备并能进行有效维修;7)能根据生产需要设计出工作中需要的治具并具备对治具维修的能力;8)熟练掌握其它车间一般技能和关键技能;9)对车间有其它特殊贡献者可不受工作时间限制;经书面笔试(工艺和品质管理知识)和现场操作考核合格定为“五级员工”,由人资、车间、工艺、品管考核;二、各项技能等级的津贴设置:1、技能等级评级工作每季度进行一次,自第二级以后,每升1级,月工资中由公司额外给予技能奖100元,即:三级员工,每月技能奖100元;四级员工,每月技级奖200元;五级员工、每月技能奖300元;最高升到五级。
文件修订记录
文件版本日期
修订
页次
描述2012-3-6 全部新制定
1.目的: (3)
2.范围: (3)
3.职责: (3)
3.1岗位技能认证接口人 (3)
3.2生产部 (3)
3.3人力资源部 (3)
3.4相关部门 (3)
4.员工技能管理组织结构 (3)
5.名词解释 (3)
5.1员工岗位技能 (3)
6.岗位技能的级别: (3)
7.工作程序: (4)
7.1岗位技能认证方式: (4)
7.2技能认证标准 (5)
8.员工上岗资质认证流程: (6)
9.相关文件 (9)
10.相关记录: (9)
1.目的:
为了更好的规范一线员工遵守公司的工艺质量要求,引导和激励员工不断提高自身岗位技能,从而提升产品质量的目的。
2.范围:
2.1.1本文件适用范围:SST生产部一线员工岗位技能评价
3.职责:
3.1岗位技能认证接口人
根据生产车间或者公司的要求,受理认证申请,组织开展员工岗位技能鉴定;
定期参加生产部组织的岗位技能认证问题分析会;
负责向运营副总汇报岗位技能认证进度、成果等相关情况。
3.2生产部
负责触发岗位技能认证申请;
负责组织理论考试;
负责实际技能现场鉴定;
负责向鉴定小组提供产量考核、质量考核、工艺纪律考核、设备纪律考核基础数据;
负责鉴定结果的分析和改善。
负责鉴定结果的分级、上报和存档工作;
负责将员工的技能等级张榜公布。
3.3人力资源部
负责认证后的技能卡方法工作;
负责对认证优秀员工的激励工作,
个人薪资调整或晋升时,以此方案为依据之一,向S、A级员工倾斜考虑。
3.4相关部门
技术部负责认证理论考卷的拟定;
负责认证结果审议。
设备部负责设备主操技能评定。
4.员工技能管理组织结构
岗位技能鉴定小组总体负责人为运营副总;生产执行负责人为生产管理科主管。
生产部、人力资源部、设备部、技术部和质量部分别设有固定岗位技能鉴定接口人。
具备岗位技能鉴定的人员为相关部门主管以上人员或经过岗位技能认证具备培训能力的员工。
5.名词解释
5.1员工岗位技能
是指按照公司的工艺质量要求,评价其是否符合岗位要求的一种能力,岗位技能包含理论知识能力和实际操作能力,共2类能力。
6.岗位技能的级别:
岗位技能共分为六级:
S 级:具备管理能力的员工;
A 级:具备培训他人能力的员工;
B 级:具备熟练操作且实际操作结果良好的员工;
C 级:刚入职培训完毕,具备基本操作能力的员工;
D 级:不合格员工,但可再训; 7. 工作程序:
SST 生产部一线员工岗位技能认证流程
流程步骤说明
生产部相关部门生产车间
人力资源开始
填写岗位技能申请
评审流程开始。
车间领班填写《生产部岗位技能认证申请单》
分级
在岗学习
发证
流程结束
质量、工艺和生产一起做技能鉴定
不符合人员须车间限期再培训
生产部汇总级别
判定
Y
N
结束
存档
人事负责发放合格的证书
7.1 岗位技能认证方式:
岗位技能认证每个季度开展一次;
认证采用理论笔试和实际操作技能结果评价3种方式;
理论笔试主要针对认证工种的相关理论知识、操作规程和安全知识,理论考试须通过60分考核才予以合格;
实际操作技能结果评价主要通过产量水平、质量水平、违反工艺和设备纪律次数决定;
理论考试成绩占30%,KPI 结果评价占40%,实操考试占30%,三者合计100分,另外其他职能部门可以加扣分。
初次考评分数和岗位技能对应关系如下:
分数95分以上94分-85分70分-84分60分-70分60分以下淘汰员工
等级S A B C D E
初次评定后的每季度都会重新评定一次:S级员工的评定人数按照总评级人数的15%进行评定,合格继续保持,不合格则退到A级,A、B、C、D级的员工的评定人数按照总评级人数的20%进行评定,合格晋一级不合格则退一级。
新入职员工6个月内不参与技能评定制度,但必须具备上岗能力。
7.2技能认证标准
岗位技能实际操作能力鉴定是依据生产部绩效考核细则的月考评分数为基础,同时结合质量、工艺和设备的奖罚单为依据,其他部门奖罚分数以具体单据奖罚为基准。
工序项目指标目标备注
分选产量当日产量完成率100% 质量质量事故0
综合
出勤率100%
执行率
备料产量
备料不及时次数2次/月
准确性
无多备、错备、
少备
质量质量问题次数2单/月
综合
出勤率100%
执行率
单焊产量劳动生产率块/小时
设备主操手资格
可以加分5分质量
碎片率%
合格率%
综合
出勤率100%
执行率100%
串焊产量劳动生产率70块/小时质量
碎片率%
合格率%
综合
出勤率100%
执行率100%
叠层产量劳动生产率113块/小时质量合格率%
综合出勤率100%
执行率 100%
层压
产量 劳动生产率 1161块/小时 设备主操手资格可以加分5分
质量
合格率 % 综合 出勤率 100% 执行率 100% 组框
产量 劳动生产率 887 设备主操手资格可以加分5分
质量
合格率 % 综合 出勤率 100% 执行率 100% 清洗
产量 劳动生产率 999块/小时
质量
交验合格率 % 合格率 % 综合
出勤率
100%
执行率 100% 月时间;
调整岗位的员工到新岗位后需要重新进行岗位技能认证;离岗1个月(含一个月)员工重新回到岗位须再次参加岗位技能认证;特殊岗位员工如自动焊、层压机岗位可以考虑2个月认证一次。
8. 员工上岗资质认证流程:
新员工上岗资质认证流程:
新员工由人力资源部培训完毕移交给生产部培训; 生产、技术、质量相关培新完成;
培训结束进行理论与实际操作考试认证,认证合格予以发“上岗证取得”绿色标签,贴在员工卡上,同时发“技能等级1级”蓝色标签,标签必须贴在员工卡上;
若上岗资质认证不合格,员工继续培训,员工卡上贴“回炉培训期”红色标签; 培训两次仍不合格,退回人力资源部。
新员工上岗资质认证流程:
SST新员工上岗资质认证流程
设备部流程步骤说明
技术部
生产管理科
人力资源部质量部
开始
生产培训
流程开始。
走入职流程
流程结束
工艺、质量、设备相关培训
考核、认证
证件发放
人资招聘与
培训
工艺纪律
、标准培训
质量管理办法
培训
设备相关培训
资质认证
Y
发上岗证
发技能等级证
N
结束
部门相关培训
老员工回炉培训上岗资质再认证流程:
老员工作业手势、动作等变化,不符合SOP标准,导致质量、技术指标不达标的老员工需回炉培训。
培训期间,由生产管理科培训组将其上岗证收回,换“回炉培训期”红色标签贴在员工卡上。
待重新认证合格后,换“上岗证取得”绿色标签。
回炉培训上岗资质再认证流程图:
SST 员工回炉培训上岗资质再认证流程
流程步骤说明
相关部门生产管理科生产车间
开始
重新发放
“上岗证取得”标签
流程开始。
1.作业动作不规范,不符合SOP 标准;
2.申请回炉培训与上岗证再认证。
流程结束
组织各部门知道培训
回炉培训重新认证
结束作业不标准质量不合格
组织回炉培训与重新认证
Y
回炉培训与资质重新认证
N
发放上岗证明
证书标识:
取得上岗证在员工卡上贴“上岗证取得”绿色标签,如下图1:
取得上岗证的员工同时在员工卡上贴“技能等级n 级”蓝色标签,如下图2: 老员工回炉培训在员工卡上贴“回炉培训期”绿色标签,如下图3:
图1: 图2:
图3:
9.相关文件
《晶体硅太阳电池组件装配工艺作业指导书》
《晶体硅太阳电池组件过程检验规范》
10.相关记录:
10.1.1《生产部一线员工岗位技能认证评价表》
姓名班组入司时间工序现技能等级
技能考核
理论考试成绩生产绩效成绩
其他部门考核成绩综合考核成绩
技能鉴定小组意见
根据理论考试成绩、实际生产绩效成绩和其他部门考核成绩,技能评定小组认为你已经达到____________工序__________级技能等级,特向你表示祝贺,根据相关规定,如果年度内三次鉴定结果成绩在B级(含)以上,你可以参加年度调整薪资申请,希望你再接再厉,为公司的发展做出更大的贡献!
技能鉴定小组组长:(签字)
日期:。