降水井观察井施工方案
- 格式:doc
- 大小:51.46 KB
- 文档页数:5
第1篇一、工程概况本工程为某住宅小区建设,占地面积约12000平方米,基坑开挖深度约5米。
根据地质勘察报告,施工场地地下水位较高,地下水位埋深约为地表下2米,土层主要为粉质粘土和砂质粉土,具有较强的透水性。
为确保基坑施工安全,降低地下水位,特制定本工程降水井点施工方案。
二、施工目的1. 降低地下水位,保证基坑施工安全;2. 减少基坑开挖过程中因地下水渗流引起的土体失稳现象;3. 提高地基承载力,为后续施工创造有利条件。
三、施工方法1. 井点降水方法选择根据工程地质条件和施工要求,本工程采用轻型井点降水方法。
轻型井点降水方法具有施工简单、设备轻便、降水效果显著等优点,适用于本工程地下水位较高、土层透水性较强的特点。
2. 井点布置(1)井点管布置:根据基坑平面尺寸和地下水位分布,将井点管布置成环形,井点管间距为1.5米,总管间距为3米。
(2)井点管深度:井点管深度根据地下水位埋深和降水深度要求确定,一般深度为3米。
3. 施工步骤(1)施工准备:准备施工所需的材料、设备、工具等。
(2)开挖井点坑:在井点管布置位置开挖井点坑,坑口直径为0.8米,深度为1.0米。
(3)安装井点管:将井点管插入井点坑内,确保井点管垂直。
(4)连接总管:将井点管与总管连接,连接处采用胶带密封。
(5)抽水设备安装:在地面安装抽水设备,连接总管与抽水设备。
(6)试抽水:启动抽水设备,进行试抽水,检查井点降水效果。
(7)观测记录:在施工过程中,定期观测地下水位变化,记录数据。
四、施工质量控制1. 井点管安装:确保井点管垂直、稳定,连接处密封良好。
2. 总管连接:确保总管与井点管连接紧密,无渗漏。
3. 抽水设备:检查抽水设备运行正常,无异常噪音。
4. 观测记录:准确记录地下水位变化,为后续施工提供依据。
五、施工安全措施1. 施工人员应佩戴安全帽、手套等防护用品。
2. 施工现场设置安全警示标志,确保施工安全。
3. 施工过程中,注意观察井点降水效果,如发现异常情况,立即停止施工,查找原因,采取措施。
苏州检验检疫综合实验楼基坑支护工程降水井、观测井(回灌井)施工方案1 概况1.1 工程概况拟建工程位于苏州工业园区苏惠路北侧、星桂街西侧、相门塘南侧。
降水井为30口,其中A区Ф800mm19口,长度为20M,其中滤管长16M ,B区Ф800mm11口,长度为16M,其中滤管长12M;观测井(回灌井)为17口 ,A区周围Ф800mm10口,长度为20M,其中滤管长16M ,B区周围Ф800mm7口,长度为16M,其中滤管长12M。
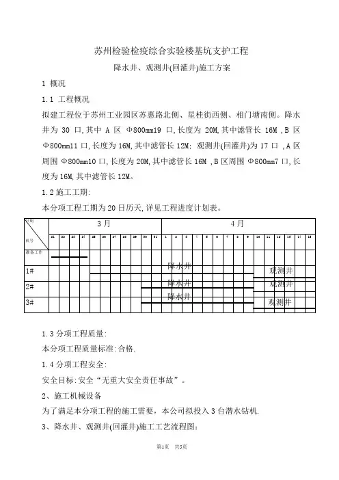
1.2施工工期:本分项工程工期为20日历天,详见工程进度计划表。
1.3分项工程质量:本分项工程质量标准:合格.1.4分项工程安全:安全目标:安全“无重大安全责任事故”。
2、施工机械设备为了满足本分项工程的施工需要,本公司拟投入3台潜水钻机.3、降水井、观测井(回灌井)施工工艺流程图:4、主要分项工程施工技术与措施:4.1 桩位测放1、测量员测放桩位,所有桩位均用Φ12钢筋头打入地下20cm且顶部涂以红油漆,以利检查核对。
2、桩位放样完毕后,测量员先将放样结果交项目技术负责验收。
3、项目技术负责验收合格后,再报请业主工地代表或监理验收;验收合格后,经双方负责人在桩位放样单上签字认可,将放样结果形成资料性文件,方可进行下道工序的施工;否则,重新放样。
4、桩位放样误差20mm。
4.2护筒埋设1、沿桩位0.7m外钉四根Φ16钢筋头,使其两根连线交于桩位中心。
2、以钉入的桩位钢筋头为中心,挖一比护筒大10cm的圆坑,且底部要进入原状土≥20cm。
3、埋设护筒时,其中心线与桩位中心线的允许偏差≤20mm,并保持护筒垂直。
4、护筒内径要比桩径大10cm。
5、埋设护筒时,其四周应用粘土分层回填夯实,确保孔口不坍塌,否则,护筒松动,倾斜而失去护筒护壁的作用。
6、埋设好护筒后,逐个测量护筒上口标高,以正确控制桩深,如遇松散填土,护筒易下沉时,应用铁丝将护筒与钻机机座固定。
7、埋设好护筒后,由技术人员进行检测,并请业主或监理复核验收。
降水井施工方案一、成井工艺流程确定井位→降水井成孔→下井管及滤水管→填砾及封止井口上部→洗井→抽水试验→水质分析评价→安装水泵设备→水泵试抽水→正式抽水。
二、洗井及抽水试验要求1.采用空气压缩机洗井法。
送风→停风→再送风→再停风,反复上下抽水,每口井洗井时间预计24小时。
要求经洗井后,抽水不带泥砂,且抽出的水逐步变清。
2.单井抽水试验采用空气压缩机或深井泵进行稳定流抽水试验,要求抽水稳定时间为16小时,预计需连续抽水24小时。
抽水试验时应同时进行观测孔的水位观测。
3.正式抽水前应进行洗井并进行抽水试验,以检验降水设计参数及抽出地下水中的含砂率,确保降水井只抽水不抽砂。
4.在试抽水过程中,应定时观测抽水流量、工作水压力及观测孔的水位等,并好记录,并校核抽水量与设计值是否相符,根据水位水降情况,分析抽水效果,如出现与设计有较大出入时,应及时调整降水设计方案。
三、观测井成井要求1.降水前在基坑中布置4口水位观察井,目的是确定基坑内实际地下水位并对基坑降水过程中地下水位进行观测。
2.观测孔成井采用冲击钻机成孔,成孔直径130mm,孔深要求进入圆砾3~5m。
3.井管用UPVC塑料管制作,在圆砾层段每周开孔8个滤水孔并设包网过滤器,孔径10mm,轴向间距200mm。
4.观测孔成井后应进行洗井,洗井时间2~4小时。
四、降水监测与管理1.正式进行降水井抽水前应对各降水井的自然水位进行记录,在降水开始的7天内,应每天早晚各观测一水位、流量,以后每天观测一次。
根据施工经验,基坑地下水位一般从正式开始降水后3~7天达到稳定水位。
2.基坑降水后稳定水位宜低于开挖面1m左右,如基坑地下水位下降较快,则应根据情况调整抽水井工作台数。
如地下水位无法降至开挖面以下,则应增加降水井数量。
3.对抽水设备应有专人定期检修保养,以保证水泵的正常运转,降水期间一般情况不得停泵,特殊情况所有泵停机时间不得超过半小时,单台泵停机时间不得超过2小时。
一、工程概况本项目位于朝阳井区域,由于地下水位较高,影响施工进度和施工质量。
为保障施工顺利进行,需进行降水工程。
本次降水工程旨在降低地下水位,确保施工区域的干燥,防止地基沉降,保证工程质量和施工安全。
二、施工方案1. 降水井布置根据地质勘察报告和现场实际情况,本次降水工程共布置10口降水井,井深约20米,井间距约15米,呈梅花形布置。
2. 降水井施工(1)钻机选择:采用XY-2型冲击钻机进行钻孔施工。
(2)钻孔施工:首先进行钻孔定位,然后进行钻孔施工。
钻孔过程中,严格控制孔位偏差,确保孔位准确。
(3)成孔后,对孔壁进行清理,清除孔内杂物,确保孔内干净。
3. 井管安装(1)井管材料:采用Φ300mm×10mm的钢管作为井管。
(2)井管连接:采用焊接方式进行连接,确保连接牢固。
(3)井管下放:将焊接好的井管缓慢下放至孔底,确保井管垂直。
4. 降水设备安装(1)选择QY-15型潜水电泵作为降水设备。
(2)电泵安装:将电泵固定在井管上,确保电泵垂直。
(3)电缆连接:将电缆连接至电泵和电源,确保连接牢固。
5. 降水施工(1)启动电泵,开始降水作业。
(2)监测地下水位变化,根据水位变化调整电泵运行时间。
(3)降水过程中,注意观察井口有无异常情况,如有异常,立即停止降水作业,查找原因。
6. 降水结束当地下水位降至设计要求时,停止降水作业。
对井口进行封闭,防止地下水渗入。
三、施工注意事项1. 严格按照设计要求进行施工,确保施工质量。
2. 加强施工过程中的安全管理,确保施工人员的人身安全。
3. 降水过程中,密切关注地下水位变化,确保降水效果。
4. 降水结束后,对井口进行封闭,防止地下水渗入。
5. 施工过程中,如遇特殊情况,及时上报,并采取相应措施进行处理。
四、施工进度安排1. 施工准备:5天2. 降水井施工:10天3. 降水设备安装:2天4. 降水施工:10天5. 降水结束:2天总计:29天五、施工预算1. 钻机租赁费:5万元2. 井管材料费:3万元3. 降水设备费:2万元4. 人工费:3万元5. 材料运输费:1万元总计:14万元本施工方案旨在确保朝阳井降水工程顺利进行,降低地下水位,保证施工质量和施工安全。
管井降水施工方案一、编制依据本文档的编制依据为《建筑工程降水设计规范》(GB -2017)和相关技术标准。
二、工程地质及水文概况2.1 基坑工程概况本工程为一座多层地下停车场,基坑深度约20米,基坑周边建筑密集。
2.2 水文地质概况根据前期勘察,本工程地下水位深度约为5-8米,地下水层为砂砾层和砾石层。
2.3 地基土渗透性经过实验室测试,本工程地基土渗透性为中等,地下水渗透系数为0.5×10^-4m/s。
三、降水设计方案3.1 设计参数本工程设计降水量为50年一遇的暴雨降水量,设计降雨强度为100mm/h。
3.2 降水井平面布置降水井的平面布置应满足排水坡度要求,井距应控制在10-15米之间,且应避开地下管线和设备。
四、施工准备4.1 测量放线在施工前,应进行详细的测量放线工作,确保降水井的位置和高程准确无误。
4.2 施工用电、用水配置施工期间应保证充足的用电和用水供应,确保施工进展顺利。
4.3 打井机械及井点设备打井机械应具备足够的功率和稳定性,井点设备应符合相关标准要求。
4.4 抽水设备的型号抽水设备的型号应根据设计要求和实际情况进行选择,确保抽水效率和稳定性。
本工程基坑施工需要大量用电和用水,施工前应做好用电、用水的配置工作。
用电配置应符合国家电力部门的相关规定,用水配置应符合当地水务部门的相关规定。
同时,应制定用电、用水的管理制度,确保施工期间用电、用水的安全、合理、经济使用。
施工设备及人员配备本工程基坑施工需要配备各种施工设备和专业人员,包括挖掘机、钢筋剪切机、钢筋弯曲机、混凝土搅拌机、砼泵车等,以及施工监理、安全管理、质量检测等专业人员。
施工前应根据工程实际情况,制定详细的设备和人员配备方案,并按计划配备相应的设备和人员,确保施工的正常进行。
安全防护措施基坑施工涉及到高空作业、深基坑开挖、土方运输等危险作业,必须加强安全防护措施,确保施工安全。
应制定详细的安全管理制度,明确各项安全措施的责任人和执行标准,加强现场安全监督和检查,及时发现和处理安全隐患,确保施工人员的人身安全。
降水井的施工方案1、降水井的留置:为防止地下室上浮,应在地下室底板内间隔20M留置一口降水井,总计留8口井,具体布置位置详见附图二,待回填土完成后再进行封堵,封堵方法详见附图三;地下室外部降水井,在回填时也应用砖砌井接至地面上来,并及时抽水,直至屋面回填完,以防水压过大,地下室上浮。
2、降水井的施工:1)、注意降水井放线定位时,位置一定要准确,防止降水井与底板地梁相冲突。
2)、降水井施工应注意降水井的施工深度。
下管时注意管节中间一定要用竹片捆紧。
3)、本工程基坑降水井共24口,支护桩封闭后,即刻安排降水井的施工,每施工完一口井,即进行抽水,防止淤泥沉淀将井管堵住。
3、降水的时间:由于地下车库无桩基基础,为防止地下室上浮,在地下室回填土完成前,必须天天降水。
降水的台班应从基坑内降水开始直至地下车库顶板回填土完成后结束,这点在设计图纸上有明确说明。
4、及时向有关部门办理排水手续,保证水有地方排;结合本工程的施工特点,排水距离为200m。
排水位置在9#楼西侧100M处的大坑。
5、降水:降水采用潜水泵抽水,由降水井抽出的水排入大坑内。
由于本区域土层的透水性差,每个井的抽水可能间断,在现场安排10个电工24小时巡视抽水,同时密切观察观察井的水位变化,如遇特殊情况及时汇报并做出处理。
6、在土方开挖过程中保护好降水井,不得人为的破坏。
降水井的封井必须在地下室全部做完,并且在回填土及覆土全部完成后,才能进行封堵。
7、降水监测1)、在抽水开始后预降期内(暂估10天),在水位未达到设计降水深度以前,每天观测三次水位、水量;当水位已达到设计降水深度,且趋于稳定时,每天观测一次水位、水量。
降水后期,5~10天观测一次水位、水量(下大雨后增加观测次数)。
2)、在开始抽水后对周边有关建筑物进行沉降观测,如发现异常,应及时通报,并根据具体情况采取措施。
3)、降水期间值班人员安排:按值班表人员执行。
检查主要内容有:降水井降水记录,降水人员是否脱岗,井内水面标高是否在-6.00M以下。
降水井专项施工方案降水井是一种用于收集和净化降水的设施,主要用于减少城市洪涝灾害和保护地下水资源。
降水井的施工需要进行专项规划和施工方案制定,以确保施工质量和效果。
以下是一个1200字以上的降水井专项施工方案。
一、施工前的准备工作1.方案设计:根据降水井的规模和用途,制定合理的方案设计,包括降水井的位置、尺寸、结构和材料等。
2.土地准备:对施工区域进行土地清理和平整,确保施工场地干净、整洁,方便施工操作。
3.工程勘察:对施工区域进行勘察,确认地质情况和地下管线等,以便在施工过程中避免损坏地下管线。
4.施工材料准备:准备好所需的施工材料和设备,包括钢筋、混凝土、防水材料等。
二、施工过程1.地面开挖:根据方案设计的要求,在施工区域内进行地面开挖,形成降水井的坑底。
2.基础施工:在坑底上进行基础施工,包括搭设模板、铺设钢筋和浇筑混凝土等。
确保基础牢固、平整,能够承受降水井的重量和压力。
3.井筒施工:在基础上进行井筒的施工,包括搭设井筒模板、铺设井筒钢筋和浇筑井筒混凝土等。
确保井筒的结构牢固、密封性好,能够有效收集降水。
4.盖板施工:在井筒上方进行盖板的施工,包括制作和安装井盖。
确保盖板的材质坚固、耐久,同时方便日常维护和清理。
5.防水处理:对降水井的井筒和盖板进行防水处理,以确保降水不会渗漏,并保持降水的清洁。
6.管道安装:根据需要,安装与降水井相连的管道,方便将降水引导至降水井。
7.维护保养:完成降水井的施工后,进行维护保养工作,包括清理降水井和排除堵塞物,以保证降水井的正常运行。
三、安全措施1.施工现场安全:在施工现场设置警示标志,指示施工区域,确保施工人员和周围群众的安全。
2.人员防护:施工人员必须佩戴符合安全标准的安全帽、工作服、手套和安全鞋等个人防护装备。
3.机械设备安全:使用机械设备时,必须按照操作规程进行操作,确保设备的安全性和稳定性。
4.防火措施:在施工现场设置灭火器,以应对突发火灾事件。
工程降水井施工方案一、施工概况降水井施工是指在工程施工中,为了保障工程安全,减轻地下水位对工程造成的风险,采取钻井的方式,向地下注入固定量的水,以降低地下水位。
降水井施工的目的是防止人工挖掘或基坑陷入地下水,导致基础流失和工程变形,同时也可以减少工程的泥浆泥水,降低施工难度。
二、施工前准备1.工作区域划分:根据实际施工需求,确定降水井施工区域,确保施工区域范围清晰明确。
2. 地质勘察:在选择施工区域后,进行地质勘察,了解地下水位,地下岩层情况,确定施工井点,保证施工的顺利进行。
3. 施工方案制定:根据地质勘察资料,制定合理的施工方案,包括钻井井深、施工材料选用等。
4. 设备准备:准备好必要的施工设备,包括钻机、管道、水泵等。
5. 安全预案:制定施工安全预案,明确施工过程中的安全措施和应急措施。
6. 材料采购:准备好施工所需的各种材料,包括水泥、管道、钢筋等。
三、施工流程1. 井口标志:在施工井点周围设置标志点,确定井口位置,保证井口的准确性。
2. 钻机安装:将钻机安装在井口附近,按照设计要求设置井口井架,确保钻井的稳定进行。
3. 钻井施工:根据设计要求,进行钻井施工,根据地下情况选择合适的钻头和钻井速度,控制井深和井径,保证井的质量和形状符合要求。
4. 井筒加固:在钻井完成后,进行井筒的加固工作,采用水泥浆或其他材料对井筒进行灌浆加固,确保井筒的稳定和密封性。
5. 管道铺设:在井内安装管道,将管道连接到地面水泵等设备,确保管道的质量和连接的稳固性。
6. 水泵安装:安装水泵和其他相关设备,根据设计要求进行相关参数的设置和调试。
7. 试运行:完成安装后进行试运行,保证水泵、管道等设备工作正常,不存在泄漏和故障。
8. 水位调试:试运行后根据实际需要,调整水泵工作参数,控制地下水位,保证地下水位达到设计要求。
四、施工注意事项1. 安全第一:在施工中,严格遵守安全操作规程,做好施工安全保障工作,确保施工过程安全。
第1篇一、工程概况本工程位于我国某城市,工程场地地下水位较高,为确保基坑开挖及施工的顺利进行,需进行降水井施工。
以下为工程降水井施工方案。
二、施工准备1. 施工材料:根据设计要求,准备好所需的井管、成井过滤器、泥浆泵、空压机、潜水泵等施工材料。
2. 施工设备:准备好施工所需的钻机、挖掘机、吊车、搅拌机等设备。
3. 人员组织:成立降水井施工小组,明确各岗位人员职责,确保施工顺利进行。
4. 施工现场:对施工现场进行平整,确保场地坚实、排水畅通。
三、施工工艺1. 钻孔施工(1)根据设计要求,确定钻孔位置、深度、直径等参数。
(2)采用钻机进行钻孔,钻孔过程中应保持孔位垂直,确保钻孔精度。
(3)钻孔过程中,及时清除孔内岩屑,防止孔壁坍塌。
2. 成井施工(1)将井管下至孔底,确保井管垂直、稳定。
(2)采用搅拌机将成井过滤器与泥浆混合,倒入井管内,使过滤器与井管紧密结合。
(3)采用泥浆泵将泥浆注入井管内,形成泥浆护壁。
3. 降水施工(1)根据设计要求,选择合适的降水方式(如喷射井点降水、深井井点降水等)。
(2)将潜水泵安装在井管内,确保水泵运行正常。
(3)启动水泵,将地下水抽至地表,降低地下水位。
四、施工质量控制1. 钻孔质量:确保钻孔精度,孔位垂直,孔径符合设计要求。
2. 成井质量:井管、过滤器、泥浆等材料质量符合要求,成井结构稳定。
3. 降水效果:根据设计要求,确保地下水位降至规定深度。
五、施工安全措施1. 严格执行施工安全操作规程,确保施工人员安全。
2. 施工现场设置安全警示标志,提醒施工人员注意安全。
3. 施工设备定期检查、保养,确保设备运行正常。
4. 施工过程中,注意防尘、防毒、防触电等措施。
六、施工进度安排根据工程进度要求,制定降水井施工进度计划,确保工程按期完成。
七、施工验收1. 降水井施工完成后,组织相关部门进行验收。
2. 验收合格后,方可进行后续施工。
通过以上施工方案,确保工程降水井施工顺利进行,为基坑开挖及施工创造良好条件。
降水井施工工方案
一、工艺流程
放线定井位--钻机就位钻孔--吊放井管--填充滤料--安装排水总管洗井试抽水正常抽水。
二、施工顺序
⑴ 放线定井位。
⑵ 放样、利用全护筒护壁方式钻孔至设计深度。
⑶ 安装φ300 无砂滤管。
⑷ 井管底端封口接头应牢固防止反砂。
⑸ 在孔壁与滤管之间填充滤料接近井口一定范围内(一般是填土区域内)采用粘土填实封严。
⑹空压机洗井至水清。
⑺ 沉放潜水泵(进水口)至井底2.0m 处敷设集水总管用抽水管与泵连接。
⑻ 试抽水检查井管是否漏水、水泵是否反转。
⑼ 测定每个管井初始水位和流量进行正式抽水。
⑽ 正常抽水监测。
三、质量控制
⑴ 无砂滤水管必须通畅,滤料粒径均匀,含泥量少,均应检验合格后方可使用。
⑵ 严格按设计要求控制好井径-井深和井距。
⑶ 无砂水泥管接口必须用塑料布封严。
⑷ 每打成一眼井要进行质量检查验收-孔径偏差≤10cm,垂直偏差≤5井深偏差≤20cm。
⑸ 洗井后泥砂含量控制在10以内。
⑹ 抽水期间应经常检查抽水管和水泵有无故障经发现应及时修理或更换,并应经常检查抽水情况,防止无水烧坏水泵,影响降水效果。
⑺ 在全部打井和抽水过程中必须有专人负责,做好成井记录和抽水记录以保证成井质量和抽水正常。
深井降水专项施工方案(总结)
施工方案概述:
该深井降水专项施工方案旨在有效控制工程施工过程中的地下
水位,确保施工安全和顺利进行。
本方案适用于需要进行深井降水
的工程项目。
施工方案内容:
1. 地下水调查与评估
- 在施工区域范围内进行地下水的调查和评估,了解地下水位、水质等相关信息,为深井降水方案制定提供依据。
2. 设计深井降水方案
- 结合地下水调查评估结果,由专业工程师设计深井降水方案,包括深井的布置、泵站的建设、管网的敷设等。
3. 施工准备
- 根据深井降水方案,进行相应的施工准备工作,包括开挖深井、建设泵站、准备降水管网等。
4. 深井降水施工
- 按照设计方案进行深井降水施工,包括安装水泵、调试设备、监测地下水位等。
5. 施工后期监测
- 在施工完成后,定期监测地下水位变化,及时调整深井降水
设备运行参数,确保地下水位稳定在安全范围内。
施工方案的优点:
- 通过深井降水控制地下水位,减少地下水对工程施工带来的
影响。
- 提前预防地下水涌入,减少施工过程中的安全隐患。
- 施工方案设计合理,运行方便,减少施工周期和成本。
总结:
深井降水专项施工方案是有效控制地下水位、确保施工安全和
顺利进行的重要工作。
通过合理的地下水调查、设计方案和施工监测,能够有效减少施工带来的风险,并提高工程施工的效率和质量。
包头降水井施工方案一、工程概况与目标工程位置:本工程位于包头市某区域。
工程目标:为确保包头市某区域的地下水位降低,满足工程建设和地下水资源管理的需要,特制定本降水井施工方案。
二、降水井设计参数井径:根据地质条件和降水需求,降水井井径设计为Φxxxmm。
井深:根据地下水位和降水要求,降水井深度设计为xx米。
井管材料:采用无缝钢管,材质为Q235B。
过滤器:采用桥式过滤器,以满足降水井过滤需求。
三、施工设备与材料钻孔设备:选用适当的钻孔机械,如旋挖钻机等。
井管及附件:无缝钢管、过滤器、井盖等。
泥浆泵:用于抽取地下水和泥浆。
水泥、沙子、石子等建筑材料:用于井壁加固和井口封闭。
四、施工方法与步骤现场准备:清理施工现场,确保钻孔机械能够顺利进入施工区域。
钻孔施工:根据设计参数,进行钻孔施工,确保井径、井深符合要求。
井管安装:将井管按照设计要求下入钻孔中,安装过滤器。
井壁加固:采用水泥、沙子、石子等材料对井壁进行加固,确保井壁稳定。
井口封闭:使用井盖等材料对井口进行封闭,防止地下水外溢。
五、施工现场管理现场人员应佩戴安全帽、工作服等防护用品,确保施工安全。
施工现场应设置明显的安全警示标志,提醒人员注意安全。
施工现场应保持整洁,废弃物应及时清理。
六、安全保障措施定期对施工人员进行安全教育和培训,提高安全意识。
施工现场应配备专职安全管理人员,负责监督施工过程中的安全。
定期对施工设备进行检查和维护,确保设备正常运转。
七、质量控制与检验施工过程中应严格按照设计参数进行施工,确保工程质量。
施工过程中应定期进行质量检查,发现问题及时整改。
施工完成后应进行质量验收,确保降水井满足设计要求。
八、环境保护要求施工过程中应采取措施减少噪音、扬尘等污染物的排放。
废弃物应分类处理,避免对环境造成污染。
施工现场应设置临时沉淀池,收集和处理施工废水。
通过本降水井施工方案的实施,将有效降低包头市某区域的地下水位,满足工程建设和地下水资源管理的需求。
降水井施工方案一、工程概况根据设计要求沿纵向布置两排降水井, 降水纵向井间距15米, 横向布置在隧道左右半幅的中心位置。
共计39排, 每排2个, 加泵房一个, 总数量79个。
降水井设计降水深度至基坑开挖面以下1米, 降水井深度为基坑开挖面以下大于10米。
采用旋挖机成孔, 设计孔径700mm, 井管采用内径400mm的混凝土管, 其中静水位以上采用混凝土实管, 静水位以下采用无砂混凝土滤水管, 滤水管接头采用60目纱网包封, 铁丝缠绕绑扎固定。
下管方式采用托盘下管法。
如下图所示:二、施工方法采用旋挖机钻孔成孔, 采用托盘法下管, 由吊车配合下管的作业方法。
下管之后采用砂砾回填含水层滤水管外侧间隙, 再清洗管内壁及孔底。
符合要求后开始降水施工。
施工工序: 测量放样→埋设护筒→计算降水井孔深→旋挖机成孔(泥浆护壁)→吊车配合下管→回填砂砾→洗井→开始降水作业。
2.1.测量放样钻孔施工前对桩位中心进行精确放样, 并在纵横方向设置护桩,以便随时对桩位中心进行复核。
2.2.埋设护筒(1)护筒用4~12mm的钢板制作, 其内径大于钻头直径200mm。
护筒的埋置深度根据地质情况埋深0.5~2.0m不等, 护筒顶比施工面高出0.5m左右, 其高度满足孔内泥浆面的要求。
(2)护筒埋设应准确、稳定, 护筒中心与桩位中心的偏差不得大于50mm, 垂直度偏差不允许大于1%, 保证钻机沿着桩位垂直方向顺利工作。
(3)护筒内存储泥浆高出护筒脚底或地下水位0.5m, 保护桩孔顶部土层不致因钻头(钻杆)反复上下升降、机身振动而导致坍孔。
(4)护筒埋设完成应由测量组复测护筒标高, 计算降水井孔深, 并做好技术交底。
2.3.钻机就位、校正钻孔前将场地检平, 清除杂物, 在夯填密实土层上横向铺设枕木, 然后在枕木上铺设废旧钢轨或型钢, 即构成钻机平台。
钻机中心应对准桩中心, 复核校正旋挖机钻杆, 使其对准桩位。
2.4.旋挖机成孔(泥浆护壁)在钻进过程中, 不可进尺太快, 由于采取泥浆护壁, 因此, 要给一定的护壁时间。
降水井施工方案根据设计要求,管道结构施工需保证地下水位降至槽底0.5m以下,木工程部分管线需要采取降水措施。
1、管井布置降水井距离基槽边缘1.5m,井径300mm,井深10〜15m。
2、打井方式使用反循环钻机成孔,钻孔孔径4>600,使用外径DN400、内径DN300的无砂混凝土管作滤管,滤料使用3mm的豆石或石屑,要求滤料级配合理;采用双层滤网,内层用筛网号2. 5〜1.24 (0. 24〜40. 96 孔/cm2,即8〜16目)尼龙丝筛网,外层用尼龙或塑料窗纱(约1. 6mm 孔)。
3、明确降水任务该工程降水的技术要求,包括降水范围、降水深度、降水时间、工程环境影响等。
4、降水设计(1)确定降水井位置、计算竖井涌水量和降水深度。
(2)编制降水工程量统计表、设备材料表、加工计划表、工期安排表、工程概预算表;(3)绘制降水施工布置图、降水设施结构图、降水水位预测曲线平面与剖面图。
5、工艺流程井位放线一钻孔一井孔清洗一下滤管一封底一填砾一安放潜水泵一洗井一试抽一正式抽水。
6、成孔采用QJ150型钻机成孔,使用泥浆护壁。
7、清孔钻孔完毕,应立即向井内放置潜水泵清孔,潜水泵应放置在井的底部,抽出井内泥浆,以防井内淤泥积沉井底,影响井深。
清孔过程中,随着井内水位下降,不断向井内注入等量清水,确保井内满水, 稀释泥浆浓度,置换泥浆。
8、下滤管清孔完毕,井深达到设计要求后,立即开始下滤管。
每节滤管之间应绑扎牢固,不得错位。
最后一节滤管管口高出自然地坪50cm, 以防施工过程中,泥土进入井内。
下管前在地而上打设木桩,将承牵绳一端栓于木桩上,另一端放入管堵底部与两侧的凹槽里,管堵用混凝土制成。
将首根无砂滤管放入管堵上,然后松动承牵绳进行下管。
下到一半处将3〜6根竹条用6#铅丝绑在滤管外壁上,将下一根滤管对接并用竹条固定后下管,如此至井底,然后将承牵绳抽出。
9、回填滤料在滤管外和孔壁之间回填砾石滤料,砾石粒径为10〜30mm,杂质含量小于3%。
一、工程背景在建筑、水利等工程中,井降水是确保施工安全和质量的重要措施。
井降水工程旨在通过降低地下水位,减少基坑开挖过程中地下水的涌入,保障基坑稳定性。
本文将介绍正规井降水工程施工的流程、技术要求及注意事项。
二、施工流程1. 施工准备(1)材料准备:井点降水工程所需材料包括无砂混凝土管(滤管)、滤网、2~4mm砂砾混合料、潜水钻机、泥浆车、泥浆泵、清水泵、潜水泵等。
(2)作业条件:现场三通一平已完成,地质勘测资料齐全,根据地下水位埋深、土层分布和基坑放坡系数,确定井点位置、数量和降水深度。
2. 工艺流程(1)井点测量定位:根据设计图纸,准确测量井点位置,做好标记。
(2)挖井口安护筒:在井点位置挖井口,并安装护筒,以防孔口塌方。
(3)钻机就位钻孔回填:将钻机就位,进行钻孔作业,孔径一般为600~800mm。
钻孔完成后,回填孔口,确保孔口稳定。
(4)吊放井管回填:将井管吊放至孔中,井管滤管部分应放置在含水层的适当范围内。
在井管与孔壁间填充砾石滤料。
(5)洗井:采用压缩空气洗井法清洗滤井,冲除尘渣,直到井管内排出的水由浑变清,达到正常出水量为止。
(6)安装水泵、抽水控制电路:安装水泵,连接抽水控制电路,确保水泵正常运行。
(7)试抽水:进行试抽水,观察降水效果,满足要求后转入正常工作。
(8)观测井中地下水位变化,做好详细记录。
3. 施工完成(1)降水完毕:根据地下水位变化情况,调整抽水量,直至满足施工要求。
(2)拔井管封井:在降水完成后,拔除井管,并封堵井口。
三、技术要求1. 定位:根据设计图纸,准确测量井点位置,做好标记。
2. 钻孔:采用循环钻成孔,孔径一般为600~800mm,用泥浆护壁。
3. 井管安装:井管下入后,滤管部分应放置在含水层的适当范围内,井管与孔壁间填充砾石滤料。
4. 洗井:采用压缩空气洗井法清洗滤井,冲除尘渣。
5. 水泵安装:安装水泵,连接抽水控制电路,确保水泵正常运行。
6. 试抽水:进行试抽水,观察降水效果,满足要求后转入正常工作。
工程名称:阜新降水井工程工程地点:阜新市工程规模:根据现场实际情况确定工程内容:基坑降水、轻型井点降水、管井降水等施工工期:根据工程量及现场实际情况确定二、施工方案1. 工程准备(1)组织施工队伍,确保施工人员具备相关资质及技能。
(2)熟悉施工图纸,了解工程地质、水文、气象等条件,制定合理的施工方案。
(3)做好施工材料、设备的采购、检验及保管工作。
(4)编制施工进度计划,确保工程按时完成。
2. 施工工艺(1)基坑降水1)根据地下水位、地质条件等因素,选择合适的降水方法,如明沟加集水井降水、轻型井点降水等。
2)在基坑周边设置降水井,井口高于地下水位,确保降水效果。
3)定期检查井点运行情况,及时调整井点布置,确保降水效果。
(2)轻型井点降水1)根据基坑深度、地下水位等因素,确定轻型井点数量和布置方式。
2)将轻型井点安装于基坑底部,井点间距根据实际情况确定。
3)通过井点水泵将地下水抽出,降低地下水位。
(3)管井降水1)根据工程地质条件,选择合适的管井类型,如管井、潜水泵等。
2)在基坑底部设置管井,井口高于地下水位。
3)通过管井水泵将地下水抽出,降低地下水位。
3. 施工质量控制(1)严格控制施工材料、设备的选用,确保质量符合要求。
(2)严格按照施工工艺进行施工,确保工程质量。
(3)加强施工过程中的质量检查,发现问题及时整改。
(4)做好施工记录,确保施工过程可追溯。
4. 施工安全(1)加强施工现场安全管理,确保施工人员安全。
(2)严格执行施工现场安全操作规程,预防事故发生。
(3)定期进行安全教育培训,提高施工人员安全意识。
(4)做好施工现场的消防、防暑降温、防寒保暖等工作。
三、施工进度安排1. 工程前期准备:1周2. 施工准备:2周3. 降水井施工:4周4. 降水效果验收:1周5. 工程总结:1周四、结语本施工方案针对阜新降水井工程,根据现场实际情况制定了详细的施工方案,确保工程顺利进行。
在施工过程中,将严格按照施工方案执行,确保工程质量、安全、进度。
降水井及基坑降水施工方案一、施工概述降水井及基坑降水施工是建筑施工中必不可少的一个环节。
该施工方案旨在有效处理地下水问题,确保基坑施工的顺利进行。
降水井可以有效地排除基坑中的地下水,确保基坑的稳定性。
本方案将包括地下水的检测与监控、降水井的设计与施工、基坑降水的具体施工步骤等内容。
二、地下水的检测与监控1.进行地下水检测,确定地下水的水位、流速和水质等参数,以便制定合理的降水井设计和施工方案。
2.在基坑周边设置水位监测点,监测地下水位的变化情况,并根据监测结果及时调整降水井的排水流量。
三、降水井的设计与施工1.根据地下水的情况,确定降水井的深度和直径等参数。
2.选择合适的降水井材料,如钢筋混凝土井筒、聚乙烯井筒等。
3.对降水井进行预制井筒和井盖的制作和安装。
4.根据地下水流的方向,合理布置降水井的位置,使其能够有效地排水。
四、基坑降水的具体施工步骤1.在基坑边缘设置降水井并与其相连接,确保基坑附近地下水能够有效地进入降水井。
2.通过降水井,将地下水泵至降水池中。
3.利用抽水机将降水池中的地下水抽走,使基坑保持干燥状态。
4.根据地下水位的变化情况,调整降水井的排水流量,保持基坑的稳定性。
五、应急措施1.在降水井施工前,应制定应急预案,并提前准备好相关的应急设备和材料,以应对突发情况。
2.建立起降水井的运行记录,随时监测降水井的工作情况,并及时报告施工单位和监理单位。
六、施工过程中的安全措施1.在降水井和基坑边缘设置警示标志,确保周围人员的安全。
2.检查降水井和抽水机设备的工作状态,确保设备正常运行,减少意外风险。
3.施工现场要配备专业操作人员,确保施工过程的安全可靠性。
七、施工总结1.施工过程中要进行地下水的监测与监控,以便及时发现和处理地下水问题。
2.降水井的设计和施工要科学合理,确保其能够有效地排水。
3.施工过程中要严格遵守相关的安全规定,确保施工安全。
以上是降水井及基坑降水施工方案的概述,具体的施工步骤和安全措施要根据实际情况进行调整和完善。
苏州检验检疫综合实验楼基坑支护工程
降水井、观测井(回灌井)施工方案
1 概况
1.1 工程概况
拟建工程位于苏州工业园区苏惠路北侧、星桂街西侧、相门塘南侧。
降水井为30口,其中A区Ф800mm19口,长度为20M,其中滤管长16M ,B区Ф800mm11口,长度为16M,其中滤管长12M;观测井(回灌井)为17口 ,A区周围Ф800mm10口,长度为20M,其中滤管长16M ,B区周围Ф800mm7口,长度为16M,其中滤管长12M。
1.2施工工期:
本分项工程工期为20日历天,详见工程进度计划表。
1.3分项工程质量:
本分项工程质量标准:合格.
1.4分项工程安全:
安全目标:安全“无重大安全责任事故”。
2、施工机械设备
为了满足本分项工程的施工需要,本公司拟投入3台潜水钻机.
3、降水井、观测井(回灌井)施工工艺流程图:
4、主要分项工程施工技术与措施:
4.1 桩位测放
1、测量员测放桩位,所有桩位均用Φ12钢筋头打入地下20cm且顶部
涂以红油漆,以利检查核对。
2、桩位放样完毕后,测量员先将放样结果交项目技术负责验收。
3、项目技术负责验收合格后,再报请业主工地代表或监理验收;验收
合格后,经双方负责人在桩位放样单上签字认可,将放样结果形成资料性文件,方可进行下道工序的施工;否则,重新放样。
4、桩位放样误差20mm。
4.2护筒埋设
1、沿桩位0.7m外钉四根Φ16钢筋头,使其两根连线交于桩位中心。
2、以钉入的桩位钢筋头为中心,挖一比护筒大10cm的圆坑,且底部要进入原状土≥20cm。
3、埋设护筒时,其中心线与桩位中心线的允许偏差≤20mm,并保持护筒垂直。
4、护筒内径要比桩径大10cm。
5、埋设护筒时,其四周应用粘土分层回填夯实,确保孔口不坍塌,否则,护筒松动,倾斜而失去护筒护壁的作用。
6、埋设好护筒后,逐个测量护筒上口标高,以正确控制桩深,如遇松散填土,护筒易下沉时,应用铁丝将护筒与钻机机座固定。
7、埋设好护筒后,由技术人员进行检测,并请业主或监理复核验收。
4.3钻孔
4.3.1 钻机就位
1、钻机移至桩位上后,将桩位四周的十字线拉起,钻机转盘中心与桩位中心(即十字线交点中心)偏差≤20mm。
2、钻机底部垫设枕木要稳固平整,以保护钻机水平稳固。
3、机班长用水平尺前后左右校正钻机水平,主动钻杆用铅锤检测,班长自检,质检员复检,合格后报请业主代表或监理验收;业主代表或监理验收合格并签字认可后方可开钻。
4.3.2钻孔垂直度
1、钻孔垂直度:降水井要求<1%。
2、采取措施:
⑴钻头采用腰箍型,保证钻头方向竖直向下。
⑵检查所有钻杆是否垂直,成孔过程中要检查钻机水平情况,不少于3次,注意减少晃动。
发现偏斜及时调整。
⑶在钻头上部加配重钻杆,钻进中使钻杆重心在底部,以确保垂直度。
4.3.3钻孔直径
1、桩身截面要求:桩径误差为设计桩径±50mm。
2、选用的钻头,每孔结束提钻后质检员均要检测钻头外径,随时补焊确保钻头直径。
3、在典型特殊地质剖面段,针对不同地层采用不同转速、泵量。
4、开孔采用轻压慢转,穿过护筒底下1.0m左右,采用正常钻进规程进行,对难于穿过的土层采用加配重钻进的措施,以提高钻进速度。
4.3.4钻孔护壁
本次施工中,采用正循环法施工。
1、钻孔中要求孔壁稳定,不发生坍塌。
2、成孔过程中孔内泥浆液面应保持稳定。
3、在粉土、粉砂层中钻进时,为防止塌孔,施工中应加大泥浆比重至1.3。
4、本次施工采用人工造浆,其比重、粘度由质检员经常检查,不符合要求时,及时采取措施,勤杂班要及时清理泥浆池和沉淀池,循环沟槽等,废浆及时外运。
5、若坍孔严重,向孔内回填粘性土放置一段时间后重新钻孔。
4.3.5 钻孔深度
1、保证桩长满足设计要求为控制条件,桩孔完成后,须经业主代表、设计院代表、监理验槽,确定桩身实际长度。
2、准确丈量钻具:钻头锥体1/2处为计算孔深的起点,和计算孔底沉渣的起点。
每台钻机所用的钻杆不得混放。
每根钻杆下放时必须丈量,计量工具必须经过校验。
3、钻孔至设计标高后,机班长自检,质检员复检后,请业主或监理到现场检查验收,合格后签字认可,方可终孔。
4、钻孔深度允许偏差:+300mm。
4.4 洗井
1、要求孔底沉渣完全排出。
2、将钻具上提20cm,采用含砂率<4%的优质泥浆清孔,使孔底沉渣完全排出。
3、洗井时间不得小于1个小时。
4.5安放井点管:
井管采用φ360砼管,滤管外包滤网。
要求下管时要在孔中心,要求垂直、平整、同心,缓慢下沉,不得碰坏滤网。
4.6填滤料:
管井按放到深度后,在井管四周围填经淘洗过的粗砂(俗称绿豆砂),
投砂时要向管内注水,在井管四周均匀少投、勤投,防止中间出现“架桥”空洞。
滤料投至距地面2米时停止投料,采用粘土封口。
4.7将井口加盖封闭,以防杂物落入。
4.8每口井安置1台2.2KW潜水泵。
4.9做好每口井的施工记录,并经现场监理、业主代表签字认可。
5、基坑降水
1、基坑开挖前15天开始降水。
2、刚开始抽出的混浊水流到沉淀池,以后抽出的清水通过铁桶过滤直接排入市政地下水管道或河道。
3、降水前测得各水位观测孔孔口高程及各孔水位到孔口高度,再计算出各水位孔水位标高。
初始水位为连续两次均值。
本次水位观测值减去初始值即为水位累计变化量。
本次水位观测值减去前次观测值即为本次水位变化量。
监测过程中要定期检测孔口标高。
4、通过基坑外观测井观测,地下水降至基坑底面标高以下1米后,方可进行基坑开挖。
5、抽水过程中,当发现某一段或一部分地下水位一直未变化或变化很小,立即通知监理和基坑设计单位,共同分析,找出原因,采取措施,以确保基坑降水效果。
6、当基坑降水开挖时,若发现基坑外路面、房屋沉降过大,引起路面开裂,应立即进行内抽外灌,以确保路面及周围建筑物的安全。
........忽略此处.......。