HIV抗体快速检测原始记录
- 格式:xls
- 大小:17.50 KB
- 文档页数:38
样品名称:血液送检日期:样品编号:检测日期:样品数量:报告日期:检测项目:抗-HIV
温 度:湿 度:试剂厂家:英科新创(厦门)科技有限公司
试剂批号:试剂有效期:实验步骤:
检测人:复核人:检验原理和实验步骤:
1.打开铝箔装线,平置于台面上。
快速检测法原始记录表
2.血清、血浆样本均取60ul至加样处,全血样本需加
完样本后加一滴金标全血样本稀释液,30分钟内观察
结果。
检验原理:本试剂采用胶体金免疫技术和层析原理,定性检测人全血、血清或血浆样本中的HIV1/2型抗体。
检测阳性样本时,样本中HIV抗体与胶体金标记抗原(大肠杆菌中表达)结合形成复合物,由于层析作用复合物沿纸条向前移动,经过检测线时与预包被的重组HIV-Ag(大肠杆菌表达)结合形成“Au-HIV(1+2)-Ag-HIV-Ab-HIV(1+2)-Ag”夹心物而凝聚显色,游离的胶体金标记重组Au-HIV(1+2)-Ag则在对照线处与鼠抗HIV单克隆抗体结合而富集显色。
阴性标本则仅在对照线处显色,30分钟内观察结果即可。
YJ 8-05
科华
检 验 原 始 记 录 (HIV 抗体)
样品名称 人血清 样品编号 检测地点 HIV 确证实验室
仪器设备编号 680型酶标仪 043-15-005 检测环境:温度 ℃ 湿
度 %
试剂批号 有 效 期 收样日期 检样日期
检测结果与记录
按《全国艾滋病检测技术规范》(2009年修订版)及HJK/JX8-03《艾滋病病毒抗体酶联免疫吸附试验(上海科华ELISA 法)检测细则》操作。
除空白孔外,分别在相应的孔中加入样品、阴性及阳性对照100μl ,混匀,置37℃60分钟,洗5次,每孔加酶标记物100ul (空白孔除外),置37℃30分钟,洗5次,加底物缓冲液、TMB 各50μl ,混匀,37℃避光显色10分钟,每孔加终止液50ul ,轻轻振荡混匀。
于波长450nm 测OD 值,参考波长630nm 。
检测加样顺序(酶标板编号: ) (酶标仪打印结果见附件) 结果:
阳性标本编号:
其余均为阴性。
1 2 3 4 5 6 7 8 9 10 11 12
A
数据处理及结果判定:
正常情况:
阴性对照孔OD 值≤0.08, 阳性对照孔OD 值≥0.80
临界值=阳性对照OD 均值×0.1(阳性对照OD 值>2.5以2.5计)
阳性:样品OD 值≥临界值
阴性:样品OD 值< 临界值
B C D E F G H
检验人:复核人:年月日年月日。
蒙城县第一人民医院检验原始记录
送样单位:样品名称:血清
检测项目:HIV抗体检测方法:ELISA
样品数量:检测依据:《全国艾滋病检测技术规范》检测试剂:北京万泰批号:效期:产地:
主要检测仪器:酶标仪、洗板机实验室温度:℃、湿度:%
收样日期:检测日期:
一、操作步骤:取出试剂及待检标本室温平衡分钟。
()
1、配液:取浓缩洗涤液ml用蒸馏水20倍稀释至ml。
2、编号:将板条固定于板架,每次实验设阴性对照3孔、阳性对照Ⅰ型、Ⅱ
型各1孔,将样品对应微孔板按序编号
3、加样:分别加入阳、阴性对照各ul,其余孔加入ul待测样品。
4、温育:用封板膜封板后,置37℃温育分钟。
()
5、洗板:小心揭掉封板膜,用洗板机洗涤5遍,最后一次尽量拍干。
6、加酶:空白对照孔不加酶标记物,其余各孔加入酶标记物ul.
7、温育:用封板膜封板后,置37℃温育分钟()
8、洗涤:用封板膜封板后,用洗板机洗涤5遍,最后一次尽量拍干。
9、显色:每孔加入A、B液各ul,轻轻振荡混匀,置37℃避光显色分
钟。
( )
10、测定:每孔加入终止液ul,轻拍混匀。
10分钟内测定结果,用酶标仪
读值,在双波长450nm/630nm下读取各孔A值。
二、结果判定
1、要求:阳性对照A值应≥0.8
阴性对照A值应≤0.10
2、临界值(C.O.)计算:
临界值(C.O.)=0.12+阴性对照平均A值
3、结果判断:
样品A值≥临界值为HIV抗体阳性
样品A值<临界值为HIV抗体阴性
检验者:复核者:
北京万泰(HIV)检测日期:。
HIV-Ab检测原始记录
舒兰市人民医院
样本名称:样本数量:实验室温度/湿度:
试剂厂家:批号LOT:有效期EXP:
检测日期:洗板机型号:酶标仪型号:
试验步骤:
1.将试剂盒平衡至室温(min),取出所需的板条。
2.取稀释浓缩洗涤液,用蒸馏水稀释20倍备用。
3.按顺序编号,设置样品孔、空白对照孔孔、阴性对照孔孔、阳性对照1和阳性对照2各孔,外部对照孔。
除空白孔外,在样品孔、阴性对照孔、阳性对照孔中分别加入uL相应液体,振荡混匀。
置℃水浴温浴分钟。
4.在洗板机上充分清洗遍,每次停留浸泡秒,扣干。
(勿使孔间交叉污染。
)5.空白孔除外,每孔加入uL酶标记物,振荡混匀置℃,温浴分钟。
6.重复步骤5,每孔加入uL底物缓冲液和ul底物液,振荡混匀置℃避光温浴分钟。
7.每孔加入uL终止液终止显色反应。
8.用酶标仪双波长,测量波长450nm/630nm,测量各孔OD值。
9.临界值(cutoff)=阴性对照平均OD值+0.10,若阴性对照>0.1,阳性对照≤0.6,则试验不成立)。
阴性对照OD均值小于0.05时以0.05计算。
样品OD值S/C.O<1,为HIV抗体反应阴性;
样品OD值S/C.O≥1,为HIV抗体反应初筛阳性。
10.空白孔OD值阴性对照OD值阳性对照OD值cutoff值外部对照OD值
使用完毕的样品和废弃物集中起来,定期121℃30min高压灭菌之后送走焚毁。
重复利用的物品,用含氯消毒液浸泡1天,冲洗后,可再次使用。
检测者:审核者:。
HIV抗体筛查检测原始记录表试剂名称_____________ 生产厂家____________ 批号___________有效期____________仪器编号:酶标仪CB371 洗板机KHB SF36W 加样器DP29198 10-100μ l水浴箱余佳8002 型_X66216 40-200μ l_实验室温度℃水浴箱温度:℃,试验起止时间时分至时分加样蓝图:第一步:加样品量µ l,孵育温度℃,孵育时间 min,洗板次,浸泡时间S。
第二步:加酶标记物量µ l,孵育温度℃,孵育时间 min,洗板次,浸泡时间S。
第三步:加显色剂A µ l,加显色剂B µ l,显色温度℃,显色时间min,加终止剂µ l。
第四步:检测波长450 nm,参比波长630 nm.。
临界值计算公式:Cutoff value=0.12+阴性对照均值临界值内部对照是否符合要求:是否外部对照是否符合要求:是否试验是否成立:是否检测人审核人检测日期:年月日4 结果登记本结果登记本与仪器打印结果、原始记录归档在一起保存,方便追溯。
登记本中要体现受检者信息、检测号、结果、检测者、检测日期等信息。
目前本室用实验室管理系统统一打印结果登记本,打印完后要与仪器打印结果及原始记录中的加样蓝图进行核对,看是否一致,看打印是否清晰,因为要保存10年以上,所以要求经常更换打印机色带。
5 质控数据的记录见“质量控制标准操作程序”。
6 其它数据除了以上数据外,还要记录酶标仪使用登记本、洗板机使用登记本(见附件)。
这也是质量保证、结果可追溯的措施之一。
因而与以上要求一样,要完整、详细、准确地记录,一张表填满后及时归档。
HIV抗体ELISA试验原始记录(万泰试剂)
试验序号:第1页共2页
检测日期:时间:检测环境温度:湿度: 份数:
标本人群类别:试剂批号:效期:
标本来源:
检测仪器:1.酶标仪: 2.洗板机:
3.恒温水浴锅: 检测依据:《全国艾滋病检测技术规范》(2009年版)
实验步骤:
1.标本、试剂盒室温(18-25℃)平衡30分钟以上,平衡起止时间:。
2.按标本份数准备条酶标板条,将各种对照充分混匀,以及待检血清各取100ul加入相应孔中。
不干胶片封
盖,振荡10秒,37℃水浴温育30分钟,孵育起止时间:。
3.配置20ⅹ洗液:取浓缩洗液 ml,加蒸馏水/去离子水至 ml。
4.洗板。
洗板方式:两点洗,洗板次数:5次,浸泡时间:60秒。
在吸水纸上拍干。
5.每孔加入100ul酶标记物,不干胶片封盖,37℃水浴温育30分钟,孵育起止时间:。
6.重复4。
7.每孔加底物缓冲液50ul,底物液50ul,轻轻振荡置37℃避光温育15分钟,孵育起止时间:。
8.每孔加终止液50 ul。
9.选择酶标仪双波长450 nm+620 nm,测定各孔光密度值,测定时间:。
标本及对照位置表:
1 2 3 4 5 6 7 8 9 10 11 12
A
B
C
D
E
F
G
H
结果判断:
N(阴性对照平均值)≤0.1,P(阳性对照值)≥0.8
结果分析:N:P:Cutoff=0.12+ N:质控品S/CO:
为阳性,需复检,其余所测标本均为阴性反应。
操作人签字:复核人签字:
附:酶标仪读数结果。
样品检测原始记录(快速检测实验)
样品名称:血清□血浆□全血□其他□样品来源及数量(份):
检测项目:艾滋病病毒抗体初筛检查收样日期2018 年月日
检测方法:人类免疫缺陷病毒抗体(HIV1/2)检测试剂(胶体金法)试剂批号:W00680102WC 试剂厂家:广州万孚生物科技股份有限公司试剂生产日期:2018年01月08日
试剂有效期2020年01月07日
主要使用仪器:10ul—100ul微量加样器及试剂自带吸管
检测技术依据:艾滋病和艾滋病病毒感染诊断标准(WS293-2008)
检测地点:祥和社区卫服务中心检验科免疫操作台
室温:℃相对湿度:%
检测步骤:1.撕开包装并将检测卡放置于操作台面上,做好标记。
使用仪器吸取血清或血浆加入80ul于加样孔,全血则加入50ul同时加入1-2滴稀释液。
2.10-15分钟观察显示结果;30分钟后显示结果无临床意义。
阳性对照:()阴性对照:()
备注:未出现条带为阴性,用“-”表示,出现条带为待复测,请结果处填写“待复测”。
测试人:复核人:。
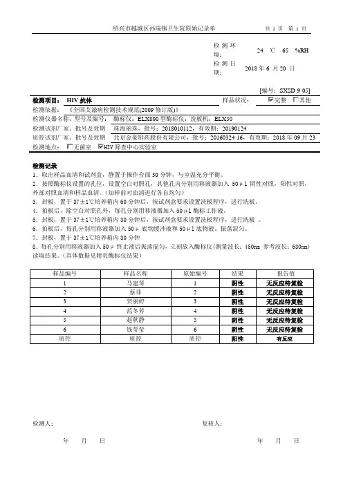
绍兴市越城区孙端镇卫生院原始记录单 共 1 页 第 1 页
检测人:
复核人: 年 月 日
年 月 日
检测环
境: 24 ℃ 65 %RH
检测日
期:
2018年6 月20 日
完整
其他检测依据: 《全国艾滋病检测技术规范(2009修订版)》
检测仪器名称、型号及编号: 酶标仪:ELX800
型酶标仪;洗板机:ELX50
检测试剂厂家、批号及效期 珠海丽珠,批号:2018010112,有效期:20190124
质控试剂厂家、批号及效期 北京金豪制药股份有限公司,批号:20160324-16,有效期:2018年09月23
检测地点:
无菌室
HIV 筛查中心实验室
检测记录
1.取出样品血清和试剂盒,静置于操作台面30分钟,与室温充分平衡。
2.按照酶标仪设置的孔位,设置空白对照孔,其他孔内分别用移液器加入50μl 阴性对照,阳性对照,外部对照血清和样品血清。
(加样前对血清进行各自均匀)
3.封板,置于37±1℃培养箱内60分钟后,按试剂盒要求设置洗板程序,进行洗板。
4.拍板后,除空白对照孔外,每孔分别用移液器加入50μl 酶标工作液。
5.封板,置于37±1℃培养箱内30分钟后,按试剂盒要求设置洗板程序,进行洗板 。
6.拍板后,每孔分别用移液器加入50μ底物缓冲液和50μl 底物液。
振荡混匀。
7.封板,置于37±1℃培养箱内30分钟
8.每孔分别用移液器加入50μ终止液后振荡混匀,立刻放入酶标仪(测量波长:450nm 参考波长:630nm)读取结果。
(具体数据见附页酶标仪结果)。
HIV、TP、HCV检测原始记录年
一. HIV抗体快速法(RT)乳胶法试验检测步骤:
1.在试剂条加样区加入血清1滴约25ul,加入缓冲液1 滴。
2. 10-15 分钟以内判定结果,出现质控带一条红线者为阴性结果; 出现质控带及检测带两条红线者为阳性结果。
二. 梅毒快速实验操作步骤:
1. 在试剂条加样区加入血清 2 滴约100ul。
2. 20 分钟内判读结果。
质控带出现红线,结果有效,检测带出现一道红线为阳性。
三.丙肝抗体检测胶体金法操作步骤:
1.在试剂条加样区加入血清50ul,随后加入缓冲液一滴。
2. 10-20 分钟内判读结果。
质控带出现红线,结果有效,检测带出现一道红线为阳性。
三. HIV试剂厂家:艾博批号:效期:
四. 梅毒试剂厂家:批号:效期:
五.丙肝试剂厂家:批号:效期:
六. 试验结果:
日期编号
HIV抗体梅毒丙肝
检测者检测时间质控带检测带质控带检测带质控带检测带。