混流泵结构与应用范围介绍
- 格式:doc
- 大小:136.50 KB
- 文档页数:1
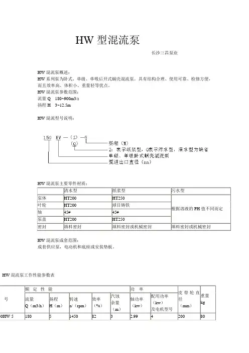
HW 型混流泵- -长沙三昌泵业HW 混流泵概述: HW 系列泵为卧式、单级、单吸后开式蜗壳混流泵。
具有结构合理、使用可靠、检修方便,而且效率高、体积小、重量轻等优点。
HW 混流泵参数范围: 流量Q 180~900m3/s 扬程H 3~12.5mHW 混流型号说明:清水型 纸浆型 污水型泵体 HT200 HT250 根据溶液的PH 值不同而定 叶轮 HT200 球目铸铁 轴 45# 45# 泵盖 HT200 HT250密封填料密封填料密封或机械密封填料密封或机械密封HW 混流泵成套范围:成套供应泵,电动机和底座或安装垫板。
、HW 混流泵工作性能参数表型 号额 定 性 能功 率 皮带轮直径(mm )重量 kg 流量 Q (m3/h ) 扬程 H (m ) 转速 n/(rpm ) 效率 (%) 汽蚀 余量 (m ) 轴功率 (kw ) 配用功率(kw )及电机型号 50HW-5180514508232.9942008050HW-7 7 1450 82 4.2 4.48 5.5 80 50HW-1212.5 1450 82 5.5 7.47 11 9500HW-3360 3970 80 5 3.8 4 25013000HW-44 1075 81 5 4.9 5.5 00HW-55 1145 82 4 5.98 7.5 00HW-8450 8 1450 83.5 4 11.5 15 50HW-3450 3 725 80 4 4.5 5.5 280 19550HW-4485 4 865 82 4 6.5 7.5 50HW-5540 5 970 82 4 8.97 11 50HW-8680 8 1225 82 4 18.1 22 00HW-3720 3 660 81 5 7.3 7.5 300 29000HW-4720 4 730 82 5 9.6 11 00HW-5792 5 800 83 4 13.0 15 00HW-8900897084423.130、HW 混流泵外形和按装尺寸型 号A BCD E F G I J KNL*d50HW-5Φ225 8-Φ17.5 400 165 158 400 212 80 170 120 4-Φ18..5 44*Φ20 50HW-12Φ225 8-Φ17.5 443 125 170 465 225 60 160 140 4-Φ18..5 56*Φ35 00HWΦ280 8-Φ17.5 455 190 180 500 265 100 220 150 4-Φ18..5 58*Φ35 50HWΦ335 12-Φ18 532 205 223 600 325 120 270 190 4-Φ18..5 83*Φ50 00HWΦ39512-Φ24 617280278735385150330230 4-Φ2483*Φ50。
潜水混流泵主要由吸入管、叶轮、导叶、泵轴、出口管、轴承、填料函及叶片角度的调节机构等部分组成,是依靠离心力和轴向推力的混合作用来输送液体的设备,所以又被称为混流泵,现主要被广泛适用于农田水力设施、城市防洪及供水、轻度污水排放及调水工程。
一、特点:1、可输送清水、轻度污水,介质温度可达40℃,pH 值4-10;2、优秀水利模型,制作精良,保证了用户的性能要求;3、双重机械密封,可靠的防止漏水,大型泵因轴向力大,采用专用推力轴承,结构设计合理,润滑充分,散热良好,轴承使用寿命长;4、电机采用F 级绝缘,耐高温,设有温度保护、监测、渗漏等报警装置;5、能配套一控二至一控四的控制模式电控柜,可实现出现故障时泵自动关闭、备用泵自动启动;保留故障信号(自诊断)等功能,保证了运行的高可靠性;6、机泵潜入水中,冷却条件好,机泵运行平衡性好,稳定、振动小、噪音低;7、用户可根据需求,设计地下泵站,改善环境风貌;8、泵站规模小,土建、建筑结构简单,投资大为减少,可减省泵站工程造价的30%-40%;9、机泵一体化,安装维修省时省工,节省费用;10、产品成系列,水泵高效区宽,符合用户工况,高效节能,运行费用低;11、管理方便,管理,运行费用小;12、便于实现远程控制和无人值守。
二、型号1、350QZB:50-37KW,50-40KW,50-45KW,70-22KW,70-30KW,70-37KW,85-30KW, 85-37KW,100-18.5KW,100-22KW,100-30KW,100-37KW,125-15KW,125-2 2KW,125-37KW2、500QZB:50-90KW,50-110KW,70-55KW,70-75KW,85-55KW,85-65KW,85-80K W,100-55KW,100-65KW,125-37KW,125-55KW,125-65KW,125-80KW,160-45KW,160-55KW3、600QZB:50-95KW,50-110KW,50-132KW, 70-95KW,70-110KW,70-132KW,85-65KW,85-75KW,85-80KW,85-95KW,100-55KW,100-65KW,100-75KW,100-80KW,125-30KW,125-37KW,125-55KW,125-65KW,125-75KW,125-95KW4、700QZB:50-220KW,50-250KW,50-280KW,70-132KW,70-155KW,70-180KW,85 -132KW,85-155KW,85-180KW,100-110KW,100-132KW,100-155KW,100-1 80KW,125-65KW,125-95KW,125-110KW,125-132KW,125-180KW,125-22 0KW,160-80KW,160-95KW,160-132KW5、800QZB:50-250KW,50-280KW,50-310KW,50-330KW,70-155KW,70-180KW,85 -155KW,85-180KW,85-200KW,85-220KW,100-132KW,100-155KW,100-18 0KW,125-80KW,125-90KW,125-132KW,125-155KW,125-180KW,125-200 KW,160-90KW,160-110KW,160-132KW6、900QZB:50-250KW,50-280KW,50-310KW,50-330KW,50-350KW,70-155KW,70 -180KW,70-200KW,70-220KW,85-155KW,85-180KW,85-200KW,85-220KW,100-132KW,100-155KW,100-180KW,100-200KW,125-80KW,125-90KW ,125-132KW,125-180KW,125-220KW,160-90KW,160-110KW,160-132KW三、安装方式1、泵站:井筒式(悬吊式、落地式、敞开式、水泥)2、卧式:河道、海边、水库3、浮筒式:水库、河道(固定方式:导链、木桩)以上就是有关潜水混流泵的一些简单介绍,希望对大家进一步的了解有所帮助。
油气混输泵的原理及应用油气混输泵是一种新型回转式容积泵。
该泵具有流量大、压力高、无脉动、振动小、噪音低、运转可靠、寿命长等特点。
油气混输泵的工作原理:油气混输泵泵体两端为吸入口,中间为排出口。
泵体内装有衬套,衬套中放置两根平行的螺杆,分别为主动螺杆和从动螺杆。
由于各螺杆的相互啮合以及螺杆与衬套内壁的紧密配合,在泵的吸入口和排出口之间,就会被分隔成一个或多个密封空腔。
当主动螺杆为顺时针方向旋转(从轴伸端看泵)时,随着螺杆的转动和啮合,这些密封空腔连续向前移动,在泵的吸入端不断形成真空,吸入液体。
液体随密封腔沿螺杆轴向连续地推移前进,至排出端形成压力排出,从而实现输送液体的目的。
油气混输泵的性能范围:■流量:1~1000m3/h■压力:最高4.0MPa■使用温度:-20℃~+120℃,特殊材料组合可达280℃■粘度范围:1~3000cSt,降低转速可达105cSt恒盛泵业油气混输泵的优势:■双吸式结构,转子轴向力相互抵消。
输送液体平稳、无脉动、无搅拌,振动小、噪音低。
■特殊泵体结构,底部含液量较大,有很强的自吸性能,并可在混有气体的介质中使用,一般油、汽比可达到1:8以上。
■外装式轴承结构,采用独立润滑,可以输送各种非润滑性介质。
■泵采用同步齿轮驱动,二转子之间不接触,可以输送各种含有固体小颗粒,允许短时间空转。
■泵体带有加热套,可以输送各种低粘度或高粘度介质。
■正确的选用材料,可以输送很多有腐蚀性的介质。
■轴封采用机械密封,具有寿命长.泄漏少,适用范围广。
油气混输泵的应用场合:■石油石化行业:各种润滑油、液压油、原油、沥青、渣油、重质燃油柴油、汽油、油漆、乳胶等产品的输送泵。
特殊泵体结构的设计,用于油田输送油汽混合介质尤其适合,其介质可允许有0.2mm以下硬颗粒。
■造船行业:各种轻质燃油、重质燃油、废油、污油、舱底污油、化学品油、海水的输送泵、增压泵、扫舱泵等。
■食品行业:各种酒精、饮料、蜂蜜糖浆、酱油、动物油、植物油等高低粘度物质的输送。
HW型混流泵结构介绍以及性能叙述
HW系列是卧式化工混流泵。
主要应用于大流量、低扬程的场合。
可以输送有腐蚀性的或中性的清洁介质或含有颗粒的介质。
如化工流程中强制循环,城市煤气工程、海水养殖、水处理系统、农田排灌等。
性能范围:
流量:Q可达2600m3/h
扬程:H可达15m
工作压力:P可达0.6MPa
工作温度:T为-20~+180℃
水力性能及结构特点:
◎水力模型先进、泵高效节能,在整个性能范围内能耗均匀,在关闭阀门的情况下启动、电机也不致过载。
◎过流截面大、不易堵塞。
◎轴系采用“后开门式”结构、安装、拆卸方便。
◎泵体支脚,可承受泵的全部载荷;结构坚固,因而经久耐用,
使用寿命长。
◎泵装置配有完整的放气装置,便于泵排气。
◎动力可采用电动机或内燃机。
密封型式:
填料密封或机械密封。
材料:
可满足用户所需各种耐腐耐磨材料。
混流泵即利用叶轮旋转产生的离心力和推力联合作用工作,斜向出流的设施,因适用于输送清水或物理、化学性质类似于清水的其他液体,所以,现被广泛用于农田排灌、工业和城市给排水等多种场合。
1、性能范围
流量Q 90~900m3/h
扬程H 3.5~22m
2、优点
结构简单、使用可靠、装修方便,而且效率高、体型小、重量轻。
3、传动方式
有直接传动和变速传动。
常用动力机时电动机和柴油机。
订货时应明确动力机的型号(功率、转速),以便确定联轴器或皮带轮的规格。
4、水泵方向
向水泵进口看,叶轮一般为逆时针旋转(650HW—5、—7、—10泵为顺时针旋转)
5、型号说明100—HW—8—S 100——泵进、出口直径mm HW——卧式涡壳混流泵8——设计扬程,m S——变形代号
6、性能参数表
以上就是整理有关HW混流泵的一些产品介绍,希望对大家进一步的了解有所帮助。
立式混流泵结构介绍董旭光(荏原博泵泵业有限公司,山东淄博;255086)摘要:介绍立式混流泵的各种结构形式及其特点,根据不同的使用条件选择高性能、便于维护的水泵结构。
关键词:立式混流泵结构特点1.引言通常所说的离心泵、混流泵、轴流泵,是根据介质流经叶轮的方向来分类的,一般进水方向都为轴向,出水方向则各自不同,离心泵介质延径向流出,轴流泵介质由轴向流出,而两者兼而有之的我们称为混流泵。
以前,水泵结构为卧式,但从轴流泵开发以后,便出现立式结构。
2.立式泵的优点。
(1)运行操作简单卧式泵,因为叶轮都在水面以上,在泵启动之前,要用真空泵向泵内注水,因为立式泵的叶轮,通常沉没在水中,可以直接启动。
(2)安装面积小包括驱动机在内,立式泵只要卧式泵的一半空间就足够了。
特别是在泵大型化的今天,这个优点更加突出。
(3)有利于防止汽蚀立式泵的叶轮通常沉没在水中,可以利用的NPSH能够取的大一些。
因此,泵运行在比设计点大的流量也不会发生汽蚀。
但是,因为是立轴,泵的纵向较长,拆卸、组装时吊车的吊装高度较高,泵的上方要有足够的空间,这是立式泵的缺点。
但是,立式泵几乎都安装在室外,这样就不会成为问题。
3.立式混流泵安装形式大致分为以下3种,(a )半地下单基础式,(b )基础下吐出的单基础式,(c )双基础式。
图1中的3种安装形式是一般的安装形式。
这些安装形式中,(a )适合于口径比较小的泵;(b )适合于大、中口径的双重壳体的泵(以后陈述),这是比较稳定的安装形式;(c )适合于大口径的泵。
4. 立式混流泵的主要零部件立式混流泵零部件(如图2)包括吸入锥管、导流壳、连接管、出水弯管、叶轮、主轴、推力轴承、导轴承、底板、电机架等。
叶轮结构复杂,大型混流泵叶轮铸件。
壳体可以使铸件,也可以是焊接件。
轴为锻件。
5. 立式混流泵的结构形式立式混流泵结构多种多样,分类如下:可抽形式:可抽、不可抽润滑形式:自润滑、外供水润滑级数形式:单级、多级密封形式:填料密封、机械密封推力形式:电机承受推力、水泵承受推力5.1 可抽形式可抽式(如图3)带有内连接管,其结构复杂,多用于口径较大或基础下出水等出口管路拆卸不方便的场合。
混流泵在水处理系统中的应用探讨引言:随着人口的增加和工业的发展,对水资源的需求越来越大。
同时,环境污染也给水资源的保护和处理提出了更高的要求。
在水处理系统中,混流泵作为一种常用的设备,具有广泛的应用,本文将就混流泵在水处理系统中的应用进行探讨,包括混流泵的工作原理、特点、在污水处理、给水处理和海水淡化等领域中的应用情况。
一、混流泵的工作原理:混流泵是一种叶轮既具有离心泵特点又具有轴流泵的特点的泵,其工作原理是将液体同时具有离心力和轴向力,使液体沿轴线方向和径向方向都产生一定的流速。
混流泵的叶轮结构是由叶片和叶室组成的,可以将介质以高速进入泵室后以一定的角度改变流动方向,并均匀向外放射,从而形成了既有轴流泵又有离心泵的特性。
二、混流泵的特点:1. 叶轮结构特殊:混流泵的叶轮结构特殊,叶片的角度可以调整,可以根据具体工况要求进行调整,以适应不同的工作环境。
2. 高效节能:混流泵的工作效率较高,通过充分利用离心力和轴向力,使得泵的输出功率最大化,达到高效节能的效果。
3. 静音运行:混流泵的叶轮与泵壳之间的间隙较小,可以减少泵的振动和噪音,使得泵的运行更加稳定、静音。
4. 体积小、结构紧凑:混流泵具有体积小、结构紧凑的特点,可以节约占地面积,方便安装和维护。
三、混流泵在污水处理中的应用:1. 污水提升:在城市污水处理中,污水提升是一个重要环节。
混流泵可以通过较小的液体颗粒通过其叶子结构,保持其稳定性,并提供更高的提升效率。
2. 污水泵送:在污水泵送方面,混流泵可以提供较大的泵送流量和较高的泵送扬程,使得污水能够快速泵送到污水处理厂,提高处理效率。
3. 污泥处理:在污泥处理过程中,混流泵可以通过根据浓度和黏度的变化调整叶片角度,以适应不同的处理要求。
四、混流泵在给水处理中的应用:1. 混合加药:在给水处理中,混流泵可以用于混合加药过程。
通过混流泵的旋转流动,使得药剂被均匀混合,并能够快速溶解,提高处理效果。
混流泵工作原理
混流泵是一种常见的流体输送设备,它通过转动叶轮将液体进行压力增加和流动加速,然后将其排出。
混流泵的工作原理可以描述如下:
1. 混流泵通常由电动机、叶轮、泵壳和出口管道等组成。
电动机通过轴承带动叶轮旋转。
2. 当电动机启动后,叶轮开始旋转。
由于其特殊的叶片形状,叶轮在旋转过程中能够产生离心力和向心力。
3. 当液体进入泵壳后,叶轮的旋转使得液体受到离心力的作用,从而形成高速旋转的离心涡流。
4. 同时,由于叶轮的特殊形状,液体还会受到向心力的作用,使得液体流动方向改变并产生一定的流速加速。
5. 随着液体流经叶轮的过程,其压力逐渐增加,并且流速也得到增加。
最终,在叶轮的高速旋转和离心力、向心力的作用下,液体被压送到出口管道中。
6. 混流泵的设计使得液体在叶轮和泵壳之间反复进行加速和减速,从而达到输送液体的目的。
总结起来,混流泵通过叶轮的旋转产生离心力和向心力,将液体压力增加和速度加快,从而实现液体的输送和排出。
这是混流泵的工作原理。
混流泵工作原理
混流泵是一种常用于水处理和工业领域的流体输送设备,其工作原理是通过转子和定子之间的相互作用来提供流体的运动和压力增加。
混流泵的工作原理可以分为以下几个步骤。
1. 流体进入泵体:混流泵的进口通道通过管道与待处理流体源相连,流体进入泵体后会经过进口阀门和进口导叶,进一步控制和引导流体的流动方向和速度。
2. 流体进入转子:进入泵体的流体会通过进口导叶进入转子,转子是混流泵的关键部件之一。
转子通常是由多个叶片组成的,这些叶片会通过旋转来推动流体的运动。
3. 流体受力旋转:当转子旋转时,叶片会产生离心力和切向力,将流体推向泵体的出口方向。
同时,由于转子的旋转,流体也会受到一定的离心力和惯性力的作用,使得流体呈现旋转的状态。
4. 流体受力推动:转子旋转产生的流体旋转和推动力会将流体推向泵体的出口,流体在推动的过程中会逐渐增加其压力和速度。
这是由于流体在受到转子叶片的推动时,会产生动能和压力能的转换。
5. 流体离开泵体:当流体达到一定的压力和速度后,会从泵体的出口处离开,继续向外输送或进入下一个工艺环节。
在离开泵体之前,流体通过出口导叶的作用来控制其流动方向和速度,以适应不同的
输送需求。
总结起来,混流泵的工作原理是通过转子和定子之间的相互作用来推动流体的运动,从而实现流体的输送和增压。
转子通过旋转产生离心力和切向力,将流体推向泵体的出口,同时流体也会受到离心力和惯性力的作用,呈现旋转的状态。
在流体离开泵体之前,通过出口导叶来控制流体的流动方向和速度。
混流泵的工作原理简单而有效,适用于各种流体输送和增压的场合。
混流泵标准
混流泵标准是指,在设计、制造和使用混流泵时,遵循的技术标准和规范。
混流泵是一种既有离心泵的高扬程特点,又有轴流泵的大流量特点,其工作原理是通过转子和定子之间的叶轮进行流体混合和输送,广泛应用于各种工业领域。
混流泵标准包括但不限于以下内容:
1. 设计标准:混流泵的结构和性能应符合国家和行业的相关规定和标准,包括工作条件、流量、扬程、功率、效率、材料等方面的要求。
2. 制造标准:混流泵的制造应遵循国家和行业的相关标准,包括材料选择、加工工艺、质量检验等方面的要求。
3. 检验标准:混流泵在出厂前应经过各种检验和测试,确保其达到设计要求和质量标准,包括外观检查、质量验收、性能测试等。
4. 安装和调试标准:混流泵的安装和调试应遵循国家和行业的相关标准,包括安装位置、管路系统、电气接线、启动调试等方面的要求。
5. 使用和维护标准:混流泵在使用过程中应遵循国家和行业的相关标准,包括操作规程、保养维护、安全使用等方面的要求,确保其长期稳定运行。
总之,混流泵标准是保证混流泵质量和使用效果的重要保障,应得到广泛重视和应用。
- 1 -。
关于650hw-100混流泵说明书的文章650HW-100混流泵说明书混流泵是一种常用的工业设备,广泛应用于农田灌溉、城市供水、工业循环水等领域。
650HW-100混流泵是一款高效、可靠的混流泵,本文将为您详细介绍该产品的特点和使用方法。
首先,650HW-100混流泵采用了先进的设计和制造工艺,具有出色的性能和可靠性。
该泵采用了高效能电机,功率为650千瓦,能够提供稳定而强大的动力。
同时,该泵还采用了优质的材料制造而成,具有良好的耐腐蚀性和耐磨性,能够在恶劣环境下长时间运行。
其次,650HW-100混流泵具有高效节能的特点。
该泵采用了先进的混流叶轮设计,使得水流在叶轮内部得到充分扩散和加速,从而提高了水流速度和压力。
同时,在设计过程中还考虑到了减少水阻力和能量损失的因素,使得该泵在运行时能够以更低的功率消耗提供更大的水量。
此外,650HW-100混流泵还具有操作简便、维护方便的特点。
该泵配备了先进的控制系统,可以实现自动启停和远程监控。
同时,该泵还采用了模块化设计,使得维护和更换零部件更加方便快捷。
此外,该泵还具有自动保护功能,能够在出现异常情况时自动停机,保护设备的安全运行。
最后,650HW-100混流泵适用于多种工农业水利系统。
该泵可以根据用户的需求进行定制和安装,能够满足不同场合的水量和压力要求。
无论是农田灌溉、城市供水还是工业循环水系统,650HW-100混流泵都能够提供稳定可靠的供水服务。
总之,650HW-100混流泵是一款高效、可靠、节能的工业设备。
它具有先进的设计和制造工艺,在性能和可靠性方面表现出色。
同时,它还具有操作简便、维护方便的特点,并适用于多种工农业水利系统。
无论是在农田灌溉、城市供水还是工业循环水领域,650HW-100混流泵都能够发挥重要的作用,为用户提供稳定可靠的供水服务。
混流泵在化工废水处理中的应用探索摘要:随着化工工业的不断发展,产生大量的废水成为环境和资源的严重威胁。
废水处理技术不断改进和创新,混流泵作为一种重要的设备,在化工废水处理中发挥着关键的作用。
本文将对混流泵在化工废水处理中的应用进行探索和分析,旨在为废水处理技术的创新提供参考和指导。
一、引言化工废水是由于化学工艺中的生产过程或污染物的使用,而产生的含有有害物质的废水。
它具有复杂的组成和高难度的处理要求。
处理化工废水的目标是降低污染物的浓度和排放量,并达到排放标准,从而保护环境和人类的健康。
二、混流泵的基本原理和特点混流泵是一种能够产生混合流体的泵。
它既具有离心泵的流量大和扬程高的特点,又具有轴流泵流量大和压力低的特点。
混流泵通过叶轮的结构设计和运动状态的调节,将液体同时具有较高的扬程和压力,从而实现高效的泵送和搅拌作用。
混流泵在化工废水处理中的应用主要体现在以下几个方面:1. 混合搅拌:化工废水中的污染物往往分散在废水中,使得废水的处理变得更加困难。
混流泵具有良好的搅拌效果,可以将废水中的污染物均匀混合,从而提高后续处理的效果。
2. 氧化和还原:混流泵可以通过调节液体的氧气含量,实现化工废水中有机物的氧化或还原。
通过氧化和还原反应,可以降解有害物质,提高废水的处理效率。
3. 悬浮颗粒的分离:化工废水中常常含有悬浮颗粒物质,这些颗粒物质对后续处理设备的磨损和堵塞有很大影响。
混流泵可以通过调整液体的流速和叶轮的结构,实现悬浮颗粒的分离和去除,从而保护后续设备的正常运行。
4. 脱盐和浓缩:部分化工废水中含有大量盐类物质,通过混流泵可以对废水中的盐类进行分离和去除,降低废水中的盐浓度。
同时,混流泵还可以实现化工废水的浓缩,提高废水的处理效率。
三、混流泵在化工废水处理实践中的应用案例1. 某化工厂废水处理系统中的混流泵应用某化工厂废水处理系统采用了混流泵进行废水的处理。
混流泵首先将废水进行混合搅拌,确保污染物均匀分布。
立式混流泵结构介绍董旭光(荏原博泵泵业有限公司,山东淄博;255086)摘要:介绍立式混流泵的各种结构形式及其特点,根据不同的使用条件选择高性能、便于维护的水泵结构。
关键词:立式混流泵结构特点1.引言通常所说的离心泵、混流泵、轴流泵,是根据介质流经叶轮的方向来分类的,一般进水方向都为轴向,出水方向则各自不同,离心泵介质延径向流出,轴流泵介质由轴向流出,而两者兼而有之的我们称为混流泵。
以前,水泵结构为卧式,但从轴流泵开发以后,便出现立式结构。
2.立式泵的优点。
(1)运行操作简单卧式泵,因为叶轮都在水面以上,在泵启动之前,要用真空泵向泵内注水,因为立式泵的叶轮,通常沉没在水中,可以直接启动。
(2)安装面积小包括驱动机在内,立式泵只要卧式泵的一半空间就足够了。
特别是在泵大型化的今天,这个优点更加突出。
(3)有利于防止汽蚀立式泵的叶轮通常沉没在水中,可以利用的NPSH能够取的大一些。
因此,泵运行在比设计点大的流量也不会发生汽蚀。
但是,因为是立轴,泵的纵向较长,拆卸、组装时吊车的吊装高度较高,泵的上方要有足够的空间,这是立式泵的缺点。
但是,立式泵几乎都安装在室外,这样就不会成为问题。
3.立式混流泵安装形式大致分为以下3种,(a )半地下单基础式,(b )基础下吐出的单基础式,(c )双基础式。
图1中的3种安装形式是一般的安装形式。
这些安装形式中,(a )适合于口径比较小的泵;(b )适合于大、中口径的双重壳体的泵(以后陈述),这是比较稳定的安装形式;(c )适合于大口径的泵。
4. 立式混流泵的主要零部件立式混流泵零部件(如图2)包括吸入锥管、导流壳、连接管、出水弯管、叶轮、主轴、推力轴承、导轴承、底板、电机架等。
叶轮结构复杂,大型混流泵叶轮铸件。
壳体可以使铸件,也可以是焊接件。
轴为锻件。
5. 立式混流泵的结构形式立式混流泵结构多种多样,分类如下:可抽形式:可抽、不可抽润滑形式:自润滑、外供水润滑级数形式:单级、多级密封形式:填料密封、机械密封推力形式:电机承受推力、水泵承受推力5.1 可抽形式可抽式(如图3)带有内连接管,其结构复杂,多用于口径较大或基础下出水等出口管路拆卸不方便的场合。
SEZ型立式混流泵在引水泵站中的应用摘要:论述了混流泵的特点和应用范围,并以扬州瘦西湖调水泵站为例分析了SEZ立式混流泵的结构和主要特点,介绍了其在引水泵站中的应用。
关健词:泵站,混流泵,结构,应用前言混流泵应用于农田排灌、防洪、排涝、污水处理、电站(燃煤电站,核电站,蓄能电站,潮汐电站)冷却系统等各个领域。
混流泵比转数范围通常为300-500;其口径为100-1 500 nun,有的可达到6 000 mm以上;其扬程3-30 m,最高可达60 m;流量200-2 000 Us 或者更大,转速100-1 450 r/min,混流泵在性能和结构方面,介于离心泵和轴流泵之间。
混流泵与离心泵和轴流泵相比,其主要优点是结构简单、体积小、重量轻、占地面积小、性能稳定、功率平稳,在扬程变化时功率变化很小,且易于调速。
目前,加强棍流泵的研究和开发是非常重要的,尤其是研制抗汽蚀性能好、结构先进、运行平稳的大型混流泵,以便适应南水北调工程对泵的需要。
1 SEZ型立式混流泵的特点1.1 立式混流泵的主要形式立式混流泵叶轮淹没于水下,起动时无需抽真空,且电机安装于上层,通风良好,不会为洪水所淹没,这是卧式泵所不能及的优点。
立式混流泵具有效率高、汽蚀性能好、体积小、维修方便的优点。
根据结构不同,可分为导叶式和蜗壳式两种。
立式导叶泵可分为转子可抽的双壳体式(K型)和转子不可抽的单壳体式(B型)。
根据安装方式,又可分为单基层式和双基层式两种,单基层式的电机与泵安装于同一基础上,而双基层式的电机与泵分别安装在各自的基础之上。
为适应不同使用范围,叶片分为固定式和可调式两种。
目前,主要的型号有LKX型(固定叶片、转子可)、LBS型(固定叶片、转子不可抽),LBX型(固定叶片、转子不可抽、出水管安装在泵基础之下),LKX型(固定叶片,泵转子可抽,出水管安装在泵基础之上),TKK型(叶片可调,泵转子可抽,出水管安装在泵基础之下),LT型(叶片可调,泵转子可抽,出水管安装在泵基础之上)几种,可供选型。
长沙自平衡多级泵厂 混流泵的运行原理:
当原动机带动叶轮旋转后,对液体的作用既有离心力又有轴向推力,是离心泵和轴流泵的综合,液体斜向流出叶轮。
因此它是介于离心泵和轴流泵之间的一种泵。
混流泵的比转速高于离心泵,低于轴流泵,一般在300-500之间。
它的扬程比轴流泵高,但流量比轴流泵小,比离心泵大。
混流泵的结构是介于离心泵与轴流泵之间的一种泵型。
其扬程适中,流量较大,适用范围广,是平原河网地区及微丘地区的好泵型。
按混流泵出水室的不同,混流泵有蜗壳式和导叶式两种类型。
蜗壳式混流泵有卧式和立式之分,其中以卧式应用较多;导叶式混流泵也有卧式和立式两种,其中立式混流泵与立式轴流泵类似。
中、小型混流泵多数属于蜗壳式,大型混流泵多数是导叶式。
与轴流杲一样,混流泵的叶片一般是固定的,但大型导叶式混流泵的叶片可做成全调节式的。
根据运行的需要,随时可调节叶片的安装角,以扩大其高效率运行范围。
混流泵与卧式离心泵和轴流泵相比,其扬程低,流量大,所以叶轮形状比较特殊。
由于叶轮的进口直径与出口直径相差较小,流道宽度与出口直径的比例相对较大,因此蜗壳的相对宽度比离心泵大。
叶片从进口到出口均为扭曲形,叶片出口边倾斜,工作时产生离心力和推力,水流从叶轮出口流出的方向,既不是径向(如离心泵),也不是轴向(如轴流泵),而是介于二者之间的斜向,故混流泵也称为斜流泵。
混流泵叶轮的形状。
低比转数叶轮是封闭的,有前后盖板,与离心泵叶轮类似;高比转数叶轮是开敞式的,与轴流泵类似。
混流泵的应用范围:
用于输送清洁和污染的介质,化学中性或侵蚀性的介质。
化工流程中强制循环、海水养殖、城市煤气工程、水处理系统。