在线监测现场检查表
- 格式:docx
- 大小:16.91 KB
- 文档页数:1
检查表第页审核区域接受审核人员审核员检查结果NC(不符合)+报告编号/OB(观察项)/OK(符合)检查内容补充审核内容及方法条款E6.1.2 6.1.3 6.2 环境因素合规义务环境目标和策划实现目标6.1.2环境因素()如何进行环境因素的识别和评价?(记录要求:环境因素的识别和评价实施的情况)()环境因素识别是否充分?(记录要求:环境因素是否和现场工序的实际一致情况,判定是否充分)()重要环境因素评价是否合理?(记录要求:重要环境因素评价方法;是否与规定一致;是否合理的情况)查阅环境因清单和重要环境因素清单予以证实。
(记录要求:记录相关内容)()与本部门重要环境因素有关的合规义务有哪些?是如何获取的?查阅法律法规和其他要求清单予以证实。
(记录要求:与本部门重要环境因素有关的合规义务有:;如何获取的:;记录成文信息的名称、时间等予以证实)()查与现场相关的法律法规和其它要求文本,是否为现行有效版本?(记录要求:与现场相关的法律法规和其它要求文本,发布时间、实施时间、是否是现行有效版本)()本部门建立了哪些环境目标?是否考虑了重要环境因素及相关的合规义务,并考虑其风险和机遇?(记录要求:本部门建立的环境目标;查看是否考虑了重要环境因素及相关的合规义务,并考虑其风险和机遇)()为实现目标、策划了哪些措施,上述措施是否融入其业务过程?(记录要求:为实现目标、策划了哪些措施(如方案),查看其措施是否融入其业务过程)()目标的实现情况如何,查相关证实?(记录要求:目标的实现情况;若没有完成详细记录原因及进一步采取的措施情况。
世通质量认证检查表第页审核区域接受审核人员审核员检查结果NC(不符合)+报告编号/OB(观察项)/OK(符合)检查内容补充审核内容及方法条款E 8.1运行的策划和控制()是否有与本现场重要环境因素有关的运行准则,对照现场的实际情况查文件的适宜性和充分性如何?(记录要求:记录制定的与现场重要环境因素有关的运行准则;判定适宜性和充分性)()是否按相关的运行准则对重要环境因素进行了控制?抽查相关的控制实施证实;(记录要求: 2.对评价后的重要环境因素,逐一建立运行控制程序或计划、规程、指导书;或环境管理的水、气、声、固体废弃物、节约资源等的控制规定;()本取证时限内已策划的变更有哪些?制定了哪些控制措施?对非预期变更的后果是否进行了评审,并视需要采取了哪些措施减轻不利影响?抽查相关的实施证实。
附件二:中华人民共和国国家环境保护标准HJ□□□-201□污染源自动监控设施现场监督检查技术规范Technical Specifications for Inspecting on-the-spot ofAuto Monitoring Facilities of Environmental Pollution Source(征求意见稿)201□-□□-□□发布 201□-□□-□□实施 环 境 保 护 部 发布目 次前言 (II)1 适用范围 (1)2 规范性引用文件 (1)3 术语和定义 (1)4 现场检查一般方法 (3)5 污染源自动监控设施现场检查准备工作 (3)6 例行检查 (4)7 自动监控设施不正常运行情形判别 (6)8 废水自动监控设施重点检查 (6)9 固定烟气污染源自动监控设施检查 (11)10 数据采集传输仪器检查 (12)11 弄虚作假的认定 (12)附录A(资料性附录)污染源自动监控设施申报登记表 (13)附录B(资料性附录)污染源自动监控设施例行检查表 (18)附录C(资料性附录)污染源自动监控设施采样单元重点检查表 (20)附录D(资料性附录)化学需氧量(COD Cr)污染源自动监控设施重点检查表 (21)附录E(资料性附录)总有机碳(TOC)污染源自动监控设施重点检查表 (22)附录F(资料性附录)紫外(UV)吸收水质自动监测仪重点检查表 (23)附录G(资料性附录)氨氮污染源自动监控设施重点检查表 (24)附录H(资料性附录)重金属离子污染源自动监控设施重点检查表 (25)附录I(资料性附录)流量计重点检查表 (26)附录J(资料性附录)CEMS污染源自动监控设施重点检查表 (27)附录K(资料性附录)数据采集传输仪器重点检查表 (28)附录L(资料性附录)污染源自动监控设施现场监督检查流程图 (29)前 言为贯彻《中华人民共和国环境保护法》、《中华人民共和国水污染防治法》、《中华人民共和国大气污染防治法》和《中华人民共和国固体废物污染环境防治法》和《污染源自动监控管理办法》,规范污染源自动监控设施现场监督检查,进一步提高现场监督检查的质量和效率,保障污染源自动监控设施正常运行,制定本标准。
cems在线监测设备检查要点主题:CEMS在线监测设备检查要点文章:引言:CEMS(Continuous Emission Monitoring System,连续排放监测系统)是一种用于监测工业排放物的在线监测设备。
它可以实时检测和记录排放的各种有害气体和颗粒物,以确保企业的排放达到环保标准。
为了保证CEMS设备的准确性、可靠性和正常运行,定期的设备检查是必要的。
本文将一步一步回答CEMS 在线监测设备检查的要点,以帮助读者更好地了解和操作设备。
第一部分:检查前的准备工作1. 确保操作人员熟悉CEMS设备的基本原理和操作步骤。
2. 检查设备检查表,准备所需的工具和备品备件。
3. 关闭与CEMS设备相关的系统和进程,并确认设备处于停机状态。
第二部分:外部设备检查1. 检查CEMS设备的外部连接线路,包括电源线、通信线和传感器线路,确保没有损坏或松动。
2. 检查CEMS设备的外壳和面板,确认没有裂纹、锈蚀或其他损坏。
3. 检查CEMS设备的传感器和探头,确保其没有脏污、氧化或堵塞。
第三部分:内部设备检查1. 拆卸CEMS设备的外壳,检查内部电路板和连接器,确保没有受潮、氧化或腐蚀。
2. 检查CEMS设备的电源模块和信号处理器,确保其正常供电和工作。
3. 检查CEMS设备的存储器和数据传输模块,确保数据的正常保存和上传。
4. 检查CEMS设备的气体传感器和颗粒物探头,确保其校准和清洗状态良好。
第四部分:功能测试1. 打开CEMS设备的电源,检查其启动过程和显示屏是否正常。
2. 进入CEMS设备的菜单界面,检查各个功能模块和参数设置是否正确。
3. 运行CEMS设备的自检程序,确保监测仪表、传感器和控制器正常工作。
4. 模拟排放物浓度,检测CEMS设备的反应和记录是否准确。
第五部分:数据分析和记录1. 下载CEMS设备的历史数据,使用数据分析软件进行评估和比对。
2. 检查CEMS设备的记录仪和打印机,确保数据记录和输出的完整性。
表1 建设公司主管处室对测量中心测量工作考核表
表2 建设公司主管处室/测量中心对监理单位测量工作考核表
表3 建设公司主管处室/测量中心/监理单位对施工单位测量工作考核表
表4 测量中心测量工作自评表
表5 监理单位测量工作自评表
表6 施工单位测量工作自评表
- 1 -
表1 建设公司主管处室对测量中心测量工作考核表
表2 建设公司主管处室/测量中心对监理单位测量工作考核表
- 3 -
表3 建设公司主管处室/测量中心/监理单位对施工单位测量工作考核
表
- 4 -
- 5 -
- 6 -
- 7 -
- 8 -。
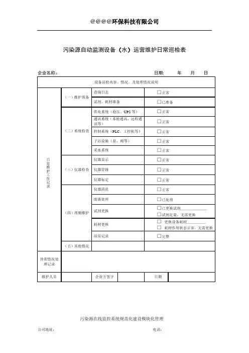
在线监测日常管理表格第一节水污染源自动监测数据有效性审核企业自查表一、企业基本情况表二、在线监测设备基本情况企业名称:三、现场安装情况企业名称:四、运行与保护企业名称:五、质量保证与质量操纵企业名称:六、稳固性企业名称:七、数据准确性企业名称:八、数据数量要求企业名称:九、设备运转率企业名称:十、仪器技术档案企业名称:第二节烟气污染源自动监测数据有效性审核企业自查表一、企业基本情况表二、自动监测设备基本情况企业名称:三、现场安装情况企业名称:四、运行及保护五、质量保证与质量操纵企业名称:六、稳固度企业名称:七、数据准确性八、设备运行率企业名称:九、仪器技术档案企业名称:第三节自动监测设备运行与保护记录表一、水污染源自动监测设备运营保护日常巡检表企业名称:日期二、水污染源自动监测仪校准记录表三、水污染源自动监测仪校验记录四、水污染源自动监测设备故障维修记录表五、标准溶液核查结果记录表运营方代表:日期:年月日业主方代表:日期:年月日设备巡检内容、情况、及处理情况说明本次巡检人:本次巡检时间:负责人:企业名称:SO2分析仪校准NO x分析仪校准O2分析仪校准流速仪校准烟尘仪校准八、烟气自动监测设备校验测试记录烟尘校验SO2校验xO2校验流速校验温度校验九、烟气自动监测设备维修记录表停机检修情况总结:备注:十、易耗品更换记录表企业名称:十一、标准物质更换记录表十二、比对试验结果记录表站点名称:测定日期:年月日运营方代表:日期:年月日业主方代表:日期:年月日。
注意:1、确认检测点已正常开启且有流量反馈时才可进行打钩确认。
2、此点检表适用于正常生产情况,异常情况根据现场情况及电话通知开启相应点位
3、在线浮游正常监测间隔约40min左右。
4、时间只是预计值,具体开启以生产情况与电话通知为准。
在线监测点检表-灌装出料(10449)
2、此点检表适用于正常生产情况,异常情况根据现场情况及电话通知开启相应点位
3、在线浮游正常监测间隔约40min左右。
4、时间只是预计值,具体开启以生产情况与电话通知为准。
5、预充针灌装根据批量浮游菌监测3-5次。