评分办法综合评分法。
- 格式:doc
- 大小:84.50 KB
- 文档页数:4
评标办法及评分标准(综合评分法)第一条评标办法的确定1.根据招标文件的要求,本评标办法采用综合评分法进行评标。
第二条评分标准的确定1.评分标准分为技术得分和商务得分。
2.技术得分标准:–技术得分考虑内容包括但不限于技术规范符合程度、创新能力、技术方案的可行性等。
按照满分100分计算。
–技术得分计算公式为:技术得分 = 技术得分项1权重 × 技术得分项1得分 + 技术得分项2权重 × 技术得分项2得分+ …–各项技术得分按照百分制进行评分。
3.商务得分标准:–商务得分考虑内容包括但不限于报价合理性、付款条件、售后服务等。
按照满分100分计算。
–商务得分计算公式为:商务得分 = 商务得分项1权重 × 商务得分项1得分 + 商务得分项2权重 × 商务得分项2得分+ …–各项商务得分项按照百分制进行评分。
第三条评标过程1.评标委员会将按照招标文件的要求,对投标文件进行评审。
评审过程包括但不限于对技术文件、商务文件的分析、对投标人进行现场演示和答辩等。
2.评标委员会将根据评分标准,对各项评分进行计算,并产生综合得分。
3.评标委员会将依据综合得分,确定中标人。
第四条修改和解释1.本评标办法在实施过程中,如需修改和解释,则须经招标人和投标人协商一致,并以书面形式进行确认。
2.本评标办法的修改和解释,仅适用于所涉及的相关项目。
第五条生效和执行1.本评标办法自招标人和投标人签署合同之日起生效。
2.双方均应遵守本评标办法的规定,且不得有擅自修改或解释的行为。
3.一旦发现双方有违反本评标办法的行为,应及时通知对方并采取相应的补救措施。
第六条争议的解决1.本评标办法的执行和解释以中华人民共和国法律为依据。
2.若双方在使用本评标办法过程中出现争议或纠纷,应首先通过友好协商解决。
若协商不成,则可向有管辖权的人民法院提起诉讼。
第七条其他事项1.本评标办法的补充和修改事项,由招标人进行统一管理和通知。
一、评标办法
本项目采用综合评分法进行评审。
综合评分法,是指在满足采购文件实质性要求的前提下,评标专家按照采购文件中规定的各项评审因素及其分值进行综合评分后,以评分从高到低的顺序推荐
1 至 3 家供应商作为中标候选供应商的评标方法。
二、评分因素
评分的主要因素分为价格因素、技术因素(如施工组织、方案等)和商务因素(如业绩、实力等)。
评分因素详见评分表。
评标分值保留至两位小数。
评标时,评标专家依照评分表对每个有效供应商的竞争性磋商响应文件进行独立评审、打分。
三、评分标准
1、评分表
2、评审总得分计算方法:
评审总得分=报价分+技术分+商务分,(将磋商小组所有成员打分汇总再取平均值)。
注:以上打分均为整数,计算最终得分保留小数两位;
3、排序原则:
按评审得分由高到低顺序排序。
得分相同的,按投标报价由低到高顺序排列。
得分且投标报价相同的,按技术指标优劣顺序排列。
4、成交原则:
由磋商小组综合评议后,按评分结果由高分到低分排序,向采购人推荐得分最高的前三名,由采购人按以上评标报告中推荐成交候选供应商顺序确定成交供应商。
评标办法(综合评分法)一、评标原则评标活动遵循公开、公平、公正、择优的原则进行。
评标委员会将综合分析投标人的各项指标,而不以单项指标的优劣评选出预中标人。
二、评标办法(一)采用综合评分法评标,即在投标文件满足采购文件全部实质性要求,且按照评审因素的量化指标评审得分最高的投标人为中标人的评标方法。
(最低报价不是中标的唯一依据。
)(二)具体评审工作按照以下步骤进行。
1.初审。
初审分为资格性检查和符合性检查。
(详见后附表一初审表)资格性检查。
依据法律法规和采购文件的规定,对投标文件中的资格证明、投标保证金等进行审查,以确定投标投标人是否具备投标资格。
符合性检查。
依据采购文件的规定,从投标文件的有效性、完整性和对采购文件的响应程度进行审查,以确定是否对采购文件的实质性要求作出响应。
评审结果为“通过”或“未通过”,未通过资格性检查、符合性检查的投标单位按无效投标处理。
2.详细评审。
分为投标报价、商务部分、技术部分。
(详见后附表二详细评审表)评标委员会认为投标人的报价明显低于其他通过符合性审查投标人的报价,有可能影响产品质量或者不能诚信履约的,应当要求其在评标现场合理的时间内提供书面说明,必要时提交相关证明材料;投标人不能证明其报价合理性的,评标委员会应当将其作为无效投标处理。
3.评标结果按评审后得分由高到低顺序排列。
得分相同的,按投标报价由低到高顺序排列。
得分且投标报价相同的,不发达地区和少数民族地区企业优先,同等条件下按服务方案的优劣顺序排列。
三、政府采购政策落实:1.依照《政府采购促进中小企业发展暂行办法》、《关于政府采购支持监狱企业发展有关问题的通知》和《财政部民政部中国残疾人联合会关于促进残疾人就业政府采购政策的通知》的规定,凡符合要求的小型、微型企业、监狱企业或残疾人福利性单位,按照以下比例给予相应的价格扣除:(监狱企业、残疾人福利性单位视同为小、微企业)2.价格扣除相关要求。
所称小型和微型企业应当同时符合以下条件:(1)符合中小企业划分标准:是指国务院有关部门根据企业从业人员、营业收入、资产总额等指标制定的中小企业划型标准。
竞争性磋商评分办法综合评分法1、评审方法:综合评分法1.1 本次评审采用综合评分法,是指在最大限度地满足磋商文件实质性要求前提下,按照磋商文件中规定的各项因素进行综合评审后,根据评审结果对供应商进行排序,并向采购人推荐前三名为成交候选人。
1.2 评审的主要因素是:最终报价、对竞争性磋商文件的技术、商务响应程度进行综合评分,最低价不作为唯一成交依据。
2、评审原则评标活动遵循“公平、公正、科学、择优”的原则。
3、磋商小组3.1 磋商小组的组成:详见竞争性磋商须知前附表。
3.2 磋商小组的职责:①确认或者制定竞争性磋商文件;②从符合相应资格条件的供应商名单中确定不少于3家的供应商参加竞争性磋商;③审查供应商的响应文件并作出评价;④要求供应商解释或者澄清其响应文件;⑤编写评审报告;⑥告知采购人、采购代理机构在评审过程中发现的供应商的违法违规行为。
3.3 磋商小组的义务:①遵纪守法,客观、公正、廉洁地履行职责;②根据采购文件的规定独立进行评审,对个人的评审意见承担法律责任;③参与评审报告的起草;④配合采购人、采购代理机构答复供应商提出的质疑;⑤配合财政部门的投诉处理和监督检查工作。
4、评审程序:4.1 响应文件的初审:磋商小组根据《资格性和符合性审查表》(附表一)内容逐条对响应文件的资格性和符合性进行评审。
只有全部满足附表一所列各项要求的响应文件才是有效的。
4.2 响应文件的澄清:竞争性磋商可以在不超出响应文件的范围或者改变响应文件的实质性内容的前提下,以书面形式对响应文件中含义不明确、对同类问题表述不一致或者有明显文字和计算错误的内容进行纠正。
4.3 响应文件的详细评审:磋商小组根据供应商的得分,按从高到低的顺序推荐前3 名,按照法律法规的有关规定,按分值由高向低排序,按分值高低依次确定第一成交候选人、第二成交候选人、第三成交候选人,如最终评分相同,按谈判价格由低向高排序。
将成交候选人进行公示,公示无疑义的,由招标代理机构发放《成交通知书》,由得分最高的第一成交候选人成交,并将成交结果进行公示。
评标办法(综合评估法)正文部分
1. 评标方法
1.1本次评标采用综合评估法(工程量清单报价法)。
根据《中华人民共和国招投标法》、《房屋建筑和市政基础设施工程施工招投标管理办法》、《评标委员会和评标方法暂行规定》和《新疆维吾尔自治区建筑工程施工评标规则》(新建建[2010]7号文)中所规定的标准和补充规定等法律法规和有关实施办法。
评标委员会将对投标文件提出的工程质量、施工工期、施工组织设计、投标价格等,能否最大限度的满足招标文件中规定的各项要求和评价标准进行评审和比较。
1.2 评标办法如下:
综合评估法—技术标评审标准
附表四综合评估法——经济标评审标准
附表五
企业综合实力评审评标标准。
评标办法(综合评分法)评标办法(综合评分法)本评标细则是根据XXX招标采购管理制度及实际情况制定的,旨在为评标工作小组评审《技术标(含符合性审查)》及《商务标》提供依据。
评标委员会成员应按招标文件的要求认真审查、评审各投标人投标文件,并签字确认自主评分。
在评标过程中,评标小组成员行使评委的职权。
技术评》(含符合性审查)评标小组由设计部1人、工程部1人、分管领导1人组成,其中需求部门负责牵头,评分人员共3人以上(含)单数组成。
《商务标》评标小组由成本部1人、招标采购部1人组成,其中成本部人员负责牵头,计算及复核人员共2人。
评标包括对投标文件初评(即符合性及完整性评审)和详评(即技术标、商务标评审)。
初评要根据招标文件的规定,对投标文件的实质性内容做出符合性及完整性评审,以判定其是否符合招标文件要求,确保评标的准确性和公正性。
详评即技术标、商务标评审。
若对投标文件内的有关内容存有疑问,评标小组以书面或答辩形式向该投标人提出质询,并要求其做出书面澄清,仅对有无漏项、有无报价前后不一致、算术错误、发包范围进行澄清。
清澄清后的总价不得高于原投标报价总价,否则视为废标。
若低于原投标报价,其《商务标》仍按首次投标报价总价进行打分排名。
算术平错误修正原则如下:当综合单价与工程量的乘积与合价之间不一致时,以标出的综合单价为准。
除非招标人认为有明显的小数点错误,此时应以标出的合价为准,并修改综合单价。
当各单项金额相加与其合计金额不一致时,以各单项金额为准,并修改相应合计金额。
组成综合单价的材料单价与投标报价中主要材料价格表中的材料单价不一致时,以较低的单价为准,并修改相应的综合单价和合价。
段落一:修正投标报价的算术错误在评标过程中,如果发现投标报价存在算术错误,评标委员会需要制定《投标报价的算术错误及修正表》进行修正。
如果修正后的投标总价高于投标函中的文字报价数额,那么在招标范围内的所有项目的价格或费用仍以投标函中的文字报价为准,不得调增。
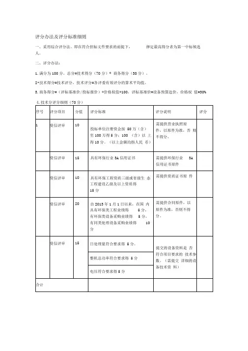
评标办法及评分标准
一、评标办法
本项目采用综合评分法进行评审。
综合评分法,是指在满足采购文件实质性要求的前提下,评标专家按照采购文件中规定的各项评审因素及其分值进行综合评分后,以评分从高到低的顺序推荐
1 至 3 家供应商作为中标候选供应商的评标方法。
二、评分因素
评分的主要因素分为价格因素、技术因素(如技术参数、产品性能、产品质量等)和商务因素(如财务状况、信誉、业绩、服务期、质保期等)。
评分因素详见评分表。
评标分值保留至两位小数。
评标时,评标专家依照评分表对每个有效供应商的磋商响应文件进行独立评审、打分。
三、评分标准
1、评分表
2、价格分的计算
价格分采用低价优先法计算,即满足采购文件要求的前提下,最低有效磋商报价作为评标基准价,其价格分为满分。
其余供应商价格分统一按照下列公式计算:
磋商报价得分=(评标基准价/磋商报价)×价格权值×100
综合评分法货物项目的价格分值占总分值的比重(即权值)为30%至 60%,服务项目的价格分值占总分值的比重(即权值)为10%至30%。
采购项目中含不同采购对象的,以占项目资金比例最高的采购对象确定其项目属性。
附件二、评标办法(综合评估法)信用等级评价为AA级得3分;A级得1.5分;B级得。
分;C信誉岂分级得-3分。
注:信用评价的引用详见招标公告需要补充的其他内容:1.各评分因素(评标价和履约信誉评分项除外)得分一般不得低于其权重分值的60%,且各评分因素得分以评标委员会各成员的打分平均值确定,评标委员会成员总数为7人以上时,该平均值以去掉一个最高分和一个最低分后计算。
评标委员会成员对某一项评分因素的评分低于权重分值60%的,应在评标报告中作出说明。
2.若通过第一信封初步评审的投标人仅2名,经评标委员会一致认为通过第一信封初步评审的投标人具备竞争性,可进入详细评审;若通过第二信封初步评审的投标人仅1名,应否决投标,并按相关规定重新招标。
3.投标人若同时在2个及以上标段排名均为第一,当投标人在多个标段同时排名第一并超过允许中标数量时,评标委员会将按照招标人公布的标段最高投标限价从大到小的顺序依次推荐,其余排名第一的标段则不再作为中标候选人推荐,由排名其后的投标人递补为第一中标候选人。
若递补成为第一中标候选人的投标人在其他标段已排名第一且超过最大可中标数量的,则不再作为该标段中标候选人推荐,由排名其后的投标人递补,依次类推。
已被推荐为第一中标候选人的投标人,其他的标段则不作为中标候选人推荐,推荐排序第二的投标人为第一中标候选人,依次类推。
4.无效标条件:投标人或投标文件有下列情形之一的,其投标作无效标处理:(1)第二章“投标人须知正文部分”及“投标人须知前附表”第L4.3项规定的任何一种情形的;(2)第二章“投标人须知正文部分”第L4.4项规定的任何一种情形的;(3)最新公布的信用评价结果为D级及以下的;(4)在形式评审与响应性评审和资格评审中,评标委员会认定投标人的投标不符合评标办法前附表中规定的任何一项评审标准的;(5)不按评标委员会要求澄清、说明或补正的;(6)不接受评标委员会按招标文件要求对投标报价进行修正的;(7)投标人的最终投标报价超过招标人设置的投标控制限价的;(7)评标委员会认定投标人以低于成本报价竞标的;(8)投标文件对本招标文件需承诺内容未作出承诺的;(9)评标委员会认定投标文件异常一致或投标报价呈规律性差异的;(10)评标委员会认定投标人串通投标或弄虚作假或有其他违法行为的。
第七章评标办法(综合评分法)1. 总则1.1根据《中华人民共和国政府采购法》和《政府采购货物和服务招标投标管理办法》(财政部第18号令)等法律规章,结合采购项目特点制定本评标办法。
1.2评标工作由招标人负责组织,具体评标事务由招标人依法组建的评标委员会(简称评委会)负责。
评委会由采购人代表和有关技术、经济、法律等方面的专家组成。
1.3评标工作应遵循公平、公正、科学及择优的原则,并以相同的评标程序和标准对待所有的投标人。
1.4评标的依据为招标文件和投标文件,不寻求招标文件以外的其它依据。
1.5评委会成员应按照招标文件规定评标方法和标准进行评标,并独立履行下列职责:1.5.1审查投标人投标文件是否满足招标文件要求,并作出公正评价;1.5.2根据需要要求投标人对投标文件等有关事项作出澄清;1.5.3推荐中标候选投标人名单,或者受采购人委托确定中标投标人;1.5.4向采购人、采购执行机构、财政部门或者其他监督部门报告非法干预评标工作的行为;1.5.5法律、法规和规章规定的其他职责。
2. 评标方法本项目采用综合评分法。
综合评分法,是指在最大限度地满足招标文件实质性要求前提下,按照招标文件中规定的各项因素进行综合评审后,以评标总得分最高的投标人作为中标候选投标人或者中标投标人的评标方法。
3. 评标程序3.1投标文件初审。
投标文件初审由评审委员会全体成员共同进行,分为资格性审查和符合性审查。
3.1.1 资格性审查。
依据法律法规和招标文件的规定,评审委员会对投标文件是否按照规定要求提供资格性证明材料、是否按照规定交纳投标保证金、是否属于禁止参加投标的投标人等进行审查,以确定投标投标人是否具备投标资格。
无论招标文件是否作出明确规定,评标委员会均应对《中华人民共和国政府采购法》第二十二条规定的资格条件和与采购项目有关的行业强制性规定的资格条件进行资格性审查。
资格评审标准如下:备注:资格评审标准(详见招标文件资格评审标准)3.1.2 投标文件有下列情况之一的,应当在资格性审查时按照无效投标处理。
评标办法(综合评分法)一、背景与目的1.本评标办法旨在明确评标的具体方法和步骤,确保评标过程公开、透明、公正,最终选择到优质的合作方。
2.本评标办法适用于各类采购项目,未在本评标办法中规定的事项,按照相关法律法规和采购文件执行。
二、评标标准1.评标标准分为技术评审和商务评审两个部分。
2.技术评审标准主要考核投标方的技术实力、项目经验、解决方案的可行性等。
3.商务评审标准主要考核投标方的价格、交付期限、售后服务等。
4.技术评审和商务评审标准在评标过程中根据不同项目的特点进行权重调整,最终得出综合评分。
三、评标委员会1.评标委员会由采购单位指定,委员由具备相关专业知识和经验的专家组成。
2.评标委员会负责根据评标标准进行评审,并给出评分。
3.评标委员会成员需保持独立、客观、公正,不得泄露投标方的商业秘密。
四、评标过程1.评标工作由评标委员会主持,采购单位可以邀请相关部门人员参与。
2.投标文件首先进行技术评审,评分结果由委员会汇总并确定进入商务评审环节的投标方。
3.商务评审环节进行价格谈判,委员会根据谈判结果进行商务评审,评分结果由委员会汇总并最终得出综合评分。
4.根据综合评分结果,评标委员会提出评审意见并提交给采购单位。
5.采购单位根据评审意见,选择排名前列的投标方开展最后的洽谈与合同签订。
五、保密办法1.评标委员会的成员需签署保密协议,承诺不泄露投标方信息。
2.评标工作过程中产生的评审材料和文件应妥善保存,不得外泄。
3.评标工作结束后,评审材料和文件应进行彻底销毁或者保密存储。
六、争议解决1.评标过程中发生的争议,采购单位和投标方应协商解决。
2.若协商无法解决,争议将提交至相关法律规定的仲裁机构进行仲裁。
七、其他条款1.本评标办法文本如需修改,需经采购单位批准后生效。
2.本评标办法的解释权归采购单位所有。
以上为评标办法(综合评分法)的主体文档示例,供参考使用。
根据实际情况,您可根据需要进行修改、补充或删除相关条款。
1、评分办法:综合评分法。
2、评标分值分配:商务3分,技术67分,价格30分。
3、评分细则:(1)商务部分:(2)技术部分:注:1、类似项目指:单项合同中至少包含工程建设进度管理、质量安全管理、现场管理功能其中一项内容的国内工程建设管理信息化项目,且合同中涉及上述内容的金额不低于300万元人民币。
2、类似项目不包含投标人提供用以证明满足资格条件中投标人业绩要求的项目。
3、如合同中无法体现“合同主体”、“合同内容”、“合同中涉及上述内容的金额”的情况,开具业主证明等相关证明材料以证明上述内容,否则视为无效。
(3)价格部分:价格评分的计算方法:1)评标基准价B的确定:若合格投标人多于五家(含五家),将各合格投标人的评标价格中去掉一个最高值和一个最低值,其它各家的算术平均值乘以系数A为评标基准价B;若合格投标人为三~四家,则先计算合格投标人的算术平均值,在该值85%~110%范围内的各合格投标人评标价格算术平均值乘以系数A为评标基准价B;若合格投标人评标价格均不在该值的85%~110%范围,则取所有合格投标人评标价格的算术平均值乘以系数A为评标基准价B。
合格投标人仅为两家(含)时(经评标委员会判定仍具备竞争性时),直接取所有合格投标人评标价格的算术平均值乘以系数A为评标基准价B。
系数A在开标现场由投标人推选一名代表,从98%、98.5%、99%三档中随机抽取一个,作为系数A计算评标基准价。
2)价格分评定原则合格投标人评标价 = B,得满分。
合格投标人评标价> B,评标价格每高于B的1%,扣1分,扣完为止。
合格投标人评标价< B,评标价格每低于B的1%,扣0.5分,扣完为止。
3)价格合理性扣分,此项为扣分项,最多扣2分。
由评委根据投标报价的合理性、完整性及修正情况综合考虑。
投标报价修正额绝对值累计超过原报价1%(不含1%)的,每增加1%扣0.5分,用内插法计算。
评标委员会按各投标人综合得分从高到低顺序,对投标人进行排名,最终得分相同的,则按评标价由低到高的顺序确定排名先后。
综合评分法评分标准一、综合评分法概述综合评分法是一种常用的评价和决策方法。
它通过将待评价对象的各个方面进行量化,并赋予不同的权重,从而得到一个综合评分,以辅助决策过程。
本文将从概念、原理、应用领域和步骤等方面,对综合评分法进行深入探讨。
二、综合评分法的基本原理综合评分法的基本原理是将待评价对象的各个方面进行量化,然后赋予不同的权重,最后通过加权求和来计算综合评分。
其基本步骤如下:1. 确定评价指标评价指标是用来衡量和评价待评价对象的各个方面的指标。
在确定评价指标时,需要充分考虑到待评价对象的特点和目标,并选择具有代表性和可操作性的指标。
2. 确定权重权重是指评价指标在综合评分中的相对重要程度。
确定权重时,可以使用专家调查、层次分析法等方法来获取权重值。
3. 进行量化评价使用合适的评价方法,对各个评价指标进行量化评价,将其转化为可计算的数值。
评价方法可以是定性评价、定量评价或混合评价等。
4. 计算综合评分根据评价指标的权重和量化评价结果,进行加权求和,得到综合评分。
三、综合评分法的应用领域综合评分法广泛应用于各个领域,如教育评价、项目评价、企业绩效评价等。
以下是一些典型的应用领域:1. 学生综合评价在学生综合评价中,可以根据学生的学习成绩、自律性、社会交往等方面的指标进行评价,并根据权重计算出学生的综合评分,从而对学生进行全面、客观的评价。
2. 项目评估在项目评估中,可以使用综合评分法对项目的各个方面进行评估,包括项目的进度、质量、效益等。
通过综合评分,可以对项目的综合表现进行评估,为决策提供参考。
3. 企业绩效评价企业绩效评价是对企业各个方面进行评价和衡量的过程,包括财务绩效、市场绩效、员工绩效等。
综合评分法可以对企业绩效的各个方面进行量化评价,并计算出企业的综合评分,为企业的管理和决策提供参考。
4. 产品评价在产品评价中,可以使用综合评分法对产品的各个方面进行评估,如产品的质量、功能、性能等。
评标定标办法
(综合评分法)
工程评标由评标委员会依据招标文件的有关规定进行。
评标委员会由五人组成,其中招标人代表1人。
经评标委员会初步确认为无效的投标文件不参加详细评审,经初步评审合格的投标文件依据招标文件的规定按下列评标标准和方法进行评审。
一、评标总则
根据各投标单位提供的所有资料进行评比打分。
二、评标步骤
(1)专家审阅:评标委员会成员阅读招标文件,审查投标人提供的有关投标文件。
(2)专家打分:评标委员会成员按本评标办法的打分标准进行打分。
(分值保留两位小数)。
三、评标分值设置
本办法未尽事宜,由评标委员会依据有关法规研究解决。
1、评分办法:综合评分法。
2、评标分值分配:商务3分,技术67分,价格30分。
3、评分细则:
(2)技术部分:
注:
1、类似项目指:单项合同中至少包含工程建设进度管理、质量安全管理、现场管理功能其中一项内容的国内工程建设管理信息化项目,且合同中涉及上述内容的金额不低于300万元人民币。
2、类似项目不包含投标人提供用以证明满足资格条件中投标人业绩要求的项目。
3、如合同中无法体现“合同主体”、“合同内容”、“合同中涉及上述内容的金额”的情况,开具业主证明等相关证明材料以证明上述内容,否则视为无效。
(3)价格部分:
价格评分的计算方法:
1)评标基准价B的确定:
若合格投标人多于五家(含五家),将各合格投标人的评标价格中去掉一个最高值和一个最低值,其它各家的算术平均值乘以系数A为评标基准价B;
若合格投标人为三~四家,则先计算合格投标人的算术平均值,在该值85%~110%范围内的各合格投标人评标价格算术平均值乘以系数A为评标基准价B;若合格投标人评标价格均不在该值的85%~110%范围,则取所有合格投标人评标价格的算术平均值乘以系数A为评标基准价B。
合格投标人仅为两家(含)时(经评标委员会判定仍具备竞争性时),直接取所有合格投标人评标价格的算术平均值乘以系数A为评标基准价B。
系数A在开标现场由投标人推选一名代表,从98%、98.5%、99%三档中随机抽取一个,作为系数A计算评标基准价。
2)价格分评定原则
合格投标人评标价 = B,得满分。
合格投标人评标价> B,评标价格每高于B的1%,扣1分,扣完为止。
合格投标人评标价< B,评标价格每低于B的1%,扣0.5分,扣完为止。
3)价格合理性扣分,此项为扣分项,最多扣2分。
由评委根据投标报价的合理性、完整性及修正情况综合考虑。
投标报价修正额绝对值累计超过原报价1%(不含1%)的,每增加1%扣0.5分,用内插法计算。
评标委员会按各投标人综合得分从高到低顺序,对投标人进行排名,最终得分相同的,则按评标价由低到高的顺序确定排名先后。
如最终得分、评标价均相同的,则抽签确定排名先后。
最终以正式发出的招标文件书面版为准!。