7、综合安全检查表
- 格式:doc
- 大小:29.50 KB
- 文档页数:4
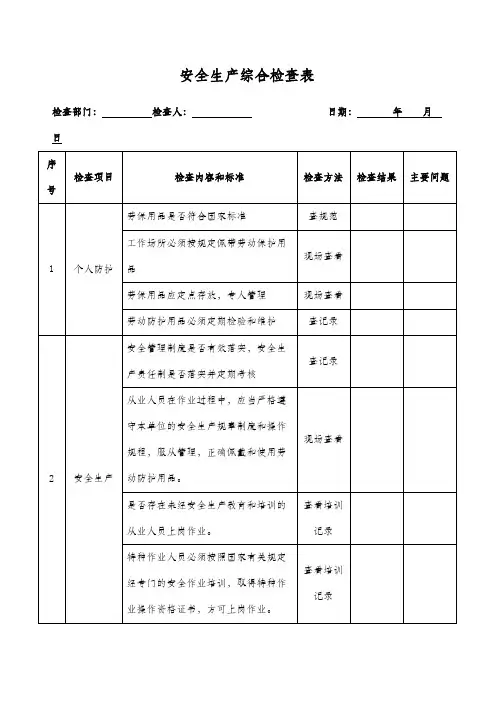
综合安全检查表安全生产综合检查表检查部门。
检查人。
日期:年月日序号。
检查项目。
检查内容和标准。
检查方法。
检查结果。
主要问题1.个人防护。
劳保用品应定点存放,专人管理。
劳动防护用品必须定期检验和维护。
现场查看、查记录。
符合国家标准。
无2.安全生产。
从业人员应遵守安全生产规章制度和操作规程,正确佩戴和使用劳动防护用品。
特种作业人员必须持证上岗。
应设置安全警示标志。
现场查看、查看培训、查记录。
落实情况有效。
未经安全生产教育和培训的从业人员上岗作业3.现场管理。
废旧材料、备件、施工余料及时清理回收,不得随意占道及场地。
各类安全设施定期维护、保养,状况良好、完整。
现场查看、查记录。
符合标准。
无4.消防管理。
落实逐级消防安全责任制和岗位消防安全责任制,明确逐级和岗位消防安全职责,确定各级、各岗位的消防安全责任人。
设施设备应定期维护检查。
查记录、现场检查。
符合标准。
无5.设施设备。
特种设备设施必须定期检验。
设施设备应定期维护检查。
现场查看、查记录。
符合标准。
无本安全生产综合检查表共包括五个检查项目。
在个人防护方面,劳保用品应定点存放,并由专人管理。
劳动防护用品必须定期检验和维护,符合国家标准。
在安全生产方面,从业人员应严格遵守本单位的安全生产规章制度和操作规程,正确佩戴和使用劳动防护用品。
特种作业人员必须按照国家有关规定经专门的安全作业培训,取得特种作业操作资格证书,方可上岗作业。
应当在有较大危险的生产经营场所和有关设施、设备上,设置明显的安全警示标志。
在现场管理方面,废旧材料、备件、施工余料必须及时清理回收,不得随意占道及场地。
各类安全设施应定期维护、保养,状况良好、完整。
在消防管理方面,单位应当落实逐级消防安全责任制和岗位消防安全责任制,明确逐级和岗位消防安全职责,确定各级、各岗位的消防安全责任人。
设施设备应定期维护检查,符合标准。
在设施设备方面,特种设备设施必须定期检验。
设施设备应定期维护检查,符合标准。
综合性安全检查表
综合性安全检查表
检查人员:
检查时间:
限期序存在整改整改复查检查项目具体要求检查情况完成时号隐患措施负责人情况
1.层层落实安全责任制,并认真履行安全管理制度。
要求:确保安全责任制落实到位,安全管理制度得到严格执行。
检查情况:安全责任制得到了层层落实,安全管理制度也得到了认真执行。
2.落实隐患整改制度,及时自检自查自改。
要求:建立完善的隐患整改制度,及时自检自查自改。
检查情况:隐患整改制度得到了落实,自检自查自改也得到了及时执行。
3.认真执行事故管理制度、安全奖惩制度。
要求:建立完善的事故管理制度和安全奖惩制度,认真执行。
检查情况:事故管理制度和安全奖惩制度得到了认真执行。
4.设备、设施管理。
要求:设备、设施应有维修保养记录,机械设备防护罩是否完好,设备周围环境整洁。
检查情况:设备、设施状况良好,有漏电保护器、接地良好。
机械设备防护罩完好,设备周围环境也整洁。
5.现场器材设施。
要求:重点部位明确,有安全措施、警示标志并有专人负责,消防器材责任到人保养完好,消防设施定期检查。
检查情况:现场器材设施符合要求,重点部位明确,有安全措施、警示标志并有专人负责。
消防器材责任到人保养完好,消防设施也定期检查。
6.现场人员应岗位消防器材安全设施和防护用品使知应会
抽查用。
要求:现场人员应熟知岗位的危险因素及防护措施,了解掌握应急救援预案。
检查情况:现场人员熟知岗位的危险因素及防护措施,了解掌握应急救援预案。