钳工职业技能鉴定考核方案
- 格式:doc
- 大小:28.50 KB
- 文档页数:3
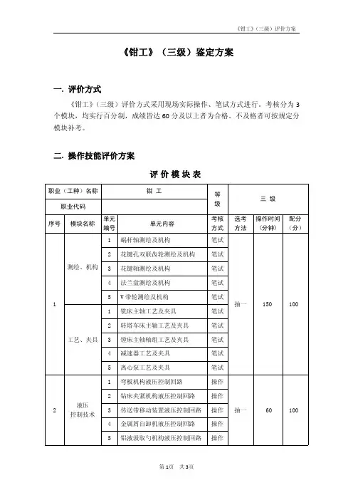
《钳工》(三级)鉴定方案一.评价方式《钳工》(三级)评价方式采用现场实际操作、笔试方式进行。
考核分为3个模块,均实行百分制,成绩皆达60分及以上者为合格。
不及格者可按规定分模块补考。
二.操作技能评价方案评价模块表职业(工种)名称钳工等级三级职业代码序号单元编模块名称号考核方单元内容式选考方法操作时间(分钟)配分(分)蜗杆轴测绘及机测绘、机1构1构笔试抽一150100 2花键孔双联齿轮测绘及机构笔试3花键轴测绘及机构笔试4法兰盘测绘及机构笔试5V带轮测绘及机构笔试铣床主轴工艺及夹工艺、夹具1具笔试转塔车床主轴工艺及夹2具笔试3镗床主轴轴组工艺及夹具笔试4减速器工艺及夹具笔试5离心泵工艺及夹具笔试液压控制技2术1弯板机构液压控制回路操作抽一60100 2钻床夹紧机构液压控制回路操作3传送带移动装置液压控制回路操作4金属屑自卸机液压控制回路操作5铝液汲取勺机构液压控制回路操作6炉门开/关机构液压控制回路操作7液压夹紧虎钳液压控制回路操作8液压吊车液压控制回路操作9车床进给机构液压控制回路操作10刨床工作台运动液压控制回路操作气动控制技术1夹紧机构气动控制回路操作2货物转运站气动控制回路操作3送料机构气动控制回路操作4气动压机气动控制回路操作5组件粘合机构气动控制回路操作6传送带移动装置气动控制回路操作7气动夹紧虎钳气动控制回路操作8钻床夹紧装置气动控制回路操作9精压机气动控制回路操作10弯板机构气动控制回路操作3操作技能1三棱定位组合件操作抽一420100 2圆弧角度组合件操作双联定位组合3件操作4双三角组合件操作5三棱形组合件操作单槽角度组合6件操作合计630300备注三.组卷一体化评价组卷:题库参数项目/单元名称评价方式评价题题库量量配分(分)操作时间(分钟)测绘、机测绘、机构和工艺、夹具构笔试151100150工艺、夹具笔试15液压控制技液压、气动控制技术术操作10110060气动控制技术操作10操作技能钳工基本操作操作61100420合计-563300630。
钳工技能比赛方案一、比赛内容和方式1、比赛工种:钳工初级。
2、比赛形式:采用实作形式。
3、比赛参照初级钳工职业资格技能鉴定标准要求命题。
4、参赛范围:所有进行过钳工实习的焊接、汽修、电气、数控等专业的在校班级。
5、报名:以班级为单位将参赛学生名单于、考试安排:2、赛前统一组织练习:3、3、成绩评定办法(1)竞赛成绩由现场操作规程得分和工件加工质量得分以及工件配合得分组成。
(2)参赛班级团体竞赛成绩以百分制计算。
(3)成绩计分办法:以实际操作竞赛成绩高者为先;如实际操作竞赛成绩相同,以实际操作竞赛时间短者为先。
根据比赛班级选手总成绩,确定比赛名次。
比赛取团体成绩前8名为优胜。
三、比赛规则1、领队、指导教师须知(1)按大赛组委会要求准时参加预备会,并认真传达会议精神。
(2)严格遵守比赛规则,不得私自接触评委。
服从领导,遵守纪律,有意见由领队负责向大赛组委会反映。
2、参赛选手须知(1)选手必须携带大赛规定的有效证件(参赛证、有效身份证或学生证)参加比赛。
(2)每场比赛,参赛选手须提前30分钟检录进入赛场,对号进入比赛岗位。
进入岗位后将有效证件放在工作台右上方,以备检查,迟到30分钟以上不得进入赛场。
(3)按照赛场指令,选手在开赛前对设备、工具、材料等与本场竞赛相关的物品,进行清点检查。
如有问题,应立即向监考老师报告,及时解决。
因个人原因造成的损坏由选手自负。
(4)选手要自觉遵守赛场纪律。
在赛场内必须保持安静,不得大声喧哗、交头接耳。
(5)选手要服从工作人员的管理,接受监考人员的监督和检查。
赛场作弊或违反赛场纪律者,取消其参赛资格,成绩以零分计算。
(6)选手应在规定的地方填写参赛号、工位号等相关信息,不得在其他任何地方做标记,否则按违纪处理。
(7)比赛结束时间一到,选手应立即停止操作,严格按照各项程序提交比赛结果,并经监考教师同意方可离开。
3、抽签办法(1)抽取工位号时,选手要携带学生证、参赛证。
(2)各班领队提前组织好学生进入抽签现场。
钳工考核科目及扣分细则
引言
钳工作为制造业中重要的技术岗位之一,对于钳工的技能水平和操作规范要求较高。
为了保证钳工的工作质量和安全生产,必须对钳工进行考核,并设立相应的扣分细则。
一、考核科目
1. 工具使用
•测量工具使用:钳工应熟练使用尺子、卡规等测量工具进行精确测量。
•加工工具使用:钳工应熟练使用锤子、螺丝刀等加工工具进行零部件的装配和拆卸。
•安全工具使用:钳工应正确使用安全帽、手套等安全装备,保障个人安全。
2. 加工技能
•铣削技能:钳工应熟练掌握铣削加工技能,能够根据要求进行零部件的加工。
•车削技能:钳工应熟练掌握车削加工技能,保证工件的精度和表面光洁度。
3. 设计图纸理解
•图纸识读:钳工应能准确理解设计图纸,包括尺寸、公差等要素。
•工艺路线理解:钳工应了解工艺路线,按照工序要求进行操作。
二、扣分细则
1. 安全操作
•未佩戴安全帽或手套:每次扣5分。
•操作中未遵守安全规定:每次扣3分。
2. 工具使用
•工具使用不当导致工件损坏:每次扣8分。
•未按规定使用测量工具:每次扣5分。
3. 加工技能
•加工精度不达标:每次扣10分。
•技能操作不熟练:每次扣5分。
4. 设计图纸理解
•未能正确识读设计图纸:每次扣8分。
•未能按照工艺路线操作:每次扣5分。
结语
以上为钳工考核科目及扣分细则,钳工在日常工作中应严格按照规定操作,遵守安全规程,提升技能水平,确保工作质量和安全生产。
钳工操作技能考核方案(一)考核范围考核用虎钳台及相应工具加工工件能力,在规定时间内完成规定零件的加工,零件包含所学表面的加工。
(二)考核内容和要求1、考核办法实行限时限任务,时间为3-4小时为宜。
考生抽签决定上钳台操作的时间和台位,每位考生考前抽取考题图样及加工要求。
考生成绩视其所加工工件的质量及文明生产情况进行评分。
2、考前准备考生分15人一组抽取各组上钳台操作时间段,每组开考前抽取加工台位。
各自检查虎钳台情况和工卡量具配备状况5分钟,尔后每人抽取加工图样。
3、考核监考人员发出开考指令方可开始进行加工,其间若有严重违反操作规程,导致危险存在,须立即停止其考试,并取消考试资格。
考核期间考核员对考生文明操作及时工卡量具等使用情况进行打分。
4、结束考试时间到,每位考生上交工件,或者考生提前做好工件并上交,则考试结束,所有工件统一编号作标记,交由考核员盲审评分。
与文明操作分值相加,即为最终考核成绩。
(三)评分标准能在规定时间内完成相应工件加工。
尺寸和表面质量符合图样要求,工件成绩在80分及以上,并且能文明操作,则为优。
若能完成工件加工,尺寸和表面质量基本符合图样要求,成绩在60分及以上,并且基本符合文明操作要求,则为良,工件未完成或者尺寸超差过大,或者有较严重违反操作规程者,为不合格。
(四)考试时间:12月20日和27日上午。
(五)考试地点:钳工车间附:装配钳工操作技能考核试题图样2、不得用油石、砂布等工具对加工表面进行修饰。
毛坯80×55×8mm. 技术要求:1、未注倒角0.5×45º,未注公差IT12。
钳工实操评审方案背景随着现代工业的发展,钳工作为一项重要的手工艺技能,越来越受到行业和市场的关注。
为了保证钳工技能水平的稳步提高,钳工实操评审已经成为了日常培训和职业教育的重要环节。
因此,建立一套钳工实操评审方案显得尤为重要。
目的本评审方案旨在评估职业钳工在钳工实操方面的技术水平。
评审结果既可以用于考核钳工的实操技能等级,也可以作为钳工公司及培训机构对实操技术培训的参考标准。
评审内容基础操作1.钳工基础技能的评价:评估候选人是否熟练掌握基础必备的钳工实操技能,比如精确测量、安全操作钳工设备等方面的技能。
2.钳工工具操作评价:评估候选人是否熟悉学习钳工相关工具的使用方法,并掌握了正确操作方法。
以及评估其是否能够根据工具的特点、形状、大小和材质选择正确的工具操作。
3.钳工零件加工技能评价:评估候选人是否熟悉各种钳工零件的制作方法和在加工过程中要遵循的操作规程。
机械加工C机床操作技能评价:评估候选人是否具备基本的操作和维护CNC机床的能力以及对加工程序的编写与修改。
2.机床操作技能评价:评估候选人是否能够掌握机床的精度调整,刀具的切削参数控制、基本加工工艺和缺陷的维修方法。
3.现场维修技能评价:评估候选人是否能够快速有效地进行设备的检修,并且能做到安全高效。
焊接技能1.焊接安全知识评价:评估候选人是否熟知焊接操作的相关安全知识。
2.焊接操作技能评价:评估候选人是否掌握焊接的基础知识,并且能够进行各种类型、材料的焊接工作。
3.焊接设备维修技能评价:评估候选人能否进行焊接设备的日常维护和故障排除。
评定标准1.提供工作产品完整率2.工作效率3.工作技术难度4.施工安全控制在评定标准上可根据具体情况制定。
结语本文列出了一套完整的钳工实操评审方案,旨在帮助行业评估和推进钳工实操技术的持续提高。
当然,本文仅是一个初步框架和思路,实操评审方案应该结合具体行业和所在区域的要求进行个性化调整。
技能等级考核项目及评分标准(钳工)技能等级考核项目及评分标准(钳工)钳工技能等级考核项目及评分标准一、高级钳工(一)工作技能(40分)1.熟知本岗位和相关岗位的安全操作规程(4分)2.熟知本岗位各种设备的工作原理及操作规程(4分)3.掌握本岗位的设备运行状况和维修特点,能够及时准确地完成本岗位的各种设备维修保养工作及加工制作任务,包括零部件的维修和加工制作。
(8分)4.备品备件的准备要及时准确、经济合理。
(8分)5.对相关岗位的操作技能要达到中级水平,并能够解决工作中出现的疑难问题。
(8分)6.要具备一定的专业理论知识,如:识图、绘制简单的装配图等。
(8分)(二)工作质量(20分)1.检修加工制作的合格率要达到95%以上为合格。
(5分)2.维修程序简洁,工作现场秩序,工器具的摆放整齐,检修后设备运转平稳可靠,外观整洁。
(5分)3.检修工作按计划进行,准备材料及时准确,判断问题清楚,解决问题到位。
(5分)4.检修后的设备要保证一定的使用时间,对经常发现故障的部位要提出整改意见,措施要到位,效果要明显。
(5分)(三)工作效率(只选一项20分)1.在工作中准备工作要及时准确,不能出现重复工作,检修工作有序连贯为合格。
(20分)2.在工作中准备工作及时到位,准备工作不及时影响正常维修,重复工作,尽管最终完成工作,视为基本合格。
(16分)(四)工作经验(20分)1.从事钳工工作8年以上。
(4分)2.全面负责过本单位的设备维修工作。
(4分)3.在判断问题用的时间最短、解决问题效果最佳,特别是能够及时准确地解决设备运行过程中的突发故障。
(12分)二、中级钳工(一)工作技能(40分)1.熟知本岗位和相关岗位的安全操作规程。
(4分)2.熟知本岗位各种设备的工作原理及操作规程。
(4分)3.掌握本岗位的设备运行状况和维修特点,能够及时准确地完成本岗位的各种设备维修保养工作及加工制作任务。
(8分)4.对本岗位的备品备件准备要提出合理化建议,并经济合理。
钳工实操评审方案一、评审目的本文档旨在制定一份评审方案,以评估钳工实操技能的掌握程度和能力,为提高员工的技术水平提供有针对性的培训和指导。
二、评审标准以下是钳工实操评审的标准:1. 安全意识具备足够的安全意识,能够正确使用个人防护装备,保证操作安全。
2. 工具使用熟练掌握和使用钳工所需的各种工具和器材,包括锤、扳手、钳子等。
3. 加工能力具备加工工件的能力,包括切割、钻孔、车削、铣削、磨削等。
4. 配合能力能够顺利配合其他职业工人完成任务,包括机械师、焊工等。
5. 质量控制能够正确地使用测量工具,在不损坏工件的情况下达到精确测量的目的。
三、评审流程以下是钳工实操评审的具体流程:1. 准备阶段(1)明确评审标准(2)确定评审委员会的成员和职责(3)普及评审标准和流程2. 操作阶段评审员根据需求选择相应的操作环节对员工的操作技能进行考察,注意对员工的操作过程中的安全措施和标准规范进行检查。
3. 结果录入评审员根据考察结果对员工进行评定,并将结果在指定的表格中进行记录。
4. 结果审核由评审委员会对评审结果进行审核,确认评审数据的准确性和合理性。
5. 发送通知评审结果无误后,由人力资源部向员工发送考核通知,并提供相关的指导意见和培训计划。
四、方案总结本文档介绍了一份完整的钳工实操评审方案,通过对标准和流程的明确,可以保障评审的科学性和准确性,从而针对员工不同的操作技能和水平进行有针对性的培训和指导。
同时,方案的实施也可以提高员工的技术水平和工作效率,为企业的长期发展提供有力的支撑。
钳工考试实施方案一、考试目的钳工考试是为了评估钳工的技术水平和操作能力,以确保其在实际工作中能够熟练、准确地完成相关工作任务。
通过考试,可以有效提高钳工的专业素质,提升企业的生产效率和产品质量。
二、考试内容1. 理论知识考核:包括但不限于钳工工具的使用、工艺流程、安全操作规范等方面的知识。
2. 技能操作考核:考核钳工的操作技能,包括钳工工具的选用、加工工艺的掌握、精度要求的把握等。
3. 实际操作考核:通过模拟实际工作场景,考核钳工在实际工作中的操作能力和应对突发情况的能力。
三、考试形式1. 理论知识考核采用笔试形式,考生需要在规定时间内完成相关选择题、填空题或简答题。
2. 技能操作考核采用实操形式,考生需要在规定时间内完成相关加工工艺或装配工作。
3. 实际操作考核采用模拟工作场景形式,考生需要在模拟的实际工作环境中完成相关工作任务。
四、考试流程1. 报名:考生需提前报名参加钳工考试,提交相关报名材料并缴纳报名费用。
2. 资格审核:主办单位对报名考生进行资格审核,确认符合条件的考生方可参加考试。
3. 考试安排:主办单位根据报名情况和考试计划,安排考试时间、地点和考试流程。
4. 考试实施:按照考试安排,进行理论知识考核、技能操作考核和实际操作考核。
5. 成绩评定:根据考试成绩和考核情况,评定考生的考试成绩并进行排名。
6. 颁发证书:对合格的考生颁发钳工操作证书,证明其具备相应的钳工技能和能力。
五、考试要求1. 考生需严格遵守考试纪律,不得作弊或利用其他不正当手段获取优势。
2. 考生需熟练掌握钳工相关知识和技能,确保能够独立完成相关工作任务。
3. 考生需具备良好的安全意识和团队合作精神,确保在工作中能够做到安全生产和协作配合。
六、考试效果评估1. 主办单位将对考试过程和考试效果进行评估,及时总结经验,不断完善考试方案和流程。
2. 考生也可对考试过程和考试效果进行反馈,提出意见和建议,帮助主办单位改进考试工作。
2016-2017学年第二学期钳工基础考核方案
一、考核对象
本学期16级城市轨道交通车辆运用与检修的3个班级。
二、考核时间
本学期最后一节理论课。
二、考核目的
检验学生是否具备对钳工的理论学习、实际使用方面内容所掌握的状态。
三、考核内容
1.考核项目:以4人小组为单位,根据班级人数可以分为12-14组。
每
组选择本学期一个章节讲解,其中两人绘制思维导图与制作PPT课件,另外两人讲解,总结该章的重难点;
2.考前准备:提前一周布置思维导图绘制(A3大小纸张)与PPT课件
的准备;
3.考核要求:对指定章节进行讲解,主要考核刮削、研磨、弯曲、矫正、
钳工装配的知识点熟练程度。
四、考核注意事项
1.学生必须严格按照老师指定的章节讲解;
2.讲解后上交思维导图和电子版的PPT;
3.学生不得作与考核内容不相关的操作;
4. 学生必须听从考核老师的安排,对不服从、不听劝导的学生老师可
以终止其操作、取消考试资格,考试成绩按0分处理。
五、成绩评定
总成绩100分=平日成绩40分+考试成绩60分
(一)平日成绩(40分=100分*40%)
平日成绩由出勤、课堂表现、课堂笔记、课题提问四个方面评出;
(二)考试成绩(60分=100分*60%)
操作考试成绩由思维导图、PPT课件展示,讲解展示三个方面评
出。
工具钳工等级考核标准工具钳工等级考核标准工具钳工是现代工业生产中不可或缺的一环,他们主要负责维修、调试和安装各种设备和零部件。
为了评估工具钳工的能力水平和工作表现,制定了一套标准的考核体系。
一、理论知识考核工具钳工需要熟悉相关的机械理论和工艺流程,因此在理论知识考核中应该包括以下内容:1. 机械原理和工作原理:考核钳工是否掌握机械原理和各类机械设备的工作原理,能理解和分析设备故障的原因。
2. 工艺流程和操作规范:考核钳工是否了解相关工艺流程和操作规范,能够按照规范进行操作。
3. 安全生产知识:考核钳工是否了解安全生产常识和安全操作规范,能够采取安全措施并识别和预防潜在的安全风险。
二、技术操作考核钳工的主要工作是使用各种工具和设备进行维修和安装操作,因此技术操作的考核是非常重要的,主要包括以下内容:1. 工具使用:考核钳工是否熟练掌握常用工具的使用方法,如扳手、螺丝刀、千斤顶等,能正确选择并使用相应的工具。
2. 设备维修和安装:考核钳工的设备维修和安装能力,包括设备故障分析和排除、设备调试和检修等方面。
3. 零部件拆装:考核钳工的零部件拆装能力,包括各类机械零部件和装配件的拆装和更换。
4. 焊接技术:考核钳工的焊接技术水平,包括焊接方法、焊接材料选择和焊接接头质量等方面。
三、工作效率考核工具钳工在工作中需要高效率地完成任务,因此工作效率的考核也是必要的,主要包括以下内容:1. 工作计划和组织:考核钳工的工作计划和组织能力,包括合理安排工作时间和优先处理紧急工作的能力。
2. 工作质量:考核钳工的工作质量,包括设备维修和安装的质量和检修记录的准确性等方面。
3. 问题处理能力:考核钳工的问题处理能力和应变能力,包括遇到问题时能否迅速找出解决方法并及时处理。
4. 团队合作和沟通:考核钳工的团队合作和沟通能力,包括与其他同事和上级的协调合作以及有效的沟通和信息传递能力。
以上是工具钳工等级考核标准的简要介绍,钳工在实际工作中还需要根据不同行业和岗位的需求进行相应的补充和调整。
钳工考核项目一、项目背景钳工是制造行业中非常重要的岗位之一,他们负责加工金属零部件,保证产品的精度和质量。
为了提高钳工的技能水平和工作效率,公司拟定了钳工考核项目。
二、项目目的1.确保钳工具备足够的实际操作经验和技能,提高加工准确率。
2.评估钳工的工作效率,发现工作中存在的问题并加以改进。
3.激励钳工,营造竞争氛围,提高整体工作质量。
三、项目内容1. 知识考核•钳工必须熟悉各种钳工工具的使用方法,包括钳子、夹具等。
•钳工需要了解不同金属材料的特性和加工方法。
•钳工应具备基本的安全意识,知晓使用防护装备和应急措施。
2. 技能操作考核•钳工需要展示对各类金属零部件的加工能力,包括切割、磨削、钻孔等操作。
•钳工应具备组装、调试和修理机械设备的能力。
3. 工作效率考核•钳工需要在规定时间内完成特定加工任务,评估其生产效率。
•钳工需要保持工作环境整洁有序,减少生产过程中的浪费。
四、考核标准1. 知识考核•知识考核占总分的20%。
•考试形式为选择题和简答题。
2. 技能操作考核•技能考核占总分的50%。
•要求钳工现场操作演示,评委根据加工结果进行评分。
3. 工作效率考核•工作效率考核占总分的30%。
•根据钳工日常工作表现和任务完成情况评定得分。
五、项目实施计划1.制定考核计划,明确考核时间和地点。
2.组织培训,帮助钳工备考。
3.进行考核,评定成绩。
4.根据成绩,进行奖惩措施和个人发展规划。
六、项目效果评估根据考核结果和实施情况,评估项目的效果,发现问题并改进。
结语钳工考核项目的实施有助于提高钳工的技术水平和工作质量,激励钳工积极进取,为公司的生产效率和产品质量提升贡献力量。
公司钳工技能竞赛方案一、竞赛目的。
咱搞这个钳工技能竞赛啊,就是想让咱公司的钳工师傅们都亮亮本事,互相切磋一下。
一方面呢,看看谁是咱这儿的钳工大神,另一方面也能让大家互相学习,提高整体的钳工技能水平,让咱公司的产品质量杠杠的,在市场上更有竞争力。
二、竞赛主体。
咱公司所有在册的钳工师傅们都能参加,不管你是经验丰富的老师傅,还是刚入行不久的小年轻,只要你有信心,都可以来试试。
三、竞赛内容。
1. 理论知识考核(30%)这个理论知识啊,包括钳工的基本操作规范,像划线、锯削、锉削、钻孔这些操作的原理和注意事项。
还有一些机械制图的知识,毕竟钳工师傅们也得能看懂图纸才能干活不是?另外就是工具的使用和保养知识啦,咱得知道怎么爱护咱的那些宝贝工具。
2. 实际操作考核(70%)零件制作。
给定一个零件的图纸,要求在规定的时间内,用钳工的方法把这个零件做出来。
这个零件呢,会包含一些常见的钳工加工要素,比如各种形状的面、孔、槽啥的。
这就考验师傅们的手艺啦,看谁做出来的零件尺寸精度高、表面光洁度好,就像工艺品似的。
在制作过程中,操作手法也是很重要的一部分。
比如说锉削的时候,姿势要正确,力量要均匀,这样才能又快又好地完成任务。
设备维修模拟。
设置一些常见的钳工设备故障,像台虎钳活动不灵活啦,钻床钻孔的时候跑偏啦。
师傅们得找出问题所在,然后用钳工的技能把设备修好。
这不仅要技术好,还得有快速诊断问题的能力呢。
四、竞赛时间和地点。
1. 时间。
理论知识考核:[具体日期和时间],大概一个小时就够了,毕竟咱钳工师傅们主要还是靠手上功夫,不过理论知识也不能落下。
实际操作考核:[具体日期],从早上[开始时间]开始,一直到下午[结束时间]。
这个时间要充分保证师傅们能把零件做好,把设备故障修好。
2. 地点。
理论知识考核就在公司的会议室,宽敞又明亮,大家可以舒舒服服地答题。
实际操作考核在钳工车间,那里工具齐全,场地也宽敞,方便师傅们施展拳脚。
五、竞赛评分标准。
钳工技训计划与技能考核标准一、基本知识要求1、各种量具的结构,使用及维护方法。
2、公差配合,形位公差和表面粗糙度的有关知识。
3、机械传动与液压传动的相关知识。
4、金属切削和刀具夹具的一般知识。
5、金属材料与热处理的一般知识。
6、常用专业数学的计算方法。
二、专业知识要求1、常用设备工具的使用及维护方法。
2、划线工具的的使用及平面划线的方法。
3、錾子的热处理,刃磨及錾削方法。
4、锉刀的规格型号及各种面的锉削方法。
5、锯条的安装,各种材料的锯削方法。
6、钻头的刃磨,钻孔,锪孔和铰孔的方法。
7、丝锥扳牙的选用及攻套螺纹的方法。
8、刮刀的刃磨与热处理及常用刮削方法。
9、立体划线的工具使用及立体划线方法。
10、各种标准件的结构特点及装卸方法。
三、技本操作技能训练1、能正确使用平面划线工具进行平面图形的划线。
2、能正确使用錾子和锤子进行平面及沟槽的錾削。
3、能正确选用锉刀对100mmX30mm的平面进行锉削,尺寸公差0.04mm,表面粗糙度Ra3.2um。
4、能正确确使用锯弓锯割直径40mm钢棒,尺寸公差0.8mm, 锯割10mm厚,间隔10mm的平行锯缝,尺寸公差0.4mm。
5、会刃磨麻花钻,能钻,铰直径20mm以下的孔,位置度公差0.2mm, 表面粗糙度Ra1.6um。
能正确攻套M18以下螺纹符合技术要求。
6、能正确使用刮刀刮削350mmX250mm平板,精度1级。
7、能对较复杂的箱体进行立体划线。
8、能正确装配卧式车床的尾座和溜板箱。
符合技术要求。
能进行卷扬机或电动葫芦等简单机械的总装。
四、安全及其他1、要求正确执行安全技术操作规程。
2、能按企业有关文明生产规定做到安全文明生产。
《钳工技术》过程(实训)考核方案一、考核原则及范围机制专业学生学习钳工技术课程时,一个最重要的环节就是自己动手实际操作训练。
只有通过实训环节,自己动手加工,才能真正掌握数控加工的技术。
把课堂教学与实训有机的结合起来,既培养了学生的实际动手能力,乂巩固了所学的专业课程知识。
《钳工技术》是机械制造与自动化专业一门综合性和实践性都很强的实训课。
其内容包括划线、锯割、锂削、鑒削、钻孔、翅孔、狡孔、攻丝和套扣的操作方法、特点和应用;以及所用工具、量具的结构和使用方法;了解装配的概念。
通过实训,使学生较熟练地掌握钳工基本操作技能,如:划线、测量、锂削、锯削、鑒削、钻孔、總孔、较孔等。
掌握常用工、夹、量具、主要设备的使用、调整和维护保养方法。
了解用字头作标记、刮削、装配调试等相关知识。
培养学生具有一定的加工制造简单零部件能力,对生产实习中出现的质量间题,能正确分析产生的原因,提出改进措施,从而为专业课的学习打下良好的基础教学过程采用任务驱动、做中学、学中做的教学方式,通过对常用T型块、正六边形、圆弧加工的讲解和练习,培养学生实际操作技能。
二、具体方案为了更加全面考核学生对于《钳工技术》课程相关知识与技能的掌握惜况,将课程教学评价学期成绩山平时成绩+过程性考核+期末考试成绩综合评定;平时成绩包括学生学习态度(学生旷课、学生迟到、早退、过多病假和事假、课堂行为屡教不改,甚至顶撞老师、课后提问等)、学生作业等。
课堂表现评价占20%, 过程性考核和期末考试主要指技能测试,过程性考核为实训过程中的表现和任务完成情况占40%,期末考试为实操考核占40% (含一份报告)。
具体评价方式见表lo单人单组,实操考核根据完成情况打分。
三、过程考核项目通过教学和实践在学习过程中“学中做,做中学”主要完成以下零件的加工:1、T加工方法(附图1)(1)下料(2)划线(3)工艺路线(直角保持、粗精加工方法)(4)质量检查2.正六边形加工(1)下料(2)划线(3)如何利用圆内接多边形找到六个点(非直角保持、粗精加工方法)(4)质量检查3.圆弧加工(附图2)(1)下料(2)划线(3)内外圆弧加工方法与斜角过度(4)质量检查四、期末考核项目4.1设计一个工件加工(1)下料(2)划线(3)加工(4)质量检查要求:内外圆弧交工,直角加工,120度角度加工等,设计美观,过渡合理。
钳工考核标准表格模板
一、技能考核项目
考核项目指标要求评分标准
心理素质心理稳定,遇到问题能冷静处理5分
安全操作遵守操作规程,使用个人防护装备10分
测量定位精确测量,准确定位15分
钳工操作熟练操作各种钳工工具,工艺精细20分
质量控制熟悉质量要求,保证加工精度20分
故障排除能迅速排除操作中出现的问题15分
团队协作良好团队协作精神,积极与他人合作15分
二、考核流程
1.呈现考核项目清单,对考生进行介绍;
2.验证考生心理素质和安全操作意识;
3.进行测量定位和钳工操作考核;
4.考核质量控制和故障排除能力;
5.结合团队协作进行综合考核;
6.结束考核,根据评分标准进行评分和汇总。
三、考核标准说明
•考核标准设定合理,评分细则清晰可操作;
•评分标准严格,对照考核项目逐项打分;
•评分人员需专业且公正,确保评分公正性和客观性;
•考核过程中可根据实际情况适当调整考核流程。
四、总结
通过制定钳工考核标准表格模板,能够明确钳工技能要求和评分标准,规范考核流程,提高评估的准确性和公正性。
定期进行钳工技能考核,有助于发现和解决员工存在的技能短板,促进员工技能提升和企业生产效率的提高。