河北省建筑材料检测试验收费标准
- 格式:doc
- 大小:902.50 KB
- 文档页数:56
河北省工程质量、材料检验收费标准省建设厅:冀建建[2002]106号省物价局:冀价经费[2002]第6号省物价局关于调整工程质量、材料检验收费标准的通知冀价经费字[2002]6号省建设厅:你厅《关于调整工程质量、材料检验收费标准的报告》收悉。
结合我省实际和工作需要,经研究,现批复如下:一、凡经省质量技术监督局认定具有建筑工程质量检测和建材产品质量检测职能的质量检验机构,可以接受委托对建筑工程质量检测和建材产品质量进行检测,并按附表所列的177项收费标准向委托单位收取检测费。
二、各级建筑工程质量检测单位要严格按照新调整后的收费标准进行收费,不得擅自扩大收费范围,提高或降低收费标准。
三、各收费单位应及时到物价部门变更《收费许可证》,亮证收费。
四、新调整后的收费标准从2002年4月1日起执行。
今后国家下达新的标准,按国家规定的标准执行。
附件:河北省工程质量、材料检验收费标准19类、177项。
河北省工程质量、材料检验收费标准材料(试件)试验通则1、本标准所列建筑材料试验、新产品鉴定检验及产品型式检验取费,系由委托方按相应国家规范、规程、标准的检验批量和检验取样办法,取样送到实验室进行试验的取费标准。
实验室接样员经核验委托内容与试样数量、质量后接受委托。
施工现场材料检验应按有关要求实行见证取样。
委托方可委托实验室去现场取样,需附加抽样费,其试验结果对该批进场材料质量负责。
2、实验室接受委托后根据其试验能力、工作量以及是否汇集批检的有关规定向委托方交待完成日期并按期完成试验任务。
执行双、三班倒的试验以及正常试验连续夜班的项目都不属于加班,不得核收加班费。
确属委托加急的试验应安排在确保完成正常工作量之后,且不得超出检测能力25%的工作量,并按该项试验费的200%核收加急费(总额为三倍试验费),并在收据上注明试验基价。
3、材料试验结果有可能为“无效”,实验室应及时通知委托方补送试样。
因试验失误造成补做的试验工作量,不得核收任何费用,并应及时检查原因予以纠正,连续二次的无效试验,应退还首次试验费的30%,请委托方转送其它检验机构,并出具“试验无效”的报告一式三份。
河北省工程质量材料检验收费标准省物价局关于调整工程质量、材料检验收费标准的通知冀价经费字[2002]6号省建设厅:你厅《关于调整工程质量、材料检验收费标准的报告》收悉。
结合我省实际和工作需要,经研究,现批复如下:一、凡经省质量技术监督局认定具有建筑工程质量检测和建材产品质量检测职能的质量检验机构,可以接受委托对建筑工程质量检测和建材产品质量进行检测,并按附表所列的177项收费标准向委托单位收取检测费。
二、各级建筑工程质量检测单位要严格按照新调整后的收费标准进行收费,不得擅自扩大收费范围,提高或降低收费标准。
三、各收费单位应及时到物价部门变更《收费许可证》,亮证收费。
四、新调整后的收费标准从2002年4月1日起执行。
今后国家下达新的标准,按国家规定的标准执行。
附件:河北省工程质量、材料检验收费标准19类、177项。
河北省工程质量、材料检验收费标准材料(试件)试验通则1、本标准所列建筑材料试验、新产品鉴定检验及产品型式检验取费,系由委托方按相应国家规范、规程、标准的检验批量和检验取样办法,取样送到实验室进行试验的取费标准。
实验室接样员经核验委托内容与试样数量、质量后接受委托。
施工现场材料检验应按有关要求实行见证取样。
委托方可委托实验室去现场取样,需附加抽样费,其试验结果对该批进场材料质量负责。
2、实验室接受委托后根据其试验能力、工作量以及是否汇集批检的有关规定向委托方交待完成日期并按期完成试验任务。
执行双、三班倒的试验以及正常试验连续夜班的项目都不属于加班,不得核收加班费。
确属委托加急的试验应安排在确保完成正常工作量之后,且不得超出检测能力25%的工作量,并按该项试验费的200%核收加急费(总额为三倍试验费),并在收据上注明试验基价。
3、材料试验结果有可能为“无效”,实验室应及时通知委托方补送试样。
因试验失误造成补做的试验工作量,不得核收任何费用,并应及时检查原因予以纠正,连续二次的无效试验,应退还首次试验费的30%,请委托方转送其它检验机构,并出具“试验无效”的报告一式三份。
河北省工程质量、材料检验收费标准省建设厅:冀建建[2002]106号省物价局:冀价经费[2002]第6号省物价局关于调整工程质量、材料检验收费标准的通知冀价经费字[2002]6号省建设厅:你厅《关于调整工程质量、材料检验收费标准的报告》收悉。
结合我省实际和工作需要,经研究,现批复如下:一、凡经省质量技术监督局认定具有建筑工程质量检测和建材产品质量检测职能的质量检验机构,可以接受委托对建筑工程质量检测和建材产品质量进行检测,并按附表所列的177项收费标准向委托单位收取检测费。
二、各级建筑工程质量检测单位要严格按照新调整后的收费标准进行收费,不得擅自扩大收费范围,提高或降低收费标准。
三、各收费单位应及时到物价部门变更《收费许可证》,亮证收费。
四、新调整后的收费标准从2002年4月1日起执行。
今后国家下达新的标准,按国家规定的标准执行。
附件:河北省工程质量、材料检验收费标准19类、177项。
河北省工程质量、材料检验收费标准材料(试件)试验通则1、本标准所列建筑材料试验、新产品鉴定检验及产品型式检验取费,系由委托方按相应国家规范、规程、标准的检验批量和检验取样办法,取样送到实验室进行试验的取费标准。
实验室接样员经核验委托内容与试样数量、质量后接受委托。
施工现场材料检验应按有关要求实行见证取样。
委托方可委托实验室去现场取样,需附加抽样费,其试验结果对该批进场材料质量负责。
2、实验室接受委托后根据其试验能力、工作量以及是否汇集批检的有关规定向委托方交待完成日期并按期完成试验任务。
执行双、三班倒的试验以及正常试验连续夜班的项目都不属于加班,不得核收加班费。
确属委托加急的试验应安排在确保完成正常工作量之后,且不得超出检测能力25%的工作量,并按该项试验费的200%核收加急费(总额为三倍试验费),并在收据上注明试验基价。
3、材料试验结果有可能为“无效”,实验室应及时通知委托方补送试样。
因试验失误造成补做的试验工作量,不得核收任何费用,并应及时检查原因予以纠正,连续二次的无效试验,应退还首次试验费的30%,请委托方转送其它检验机构,并出具“试验无效”的报告一式三份。
工程质量检测和建筑材料试验收费标准一、建筑工程质量检测收费项目及标准表(建筑材料及半成品)建筑材料是建筑工程中必不可少的组成部分,为了确保建筑质量,需要进行严格的检测。
下面是建筑工程质量检测收费项目及标准表,包括建筑材料和半成品的检测项目、参数、收费标准和完成期限。
二、建筑材料检测项目1.水泥水泥是建筑材料中使用最广泛的一种。
常规检测项目包括用水量、凝结时间、安定性、强度、细度/比表面积、流动度、烧失量/硫酸盐-三氧化硫。
每个样品为20kg水泥试样,必须在同一次进场、同一编号的20包以上等量采集,每处采集约1kg,总量不少于20kg。
2.建筑用砂建筑用砂是建筑材料中的重要组成部分。
常规检测项目包括表观密度、堆积密度、紧密密度、含泥量、颗粒级配、泥块含量、氯离子、碱活性。
每组样品为15kg。
3.建筑用石建筑用石是建筑材料中的重要组成部分。
常规检测项目包括针片状、泥块含量、碱活性、公称粒径。
每组样品为8kg、24kg、40kg、80kg。
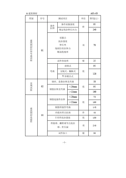
4.钢材钢材是建筑材料中应用最广泛的一种。
常规检测项目包括焊接、力学性能、化学性能。
每组样品为600mm、400mm、300mm各2根或3根。
以上是建筑材料的常规检测项目,每个项目都有相应的收费标准和完成期限。
建筑工程质量检测是确保工程质量的重要手段,建筑材料的检测也是其中不可或缺的一部分。
组,每组取样数量为3kg,混合均匀后作为检测样品。
二、取样方法1、需水量比、含水量、细度、三氧化硫、烧失量的取样方法为:每组取3个点样,每个点样重量为1kg,混合均匀后作为检测样品。
2、安定性、均匀性、活性指数的取样方法为:每组取3个点样,每个点样重量为500g,混合均匀后作为检测样品。
收费标准单位:元/组完成期限工作日)常规项目:400可选项目:100071900二、建筑工程质量检测收费项目及标准表(混凝土)检测项目检测项目参数(元)类别常规:抗压强度、减水率、坍落度、含气量、泌水率、收缩率、氯离子含量、硫酸盐含量、碱度、含水率可选:早强、缓凝、渗透性、碱活性、氯离子渗透性取样送检数量一、取样方法1、混凝土的取样方法为:每组取3个点样,每个点样重量为5kg,混合均匀后作为检测样品。
河北省工程质量、材料检验收费标准省建设厅:冀建建[2002]106号省物价局:冀价经费[2002]第6号省物价局关于调整工程质量、材料检验收费标准的通知冀价经费字[2002]6号省建设厅:你厅《关于调整工程质量、材料检验收费标准的报告》收悉。
结合我省实际和工作需要,经研究,现批复如下:一、凡经省质量技术监督局认定具有建筑工程质量检测和建材产品质量检测职能的质量检验机构,可以接受委托对建筑工程质量检测和建材产品质量进行检测,并按附表所列的177项收费标准向委托单位收取检测费。
二、各级建筑工程质量检测单位要严格按照新调整后的收费标准进行收费,不得擅自扩大收费范围,提高或降低收费标准。
三、各收费单位应及时到物价部门变更《收费许可证》,亮证收费。
四、新调整后的收费标准从2002年4月1日起执行。
今后国家下达新的标准,按国家规定的标准执行。
附件:河北省工程质量、材料检验收费标准19类、177项。
河北省工程质量、材料检验收费标准材料(试件)试验通则1、本标准所列建筑材料试验、新产品鉴定检验及产品型式检验取费,系由委托方按相应国家规范、规程、标准的检验批量和检验取样办法,取样送到实验室进行试验的取费标准。
实验室接样员经核验委托内容与试样数量、质量后接受委托。
施工现场材料检验应按有关要求实行见证取样。
委托方可委托实验室去现场取样,需附加抽样费,其试验结果对该批进场材料质量负责。
2、实验室接受委托后根据其试验能力、工作量以及是否汇集批检的有关规定向委托方交待完成日期并按期完成试验任务。
执行双、三班倒的试验以及正常试验连续夜班的项目都不属于加班,不得核收加班费。
确属委托加急的试验应安排在确保完成正常工作量之后,且不得超出检测能力25%的工作量,并按该项试验费的200%核收加急费(总额为三倍试验费),并在收据上注明试验基价。
3、材料试验结果有可能为“无效”,实验室应及时通知委托方补送试样。
因试验失误造成补做的试验工作量,不得核收任何费用,并应及时检查原因予以纠正,连续二次的无效试验,应退还首次试验费的30%,请委托方转送其它检验机构,并出具“试验无效”的报告一式三份。
建筑材料检测收费标准建筑材料检测收费标准1. 引言建筑材料检测是确保建筑材料质量和安全性的重要环节,制定科学合理的检测收费标准是保障建筑工程质量和合理收费的基础。
本文档旨在详细介绍建筑材料检测收费标准,对各项检测项目进行细化说明,确保收费流程透明、合理。
2. 技术服务收费标准2.1 材料检测项目2.1.1 混凝土材料检测2.1.1.1 混凝土强度检测- 标准试块制备费用:XX元/块- 试块取样费用:XX元/次- 试块强度检测费用:XX元/次2.1.1.2 混凝土成分检测- 水泥检测费用:XX元/次- 骨料检测费用:XX元/次- 控制性添加剂检测费用:XX元/次2.1.2 建筑钢材检测2.1.2.1 钢筋拉力检测- 钢筋试样切割费用:XX元/根- 钢筋拉力检测费用:XX元/次2.1.2.2 钢筋化学成分检测- 钢筋取样费用:XX元/次- 钢筋化学成分检测费用:XX元/次2.1.3 砂石料检测- 砂石料采样费用:XX元/车次- 砂石料筛分检测费用:XX元/车次- 砂石料含水率检测费用:XX元/车次2.2 技术服务费补充说明2.2.1 技术咨询费用- 技术咨询费用:XX元/小时2.2.2 报告编制费用- 报告编制费用:XX元/份3. 收费流程3.1 申请材料检测服务3.2 缴纳技术服务费用3.3 进行材料检测3.4 检测报告3.5 验收并结算费用4. 附则4.1 收费标准的调整在特殊情况下,根据市场行情和技术发展,可以对收费标准进行调整。
调整方案需经有关主管部门审批同意后执行。
4.2 其他计费项目除了上述的收费项目外,还可能涉及某些特殊检测或服务项目,费用由双方协商确定。
附件:- 附件1:混凝土强度试块制备要求- 附件2:混凝土成分检测标准- 附件3:建筑钢筋拉力试验方法- 附件4:砂石料采样方法法律名词及注释:1. 建筑法:指中华人民共和国建筑法,对建筑材料的质量和安全性提出了明确规定。
2. 建筑材料检测机构:指依法具备进行建筑材料检测资质的机构,应具备相应的实验室设备、资质证书等条件。
建筑材料试验收费标准建筑材料试验收费标准。
建筑材料试验是建筑工程中非常重要的一环,它对于保障建筑工程的质量和安全起着至关重要的作用。
为了规范建筑材料试验收费,提高试验机构的服务质量,制定了建筑材料试验收费标准,以便于各方能够清楚地了解试验收费的相关规定和标准。
一、试验收费项目。
1. 建筑材料的抗压强度试验。
2. 建筑材料的抗拉强度试验。
3. 建筑材料的抗冻性试验。
4. 建筑材料的吸水率试验。
5. 建筑材料的耐久性试验。
6. 建筑材料的燃烧性能试验。
7. 建筑材料的导热系数试验。
8. 建筑材料的弹性模量试验。
9. 建筑材料的断裂韧性试验。
10. 建筑材料的膨胀系数试验。
二、试验收费标准。
1. 按照试验项目的不同性质和难易程度进行分类收费,具体收费标准如下:一般试验项目,每项收费500元人民币。
中等试验项目,每项收费800元人民币。
复杂试验项目,每项收费1000元人民币。
特殊试验项目,按照具体情况商定收费标准。
2. 对于大型建筑工程项目,试验机构可以根据实际情况进行适当的优惠和折扣,以保证合作双方的利益。
三、试验收费标准执行。
1. 试验机构应当在试验前向委托方明确告知试验收费标准,并在试验报告中明确列出试验收费明细,确保费用透明公开。
2. 试验机构应当建立健全的收费管理制度,对试验收费进行严格的监督和管理,确保试验收费的合理性和公正性。
3. 建筑材料试验收费标准应当定期进行审查和调整,以适应市场需求和行业发展的变化。
四、试验收费标准的意义。
建筑材料试验收费标准的制定和执行,有利于规范试验市场秩序,提高试验机构的服务质量和水平。
同时,也有利于保障建筑工程质量和安全,促进建筑材料行业的健康发展。
五、结语。
建筑材料试验收费标准的制定和执行,对于建筑工程行业具有重要的意义。
希望各试验机构能够严格执行试验收费标准,保证试验收费的合理性和公正性,为建筑工程的质量和安全保驾护航。
同时,也希望相关部门和行业协会能够加强对试验收费标准的监督和管理,共同推动建筑材料试验工作的规范化和专业化发展。
建筑材料检测收费标准建筑材料检测是保障建筑工程质量和安全的重要环节,其收费标准直接关系到建筑工程的质量和成本。
为了规范建筑材料检测收费,保障建筑工程的质量和安全,制定了以下建筑材料检测收费标准。
1. 建筑材料检测收费标准的制定依据。
建筑材料检测收费标准的制定依据主要包括国家相关法律法规、建筑材料检测行业标准、市场价格水平以及检测机构的实际成本等因素。
其中,国家相关法律法规和行业标准是建筑材料检测收费标准的基础,市场价格水平和检测机构的实际成本则是建筑材料检测收费标准的重要参考。
2. 建筑材料检测收费标准的内容。
建筑材料检测收费标准主要包括检测项目、收费标准、收费方式等内容。
其中,检测项目是建筑材料检测收费标准的核心内容,不同的检测项目对应着不同的收费标准,而收费方式则是建筑材料检测收费的具体方式和程序。
3. 建筑材料检测收费标准的执行。
建筑材料检测收费标准的执行需要建立健全的监督管理机制,保障建筑材料检测收费的公平合理。
同时,建筑材料检测收费标准的执行还需要建立完善的投诉处理机制,及时解决建筑材料检测收费方面的问题。
4. 建筑材料检测收费标准的调整。
建筑材料检测收费标准需要根据市场价格水平、检测机构的实际成本以及国家相关法律法规的变化进行适时调整。
建筑材料检测收费标准的调整应当充分考虑建筑材料检测行业的特点和市场需求,保障建筑材料检测收费的合理性和稳定性。
5. 建筑材料检测收费标准的意义。
建筑材料检测收费标准的制定和执行对于保障建筑工程质量和安全、促进建筑材料检测行业健康发展具有重要意义。
合理的建筑材料检测收费标准能够激励检测机构提高服务质量,推动技术创新,提升行业整体水平。
综上所述,建筑材料检测收费标准的制定和执行是建筑材料检测行业发展的重要保障,也是保障建筑工程质量和安全的重要举措。
建筑材料检测收费标准的合理性和公平性直接关系到建筑工程的质量和成本,应当得到相关部门和社会各界的高度重视和支持。