特种设备安全生产主体责任自查表
- 格式:doc
- 大小:75.50 KB
- 文档页数:4
特种设备安全生产主体责任清单根据《中华人民共和国安全生产法》、《中华人民共和国特种设备安全法》、《特种设备安全监察条例》、《山东省特种设备安全条例》《特种设备使用管理规则》等法律、法规及规范规定,承担安全生产主体责任:一、严格执行《中华人民共和国特种设备安全法》和其他有关国家安全生产法律、法规、规章、规程、标准和技术规范,加强特种设备安全和节能管理,落实特种设备安全生产主体责任,提高特种设备安全生产管理水平并建立长效机制。
二、建立健全特种设备安全、节能管理制度和岗位安全、节能责任制度,以及操作规程。
逐级逐项分清安全生产责任,明确各岗位的责任人员、责任范围和考核标准,自觉对安全生产责任制落实情况进行检查、考核、督办,确保安全生产责任落细落实。
三、按规定设置特种设备安全管理机构,配备专职(或兼职)特种设备安全管理人员,落实安全管理资金,规范安全管理物资,做到特种设备安全所需资金、人员、物资、技术投入到位。
定期研究、改进特种设备安全管理事项,分析安全生产形势,解决安全生产难题。
四、不断改善安全生产条件,配齐安全管理人员,安全生产管理人员和特种设备作业人员应参加相应的安全教育培训并取得资格证书,持证上岗,同时确保安全管理人员和作业人员证件在有效期内,对特种设备作业人员作业情况进行检查,及时纠正违章作业行为。
五、建立隐患排查治理常态机制,按照《山东省特种设备风险分级管控和隐患排查治理体系建设评估指导细则(试行)》的要求,开展风险分级管控和隐患排查治理工作,做到安全隐患自查、自改、自报,在特种设备出现故障或者发生异常时,要进行全面检查,消除事故隐患,实现隐患排查治理和闭环管理。
编制涵盖特种设备的风险分级管控清单,标识完善风险点、重大危险源,管控责任单位、责任人员等信息并及时更新。
六、建立特种设备安全技术档案。
包括特种设备台账、安全附件台账、特种设备作业人员台账、隐患排查治理台账、定期自行检查记录和定期检验报告、日常使用状况记录、特种设备及其附属仪器仪表维护保养记录、安全教育培训记录、应急救援演练记录;特种设备安全附件和安全保护装置校验、检修、更换记录和有关报告;特种设备运行故障和事故记录及事故处理报告;特种设备使用登记证、使用登记表,设计文件、产品质量合格证明、安装及使用维护保养说明、监督检验证书等技术资料和文件;特种设备安装、改造和修理的方案、图样、材料质量证明书和施工质量证明文件、安装改造修理监督检验报告、验收报告等技术资料,做到基数清楚、档案齐全。
最新特种设备安全自查记录清单表(检查内容、重点、标准)目录一、企业主体责任落实情况表......................................................................................... - 3 -二、电梯安全自查记录表................................................................................................. - 4 -三、客运索道安全自查记录表......................................................................................... - 5 -四、大型游乐设施安全自查记录表................................................................................. - 6 -五、起重机械安全自查记录表......................................................................................... - 7 -六、场(厂)内专用机动车辆检查记录表..................................................................... - 8 -七、锅炉安全自查记录表................................................................................................. - 9 -八、压力容器(涉氨)安全自查记录表....................................................................... - 10 -九、压力容器(燃气场站)安全自查记录表................................................................ - 11 -十、压力容器(气瓶)安全自查记录表....................................................................... - 12 - 十一、压力容器(中央空调)安全自查记录表........................................................... - 13 - 十二、压力管道安全自查记录表................................................................................... - 14 -一、企业主体责任落实情况表二、电梯安全自查记录表三、客运索道安全自查记录表四、大型游乐设施安全自查记录表五、起重机械安全自查记录表六、场(厂)内专用机动车辆检查记录表七、锅炉安全自查记录表八、压力容器(涉氨)安全自查记录表九、压力容器(燃气场站)安全自查记录表十、压力容器(气瓶)安全自查记录表十一、压力容器(中央空调)安全自查记录表十二、压力管道安全自查记录表。
督导检查特种设备企业重点事项清单
填报人:审核人:
特种设备使用单位自查记录表
填表人:企业负责人:自查时间:年月日
锅炉使用情况自查记录表锅炉使用单位名称(盖章):
压力容器使用情况自查记录表
填表人:企业负责人:自查时间:年月日
压力管道使用情况自查记录表
压力管道使用单位名称(盖章):
填表人:企业负责人:自查时间:年月日
气瓶充装单位气瓶充装情况自查记录表
电梯使用情况自查记录表
电梯使用单位名称(盖章):
填表人:企业负责人:自查时间:年月日
起重机机械使用情况自查记录表
填表人:企业负责人:自查时间:年月日
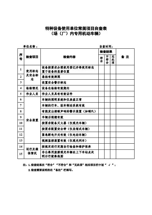
场(厂)内专用机动车辆使用情况自查记录表
填表人:企业负责人:自查时间:年月日。
特种设备安全隐患排查自查报告关于特种设备安全隐患排查自查报告范文(通用9篇)关于特种设备安全隐患排查自查报告范文(通用9篇)为整体提升自助设备安全防护能力,根据《关于开展全省农村信用社自助设备专项安全检查的通知》要求,结合xx联社实际情况,根据xx联社自助设备安全防范制度,开展了自助设备专项安全自查工作,现将有关情况汇报如下:一、基本情况。
截止目前,xx联社安装自助设备共计7台,其中,穿墙式在行ATM自助取款机4台,穿墙式在行存取款一体机2台,大堂式在行自助取款机1台。
二、自查工作情况。
(一)《ATM日常巡查登记簿》填写规范,做到一日三查,《xx省农村信用社自助设备现金差错登记簿》正确填写,《xx省农村信用社自助设备日常运行、维护登记簿》填写出现个别柜员漏盖私章,已及时现场整改。
(二)全辖自助设备均安装了24小时视频监控装置,对交易时的客户正面图像、进/出钞期间的图像、现金装填过程进行录像,回放图像清晰,无客户密码及保险柜密码操作图像,图像信息包括日期时间。
(三)设备管理人员变更按规定更换密码并记录,定期更换密码,备份密码按要求保管。
(四)钥匙使用完毕后,按要求入库保管;备用钥匙要求封存、保管;交接按要求进行记录。
(五)现金申领经会计主管确认后按现金领取流程操作、设备打印的加钞凭证及运行前测试凭证均由专人保管。
(六)加钞过程按要求做到全程监控,双人加钞,录像记录清晰,外置监控数据至少保存1个月,内置监控数据保存时间至少3个月。
(七)外来人员进出按要求进行了登记簿、运行日志备注栏注明维修情况;维修设备时,有我行员工全程陪同。
(十)按会计要求妥善保管流水日志纸。
(十一)机具清洁、周边无可疑装置和张贴物。
按要求安装客户操作提示、安全用卡提示,做到规范整洁。
(十二)加钞时做到停机加钞、双人操作,密码钥匙分管;离行式设备采用换箱法加钞;现金清分做到在封闭环境中进行;按要求将废钞箱、回收箱、存款箱、取款箱内现金进行分别清点,加钞完毕后做取款测试。
企业落实安全生产主体责任情况检查表企业名称:员工总人数:企业类型:企业地址:主要负责人:联系电话:序号规定检查内容检查情况有无1 依法建立健全安全生产管理机构矿山、金属冶炼、建筑施工、道路运输单位和危险物品的生产、经营、储存单位,应当设置安全生产管理机构。
前款规定以外的其他生产经营单位,从业人员超过一百人的,应当设置安全生产管理机构;(看文件)2 明确安全生产管理人员从业人员超过一百人的,应当配备专职安全生产管理人员;从业人员在一百人以下的,应当配备专职或者兼职的安全生产管理人员。
(看任命文件)3 建立健全安全生产责任制和各项管理制度建立安全生产责任制、岗位考核制度落实。
(看管理文件及考核记录)建立安全生产规章制度和操作规程。
(看管理文件)建立安全生产教育制度、制定培训计划并实施培训。
(看文件资料)建立隐患排查及整改制度、隐患排查记录。
(看相应文件资料)4 如实告知从业人员作业场所和工作岗位存在的危险、危害因素、防范措施和事故应急措施,教育职工自觉承担安全生产义务生产经营单位是否在有较大危险因素的生产经营场所和有关设施、设备上,设置明显的安全警示标志。
(看资料、看现场)生产经营单位是否督促从业人员严格执行本单位的安全生产规章制度和安全操作规程;并向从业人员如实告知作业场所和工作岗位存在的危险因素、防范措施以及事故应急措施。
(看作业现场检查记录)5 依法制定生产安全事故应急救援预案,落实操作岗位应急措施生产经营单位是否制定本单位生产安全事故应急救援预案,与所在地县级以上地方人民政府组织制定的生产安全事故应急救援预案相衔接,并定期组织演练。
(看资料及演练记录)6 及时发现、治理和消除本单位安全事故隐患产经营单位是否建立健全生产安全事故隐患排查治理制度,采取技术、管理措施,及时发现并消除事故隐患。
事故隐患排查治理情况应当如实记录,并向从业人员通报.(看隐患排查及整改记录等资料)生产经营单位的安全生产管理人员是否根据本单位的生产经营特点,对安全生产状况进行经常性检查;对检查中发现的安全问题,应当立即处理;不能处理的,应当及时报告本单位有关负责人,有关负责人应当及时处理。
安全生产:企业特种设备主体责任清单一、前言为了加强企业特种设备的安全管理,明确企业特种设备主体责任,根据《中华人民共和国安全生产法》、《特种设备安全法》等相关法律法规,制定本清单。
二、企业特种设备主体责任清单1. 设备采购与验收- 按照法律法规和国家标准,选择合法生产厂家和合格产品。
- 对设备进行验收,确保设备符合安全技术要求。
2. 设备安装与改造- 按照设计和安全技术要求进行设备安装。
- 不得擅自改造特种设备,如需改造,应取得相关部门许可。
3. 设备使用与维护- 建立健全设备使用管理制度,明确操作规程和责任人。
- 定期对设备进行维护、保养,确保设备安全运行。
- 定期对操作人员进行安全教育和技能培训。
4. 设备检查与检验- 按照法律法规要求,定期对设备进行安全检查和检验。
- 对检查和检验中发现的问题,及时进行整改。
5. 事故处理与报告- 发生特种设备事故时,应立即启动应急预案,组织救援。
- 及时向上级管理部门报告事故情况,并积极配合调查。
6. 法律法规与标准遵守- 严格遵守国家关于特种设备的法律法规、政策和标准。
- 及时关注法律法规和标准的更新,确保企业特种设备安全管理合规。
三、责任落实与监督- 企业应设立特种设备安全管理机构,明确责任人。
- 企业应建立健全特种设备安全管理制度,确保责任落实。
- 企业应定期对特种设备安全管理工作进行监督和评价。
四、附则- 本清单自发布之日起实施。
- 本清单的解释权归企业所有。
五、附件- 法律法规清单- 企业特种设备安全管理制度- 企业特种设备应急预案{content}。
特种设备在企业中的安全生产主体责任一览一、背景特种设备在企业中的安全生产是一项重要任务,企业必须承担起相应的主体责任。
本文将概述企业在特种设备安全生产中应承担的主体责任,以确保员工和公众的安全。
二、企业的主体责任1. 合规性责任- 企业应遵守国家和地方特种设备安全生产的相关法律法规,确保特种设备的合规性。
- 企业应制定并严格执行特种设备安全管理制度,确保设备的安全操作和维护。
2. 安全生产责任- 企业应组织开展特种设备的安全生产培训,提高员工的安全意识和操作技能。
- 企业应定期检查特种设备的运行状况,发现问题及时进行维修和保养,确保设备的安全运行。
- 企业应建立健全事故应急预案,提前做好事故应对准备工作,确保员工和公众的安全。
3. 监督责任- 企业应定期进行特种设备的安全检查和评估,发现问题及时纠正并整改。
- 企业应积极配合相关监管部门的检查和调查工作,提供必要的协助和配合。
- 企业应及时报告特种设备相关的重大事故和隐患,确保信息的及时传递和共享。
4. 信息公开责任- 企业应主动向员工和公众提供特种设备安全生产的相关信息,增强公众的安全意识。
- 企业应公开特种设备的安全管理制度和操作规程,提供必要的安全指导。
三、结论企业在特种设备的安全生产中承担着重要的主体责任。
只有通过合规性责任、安全生产责任、监督责任和信息公开责任的全面履行,才能确保特种设备的安全运行,保护员工和公众的生命财产安全。
企业应将特种设备安全生产纳入日常管理中,不断加强安全管理和技术创新,为企业的可持续发展提供坚实的保障。
谢谢!。
特种设备安全状况自查表
部门:
内容
分项
隐患排查内容自查情况备注
管理制度是否落实岗位责任制和各项安全管理制度
是否制定操作规程
是否建立特种设备档案
培训教育操作人员是否经过安全等相关培训
是否按规定持有特种作业证
检验检测使用的特种设备是否经过检验和安装检验
设备的安全附件和安全保护装置是否按规定进行检验,是否能有效工作
是否存在对超期未检、报废气瓶及钢印标记不清的气瓶进行充装的情况
是否按规定对报废气瓶进行处理重点监控的特种设备的使用是否按要求进行登记,并在检验有效期内
氢气充装是否设置防止可燃气体与助燃气体的错装和防止不相容
使用及维护保养气体错装的装置
设备的运行是否有真实的运行记录,是否在规定范围内运行
设备是否有日常维护保养记录及自查记录
是否有运行故障和事故记录
应急预案是否制定具有针对性的应急预案,是否具备应急救援能力,是否按要求进行演练
应急救援装备和急救物品的配备、存放、检查维护是否符合要求
考核部门:考核:时间:。