质量标准化管理检查表
- 格式:docx
- 大小:9.65 KB
- 文档页数:3
质量管理检查表检查项
1. 原材料检查
- [ ] 原材料符合标准要求
- [ ] 原材料标识清晰可辨认
- [ ] 原材料使用期限符合要求
2. 生产设备检查
- [ ] 生产设备工作正常
- [ ] 设备保养记录完备
- [ ] 设备操作操作规程符合要求
3. 生产过程检查
- [ ] 生产过程记录清晰完整
- [ ] 操作人员符合操作流程
- [ ] 生产过程有追踪记录
4. 产品检查
- [ ] 产品外观符合要求
- [ ] 产品尺寸符合标准
- [ ] 产品性能测试合格
5. 包装检查
- [ ] 包装材料符合标准要求
- [ ] 包装标识清晰可辨认
- [ ] 包装完整无损坏
检查流程
1. 检查人员根据质量管理检查表进行检查。
2. 对每个检查项进行勾选,确认是否符合要求。
3. 如有不符合项,记录下具体问题,并及时采取纠正措施。
4. 检查结束后,整理检查记录,上报给质量管理部门。
检查频率
1. 每次生产过程中应进行质量管理检查。
2. 每个班次结束后,检查人员应进行检查并记录。
以上是质量管理检查表的内容,用于确保产品质量符合标准要求。
请按照流程进行检查,并记录下检查结果。
如有问题,请及时反馈给质量管理部门进行处理。
项目部:工程名称: 2013年02月28日检查项目检查内容标准分数扣分实际得分一、安全管理16 分安全生产责任制未建立安全责任制的扣2分;各级各部门未执行责任制的扣1分;经济承包中无安全生产指标的扣1;未制定各工种安全技术操作规程的扣1分;未按规定配备专(兼)职安全员的扣1分;管理人员责任制考核不合格的扣1分。
管理人员无安全资格证上岗的扣1分/人。
2 2目标管理未制定安全管理目标(伤亡控制指标和安全达标,文明施工目标)的扣1分;未进行安全责任目标分解的扣1分无责任目标考核规定的扣1分;考核办法未落实或落实不好的扣1分1 1施工组织设计施工组织设计中无安全措施的扣2分;未单独编制专项安全施工组织设计的扣1分;安全措施不全面的扣1分安全措施无针对性的扣1分;安全措施未落实的扣1分.2 2分部(分项)工程安全技术交底无书面安全技术交底扣1分;交底针对性不强扣1分;交底不全面扣1分;交底未履行签字手续扣1分。
2 2 安全检查自检自查制度不健全,未按规定进行自检自查的扣1分;未对查出的隐患进行整改落实,或现场有违章作业情况,整改落实不到位扣1分。
2 2 安全教育无安全教育制度,扣1分;新工人入厂未进行三级安全教育,扣1分;无具体安全教育内容,扣1分;变换工种时未进行安全教育,扣1分;每有一人不懂本工种安全技术操作规程的,扣1分;施工管理人员未按规定进行年度培训的,扣1分;专职安全员未按规定进行年度培训考核,扣1分。
考核职工“手指口述”内容不合格的扣1分/人。
2 2班前安全活动未建立班前安全活动制度扣0.5分;班前安全活动无制度扣0.5分;1 1 特种作业持证上岗一人未经培训从事特种作业扣1分;一人未持操作证上岗扣1分。
2 2 工伤事故处理工伤事故未按事故调查分析规定处理扣1分;未建立工伤事故档案扣1分。
1 1 安全标志无现场安全标志布置总平面图扣1分;现场未按安全标志总平面图设置安全标志的扣1分。
1 1检查项目小计16 16检查项目检查内容标准分数扣分实际得分二、技术、质量管理15分以专项评比分数为准,按比例缩至15分三、文明施工20 分施工临时设施4分1、提升、悬吊设备、自制提升设施无选择计算扣2分;2、钢丝绳、罐梁、罐耳等未经检测合格,无检测合格报告的扣2分。
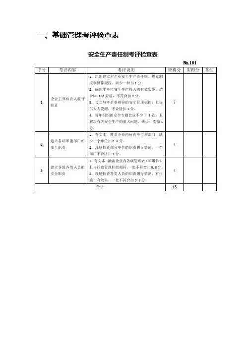
一、基础管理考评检查表安全生产责任制考评检查表№.101职业安全健康规章制度考评检查表规划与年度计划考评检查表机构与人员考评检查表№.104职业安全健康教育考评检查表事故管理考评检查表“三同时”管理考评检查表班组安全管理考评检查表不合格班组数计分方法:实得分=12–————————×0.12×100抽查班组数安全操作规程考评检查表特种设备及人员安全管理考评检查表相关方安全管理考评检查表现场监督检查考评检查表应急救援预案考评检查表危险源管理考评检查表安全健康档案考评检查表二、设备设施安全考评检查表工业气瓶考证检查表危险化学品库考评检查表油库、油罐考评检查表液化气站考评检查表制氧站考评检查表NO.206锅炉与辅机考评检查表工业管道考评检查表工厂建筑考评检查表涂装作业所考评检查表锻造机械考评检查表NO.215铸造机械考评检查表NO.216铸造熔炼炉考评检查表NO.217酸碱油槽考评检查表NO.218工业梯台(直梯)考评检查表工业梯台(斜梯)考评检查表工业梯台(活动轻金属梯)考评检查表工业梯台(轮式移动平台)考评检查表工业梯台(走台、平台)考评检查表工业炉窑考评检查表厂内机动车辆考评检查表运输(输送)机械考评检查表变配电系统考评检查表低压电气线路(固定线路)考评检查表低压电气线路(临时线路)考评检查表动力(照明)配电箱(柜、板)考评检查表电网接地系统考评检查表防雷接地装置考评检查表电焊机考评检查表手持电动工具考评检查表移动电气装备考评检查表电气试验站(台、室)考评检查表探伤设备(射线探伤)考评检查表探伤设备(着色探伤)考评检查表起重机械考评检查表金属切削机床考评检查表冲、剪、压机械考评检查表木工机械考评检查表砂轮机考评检查表风动工具考评检查表电梯考评检查表注塑机考评检查表其他机械考评检查表三、作业环境与职业健康考评检查表厂区坏境考评检查表车间作业环境考评检查表仓库考评检查表危险化学品使用现场考评检查表职业危害作业点达标率考评检查表职业危害防护设备设施合格率考评检查表职业危害作业人员健康监护考评检查表职业危害分级考评检查表职业病管理考评检查表。
机械制造企业安全质量标准化考评检查表一、基础管理考评检查表安全生产责任制考评检查表职业安全健康规章制度考评检查表规划与年度计划考评检查表机构与人员考评检查表No.104职业安全健康教育考评检查表班组安全管理考评检查表注:累计少于80分为不合格班组,发生轻伤以上事故扣全分。
计分方法:实得分=安全操作规程考评检查表No.109特种设备及人员安全管理考评检查表No.110相关方安全管理考评检查表No.111现场监督检查考评检查表No.112应急救援预案考评检查表No.113危险源管理考评检查表安全健康档案考评检查表No.115二、设备设施安全考评检查表工业气瓶考评检查表实得分=煤气站考评检查表制氧站考评检查表压力容器考评检查表乙炔发生站考评检查表No.208锅炉与辅机考评检查表0.8×100空压机考评检查表工业管道考评检查表No.211木料场所考评检查表分值,值。
工厂建筑考评检查表No.2130.4×100涂装作业场所考评检查表锻造机械考评检查表No.215铸造机械考评检查表铸造熔炼炉考评检查表酸碱油槽考评检查表工业梯台(直梯)考评检查表0.048×100工业梯台(斜梯)考评检查表工业梯台(活动轻金属梯)考评检查表工业梯台(轮式移动平台)考评检查表No.219-4×100工业梯台(走台、平台)考评检查表工业炉窑考评检查表0.36×1000.50×100变配电系统考评检查表低压电气线路(固定线路)考评检查表5低压电气线路(临时线路)考评检查表格。
得分=动力(照明)配电箱(柜、板)考评检查表0.72×100防雷接地装置考评检查表侧击等技与道路或建筑物的出入口有防止跨步线路应有防雷电波侵入的技电焊机考评检查表0.24×100探伤设备(磁粉探伤)考评检查表No.232-1实得分=探伤设备(射线探伤)考评检查表No.232-2实得分=探伤设备(着色探伤)考评检查表No.232-3探伤设备(超声波探伤)考评检查表-4不合格。
质量标准化管理检查表
序号项目检查内容
施工单位自
检意见
监理单位检
查意见
建设单位复
查意见
1 承诺书附件2
2 作业书指导书是否图文并茂
3 胸牌、检测设备是否佩戴胸牌,检测设备是否齐全
4 技术资料及影像资
料
资料和工程进度是否同步,签字是否及时,
是否盖执业章。
影像资料的数量、内容是否
满足要求
5 材料标示内容是否齐全
6 材料设备样品库是否建立样品库并制定样品留存方案各种材料的批次及检验是否符合要求
7 实物样板是否设立实物样板区,样板区的内容是否能够指导现场施工
8 图片样板是否结合实际并实施
9 工程样板是否实施了工程样板,样板内容是否满足工程建设的需要
10 标识上墙是否及时,内容是否齐全
11 主体验收前应
完成事项
1.主体检查专用章、检查数据、检查位置
标识是否上墙;
2.标高等控制线是否弹出;
3.加强网片是否铺设;
12 成品保护1.结构施工阶段柱角、剪力墙角、楼梯踏步处是否加设防护;
2.抹灰后墙角、柱角是否防护;
3.门窗框、玻璃是否覆膜保护;
4.管道、地漏是否缠绕塑料布保护,预留管道承插口是否采用专用护具保护等。
13 分户验收标识内容是否真实、齐全
注:1.建设、施工、监理单位检查意见分别由项目负责人、项目经理、项目总监签署;
2.存在的问题必须整改落实到位;
3.本表作为竣工前检查资料填报。