级配碎石底基层配合比审批表.
- 格式:doc
- 大小:36.00 KB
- 文档页数:2
级配碎石(碎砾石)基层1、引用文件《城镇道路工程施工与质量验收规范》CJJ 1—20082、施工准备作业条件级配碎石(碎砾石)的下承层通过各项指标验收,其表面平整、坚实,压实度、平整度、纵断高程、中线偏差、宽度、横坡度、边坡等各项指标必须符合有关规定。
运输、摊铺、碾压等设备及施工人员已就位;拌合击摊铺设备已调试运转良好。
施工现场运输道路畅通。
级配碎石(碎砾石)已检验、试验合格。
施工方案编制、审核、审批已完成。
施工前进行100~200m试验路段施工,采用计划用于主体工程的材料、配合比、压实设备和施工工艺进行实地铺筑试验,确定在不同压实条件下达到设计压实度时的松铺厚度、压实系数、压实机械设备组合、最少压实遍数和施工工艺流程等。
材料及机具材料1)轧制级配碎石的材料可谓各种类型的岩石(软质岩石除外)、砾石。
轧制碎石的砾石粒径应为碎石最大粒径的3倍以上,碎石中不应有黏土块、植物根叶、腐殖质等有害物质。
2)碎石中针片状颗粒的总含量应不超过20%。
3)级配碎石及级配碎砾石的颗粒组成及技术指标应满足表的规定。
同时级配曲线宜为圆滑曲线。
注:①潮湿多雨地区塑性指数宜小于6,其他地区塑性指数宜小于9。
②对于无塑性的混合料,小于的颗粒含量组成接近高限。
③底基层所列为未筛分碎石颗粒组成范围。
4)级配碎石或级配碎砾石的压碎值应满足表的规定。
表5)碎石或碎砾石应为多棱角块体,软弱颗粒含量应小于5%;扁平细长碎石含量应小于20%。
机具主要机械:装载机、推土机、摊铺机、平地机、压路机、水车、运输卡车等。
小型机具及检测设备:蛙夯或冲击夯、手推车;水准仪、全站仪、3m直尺、平整度仪、灌砂桶等。
一般机具:测墩、3mm或5mm直径钢丝绳、倒链、铝合金导梁等。
3、操作工艺工艺流程准备下承层→施工放样→级配碎石(碎砾石)材料拌合→运输→摊铺(平地机布料、整平或摊铺机摊铺)→碾压→接缝处理→养护准备下承层下承层应平整、坚实,具有路拱。
新建下承层应通过验收,达到本规程规定;对于老路面,应检查其材料是否符合底基层材料的技术要求,如不符合要求,应翻松老路面并采用必要的处理措施。
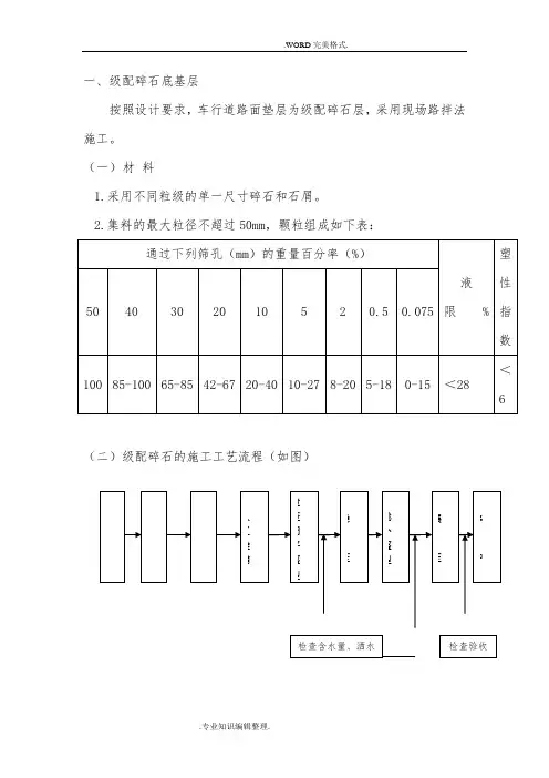
一、级配碎石底基层依据设计要求,车行道路面垫层为级配碎石层,采纳现场路拌法施工。
(一)资料1.采纳不一样粒级的单调尺寸碎石和石屑。
2.集料的最大粒径不超出50mm ,颗粒构成以下表:经过以下筛孔( mm )的重量百分率( %)塑液性5040302010520.5 0.075限%指数<100 85-100 65-85 42-67 20-40 10-27 8-20 5-18 0-15<286(二)级配碎石的施工工艺流程(如图)检验施人查找收运稳碾养合工工调补格的放摊平整路样输铺整压型压护基型检查含水量、洒水检查查收(三)施工程序1.查收合格的路基后,向监理单位报送“垫层动工报告单” ,经监理工程师赞同后才进行施工。
2.施工放样(1)在路基上恢复中线。
直线段每 10m 设一桩,平曲线段每 5m 设一桩,并在双侧路肩边沿外 0.5m 设指示桩。
(2)进行水平丈量。
在双侧指示桩上用显然标志标出垫层边沿的设计高。
3.运输(1)依据垫层的宽度、厚度及预约的干压实密度按确立的配合比计算级配碎石、黏土、砂的数目,并计算每车料的堆放距离。
(2)集料装车时,控制每车料的数目基真相等。
(3)集料由远到近按计算的距离卸置于路基上,严格控制卸料距离,防止料不够或过多。
(4)集料堆每隔必定距离留一缺口。
4.摊铺、整型(1)采纳人工分幅摊铺,摊铺前对路床中线纵横高程、宽度进行复核丈量,表面洁净,无杂物。
(2)按施工设计的段落数目上料,先铺碎石,再铺黏土,最后铺砂。
顺序摊铺,创建各工序连续作业条件。
(3)垫层按一层摊铺,加乘松铺系数( 1.3-1.35 )作为松铺厚度,垫层摊铺厚度为 13cm — 13.5cm 。
施工中频频检测虚厚高程及横断面使之切合设计要求,边线整齐。
5.碾压(1)摊铺长度到 60m 左右立刻洒水碾压,含水量控制达到规范要求。
(2)开始上碾稳压用轻碾,不开振动。
由路双侧向路中心逐次倒轴碾压,边沿处先碾压 3 遍,碾压全过程随时洒水,保持在最正确含水量的状况下碾压。
级配碎石(碎砾石)基层1、引用文件《城镇道路工程施工与质量验收规范》CJJ 1—20082、施工准备2.1作业条件级配碎石(碎砾石)的下承层通过各项指标验收,其表面平整、坚实,压实度、平整度、纵断高程、中线偏差、宽度、横坡度、边坡等各项指标必须符合有关规定。
运输、摊铺、碾压等设备及施工人员已就位;拌合击摊铺设备已调试运转良好。
施工现场运输道路畅通。
级配碎石(碎砾石)已检验、试验合格。
施工方案编制、审核、审批已完成。
施工前进行100~200m试验路段施工,采用计划用于主体工程的材料、配合比、压实设备和施工工艺进行实地铺筑试验,确定在不同压实条件下达到设计压实度时的松铺厚度、压实系数、压实机械设备组合、最少压实遍数和施工工艺流程等。
2.2材料及机具2.2.1材料1)轧制级配碎石的材料可谓各种类型的岩石(软质岩石除外)、砾石。
轧制碎石的砾石粒径应为碎石最大粒径的3倍以上,碎石中不应有黏土块、植物根叶、腐殖质等有害物质。
2)碎石中针片状颗粒的总含量应不超过20%。
3)级配碎石及级配碎砾石的颗粒组成及技术指标应满足表1.2.1-1的规定。
同时级配曲线宜为圆滑曲线。
表1.2.1-1级配碎石及级配碎砾石的颗粒范围及技术指标注:①潮湿多雨地区塑性指数宜小于6,其他地区塑性指数宜小于9。
②对于无塑性的混合料,小于0.075mm的颗粒含量组成接近高限。
③底基层所列为未筛分碎石颗粒组成范围。
4)级配碎石或级配碎砾石的压碎值应满足表1.2.1-2的规定。
表1.2.1-2 级配碎石及级配碎砾石压碎值5)碎石或碎砾石应为多棱角块体,软弱颗粒含量应小于5%;扁平细长碎石含量应小于20%。
2.2.2机具主要机械:装载机、推土机、摊铺机、平地机、压路机、水车、运输卡车等。
小型机具及检测设备:蛙夯或冲击夯、手推车;水准仪、全站仪、3m直尺、平整度仪、灌砂桶等。
一般机具:测墩、3mm或5mm直径钢丝绳、倒链、铝合金导梁等。
3、操作工艺3.1工艺流程准备下承层→施工放样→级配碎石(碎砾石)材料拌合→运输→摊铺(平地机布料、整平或摊铺机摊铺)→碾压→接缝处理→养护3.2 准备下承层下承层应平整、坚实,具有路拱。
级配碎石配合比设计文件排版存档编号:[UYTR-OUPT28-KBNTL98-UYNN208]
级配碎石底基层配合比设计说明
一、设计依据
1、根据施工图纸及现场情况
2、《公路工程路面基层施工技术规范》
3、《公路工程无机结合料稳定材料试验规程》
4、《公路工程集料试验规程》
5、《公路工程质量检验评定标准》
二、材料说明
1、碎石压碎值%,针片状平均含量为%,符合规范及设计要求。
2、粗石粉液限%,塑性指数为,均符合规范及设计要求。
三、设计步骤
1、确定各种集料在混合料中的比例,采用图解法,确定集料比例为10-
40mm碎石:5-10mm碎石:粗石粉=38:30:32,按此比例混合料经筛分后级配符合规范及要求。
2、确定最大干密度及含水量,根据以上确定的配合比将三种材料掺配,进行击实试验得到最大干密度为2.07g/cm3,最佳含水量为%。
四、根据上表结果及现场施工情况确定:
级配碎石配合比:
10-40mm碎石:5-10mm碎石:粗石粉
=38:30:32
级配碎石最大干密度:2.07g/cm3
级配碎石最佳含水量:%。
级配碎石底基层配合比报告试验单位:
日期: 2011年6月20日。
级配碎石配合比设计一. 试验依据1.《公路路面基层施工技术规范》JTJ034—2000 JTJ034—JTJ0342.《公路工程集料试验规程》JTGE42—2005 JTGE42—JTGE423.《公路土工试验规程》JTJ051—93 JTJ051—JTJ0514.《公路工程国内招标文件》范本5. 设计图纸二. 原材料选用1. 碎石:磁村石料厂生产20-30mm 碎石,10-20mm 碎石,5-10mm 碎石,石粉。
2. 水:采用饮用水。
三. 配合比设计1.合成级配结合《公路路面基层施工技术规范》JTJ034-2000 的要求,用图解法将3 种集料配至级配碎石2 号级配范围内。
2.击实采用重型击实法,配料时将试样依次用四分法取样,并且用烘干法测其试样的含水量,预定5 个不同的含水量将碎石加水拌和均匀,密封好浸润2 小时后,做击实试验,每层击实完毕后检查该层厚度是否合适,以调整以后层次的试样用量,尽量保持每层高度一致。
每组击实完毕后混合料比击实筒的高度控制在6mm 以内,齐筒顶细心刮平、称量、取样,测其含水量。
试验室推荐:碎石的合成级配:20-30mm 碎石10-20mm 碎石:5-10mm 碎石:石粉=19:27:22:32最大干密度:2.28g/cm3最佳含水量:5.0%施工压实质量控制参数:含水量: 4.5%<ω5.5% %干密度: ρ=2.28g/cm3压实度: K>96%省道湖南路西官庄至南庄段改建工程一合同项目部二00 七年五月省道湖南路西官庄至南庄段改建工程一合同底基层级配碎石配合比报告。
级配碎石底基层报验申请表
工程名称:罗甸县河滨路延伸段道路工程编号:
致:贵州三维工程建设监理咨询有限公司(监理单位)
我方已完成河滨北路延伸段K0+388-K0+600段车行道级配碎石底基层的施工,经施工自检评定验收合格,请现场核查验收,所需工程验收资料提供如下。
附件:1、隐蔽工程检查验收记录
2、验收批质量验收记录表
3、测量记录表
施工单位:
项目经理:
日期:年月日
审核意见:
项目监理机构:
总/专业监理工程师:
日期:
罗甸县河滨路延伸段道路工程隐蔽工程检查验收记录
工程名称罗甸县河滨路延伸段道路
工程
施工单位湖南万力建设集团有限公司
隐检项目级配碎石底基层隐检范围
河滨北路延伸段
K0+388-K0+600段车行道
隐检内容及检查情况1、原材料的规格、质量:碎石为20~40mm碎石;质地竖韧、无杂质;砂为中砂;经检验其规格、质量均符合要求;
2、铺筑、碾压:级配碎石层中的水、碎石、砂按配合比配制、搅拌,摊铺中无明显粗细颗粒离析现象,碾压密实、基层表面平整,无松散、无浮石、脱皮、粗细料集中现象,经20t压路机碾压后轮迹深度小于5mm;
3、外观质量:表面平整、坚实,无推移、松散、浮石现象,基层厚度、平整度、宽度、高程、横坡及压实度均符合要求,压实度见试验报告。
验
收
意
见
驻地监理工程师:年月日处
理
情
况
及
结
论复查人:年月日施工项目
技负责人
质检员监理单位设计单位代建单位建设单位。
级配碎石配合比设计
一.试验依据
1.《公路路面基层施工技术规范》JTJ034—2000
2.《公路工程集料试验规程》JTGE42—2005
3.《公路土工试验规程》JTJ051—93
4.《公路工程国内招标文件》范本
5. 设计图纸
二.原材料选用
1.碎石:红岩石料厂生产20-30mm碎石,10-20mm碎
石,5-10mm碎石,石粉。
2.水:采用饮用水。
三.配合比设计
1.合成级配
结合《公路路面基层施工技术规范》JTJ034-2000的要求,用图解法将3种集料配至级配碎石2号级配范围内。
2.击实
采用重型击实法,配料时将试样依次用四分法取样,并且用烘干法测其试样的含水量,预定5个不同的含水量将碎石加水拌和均匀,密封好浸润2小时后,做击实试验,每层击实完毕后检查该层厚度是否合适,以调整以后层次的试样用量,尽量保持每层高度一致。
每组击实完毕后混合料比击实筒的高度控制在6mm以内,齐筒
顶细心刮平、称量、取样,测其含水量。
试验室推荐:
碎石的合成级配:
20-30mm碎石:10-20mm碎石: 5-10mm碎石:石粉=19:27:22:32最大干密度:2.284g/cm3
最佳含水量:5.5%
施工压实质量控制参数:含水量: 5.0%<ω0<6.0%
干密度: ρ=2.284g/cm3
压实度: K>96%
G207线安化段公路改建工程E标项目部
二0一一年六月
G207线安化段二期公路改建工程
底基层级配碎石
配
合
比
报
告
湖南省益阳公路桥梁建设有限责任公司G207线安化段公路改建工程E标项目部。
一、级配碎石底基层按照设计要求,车行道路面垫层为级配碎石层,采用现场路拌法施工。
(一) 材 料1.采用不同粒级的单一尺寸碎石和石屑。
2.集料的最大粒径不超过50mm ,颗粒组成如下表:(二)级配碎石的施工工艺流程(如图)(三)施工程序1.验收合格的路基后,向监理单位报送“垫层开工报告单”,经监理工程师同意后才进行施工。
2.施工放样(1)在路基上恢复中线。
直线段每10m设一桩,平曲线段每5m设一桩,并在两侧路肩边缘外0.5m设指示桩。
(2)进行水平测量。
在两侧指示桩上用明显标记标出垫层边缘的设计高。
3.运输(1)根据垫层的宽度、厚度及预定的干压实密度按确定的配合比计算级配碎石、粘土、砂的数量,并计算每车料的堆放距离。
(2)集料装车时,控制每车料的数量基本相等。
(3)集料由远到近按计算的距离卸置于路基上,严格控制卸料距离,避免料不够或过多。
(4)集料堆每隔一定距离留一缺口。
4. 摊铺、整型(1)采用人工分幅摊铺,摊铺前对路床中线纵横高程、宽度进行复核测量,表面清洁,无杂物。
(2)按施工设计的段落数量上料,先铺碎石,再铺粘土,最后铺砂。
循序摊铺,创造各工序连续作业条件。
(3)垫层按一层摊铺,加乘松铺系数(1.3-1.35)作为松铺厚度,垫层摊铺厚度为13cm—13.5cm。
施工中反复检测虚厚高程及横断面使之符合设计要求,边线齐整。
5. 碾压(1)摊铺长度到60m左右立即洒水碾压,含水量控制达到规范要求。
(2)开始上碾稳压用轻碾,不开振动。
由路两侧向路中心逐次倒轴碾压,边缘处先碾压3遍,碾压全过程随时洒水,保持在最佳含水量的情况下碾压。
(3)采用重型振动压路机碾压,一般为6-8遍,能达到设计和规范要求,碾压进行到要求的密度为止,使表面没有明显轮迹并随时控制好碾压速度。
(4)稳压两遍后及时检测、找补,如果局部出现“软弹”、“翻浆”现象,将立即停止碾压,待翻松晒干或换填新料处理后才进行碾压。
(5)检查验收其压实度、厚度、纵断高程等技术指标是否达到规范要求,对不合格产品进行处理,以达到规范要求。
表B.0.1 施工组织设计/(专项)施工方案报审表工程名称:郑州市郑东新区南塘中学室外管网及道路等工程编号:02注:本表一式三份,项目监理机构、建设单位、施工单位各一份。
郑州市郑东新区南塘中学室外管网及道路等工程级配碎石基层施工方案编制人:审批人:郑州市兴隆市政设施建设工程有限公司2018年1月级配碎石基层施工方案一、工程概况本工程为郑州市郑东新区南塘中学,建设单位为河南省郑州新区建设投资有限公司,设计单位为河南省建筑设计研究院有限公司,监理单位为河南沪建工程监理有限公司,施工单位为郑州市兴隆市政设施建设工程有限公司。
项目概况:项目由项目综合楼和地下车库组成,总用地面积36019㎡,总建筑面积38545.66㎡,容积率0.74,建筑密度20.21m³,绿化率40.20%。
1、建设地点:郑州市郑东新区2、工程名称:郑州市郑东新区南塘中学室外管网及道路等工程施工3、质量要求:符合国家现行规范和标准,质量达到合格标准4、施工范围:郑州市郑东新区南塘中学室外综合管网、照明、场区道路、围墙、操场、大门及门卫房等工程施工(不含消防水和市政给水工程,详见工程量清单、图纸及招标文件)5、工期:90日历天二、编制依据本施工方案主要参考《城市道路路基工程施工及验收规范(CJJ1-2008)》、施工图纸、图纸会审记录及施工组织设计等。
三、施工准备1)级配碎石已进场并验收合格。
级配碎石材料采取自卸汽车直接运至路基现场,按照每层每平方用量堆放。
2)施工机具已进场,并运转正常。
3)作业条件:路基已全部完成,并经验收合格。
保持现场运输、机械调转作业方便,各种测桩齐备、牢固、不影响各工序施工。
开工前先做一段试验路段,以验证压实机械是否满足施工要求,以及施工组织和工艺的合理性和适应性。
取得压实方法、压实系数、碾压遍数和松铺厚度以及材料的含水量范围等资料,以作为现场施工控制的依据。
三、施工工艺1)摊铺基层分一层摊铺。
摊设时,要严格控制好设计标高,级配碎石材料运至基层上后,用推土机粗平,人工细平后,才用压路机碾压密实。