更换托辊作业安全操作规程标准范本
- 格式:docx
- 大小:46.60 KB
- 文档页数:3
更换工作辊安全操作规程第一章:安全工作的基本准则1.1基本原则(1)在进行辊换工作之前,必须经过专业培训并取得相应的操作资格证书;(2)进入现场前必须了解相应的安全操作规程,并遵守;(3)执行辊换工作时,要严格按照作业指导书进行操作,不得擅自变更程序;(4)严格按照工序进行操作,确保安全和质量。
1.2责任分工(1)生产部门负责辊换的技术指导和组织管理;(2)保安部门负责现场的安全维护和安全监督;(3)运输部门负责辊换工具和材料的运输和安全保障;(4)各工种操作人员负责辊换现场的实际操作和安全监督。
1.3安全设备(1)确保现场的安全设备齐全,包括灭火器、安全标示牌、安全绳等;(2)定期检查维护安全设备,确保其正常使用。
第二章:辊换前的准备工作2.1所需工具和设施的准备(1)根据工作需要准备所需的工具和设施,包括辊换车、紧固工具、吊装设备等;(2)检查工具和设施的完好性,禁止使用损坏的工具和设施。
2.2现场的准备(1)清理现场,确保工作区域的整洁和安全;(2)检查地面情况,清除障碍物,确保平整无障碍。
2.3工作人员的准备(1)所有参与工作的人员必须穿戴符合要求的个人防护装备,包括安全帽、安全鞋等;(2)工作人员必须熟悉作业指导书和操作流程,确保操作规范。
第三章:辊换工作的操作步骤3.1辊换计划的制定(1)根据工作需要和生产计划制定辊换计划,包括辊换的时间、辊换的辊子数量等;(2)组织会议讨论辊换计划,明确分工和工作流程;(3)将辊换计划上报相关部门进行审核。
3.2辊子的清点和装卸(1)清点辊子数量和型号,确保数量无误;(2)使用专用的辊子装卸设备,防止辊子滚落造成伤害。
3.3工作区域的划定和通知(1)划定工作区域,并通过安全标示牌进行标识;(2)通知相关部门和人员,确保其不进入工作区域。
3.4辊子的固定和取下(1)使用专用的固定装置,确保辊子稳定;(2)使用专用的工具取下辊子,不得采用非法操作方法。
更换支承辊安全操作规程支承辊是在输送机运行过程中起到支撑和引导作用的重要组成部分,其安全操作规程的制定和落实对于保障工作人员的安全、提高工作效率具有重要意义。
下面是支撑辊安全操作规程的一个示例,供参考:一、支承辊的安装与维护:1. 在进行支撑辊的安装前,必须对输送机设备进行全面检查,确保其各项安全设施完好无损,不存在明显的故障和安全隐患。
2. 安装支撑辊时要选择强度高、耐磨性能好的材料,确保其具有足够的承载能力和使用寿命。
3. 在安装过程中,应严格按照设备说明书和相关标准进行操作,确保支撑辊安装稳固可靠,避免出现松动或倒塌的情况。
4. 定期对支撑辊进行检查和维护,包括清除积灰、润滑检查等,确保其正常运行并及时发现并处理存在的问题。
二、支承辊的使用管理:1. 使用和操作支撑辊的工作人员必须熟悉设备的结构和工作原理,掌握正确的操作方法和注意事项。
2. 在使用过程中,必须严格遵守设备的使用规程和安全操作规程,不得超负荷使用或超出设备的额定工作范围。
3. 在输送机运行过程中,应定期检查支撑辊的运行状态,注意观察有无异常声音或振动,及时发现并及时处理问题。
4. 发现支撑辊有异常现象时,应立即停止使用,通知维护人员进行检修,严禁擅自进行操作或维修。
5. 使用过程中应保持设备周围环境整洁,避免杂物堆积和影响设备正常运行。
同时,应将设备周围人员和设备安全隔离开来。
6. 使用支撑辊时,操作人员必须佩戴安全帽和防护鞋,确保头部和脚部的安全。
7. 严禁站立在运行中的输送机上,并保持手、脚和身体远离机器部件,尤其是运转的支撑辊。
8. 在输送机停机维护和检修时,应有专人负责监护和警示,并采取必要的安全防护措施,防止事故的发生。
三、支承辊的紧急情况处理:1. 在使用过程中,如发生支撑辊的异常运行、堵塞、卡住等情况,应立即停止使用并通知维修人员进行处理。
2. 如发生火灾、泄露等紧急情况,应立即采取应急措施,并按照相关规定启动事故报警和疏散预案。
更换支承辊安全操作规程模版一、目的和适用范围1. 目的:制定本规程的目的是为了确保支承辊的安全操作,预防事故的发生,保障人员的生命财产安全。
2. 适用范围:本规程适用于支承辊的操作和维护人员。
二、定义和要求1. 支承辊:支承输送机或者装卸设备上的滚筒装置,用于支撑并传送物料。
2. 安全要求:所有操作人员都必须经过相关技术培训,掌握支承辊设备的操作规程和安全要求。
三、操作规程1. 操作前准备:a. 在进行操作前,必须核查支承辊设备的运行状态和操作条件,确保设备符合安全要求。
b. 确保操作人员佩戴个人防护装备,包括安全帽、安全鞋、劳动保护手套等。
c. 检查设备的电气接地情况,确保设备接地良好。
d. 检查设备的紧固件,确保设备组装牢固。
2. 操作过程:a. 操作人员必须在指定的操作区域内进行工作,禁止越界操作。
b. 操作人员必须按照设备操作手册进行操作,严禁超负荷运行设备。
c. 操作人员不得擅自改变或调整设备的工作参数,如需调整,必须经过相关责任人批准。
d. 操作人员在操作设备时,禁止穿戴松散的衣物,以免被卷入轴上。
e. 操作人员应时刻保持清醒的头脑,不得在操作设备时饮酒、吸烟或者使用手机等分散注意力的行为。
3. 操作注意事项:a. 当发现设备异常情况时,如噪声过大、震动异常等,应立即停止操作,报告相关责任人进行检修。
b. 禁止将任何物体放置在支承辊上,以免影响设备的正常运行或导致物料堆积。
c. 操作人员离开工作岗位前,必须将设备停止运行,并进行安全检查,确保没有留下隐患。
d. 设备保养和维修必须由专业人员进行,禁止无资质人员擅自进行拆卸或维修。
e. 发生任何安全事故时,必须立即报告相关责任人,并配合做好相关调查和处理工作。
四、安全培训和监督1. 安全培训:所有操作人员必须参加相关的安全培训,包括支承辊设备的操作规程、安全要求等内容的培训,确保掌握相关知识和技能。
2. 监督检查:相关责任人应定期对操作人员进行安全检查和监督,确保操作人员遵守本规程的要求,并对发现的问题及时进行整改和处理。
更换托辊挡料皮子安全操作规程一、目的为了保障人员和设备的安全,规范更换托辊挡料皮子的操作流程,降低事故发生的风险。
二、适用范围本操作规程适用于托辊挡料皮子的更换操作。
三、操作流程1.操作前准备(1)操作人员应经过专业培训,了解本规程要求和操作流程。
(2)检查所需的工具和备件是否齐全,并确保其功能正常。
(3)在更换过程中,需停机操作,通知相关人员。
2.安全预措施(1)穿戴防护设备,如安全帽、防护鞋、防护手套等。
(2)确保工作区域的安全,清除杂物,确保通行道畅通。
(3)关闭相关设备的电源,并在操作区域设置明显的禁止进入标志。
3.更换操作(1)确定更换点:根据需要更换的托辊挡料皮子,确定要进行更换的位置。
(2)锁定设备:将待更换的设备锁定,防止误操作或其他可能的危险。
(3)拆除原有皮子:使用工具将原有的托辊挡料皮子拆除,并清理干净。
(4)安装新皮子:将新的托辊挡料皮子安装在相应的位置上,并确保安装牢固。
(5)检查确认:检查安装后的托辊挡料皮子是否牢固,无松动现象。
(6)解锁设备:确认更换完成后,解除设备的锁定状态,并重新启动设备进行测试。
4.操作结束(1)清理工作区域,归位工具和备件。
(2)记录操作情况,如更换时间、更换人员等相关信息。
(3)提交操作报告,上报相关部门。
五、安全注意事项1.操作人员必须经过专业培训,了解操作规程并熟练掌握操作技能。
2.操作人员需穿戴防护设备,确保自身的安全。
3.在更换过程中需停机操作,并设置明显的禁止进入标志,确保操作安全。
4.操作过程中要注意设备的锁定,防止误操作带来的危险。
5.安装新皮子后要进行检查确认,确保安装牢固,防止出现松动现象。
6.操作完毕后要及时清理工作区域,记录操作情况并上报相关部门。
六、应急处理措施1.发现安全事故立即停止操作,采取相应的应急处理措施。
2.及时报告相关人员,并做好现场保护工作。
3.配合相关部门进行事故调查,并总结教训,完善工作流程。
以上就是更换托辊挡料皮子安全操作规程,希望能够对您有所帮助。
煤矿输送带托辊更换规范
1、更换托辑前,必须提前将新托辑及工器具运至施工地点﹐更换负责人对更换托辑的工器具进行安全性能检查确认可靠方可使用。
2、更换托辑前﹐作业人员必须联系司机将胶带运输机停机、并有效闭锁﹐同时作业人员也应将就近的急停闭锁装置打上闭锁。
3、更换托辑前,必须确保施工地点作业环境安全﹐并且无闲杂人员走动。
4、更换槽型上托辑侧辑作业规范
4.1单人操作时必须使用专用工具,专用工具要牢固固定在纵梁上,把上胶带顶起高度高于安装托辐上沿至少50mm ,负责人确认胶带支顶稳固后﹐拆除旧托棍,更换新托辑。
更换后﹐拆除专用工具。
4.2无专用工具时可采用两人协作更换托辑 ,安排工作时队必须指定现场负责人,现场负责人用8#槽钢(或2口寸圆钢管)将上胶带托起﹐托起高度高于安装托辑上浴至少50mm,负责人确认胶带支顶稳固后﹐指挥另一人拆除旧托辑﹐更换新托辑。
更换结束后﹐更换托辑人员身体各部位离开胶带, 发出放胶带指令,托胶带人员确认后方可放下胶带做好收尾工作。
更换支承辊安全操作规程范本一、安全操作规程1. 操作人员必须经过专业培训,了解支承辊的结构、功能和安全操作要求。
2. 在操作支承辊前,请确保操作者身着合适的工作装备,并佩戴必要的个人防护装备,如安全帽、护目镜、手套等。
3. 在操作支承辊前,应先检查支承辊的运行状态,确保其处于正常工作状态且没有任何异常。
4. 操作者必须了解支承辊的工作负荷限制,不得超过其额定负荷。
5. 在操作支承辊时,严禁使用力量或工具将之推动或拉动,必须按照正确的操作方法进行操作。
6. 操作者在操作支承辊时,必须确保自身的站姿和动作正确合理,避免不必要的身体伸展或扭曲。
7. 操作者在操作支承辊时,应时刻保持注意力集中,不要分心,以防发生意外。
8. 严禁操作者将手或其他身体部位放在支承辊的工作区域,以免发生夹伤或撞伤事故。
9. 操作者在操作支承辊时,必须注意周围环境的安全情况,避免与其他设备或人员发生碰撞。
10. 在操作支承辊时,操作者应根据需要采取必要的安全措施,如设置防护栏、标识警示等。
11. 当支承辊发生异常或故障时,操作者必须立即停止操作,并及时上报相关部门进行处理。
12. 在操作支承辊时,如有他人需要靠近或接近支承辊工作区域,应提前告知,并确保其安全。
13. 操作者在操作支承辊时,应遵守相关的操作制度和工作流程,不得擅自改变或调整。
14. 支承辊的维护和保养必须由专业人员负责,定期进行检查和维护,并确保设备状态正常。
15. 支承辊的维修和更换必须由专业人员进行,不得擅自进行操作或更换零部件。
16. 每次操作结束后,操作者应将支承辊归位并清理工作区域,确保整洁和安全。
17. 对于不熟悉或不了解的操作方法和技术,操作者必须向专业人员咨询或寻求帮助。
18. 在操作支承辊时,严禁饮酒或受到其他影响性能的物质。
19. 操作者必须随时关注生产或工作现场的安全情况,及时排除隐患和危险源。
20. 操作者必须遵守公司的安全管理规定和作业规范,不得违反或忽视相关安全要求。
更换工作辊安全操作规程范本一、目的与适用范围本规程主要旨在确保工作辊的安全操作及使用,以防止意外事故的发生。
适用范围包括工作辊的日常维护、使用、操作等环节。
二、基本原则1. 安全第一,预防为主:要严格按照操作规程进行操作,在操作过程中积极预防事故的发生。
2. 责任明确:明确各岗位的责任和职责,确保台车安全操作。
3. 专人操作:只由经过培训并取得相应证书的人员操作工作辊。
三、操作要点1. 工作辊的装卸操作:(1)严禁单人操作:工作辊的装卸必须由至少两人配合完成,以确保安全。
(2)检查工作辊:操作前应检查工作辊的外观和紧固件是否正常,确保无异常情况。
(3)正确使用起重工具:在操作过程中使用合适的起重工具,避免不必要的风险和事故。
(4)稳固固定:在装卸操作中,要注意将工作辊稳固固定,避免滑动或倾倒。
2. 工作辊的使用操作:(1)工作辊的维护:定期对工作辊进行维护保养,确保其正常工作状态。
(2)正确使用工作辊:操作人员必须按照操作规程正确使用工作辊,禁止超负荷操作。
(3)防止异物进入:在操作过程中,要注意防止异物进入工作辊,以免造成堵塞或损坏。
(4)定期检查工作辊:定期检查工作辊的机械传动装置、润滑系统等,及时更换损坏部件。
四、安全措施1. 环境安全:(1)操作区域保持整洁:操作区域内不得堆放杂物,确保无阻碍操作。
(2)防止积水:操作区域应保持干燥,防止积水造成滑倒或其他事故发生。
(3)防止火源:操作区域内禁止吸烟和明火,防止火灾事故的发生。
2. 个人安全:(1)穿戴合适的防护装备:操作人员应穿戴适当的防护装备,如安全帽、安全鞋等。
(2)正确使用工具:在操作过程中,使用合适的工具,并严禁使用损坏或不合适的工具。
(3)注意力高度集中:操作过程中,要保持高度的注意力集中,避免疏忽造成事故。
(4)禁止闲人进入:操作区域内禁止闲人进入,以免造成干扰或意外伤害。
五、事故应急预案1. 报警与救援:发生事故时,应立即报警并采取紧急救援措施,确保人员安全。
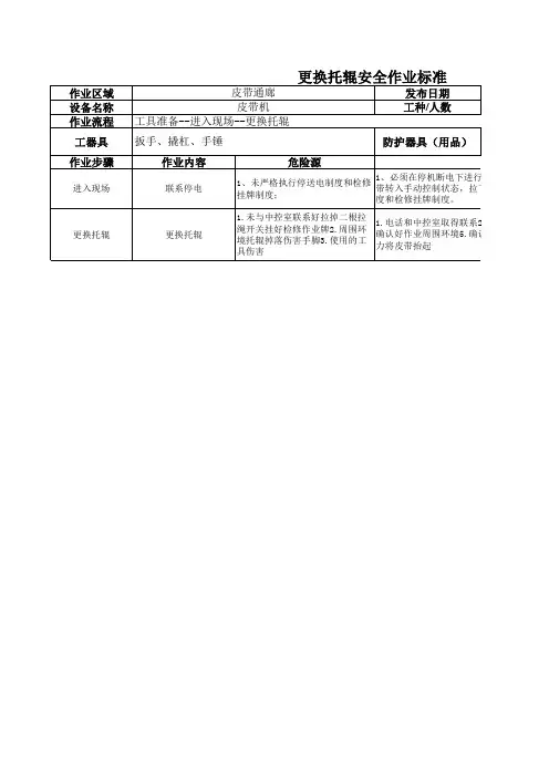
更换托辊作业安全操作规程更换托辊作业安全操作规程第一章安全基础第一条为了保证工人人身安全,避免事故发生,提高工作效率,制定本作业安全操作规程。
第二条本规程适用于更换托辊的操作人员。
第三条更换托辊的操作人员必须经过严格的操作安全培训,了解操作安全注意事项,严格按照操作规程进行操作。
第四条进行更换托辊作业前,必须了解所更换托辊的载荷能力、尺寸等相关情况。
做好预先准备,准备好必要的工具、设备,注意作业安全。
第五条在进行更换托辊作业前,必须关闭相关设备和机器,并进行充分断电和锁定能源。
第六条在进行更换托辊作业前,应先进行风险分析,辨别可能会危及到工作安全的事物、相关设备和机器。
并采取适当的保护措施,保护操作工作人员的人身安全。
第七条更换托辊的操作人员必须穿戴符合劳动安全法规要求的工作服、鞋、手套等安全保护装备。
第二章操作流程第八条具体操作流程如下:1、清洁托辊底座:将托辊上的杂质、油污等清理干净。
2、卸下旧托辊:使用千斤顶将托辊升起,松开固定螺丝将旧的托辊从底座上卸下。
3、更换新托辊:将新托辊安装在底座上,固定螺丝并加紧。
4、检查新托辊:使用千斤顶将新托辊升起,检查新托辊是否已经稳定地安装在底座上。
5、确认操作安全:检查所有操作工具、设备等是否已经收拾干净,确认操作过程的安全。
6、开启设备和机器:操作人员确认所有人员都已经撤离现场,开启设备和机器。
第三章安全注意事项第九条进行更换托辊作业时应按照如下安全注意事项进行操作:1、在操作更换托辊时,必须确保固定螺丝已经松开,避免进行卸下旧托辊时过度用力,从而造成意外伤害。
2、确保操作工具和设备具备使用条件,避免操作过程中出现塞住、滑动、断裂等安全隐患。
3、进行现场操作时,必须注意大型设备及机器的安全。
保持清洁的工作台,确保作业环境整洁、有序。
4、进行更换托辊时必须严格遵守操作规程,不得擅自改变更换托辊操作流程。
如操作人员发现操作规程存在问题,应及时上报总工程师助理或现场主管工程师。
更换工作辊安全操作规程工作辊是一种用于辊压工作物料的设备,广泛应用于各种生产场所。
为了确保工作辊的安全运行,必须制定专门的操作规程。
以下是更换工作辊安全操作规程的范文,供参考:一、总则1. 本操作规程适用于更换工作辊的操作人员,必须严格遵守。
2. 操作人员在进行更换工作辊操作前,必须具备相关的安全知识,经过相关培训并取得相应的资格证书。
3. 在进行更换工作辊操作时,必须严格按照本规程进行,确保操作的安全、高效、顺利进行。
4. 任何时候都不允许非操作人员进入作业区域,以保证操作的安全性。
二、准备工作1. 在更换工作辊前,操作人员必须检查工作辊的规格型号,以确保新辊满足工艺要求。
三、操作流程1. 停机断电:在更换工作辊前,必须关闭工作机器的电源,并设置相关告警功能,以防止误开机操作。
2. 准备工具:操作人员必须准备好所需的工具,包括千斤顶、扳手、起重设备等,确保能够顺利进行辊的更换。
3. 卸下旧辊:使用千斤顶将旧辊卸下,必要时借助起重设备进行操作。
4. 清洁座椅:将座椅等零部件卸下,并进行清洁和维护。
5. 安装新辊:将新辊上吊并安装到指定位置,使用扳手将辊紧固好。
6. 整理座椅:将座椅等零部件重新安装到指定位置,确保固定可靠。
7. 检查固定:在安装新辊后,必须进行固定件的检查,确保每个固定件都牢固可靠。
8. 检查润滑:检查工作辊的润滑情况,确保润滑系统正常运行。
四、注意事项1. 操作人员在操作过程中必须佩戴个人防护用具,如安全帽、防护眼镜、耳塞等。
2. 在操作过程中必须确保工作辊的负载能力不超过规定范围,以防止意外事故的发生。
3. 操作人员在操作时必须保持专注,严禁与他人交谈或分心他物,以免影响操作的安全性。
4. 在操作过程中,严禁使用损坏的工具或设备,必要时应及时更换。
5. 操作人员在操作完毕后,必须对操作区域进行清理,并将使用的工具和设备归位存放。
五、应急处理1. 在操作过程中如发生异常情况,操作人员必须立即停止操作,并及时报告相关人员,保持现场安全。
更换工作辊安全操作规程示范文本In The Actual Work Production Management, In Order To Ensure The Smooth Progress Of The Process, And Consider The Relationship Between Each Link, The Specific Requirements Of EachLink To Achieve Risk Control And Planning某某管理中心XX年XX月更换工作辊安全操作规程示范文本使用指引:此操作规程资料应用在实际工作生产管理中为了保障过程顺利推进,同时考虑各个环节之间的关系,每个环节实现的具体要求而进行的风险控制与规划,并将危害降低到最小,文档经过下载可进行自定义修改,请根据实际需求进行调整与使用。
1、换辊前必须切断主机和周围附属转动设备电源,操作主令回零位,严重禁不停电而站在辊道和推床上面。
2、换辊时必须有专人指挥、专人操作,操作人员听从指挥,并在启动换辊设备前鸣铃一分钟,确认安全无事后方可点动设备。
3、换辊推拉缸翻转前,严禁在翻转平台上站人。
4、切水板动作前,指挥人员必须确认下支承辊抬升轨道周围无人作业时方可指挥抬升。
5、抽下工作辊时,必须确认下工作辊卡板完全打开后,方可指挥点动拉动,以免卡板螺栓断裂伤人。
6、落上工作辊时,必须先打开卡板,然后上工作辊方可返回,以免卡板螺栓断裂伤人。
7、换辊推拉缸伸出前应在缸头前指定位置罩上安全罩,缸头前及轨道上严禁站人,换完辊后,安全罩方可拿走。
8、工作辊抽出后,去推拉缸钩头时,必须确认操作者手抬起后,方可指挥点动拉动推拉缸。
9、工作辊横移时,必须确认换辊平台上无人,方可点动移动。
10、装工作辊必须确认牌坊里面及周围是否有人,方可指挥点动推辊。
11、用天车吊万向轴时,指挥人员必须佩戴袖标,检查钢丝绳是否完好,起吊后钢丝绳周围严禁站人。
更换工作辊安全操作规程范文工作辊安全操作规程一、目的与适用范围本规程旨在规范工作辊的安全操作,确保员工的人身安全和设备设施的正常运行。
适用于所有使用工作辊的工作场所及工作人员。
二、定义1. 工作辊:用于推动或滚动物体的轮子状设备,也包括滚筒。
三、安全要求1. 工作场所应保持清洁、整洁,无杂物堆放,确保工作辊的顺畅运行。
2. 工作辊的安装和维护人员必须经过专业培训,具备相关资质。
3. 工作辊的操作人员必须经过专业培训,掌握相关知识和操作技能,并熟悉本规程。
4. 工作辊的操作人员应穿戴符合要求的个人防护装备,如安全帽、防护眼镜、安全鞋等。
5. 工作辊的操作人员应经常检查工作辊的运行状态,如有异常应及时停机检修,不能强行继续操作。
6. 工作辊的维护人员应定期对工作辊进行检查和维护,确保设备正常运行。
7. 禁止将手或其他身体部位伸入工作辊的滚筒或机构内部,以防危险发生。
8. 禁止在工作辊运行时放置杂物或其他容易造成堵塞的物品。
四、使用方法与操作规范1. 检查工作辊的运行状态,确保所有零部件正常,无松动,无异物堵塞。
如发现异常,应及时停机检修。
2. 操作人员应按照规定的操作程序和指令进行操作,不得随意更改或违反规程。
3. 在操作停机的情况下,操作人员必须远离工作辊,确保安全。
4. 如需更换或调整工作辊的位置或角度,应在停机状态下进行,操作人员应按照规定方式进行固定和调整。
5. 在工作辊运行时,不得将手或其他身体部位伸入滚筒或机构内部,以免发生危险。
6. 在工作辊运行时,不得阻挡或干扰工作辊的正常运行。
7. 完成工作后,应将工作辊停机,关闭电源,清理工作现场,确保周围环境安全整洁。
五、事故应急处理1. 如发生工作辊事故,操作人员应立即停止操作,确保自身安全。
2. 紧急情况下,应按照紧急预案进行处置,及时报告相关负责人,协助进行事故调查和处理。
六、责任与处罚1. 对未按规定进行操作的人员,将视情节轻重给予相应的处罚,包括警告、奖金扣减、停职等。
更换托辊作业安全操作规程标准范本操作规程编号:LX-FS-A73652更换托辊作业安全操作规程标准范本In The Daily Work Environment, The Operation Standards Are Restricted, And Relevant Personnel Are Required To Abide By The Corresponding Procedures And Codes Of Conduct, So That The Overall BehaviorCan Reach The Specified Standards编写:_________________________审批:_________________________时间:________年_____⽉_____⽇A4打印/ 新修订/ 完整/ 内容可编辑更换托辊作业安全操作规程标准范本使⽤说明:本操作规程资料适⽤于⽇常⼯作环境中对既定操作标准、规范进⾏约束,并要求相关⼈员共同遵守对应的办事规程与⾏动准则,使整体⾏为或活动达到或超越规定的标准。
资料内容可按真实状况进⾏条款调整,套⽤时请仔细阅读。
第⼀条严格遵守《进⼊作业现场安全通则》。
第⼆条作业前检查⼯属具符合要求。
第三条换托辊前要得到值班长和中控室值班员允许,现场锁好两个急停。
第四条拆卸托辊防⽌伤⼈。
在爬坡⽪带拆托辊时,坡下不准站⼈。
第五条扛托辊⾏⾛注意脚下,防⽌磕绊,上下坡道、阶梯防跌倒。
托辊不能放在⽪带斜坡上。
第六条⽪带两侧⼈员要互相配合,随时喊话联系。
使⽤撬棍⼩⼼伤⼿。
第七条不得钻⼊两层⽪带之间安装托辊,不得从堆料机尾车下⽅、栈桥卸料⼩车下⽅钻过。
请在该处输⼊组织/单位名称Please Enter The Name Of Organization / Organization Here。
更换托辊挡料皮子安全操作规程范文托辊挡料皮子是用于防止物料滑落的一种安全装置,安全操作规程是为了保障托辊挡料皮子的有效使用,避免发生事故和伤害。
以下是托辊挡料皮子的安全操作规程范文:一、目的本规程旨在规范托辊挡料皮子的使用,确保工作场所的安全和人员的身体健康。
二、适用范围本规程适用于所有使用托辊挡料皮子的工作场所和人员。
三、安全操作规程1. 在使用托辊挡料皮子之前,必须进行相关培训,了解操作规程和注意事项。
2. 托辊挡料皮子的安装必须由专业人员进行,确保牢固可靠。
3. 在使用托辊挡料皮子之前,必须检查其是否完好无损,如有损坏或松动,应及时更换或修复。
4. 使用托辊挡料皮子时,必须确保其与物料接触表面光滑,避免摩擦力降低,导致物料滑落。
5. 在挡料过程中,操作人员必须站在安全位置,远离机械设备和物料的危险区域。
6. 在更换托辊挡料皮子时,必须关闭相关机械设备的电源,并进行安全隔离,防止误操作造成伤害。
7. 更换托辊挡料皮子时,必须使用适当的工具和装备,并遵守安全操作要求。
8. 更换托辊挡料皮子时,必须确保其与机械设备的配件和接口相符合,且安装稳固。
9. 使用托辊挡料皮子时,必须对其进行定期检查和维护,确保其性能和安全性。
10. 出现托辊挡料皮子故障或异常情况时,必须停止使用,并及时报告相关责任人,进行处理和维修。
11. 在使用托辊挡料皮子过程中,必须注意周围环境和其他工作人员,确保操作安全和协作顺利。
12. 托辊挡料皮子的使用结束后,必须进行清理和维护,保持工作场所的整洁和安全。
四、责任与处罚1. 工作场所的负责人必须对托辊挡料皮子的安装和使用负有管理责任,并确保安全操作规程的执行。
2. 违反安全操作规程的人员,将受到相应处罚,包括口头警告、记过处分、罚款等。
3. 对于造成事故或伤害的严重违规行为,将追究法律责任,并进行相应的赔偿。
五、培训和宣传1. 根据实际情况,应定期进行托辊挡料皮子的相关培训,并进行考核。
更换托辊挡料皮子安全操作规程范本托辊挡料皮子是工业生产过程中常用的辅助设备,用于防止物料在输送过程中滑落或溜落,保障生产安全和物料顺利运输。
为了确保员工在使用托辊挡料皮子时的安全操作,以下是一份____字的托辊挡料皮子安全操作规程范本。
第一章总则第一条目的和依据1.1 为保障员工在使用托辊挡料皮子时的安全,制定本操作规程。
1.2 本操作规程依据《中华人民共和国安全生产法》及相关法律法规。
1.3 本操作规程适用于所有使用托辊挡料皮子的场所和部门。
第二条术语和定义2.1 托辊挡料皮子:用于防止物料在传输过程中滑落或溜落的装置。
2.2 操作人员:使用托辊挡料皮子的员工。
2.3 管理人员:负责托辊挡料皮子安全管理的责任人员。
第三条安全责任3.1 公司负有保证员工操作托辊挡料皮子时的安全责任。
3.2 管理人员应对员工进行安全培训和指导,确保员工熟悉操作规程。
第四条安全教育和培训4.1 公司应定期组织托辊挡料皮子的安全教育和培训活动。
4.2 操作人员应参加公司组织的安全教育和培训,并经考核合格后方可操作托辊挡料皮子。
第五条安全设施5.1 公司应按照相关标准和规范,配备托辊挡料皮子所需的安全设施。
5.2 安全设施应保持完好和正常运行,必要时应进行维护和修理。
第二章安全操作要求第六条操作前的准备6.1 操作人员应穿戴符合安全要求的工作服和防护装备。
6.2 检查托辊挡料皮子的工作状态,确保正常运行和使用。
6.3 确定物料输送的方向和需要用到的托辊挡料皮子数量。
第七条操作过程中的注意事项7.1 操作人员应熟悉托辊挡料皮子的操作原理和使用方法。
7.2 操作人员应按照规定的路径和方法进行操作,严禁随意拆卸、更换或移动托辊挡料皮子。
7.3 在操作过程中,应时刻注意物料的运行情况和托辊挡料皮子的工作状态,发现异常应及时停车检修。
7.4 禁止在物料运行过程中随意触碰托辊挡料皮子或将手、脚等物体伸入皮子内部。
7.5 禁止在托辊挡料皮子工作过程中拖拉、碾压或撞击其他物体。
更换托辊挡料皮子安全操作规程模版托辊挡料皮子操作规程1. 操作目的为了确保托辊挡料皮子的安全使用和操作,减少事故和人员伤害的发生。
2. 安全装备在操作托辊挡料皮子之前,操作人员必须佩戴以下安全装备:- 安全帽,以保护头部免受外界冲击;- 护目镜或面罩,以防止眼部受伤;- 防护手套,以保护双手免受伤害;- 防滑鞋,以增加脚部的稳定性。
3. 操作流程3.1 检查在使用托辊挡料皮子之前,操作人员应该检查以下事项:- 检查托辊挡料皮子的外观是否完好,如果有明显损坏则禁止使用;- 检查托辊挡料皮子的固定装置是否牢固,如有松动应及时修理;- 检查托辊挡料皮子周围是否有障碍物,如有应清理干净。
3.2 操作方法- 将托辊挡料皮子放置在工作区域内,并确保其平稳放置;- 确保托辊挡料皮子与物料之间的接触面充分;- 使用合适的工具将托辊挡料皮子固定在所需位置上;- 检查托辊挡料皮子的固定情况,确保其牢固可靠;- 在操作过程中维持适当的姿势和姿态,避免过度劳累;- 在操作结束后,将托辊挡料皮子从物料上移除,并妥善存放。
4. 安全注意事项4.1 不得将托辊挡料皮子用于非指定场合和用途;4.2 在使用托辊挡料皮子时,不得戴有松散的衣物或配饰,以免被夹住;4.3 不得将手放在托辊挡料皮子下方或四周,以免造成手部受伤;4.4 操作时不要过度倾斜或抖动托辊挡料皮子,以免物料滑落或掉落;4.5 操作人员应当经过专门的培训,且具备相关的操作证书;4.6 使用托辊挡料皮子时,应注意与周围人员保持适当的安全距离;4.7 如发现托辊挡料皮子存在问题或异常情况,应及时停止使用,并通知相关工作人员;4.8 在操作过程中,严禁酗酒、吸烟等影响判断力和反应能力的行为。
5. 紧急处理措施在发生紧急情况时,应采取以下措施:- 立即停止操作托辊挡料皮子,并通知相关人员;- 如有人员受伤,应及时拨打急救电话并提供相应的医疗帮助;- 如有火灾或爆炸等危险情况,应按照应急预案进行处理;- 在紧急情况得到控制后,对事故原因进行调查和分析,并采取相应的预防措施。
更换托辊挡料皮子安全操作规程模版托辊挡料皮子更换安全操作规程模版1. 目的和适用范围本操作规程的目的是为了确保托辊挡料皮子更换过程中操作人员的安全,防止事故的发生,适用于所有托辊挡料皮子更换作业。
2. 术语和定义2.1 托辊挡料皮子:用于防止物料从托辊上滑落的橡胶条。
2.2 操作人员:指执行托辊挡料皮子更换作业的人员。
2.3 班组长:指负责指导并管理托辊挡料皮子更换作业的人员。
3. 操作要求3.1 操作人员必须经过技术培训和考核后方可从事托辊挡料皮子更换作业。
3.2 操作人员必须佩戴防护设备,包括安全帽、防护眼镜、耳塞、手套等。
3.3 操作人员必须熟悉托辊挡料皮子更换作业的操作规程,并按规程操作。
3.4 操作人员必须在进行托辊挡料皮子更换作业前仔细检查设备和工作环境,确保安全。
3.5 操作人员在更换托辊挡料皮子时,必须使用专用工具,并按照正确的操作方法进行更换。
3.6 操作人员在更换托辊挡料皮子时,必须确保设备停机,并采取必要的措施防止设备误启动。
3.7 操作人员在更换托辊挡料皮子时,必须遵守安全作业规程,严禁疏忽大意、擅自修改设备等。
3.8 操作人员必须及时清理现场,将废弃的托辊挡料皮子及时清理并妥善处理。
3.9 班组长必须对操作人员进行安全培训和指导,定期检查操作人员的安全意识和操作规范。
4. 操作步骤4.1 检查设备和工作环境4.1.1 操作人员在进行托辊挡料皮子更换作业前,必须仔细检查设备和工作环境,确保安全。
4.1.2 检查设备是否停机,并将相应的开关拉到停止位置。
4.1.3 检查工作环境是否整洁,无杂物和障碍物。
4.2 穿戴防护设备4.2.1 操作人员在进行托辊挡料皮子更换作业前,必须穿戴防护设备,包括安全帽、防护眼镜、耳塞、手套等。
4.3 更换托辊挡料皮子4.3.1 准备工作4.3.1.1 操作人员确认设备已停机,并拉起相应的开关。
4.3.1.2 操作人员确认专用工具齐备,并处于正常工作状态。
操作规程编号:LX-FS-A73652
更换托辊作业安全操作规程标准范
本
In The Daily Work Environment, The Operation Standards Are Restricted, And Relevant Personnel Are Required To Abide By The Corresponding Procedures And Codes Of Conduct, So That The Overall Behavior
Can Reach The Specified Standards
编写:_________________________
审批:_________________________
时间:________年_____月_____日
A4打印/ 新修订/ 完整/ 内容可编辑
更换托辊作业安全操作规程标准范
本
使用说明:本操作规程资料适用于日常工作环境中对既定操作标准、规范进行约束,并要求相关人员共同遵守对应的办事规程与行动准则,使整体行为或活动达到或超越规定的标准。
资料内容可按真实状况进行条款调整,套用时请仔细阅读。
第一条严格遵守《进入作业现场安全通则》。
第二条作业前检查工属具符合要求。
第三条换托辊前要得到值班长和中控室值班员允许,现场锁好两个急停。
第四条拆卸托辊防止伤人。
在爬坡皮带拆托辊时,坡下不准站人。
第五条扛托辊行走注意脚下,防止磕绊,上下坡道、阶梯防跌倒。
托辊不能放在皮带斜坡上。
第六条皮带两侧人员要互相配合,随时喊话联系。
使用撬棍小心伤手。
第七条不得钻入两层皮带之间安装托辊,不得从堆料机尾车下方、栈桥卸料小车下方钻过。
请在该处输入组织/单位名称
Please Enter The Name Of Organization / Organization Here。