【CN209698145U】一种超细金银丝切丝用特制的切丝机【专利】
- 格式:pdf
- 大小:1.46 MB
- 文档页数:15
(19)中华人民共和国国家知识产权局(12)实用新型专利(10)授权公告号 (45)授权公告日 (21)申请号 201920520829.2(22)申请日 2019.04.17(73)专利权人 黄友红地址 635299 四川省达州市渠县天星镇文昌村2组85号(72)发明人 黄友红 (74)专利代理机构 广州三辰专利事务所(普通合伙) 44227代理人 黄鸿(51)Int.Cl.A47J 43/25(2006.01)B26D 1/10(2006.01)B26D 3/00(2006.01)B26D 5/08(2006.01)B26D 7/02(2006.01)(54)实用新型名称一种多功能切菜切丝装置(57)摘要本实用新型公开了一种多功能切菜切丝装置,包括电控柜和压菜室,所述电控柜安装在所述压菜室的端部,所述压菜室的下方设置有刨丝板,所述刨丝板下方设置有菜筐,所述电控柜的侧壁上内嵌设置有变频控制器,所述刨丝板的端部一体化锻造成型有齿槽传动板,所述齿槽传动板的另一端与所述电控柜内壁上安装的复位弹簧相连接,所述齿槽传动板通过齿槽与传动齿轮轴传动连接,所述传动齿轮轴的一段与安装在所述电控柜内壁上的滑槽转动连接,所述传动齿轮轴的另一端安装在变速箱上,该种多功能切菜切丝装置,操作简单、使用方便、安全性高,同时也更加卫生,可以在人们烹饪的同时进行切菜、切丝作业,不占用额外的时间,提高了人们烹饪的便捷性。
权利要求书1页 说明书3页 附图3页CN 210019076 U 2020.02.07C N 210019076U权 利 要 求 书1/1页CN 210019076 U1.一种多功能切菜切丝装置,其特征在于:包括电控柜(1)和压菜室(5),所述电控柜(1)安装在所述压菜室(5)的端部,所述压菜室(5)的下方设置有刨丝板(4),所述刨丝板(4)下方设置有菜筐(3),所述电控柜(1)的侧壁上内嵌设置有变频控制器(2),所述刨丝板(4)的端部一体化锻造成型有齿槽传动板(6),所述齿槽传动板(6)的另一端与所述电控柜(1)内壁上安装的复位弹簧(11)相连接,所述齿槽传动板(6)通过齿槽与传动齿轮轴(9)传动连接,所述传动齿轮轴(9)的一段与安装在所述电控柜(1)内壁上的滑槽(10)转动连接,所述传动齿轮轴(9)的另一端安装在变速箱(8)上,所述变速箱(8)与电机(7)传动连接,所述电机(7)与所述变频控制器(2)电连接。
(19)中华人民共和国国家知识产权局(12)实用新型专利(10)授权公告号 (45)授权公告日 (21)申请号 201920544951.3(22)申请日 2019.04.22(73)专利权人 张柯楠地址 450000 河南省郑州市中原区互助路9号院2号楼3单元2802号(72)发明人 张浩 张柯楠 柯亚玲 (74)专利代理机构 郑州知一智业专利代理事务所(普通合伙) 41172代理人 刘彩霞(51)Int.Cl.B26D 1/08(2006.01)B26D 5/10(2006.01)(54)实用新型名称食材切丝机用刀具(57)摘要本实用新型涉及食材切丝机用刀具,所述刀具为矩形结构,刀具的底部具有上大下小且凹面朝前的弧形面,弧形面上左右间隔地设有一排片状切割部,片状切割部的外缘由两个直角边和连接在两直角边之间的弧形边围成,弧形边贴在弧形面上并与弧形面垂直。
使用该刀具切食材时,刀具与食材呈垂直关系,弧形面的底边在前后方向上将食材切断,片状切割部在左右方向上将薄片食材切成丝,与手动刀效果相同。
相比于现有技术,一次成型,成丝又快又均匀,弧形面可避免食材丝粘贴,成丝后直接落下。
权利要求书1页 说明书2页 附图3页CN 209755304 U 2019.12.10C N 209755304U权 利 要 求 书1/1页CN 209755304 U1.食材切丝机用刀具,其特征在于:所述刀具为矩形结构,刀具的底部具有上大下小且凹面朝前的弧形面,弧形面上左右间隔地设有一排片状切割部,片状切割部的外缘由两个直角边和连接在两直角边之间的弧形边围成,弧形边贴在弧形面上并与弧形面垂直。
2.根据权利要求1所述的食材切丝机用刀具,其特征在于:食材切丝机用刀具包括矩形结构的刀具连接板和可拆卸地装配在刀具连接板底部的刀片,所述弧形面和片状切割部设置在刀片上。
3.根据权利要求2所述的食材切丝机用刀具,其特征在于:刀具连接板的顶部设有供人操作的手柄。
专利名称:一种切丝机
专利类型:实用新型专利
发明人:吴华友
申请号:CN201320611385.6申请日:20130930
公开号:CN203460222U
公开日:
20140305
专利内容由知识产权出版社提供
摘要:本实用新型涉及一种切丝机,其主要由:滚筒一、滚筒二、隔离板、运输板、外壳一、外壳二、外壳三组成;所述滚筒一、滚筒二并列固定在底座上方运、输板的端部;滚筒一、滚筒二上设置有刀口一样的切槽,运输板位于外壳一、外壳二之间,并与外壳一、外壳二形成运输槽,连通整个切丝机;所述外壳一与外壳二对称设置在运输板两边;外壳三在位于切丝机的顶端,成拱形通孔结构;所述隔离板位于运输板上并将运输槽分隔成均匀的小槽;所述滚筒一、滚筒二上的刀口相互配合。
本实用新型切丝机可根据适时需要调节产品切丝的速度。
既提高了生产效率,又能降低了生产成本,非常适合大规模生产的需要。
申请人:贵州省遵义县贵三红食品有限责任公司
地址:563100 贵州省遵义市遵义县三岔镇红星村
国籍:CN
代理机构:重庆博凯知识产权代理有限公司
代理人:李雪梅
更多信息请下载全文后查看。
专利名称:一种金银丝生产中裁切装置专利类型:实用新型专利
发明人:陈金富
申请号:CN201721791338.9
申请日:20171220
公开号:CN208321940U
公开日:
20190104
专利内容由知识产权出版社提供
摘要:本实用新型涉及一种裁切装置,更具体的说是一种金银丝生产中裁切装置,可以通过可移动线切割装置改变裁切丝材的长度,传送装置设有多个滑道,可以进行多个丝材同时的裁切,传送装置还可以对裁切好的丝材进行运输,一种金银丝生产中裁切装置,包括丝材固定装置、可移动线切割装置、传送装置和装置底板,通过可移动线切割装置中的切割装置对丝材进行切割,变向装置实现了切割装置对丝材进行往复切割,可移动线切割装置通过装置后支架滑动连接在底板上,实现丝材裁切长度的调节,传送带上设有多个滑道和多个刀轨,所述传送带上的多个滑道和多个刀轨两两互相垂直,丝材可沿着传送带上的多个滑道被切割装置裁切,传送装置可以对裁切好的丝材进行运输。
申请人:浙江飞翔线业有限公司
地址:322100 浙江省金华市东阳经济开发区长松岗功能区曙光街899号
国籍:CN
代理机构:杭州斯可睿专利事务所有限公司
代理人:周豪靖
更多信息请下载全文后查看。
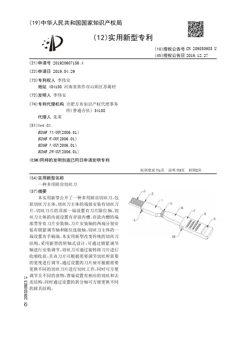
(19)中华人民共和国国家知识产权局(12)实用新型专利(10)授权公告号 (45)授权公告日 (21)申请号 201920607156.4(22)申请日 2019.04.29(73)专利权人 李伟安地址 454150 河南省焦作市山阳区苏蔺村(72)发明人 李伟安 (74)专利代理机构 合肥方舟知识产权代理事务所(普通合伙) 34158代理人 朱荣(51)Int.Cl.B26B 11/00(2006.01)B26B 9/00(2006.01)B26B 1/02(2006.01)B26B 29/02(2006.01)(ESM)同样的发明创造已同日申请发明专利(54)实用新型名称一种多用厨房切丝刀(57)摘要本实用新型公开了一种多用厨房切丝刀,包括切丝刀主体,切丝刀主体的端部安装有切丝刀片,切丝刀片的顶部一端设置有刀片限位轴,切丝刀主体的内部设置有存放内槽,存放内槽的端部贯穿有刀片安装轴,刀片安装轴的两端分别安装有锁紧调节轴和限位连接轴,切丝刀主体的一端设置有手柄端。
本实用新型改变传统的切丝刀结构,采用新型的转轴式设计,可通过锁紧调节轴进行安装调节,切丝刀可通过旋转将刀片进行收缩收放,且该刀片可根据需要调节切丝所需要的宽度进行调节,通过设置的刀片座可根据需要更换不同的切丝刀片进行切丝工作,同时可方便调节且不同的食物,背端设置有相应的切丝和去皮结构,同时通过设置的拆分轴可方便更换不同的厨具结构。
权利要求书1页 说明书3页 附图2页CN 209850983 U 2019.12.27C N 209850983U权 利 要 求 书1/1页CN 209850983 U1.一种多用厨房切丝刀,包括切丝刀主体(1),其特征在于,所述切丝刀主体(1)的端部安装有切丝刀片(3),所述切丝刀片(3)的顶部一端设置有刀片限位轴(2),所述切丝刀主体(1)的内部设置有存放内槽(11),所述存放内槽(11)的端部贯穿有刀片安装轴(12),所述刀片安装轴(12)的两端分别安装有锁紧调节轴(4)和限位连接轴(13),所述切丝刀主体(1)的一端设置有手柄端(6),所述手柄端(6)上设置有防滑条(5),所述手柄端(6)的端部安装有连接盖(7),所述连接盖(7)的表面设置有削丝器(8),所述削丝器(8)的一侧设置有去皮刀片(9)。
专利名称:一种自动化木耳切丝机专利类型:实用新型专利
发明人:卓继纬,张炳新
申请号:CN201820194085.5申请日:20180205
公开号:CN207972008U
公开日:
20181016
专利内容由知识产权出版社提供
摘要:本实用新型公开了一种自动化木耳切丝机,包括切丝台、切刀、支架、杂物盒、过滤网,所述切丝台下方设置有所述支架,所述支架内侧设置有所述杂物盒,所述杂物盒上方的所述切丝台上设置有所述过滤网,所述过滤网上方设置有传送链,所述切丝台下方靠近所述支架的位置设置有第一电动机,所述第一电动机上方连接到所述传送链,所述传送链上方设置有下料箱,所述切丝台上方设置有出丝窗,所述出丝窗上方设置有顶板,所述顶板与所述出丝窗连接的位置设置有第二电动机。
有益效果在于:智能化程度更高,切丝速度更快,将清洗和切丝同时完成,使用更加便捷,结构设计更加合理,操作方式简单,木耳切丝后宽度均匀,更加美观,使用寿命更长。
申请人:大地生机(福建)农业发展有限公司
地址:364000 福建省龙岩市上杭县工业园区三期李家坪
国籍:CN
代理机构:北京科家知识产权代理事务所(普通合伙)
代理人:陈娟
更多信息请下载全文后查看。
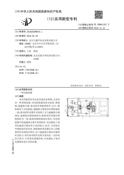
(19)中华人民共和国国家知识产权局(12)实用新型专利(10)授权公告号 (45)授权公告日 (21)申请号 201920209640.1(22)申请日 2019.02.19(73)专利权人 北京天越华冶金设备有限公司地址 100067 北京市丰台区草桥欣园二区12号楼1单元1405室(72)发明人 王俊 杨斌 (74)专利代理机构 北京品源专利代理有限公司11332代理人 胡彬(51)Int.Cl.B23K 7/00(2006.01)B23K 7/10(2006.01)(54)实用新型名称一种切割装置(57)摘要本实用新型涉及冶金设备技术领域,尤其涉及一种切割装置。
该切割装置包括安装架、摆枪轴、超越离合器、驱动组件和配重组件,其中,摆枪轴用于安装割枪;超越离合器套设在摆枪轴的一端;驱动组件设置在安装架上且与超越离合器相连,能够驱动摆枪轴转动;配重组件设置在摆枪轴的另一端,能够使摆枪轴返回原位。
该切割装置中的超越离合器不需要供电,从而避免了使用电磁离合器容易卡死的缺点;此外,当切割完毕割枪返回原位时,摆枪轴依靠设置在其上的配重组件实现返回原位,由于超载离合器反向旋转时无阻力,所以驱动组件反转只需设定一定时间停止即可,不依靠传感器控制,从而避免了使用传感器容易失灵的问题。
权利要求书1页 说明书4页 附图4页CN 209614517 U 2019.11.12C N 209614517U权 利 要 求 书1/1页CN 209614517 U1.一种切割装置,包括安装架(1),其特征在于,还包括:摆枪轴(2),用于安装割枪(6);超越离合器(3),套设在所述摆枪轴(2)的一端;驱动组件(4),设置在所述安装架(1)上且与所述超越离合器(3)相连,能够驱动所述摆枪轴(2)转动;配重组件(8),设置在所述摆枪轴(2)的另一端,能够使所述摆枪轴(2)复位。
2.根据权利要求1所述的切割装置,其特征在于,还包括:传动组件(5),包括相配合的主动齿轮(51)和从动齿轮(52),所述主动齿轮(51)与所述驱动组件(4)相连接,所述从动齿轮(52)与所述超越离合器(3)相连接。
(19)中华人民共和国国家知识产权局
(12)实用新型专利
(10)授权公告号 (45)授权公告日 (21)申请号 201920587112.X
(22)申请日 2019.04.26
(73)专利权人 浙江飞翔线业有限公司
地址 322109 浙江省金华市东阳经济开发
区长松岗功能区曙光街899号
(72)发明人 陈英飞 陈金富
(74)专利代理机构 北京君恒知识产权代理事务
所(普通合伙) 11466
代理人 张强
(51)Int.Cl.
B23D 19/04(2006.01)
B21D 43/02(2006.01)
(54)实用新型名称一种超细金银丝切丝用特制的切丝机(57)摘要本实用新型涉及金属切丝术领域,更具体的说是一种超细金银丝切丝用特制的切丝机,包括切丝机固定底座、动力切丝装置、限位滚动装置和滚动缠绕装置,把金银片缠绕固定在转动辊上,让金银片与连接滚柱接触,再把金银片从两个切丝辊之间穿过,这时金银片位于两个漏板之间,金银片与滚动圆柱接触,再把金银片的外端固定连接在固定条与缠绕辊之间,启动两个电动机,电动机通过皮带轮II与皮带轮I通过皮带传动连接带动缠绕辊转动,转动的缠绕辊对金银片进行缠绕,这时金银片就会向下滑动,这时金银片就会被两个切丝辊进行切割,让金银片变成金
银丝。
权利要求书1页 说明书5页 附图8页CN 209698145 U 2019.11.29
C N 209698145
U
权 利 要 求 书1/1页CN 209698145 U
1.一种超细金银丝切丝用特制的切丝机,包括切丝机固定底座(1)、动力切丝装置(2)、限位滚动装置(3)和滚动缠绕装置(4),其特征在于:所述的动力切丝装置(2)与切丝机固定底座(1)固定连接,限位滚动装置(3)和滚动缠绕装置(4)均固定连接在动力切丝装置(2)的上端。
2.根据权利要求1所述的一种超细金银丝切丝用特制的切丝机,其特征在于:所述的切丝机固定底座(1)包括底板(1-1)、固定板(1-2)、轴承座I(1-3)、缠绕轴(1-4)、键槽(1-5)、皮带轮I(1-6)、缠绕辊(1-7)、固定条(1-8)和限位螺母(1-9),底板(1-1)的右端固定连接有固定板(1-2),底板(1-1)的左端固定连接有轴承座I(1-3),轴承座I(1-3)上转动连接有缠绕轴(1-4),缠绕轴(1-4)上设置有键槽(1-5),缠绕轴(1-4)的后端固定连接有皮带轮I(1-6),缠绕辊(1-7)与缠绕轴(1-4)和键槽(1-5)滑动连接,固定条(1-8)与缠绕辊(1-7)固定连接,限位螺母(1-9)通过螺纹连接在缠绕轴(1-4)的前端。
3.根据权利要求2所述的一种超细金银丝切丝用特制的切丝机,其特征在于:所述的动力切丝装置(2)包括承载箱(2-1)、转轴(2-2)、切丝辊(2-3)、托板(2-4)、电动机(2-5)、皮带轮II(2-6)、漏板(2-7)、连接轴(2-8)和滚动圆柱(2-9),承载箱(2-1)与固定板(1-2)固定连接,承载箱(2-1)上转动连接有两个转轴(2-2),两个转轴(2-2)上均固定连接有切丝辊(2-3),承载箱(2-1)的前端固定连接有托板(2-4),托板(2-4)上固定连接有两个电动机(2-5),两个电动机(2-5)的输出轴分别与两个转轴(2-2)固定连接,位于左端转轴(2-2)的后端固定连接有皮带轮II(2-6),皮带轮II(2-6)与皮带轮I(1-6)通过皮带传动连接,承载箱(2-1)内部固定连接有两个漏板(2-7),两个漏板(2-7)之间的缝隙位于两个切丝辊(2-3)间隙的下方,位于左端漏板(2-7)的下端固定连接有连接轴(2-8),连接轴(2-8)上转动连接有滚动圆柱(2-9)。
4.根据权利要求3所述的一种超细金银丝切丝用特制的切丝机,其特征在于:所述的限位滚动装置(3)包括轴承座II(3-1)和连接滚柱(3-2),所述的轴承座II(3-1)设置有两个,两个轴承座II(3-1)分别固定连接在承载箱(2-1)上端的前后两侧,连接滚柱(3-2)的两端分别与两个轴承座II(3-1)转动连接。
5.根据权利要求4所述的一种超细金银丝切丝用特制的切丝机,其特征在于:所述的滚动缠绕装置(4)包括转动板(4-1)、插拔圆柱(4-2)、限位环(4-3)和转动辊(4-4),所述的转动板(4-1)设置有两个,两个转动板(4-1)分别固定连接在承载箱(2-1)上端的前后两侧,插拔圆柱(4-2)的前后两端分别与两个转动板(4-1)滑动连接,插拔圆柱(4-2)的前端固定连接有两个限位环(4-3),位于前端的转动板(4-1)位于两个限位环(4-3)之间,插拔圆柱(4-2)上滑动连接有转动辊(4-4)。
6.根据权利要求5所述的一种超细金银丝切丝用特制的切丝机,其特征在于:两个所述的切丝辊(2-3)上设置有切丝刃。
7.根据权利要求6所述的一种超细金银丝切丝用特制的切丝机,其特征在于:两个电动机(2-5)均与电源线连接,电源线上设置有开关。
2。