钢丝绳破断拉力一览表
- 格式:doc
- 大小:30.00 KB
- 文档页数:2
钢丝绳破断拉力表
我公司常用起重钢丝绳型号为6×37+1,公称抗拉强度为170kg/mm2,以下为几种常用直径的钢丝绳的破断拉力
钢丝绳破断拉力现场简单估算公式:
S = D2×52
—
式中S为破断拉力,单位为kg
D为钢丝绳直径,单位为mm
钢丝绳使用安全系数表
钢丝绳拉力计算举例:
1.一根钢丝绳,吊装10t重设备,两股受力,是否满足要求
钢丝绳破断拉力为29600kg,安全系数取10,则单股可受力2960kg,两股共5920kg,不能满足要求;
反过来计算,现在使用钢丝绳四股吊装10t重设备,则单股受力约为2500kg,可计算安全系数为,满足要求。
)。
钢丝绳破断拉力表
我公司常用起重钢丝绳型号为6×37+1,公称抗拉强度为170kg/mm2,以下为几种常用直径的钢丝绳的破断拉力
钢丝绳破断拉力现场简单估算公式:
S = D2×52
式中S为破断拉力,单位为kg
D为钢丝绳直径,单位为mm
钢丝绳使用安全系数表
钢丝绳拉力计算举例:
1.一根钢丝绳,吊装10t重设备,两股受力,是否满足要求
钢丝绳破断拉力为29600kg,安全系数取10,则单股可受力2960kg,两股共5920kg,不能满足要求;
反过来计算,现在使用钢丝绳四股吊装10t重设备,则单股受力约为2500kg,可计算安全系数为,满足要求。
钢丝绳破断拉力一览表标准化工作室编码[XX968T-XX89628-XJ668-XT689N]
钢丝绳破断拉力表
我公司常用起重钢丝绳型号为6×37+1,公称抗拉强度为170kg/mm2,以下为几种常用直径的钢丝绳的破断拉力
钢丝绳破断拉力现场简单估算公式:
S = D2×52
式中S为破断拉力,单位为kg
D为钢丝绳直径,单位为mm
钢丝绳使用安全系数表
钢丝绳拉力计算举例:
1.一根钢丝绳,吊装10t重设备,两股受力,是否满足要求
钢丝绳破断拉力为29600kg,安全系数取10,则单股可受力2960kg,两股共5920kg,不能满足要求;
反过来计算,现在使用钢丝绳四股吊装10t重设备,则单股受力约为2500kg,可计算安全系数为,满足要求。
钢丝绳破断拉力表
我公司常用起重钢丝绳型号为6×37+1,公称抗拉强度为170kg/mm2,以下为几种常用直径的钢丝绳的破断拉力
钢丝绳破断拉力现场简单估算公式:
S = D2×52
式中S为破断拉力,单位为kg
D为钢丝绳直径,单位为mm
钢丝绳使用安全系数表
钢丝绳拉力计算举例:
1.一根21.5mm钢丝绳,吊装10t重设备,两股受力,是否满足要求?
21.5mm钢丝绳破断拉力为29600kg,安全系数取10,则单股可受力2960kg,两股共5920kg,不能满足要求;
反过来计算,现在使用21.5mm钢丝绳四股吊装10t重设备,则单股受力约为2500kg,可计算安全系数为11.84,满足要求。
钢丝绳破断拉⼒表常见结构钢丝绳破断拉⼒表0 a5 h7 I( A( U) J4 v; l钢丝绳属性典型规格型号钢丝绳破断拉⼒计算公式点接触6*7-FCF(破断拉⼒)=直径*直径*1670/1000*0.33= KN6*7-IWSF(破断拉⼒)=直径*直径*1670/1000*0.36= KN, T9 h8 K9 ^ Q5 u* F& G& F 6x37-FCF(破断拉⼒)=直径*直径*1670/1000*0.29= KN/ Y4 O: ]& a7 N8 G [, Z6*19-FCF(破断拉⼒)=直径*直径*1670/1000*0.3= KN) h6 h+ I: n: ? G! k8 j6*19-iwsF(破断拉⼒)=直径*直径*1670/1000*0.33= KN起重机论坛|吊车论坛|吊装论坛|⼯程机械论坛|起重机⽹|⼯程机械⽹|履带吊出租|汽车吊出租4 N, r6 `( V! V3 L# d7 g* _( E" X5 s6x37-iwrcF(破断拉⼒)=直径*直径*1670/1000*0.32= KN电梯钢丝绳-线接触8x19sF(破断拉⼒)=直径*直径*1670/1000*0.29= KN多层股线接触18x19SF(破断拉⼒)=直径*直径*1670/1000*0.339= KN起重机BBS0 r' C0 G2 s/ S" A7 D) d" ^点接触捆绑⽤6x12-7FCF(破断拉⼒)=直径*直径*1670/1000*0.28= KN起重机论坛|吊车论坛|吊装论坛|⼯程机械论坛|起重机⽹|⼯程机械⽹|履带吊出租|汽车吊出租: S- Q( B' ?+ O2 s& l8 O, \线接触打井6x36SW-FC ⿇芯F(破断拉⼒)=直径*直径*1770/1000*0.33 = KN. y% F" C' ~8 c线接触6x36SW-IWRC 钢芯F(破断拉⼒)=直径*直径*1770/1000*0.36= KN4 I1 C e# m& ~& ?3 Z/ f( H/ l⾯接触及线接触6K*36SW-FC ⿇芯起重机BBS) d" K# b: q. X x* _' n⾯接触及线接触6K*36SW-IWRC 钢芯5 E0 W/ y! O8 G& t* m多层股18*7F(破断拉⼒)=直径*直径*1770/1000*0.327= KN19x7 35W*7 18*19SF(破断拉⼒)=直径*直径*1770/1000*0.318= KN起重机论坛|吊车论坛|吊装论坛|⼯程机械论坛|起重机⽹|⼯程机械⽹|履带吊出租|汽车吊出租/ u8 @, {0 e+ n1 n1 m* Y0 l0 d4 k ⾯接触多层股18K*719*7K 35KW*7K起重机论坛|吊车论坛|吊装论坛|⼯程机械论坛|起重机⽹|⼯程机械⽹|履带吊出租|汽车吊出租% ^6 |5 [9 r; @0 a; k+ /doc/e44f3d2f03d8ce2f006623f6.html . Y! |* p4 R' H钢丝绳属性典型规格型号钢丝绳破断拉⼒计算公式点接触6*7-FCF(破断拉⼒)=直径*直径*1670/1000*0.33= KN6*7-IWSF(破断拉⼒)=直径*直径*1670/1000*0.36= KN" t: N! H. n* B5 B2 ~6x37-FCF(破断拉⼒)=直径*直径*1670/1000*0.29= KN6*19-FCF(破断拉⼒)=直径*直径*1670/1000*0.3= KN6*19-iwsF(破断拉⼒)=直径*直径*1670/1000*0.33= KN6x37-iwrcF(破断拉⼒)=直径*直径*1670/1000*0.32= KN3 N% e3 `0 L' A0 A- b+ \# |电梯钢丝绳-线接触8x19sF(破断拉⼒)=直径*直径*1670/1000*0.29= KN多层股线接触18x19SF(破断拉⼒)=直径*直径*1670/1000*0.339= KN点接触捆绑⽤6x12-7FCF(破断拉⼒)=直径*直径*1670/1000*0.28= KN+ {/ I- J& i: o: ~5 X线接触打井6x36SW-FC ⿇芯F(破断拉⼒)=直径*直径*1770/1000*0.33 = KN线接触6x36SW-IWRC 钢芯F(破断拉⼒)=直径*直径*1770/1000*0.36= KN- H7 Q. I&F# b+ { I⾯接触及线接触6K*36SW-FC ⿇芯/ u: \+ y" i. I5 q⾯接触及线接触6K*36SW-IWRC 钢芯起重机论坛|吊车论坛|吊装论坛|⼯程机械论坛|起重机⽹|⼯程机械⽹|履带吊出租|汽车吊出租, N8 u2 G- F$ Z- S- j. r- {多层股18*7F(破断拉⼒)=直径*直径*1770/1000*0.327= KN0 E! y2 a0 m3 |6 `/ D5Y0 ?$ w19x7 35W*7 18*19SF(破断拉⼒)=直径*直径*1770/1000*0.318= KN⾯接触多层股18K*72 S& p6 D8 J4 l5 x! _19*7K 35KW*7K# g8 |" \' {& y0 K$ C; U6 r" _这⾥给⼤家⼀个钢丝绳GB破断拉⼒计算表,注意是单根破断拉⼒,得出的数据是千⽜,如需转换成公⽄,则KN÷/doc/e44f3d2f03d8ce2f006623f6.html . F9 Y. y3 y- W( N( Y; d起重机论坛|吊车论坛|吊装论坛|⼯程机械论坛|起重机⽹|⼯程机械⽹|履带吊出租|汽车吊出租7 o1 U# u9 Z2 j7 [钢丝绳属性典型规格型号钢丝绳破断拉⼒计算公式点接触6*7-FC F(破断拉⼒)=直径*直径*1670/1000*0.33= KN6*7-IWS F(破断拉⼒)=直径*直径*1670/1000*0.36= KN 起重机论坛|吊车论坛|吊装论坛|⼯程机械论坛|起重机⽹|⼯程机械⽹|履带吊出租|汽车吊出租, N3 ^1 O- f1 R- _6x37-FC F(破断拉⼒)=直径*直径*1670/1000*0.29= KN6*19-FC F(破断拉⼒)=直径*直径*1670/1000*0.3= KN6*19-iws F(破断拉⼒)=直径*直径*1670/1000*0.33= KN /doc/e44f3d2f03d8ce2f006623f6.html / l9 U K0 F0 j- B6x37-iwrc F(破断拉⼒)=直径*直径*1670/1000*0.32= KN : n* ?$ t! s$ S& _' ]电梯钢丝绳-线接触0 F, A6 F* \# E6 q: a8x19s F(破断拉⼒)=直径*直径*1670/1000*0.29= KN起重机论坛|吊车论坛|吊装论坛|⼯程机械论坛|起重机⽹|⼯程机械⽹|履带吊出租|汽车吊出租1 |9 F' f5 L0 y1 C7 r8 Q# J6 b6 {: ]9 J; ]; K! R4 J+ L多层股线接触" Z+ k8 I' V! a1 w8 y6 d) `18x19S F(破断拉⼒)=直径*直径*1670/1000*0.339= KN/doc/e44f3d2f03d8ce2f006623f6.html 2 q* f. |! Q: S, t点接触捆绑⽤起重机论坛|吊车论坛|吊装论坛|⼯程机械论坛|起重机⽹|⼯程机械⽹|履带吊出租|汽车吊出租9 i/D" z& U- J) ?4 D9 `- J6x12-7FC F(破断拉⼒)=直径*直径*1670/1000*0.28= KN * z' \6 E- R/ a$ q线接触打井起重机BBS. _0 E; }; K# l: Q% f( U; N- b6x36SW-FC ⿇芯F(破断拉⼒)=直径*直径*1770/1000*0.33 = KN/doc/e44f3d2f03d8ce2f006623f6.html "h( c( A H3 ~0 h起重机论坛|吊车论坛|吊装论坛|⼯程机械论坛|起重机⽹|⼯程机械⽹|履带吊出租|汽车吊出租1 N4 [) ~' i) F9 ~: s线接触6x36SW-IWRC 钢芯F(破断拉⼒)=直径*直径*1770/1000*0.36= KN多层股/doc/e44f3d2f03d8ce2f006623f6.html % u; |. I! q# u9 U$ ~ 18*7 F(破断拉⼒)=直径*直径*1770/1000*0.327= KN19x7 35W*7 18*19S F(破断拉⼒)=直径*直径*1770/1000*0.318= KN钢丝绳属性典型规格型号钢丝绳破断拉⼒计算公式点接触6*7-FC F(破断拉⼒)=直径*直径*1670/1000*0.33= KN6*7-IWS F(破断拉⼒)=直径*直径*1670/1000*0.36= KN6x37-FC F(破断拉⼒)=直径*直径*1670/1000*0.29= KN6*19-FC F(破断拉⼒)=直径*直径*1670/1000*0.3= KN6*19-iws F(破断拉⼒)=直径*直径*1670/1000*0.33= KN6x37-iwrc F(破断拉⼒)=直径*直径*1670/1000*0.32= KN电梯钢丝绳-线接触8x19s F(破断拉⼒)=直径*直径*1670/1000*0.29= KN多层股线接触18x19S F(破断拉⼒)=直径*直径*1670/1000*0.339= KN点接触捆绑⽤6x12-7FC F(破断拉⼒)=直径*直径*1670/1000*0.28= KN线接触打井6x36SW-FC ⿇芯F(破断拉⼒)=直径*直径*1770/1000*0.33 = KN线接触6x36SW-IWRC 钢芯F(破断拉⼒)=直径*直径*1770/1000*0.36= KN⾯接触及线接触6K*36SW-FC ⿇芯⾯接触及线接触6K*36SW-IWRC 钢芯多层股18*7 F(破断拉⼒)=直径*直径*1770/1000*0.327= KN19x7 35W*7 18*19S F(破断拉⼒)=直径*直径*1770/1000*0.318=以上来之于南通⼒森特种钢丝绳有限公司⽹站上的技术参数F=30×30×1770/1000×0.33=525.69KN。
钢丝绳破断拉力表之老阳三干创作我公司经常使用起重钢丝绳型号为6×37+1,公称抗拉强度为170kg/mm2,以下为几种经常使用直径的钢丝绳的破断拉力
钢丝绳破断拉力现场简单估算公式:
S = D2×52
式中S为破断拉力,单位为kg
D为钢丝绳直径,单位为mm
钢丝绳使用平安系数表
钢丝绳拉力计算举例:
1.一根21.5mm钢丝绳,吊装10t重设备,两股受力,是否满足要求?
21.5mm钢丝绳破断拉力为29600kg,平安系数取10,则单股可受力2960kg,两股共5920kg,不克不及满足要求;
反过来计算,现在使用21.5mm钢丝绳四股吊装10t重设备,则单股受力约为2500kg,可计算平安系数为11.84,满足要求。
钢丝绳破断拉力表我公司常用起重钢丝绳型号为6× 37+1,公称抗拉强度为170kg/mm2,以下为几种常用直径的钢丝绳的破断拉力直径( mm)钢丝总断面积重量钢丝绳破断钢丝绳钢丝(mm2)(kg / m)拉力( kg)8.70.427.8826.214730110.543.5740.967400130.662.7458.9810650150.785.3980.271450017.50.8111.53104.81895019.50.9141.16132.72395021.51174.27163.82960024 1.1210.87198.23580026 1.2250.95235.94265028 1.3294.52276.85005032.5 1.5392.11368.666650432697.08655.31185006531568.431474.3266500钢丝绳破断拉力现场简单估算公式:S = D2×52式中 S 为破断拉力,单位为kgD 为钢丝绳直径,单位为mm钢丝绳使用安全系数表使用情况安全系数用做缆风绳时 3.5用做吊索无弯曲时6到 7用于机动起重设备时5到 6用于捆绑时8到 10用于载人升降机时14钢丝绳拉力计算举例:1.一根 21.5mm 钢丝绳,吊装10t 重设备,两股受力,是否满足要求?21.5mm 钢丝绳破断拉力为29600kg,安全系数取10,则单股可受力2960kg,两股共5920kg,不能满足要求;反过来计算,现在使用21.5mm 钢丝绳四股吊装10t 重设备,则单股受力约为2500kg ,可计算安全系数为11.84,满足要求。
钢丝绳破断拉力表
我公司常用起重钢丝绳型号为6*37+1,公称抗拉强度为170kg/mm2,以下为几种常用直径的钢丝绳的破断拉力。
钢丝绳破断拉力现场简单估算公式S=D²×52
式中S为破断拉力,单位为kg
D为钢丝绳直径,单位为mm
钢丝绳使用安全系数表
钢丝绳拉力计算举例:
一根钢丝绳,吊装10t重设备,两股受力,是否满足要求
钢丝绳破断拉力为29600kg,安全系数取10,则单股可受力为2960kg 两股共5920kg,不能满足要求;
反过来计算,现在使用钢丝绳四股吊装10t重设备,则单股受力约为2500kg,可计算安全系数为,满足要求。
钢丝绳破断拉力表
我公司常用起重钢丝绳型号为6×37+1,公称抗拉强度为170kg/mm2,以下为几种常用直径的钢丝绳的破断拉力
钢丝绳破断拉力现场简单估算公式:
S = D2×52
式中S为破断拉力,单位为kg
D为钢丝绳直径,单位为mm
钢丝绳使用安全系数表
钢丝绳拉力计算举例:
1.一根21.5mm钢丝绳,吊装10t重设备,两股受力,是否满足要求?
21.5mm钢丝绳破断拉力为29600kg,安全系数取10,则单股可受力2960kg,两股共5920kg,不能满足要求;
反过来计算,现在使用21.5mm钢丝绳四股吊装10t重设备,则单股受力约为2500kg,可计算安全系数为11.84,满足要求。
【本文档内容可以自由复制内容或自由编辑修改内容期待你的好评和关注,我们将会做得更好】。
钢丝绳破断拉力一览表集团标准化小组:[VVOPPT-JOPP28-JPPTL98-LOPPNN]
钢丝绳破断拉力表
我公司常用起重钢丝绳型号为6×37+1,公称抗拉强度为170kg/mm2,以下为几种常用直径的钢丝绳的破断拉力
钢丝绳破断拉力现场简单估算公式:
S = D2×52
式中S为破断拉力,单位为kg
D为钢丝绳直径,单位为mm
钢丝绳使用安全系数表
钢丝绳拉力计算举例:
1.一根21.5mm钢丝绳,吊装10t重设备,两股受力,是否满足要求?
21.5mm钢丝绳破断拉力为29600kg,安全系数取10,则单股可受力2960kg,两股共5920kg,不能满足要求;
反过来计算,现在使用21.5mm钢丝绳四股吊装10t重设备,则单股受力约为2500kg,可计算安全系数为11.84,满足要求。
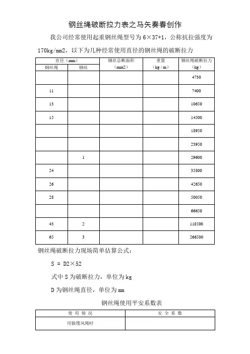
钢丝绳破断拉力表之马矢奏春创作我公司经常使用起重钢丝绳型号为6×37+1,公称抗拉强度为170kg/mm2,以下为几种经常使用直径的钢丝绳的破断拉力
钢丝绳破断拉力现场简单估算公式:
S = D2×52
式中S为破断拉力,单位为kg
D为钢丝绳直径,单位为mm
钢丝绳使用平安系数表
钢丝绳拉力计算举例:
1.一根21.5mm钢丝绳,吊装10t重设备,两股受力,是否满足要求?
21.5mm钢丝绳破断拉力为29600kg,平安系数取10,则单股可受力2960kg,两股共5920kg,不克不及满足要求;
反过来计算,现在使用21.5mm钢丝绳四股吊装10t重设备,则单股受力约为2500kg,可计算平安系数为11.84,满足要求。
创作编号:
GB8878185555334563BT9125XW
创作者:凤呜大王*
钢丝绳破断拉力表
我公司常用起重钢丝绳型号为6×37+1,公称抗拉强度为170kg/mm2,以下为几种常用直径的钢丝绳的破断拉力
钢丝绳破断拉力现场简单估算公式:
S = D2×52
式中S为破断拉力,单位为kg
D为钢丝绳直径,单位为mm
钢丝绳使用安全系数表
钢丝绳拉力计算举例:
1.一根21.5mm钢丝绳,吊装10t重设备,两股受力,是否满足要求?
21.5mm钢丝绳破断拉力为29600kg,安全系数取
10,则单股可受力2960kg,两股共5920kg,不能满足要求;
反过来计算,现在使用21.5mm钢丝绳四股吊装10t 重设备,则单股受力约为2500kg,可计算安全系数为11.84,满足要求。
创作编号:
GB8878185555334563BT9125XW
创作者:凤呜大王*。
钢丝绳破断拉力一览表 Final revision by standardization team on December 10, 2020.
钢丝绳破断拉力表
我公司常用起重钢丝绳型号为6×37+1,公称抗拉强度为170kg/mm2,以下为几种常用直径的钢丝绳的破断拉力
钢丝绳破断拉力现场简单估算公式:
S = D2×52
式中S为破断拉力,单位为kg
D为钢丝绳直径,单位为mm
钢丝绳使用安全系数表
钢丝绳拉力计算举例:
1.一根钢丝绳,吊装10t重设备,两股受力,是否满足要求
钢丝绳破断拉力为29600kg,安全系数取10,则单股可受力2960kg,两股共
5920kg,不能满足要求;
反过来计算,现在使用钢丝绳四股吊装10t重设备,则单股受力约为2500kg,可计算安全系数为,满足要求。
钢丝绳破断拉力表
我公司常用起重钢丝绳型号为6×37+1,公称抗拉强度为170kg/mm2,以下为几种常用直径的钢丝绳的破断拉力
钢丝绳破断拉力现场简单估算公式:
S = D2×52
式中S为破断拉力,单位为kg
D为钢丝绳直径,单位为mm
钢丝绳使用安全系数表
钢丝绳拉力计算举例:
1.一根钢丝绳,吊装10t重设备,两股受力,是否满足要求?
钢丝绳破断拉力为29600kg,安全系数取10,则单股可受力2960kg,两股共5920kg,不能满足要求;
反过来计算,现在使用钢丝绳四股吊装10t重设备,则单股受力约为2500kg,可计算安全系数为,满足要求。
钢丝绳破断拉力表
我公司常用起重钢丝绳型号为6×37+1,公称抗拉强度为170kg/mm2,以下为几种常用直径的钢丝绳的破断拉力
钢丝绳破断拉力现场简单估算公式:
S = D2×52
式中S为破断拉力,单位为kg
D为钢丝绳直径,单位为mm
钢丝绳使用平安系数表
钢丝绳拉力计算举例:
1.一根21.5mm钢丝绳,吊装10t重设备,两股受力,是否满足要求?
21.5mm钢丝绳破断拉力为29600kg,平安系数取10,那么单股可受力2960kg,两股共5920kg,不能满足要求;
反过来计算,现在使用21.5mm钢丝绳四股吊装10t重设备,那么单股受力约为2500kg,可计算平安系数为11.84,满足要求。
【本文档内容可以自由复制内容或自由编辑修改内容期待你的好评和关注,我们将会做得更好】。
钢丝绳破断拉力表
我公司常用起重钢丝绳型号为6×37+1,公称抗拉强度为170kg/mm2,以下为几种常用直径的钢丝绳的破断拉力
钢丝绳破断拉力现场简单估算公式:
S = D2×52
式中S为破断拉力,单位为kg
D为钢丝绳直径,单位为mm
钢丝绳使用安全系数表
钢丝绳拉力计算举例:
1.一根21.5mm钢丝绳,吊装10t重设备,两股受力,是否满足要求?
21.5mm钢丝绳破断拉力为29600kg,安全系数取10,则单股可受力2960kg,两股共5920kg,不能满足要求;
反过来计算,现在使用21.5mm钢丝绳四股吊装10t重设备,则单股受力约为2500kg,可计算安全系数为11.84,满足要求。
钢丝绳破断拉力一览表 Last revision date: 13 December 2020.
钢丝绳破断拉力表
我公司常用起重钢丝绳型号为6×37+1,公称抗拉强度为170kg/mm2,以下为几种常用直径的钢丝绳的破断拉力
钢丝绳破断拉力现场简单估算公式:
S = D2×52
式中S为破断拉力,单位为kg
D为钢丝绳直径,单位为mm
钢丝绳使用安全系数表
钢丝绳拉力计算举例:
1.一根钢丝绳,吊装10t重设备,两股受力,是否满足要求?
钢丝绳破断拉力为29600kg,安全系数取10,则单股可受力
2960kg,两股共5920kg,不能满足要求;
反过来计算,现在使用钢丝绳四股吊装10t重设备,则单股受力约为2500kg,可计算安全系数为,满足要求。
钢丝绳破断拉力表
我公司常用起重钢丝绳型号为6×37+1,公称抗拉强度为170kg/mm2,以下为几种常用直径的钢丝绳的破断拉力
钢丝绳破断拉力现场简单估算公式:
S = D2×52
式中S为破断拉力,单位为kg
D为钢丝绳直径,单位为mm
钢丝绳使用安全系数表
钢丝绳拉力计算举例:
1.一根21.5mm钢丝绳,吊装10t重设备,两股受力,是否满足要求?
21.5mm钢丝绳破断拉力为29600kg,安全系数取10,则单股可受力2960kg,两股共5920kg,不能满足要求;
反过来计算,现在使用21.5mm钢丝绳四股吊装10t重设备,则单股受力约为2500kg,可计算安全系数为11.84,满足要求。