2011_2012_1化工原理试题A
- 格式:doc
- 大小:76.00 KB
- 文档页数:6
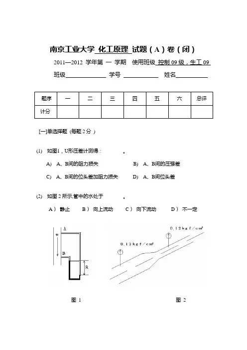
南京工业大学化工原理试题(A)卷(闭)2011—2012 学年第一学期使用班级控制09级,生工09班级学号姓名[一]单选择题(每题2分)(1) 如图1,U形压差计测得:________。
A) A、B间的阻力损失B) A、B间的压强差C) A、B间的位头差加阻力损失D) A、B间位头差(2) 如图2所示,管中的水处于________。
A)静止B)向上流动C)向下流动D)不一定图1 图2(3) 离心泵的工作点。
A)由泵铭牌上的流量和扬程所决定B)即泵的最大效率所对应的点C)由泵的特性曲线所决定D)是泵的特性曲线与管路特性曲线的交点(4) 离心泵的性能曲线表明,扬程一般( )A)与流量无关B)与流量成直线关系C)可写为H e/= A + BV 2,且B 0D)d H e/d V 0(5) 粒子沉降受到的流体阻力________。
A)恒与沉降速度的平方成正比B)与颗粒的表面积成正比C)与颗粒的直径成正比D)在滞流区与沉降速度的一次方成正比(6) 降尘室的生产能力__________。
A)只与沉降面积A和颗粒沉降速度u T有关B)与A,u T及降尘室高度H有关C)只与沉降面积A有关(7) 回转真空过滤机的过滤介质阻力可略去不计,其生产能力为5m3/h(滤液)。
现将转速度降低一半,其他条件不变,则其生产能力应为( )。
A)5m3/h B) 2.5m3/hC)10m3/h D) 3.54m3/h(8) ①多层壁稳定传热,凡导热率λ大的一层,温差也大。
②列管换热器中,用饱和水蒸气加热空气。
空气走管内,蒸汽走管间,则管壁温度接近蒸汽的温度,总传热系数接近空气的对流给热系数。
A)①②都对B)①②都错C)①错②对D)①对②错(9)) 当换热器中冷热流体的进出口温度一定时,判断下面的说法中哪一个是错误的:A) 逆流时,Δt m一定大于并流,错流或折流时Δt m;B) 采用逆流操作时可以节约热流体(或冷流体)的用量;C) 采用逆流操作可以减少所需的传热面积;(10) 一管壳式换热器,管内走液体,管间走蒸汽,由于液体入口温度下降,在流量不变情况下,仍要达到原来的出口温度t,此设备已不允许再提高蒸汽压力强度,采取简便有效措施______。
襄樊学院2011-2012学年度上学期化工原理题型题目选择填空简答计算总分满分30 22 20 28 100得分15×2 22×1 5+5+5+5 7+11+10【一】、填空题:1.现场真空表的读数为8×104 Pa,该处的绝压为 2×104 Pa (当时当地大气压为1×105 Pa)。
2.某牛顿型液体在一段水平圆形直管内流动,已知Re值为1600,若平均流速为0.2m/s,则管中心点处速度为0.4 m/s,流体在管内流动类型属层流(滞流)流动。
3.流量qv增加到原来的2倍,孔板流量计的读数(U型管压差计)为原来的_4__倍,转子流量计的环隙通道面积为原来的_2_倍。
4.某型号的离心泵在一定转速下工作时的特性曲线可表示为函数H=30-2qV2,其中H为扬程,qV为流量,若转速不变,则两台相同型号的泵并联工作时的特性曲线可表示为 H=_30-0.5qV2 ,串联工作时的特性曲线可表示为 H=__60-4qV2。
5.传热的基本方式为__传导__. 对流. 辐射。
6.两流体通过间壁换热,冷流体从20℃被加热到50℃,热流体从100℃被冷却到70℃,则并流时的Δtm=__43.28___℃。
7.用二种厚度相同,导热系数不同的材料保温时,往往把导热系数小的材料包在内层,以达到好的保温效果。
【二】、选择题:2.如图示的U型管中,I,II,III为密度不同的三种液体。
A—A′、B—B′为等高液位面。
位于同一水平面上的点1、点2处的静压p1与p2的大小为DA p1>p2B p1<p2 C p1=p2 D 无法比较3.层流与湍流的本质区别是_D_。
A.湍流流速>层流流速B.流道截面大的为湍流,截面小的为层流C. 层流的雷诺数<湍流的雷诺数D.层流无径向脉动,而湍流有径向脉动4.在层流流动中,若流体的总流率不变,则规格相同的两根管子串联时的压降为并联时的 C 倍。
襄樊学院2011-2012学年度上学期化工原理题型题目选择填空简答计算总分满分30 22 20 28 100得分15×2 22×1 5+5+5+5 7+11+10【一】、填空题:1.现场真空表的读数为8×104 Pa,该处的绝压为 2×104 Pa (当时当地大气压为1×105 Pa)。
2.某牛顿型液体在一段水平圆形直管内流动,已知Re值为1600,若平均流速为0.2m/s,则管中心点处速度为0.4 m/s,流体在管内流动类型属层流(滞流)流动。
3.流量qv增加到原来的2倍,孔板流量计的读数(U型管压差计)为原来的_4__倍,转子流量计的环隙通道面积为原来的_2_倍。
4.某型号的离心泵在一定转速下工作时的特性曲线可表示为函数H=30-2qV2,其中H为扬程,qV为流量,若转速不变,则两台相同型号的泵并联工作时的特性曲线可表示为 H=_30-0.5qV2 ,串联工作时的特性曲线可表示为 H=__60-4qV2。
5.传热的基本方式为__传导__. 对流. 辐射。
6.两流体通过间壁换热,冷流体从20℃被加热到50℃,热流体从100℃被冷却到70℃,则并流时的Δtm=__43.28___℃。
7.用二种厚度相同,导热系数不同的材料保温时,往往把导热系数小的材料包在内层,以达到好的保温效果。
【二】、选择题:2.如图示的U型管中,I,II,III为密度不同的三种液体。
A—A′、B—B′为等高液位面。
位于同一水平面上的点1、点2处的静压p1与p2的大小为DA p1>p2B p1<p2 C p1=p2 D 无法比较3.层流与湍流的本质区别是_D_。
A.湍流流速>层流流速B.流道截面大的为湍流,截面小的为层流C. 层流的雷诺数<湍流的雷诺数D.层流无径向脉动,而湍流有径向脉动4.在层流流动中,若流体的总流率不变,则规格相同的两根管子串联时的压降为并联时的 C 倍。
一、流体流动●当20℃的甘油(ρ=1261kg/m3 ,μ=1499厘泊)在内径为100mm的管内流动时,若流速为1.0m/s 时,其雷诺准数Re为__________,其摩擦阻力系数λ为________.●对于城市供水、煤气管线的铺设应以支管阻力为主。
●A.总管线阻力可略,支管线阻力为主●现场真空表的读数为8×104 Pa,该处绝对压力为(当时当地大气压为1×105 Pa)。
用离心泵在两个敞口容器间输液。
若维持两容器的液面高度不变,当关小输送管道的阀门后,管道的总阻力将____。
改变下列条件,对往复泵允许的安装高度没有影响( )(A)减小泵的出口管路阻力(B)泵从武汉搬迁到拉萨(C)改变液体的温度(D)改变泵吸入管道的(l+∑l e )以下说法错误的是_____。
A.往复泵流量不均匀,常用旁路调节流量。
B.转子流量计读取流量方便,测量精度高,但不耐高温高压C.往复泵虽然有自吸能力,但安装位置不合适也会发生汽蚀现象D.孔板流量计压头损失较文丘里流量计小●减少流体在管路中流动阻力Σh 的措施●某长方形截面的通风管道, 其截面尺寸为30×20mm,其当量直径de●.如图示常温水由高位槽以1.5m/s流速流向低位槽,管路中装有孔板流量计和一个截止阀, 已知管道为φ57×3.5mm的钢管,直管与局部阻力的当量长度(不包括截止阀)总和为60m,截止阀在某一开度时的局部阻力系数ζ为7.5。
设系统为稳定湍流,管路摩擦系数λ为0.026,孔板流量计孔流系数近似不变。
求:⑴管路中的质量流量及两槽液面的位差△Z;⑵阀门前后的压强差及汞柱压差计的读数R2。
若将阀门关小,使流速减为原来的0.8倍,设系统仍为稳定湍流,λ近似不变。
问:⑶孔板流量计的读数R1 变为原来的多少倍?●用一台离心泵将水池中的水(密度为1000 kg/m3)送至一表压为62 kPa的水洗塔顶,其流程如图所示。
2011—2012学年第一学期《化工原理(上)》试卷答案专业班级化学工程与工艺09级班姓名学号开课系室化学工程系考试日期 2012年1月10日一、填空选择题(每空1分,共30分)1、一地区的平均大气压强为750 mmHg,设备上真空表的读数是120 mmHg,设备内的绝对压强为 84 kPa,表压强为 -16 kPa。
2、经内径为158mm的钢管输送运动粘度为90mm2/s的燃料油,若保持油品作层流流动,则最大流速不能超过__ _1.14 _ _m/s。
3、如图1所示,为一个带溢流的高位槽供水管路,管内径相同。
假定系统为稳定流动,现将阀门由全开变为半开,则压力表读数P A增大,P B减小。
图1 填空选择题3附图4、泵的扬程的单位是米(或J/N) ,其物理意义是泵对单位重量液体所提供的有效能量。
5、内径为27mm的自来水管,其设计输水能力宜为_ B ___。
A)0.2m3/h; B) 2m3/h; C) 20m3/h; D) 200m3/h6、推导过滤基本方程式的一个最基本依据是_ C______。
A) 滤液通过滤饼时呈湍流流动; B) 假定滤渣大小均一;C) 滤液通过滤饼时呈层流流动; D) 假设过滤介质的阻力可忽略不计7、某降尘室高2m,宽2m,长5m,用于矿石焙烧炉的炉气除尘。
矿尘密度为4500 kg/m3,其形状近于圆球,操作条件下气体流量为25000m3/h,气体密度为0.6kg/m3,黏度为3×10-5Pa·s。
则理论上能除去矿尘颗粒的最小直径为_ _91.3_ _μm。
8、用一回转真空过滤机过滤某悬浮液,介质阻力可忽略不计。
若因故滤浆的浓度下降,致使滤饼体积与所获滤液体积之比变为原来的80%(设滤饼比阻不变),现若保持其余操作条件不变,则过滤机的生产能力(以每小时的滤液计)为原来的 1.118 倍,滤饼厚度为原来的 0.9 倍。
9、在固体流态化操作中,增大流体的流速,则单位高度流化床层的压降降低,膨胀比增大。
衡阳师范学院南岳学院2012年下学期2010级应用化学、高分子材料与工程专业《化工原理》期末考试试题A卷参考答案一、选择题(每小题2分,共20分)1、判断流体的流动类型用( C )准数。
A.欧拉B.施伍德C.雷诺D.努塞尔特2、流体在管内流动时的摩擦系数与( B )有关。
A.雷诺准数和绝对粗糙度B.雷诺准数和相对粗糙度C.欧拉准数和绝对粗糙度 B. 欧拉准数和相对粗糙度3、用离心泵在两个敞口容器间输送液体。
若维持两容器的液面高度不变,则当输送管道上的阀门关小后,管路总阻力将( A )。
A. 增大;B. 不变;C. 减小;D. 不确定。
4、傅立叶定律是描述(A )的基本定律。
A.热传导B.热对流C.热辐射D.对流传热5、在列管换热器中,用常压水蒸汽加热空气,空气的进、出口温度分别为20℃和80℃,则管壁温度约为( D )。
A.20℃B.80℃C.50℃D.100℃6、当二组分液体混合物的相对挥发度为(C)时,不能用普通精馏方法分离。
A.3.0B.2.0C.1.0D.4.07、恒摩尔流假设是指( D )。
A 在精馏段每层塔板上升蒸汽的摩尔流量相等B 在精馏段每层塔板上升蒸汽的质量流量相等C 在精馏段每层塔板上升蒸汽的体积流量相等D 在精馏段每层塔板上升蒸汽和下降液体的摩尔流量相等8、通常所讨论的吸收操作中,当吸收剂用量趋于最小用量时,则下列那种情况正确( D )。
A. 回收率趋向最高B. 吸收推动力趋向最大C. 操作最为经济D. 填料层高度趋向无穷大9、为使操作向有利于吸收的方向进行,采取的措施是(C )。
A、加压和升温B、减压和升温C、加压和降温D、减压和降温10、下述说法中错误的是( B )。
A.板式塔内气液逐级接触,填料塔内气液连续接触B.精馏用板式塔,吸收用填料塔C.精馏既可以用板式塔,又可以用填料塔D.吸收既可以用板式塔,也可以用填料塔二、填空题(每空3分,共30分)1、某设备上安装的真空表的读数为30kpa,已知当地的大气压强为100kpa,则所测物系的实际压强为70 kpa。
2011级《化工原理》试题答案一、填空题(共20分)1.化工原理》课程的研究对象是单元操作。
它们都是____物理___操作。
2.水深10m处的表压为__98.07__kPa。
(ρ水=1000 kg/m3)。
3.流体1、2为质量流量相同的两流体,分别流经相同长度相同内径的水平直管。
已知两流体的密度ρ1=2ρ2,粘度μ1=2μ2,则Re1= 1/2 Re2;若两流体的流动状态皆为层流,则压力降ΔP f1= 1 ΔP f2。
4.离心泵启动前灌泵是为了防止__气缚___现象发生,而限制离心泵的安装高度是为了防止_气蚀___现象的发生。
5.某板框过滤机进行恒压过滤,已知过滤常数K=4.42×10-3m2/s,介质阻力忽略不计,过滤面积为10m2,则每平方米过滤面积上得到1.5 m3滤液需时间__509___s,过滤完以3 m3水进行置换洗涤,洗涤时间为___203.6___s。
6.某降尘室高和宽均为2m,含尘气体气流速度为2m/s,某一粒径颗粒的沉降速度为0.8m/s,为保证该种颗粒完全沉降下来,则降尘室的长至少应为__5__m,该降尘室的生产能力为__8_m3/s。
7.在管壳式换热器中用饱和蒸气加热空气,则传热管的壁温接近__饱和蒸气的温度,换热器总传热系数K接近___空气___的对流传热系数。
8.对流传热阻力主要集中在冷热流体两侧的__滞流层__中,所以__增大流速__可加强传热。
9.在单效蒸发中,每小时将2000kg的某种水溶液从10%连续浓缩到30%,水分的蒸发量为___1333.3___kg/h。
10.单向扩散和双向扩散分别是针对___吸收___模型和___精馏_____模型的。
11.吸收是利用混合气体中各组分___溶解度__的差异对其进行分离的,而蒸馏是利用各组分___挥发度___的不同来分离均相液体混合物的。
12.在吸收操作中,若c G*–c L≈c i–c L,则该过程为___液膜控制___过程,被吸收气体为__难溶气体____。
新乡学院 2011―2012学年度第一学期《化工原理》期末试卷B 卷课程归属部门:化学与化工学院 试卷适用范围:09化学工程与工艺1.萃取操作是依据: ,以达到分离 混合物的目的。
2.吸收操作是依据: ,以达到分离 混合物的目的。
3.物料的干燥速率曲线包括:恒速干燥阶段和 阶段,恒速干燥阶段,物料表面温度等于 ,主要干燥的水份为 。
4.在一定条件下,当某气体与所接触液体达到相平衡状态时,若将系统温度降低,系统将进行_________过程。
5.某精馏塔,进料状态参数q 等于0.8时,则进料为 ____ _,进料为含苯0.4的苯-甲苯溶液,则进料状态方程为: 。
6.板式塔的负荷性能图中包括_____线,最左边的线为: 。
7.溶解度曲线将三角形相图分为两个区域,曲线内为 ,曲线外为 ,萃取操作只能在 进行。
8.在1atm 下,不饱和湿空气的温度为295K ,相对湿度为60%,当加热到373K 时,该空气下列状态参数将如何变化?湿度H ,相对湿度φ ,湿球温度t w , 露点t d ,焓I 。
(升高,降低,不变,不确定) 9.塔顶冷凝器的作用: ,塔底再沸器的作用: 。
10.吸收速率方程中,K Y 是以 为推动力的 吸收系数,其单位是 。
11.增加吸收剂用量,操作线的斜率 ,吸收推动力 。
12.某两组份混合物的平均相对挥发度0.2=α,在全回流下,从塔顶往下数对第1,+n n层塔板取样测得n n y x 则,3.0= = ,1+n y = ,1+n x = 。
1. 恒摩尔流假定主要前提是分子汽化潜热相近,它只适用于理想物系。
2.离开精馏塔任意一块理论板的液相泡点温度都小于气相的露点温度。
3.若精馏段操作线方程为y=0.75x+0.3,这绝不可能。
4.若吸收塔的操作液汽比小于最小液气比,吸收塔将不能操作。
5.在稳定操作中的吸收塔内,任意截面上传质速率N A 都相等。
6.萃取操作时,如果选择性系数等于1或无穷大时,就无法用萃取分离。
《中国石油大学(华东)》复试概念题 2010—2011学年第二学期《化工原理(下)》试卷 A 卷一、填空选择题(每空1分,共30分)⒈试指出下列传质过程中的扩散类型:①恒摩尔流假定成立的蒸馏过程: 等分子反向扩散 。
②稀释剂与萃取剂互不相溶的萃取过程: 单向扩散 。
⒉精馏过程的操作线为直线,主要基于 恒摩尔流假定 。
⒊当精馏塔操作压力增大时,物系的相对挥发度α会 减小 ,塔顶温度 升高 ,此时若其他操作条件不变,塔顶馏出液组成x D 将 减小 。
⒋某二元物系,相对挥发度α=2.5,对n 、n -1两层理论板,在全回流条件下,已知x n =0.35,若塔板从上往下数,则y n-1= 0.77 。
⒌设计精馏塔时,若将塔釜由原来的直接蒸汽加热改为间接蒸汽加热,而保持F 、进x F 、q 、D 、x D 及R 等不变,则提馏段操作线斜率 不变 ,残液浓度x W 增大 。
⒍精馏实验中操作回流比为 ∞ ,测定的目标参数是 全塔效率E T ,其主要影响因素包括 物性 、 操作条件 、 设备条件 。
⒎在密闭容器内存在某种低浓度水溶液,容器内压强为P ,溶液温度为T ,溶质A 组成为x ,试问:①若将N 2压入容器,则相平衡常数m 减小 ;②若溶液温度T 下降,则m 减小 ;③注入溶质A ,则m 不变 ,气相中溶质的平衡分压P e 增大 。
⒏如果逆流气体吸收塔的填料层高度可无限增加,则当吸收因子A >1时,在塔 稀(顶)端 气 相组成趋向极限,组成是 y a =mx a 。
⒐若总传质系数和分传质系数间的关系可表示为G L L k H k K +=11,其中L k 1表示 液膜阻力 ,当 Gk H 项可忽略时,表示该吸收过程为液膜控制。
⒑在常压逆流操作的填料塔中,用纯溶剂吸收混合气中的溶质。
已知进塔气相组成Y b为0.02(摩尔比),操作液气比为L/V=0.9,气液平衡关系为Y=1.0X,则溶质组分的回收率最大可达90% 。
2011 化工原理试题A[一]填空题(5 分,每空0.5 分)1. 离心泵在两容器间输送液体,当被输送的液体的密度增加时,若低位槽敞口,高位槽内为高压,则离心泵的流量(增大),压头(减小),轴功率(增加)。
2. 稳态导热时,相互紧贴的厚度相同的两层平壁中温差分布Δt 1 <Δt 2,则两层平壁的导热系数λ1、λ2 的大小关系是(λ1>λ 2 )。
3. 如果Y1和Y 2分别为进塔气体和出塔气体的摩尔比,则Y1 Y2为(溶质的回收Y1率)4. 只要吸收组分在气相中的分压(大于)液相中该组分的平衡分压,吸收就会继续进行。
5. 在吸收塔某处,气相主体浓度y=0.025 ,液相主体浓度x=0.01 ,气相传质分系数22 k y=2kmol/m 2·h,气相传质总K y=1.5kmol/m 2·h,平衡关系y=0.5x ,则该处气液界面上气相浓度y i 应为(0.01 )。
6. 对于一定的分离任务,最小回流比所需理论板为(无穷多)。
7. 回流的作用:(提供不平衡的气液两相,是构成气液两相传质的必要条件)。
8. 用孔板流量计测量流体时,随流量的增加,孔板前后的压差值将(增加)。
[二]单项选择题(5 分,每小题 1 分)1. 在完全湍流(阻力平方区)时,粗糙管的摩擦系数λ数值( B )。
A)只取决于Re B)只取决于ε/d C)与ε无关D)只与ε 有关2. 某流体在圆形直管内强制对流,给热系数为,现在任务变更,管内流速是原来的1/2 ,已知Re>10000,则管内是原来的( A )倍。
A)0.574 B)1 C)1.7413. 在精馏操作中,若被分离物系的进料状态由气相变为液相,则提馏段操作线斜率( A )。
A)减小B)增大C)不变D)变化不确定4. 在盛有一定量水的鼓泡吸收器中,CO2 与水充分接触后,测得CO2在气相中的分压为97.1kPa ,CO2在水中的摩尔分数为 5.17 ×10-4,则享利系数为( B )。
(共16页) 第1页(共16页) 第2页菏泽学院化学与化工系2011级 2011-2012学年第一学期化学工程与工艺专业《化工原理》试卷(A )(110分钟)三 、选择判断题(每小题1分,共10分)1、无伦两测压点水平与否,U 管压差计的读数R 都反映了两测压点的压强差 (×)2、无伦两测压点水平与否,U 管压差计的读数R 都反映了两测压点的静压能与位能和的差( )3、湍流边界层内的流体质点全部做湍流运动 (× )4、无论流体的流动状态如何,流动时的摩察系数都和管壁的相对粗糙度有关 (×)5、无论流体的流动状态如何,流动时的摩察系数都和流动时的雷诺准数有关 (×)6、并联管路各支管能量损失相等 ( )7、分支联管路各支管能量损失相等。
(× )8、皮托管可直接读出测量截面处的平均速度 (×) 9、孔板流量计属于定截面、变压差流量计;对于确定的测量系统而言,其孔流系数 是一常数 (×)10、转子流量计属于定压差、变截面流量计;测量时,流量计上读出的数值即是其真实流量(×)11、用转子流量计测量流量时,转子上沿对应的数值即是要读的数值。
(×)1、离心泵启动前不注入被输送流体会发生气缚现象。
()2、离心泵启动前不注入被输送流体会发生气蚀现象。
(×)3、离心泵的流量调节用阀门调节。
往复泵用支路调节。
()4、离心泵的流量调节用支路调节。
往复泵用阀门调节。
(×)5、离心泵停机时应先关闭出口阀门,开机时也应先关闭出口阀门。
()6、离心泵停机时应先打开出口阀门,开机时也应先打开出口阀门。
(×)1、板框压滤机采取横穿洗涤时,当滤液和洗涤液性质相近时,洗涤速率是过滤终了时洗涤速率的1/4。
()2、板框压滤机采取横穿洗涤时,当滤液和洗涤液性质相近时,洗涤速率是过滤终了时洗涤速率的1/2.(×)3、空气降尘室的生产能力和沉降面积有关,与降尘室高度无关。
化工原理A2011-2012-1参考答案化工原理试卷A 参考答案一、填空题(每空1分,共20分)1、吸收操作的基本依据是气体混合物在某溶剂中溶解度的差异,精馏操作的基本依据是液体混合物挥发度的差异来分离。
2、对于水吸收CO2的低浓度系统,如在水中加碱,对此系统的k g不变,K G变大(变大、变小、不变、不确定)。
3、在吸收操作中增大吸收剂用量,出口气体的浓度将降低。
4、间歇精馏与简单蒸馏的主要区别是有回流和多层塔板。
5、理想物系的相对挥发度α=2,在全回流下操作,已知某理论板上y n=0.5,则y n+1= 0.33 。
全回流时所需理论塔板数最少。
(最少,最多,较少,)6、操作时,若F、D、x f、q、加料板位置、R不变,而使操作的总压减小,则x D变大,x W变小(变大、变小、不变、不确定)。
7、恒沸精馏与萃取精馏都需加入第三组分,目的分别是形成最低恒沸物、加大挥发度差异。
9、填料塔填料层高度计算方法有传质单元数法和吸收因数法(对数平均推动力法)。
11、未饱和湿空气与同温度水接触时,传质方向为由水向空气,φ< 1空气中的水汽份压与水表面的饱和蒸汽压相同时,传热方向为空气向水。
12、对总压为100kPa的不饱和湿空气加热,使温度由25℃升至90℃时,此时该空气的湿度不变,相对湿度小,焓变大,湿球温度变大(变大、变小、不变、不确定)。
二、选择填空(每空2分,共20分)1、气体的享利系数E值越大,表明这种气体 B 。
A. 溶解度适中;B. 越难溶解;C越易溶解.;D不确定2、气相阻力控制系统的逆流吸收塔操作中,如气液比增加,则液体出口组成x1A 。
A.增加;B.减少;C.不变;D.不确定。
3、精馏设计时,若、F、x F、、x D、、x W、提馏段V均为定值,将进料状态从q=1变为q>1,则设计时所需的理论板数 B 。
A.增多 B. 减少 C. 不变 D. 判断依据不足4、精馏塔顶某理论板上汽相露点温度t1,该板的液相泡点温度为t2,塔底某理论板上汽相露点温度为t3,该板的液相泡点温度为t4,试按温度大小顺序排列如下 D 。
华东理工大学2011–2012学年第一学期 《化工原理》课程期中考试试卷(上册) 2011.11开课学院:化工学院,专业:09大面积,考试形式:闭卷,所需时间:120分钟考生姓名: 学号: 班级: 任课教师: 题序 一 二 三 四 五 六 总 分% 30 10 8 12 20 20 100得分评卷人一、填空题(共30分,每空格1分)1、流体的连续性假定是指流体是由大量质点组成的、彼此间没有间隙、完全充满所占空间的连续介质。
2、理想流体是指:黏度为零的流体;非牛顿流体是指:层流时不服从牛顿黏性定律的流体。
3、某流体在圆形直管中作层流流动时,其速度分布是抛物线型曲线,其管中心处最大流速为平均流速的2倍,动能校正系数值为2,摩擦系数λ与Re的关系为λ=64/Re。
4、黏度的物理本质是分子间的引力和分子的运动与碰撞。
气体的黏度随温度的升高而增大, 水的黏度随温度的升高而减小。
常温下水的黏度为1×10-3 Pa.s,空气的黏度为1.8×10-5 Pa.s 。
5、测气体用的转子流量计上的刻度是用20℃、101.3kPa的空气进行标定的,测液体用的转子流量计上的刻度是用20℃的水进行标定的。
6、离心泵叶轮采用后弯叶片是因为 能量利用率高。
7、离心式通风机向单位体积流体提供的能量称为该风机的全风压。
全风压由静风压和动风压两部分组成。
8、旋桨式搅拌器的特点是流量大,压头低;涡轮式搅拌器的特点是流量小,压头高。
提高搅拌器中流体湍动的措施有提高搅拌器的转速、阻止液体的圆周运动和安装导流筒。
9、请列举化工原理课程中介绍的常用工程问题处理方法(至少三种):因次分析法,分解与综合法,数学模型法,解析法。
注意:五、六学分不同(以下第10题五学分必做;第11、12题六学分必做)10、流体运动通常有两种考察方法,即 拉格朗日法 和 欧拉法 ,流线是用__欧拉法 考察得到的,轨线是用 拉格朗日法 考察得到的。
11、请列举非牛顿流体的三种弹性行为:爬杆效应,挤出胀大,无管虹吸。
2012年上期《化工原理》上册考试题班级______________ 姓名______________ 学号_________ 成绩[一]1.多项选择题:⑴(2分)如图所示,用U型压差计与管道A、B两点相连。
已知各图中管径、A、B间的管长l及管道中流体流量Vs均相同,管内流体均为20℃水,指示液均为水银,则_____。
A)R1≠R2, R1=R3=R4B) R1=R2=R3=R4C) R1=R2< R3<R4 D) R1≠R2≠R3≠R4(2)(2分)离心泵的工作点(A)由泵铭牌上的流量和扬程所决定(B)即泵的最大效率所对应的点(C)由泵的特性曲线所决定(D)是泵的特性曲线与管路特性曲线的交点(3)(2分)当离心泵内充满空气时,将发生气缚现象,这是因为(A)气体的粘度太小(B)气体的密度太小(C)气体比液体更容易起漩涡(D)气体破坏了液体的连续性(4) (3分)①要除去气体中含有的5μ~50μ的粒子。
除尘效率>75%,宜选用___。
A)除尘气道B)旋风分离器C)离心机D)电除尘器②等压过滤的滤液累积量q与过滤时间τ的关系为_____________。
(5)(2分)①判断下面的说法中哪一种是错误的A)在一定的温度下,辐射能力越大的物体,其黑度越大;B)在同一温度下, 物体的吸收率A与黑度ε在数值上相等, 因此A和ε的物理意义相同;C)黑度越大的物体吸收热辐射的能力越强;D)黑度反映了实际物体接近黑体的程度。
2.填空题:⑴ (5分)如图所示,水从内径为d1的管段流向内径为d2管段,已知123d d =;d1管段流体流动的动压头为0.8m水柱,h1=0.7m,1.忽略流经AB段的能量损失,则h2=,h3=。
2.若流经AB段的能量损失为0.2m水柱,则h2=,h3=。
⑵ (5分)①间壁换热器管壁温度 t 接近α___一侧的流体温度;总传热系数K的数值接近_____ __一侧的α值。
②对于间壁式换热器:等式成立的条件是 、 、_________。
化工原理练习题0 绪论1. 化工原理中的“三传”是指:动量传递、热量传递、质量传递2. 下列单元操作中属于动量传递的有:流体输送3. 下列单元操作中属于质量传递的有液体精馏4. 下列单元操作中属于热量传递的有加热冷却6. 在 26 ℃和1大气压下 ,CO 2 在空气中的分子扩散系数 D 等于 0.164cm2/s, 将此数据换算成m 2/h 单位 , 正确的答案为:0.05904 m 2/h7. 己知通用气体常数 R=82.06atm.cm 3/mol.K, 将此数据换算成用kJ/kmol.K 所表示的量 , 正确的答案应为 8.314第一章 流体流动一、选择填空题1. 研究化工流体时所取的最小考察对象为流体质点2. 化工原理中的流体质点是指尺寸远小于设备尺寸,但比分子自由程大得多的含大量分子的流体微团3. 化工原理中的连续流体是指:流体的物理性质及运动参数在空间上作连续分布,可用连续函数来描述4. 流体静力学基本方程式的适用条件是:重力场中不可压缩静止、连通着的同一连续流体5. 改善测量精度,减少 U 形压差计测量误差的下列方法适用的为:①减少被测流体与指示液之间的密度差;②采用倾斜式微压计 ( 将细管倾斜放置的单杯压强计 )③双液微压计7. 不可压缩流体在均匀直管内作稳定流动时 , 平均速度沿流动方向的变化为不变8.柏努利方程适用的前提条件: (流体是不可压缩的,流体的温度不变,流动系统中无热交换器、流动系统中无外功加入,流体为理想流体)9.机械能衡算式中:各能量项(或压头项)均是指某一流道截面处的值 ,外功和机械能损耗(或外加压头和压头损失)则是整个流动系统内的值 。
11.流体流经变径管时,局部阻力损失的计算式22f u h ξ=中的u 是指:小管中的流速u 1 12. 双指示液微差压差计要求指示液密度差小13. 现输送45 m 3/h 的水,如管内水的流速约为2.5m/s ,则可选88.54mm mm Φ⨯钢管。
天津工业大学2011~2012第1学期09级(化工、制药、材料)化工原理(下)期末试卷A班级____姓名____学号_____成绩____一、填空题 (每空1分) 总分[20] 得分[ ]1. 在精馏塔的设计中,回流比越(__ __),所需要的理论板数量越多,其操作的能耗越(__ __)。
2. A、B组成的理想溶液,A组分的摩尔分率x A=0.3,两组分的饱和蒸气压分别为pºA=150kPa,pºB=60kPa,则其相对挥发度 的值为(__ __),A组分在气相的分压为(__ __)。
3. 精馏操作过程中,如果采用全回流,则回流比R=(__ __),此时精馏段和提馏段操作线方程均为(__ _ _)。
4. 二组分连续精馏,精馏段操作线方程为y=0.75x+0.245,提馏段操作线方程为y=1.25x-0.02,当q=1时,x F=(__ __),x W=(__ __)。
5. 同一种气体溶解于同一种溶剂中,当操作温度降低时,Henry定律中的溶解度系数H的变化趋势为()。
6. 在101.3kPa,20℃下,稀氨水的气液相平衡关系为y*=0.94x, 若含氨0.094摩尔分数的混合气和组成x=0.05的氨水接触,则发生()过程。
A7. 在吸收操作中,吸收塔某一截面气相中溶质的浓度为Y i,与液相浓度X i相平衡的浓度为Y i*,则总推动力为()。
8. 用纯溶剂吸收某溶质气体, 并且Y=2X,要求回收率φ=80%, 若操作液气比是最小液气比的1.2倍,则操作液气比为()。
9.在逆流吸收塔中,进、出塔的气相摩尔比分别为Y1=0.09和Y2=0.01,进塔液体为纯溶剂,若吸收的操作线与平衡线平行,则塔的平均推动力为ΔY m=(),传质单元数的N OG =()。
10. 填料塔根据单位填料层压降与空塔气速的变化关系可以分成三个区,即恒持液量区、(__ _ _)区和(__ _ _)区。
11. 相对湿度50%的空气,湿球温度为t w,干球温度为t, 露点温度为t d,则此三者间大小顺序为()。
天津工业大学2011~2012第1学期
09级(化工、制药、材料)化工原理(下)期末试卷A 班级____姓名____学号_____成绩____
一、填空题 (每空1分) 总分[20] 得分[ ]
1. 在精馏塔的设计中,回流比越(__ __),所需要的理论板数量越多,其操作的能耗越(__ __)。
2. A、B组成的理想溶液,A组分的摩尔分率x A=0.3,两组分的饱和蒸气压分别为pºA=150kPa,pºB=60kPa,则其相对挥发度 的值为(__ __),A组分在气相的分压为(__ __)。
3. 精馏操作过程中,如果采用全回流,则回流比R=(__ __),此时精馏段和提馏段操作线方程均为(__ _ _)。
4. 二组分连续精馏,精馏段操作线方程为y=0.75x+0.245,提馏段操作线方程为y=1.25x-0.02,当q=1时,x F=(__ __),x W=(__ __)。
5. 同一种气体溶解于同一种溶剂中,当操作温度降低时,Henry定律中的溶解度系数H的变化趋势为()。
6. 在101.3kPa,20℃下,稀氨水的气液相平衡关系为y*=0.94x, 若含氨
=0.05的氨水接触,则发生()过程。
0.094摩尔分数的混合气和组成x
A
7.在吸收操作中,吸收塔某一截面气相中溶质的浓度为Y i,与液相浓度X i相平衡的浓度为Y i*,则总推动力为()。
8.用纯溶剂吸收某溶质气体, 并且Y=2X,要求回收率φ=80%, 若操作液气比是最小液气比的1.2倍,则操作液气比为()。
9.在逆流吸收塔中,进、出塔的气相摩尔比分别为Y1=0.09和Y2=0.01,进塔液体为纯溶剂,若吸收的操作线与平衡线平行,则塔的平均推动力为ΔY m =(),传质单元数的N OG =()。
10. 填料塔根据单位填料层压降与空塔气速的变化关系可以分成三个区,即恒持液量区、(__ _ _)区和(__ _ _)区。
11. 相对湿度50%的空气,湿球温度为t w,干球温度为t, 露点温度为t d,则此三者间大小顺序为()。
12. 湿物料被干燥时,被蒸发出去的水份称()水分,达平衡时残留在物料中的水分称平衡水分。
13. 若一干燥器每小时处理100公斤含水60wt%之湿纸浆,干燥后除去60%的水,则干燥后纸浆中水的含量为( ) wt%。
14. 从恒速干燥期进入减速干燥期时,物料中水分含量称为()含水量,此值大小表示了物料干燥的难易程度。
二、单选题 (每空1分) 总分[20] 得分[ ]
1. 稳定操作中的连续精馏塔,保持F,x F,q,R不变,将进料位置上移,则
则x D_ ___,x W__ __。
A. 增加
B. 不变
C. 不确定
D. 减小
2. 精馏塔设计时,若F、x D、x W、V均为定值,将进料热状态从q=1变为q>1,
设计所需要的理论板数将。
A. 增多;
B. 减少;
C. 不变;
D. 判断依据不足。
3. 关于简单蒸馏和间歇精馏下列说法正确的是。
A. 简单蒸馏为连续操作,而间歇精馏则为间歇操作过程;
B. 简单蒸馏为单级蒸馏,而间歇精馏为多次部分冷凝多次部分汽化;
C. 两种操作均需要有塔顶回流;
D. 两种操作能耗均较小。
4. 在一定精馏塔中进行精馏操作,若回流比R<R min,则以下说法正确的
是。
A. 精馏操作无法进行;
B. 可以进行操作,但满足不了分离要求;
C. 可以进行操作,但需要减小进料量;
D. 操作后塔底塔顶浓度与原料相同。
5. 在精馏过程中当进料为过冷液体时,则
A. q 线斜率>0
B. q 线斜率< 0
C. q 线斜率 = 1
D. q 线斜率为0
6. 在精馏塔中每一块塔板上 。
A. 只进行传质作用
B. 只进行传热作用
C. 同时进行传热传质作用
D. 无法断定
7. 以下关于板效率说法正确的是_ ____。
A. 各层塔板气相默弗里效率与液相默弗里效率相等
B. 各层塔板的单板效率不一定相等
C. 全塔效率等于单板效率的平均值
D. 单板效率和全塔效率中只有单板效率才能评价实际板和理论板分离效果的差异
8. 对接近常压的低浓度溶质的气液平衡系统,当总压增大时,亨利系数E 将 ,相平衡常数m 将 。
A. 增大
B. 不变
C. 减小
D. 不确定
9.并流吸收塔中,气液都从塔顶进料(Y 1,X 1),从塔底流出,则下列操作线方程正确的是 。
A.)(11X V L Y X V L Y ++-= B.)(11X V
L Y X V L Y ++= C.)(11X V L Y X V L Y -+= D.)(11X V
L Y X V L Y -+-= 10.吸收因子A >1,则 。
A.吸收线在平衡线之上
B.吸收线在平衡线之下
C.操作线斜率大于平衡线斜率
D.操作线斜率小于平衡线斜率
11.对于难溶气体,吸收过程为 控制。
A.双膜控制
B. 气膜控制
C.液膜控制
D.不能确定
12. 若吸收塔的理论级数N T =5,吸收因子A =1,则该塔的传质单元数为 。
A.1
B.2
C.4
D.5
13. 板式塔塔板的漏液主要与 无关,液泛主要与 无关。
A. 空塔气速
B.液体流量
C. 板上液面落差
D. 塔板间距
14. 湿空气在预热过程中不变化的参数为 。
A.焓
B.相对湿度
C.湿球温度
D.露点
15. 某物料的临界干基含水量X C为0.18, 则在X=0.20附近的等速干燥阶段物料表面的温度θ为。
A. θ=t
W B.θ>t
W
C.θ=t d
D.θ=t
16.等焓干燥过程中,下列参数中不变的是。
A. t d
B.θ
C. t
W
D. t
17.已知湿空气的如下两个参数,就可确定其它参数。
A.H,t d
B.H ,t
C.I,t as
D.H,p
18.恒速干燥阶段,干燥过程由控制。
A.液膜
B.气膜
C.内部水分迁移
D. 表面水分汽化
三、(精馏计算)总分[24] 得分[ ]一常压连续精馏塔分离某二元理想混合液,已知塔顶为泡点回流,进料为饱和液体,其组成为0.46(易挥发组分的摩尔分数,下同),原料流量100kmol/h,塔顶产品量为60kmol/h,该系统的相对挥发度为α=2.5。
测得精馏段第n块塔板的汽、液相组成分别为y n=0.83, x n=0.7,相邻上层塔板的液相组成为x n-1=0.77,相邻下层塔板的汽相组成为y n+1=0.78,试求:
(1)精馏段操作线方程;
(2)最小回流比;
(3)精馏段第n块塔板的气相默弗里效率E mv,n;
(4)提馏段操作线方程。
四、(吸收计算)总分[20] 得分[ ]
洗油吸收芳烃, 逆流操作条件下,气液平衡关系Y=0.15X。
焦炉气流
V'=850kmol/h, 其中芳烃y1=0.02(摩尔%,下同), 回收率φA≥95% 。
吸收剂含芳烃x2=0.005, 若取溶剂用量为理论最小用量的1.5倍。
求:
(1)吸收剂用量L'kmol/h ;
(2)吸收液浓度X1;
(3)总传质单元数N OG.
五、(干燥计算)总分[16] 得分[ ]
有一连续干燥器在常压下操作。
生产能力为1000kg/h(以干燥产品计),物料水分由12%降到3%(均为湿基),空气的初温为25℃,湿度为0.01kg 水/kg干气。
经预热器后升温到70℃,干燥器出口废气温度为45℃,干燥器进出口空气焓值相等,试求:(1)废气的湿度H2 (2)新鲜空气的用量L0(kg/h)。